Проектирование усилителя напряжения

  • Вид работы:
    Контрольная работа
  • Предмет:
    Информатика, ВТ, телекоммуникации
  • Язык:
    Русский
    ,
    Формат файла:
    MS Word
    360,14 Кб
  • Опубликовано:
    2013-11-22
Вы можете узнать стоимость помощи в написании студенческой работы.
Помощь в написании работы, которую точно примут!

Проектирование усилителя напряжения















"Проектирование усилителя напряжения"

резистор усилитель эммиторный повторитель

Введение

Прежде чем начать рассчитывать усилитель, выберем некоторые его элементы и условия моделирования.

В качестве транзисторов будем использовать нашедшие широкое применение в практике КТ3102 и КТ3107.

Напряжение питания - 12 В

Напряжение источника сигнала - 0,1 мВ

1.Исходные данные. Усилитель мощности

у = 10000н = 10 Омвых = 2 Ввх = 10 кОм

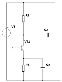
2.Расчетная часть. Расчет входного каскада

Для получения высокого входного сопротивления входной каскад построим по схеме с общим коллектором (эммиторный повторитель):

Рис. 1. Схема эммиторного повторителя

Особенностью этого каскада является высокое входное сопротивление, низкое выходное сопротивление, выходной и входное сигналы синфазны, усиление только по току.

Входное сопротивление подсчитывается по формуле:

Rвх=β(R2+Re)

где β - коэффициент усиления тока транзистора в схеме с общим эммитором; Re - объемное сопротивление эммиторного перехода; R2 - нагрузочное сопротивление эммитора.

Для выбранного транзистора β = 175; Re в справочных данных не указаны, по этому входное сопротивление каскада определить не удается, но оно будет оценено ниже.

Определим ток коллектора Ico (ток покоя в статическом режиме), при котором падение напряжения на эммиторной нагрузке R2 во-первых, равное падению напряжения на транзисторе (напряжение коллектор-эммитор), и во-вторых, было бы меньше амплитудного значения при максимальном входном сигнале. Первое условие запишется в таком виде:

I2*R2+Uce=Uпит


При условии, что β>>1, ток коллектора можно принять равным току эммитора. Ток покоя в таком случае вычисляется по формуле:

Ico=Uпит/R2

Возьмем ток покоя равным 6 мА, тогда R2 будет равен

R2=U/I=2000 Ом        

Сопротивления R1 и R3 легко подбираются путем моделирования схемы. Варьируя значения этих резисторов, добьемся максимального не искаженного напряжения на выходе усилителя:

R1= 90 кОм; R2= 19 кОм.

Разделительный конденсатор C1 выберем равным 10 мкф. Т.к. в задании не указана рабочая частота усилителя, будем полагать, что он работает в звуковом диапазоне. Т.е. полоса пропускания должна быть как минимум от 20 Гц до 20 кГц [2].

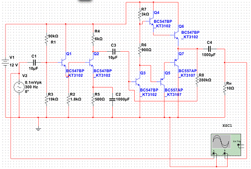
3.Расчет вторичного каскада

Задача вторичного каскада - обеспечение усиления по напряжению и согласование первичного и оконечного каскадов. Для вторичного каскада выберем схему с общим эммитором:

Рис. 2. Схема с общим эмиттером

Особенности этой схемы - низкое входное сопротивление, высокое выходное сопротивление, усиление по току и напряжению, входной и выходной сигналы находятся в противофазе.

База транзистора VT2 будет подключена непосредственно к эммитору VT1, тем самым ток смещения VT2 будет задаваться током рабочей точки VT1. Блокировочный конденсатор C2 выберем равным 1000 мкф (из условия, что проектируемый усилитель работает в звуковом диапазоне). R4 и R5 подбираются с помощью программы моделирования, исходя из амплитуды и искажения сигнала:

R4 = 6 кОм; R5 = 500 Ом.

Коэффициент усиления по напряжению в этом случае составляет 45. Коэффициент усиления следующего каскада должен составлять:

/45=222

4.Расчет выходного каскада

Выходной каскад будет построен по двухтактной схеме с обратной связью [3]. Для увеличения коэффициента усиления используем составные транзисторы. Для того чтобы их «раскачать» понадобится еще один усилитель напряжения, выполненного на транзисторе VT3:

Рис. 3. Схема усилителя мощности

Резистор R7 определяет режим работы транзистора, R6 служит для компенсации напряжения открытия p-n перехода, т.е. предотвращения искажения типа «ступенька» (или «пятка»):

Рис. 4. Искажение типа «ступенька» при замыкании R6

График смещен по оси Y на 1 вольт вверх. В действительности, эта «ступенька» находится на оси X.

R8 определяет глубину обратной связи, т.е. усиление по напряжению. С приведенными элементами коэффициент усиления по напряжению этого каскада составляет 250.

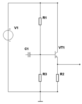
5.Исследование характеристик усилителя

Полностью рассчитанный усилитель с номиналами элементов приведен на рис. 5.

Рис. 5. Усилитель

Схема состоит из одного не инвертирующего усилителя и двух инвертирующих, тем самым мы получаем не инвертирующий усилитель.

Ток, текущий через конденсатор C1 равен 5 нА, напряжение источника сигнала - 0,1 мВ. По формуле Ома легко найти входное сопротивление усилителя:

R=U/I=(0,1*10-3)/(5*10-12)=20 кОм

Изменяя частоту сигнала, можно определить рабочий диапазон частот усилителя. Возьмем максимально допустимое затухание сигнала равным 1,5 дБ (±10%) полоса пропускания в этом случае составляет 20 Гц - 50 кГц.

Рис. 6. Зависимости входного и выходного сигнала от времени (входной сигнал измеряется в 1 мВ на деление, а выходной 500 мВ на деление)

Величина гармонических искажений, измеренная с помощью инструмента «Distortion Analyzer», на частоте 1 кГц, составила 1,972% (-34,101 дБ). Такие параметры усилителя позволяют использовать его в звуковоспроизводящей технике высокого класса [2]. Общий коэффициент усиления по напряжению составил 11033, который регулируется в широких пределах резистором обратной связи выходного каскада R8.

Заключение


В ходе выполнения курсовой работы был произведен расчет всех элементов усилителя, выявлены некоторые особенности его работы.

Также был получен навык моделирования электрических схем в программе Multisim.

Графическая часть представлена электрическими схемами и эпюрами напряжений.

Литература

.Функциональные узлы усилителей Hi-Fi / Д. И. Атаев, В. А. Болотников. - М.: Издательство МЭИ, ТОО «Позитив», 1994. - 224 с.: ил.

.Лучшие конструкции 25-й выставки творчества радиолюбителей. Сборник. М., ДОСААФ, 1975. - 184 с., ил.

Похожие работы на - Проектирование усилителя напряжения

 

Не нашли материал для своей работы?
Поможем написать уникальную работу
Без плагиата!
Без нейросетей!