Проектирование широкополосного усилителя
Кафедра приборостроения
КУРСОВОЙ ПРОЕКТ
ПРОЕКТИРОВАНИЕ ШИРОКОПОЛОСНОГО
УСИЛИТЕЛЯ
Содержание
1. Техническое задание на проектирование усилителя
1.1 Анализ технического задания
2. Расчет выходного каскада
3. Расчет промежуточного каскада
3.1 Расчет входного каскада
4. Расчет элементов высокочастотной коррекции
4.1 Значения корректирующих емкостей
4.2 Расчет элементов, определяющих АЧХ в области НЧ
5. Расчет и построение амплитудно-частотных характеристик усилителя
5.1 Область низких частот
5.2Область верхних частот
5.3 Общая АЧХ усилителя на нижних частотах
6. Оценка качества спроектированного устройства в соответствии с
требованиями технического задания
Литература
1.
Техническое задание на проектирование усилителя
ЭДС входного сигнала, В:
Активное сопротивление нагрузки, Ом:
Емкостное сопротивление нагрузки, Ф:
Частотные искажения (НЧ):
Частотные искажения (ВЧ):
Минимальная рабочая температура (град.):
Максимальная рабочая температура (град.):
Нижняя граничная частота, Гц:
Верхняя граничная частота, Гц:
Входное сопротивление, Ом:
Коэффициент гармоник:
Амплитуда выходного сигнала:
Сопротивление источника, Ом:
Нестабильность усиления:
1.1 Анализ
технического задания
Из-за того, что данный усилитель должен обладать высокой
граничной частотой, то целесообразно использовать при его построении
высокочастотные усилительные секции ОЭ-ОБ с применением коррекции эмиттерной
противосвязью, чтобы дополнительно стабилизировать коэффициент
усиления.коэффициент запаса:
расчётный коэффициент усиления
- число каскадов
=
коэффициент усиления отдельного каскада
коэффициент частотных искажений на нижних частотах
коэффициент частотных искажений на верхних частотах
=1.059
нестабильность усиления
=
= 1+Kb глубина обратной связи
=
проигрыш в площади усиления по сравнению с простой
параллельной коррекцией
выигрыш, обеспечиваемый параллельной коррекцией при заданных
частотных искажениях на высоких частотах Mvi
окончательный выигрыш в площади усиления при эмиттерной
коррекции
необходимая верхняя граничная частота каскада
Птрi необходимая площадь усиления каскада
Такая площадь усиления может быть обеспечена усилительной
секцией ОЭ-ОБ с применением коррекции эмиттерной противосвязью. В качестве
усилительного элемента целесообразно использовать ИС К256УВ5
широкополосный усилитель высокочастотная коррекция
2. Расчет
выходного каскада
Рис. 1. Принципиальная схема выходного каскада
Согласование с внешней нагрузкой обеспечивается выбором
коллекторного сопротивления
(Ом)
Амплитуда переменной составляющей коллекторного тока



При расчёте минимального напряжения примем допустимое
приращение коллекторного тока в результате температурной нестабильности
Остаточное напряжение на коллекторе
Где
постоянная составляющая на выходе ИС К265 УВ5

Полученное значение округляем до большего типового значения
Напряжение коллектор-эмиттер в рабочей точке

Необходимое сопротивление постоянному току в эмиттере

Для выбора транзистора по энергетическим параметрам запишем
систему неравенств
Где
- максимальное напряжение на коллекторе
транзистора
- максимальный коллекторный ток
- максимальная допустимая рассеивающая мощность
По справочнику выбираем транзистор, удовлетворяющий указанным
условиям-КТ610А
(т.к. планарный)
Его параметры в рабочей точке
Параметры элементов схемы замещения транзистора

Граничная частота транзистора

Постоянная времени базовой цепи транзистора
Для определения нестабильности тока покоя найдем
вспомогательные параметры:
Приращение напряжения питания база-эммитер


Неуправляемый ток коллектора

Теперь для приращения тока коллектора можно записать

Для каскада с ОЭ площадь усиления оценивается по формуле:

Где Rг - выходное сопротивление микросхемы К265УВ5 в типовом
режиме
Входное сопротивление транзистора с обратной связью

Сопротивление обратной связи

Нестабильность коэффициента усиления каскада
Полученное значение нестабильности коэффициента усиления
каскада
Удовлетворяют заданному условию
Постоянная времени каскада:
Постоянная времени транзистора (справочн.):
Постоянная времени корректирующего звена
оптимальный коэфф. коррекции
Величина корректирующей емкости
3. Расчет
промежуточного каскада
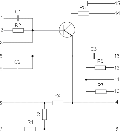
Принципиальная схема ИС К265УВ5
Номиналы деталей ИС К265УВ5.
R1=1.2кОм R7=200Ом
R2=6.2кОм C1=15нФ
R3=100Ом C2=15нФ
R4=100Ом C3=15нФ
R5=100Ом VT1=КТ610А
По справочнику выбираем транзистор, удовлетворяющий указанным
условиям-КТ610А
(т.к. планарный)
Его параметры в рабочей точке
Параметры элементов схемы замещения транзистора
Граничная частота транзистора

Постоянная времени базовой цепи транзистора
Для определения нестабильности тока покоя найдем
вспомогательные параметры:
Нестабильность коэффициента передачи транзистора
Приращение напряжения база-эммитер


Неуправляемый ток коллектора
Теперь для приращения тока коллектора можно записать
Где

Максимально достижимая площадь усиления промежуточного
каскада:
Эквивалентное сопротивление нагрузки:
Сопротивление транзистора с учётом обратной связи:
Нестабильность усиления:
3.1 Расчет
входного каскада
, доп. Сопротивление
Максимально достижимая площадь усиления входного каскада:
4. Расчет
элементов высокочастотной коррекции
Эквивалентная постоянная времени входного каскада
Эквивалентная постоянная времени промежуточного каскада
Эквивалентная постоянная времени выходного каскада
4.1 Значения
корректирующих емкостей
Корректирующая емкость для входного каскада
Корректирующая емкость для промежуточного каскада
4.2 Расчет
элементов, определяющих АЧХ в области НЧ
Эквив. постоянная времени на НЧ, они одинаковы для всех
каскадов, т.к. коэффициенты частотных искажений одинаковы для них
Разделительная емкость
Блокировочная емкость
Тоже самое для промежуточного каскада
Разделительная емкость
,
Блокировочная емкость
Для входного каскада необходимо учитывать три конденсатора,
два разделительных на входе и выходе и конденсатор в цепи эмиттерной
термостабилизации

Эквивалентные сопротивления:
Ср - разделительная емкость на выходе каскада
Срвх - разделительная емкость на входе каскада
Сэ - блокировочная емкость
5. Расчет и
построение амплитудно-частотных характеристик усилителя
5.1 Область
низких частот
Входной каскад:
Коэффициент передачи на нижней граничной частоте для входного
каскада:
Коэффициент частотных искажений на нижней граничной частоте
для входного каскада:
Промежуточный каскад:
Коэффициент передачи на нижней граничной частоте для
промежуточного каскада
Коэффициент частотных искажений на нижней граничной частоте
для промежуточного каскада:
Выходной каскад:
Коэффициент передачи на нижней граничной частоте для
выходного каскада:
Коэффициент частотных искажений на нижней граничной частоте
для выходного каскада:
5.2Область
верхних частот
Входной каскад:
,
Коэффициент передачи на верхней граничной частоте для
входного каскада:
Коэффициент частотных искажений на верхней граничной частоте
для входного каскада:
Промежуточный каскад:
Коэффициент передачи на верхней граничной частоте для
промежуточного каскада:

Выходной каскад:
Коэффициент передачи на верхней граничной частоте для
выходного каскада:
Коэффициент частотных искажений на верхней граничной частоте
для выходного каскада:
5.3 Общая АЧХ
усилителя на нижних частотах
Коэффициент передачи усилителя на нижней граничной частоте:
Коэффициент частотных искажений усилителя на нижней граничной
частоте:
Общая АЧХ усилителя на верних частотах:
Коэффициент передачи усилителя на верхней граничной частоте:
Коэффициент частотных искажений усилителя на верхней
граничной частоте:
6. Оценка
качества спроектированного устройства в соответствии с требованиями
технического задания
Рассчитанный усилитель удовлетворяет исходным данным и имеет
коэффициенты частотных искажений не более допустимых в области верхних и нижних
частот. Значение термонестабильности коэффициента усиления в заданном диапазоне
рабочих температур находится в пределах нормы согласно требованию технического
задания.
Литература
1.
Проектирование широкополосных и импульсных усилителей (расчет каскадов и
секций). Метод. указания по курсу "Усилительные устройства". -
Красноярск: КГТУ, 1983 г.
.
Проектирование широкополосных и импульсных усилителей (расчет элементов
коррекции и термостабилизации). Метод. указания по курсу "Усилительные
устройства". - Красноярск: КГТУ, 1983 г.
.
Проектирование широкополосных и импульсных усилителей (пример расчетов). Метод.
указания по курсу "Усилительные устройства". - Красноярск: КГТУ, 1983
г.
.
Аналоговые устройства/ Сост.В. В. Волошенко, А.Г. Григорьев, В.И. Юзов. -
Красноярск: КГТУ, 1996 г.
.
Транзисторы для аппаратуры широкого применения: Справочник/ К. М. Брежнева,
Е.И. Гантман, Т.И. Давыдова и др. Под ред. Б.Л. Перельмана. - М.: Радио и
связь, 1981 г.