Проектирование широкополосного усилителя
Федеральное
государственное автономное
образовательное
учреждение
высшего
профессионального образования
"СИБИРСКИЙ
ФЕДЕРАЛЬНЫЙ УНИВЕРСИТЕТ"
Институт
инженерной физики и радиоэлектроники
Кафедра "Приборостроение и наноэлектроника"
КУРСОВОЙ ПРОЕКТ
Проектирование
широкополосного усилителя
Красноярск
2010
Содержание
Задание
. Выбор и обоснование структурной схемы
. Расчет выходного каскада
. Расчет промежуточного каскада
. Расчет входного каскада
. Расчет истокового повторителя
. Расчет результирующих характеристик усилителя
Заключение
Список использованных источников
Приложение
Задание
Рассчитать усилитель гармонических сигналов, удовлетворяющий требованиям:
ЭДС входного сигнала (E)4мВ
Нагрузка
Активная (Rн)100 кОм
Емкость (Cнд)20 пФ
Частотные искажения
Нижние частоты (Mн)1.8 дБ
Верхние частоты (Mв)1.5 дБ
Температура
Минимальная (Tн)0 °C
Максимальная (Tв)50 °C
Сопротивление источника (Rист)600 Ом
Граничные частоты
Нижняя (fн)30 Гц
верхняя (fв)6 МГц
Входное сопротивление (Rвх) 200 кОм
Амплитуда выходного сигнала (Eвых)4,5 В
Нестабильность коэффициента усиления (dK)7 %
1. Выбор и обоснование структурной схемы
Низкое выходное напряжение Eвых=4.5 В при высокоомной нагрузке Rн=100 кОм позволяет применять на выходе усилителя такую
же секцию, как и в промежуточных каскадах. Необходимость получения большого
входного сопротивления Rвх=200 кОм требует установки на вход
истокового повторителя. Ввиду низкой нижней граничной частоты желательно
использование минимального числа блокировочных и разделительных конденсаторов,
или необходимо выбрать номиналы этих конденсаторов довольно большими.
Для компенсации погрешностей расчета, разброса параметров элементов,
потерь во входной цепи усилитель рассчитывается на коэффициент усиления, при
коэффициенте запаса Kз=1.3:
где Eвых, Е - выходное и входное напряжение, Rист и Rвх - сопротивление источника сигнала и входное сопротивление
усилителя.
Необходимое число каскадов при максимально возможном усилении
одно-двухтранзисторных схем Km=40:
Определяются требования к отдельным каскадам:
коэффициент усиления каскада:
где N - число каскадов, Kр - расчетный коэффициент усиления.
коэффициент частотных искажений на нижних частотах:
где Мн - коэффициент искажения усилителя на нижних частотах.
коэффициент частотных искажений на верхних частотах:
где Мв - коэффициент искажения усилителя на верхних частотах.
нестабильность усиления в каждом каскаде:
где dK - нестабильность усилителя.
коэффициент частотных искажений на верхних частотах:
где Мв - коэффициент искажения усилителя на верхних частотах
нестабильность усиления в каждом каскаде:
Определяется необходимая площадь усиления для каждого каскада. Глубина
обратной связи необходимая для получения заданного усиления:
Так как граничная частота усилителя достаточно высока, используются
усилительные секции общий эмиттер - общая база с применением коррекции
эмиттерной противосвязью.
Из графика на рисунке 3.1 находится проигрыш в площади усиления по
сравнению с простой параллельной коррекцией: K’=0.6
Выигрыш, обеспечиваемый простой параллельной коррекцией при заданных
частотных искажениях на высоких частотах Мвi, определяется из графика на рисунке
3.2. Значение Kk/Kopt зададим на уровне 0.9, так как
допустимый подъем характеристики достаточно велик:
gk’=2.3
Рисунок 1.1 Потери площади усиления при эмиттерной коррекции

Окончательно выигрыш в площади усиления при эмиттерной коррекции:
Рассчитывается необходимая верхняя граничная частота каждого каскада:
где fв - верхняя граничная частота усилителя.
Для необходимой площади усиления каскада:
Такая площадь может быть обеспечена с помощью усилительной секции общий
эмиттер - общая база, например на интегральной микросхеме типа К265УВ6.
Учитывая небольшое выходное напряжение при высокоомной нагрузке, этот же
тип интегральной схемы применяется и в выходном каскаде. Для входного
истокового повторителя выбираем высокочастотный полевой транзистор КП305Ж.
Данный транзистор имеет достаточно высокую крутизну, что обеспечивает малое
входное сопротивление повторителя и, как следствие, хорошие частотные свойства
следующего за ним каскада.
Таким образом, для рассчитываемого усилителя принимается четырёхкаскадная
схема. содержащая входной истоковый повторитель, выполненный на дискретном
элементе, и три активных каскада, выполненных по схеме общий эмиттер - общая
база на интегральных микросхемах К256УВ6.
Структурная схема усилителя изображена на рисунке 3.3.
Рисунок 1.3 Структурная схема усилителя
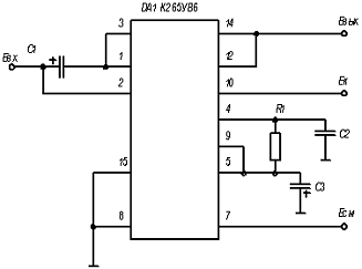
2. Расчет выходного каскада
Схема рассчитываемого каскада приведена на рисунке 4.1, схема
электрическая принципиальная ИС К265УВ6 на рисунке 4.2.
Рисунок 2.1 Усилительная секция общий эмиттер - общая база
Задаваясь предварительно величинами емкости монтажа Cм=7,5 пФ и выходной емкостью транзистора Cб’к=3,5 пФ, максимально допустимое
сопротивление нагрузки:
Ориентируясь на интегральную микросхему К265УВ6 с током покоя Ik=4.4 мА, минимально допустимое
сопротивление нагрузки:
Так как условие Rнmax>Rнmin выполняется и типовое коллекторное сопротивление Rк=670 Ом не лежит в указанных пределах, добавляем
внешнее сопротивление. Уточненное значение сопротивления нагрузки каскада
получается по формуле:
Для расчета минимально допустимого коллекторного напряжения
предварительно задается DIk=0.1Ik, Uост=1,5
В, Uэ2=0.6 В (напряжение на эмиттере
транзистора включенного с общей базой). Напряжение питания:
Так как полученное значение больше типового, выбирается Ek=16 В.
Для микросхемы использован типовой режим, поэтому значения параметров
эквивалентной схемы транзистора возьмём так же из приложения (см. методичку
"Аналоговые устройства").
,
,
,
,
,
,
,
с.
Сопротивление генератора определяется:
где Rкпр - сопротивление коллектора
предыдущего каскада (ИС типа К265УВ6); R1 и R3 - сопротивления базового делителя
МС.
Уточнив емкость нагрузки:
оценивается достижимая площадь усиления:
Поскольку достижимая площадь усиления больше требуемой, требования к
частотным свойствам выполнены.
Входное сопротивление транзистора с учетом обратной связи:
усилитель сигнал каскад транзистор
величина сопротивления эмиттерной обратной связи
Выбрав большее из относительных приращений коэффициентов передачи по
току:
оценивается нестабильность усиления каскада:
Полученная нестабильность удовлетворяет условию.
Для расчета емкости коррекции оцениваются постоянные времени каскада:
и корректируемого звена:
Оптимальный коэффициент коррекции:
при ранее выбранном Кк/Кopt = 0.9 выражение для корректирующей
емкости:
При расчёте переходных (их две- на входе и на выходе) и блокировочной
ёмкостей зададим
и
. Эквивалентная постоянная каскада на нижних частотах:
следовательно, постоянные времени каждой из ёмкостей:
Эквивалентные сопротивления для низких частот:
Величины каждого из конденсаторов рассчитываются по формулам:

где К - значение коэффициента коррекции, которое определяется из
выражения:
Расчет амплитудно-частотной характеристики на низких частотах ведется по
формуле:

АЧХ выходного каскада на нижних частотах изображен на рисунке 4.3, на
верхних - на рисунке 4.4.
Рисунок 2.3 АЧХ выходного каскада на верхних частотах
Рисунок 2.4
АЧХ выходного каскада на нижних частотах
Величина внешнего резистора в цепи обратной связи определяется по
формуле:
Схема выходного каскада электрическая принципиальная изображена на
рисунке 2.5.
Рисунок 2.5 Схема выходного каскада электрическая принципиальная
3. Расчет промежуточного каскада
Сопротивление нагрузки каскада для расчета площади усиления:
где Rвхтрсл=7730 Ом входное сопротивление
транзистора выходного каскада.
Сопротивление генератора:
где Rкпр - сопротивление коллектора
предыдущего каскада (ИС типа К265УВ6);
оценивается достижимая площадь усиления:
Поскольку достижимая площадь усиления больше требуемой, требования к
частотным свойствам выполнены.
Входное сопротивление транзистора с учетом обратной связи:
величина сопротивления эмиттерной обратной связи
оценивается нестабильность усиления каскада:
Полученная нестабильность удовлетворяет условию.
Для расчета емкости коррекции оцениваются постоянные времени каскада:
и корректируемого звена:
Оптимальный коэффициент коррекции:
при ранее выбранном Кк/Кopt = 0.9 выражение для корректирующей
емкости:
При расчёте переходных (их две- на входе и на выходе) и блокировочной
ёмкостей зададим
и
. Эквивалентная постоянная каскада на нижних частотах:
следовательно, постоянные времени каждой из ёмкостей:
Эквивалентные сопротивления для низких частот:
Эквивалентные сопротивления для низких частот:
Величины каждого из конденсаторов рассчитываются по формулам:
Амплитудно-частотная характеристика каскада в области верхних частот
определяется из выражения:
где К - значение коэффициента коррекции, которое определяется из
выражения:
Расчет амплитудно-частотной характеристики на низких частотах ведется по
формуле:
АЧХ промежуточного каскада на нижних частотах изображен на рисунке 3.1,
на верхних - на рисунке 3.2.
Рисунок 3.1
АЧХ промежуточного каскада на нижних частотах
Рисунок 3.2
АЧХ промежуточного каскада на верхних частотах
Величина внешнего резистора в цепи обратной связи рассчитывается по
формуле:
Схема промежуточного каскада электрическая принципиальная изображена на рисунке 3.3.
Рисунок 3.3 Схема промежуточного каскада электрическая принципиальная
4. Расчет входного каскада
Схема рассчитываемого каскада приведена на рисунке 4.1, схема
электрическая принципиальная ИС К265УВ6 на рисунке 4.2.
Сопротивление нагрузки каскада для расчета коэффициента усиления:
где Rбсл=2021 Ом сопротивление базового делителя
промежуточного каскада.
Сопротивление нагрузки каскада для расчета площади усиления:
где Rвхтрсл=3029 Ом входное сопротивление
транзистора выходного каскада.
Сопротивление генератора:
где Rвыхип - выходное сопротивление
повторителя;
Уточнив емкость нагрузки:
оценивается достижимая площадь усиления:
Поскольку достижимая площадь усиления больше требуемой, требования к
частотным свойствам выполнены.
Входное сопротивление транзистора с учетом обратной связи:
величина сопротивления эмиттерной обратной связи
Выбрав большее из относительных приращений коэффициентов передачи по
току:
оценивается нестабильность усиления каскада:
Полученная нестабильность удовлетворяет условию.
Для расчета емкости коррекции оцениваются постоянные времени каскада:
и корректируемого звена:
Оптимальный коэффициент коррекции:
при ранее выбранном Кк/Кopt = 0.9 выражение для корректирующей
емкости:
Для разделительной и блокировочной емкостей aвх=2, aбл=0.5.
Эквивалентная постоянная времени каскада на низких частотах:
Постоянные времени каждой из емкостей:
Эквивалентные сопротивления для низких частот:
Величины каждого из конденсаторов:
Амплитудно-частотная характеристика каскада в области верхних частот
определяется из выражения:
где К - значение коэффициента коррекции, которое определяется из
выражения:
Расчет амплитудно-частотной характеристики на низких частотах ведется по
формуле:

АЧХ промежуточного каскада(2) на нижних частотах изображен на рисунке
4.1, на верхних - на рисунке 4.2.
Рисунок 4.1 АЧХ входного каскада на нижних частотах.
Рисунок 4.2
АЧХ входного каскада на верхних частотах.
Величина внешнего резистора в цепи обратной связи рассчитывается по
формуле:
Схема промежуточного каскада(2) электрическая принципиальная изображена
на рисунке 4.3.
Рисунок 4.3 Схема входного каскада электрическая принципиальная.
5. Расчет истокового повторителя
Для расчета истокового повторителя воспользуемся литературой [2] ч.2.
Схема электрическая принципиальная истокового повторителя изображена на
рис. 5.1.
Рис.5.1 Схема электрическая принципиальная истокового повторителя.
Некоторые справочные данные канального транзистора КП305Ж:
Параметры транзистора КП305Ж:

Коэффициент усиления:
Выходное сопротивление повторителя:
Входная емкость:
Постоянная времени на верхних частотах:
Расчет термостабильности режима проводить не будем. Для истокового
повторителя нестабильность чрезвычайно мала и определяется лишь технологическим
разбросом.
Определим сопротивление затвора из соотношения:
Рассчитаем разделительную емкость на входе.
Амплитудно-частотная характеристика каскада в области верхних частот
определяется из выражения:
Расчет амплитудно-частотной характеристики на низких частотах ведется по
формуле:

АЧХ входного каскада на нижних частотах изображен на рисунке 7.2, на
верхних - на рисунке 7.3.
Рисунок 5.2 АЧХ истокового повторителя на нижних частотах.
Рисунок 5.3
АЧХ истокового повторителя на верхних частотах
. Расчет результирующих характеристик усилителя
Результирующий коэффициент усиления:
Следовательно, усилитель обеспечивает напряжение на выходе, при заданном
входном, не меньше требуемого.
АЧХ усилителя находится как произведение АЧХ каскадов на соответствующих
частотах. АЧХ усилителя на нижних частотах изображена на рисунке 6.1, на
верхних - рисунок 6.2.
Рисунок 6.1 АЧХ входного каскада на нижних частотах
Рисунок 6.2 АЧХ входного каскада на верхних частотах
По полученным АЧХ находится коэффициент усиления на граничных частотах:
Yн(40)=0.846
Yв(18*106)=0.947
Соблюдены условия задания и в частотной области. Мнi и Мвi должны быть меньше заранее заданных (Мнi = 1.059, Мвi = 1.075).
Мн4=1.053, Мн3 = 1.057, Мн2 = 1.049, Мн1 = 1.013
Мв4=1.017, Мв3 = 1.025, Мв2 = 1.002, Мв1 =1.012
Температурная нестабильность соответствует заданию(δК = 3.33% на каскад).
δК4 = 1.6%,
δК3 = 2%,
δК2 = 0.8%,
Нестабильность истокового повторителя пренебрежимо мала.
Входное сопротивление равно сопротивлению утечки истокового повторителя:
вх = Rз = 50000 Ом
Приходим к выводу, что рассчитанный усилитель соответствует требованиям
технического задания.
Заключение
Рассчитанный усилитель соответствует техническому заданию. Достижимая
площадь усилителя превышает требуемую, для согласования большой нагрузки на
входе применен истоковый повторитель. В качестве промежуточных каскадов
использована усилительная секция ОЭ-ОБ, которая обеспечивает лучшие
характеристики по сравнению с однотранзисторными микросхемами. Это упрощает
производство усилителя. Несмотря на то, что для промежуточных каскадов
использована секция ОЭ-ОБ наличие истокового повторителя усложняет конструкцию
усилителя и делает ее менее компактной.
При разработке проекта я закрепил полученные ранее знания по схемотехнике
аналоговых устройств, электронике, а также приобрел навыки работы с такими
пакетами программ, как MathCad
и MS Word.
Список использованных источников
1. Проектирование широкополосных и импульсных усилителей.
Методические указания (ч. 1, 2, 3). /Сост. В.И. Юзов; КрПИ. - Красноярск, 1983.
. Проектирование усилительных устройств; Учеб. Пособие для
ВУЗов /В.В. Ефимов, В.М. Павлов и др.; Под ред. Н.В. Терпугова. - М.: Высшая
школа, 1982. - 190 с.
. Справочник по электрическим конденсаторам / М.Н. Дьяков,
В.И. Карабанов, В.И. Присняков и др.; Под общ. ред. И.И. Четверткова и В.Ф.
Смирнова. -М.: Радио и связь, 1983 - 576с.; ил.
Приложение А
Принципиальная схема усилителя.
Приложение Б
Обоз.НаименованиеКол.Примечание
Конденсаторы
С1КМ-5 107.5 нФ + 5%1
С2К-50-6 3.2 мкФ + 5%1
С3К-50-6 2.7 мкФ + 5%1
С4КМ-5 0.26 пФ + 5%1
С5КМ-5 58.2 пФ + 5%1
С6К-50-6 21 мкФ + 5%1
С7К-50-6 1.8 мкФ + 5%1
С8КМ-5 30 нФ + 5%1
С9КМ-5 16 пФ + 5%1
С10К-50-6 52 мкФ + 5%1
С11К-50-6 390 мкФ + 5%1
Резисторы
R1МЛТ-0.5 80 Ом +
5%1
R2МЛТ-0.5
101 Ом + 5%1
R3МЛТ-0.5
60 Ом + 5%1
Микросхемы
DA1,2,3K256УВ63