Малошумящий интегральный усилитель
Министерство образования Российской
Федерации
ТОМСКИЙ ГОСУДАРСТВЕННЫЙ УНИВЕРСИТЕТ
СИСТЕМ
УПРАВЛЕНИЯ И РАДИОЭЛЕКТРОНИКИ (ТУСУР)
Кафедра КУДР
Малошумящий интегральный усилитель
Индивидуальное задание по дисциплине
"Проектирование микроэлектронных
узлов"
Выполнили: студенты гр. з30р
Е.П. Пронина
Принял: доцент кафедры КУДР
М.Н. Романовский
Задание
малошумящий интегральный усилитель
1 Исходные данные источника сигнала:
.1 Выходное сопротивление 50 Ом
.2 Амплитуда 2 мкВ
Исходные данные усилителя:
.1 Коэффициент усиления > 40 дБ
.2 Полоса рабочих частот 2-3 ГГц
.3 Сопротивление нагрузки 100 Ом
.4 Питание однополярное +10 В
Условия эксплуатации:
.1 Температура среды 27 ºС
.2 Влажность относительная 96 % при 27 ºС
Особые требования:
.1 Реализовать усилитель в бескорпусном однокристальном
исполнении
.2 В качестве активных элементов использовать полевые
транзисторы с затвором Шоттки (ПТШ) шириной не более 250 мкм
.3 Обеспечить минимизацию дифференциального коэффициента шума
в полосе рабочих частот
.4 Минимальный топологический размер (проектная норма) - 0.2
мкм
Индивидуальное задание:
.1 Исследовать влияние сопротивления затвор-исток на
коэффициент шума и другие характеристики ПТШ
.2 Разработать технологию изготовления кристалла
Содержание отчета: титульный лист, задание, введение,
проектирование малошумящего полевого транзистора с затвором Шоттки,
функциональное проектирование усилителя, разработка конструкции и топологии
кристалла, разработка технологии изготовления кристалла, заключение, список литературы,
приложения (при необходимости)
Конструкторская и технологическая документация:
.1 Схема электрическая принципиальная
.2 Топологические сборочный и послойный чертежи
.3 Схема технологического процесса с профилями создаваемых
структур
Содержание
Введение
1. Анализ технического задания
2. Проектирование малошумящего полевого транзистора с затвором
Шоттки
2.1 Определение толщины обедненной области
2.2 Определение значения порогового напряжения перекрытия канала
3. Функциональное проектирование усилителя
3.1 Получение схемы электрической принципиальной
3.2 Исследование влияния входного сопротивления на коэффициент шума
и другие характеристики ПТШ
4. Разработка конструкции и топологии кристалла
4.1 Расчет геометрических размеров пассивных элементов
4.1.1 Расчет геометрических размеров конденсаторов
4.1.2 Расчет геометрических размеров резисторов
4.2 Разработка топологии кристалла
5. Разработка технологии изготовления кристалла
Заключение
Список используемой литературы
Введение
Проектирование полупроводниковых интегральных микросхем (ИМС)
является сложным и многоэтапным процессом. Проектирование включает в себя
синтез и анализ схемы, оценку экономической обоснованности степени интеграции,
расчет элементов, разработку топологии, выбор оптимального технологического
процесса, расчет технико-экономических показателей производства. Методы
проектирования полупроводниковых ИМС тесно связаны с технологией их
изготовления. Совершенствование технологических процессов позволяет повысить
степень интеграции, что неизбежно приводит к изменению методов проектирования.
Процесс проектирования полупроводниковых ИМС можно
подразделить на следующие основные этапы:
) составление технических требований;
) выбор физической структуры;
) разработка принципиальной электрической схемы;
) разработка конструкции и топологии;
) оформление документации.
Цель данной работы - освоение приемов и приобретение
практических навыков в проектировании полупроводниковых ИМС на примере расчета
малошумящего интегрального усилителя.
1. Анализ
технического задания
В результате выполнения индивидуального задания должны
получить малошумящий усилитель реализованный на полевом транзисторе с затвором
Шоттки, который удовлетворял бы заданные технические требования. Проектируемый
усилитель может быть выполнен на одном или двух каскадах, в зависимости от того
при скольких каскадах будет обеспечен коэффициент усиления. При проектировании
усилителя нужно обеспечить минимальный коэффициент шума.
малошумящий интегральный усилитель транзистор
2.
Проектирование малошумящего полевого транзистора с затвором Шоттки
2.1
Определение толщины обедненной области
Толщина обедненной области определяется:
(3.1)
где q - элементарный заряд (q=1.6×10-19Кл);
e0 - диэлектрическая
постоянная (e0=8.85×10-12);
N - концентрация
основных носителей заряда (N=1×1024 м-3);
Vb - контактная разность потенциалов барьера
(Vb=0,8 В).
Подставив значения в формулу получим
м
Определив исходную (без смещения на затворе) ширину области
обеднения и сопоставив с толщиной эпитаксиального n-слоя (an=0,04×10-6м), получили, что ширина области обеднения
меньше, значит нужно использовать транзистор с нормально открытым каналом.
2.2
Определение значения порогового напряжения перекрытия канала
Найдем значение порогового напряжения перекрытия канала с
технологической толщиной ak =0,04×10-6 м.
. (3.2)
Так как оптимальным диапазоном для напряжения отсечки считается
диапазон 0.1Vи<|Vto|<0.25Vи,
то для обеспечения требуемого значения |Vto| при выбранном
напряжении источника питания Vи =10 В оставим эту
толщину канала ak =0,04×10-6 м.
3.
Функциональное проектирование усилителя
3.1 Получение
схемы электрической принципиальной
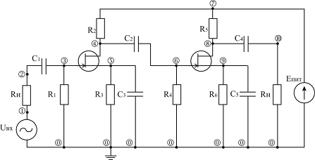
С помощью пакета Pspice получим двухкаскадный усилитель, отвечающий
заданным требованиям. Для этого произведем подбор элементов схемы с целью
обеспечения коэффициента усиления больше 40 дБ и с минимальным коэффициентом
шума. В результате получим схему усилителя представленную на рисунке 4.1.
Рисунок 4.1 - Схема электрическая принципиальная усилителя.
На рисунках 4.2 и 4.3 представлены основные характеристики -
коэффициент усиления и коэффициент шума усилителя.
Рисунок 4.2 - Зависимость коэффициента усиления от частоты в dB.
Рисунок 4.3 - Зависимость коэффициента шума от частоты в dB.
3.2
Исследование влияния входного сопротивления на коэффициент шума и другие
характеристики ПТШ
Рисунок 4.4 - Зависимость коэффициента усиления от частоты от
сопротивления затвор-исток в диапазоне от 180 до 260 Ом с шагом 20.
Рисунок 4.5 - Зависимость коэффициента шума от частоты от
сопротивления затвор-исток в диапазоне от 180 до 260 Ом с шагом 20.
4. Разработка
конструкции и топологии кристалла
4.1 Расчет
геометрических размеров пассивных элементов
4.1.1 Расчет
геометрических размеров конденсаторов
Пленочные конденсаторы представляют собой трехслойную М-Д-М
структуру.
При функциональном проектировании усилителя получили следующие
значения конденсаторов

.
Рассчитаем геометрические размеры конденсатора С1.
Примем разброс номиналов ΔС=20%, расстояние между краями верхней и нижней обкладок ΔLвн=0,2 мкм, расстояние между краем диэлектрика и краем нижней
обкладки ΔLдн=0,2 мкм, погрешность линейных размеров dLvn=0,2 мкм. В качестве диэлектрика выберем SiO2.
Рассчитаем минимальную толщину диэлектрика:
, (5.1)
где kz - коэффициент запаса (2÷3);
Up - рабочее напряжение (
В);
Ed - электрическая прочность диэлектрика
(6·108 В/м).
.
Так как данное значение толщины диэлектрика не может быть
получено, то выберем в качестве толщины минимально возможное значение
.
, (5.2)
Найдем погрешность в геометрических размерах верхних обкладок
конденсатора δа:
, (5.3)
, (5.4)
где kf - коэффициент формы.
Значение
обеспечивает заданное Uр и требуемое значение δА. Емкость С0 определяет геометрические
размеры конденсатора.
Найдем площадь конденсатора Аво по формуле:
, (5.5)
Найдем длину верхней обкладки Lво:
, (5.6)
Длина нижней обкладки Lно:
, (5.7)
Длина диэлектрика Lд:
. (5.8)
Аналогично рассчитаем геометрические размеры конденсатора
по формулам (5.4) - (5.8) и получим:
,
,
,
.
Конденсатор С3
,
,
,
Конденсатор С4:
,
,
,
.
Конденсатор С5:
,
,
,
.
4.1.2 Расчет
геометрических размеров резисторов
Проведем расчет поверхностного сопротивления N и N+ областей (Rn и Rn+).
, (5.9)
где N - концентрация носителей в n слое;
m - подвижность носителей в n и n+ слоях;
an - толщина эпитаксиального N слоя.
, (5.10)
где N+ - концентрация носителей в n+ слое;
an+ -
толщина эпитаксиального n+ слоя.
Подставляя численные значения получим:
Ом/?
Ом/?
Параметром, определяющим характеристики резисторов, является
ширина, которая определяется:
(5.11)
где b0 - минимальная эффективная ширина, определяемая
технологическими ограничениями;
bР - минимальная эффективная ширина, определяемая допустимой
удельной рассеиваемой мощностью (Р0);
bТ - минимальная
эффективная ширина, обеспечивающая заданную точность изготовления.
Определим минимальную эффективную ширину, воспользовавшись данными
из таблицы приведенной в [1, с.224]. Как видно из таблиццы bэфф0=100·10-6 м, Δbt=0,2·10-6 м. Погрешность в номиналах поверхностного сопротивления
примем равной ΔRs=0.05,
сопротивления ΔR=0.2.
Рассчитаем геометрические размеры резистора R1=100 Ом.
Определим bР:
, (5.12)
где Р0 - допустимая удельная мощность (Р0
» 5 Вт/мм2);
Р1 - мощность рассеиваемая на резисторе R1, определяемая:
, (5.13)
Вт
м.
Определим bТ:
, (5.14)
.
Выберем максимальную ширину из трех возможных bmax1= bТ.
Рассчитаем длину резистора:
, (5.15)
.
Определим коэффициент формы резистора:
, (5.16)
Воспользовавшись соотношениями (5.11) - (5.16) рассчитаем
геометрические размеры всех остальных резисторов. Но для резистора R3 будем использовать поверхностное сопротивление n+ слоя Rsn+, а для сопротивления R2, R4,
R5 и R6 поверхностное сопротивление n слоя.
Резистор R2 (100 Ом):
Резистор R3 (43 Ом):
Резистор R4 (350 Ом)
.
.
м.
.
Резистор R5 (350 Ом)
.
.
.
Резистора R6 (110 Ом)
.
.
.
4.2 Разработка
топологии кристалла
Наиболее важной стадией проектирования полупроводниковых ИМС
является трансформация их электрической схемы в топологическую. Главное
требование при разработке топологии - максимальная плотность упаковки элементов
при минимальном количестве пересечений межэлементных соединений. При этом
обеспечивается оптимальное использование площади кристалла при выполнении всех
конструктивных и технологических требований и ограничений.
5. Разработка
технологии изготовления кристалла
Кристалл выполняется на пластине ni-n-n+ - GaAs. После того как исходную
пластину химически обработали, стравливают n+ слой для формирования
стоков, истоков, омических контактов и резистора R3 (рисунок П2). С помощью
второго шаблона стравливают n слой для получения остальных резисторов в этом слое (рисунок
П3).
Для изоляции активных областей и получения слоя диэлектрика в
конденсаторах наносим слой SiO2 толщиной 0,05 мкм. Этот процесс происходит
с применением шаблона изображенного на рисунок П4.
Защитный рельеф в слое SiO2 (рисунок П5) позволяет
травить канавки в GaAs до достижения толщины активной области под затвором,
обеспечивающей необходимое напряжение перекрытия канала.
Затворы ПТШ формируются методом обратной фотолитографии.
Напылению материала затвора (слой Ta-Au толщиной 1.2 мкм) предшествует травление канавок
в GaAs (до достижения толщины
активной области под затвором, обеспечивающей необходимое напряжение перекрытия
канала). Одновременно с напылением в канавки, материал затвора осаждается на
контактные площадки и проводники межэлементных соединений (первый слой
металлизации (рисунок П6)). После этого производится отжиг структуры в среде
азота при температуре 350 °С в течение 5 минут.
Для создания второго слоя металлизации (соединения истоковых
контактов и др.), сначала на всю поверхность пластины наносится SiO2. После вскрытия окон
(рисунок П7) над контактами напыляется слой V-Au, с помощью фоторезиста
вскрываются окна над контактными площадками и проводниками межсоединений
(рисунок П8). В окна осаждается слой золота толщиной 1.2 мкм и фоторезист
удаляется.
Заключение
В ходе данной работы был спроектирован усилитель,
обеспечивающий выполнение характеристик, описанных в задании. Усилитель
обеспечивает усиление более чем на 40 дБ в полосе частот от 1 до 2 ГГц.
Так же в ходе работы была разработана технология изготовления интегральной
микросхемы и снабжена фотолитографическими шаблонами.
При проектировании малошумящего усилителя были изучены приемы
схемотехнического проектирования в программе P Spice. Кроме того в работе
были использованы следующие программные продукты: математический пакет MathCAD 2001, текстовый редактор
Microsoft Word XP, система КОМПАС 3D LT и P-CAD 2001.
Список
используемой литературы
1. Березин
А.С., Мочалкина О.Р. Технология и конструирование интегральных микросхем. - М.:
Радио и связь, 1992. - 320 с.
2. Черняев
В.Н. Технология производства интегральных микросхем и микропроцессоров. - М.:
Радио и связь, 1987. - 464 с.
. Шур
М. Современные приборы на основе арсенида галлия. - М.: Мир, 1991. - 632 с.
. Разевиг
В.Д. Применение программ P-CAD и PSPICE для схемотехнического моделирования на
ПЭВМ. Выпуск 2. - М.: Радио и связь. - 1992. - 72 с.
. Разевиг
В.Д. Применение программ P-CAD и PSPICE для схемотехнического моделирования на
ПЭВМ. Выпуск 3. - М.: Радио и связь. - 1992. - 120 с.