Малошумящий интегральный усилитель

  • Вид работы:
    Курсовая работа (т)
  • Предмет:
    Информатика, ВТ, телекоммуникации
  • Язык:
    Русский
    ,
    Формат файла:
    MS Word
    4,58 Мб
  • Опубликовано:
    2016-01-19
Вы можете узнать стоимость помощи в написании студенческой работы.
Помощь в написании работы, которую точно примут!

Малошумящий интегральный усилитель















Пояснительная записка к курсовому проекту

по дисциплине «Интегральные устройства радиоэлектроники»

Малошумящий интегральный усилитель

Исходные данные источника сигнала:

 

Выходное сопротивление 90 Ом

Амплитуда 3 мкВ

Исходные данные усилителя:

Коэффициент усиления > 20 дБ

Полоса рабочих частот 1-5 ГГц

Сопротивление нагрузки 90 Ом

Питание однополярное +9 В

Условия эксплуатации:

Температура среды 27 ºС

Влажность относительная 96 % при 27 ºС

 

Содержание

Введение

. Анализ технического задания

. Проектирование малошумящего полевого транзистора с затвором Шоттки

.1 Определение толщины обедненной области

.2 Определение значения порогового напряжения перекрытия канала

.3 Определение геометрических размеров полевого транзистора Шоттки

. Функциональное проектирование усилителя

.1 Получение схемы электрической принципиальной

.2 Исследование влияния сопротивления нагрузки на коэффициент шума и другие характеристики ПТШ

. Разработка конструкции и топологии кристалла

.1 Расчет геометрических размеров конденсаторов

.2 Расчет геометрических размеров резисторов

.3 Разработка топологии кристалла

. Разработка технологии изготовления кристалла

.1 Технологическая очистка поверхности кристалла

.2 Формирование резисторов и транзисторов в n и n+ слоях

.3 Создание резисторов и нижних обкладок конденсатора

.4 Создание слоя диэлектрика Та2O5 в конденсаторах

.5 Напыление SiO2

.6 Создание верхних обкладок конденсаторов

.7 Создание окон для затворов и омических контактов

.8 Создание затворов

.9 Создание омических контактов

.10 Создание проводящих дорожек и контактных площадок

.11 Соединение стоков

.12 Создание защитного слоя диэлектрика

Заключение

Литература

Введение

малошумящий интегральный усилитель транзистор

Цель данного курсового проекта - приобретение навыков в проектировании ИМС на примере малошумящего интегрального усилителя.

Проектирование полупроводниковых интегральных микросхем (ИМС) является сложным и многоэтапным процессом. Проектирование включает в себя синтез и анализ схемы, оценку экономической обоснованности степени интеграции, расчет элементов, разработку топологии, выбор оптимального технологического процесса, расчет технико-экономических показателей производства. Методы проектирования полупроводниковых ИМС тесно связаны с технологией их изготовления. Совершенствование технологических процессов позволяет повысить степень интеграции, что неизбежно приводит к изменению методов проектирования.

Процесс проектирования полупроводниковых ИМС включает следующие основные этапы:

)        Составление технических требований

)        Выбор физической структуры

)        Разработка принципиальной электрической схемы

)        Разработка конструкции и топологии

)        Разработка технологического процесса изготовления

)        Оформление документации

1. Анализ технического задания

В результате выполнения курсового проекта должны быть разработаны конструкция, топология и технологический процесс изготовления бескорпусной интегральной микросхемы на арсениде галлия. ИМС представляет собой малошумящий интегральный усилитель, реализованный на полевом транзисторе с затвором Шоттки, который удовлетворял бы заданным техническим требованиям. Проектируемый усилитель может быть выполнен на одном, двух или более каскадах, в зависимости от того при скольких каскадах будет обеспечен необходимый коэффициент усиления (К>20 дБ) в заданной полосе частот (ΔF=1-5 ГГц). При проектировании усилителя необходимо обеспечить минимальный коэффициент шума. Кроме того необходимо разработать и оформить конструкторскую и технологическую документации: схема электрическая принципиальная, топологический сборочный и послоечные чертежи, а также схема технологического процесса с профилями создаваемых структур.

2. Проектирование малошумящего полевого транзистора с затвором Шоттки

.1 Определение толщины обедненной области

С точки зрения функционирования, ПТШ (см. рисунок 3.1) может рассматриваться как резистор с переменным сопротивлением.

Рисунок 2.1 - Схематическое изображение полевого транзистора

Под затвором, за счет образования барьера металл-полупроводник, даже без воздействия внешних напряжений, автоматически создается область, обедненная основными носителями заряда (на рисунке 3.1.а она показана как наиболее светлая область). Толщина обедненной области определяется значением контактной разности потенциалов барьера Vb в соответствии с выражением:

 (2.1)


где q - элементарный заряд (q=1,6×10-19Кл);

e0 - диэлектрическая постоянная (e0=8,85×10-12);

e - относительная диэлектрическая проницаемость GaAs (e=12,9);- концентрация основных носителей заряда (N=1×1024 м-3);

Vb - контактная разность потенциалов барьера (Vb=0,8 В).

Подставив в формулу (3.1) числовые значения, получим:

Была определена толщина области обеднения y0 по формуле (3.1), ее значение равно3,38·10-8 м. Сравнение с толщиной эпитаксиального n-слоя (an=0,1 мкм) показало, что толщина области обеднения меньше. Из этого следует, что необходимо построить усилительный каскад на транзисторе с нормально открытым каналом и отрицательным смещением на затворе.

2.2 Определение значения порогового напряжения перекрытия канала

Найдем значение порогового напряжения перекрытия канала с технологической толщиной (ak=0,1 мкм) по формуле

 (2.2)


Найдено значение порогового напряжения канала, ширина которого равна толщине эпитаксиального n-слоя. Для обеспечения нормальной работы в режиме автосмещения, значение порогового напряжения Vt0 должно находиться в диапазоне:

 (2.3)

где Vu - питание однополярное +9В.

,9<|-6,2|<2,25. Как видно, значение порогового напряжения канала слишком большое, чтобы уменьшить его значение до оптимального, необходимо сузить канал под затвором при помощи травления.

Определим нужную толщину канала по формуле:

 (2.4)


Найдем значение порогового напряжения для этой толщины канала по формуле (3.2):

Это значение порогового напряжения находится в пределах оптимального диапазона 0,9<|-1,72|<2,25. Значит, ширина под затвором равна ak=0,06 мкм.

2.3 Определение геометрических размеров полевого транзистора Шоттки

С помощью программы визуального схемотехнического моделирования PSPICE, были получены геометрические размеры полевого транзистора с затвором Шоттки, который является основным элементом усилителя. Количество запараллеленых структур (затворов, истоков, стоков) в данном транзисторе десять. Это позволяет достичь достаточно большого усиления на высоких частотах.

Рисунок 2.2 - Транзистор Шоттки

Таблица 2.1 - Геометрические размеры полевого транзистора с затвором Шоттки

Параметры

Значения, мкм

Толщина пленок

толщина металлизации затвора hmg

1.2

толщина металлизации истока hms

1.4

толщина металлизации стока hmd

1.4

Полупроводниковая структура

толщина эпитаксиального N - слоя an

0.1

толщина канала под затвором ak

0.06

толщина эпитаксиального N+ - слоя an+

0.2

Планарные размеры

ширина затвора (длина пальца затвора) W

30

длина затвора (ширина пальца затвора) L

0.2

ширина пальцев истока Ls

20

ширина пальцев стока Ld

20

Расстояния

расстояние от края затвора до края истока Lsg

2

расстояние от края затвора до края стока Ldg

2

расстояние от края истока до лунки затвора Lsn

1.75

расстояние от края стока до лунки затвора Ldn

1.75


3. Функциональное проектирование усилителя

.1 Получение схемы электрической принципиальной

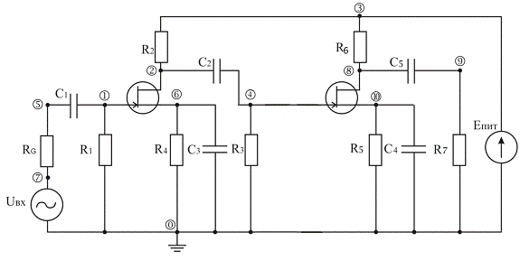
С помощью пакета PSPICE получим двухкаскадный усилитель, отвечающий заданным требованиям. Для этого произведем подбор элементов схемы с целью обеспечения коэффициента усиления больше 20 дБ и с минимальным коэффициентом шума. В результате получим схему усилителя, представленную на рисунке 4.1.

Рисунок 3.1 - Схема электрическая принципиальная усилителя

На рисунках 3.2 и 3.3 представлены основные характеристики усилителя - коэффициент усиления и коэффициент шума.

Рисунок 3.2 - Зависимость коэффициента усиления от частоты

Рисунок 3.3 - Зависимость коэффициента шума от частоты

.2 Исследование влияния сопротивления нагрузки на коэффициент шума и другие характеристики ПТШ

Изменяя сопротивление нагрузки от 90 Ом до 240 Ом, с шагом 50 Ом, получим зависимости, представленные на рисунках 3.4 и 3.5

Рисунок 3.4 - Зависимость коэффициента усиления от частоты при изменении сопротивления нагрузки

Рисунок 3.5 - Зависимость коэффициента шума от частоты при изменении сопротивления нагрузки

При увеличении сопротивления нагрузки коэффициент усиления растет, а положение максимума смещается влево в область низких частот. Коэффициент шума не зависит от сопротивления нагрузки.

4. Разработка конструкции и топологии кристалла

.1 Расчет геометрических размеров конденсаторов

При функциональном проектировании усилителя были получены следующие значения конденсаторов:

C1=C2=C4=C5=20 пФ; С3=45 пФ

Также были сняты показания напряжений на каждом из конденсаторов (при f=1ГГц):

U(C1)=121,8×10-9 В; U(C2)= 514×10-6 В; U(C3)= 478×10-6 В;

U(C4)= 8×10-6 В; U(C5)= 5,5×10-6 В.

Рассчитаем геометрические размеры конденсатора С1.

Примем допуск на номинал =20%, Расстояние между краями верхней обкладки и диэлектрика ΔLВ.Д.=3 мкм, расстояние между краем диэлектрика и краем нижней обкладки ΔLД.Н.=3 мкм, погрешность линейных размеров ΔLВ.О.=0.5 мкм.

Пленочные конденсаторы представляют собой трехслойную МДМ структуру. В качестве диэлектрика возьмем пятиокись тантала Та2O5 , а в качестве металлических обкладок используем сплав Тантал (Ta) и Медь (Cu).

Диэлектрическая проницаемость диэлектрика ε=23

Электрическая прочность Епр=2×108 В/м

Рассчитаем минимальную толщину диэлектрика:

, (4.1)

где kз - коэффициент запаса (kз=3);

Up - рабочее напряжение;

Eпр - электрическая прочность диэлектрика.

Так как данное значение толщины диэлектрика не может быть получено с такой точностью, а также слишком тонко (велика вероятность появления пор), то выберем в качестве толщины минимально допустимое значение . Тогда удельная ёмкость, которая может быть получена при использовании диэлектрика такой толщины:

. (4.2)

Найдем погрешность в геометрических размерах верхних обкладок конденсатора δа:

, (4.3)

где  - допуск на номинал конденсатора ();

=0,1;

 - диапазон температур ();

TKE - температурный коэффициент (TKE1/).

Найдем максимальную удельную емкость, которая обеспечивает требуемую величину δА:

, (4.4)

где kф - коэффициент формы (kф=1).

Минимальная и полученных удельных емкостей обеспечивает заданное Uр и требуемое значение δА. В данном случае емкость С0=С0max1, она и определяет геометрические размеры конденсатора.

Найдем площадь конденсатора Аво по формуле:

, (4.5)

где kкр - коэффициент, учитывающий краевой эффект (kкр =1 ).

Найдем длину верхней обкладки Lво:

; (4.6)

длина нижней обкладки Lно :

; (4.7)

длина диэлектрика Lд:

. (4.8)

Результаты расчетов геометрических размеров остальных конденсаторов показаны в таблице 4.1.

Таблица 4.1 - Рассчитанные параметры конденсаторов


С, пФ

Uр, В

Аво, 10-9 м2

Lво, мкм

Lно, мкм

Lд, мкм

С1

20

9,82899,136105,13111,13





С2

20

9,82899,136105,13111,13





С3

45

22,11148,7154,7160,7





С4

20

9,82899,136105,13111,13





С5

20

9,82899,136105,13111,13






.2 Расчет геометрических размеров резисторов

При функциональном проектировании усилителя были получены следующие значения резисторов:

R1=R3=400 Ом

R2=R6=200 Ом

R4=R5=30 Ом

R7=90 Ом

Также были сняты показания напряжений на каждом из резисторов (при f=1ГГц):

U(R1)=1,9×10-6 В

U(R2)= 17,5×10-6 В

U(R3)= 17,3×10-6 В

U(R4)= 467×10-6 В

U(R5)= 8×10-6 В

U(R6)=69,4×10-6 В

U(R7)= 69,23×10-6 В

В качестве материала пленочных резисторов выберем тантал с Rs=150 Ом/□.

Проведем расчет поверхностного сопротивления N и N+ областей (Rn и Rn+)

 (4.9)

где N - концентрация носителей в n-слое (N=1024 м-3);

q - заряд электрона (q=1,6×10-19 Кл);

μ - подвижность носителей в n и n+ слоях (μ=0,45);

an - толщина эпитаксиального n-слоя (an=0,1 мкм).


где N+ - концентрация носителей в n+-слое (N+=1024 м-3);

an+ - толщина эпитаксиального n+-слоя (an+=0,1 мкм).

Параметром, определяющим характеристики резисторов, является ширина, которая определяется:

 (4.11)

где b0 -минимальная эффективная ширина, определяемая технологическими ограничениями (100 мкм);

bР -минимальная эффективная ширина, определяемая допустимой удельной рассеиваемой мощностью (Р0);Т -минимальная эффективная ширина, обеспечивающая заданную точность изготовления.

Примем Δbτ=0,2×10-6м. Погрешность в номиналах поверхностного сопротивления примем равной δRs=0,05 ,сопротивления δR=0,1.

Р1- мощность рассеиваемая на резисторе R1, определяется:

, (4.12)

Рассчитаем геометрические размеры резистора R1

Определим bР :

, (5.13)

где Р0 - допустимая удельная мощность (Р0 » 5 МВт/м2);

Р1- мощность рассеиваемая на резисторе R1.

Определим bТ :

, (5.14)

Выберем максимальную ширину из трех возможных bmax=b0.

Рассчитаем коэффициент формы для данного резистора:

, (5.15)

Зададим ширину резистора b=bmax для упрощения создания фотошаблона. Рассчитаем длину резистора:

, (5.16)

Рассчитаем геометрические размеры всех резисторов и занесем в таблицу 4.2.

Таблица 4.2 - Параметры резисторов


R, Ом

δR, %

Up, мкВ

b, мкм

КФ

L, мкм

R1

400

10

1,9

100

2,88

288

R2

200

10

17.5

100

1,44

144

R3

400

10

17,3

100

2,88

288

R4

30

10

467

100

4,32

432

R5

30

10

8

100

4,32

432

R6

200

10

69,4

100

1,44

R7

90

10

69,23

100

0,65

65


Резисторы R4 и R5 были рассчитаны с учетом поверхностного сопротивления n+-слоя Rn+.

.3 Разработка топологии кристалла

Наиболее важной стадией проектирования полупроводниковых ИМС является трансформация их электрической схемы в топологическую. При этом определяются взаимное расположение элементов и их коммутация.

Главное требование при разработке топологии - максимальная плотность упаковки элементов при минимальном количестве пересечений межэлементных соединений. При этом обеспечивается оптимальное использование площади кристалла при выполнении всех конструктивных и технологических требований и ограничений. Исходными данными при разработке топологии являются принципиальная электрическая схема (рис 4.1), технологические и конструктивные требования и ограничения (Приложение 1).

5. Разработка технологии изготовления кристалла

Рисунок 5.1 - Технологическая схема изготовления ИМС на ni-n-n+-GaAs

5.1 Технологическая очистка поверхности кристалла

)Обезжиривание (удаление органического загрязнения) перекисно-аммиачным раствором (10 % H2O2 + NH4OH, 75 ÷ 80 ºС, 5 мин);

) Промывка проточной деионизованной водой (3-5 мин);

)Обработка в азотной кислоте (HNO3, 90 - 100 ºС, 7 мин);

)Промывка проточной деионизованной водой (3-5 мин);

)Сушка на центрифуге (1,5 - 2 мин).

.2 Формирование резисторов и транзисторов в n и n+ слоях

)Нанесение позитивного фоторезистивного состава ФП-330 толщиной 0,5 мкм и сушка пластины;

)Совмещение фотошаблона 1 (приложение 2, экспонирование не заштрихованной области) с поверхностью пластины;

)Облучение ультрафиолетовым излучением;

)Проявление фоторезиста: обработка поверхности разбавленным раствором КОН и NаОН и очистка от следов проявителя;

)Тепловое задубливание (120-180 оС);

)Травление раствором: (30%-ная H2O2) : H2SO4 : H2O = 1:5:2 незащищенных маской участков до ni слоя;

7)Удаление остатков фоторезиста обработкой в горячей (70 - 80 ºС) смеси деметилформамида и моноэтаноламина.

.3 Создание резисторов и нижних обкладок конденсатора

- Нанесение позитивного фоторезиста и сушка пластины, совмещение фотошаблона 2 (экспонирование не заштрихованной области, приложение 3) с поверхностью пластины, облучение ультрафиолетовым излучением (обратная фотолитография);

Проявление в сильноразбавленном растворе KOH, задубливание;

Напыление ионно-плазменным методом слоя Ta толщиной 0,3 мкм;

- Удаление фоторезиста обработкой в горячей (70 - 80 ºС) смеси деметилформамида и моноэтаноламина.

5.4 Создание слоя диэлектрика Та2O5 в конденсаторах

Методом вакуумного термического напыления наносится сплошной слой Cu толщиной 0,3 мкм;

Нанесение позитивного фоторезиста и сушка пластины, совмещение фотошаблона 3 (экспонирование не заштрихованной области, приложение 4) с поверхностью пластины, облучение ультрафиолетовым излучением, проявление фоторезиста и задубливание;

Травление пленки меди в хлорном железе;

- Окисление электролитическим анодированием пленки Та. В качестве электролита использовать 10%-ные растворы лимонной, уксусной или серной кислоты.

Удаление медной маски хлорным железом.

.5 Напыление SiO2

- Нанесение позитивного фоторезиста толщиной 1 мкм и сушка пластины, совмещение фотошаблона 4 (экспонирование не заштрихованной области, приложение 5) с поверхностью пластины, облучение ультрафиолетовым излучением, проявление фоторезиста и задубливание (обратная фотолитография);

- Напыление ионно-плазменным методом слоя SiO2 толщиной 0,3 мкм;

- Удаление фоторезиста;

5.6 Создание верхних обкладок конденсаторов

Методом вакуумного термического напыления наносится сплошной слой Cu толщиной 0,2 мкм;

Нанесение позитивного фоторезиста и сушка пластины, совмещение фотошаблона 5 (экспонирование не заштрихованной области, приложение 6) с поверхностью пластины, облучение ультрафиолетовым излучением, проявление фоторезиста и задубливание;

Травление пленки меди в хлорном железе;

- Удаление фоторезиста.

.7 Создание окон для затворов и омических контактов

- Напыление ионно-плазменным методом сплошного слоя SiO2 толщиной 0,1 мкм;

- Нанесение позитивного фоторезиста и сушка пластины, совмещение фотошаблона 6 (экспонирование не заштрихованной области, приложение 7) с поверхностью пластины, облучение ультрафиолетовым излучением, проявление фоторезиста и задубливание;

Травление слоя SiO2 раствором HF : (NH4F 40%-водного раствора) = 32:2,5;

Удаление фоторезиста.

.8 Создание затворов

Нанесение позитивного фоторезиста и сушка пластины, совмещение фотошаблона 7 (экспонирование не заштрихованной области, приложение 8) с поверхностью пластины, облучение ультрафиолетовым излучением, проявление фоторезиста и задубливание;

- Травление канавок в GaAs до достижения толщины 0,06 мкм активной области под затвором с помощью раствора (30%-ная H2O2) : H2SO4 : H2O = 1:5:2.

Напыление затворов вакуумным методом Al толщиной 0,3 мкм;

Удаление фоторезиста.

.9 Создание омических контактов

- Нанесение позитивного фоторезиста и сушка пластины, совмещение фотошаблона 8 (экспонирование не заштрихованной области, приложение 9) с поверхностью пластины, облучение ультрафиолетовым излучением, проявление фоторезиста и задубливание;

- Нанесение вакуумным методом слоя Ge-Au толщиной 0,2 мкм.

Удаление фоторезиста.

.10 Создание проводящих дорожек и контактных площадок

- Напыление ионно-плазменным методом слоя Ta-Au толщиной 0,1 мкм

- Нанесение позитивного фоторезиста и сушка пластины, совмещение фотошаблона 9 (экспонирование заштрихованной области, приложение 10) с поверхностью пластины, облучение ультрафиолетовым излучением, проявление фоторезиста и задубливание;

Травление смесью: HNO3 : HF = 7:1;

- Удаление фоторезиста.

.11 Соединение стоков

- Нанесение позитивного фоторезиста и сушка пластины, совмещение фотошаблона 10 (экспонирование не заштрихованной области, приложение 11) с поверхностью пластины, облучение ультрафиолетовым излучением, проявление фоторезиста и задубливание;

Напыление ионно-плазменным методом слоя SiO2 толщиной 0,1 мкм;

- Нанесение позитивного фоторезиста и сушка пластины, совмещение фотошаблона 11 (экспонирование не заштрихованной области, приложение 12) с поверхностью пластины, облучение ультрафиолетовым излучением, проявление фоторезиста и задубливание;

Травление слоя SiO2 раствором HF : (NH4F 40%-водного раствора) = 32:2,5;

Удаление фоторезиста.

Нанесение позитивного фоторезиста и сушка пластины, совмещение фотошаблона 12 (экспонирование не заштрихованной области, приложение 13) с поверхностью пластины, облучение ультрафиолетовым излучением, проявление фоторезиста и задубливание;

- Напыление ионно-плазменным методом слоя Ta-Au толщиной 0,1 мкм;

- Удаление фоторезиста.

.12 Создание защитного слоя диэлектрика

- Напыление ионно-плазменным методом слоя SiO2 толщиной 0,2 мкм;

Нанесение позитивного фоторезиста и сушка пластины, совмещение фотошаблона 13 (экспонирование не заштрихованной области, приложение 14) с поверхностью пластины, облучение ультрафиолетовым излучением, проявление фоторезиста и задубливание;

Травление слоя SiO2 раствором HF : (NH4F 40%-водного раствора) = 32:2,5;

Заключение

Разработка принципиальной электрической схемы ИМС производится в соответствии с техническими требованиями, с учетом технологических возможностей и ограничений. В качестве исходных данных используются электрические параметры активных элементов, определенные на предыдущем этапе.

Основной этап проектирования ИМС - разработка топологии - производится в следующей последовательности:

)        Получение и согласование исходных данных

)        Расчет геометрических размеров элементов

)        Разработка эскиза топологии

)        Разработка предварительного варианта топологии

)        Оценка качества топологии и ее оптимизация

По принципиальной электрической схеме определяется перечень активных и пассивных элементов, формулируются требования к отдельным элементам. К конструктивным исходным данным относятся порядок расположения на кристалле контактных площадок и предполагаемая конструкция корпуса.

Литература

1.      Березин А.С., Мочалкина О.Р. Технология и конструирование интегральных микросхем. - М.: Радио и связь, 2010. - 320 с.

.        Черняев В.Н. Технология производства интегральных микросхем и микропроцессоров. - М.: Радио и связь, 2007. - 464 с.

.        Шур М. Современные приборы на основе арсенида галлия. - М.: Мир, 2001. - 632 с.

.        Разевиг В.Д. Применение программ P-CAD и PSPICE для схемотехнического моделирования на ПЭВМ. Выпуск 2. - М.: Радио и связь. - 2012.- 72 с.

.        Разевиг В.Д. Применение программ P-CAD и PSPICE для схемотехнического моделирования на ПЭВМ. Выпуск 3. - М.: Радио и связь. - 2012.-120 с.

Похожие работы на - Малошумящий интегральный усилитель

 

Не нашли материал для своей работы?
Поможем написать уникальную работу
Без плагиата!
Без нейросетей!