Зміна скважності в мультивібраторі за допомогою цифро*аналогового перетворювача (ЦАП)

  • Вид работы:
    Курсовая работа (т)
  • Предмет:
    Информатика, ВТ, телекоммуникации
  • Язык:
    Украинский
    ,
    Формат файла:
    MS Word
    777,83 Кб
  • Опубликовано:
    2013-08-06
Вы можете узнать стоимость помощи в написании студенческой работы.
Помощь в написании работы, которую точно примут!

Зміна скважності в мультивібраторі за допомогою цифро*аналогового перетворювача (ЦАП)

Київський національній університет імені Тараса Шевченка

Радіофізичний факультет

Спеціальність прикладна фізика










Зміна скважності в мультивібраторі за допомогою цифро-аналогового перетворювача (ЦАП)


Курсова робота з радіоелектроніки

Студента 3 курсу

Радіофізичного факультету

Сидорченко Андрій Петрович

Науковій керівник

Кандидат фіз.-мат. наук, асистент

Борецький В’ячеслав Францович

 

Зміст

 

ВСТУП

.     Теоретичні відомості

.1   Мультивібратор

1.2    ЦАП

.3      Ланцюгова R-2R-схема

2.   Опис роботи схеми

.1   Цифро-аналоговий перетворювач

2.2    Блок з двох транзисторів, який працює як змінний резистор

.3      Блок схема мультивібратора

.4      Технічні характеристики схеми

Висновок

Список використаної літератури

ВСТУП

Часто потрібно перетворити аналоговий сигнал в число, пропорційне амплітуді сигналу і навпаки. Це відіграє важливу роль в тих випадках, коли комп'ютер або процесор реєструють чи контролюють хід експерименту чи технологічного процесу, або всякий раз, коли цифрова техніка використовується для виконання традиційно аналогової роботи. Для цього використовують цифро-аналогові перетворювачі (ЦАП) та аналогово-цифрові перетворювачі (АЦП), які відіграють важливу роль у реєструванні або контролюванні ходу процесу або експерименту. Мета ЦАП полягає в тому, щоб перетворити цифрову інформацію в аналогову. Цифрова інформація визначена у вигляді двійкового числа (або двійково-десяткового числа) яка перетворюється в напругу або струм, пропорційний значенню цифрового входу. ЦАП має велику сферу використання, наприклад: у сфері музики, коли потрібно відтворити сигнал, зашифрований в двійковий код.

1. Теоретичні відомості

 

.1      Мультивібратор

мультивібратор скважність імпульс транзистор

Мультивібратор - це генератор періодичних імпульсів, що за формою близькі до прямокутних. Мультивібратор лежить в основі цілої сім’ї радіоелектронних пристроїв, що служать для роботи з не синусоїдальними імпульсами різних форм: прямокутної, трикутної пилкоподібної форми, тощо.


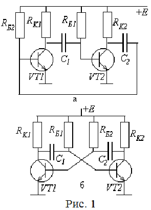
Мультивібратор являє собою двокаскадний  - підсилювач, охоплений стопроцентним позитивним зворотним зв’язком (рис.5.1а). Звичайно мультивібратор зображають у вигляді симетричної схеми (рис.5.1б). Однак навіть тоді, коли всі елементи схеми повністю симетричні, ця схема у симетричному режимі перебувати не може. Кожний з каскадів інвертує сигнал і тому випадково виникла флуктуація, пройшовши через обидва каскади, повернеться у вихідну точку з попередньою полярністю, але підсиленою у  разів, де  - коефіцієнт підсилення кожного з каскадів. Так, наприклад, якщо з якоїсь причини струм першого транзистора  зменшиться, то це спричинить збільшення напруги  на його колекторі. Стрибок напруги пройде через ємність  на базу другого транзистора і призведе до збільшення цього колекторного струму  і зменшення колекторної напруги. Підсилений стрибок напруги  через ємність  потрапить на базу транзистора  і призведе до подальшого зменшення струму . Цей процес буде розвиватися в геометричній прогресії, лавиноподібно і а в решті-решт призведе до повного запирання транзистора  та відкривання  (можливо, до повного насичення). При цьому один з транзисторів (або обидва разом) втрачають здатність до керування, і розвиток лавиноподібного процесу обривається. Встановлюється режим, який виявляється тимчасово стійким, і схема може перебувати в ньому певний проміжок часу.

Простежимо тепер за зміною напруги  на базі транзистора , який щойно закрився. Ця напруга дорівнює . Однак, оскільки ми вважаємо, що  відкритий до насичення, напруга  мало відрізняється від нуля і отже можна вважати, що  . Нехай в початковий момент напруга на  дорівнює . Тоді і =. З часом ємність  буде перезаряджатися від джерела живлення  через резистор  та відкритий транзистор . Напруга на  буде поступово прямувати до , змінюючись за законом:


де  (внутрішнім опором джерела живлення та транзистора  нехтуємо). Цей хід напруги зображено на рис.2.


Доки ця напруга залишатиметься негативною, вона буде утримувати транзистор  в закритому стані. Але в момент  напруга  досягнуть нуля і перейде через нього. Напруга на базі  стане позитивною і він відкриється. Це спричинить лавиноподібний процес, в результаті якого  відкриється, а  закриється. Далі процес буде циклічно повторюватися.

Для того, щоб уявити собі хід процесів у всій схемі в цілому, розглянемо систему епюр, що зображають одночасні зміни напруг як на базах, так і на колекторах обох транзисторів (рис.3).

Коли один з транзисторів відкривається, його колекторна напруга стрибком зменшується від  до напруги насичення , яка складає звичайно кілька десятих вольта. При запиранні транзистора колекторна напруга знову зростає до . Таким чином, напруга на колекторі кожного з транзисторів має являти собою періодичні імпульси прямокутної форми величиною . Напруга на базах визначається процесами перезарядження ємностей  і  через резистори  і  і має вигляд імпульсів за формою близькою до трикутної.

Наведену картину слід доповнити деякими уточненнями. Так, після запирання  починається відновлення заряду на ємності . Струм через неї потече в зворотному напрямку через  і емітерно-базовий перехід транзистора , який щойно відкрився. Цей процес буде відбуватися зі сталою часу  і закінчиться тим, що напруга на  досягне значення  (напругою відкритого емітерно-базового переходу  нехтуємо). Однак, поки цей процес триватиме, через  буде протікати струм і напруга на колекторі  буде залишатися дещо нижчою від . Тому передній фронт імпульсу напруги  виявляється закругленим і напруга  встановиться рівною  лише тоді, коли мине час порядку  .


Одночасно при протіканні струму, що заряджає ємність  через базово-емітерний перехід , на останньому буде створюватися невеликий позитивний імпульс напруги , який викличе невеличке додаткове збільшення струму і короткочасне зменшення напруги .

Все це буде справедливим і для перезарядження ємності , коли закритим буде транзистор .


Мультивібратор з комутуючими діодами. Особливістю схеми такого мультивібратора є те, що в ньому з метою покращання фори генерованих імпульсів у кола колекторів поставлені ще діоди та опори . Коли транзистор є закритим, то струм, що перезаряджає ємність і утримує в закритому стані, іде від джерела через опір , ємність , діод і відкритий транзистор.

.2 Загальні положення ЦАП

Цифро-аналогові перетворювачі (ЦАП) служать для перетворення цифрового сигналу, одержаного, наприклад, на виході ЕОМ у відповідний йому за величиною аналоговий сигнал, придатний для керування яким-небудь аналоговим електротехнічним чи радіоелектронним пристроєм.

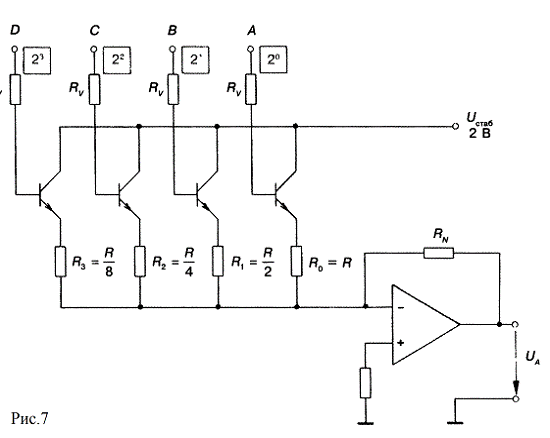
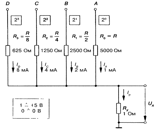
Принципова схема цифро-аналогового перетворювача зображену на рис.5. На чотири входа A, B, C, і D подається 4- бітовий цифровий сигнал. Резистори від R0 до R3 підібрані по значенню біту в двійковому коді згідно рівнянню: Rn=R/2n.

Значення R може вибиратися будь-яким, в розумних межах. В цьому прикладі опір дорівнює 5000 Ом. Для R1 отримаємо 2500 Ом, для R2 - 1250 Ом. Кожне наступне значення опору в двічі менше попередньому.


В таблиці на рис. 6 наведені струми, які виходять, якщо 1-сигналу відповідає +5 В, и 0-сигналу відповідає 0 В. Вихідна напруга завжди має таке значення, яке може бути представлене 4-бітовим двійковим кодом.

Така схема працює не дуже точно. Сигнал високого рівня схеми має значення в максимальному значенні +5 В.Значно краще працює схема на рис. 7. В цій схемі використовується стабілізована постійна напруга Uстаб. Напруга подається через транзисторний каскад на резисторах від R0 до R3. Операційний підсилювач працює як суматор напруг. Резистори RV працюють, як обмежувачі струму на базу. Транзистори працюють в інверсійному режимі. В цьому режимі напруга насичення колектор-емітер відкритого транзистора дуже мала (приблизно 20 мВ). На виходи від A до D повинні подаватися 1-сигнали високого рівня, тобто які трохи більші за 2,6 В.

Для іншої кількості бітів схема будується аналогічним чино. В залежності від окремого значення біту підбираються опори від R0 до Rn.


1.3 Ланцюгова R-2R -схема

Спосіб масштабування резисторів стає незручним, якщо перетворенню піддаються багато бітові системи. Наприклад, для 12-розрядного перетворювача буде потрібно співвідношення величин резисторів 2000:1 з відповідною точністю самого маленького резистора. Ланцюгова R-2R-схема,показана на рис.7, призводить до витонченого вирішення цього завдання. Тут потрібні тільки 2 значення резисторів, по яким R-2R-схема формує струми з двійковим масштабуванням. Резистори, звичайно, повинні бути точно підібрані, хоча дійсні їх величини не такі істотні. Наведена схема формує вихідну напругу від 0 до 10 В з повним виходом, відповідному числу 16 (максимальне вхідний число дорівнює 15 при вихідній напрузі 10*15/16). Для двійково-десяткового перетворення використовується кілька модифікацій R-2R-схеми.


Завдання: Дослідити принцип дії ЦАП(цифро-аналоговий перетворювач). Розробити схему мультивібратора у якого змінюється скважність , на основі сигналу з ЦАП.

 

2. Опис роботи схеми

 


Загальний принцип роботи, та підбору елементів схем

Схема складається з трьох блоків:

.        Цифро-аналоговий перетворювач.

.        Блок з двох транзисторів, який працює як змінний резистор.

.        Мультивібратор.

Для перетворювання цифрового сигналу у аналоговий використовується звичайний восьми бітний ЦАП VDAC8. Живлення вибиралося таке що широко використовується в побуті, тобто 9 вольті, яке в побуті являє собою батарейку (крона).

Для того наочності роботи, генератор цифрового сигналу було вибрано прилад, який є в базі в програмі Multisim, так званий, «генератор слів». Він генерую цифровий сигнал за відповідними заданими параметрами.

В схему використовується звичайний мультивібратор на двох біполярних транзисторах. Скважність мультивібратора керується сигналом який надходить з ЦАПу, у аналоговому вигляді, до блоку 3,який використовується, як резистор змінного опору від опорної напруги.

2.1    Цифро-аналоговий перетворювач


Для зручності моделювання роботи схеми використовується ідеальний ЦАП з входом у 8 біт, та живлячою напругою 9 вольт. Як відомо з теорії в схемі ЦАП використовується резисторна матриця, тому амплітуда сигналу на виході в залежності від поданого коду буде залежати:

Uвих=(Uопор*k)/256

де Uопор= Uопор+ - Uопор- , k - значення в десятковій системі числення, але має надходити в двійковій системі числення.


Так значення в схемі на виході з ЦАПу змінюється у межах від 0,0351 вольта до 9 вольт з кроком 0,0351 вольта при зміні одного десяткового числа, так як це зазначено в таблиці.


Технічні параметри транзисторів DC817-16зображені на таблиці 2,де дається максимальне значення напруг та струмів яке можна прикладати на транзистор, та на рис.11, де показана графічна залежність струму колектора від напруги колектор -емітер.

Таб.2

Структура

NPN

Макс. напр. к-б при заданому оберненому струмі колектора и розімкненим колом емітера.(Uкбо макс),В

50

Макс. напр. к-э при заданому струмі кколектора и розімкненим колом бази.(Uкэо макс),В

45

Максимально допустимий струм кколектора ( Iк макс.А)

0.8

Статичний коефіцієнт передачі струму h21э мин

100

Гранична частота коефіцієнта передачі струму fгр.МГц

100

Максимальна розсіяна потужність , Вт

0.31

Корпус

SOT23



2.3    Мультивібратора

 

Останній блок це схема мультивібратора з комутуючими диодамиї, але замість резистора бази включений блок з транзисторів,який зазначений вище. Таким чином блоком з транзисторів керується струм зарядки конденсатора, тим самим змінює довжину імпульсі, період та скважніть. Для живлення використовується батарейка 9 вольт, з таких же міркувань як у ЦАП.

Характеристики використаних транзисторів в мультивібраторі, а саме транзисторів 2N2222A зазначені в таб.3.

Таб. 3

Структура

NPN

Макс. напр. к-б при заданому оберненому струмі колектора и розімкненим колом емітера.(Uкбо макс),В

75

Макс. напр. к-э при заданому струмі кколектора и розімкненим колом бази.(Uкэо макс),В

40

Максимально допустимий струм кколектора ( Iк макс.А)

0.8

Статичний коефіцієнт передачі струму h21э мин

100

Гранична частота коефіцієнта передачі струму fгр.МГц

300

Максимальна розсіяна потужність , Вт

0.50

Корпус

TO18


2.4    Технічні характеристики схеми


Для зняття та перевірки технічних характеристик схеми, до транзистора був під’єднаний осцилограф.

Зняті залежності на осцилографі при різній вихідній напруги ЦАП, можна побачити на рис.12 та рис. 13:

Так як транзистори до напруги одного вольта закриті, то імпульси з’являться тільки пісня того як генератор слів дійде значення «28» в десятковій системі числення.

В продовж роботи схеми, можна змінювати довжину імпульсів в діапазоні від 110 мкс до 210 мкс, а період - від 115 мкс до 260 мкс. Так як скважність це відношення періоду до довжини імпульсів, то скважність змінюється в діапазоні від 1,045 до 1,24

Висновок

 

В даній курсовій роботі біла розроблена схема мультивібратора зі змінною сквапність на основі сигналу з цифро-аналогового перетворювача. Визначений діапазон скважності лежить у межах від 1,045 до 1,24.

Загалом використання цієї схеми дає хороші результати, дана схема має певний недолі. Вона не генерує імпульси до того моменту поки значення сигналу, який надходить до ЦАП (наприклад з ЕМО), не досягне 28 в десятковій системі. Його можна було б усунути, але для цього потрібен або джерело великої напруги, або додатковій підсилювач напруги, який би підсилював сигнал з ЦАП. Реальна схема цього б і потребувала.

Список використаної літератури:

 

1. Хоровиц П. Искуство схемотехники: в 3томах. - Москва «Мир», 1993. Т.1.

2. Хоровиц П. Искуство схемотехники: в 3томах. - Москва «Мир», 1993. Т.2.

3. Титце У. Полупроводниковая схемотехника. - Москва «Мир», 1982.

4. Бойт К. Цифровая электроника. - Москва «Техносфера», 2007.

5. Левитський С. Основи радіоелектроніки. - Київ «київський університет», 2007.

6. BC817-16 datasheet [Електронний ресурс]. URL: http://www.datasheetcatalog.com/datasheets_pdf/B/C/8/1/BC817-16.shtml

(дата звернення 12.12.2012)

7. 2N2222A datasheet [Електронний ресурс]. URL: http://www.alldatasheet.com/view.jsp?Searchword=2N2222A

(дата звернення 12.12.2012)

Похожие работы на - Зміна скважності в мультивібраторі за допомогою цифро*аналогового перетворювача (ЦАП)

 

Не нашли материал для своей работы?
Поможем написать уникальную работу
Без плагиата!
Без нейросетей!