Стабілізатори
Курсова робота
СТАБІЛІЗАТОРИ
Зміст
1. Вступ. Призначення та класифікація стабілізаторів
. Принцип дії стабілізаторів
.1 Параметричні стабілізатори
.2 Компенсаційні стабілізатори
. Параметричні стабілізатори постійної напруги (ПСПН)
.1 Базова схема та властивості ПСПН
.2 Модифікації ПСПН
. Параметричні стабілізатори змінної напруги
.1 Електромагнітні стабілізатори без конденсаторів
.2 Ферорезонансні стабілізатори
. Компенсаційні лінійні транзисторні стабілізатори
напруги (КЛТСН) неперервної дії
.1 Лінійний транзисторний стабілізатор напруги за
базовою схемою
.2 Модифікації транзисторних стабілізаторів напруги
.3 Стабілізатори напруги в інтегральному виконанні
.4 Вихідний імпеданс транзисторного стабілізатора
. Ключові ( імпульсні) транзисторні стабілізатори
напруги (КТСН)
.1 Принцип дії
.2 Силові каскади без гальванічної розв'язки входу й
виходу
.3 Кола керування
.4 Деякі структурні схеми ключових (імпульсних)
стабілізувальних ДВЕЖ
. Компенсаційні стабілізатори змінної напруги
. Висновки
Список використаної літератури
1. Вступ. Призначення та класифікація стабілізаторів
Штатне функціонування будь-якої радіоелектронної апаратури
можливе лише за умови забезпечення визначеного значення нестабільності напруги
(струму) електроживлення. Значення випрямленої напруги, може змінюватись
внаслідок дії збурювальних (дестабілізувальних) факторів, таких, як змінення:
- напруги електричної мережі змінного струму;
- сили навантажувального струму ;
навколишньої температури;
частоти напруги електричної мережі тощо.
Основні терміни та визначення щодо стабілізаторів наведено в
Національному стандарті України ДСТУ 2372- Джерела вторинного електроживлення.
Терміни та визначення.
Нестабільність (δ) вихідної напруги (струму або
потужності) ДВЕЖ - це зміна усталеного значення стабілізованої напруги (струму
або потужності), що спричинена певними змінами усталеного значення одного або
кількох параметрів впливу, за умови, що всі інші параметри впливу є залишаються
незмінними.
Окрема нестабільність - зміна значення стабілізованої напруги
(струму) внаслідок певної зміни одного параметру впливу, за умови, що всі інші
параметри впливу залишаються незмінними.
Комбінована нестабільність - максимальна зміна усталеного
значення стабілізованої вихідної напруги (струму), яка виникає в результаті
будь-яких одночасних змін двох або більше зазначених параметрів впливу в
допустимих межах: - навантаження; напруги джерела; частоти джерела;
навколишньої температури, тощо.
Зауважимо, що комбінована нестабільність не охоплює
періодичні та випадкові відхилення, дрейф, нестабільність установлення та
похибку установлення.
Загальна нестабільність - максимальне змінення усталеного
значення стабілізованої вихідної напруги (струму), яке виникає внаслідок
одночасних змінень всіх параметрів впливу в допустимих межах.
Нестабільність визначають коефіцієнтами нестабільності:
- коефіцієнт нестабільності за зміненням вхідної напруги
:
;
(1)
- коефіцієнт нестабільності за зміненням сили струму навантажувального
кола
:
;
(1а)
коефіцієнт нестабільності за температурою
. Температурний коефіцієнт напруги (ТКН)-
показує відносне змінення стабілізованої величини (напруги чи струму), що
спричинено зміненням температури на 1К:
;
(1б)
тощо.
Максимальну узагальнену нестабільність визначають як суму:
транзистор
стабілізатор напруга
,
(2)
де і - вказує на різні дестабілізувальні фактори, або
.
(2а)
Зауважимо, що в загальному випадку збурення мають випадковий характер,
що слід враховувати під час проектування або вибору ДВЕЖ для відповідальних
приладів.
Таким чином нестабільність характеризує величину, яку стабілізують
(напруга, струм).
Для опису стабілізаторів застосовують основні поняття: коефіцієнт
стабілізації, вихідний імпеданс тощо.
Коефіцієнт стабілізації - відношення відносного змінення
дестабілізувального фактора до спричиненого ним відносного змінення
стабілізованої величини, за умов, що інші дестабілізувальні фактори не
впливають.
Інтегральний коефіцієнт стабілізації за напругою на визначеному
інтервалі залежності
(рис 1 а):
(3)
де
- коефіцієнт ослаблення номінальної напруги з входу
на вихід стабілізатора.
Рисунок 1 - Визначення коефіцієнта стабілізації:
а - інтегрального; б - диференційного
Інколи застосовують також поняття диференціальний коефіцієнт
стабілізацї, щоб характеризувати окремі інтервали в межах робочої ділянки:
,
(3а)
Наступним важливим параметром стабілізаторів є вихідний імпеданс
,
(4)
де
- циклічна частота навантажувального струму.
За умов дуже повільного змінення навантажувального струму (у порівнянні
з тривалістю перехідних процесів) застосовують поняття активний вихідний опір.
.
(4а)
Для транзисторних стабілізаторів важливими також є параметри, які
характеризують вплив змінення температури.
Таким чином, стабілізатор напруги (струму) - це прилад, який
автоматично забезпечує підтримання з заданою точністю (нестабільністю) значення
напруги (сили струму) в навантажувальних колах за умови дії дестабілізувальних
факторів.
Основні вимоги до стабілізаторів:
Стабілізатор повинен забезпечити визначені значення:
– коефіцієнта стабілізації для значень напруги та сили
струму навантажувального кола (Uн ном та Iн ном ), за умови заданого змінення
вхідної напруги та сили навантажувального струму;
– значення вихідного імпедансу у робочому діапазоні
частот змінення навантажувального струму;
– температурного коефіцієнта напруги (ТКН );
– коефіцієнта пульсацій;
– коефіцієнта корисної дії (ККД);
– загальної нестабільності;
– масогабаритних показників;
– показників надійності;
– динамічних показників;
і також:
– можливість регулювання вихідної напруги (сили струму);
– роботу в межах заданого діапазону температури
навколишнього середовища, атмосферного тиску;
– роботу в межах впливу зовнішніх мехаічних чинників
(вібрації, удари тощо);
– мати прийнятну ціну.
Стабілізатори класифікують за такими ознаками (рис.2):
. Принцип дії:
– параметричні;
– компенсаційні;
– комбіновані.
. Стабілізована величина:
– напруга;
– сила струму.
. Характер стабілізованої величини:
– сталої напруги (постійного струму);
– змінної напруги (змінного струму).
. Режим роботи регулювального каскада:
– неперервний (лінійний);
– ключовий (імпульсний).
Елементна база:
– лампові;
– тиристорні;
– транзисторні;
– з застосуванням електромагнітних елементів (дроселі
насичення, магнітні підсилювачі).
. Технологія виконання:
– на дискретних елементах;
– на інтегральних мікросхемах (ІМС);
– комбіновані.
. Взаємний зв’язок вхідного та вихідного кіл:
– з гальванічною розв’язкою;
– без гальванічної розв’язки.
Рисунок 2 - Класифікація стабілізаторів
Далі з’ясуємо принцип дії стабілізаторів.
2. Принцип дії стабілізаторів
За принципом дії стабілізатори поділяють на параметричні та
компенсаційні.
.1 Параметричні стабілізатори
Основою параметричних стабілізаторів є застосування
нелінійних елементів з вольт-амперними характеристиками (ВАХ) типу ZU або RU та
ZІ або RІ (рис.3). Для сталої напруги та постійного струму ВАХ можуть бути в
будь-якому квадранті декартової системи координат.
За ДСТУ 2372 параметричний стабілізатор - це стабілізатор
напруги (сили струму), до складу якого входять елементи або функціональні вузли
(ФВ) з нелінійною вольт-амперною характеристикою, які забезпечують на вихідних
затискачах незначні змінення напруги (сили струму) за значного змінення
дестабілізувальних факторів.
а б
Рисунок 3 - Вольт-амперні характеристики параметричних
стабілізаторів:
а - стабілізатор напруги; б - стабілізатор струму .
ВАХ є нелінійною, тому за її характером можна визначити два типи
опорів. Відповідно для фіксованого (статичного) - Rстат , Zстат та змінюваного
складника струму та напруги (диференційного) -
,
.
За умови
,
-
це стабілізатор напруги; за ситуації 
,
це ідеальний стабілізатор напруги.
За умови
,
- це стабілізатор струму; за ситуації 
,

це
ідеальний стабілізатор струму.
Зауважимо, що в межах робочої ділянки ВАХ значення
та
можуть
змінюватись, що треба враховувати під час проектування параметричних
стабілізаторів. Статичний опір (імпеданс) в будь-якій точці і ВАХ:
,
(5)
(5а)
та диференційний (динамічний) опір:
,(6)
(6а)
де для стабілізаторів напруги (рис. 3 а) :
,
;
де для стабілізаторів струму (рис. 3 б):
,
.
Найбільш широко застосовують компенсаційні стабілізатори, які
забезпечують кращі показники.
2.2 Компенсаційні стабілізатори
За ДСТУ 2372 - компенсаційний стабілізатор напруги (сили струму) - це
стабілізатор напруги (сили струму) вторинного електроживлення РЕА, в якому
стабілізацію здійснено внаслідок впливу зміни вихідної напруги (сили струму) на
його регулювальний пристрій через коло зворотного зв’язку.
Тобто, компенсаційний стабілізатор - це система авторегулювання з
негативним зворотним зв'язком.
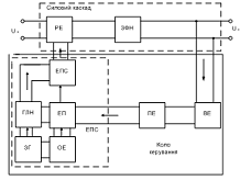
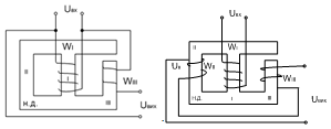
Узагальнену функціональну схему компенсаційного стабілізатора наведено
на рис. 4, де:
РЕ - регулювальний елемент;
ЕПС - елемент перетворення аналогового сигналу зворотного звязку в
послідовність імпульсів із змінюваним значенням коефіцієнта заповнення (для
ключових стабілізаторів);
ПЕ - підсилювальний елемент;
ОЕ - опорний (еталонний) елемент;
ВЕ - вимірювальний елемент;
ЕП - елемент порівняння.
Рисунок 4 - Функціональна схема компенсаційного стабілізатора
З’ясуємо принцип функціонування на прикладі компенсаційного
стабілізатора напруги. Опорний елемент (ОЕ) формує опорну напругу
, яку в елементі порівняння (ЕП) порівнюють з частиною
вихідної напруги, що надходить через вимірювальний елемент (ВЕ). Різниця між
ними (сигнал помилки) через підсилювальний каскад (ПК) діє на регулювальний
елемент (РЕ) таким чином, що значно компенсує вплив дестабілізувального
фактора. Зазвичай ЕП - це перехід емітер-база підсилювального транзистора.
Складемо на підставі другого закону Кірхгофа рівняння силового кола для
змінних складників:
.
(7)
В результаті проходження змінюваної вихідної величини через тракт
регулювання, отримаємо на регулювальному елементі (РЕ).
,
(8)
де
- коефіцієнт передавання вимірювального елемента;
Кп - коефіцієнт підсилення підсилювального елементу (ПЕ);
Кр - коефіцієнт підсилення регулювального елементу (РЕ).
Отже,
(9)
Якщо знаменник (9) більше одиниці - значення змінення вихідної величини
менше ніж вхідної, тобто є ефект стабілізації. Конкретні схемі компенсаційних
стабілізаторів наведено в п. 5 - 7.
Далі проаналізуємо деякі типи параметричних стабілізаторів.
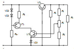
3. Параметричні стабілізатори постійної напруги (ПСПН)
.1 Базова схема та властивості ПСПН
Найпоширеними нелінійними елементами, які застосовують в параметричних
стабілізаторах постійної напруги (ПСПН) є кремнієві стабілітрони. Зауважимо,
кремнієві стабілітрони застосовують також в колах змінного струму за зустрічним
послідовним увімкненням.
Кремнієві стабілітрони мають такі властивості:
невелике значення диференційного опору
(одиниці, десятки ом);
широкий діапазон напруги стабілізації
(3,3…180 В)
допустиму потужність розсіяння
(до
5 Вт);
невеликі розміри та масу;
забезпечують термокомпенсацію напруги
.
Прилад з p-n переходом, із визначеними в першому квадранті
ВАХ параметрами, такими які характерні для стабілітрона в - третьому, а саме
Іст min (rст max); Iст max (rст min), називають стабістор.
Кремнієві стабілітрони ввімкнено в зворотному напрямі
відповідно до вольтамперної характеристики, яку наведено на рис.5а. Схему
штатного ввімкнення наведено на рис. 5б. Електричну схему ПСН із стабістром
наведено на рис.5,в. Діапазон стабілізованих напруг становить - від 0,63 В до
одиниць вольт. Однак найбільш широко такі стабілізатори застосовують в колах
низьких напруг.


а б в
Рисунок 5 - Параметричний стабілізатор постійної напруги:
а - ВАХ стабілітрона, б - схема електрична принципова для
зворотного (штатного) увімкнення стабілітрона; в - схема електрична
принципового увімкнення стабістора
Під час змінення сили струму через стабілітрон від
до
напруга
на ньому
змінюється несуттєво, таким чином - реалізовано
стабілізацію. Із зростанням сили струму понад
може
виникнути тепловий пробій стабілітрона.
Робоча ділянка ВАХ стабілітрона - в ІІІ квадранті, тобто в зворотньому
напрямі сили струму від Іст min до Iст max. Зауважимо, що в робочій зоні
значення
на окремих ділянках із зростанням сили струму через
стабілітрон зменшується (рис 6).
Рисунок 6 -Залежність диференційного опору стабілітрона від сили струму
через стабілітрон
З’ясуємо процес роботи параметричного стабілізатора.
За умов зростання вхідної напруги ПСПН на
напруга на виході також зростає, але значно менше, що
обумовлено суттєвим зростанням струму Іст через нього відповідно до ВАХ. За
таких умов спад напруги на резисторі Rб зростає, оскільки:
.
(10)
Змінення напруги на виході дорівнює зміненню напруги на стабілітроні
становить:
(10а)
Змінення напруги в навантажувальному колі (на виході), тобто
нестабільність за меншим значенням диференційного опору стабілітрона rст є
меншою.
Таким чином за умови
,
яку завжди виконано в ПСПН на кремнієвих стабілітронах,
. Під час зменшення вхідної напруги, ПСПН працює
аналогічно із зменшенням Iст.
Інтегральний коефіцієнт стабілізації напруги Кv, -
один із головних показників якості функціонування ПСПН, визначають за формулою
(3):
, (10)
де
- змінення середнього значення сталого складника
напруги на вході та виході ПСПН;
(
) - номінальні значення вхідної та вихідної
напруг ПСПН.
Відношення
характеризує реакцію ПСПН на варіативний (змінний)
складник. Еквівалентну схему для цього режиму наведено на рис. 7а (за умови
).
Відношення
характеризує ослаблення сталого складника напруги
(номінальні значення). Еквівалентну схему для цього режиму наведено на рис.7б.
а б
Рисунок 7 - Еквівалентні схеми ПСПН: а - стосовно змінного складника
напруги;
б - стосовно сталого складника напруги (номінальний режим)
Згідно з еквівалентною схемою ПСПН для варіативного складника напруги
(рис.7а), маємо:
(11)
Оскільки зазвичай
, отримуємо із (11):
.
(11а)
Згідно з еквівалентною схемою ПСПН для номінального режиму
(рис.7б) маємо:
(12)
де
- номінальна напруга стабілізації за сили струму
стабілітрона
та номінальних
і сили
струму навантажувального кола
.
Коефіцієнт ослаблення напруги для незмінного складника визначають за
формулою:
(13)
Таким чином,
,
(14)
де індекс
показує
для
варіативної частини формули (11), -
для номінального (незмінного) режиму (13).
На рисунку 8 наведено графіки, які показують залежність
від
=
для стабілізатора, схему якого наведено на рис. 5б.
Реальні значення
за схемою рис. 5б - 20…30.
Рисунок 8 - Характер залежності параметрів ПСПН від значення активного
баластного резистора
З аналізу формули (14) випливає, що для одержання великих значень
коефіцієнтів стабілізації необхідно застосовувати баластний елемент
, опір якого для змінного складника струму
значно перевищує опір для незмінного складника
, тобто якщо елемент має властивості стабілізатора
струму.
Таку вимогу можна виконати, якщо в ПСПН, як баластний елемент,
застосувати польовий (уніполярний) транзистор або високоомний транзисторний
двополюсник (ТД) на біполярному транзисторі. (див. п.3.2 рис 10б, 10в)
Коефіцієнт корисної дії ПСН визначимо за формулою:
(15)
Графіки, які наведено на рис.8, показують суттєвий вплив
(змінюється із зростанням
) на
і
на ККД (з урахуванням 15).
Вихідний опір стабілізатора
характеризує
його реакцію на зміненння сили навантажувального струму за умови незмінної
вхідної напруги (4а).
Оскільки за умови зростання (зменшення) сили навантажувального струму
на
вихідна напруга зменшується (зростає) на
, показником якості ПСПН є модуль відношення
зазначених величин. За умови незмінної вхідної напруги вхідний струм ПСПН також
не змінюється, тобто
; тому будь-яке змінення сили навантажувального струму
призводить змінення струму через стабілітрон, але з протилежним знаком, тобто:
.
(16)
Таким чином, вихідний опір ПСПН на кремнієвому стабілітроні визначає
диференційний опір стабілітрона.
За умови змінення температури напруга на кремнієвому стабілітроні
змінюється відповідно із значенням відносного температурного коефіцієнта
напруги (ТКН)
:
,
(17)
де
- приріст напруги на стабілітроні внаслідок змінення
температури на
;
-
номінальна напруга на стабілітроні.
Для визначення характеру ТКН нагадаємо, що за значення напруги на p-n
переході
- ТКН додатній; якщо
-
ТКН - від’ємний.
Тому обєднанням послідовно ввімкнених стабілітрона з додатнім ТКН та
діодів з відємним ТКН можна сформувати термокомпенсований стабілітрон (рис. 9).
Необхідність в декількох діодах спричинена тим, що значення відносного ТКН у
стабілітронів в зворотному включенні майже в два - три рази менше, ніж у діодів
в прямому включенні , а робоча напруга - більша.
а б
Рисунок 9 Пояснення формування ПСПН з температурною компенсацією:
а - послідовне з’єднання приладів із додатнім та від’ємним ТКН
б - застосовано термокомпенсований стабілітрон
Такий метод температурної компенсації застосовують, наприклад, в
стабілітронах спочатку Д818, пізніше КС211 та інші, де в корпусі розміщено,
послідовно з основним p-n переходом в зворотному напрямі, додаткові
термокомпенсувальні p-n переходи в прямому. За таких умов ТКН може досягати
значень тисячних часток %/К (приблизно 0,001%/К й менше). В термокомпенсованих
стабілітронах напруга внаслідок послідовного з'єдненная декількох p-n
переходів зростає, й значення диференціального опору. Цей останній фактор є
недоліком термокомпенсованих стабілітронів. Залежно від фактичного значення ТКН
термокомпенсовані стабілітрони маркують різними літерами, після цифрового коду.
Реальне значення коефіцієнта стабілізації ПСПН за типовою схемою
(рис.5б)- до 20…30, вихідний опір десяті долі…десятки ом залежно від типу
стабілітрона.
Для забезпечення більшого значення
застосовують
модифікації ПСПН.
3.2 Модифікації ПСПН
Якщо необхідне значення KU більше, ніж може забезпечити обраний
стабілітрон, можна застосовувати двокаскадний стабілізатор (рис. 10а). Такі
стабілізатори застосовували як опорні в транзисторних стабілізаторах низьких
напруг, а також як джерела еталонної напруги. В двокаскадному стабілізаторі
стабілітрон VD1 має робочу напругу більшого значення, ніж VD3. Для уніфікації
VD1 можна замінити на два стабілітрона, однотипних з VD3 - VD1, VD2.
а б
В г
Рисунок 10 - Схеми електричні принципові модифікацій ПСПН: а
- двокаскадний;
б - з уніполярним високоомним ТД; в - з високоомним
біполярним ТД; г - з двома ТД
На даний час двокаскадні ПСПН майже не застосовують.
Більше значення KU (до 200..400 і більше) можна отримати, якщо
застосовувати замість лінійного баластного резистора
високоомний транзисторний двополюсник ТД на
уніполярному (рис.10б). або біполярному (рис.10в,г) транзисторах.
Пояснимо принцип дії ПСПН з біполярним ТД. За умови, наприклад,
зростання сили струму емітера транзистора
(практично
це
) - зростає спад напруги на резисторі
; тому негативний потенціал бази транзистора відносно
точки 0, зростає (за умови стабільності напруги зміщення). Із застосуванням
транзистора типу р-n-p це призводить до його «підзакриття», - сила струму
спадає, тобто спостерігаємо ефект стабілізації
струму. За умови спроби зменшення сили струму транзистора, коло зворотного
зв’язку призводить до «підвідкриття» транзистора - знову маємо ефект
стабілізації струму, тобто - це елемент з великим значенням опору для
змінюваного за значенням складника струму.
а б
Рисунок 11 до пояснення дії принципу «струмового дзеркала»: а - електрична
схема;
б - його вольтамперна характеристика
Додатково пояснимо принцип роботи високоомного транзисторного
двополюсника на біполярних транзисторах. На рис.11а наведено схему на двох
ідентичних транзисторах із з’єднаними емітерами, але один із них VT2 - у
діодному підключенні (виконує функцію діодів VD1 і VD2 - як на рис.10в,г)
Характеристики
цієї пари транзисторів наведено на рис.11б. Визначимо
для VT1 точку 1 на кривій ік1 - якій відповідає точка 2 -
Uбе1, але за схемою вввімкнення таке саме значення напруги між базою та
емітером VT2 - точка 3, якій відповідає ік2 (точка 4). Як результат маємо ік1=
ік2 (точка 5). Така схема має назву «струмове дзеркало» («current mirror») і є
основою високоомного елемента (стабілізатора струму) тобто високоомного
транзисторного двополюсника (ТД), який широко застосовують також як
навантажувальні кола транзисторів в підсилювачах.
Зауважимо, що за топологією ТД виконано як транзисторний фільтр ФК із
заміною конденсаторів Сб-С, відповідно, на VD1, VD2 та VD3 (рис 10в).
Для транзисторного двополюсника скористаємось формулою (4.47) із
відповідною заміною xСб на rст , тому
.
(18)
За умови великого значення коефіцієнта стабілізації ланки Rб /rст, , ,
тобто
(19)
із (18) маємо
.
Якщо нерівність (19) не виконана (що можливо за умови Uст < 3…5B),
то Rб~ зменшується і ефективність ТД знижується. Тоді замість Rзм доцільно
встановити ще один ТД на транзисторі VT2, а як джерело напруги зміщення
застосувати вихідний стабілітрон (рис. 10г).
Значення коефіцієнта стабілізації ПСПН з ТД зазвичай становить 200…400
й може бути більше. Значення вихідного опору визначає диференціальний опір
стабілітрона, тобто - лишається без змін, як у звичайного ПСПН.
Далі з’ясуємо, яким чином реалізують параметричні стабілізатори змінної
напруги.
4. Параметричні стабілізатори змінної напруги
.1 Електромагнітні стабілізатори без конденсаторів
В колах змінного струму для реалізації параметричних стабілізаторів
також необхідно застосовувати елементи типу ZU
(стабілізатор напруги), або ZI (стабілізатор струму). З’ясуємо принцип дії
параметричного стабілізатора на основі дроселя з феромагнітним осердям.
На рис. 12а, наведено залежність індукції (густини магнітного потоку)
від напруженості магнітного поля - характеристику В(Н) для дроселя із
феромагнітним осердям. Напруга на дроселі (за умови нехтування активного опору
його обмотки) пропорційна магнітній індукції В, а напруженість магнітного поля
Н пропорційна силі струму, який проходить через обмотку дроселя, тому
залежність U =
(Aw) буде мати такий самий вигляд, як і крива В =
f(H). Таким чином, дросель має характеристику типу ZU (рис.12а).
Із застосуванням баластного лінійного елемента (Lб), увімкненого
послідовно з елементом, який має характеристику типу ZU (насичений дросель) Lнд
(рис.12б), можна реалізувати стабілізацію напруги. Баластний Lб, - ненасичений
дросель (лінійний) забезпечує більший ККД стабілізатора порівняно з баластним
резистором.
а б
Рисунок 12 - До принципу дії електромагнітного стабілізатора напруги
а - характеристика дроселя, б - схема електрична принципова
Початком зони стабілізації є точка кривої U = f(I), позначена на
рис.12а, яка відповідає насиченню осердя дроселя, а саме нелінійному режиму
дроселя. На рис.12,б наведено принципову схему найпростішого електронного
стабілізатора напруги.
Початок ділянки стабілізації визначає початок насичення дроселя Lн.д,
кінець - початок насичення баластного дроселя Lб ,тобто перетворення
стабілізатора в дільник напруги, з двох нелінійних реактивних елементів. Осердя
дроселя Lб є із немагнітним зазором, що запобігає його насиченню за менших
розмірів і відповідно витрат матеріалів.
Реалізувати параметричний стабілізатор змінної напруги можливо на
одному магнітопроводі за конструкцією з магнітним шунтом - ( рис.13а), та - з
компенсаційною обмоткою (рис.13б), еквівалентні схеми - відповідно, рис.13в та
рис.13г, залежності
відповідно на рис 13д та 13е.
В обох конструкціях первинну обмотку розташовано на центральному осерді
- І, (осердям називають частину магнітопроводу, на якій розташована обмотка), є
також насичений магнітопровід, який реалізує насичений дросель - ІІ та
ненасичений дросель - ІІІ. В конструкції з магнітним шунтом первинна та
вторинна обмотки гальванічної зв’язані, - в конструкції з компенсаційною
обмоткою - гальванічної розв’язані.
Пояснимо функціонування електромагнітного стабілізатора.
А б
в г
д е
Рисунок 13 Параметричні електромагнітні стабілізатори змінної
напруги із магнітним шунтом та компенсаційною обмоткою, відповідно:
а, б - конструкція, в,г - еквівалентна схема, д, е - криві
напруги
Магнітний потік через насичене осердя (II) дорівнює:
ФІІ = ФІ - ФІІІ , (20)
де ФІ - магнітний потік через осердя I (на якому розташована
первинна обмотка),
ФІІІ - магнітний потік через осердя III - що не насичується.
Напруга обмотки, яка розташована на осерді III :
(21)
Другий доданок правої частини (21) - напруга обмотки ненасиченого
осердя з кількістю витків
.
Тому (21) можна записати таким чином :
;
(22)
де
- напруга на еквівалентному дроселі;
-
напруга на вторинній обмотці з кількістю витків
за
відсутності осердя II.
На підставі (21) складено еквівалентну схему, наведену на рис. (13в).
Принцип роботи стабілізатора з магнітним шунтом (рис.13а,в) ілюструють
криві, які наведено на рис.13д; перед досягненням значення вхідної напруги uвхІ потік ФІ головним чином надходить до осердя ІІ. Подальше зростання
вхідної напруги за насичення осердя ІІ призводить до проходження магнітного
потоку ФІ - ФІІ Н.Д , в осерді ІІІ й формування напруги uIII.
Таким чином напругу на виході формує різниця напруг :
uвих = uвх - uІІІ , (23)
яка за відповідним вибором витків забезпечує паралельність ліній Uвх та
UIII й таким чином, формування майже незмінного значення uвих , тобто стабілізацію.
Проте значення вихідної напруги стабілізатора з магнітним шунтом не
може бути більшим вхідної напруги.
Цей недолік усунено в стабілізаторі з компенсаційною обмоткою
(рис.13б,г). Принцип роботи такого стабілізатора ілюструють криві, які наведено
на рис. 13е.
Напругу на виході сформовано за умови зустрічного поєднання uII та uIII
(24)
де uII - напруга вторинної обмотки трансформатора,
значення якої може бути будь-яким стосовно uвх , uL - спад напруги на еквівалентному ненасиченому лінійному дроселі,
- спад напруги га еквівалентному насиченому
нелінійному дроселі
На підставі рис 24 складено еквівалентну схему, наведену на рис 13е .
Такі стабілізатори нескладні, надійні в роботі та зручні в
експлуатації. Термін їх служби практично необмежений. Інерційність - декілька
періодів напруги електроживлення. Проте вони мають недоліки. Вихідна напруга
таких стабілізаторів суттєво залежить від частоти, значення й характеру
навантажувального опору. Стабілізатори мають мале значення коефіцієнта
потужності
,
де
-зсув між напругою і струмом в мережі, Р-активна
потужність, S-повна потужність
Виготовлення таких стабілізаторів потребує великої кількості
електротехнічної сталі та обмотувального проводу. Внаслідок насиченого стану
магнітопроводу форма кривої вихідної напруги спотворена й відрізняється від
синусоїдної. З цієї ж причини значення сили намагнічувального струму,
необхідного для досягнення пологої ділянки кривої B = f(H), великий. Наявність
зазору в ненасиченому магнітопроводі сприяє появі зовнішніх змінних магнітних
полів розсіювання, які можуть створювати завади для роботи іншої апаратури.
Деякі з цих недоліків відсутні в ферорезонансних стабілізаторах із LC-
ферорезонансним контуром.
.2 Ферорезонансні стабілізатори
Ферорезонансні стабілізатори у яких застосовано
ферорезонансні контури із резонансом струмів (паралельні) або напруг
(послідовні) працюють за малих значень сили струму намагнічування.
У ферорезонансних стабілізаторах застосовують два типи ланок
ферорезонансних контурів: послідовна та паралельна.
Схему послідовної ланки, вольтамперні характеристики та схему
електричну принципову стабілізатора на її основі наведено відповідно на рис.
14а,б,в, а паралельного контуру - на рис. 14г,д,е.
А б в
г д е
Рисунок 14 - Ферорезонансні стабілізатори напруги
а - послідовний контур (ПСК); б - вольтамперна характеристика
ПСК, в - схема електрична принципова ферорезонансного стабілізатора з ПСК, г -
паралельний контур (ПЛК), д - вольтамперна характеристика ПЛК, е - схема
електрична принципова ферорезонансного стабілізатора з ПЛК
Проаналізуємо засади функціонування та вольтамперні
характеристики нелінійних реактивних ланок послідовного (рис.14а) та
паралельного (14г) типів.
В послідовному контурі за малих значень сили струму дросель -
в режимі роботи на лінійній ділянці кривої намагнічування, тобто на ділянці з
великим значенням магнітної проникності, має великий імпеданс, тому характер
струму індуктивний. За зростанням сили струму дросель переходить в стан
насичення - його індуктивний опір зменшується. В точці 1 (рис. 14б) настає
резонанс напруг - напруга на ідеальному послідовному контурі дорівнює нулю. За
сили струму, на якій ємнісний опір перевищує індуктивний - загальний імпеданс
контуру, тобто загальний реактанс контуру має ємнісний характер. Оскільки в
режимі насичення напруга на дроселі майже не змінюється - лінія напруги на
контурі, яка дорівнює різниці напруг на конденсаторі та дроселі, є майже
паралельною лінії напруги на конденсаторі (рис. 14б). Напруга на виході, яку
визначає напруга на дроселі також змінюється мало, тобто реалізовано режим
стабілізації вихідної напруги стабілізатора (рис 15в), що показано на рис.14б.
Проаналізуємо режими функціонування паралельного контура
(рис.14г). В цьому контурі, як і в паралельному, до момента насичення дроселя
його реактанс великий і тому значення сили ємнісного струму більше
індуктивного. Із насиченням дроселя значення його реактанса зменшується і коли
воно дорівнює реактансу конденсатора - настає резонанс ( точка 1 на рис 14д) -
сила струму в контурі дорівнює нулю. За подальшим зростанням сили струму через
дросель настає насичення осердя дроселя характер струму дроселя визначає
загальний струм контура, який має індуктивний характер - напруга на дроселі
майже не змінюється. За умови під'єднання такого ферроконтура з послідовним
лінійним дроселем - реалізуємо стабілізатор напруги, схему якого наведено на
рис.14е.
Зміненням складу стабілізатора , внесенням додаткових
конденсаторів, резонансних контурів можна зменшити залежність Uвих від частоти
та покращити форму вихідної напруги наближенням до синусоїди.
Ферорезонансні стабілізатори не забезпечують великих значень
коефіцієнта стабілізації Ku, але вони є достатні для нормальної роботи
елементів побутових радіоелементів апаратури. Низька вартість, малі
експлуатаційні витрати, невеликі завади та висока надійність ферорезонансних
стабілізаторів - є факторами їх конкурентоспроможності із стабілізаторами інших
типів.
Промислові ферорезонансні стабілізатори мають потужність від 0,1 до 0,8
кВ
А., ККД стабілізаторів та їх коефіцієнти потужності
приблизно однакові та дорівнюють від 0,6 до 0,8. Інтегральний коефіцієнт
стабілізації напруги, який забезпечують ферорезонансні стабілізатори, - 25…50.
Питомі витрати активних матеріалів (сталь, мідь та матеріал для конденсаторів)
складає приблизно 20…50 кг/кВА та взагалі залежать від потужності (зменшуються
з її зростанням) та матеріалів, що застосовують та типу конденсатора.
5. Компенсаційні транзисторні стабілізатори постійної напруги
неперервної дії
.1 Лінійний транзисторний стабілізатор напруги за базовою схемою
Лінійні транзисторні стабілізатори напруги (ЛТСН) багато років були
основним функціональним вузлом високоякісних ДВЕЖ. Створення джерел
електроживлення із застосуванням силових каскадів, які працюють в ключовому
режимі обмежило обсяги застосування ЛТСН. Проте за умови забезпечення високих
якісних параметрів вихідної напруги, практичної відсутності електромагнітних
завад ЛТСН є неперевершеними.
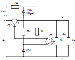
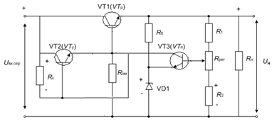
На рисунку 15 наведено еквівалентну електричну схему транзисторного
стабілізатора напруги (ЛТСН) неперервної дії за функціональною схемою рис.4,
де:
РЕ - регулювальний елемент (VTр) (робоча точка є в активній області);
ПЕ - підсилювальний елемент (на транзисторі VT2 ( VTп) та резисторі
Rк);
ОЕ - опорний елемент (ПСН на стабілітроні (VDоп);
ЕП - елемент порівняння (перехід база-емітер VTп);
ВЕ - вимірювальний елемент (R1, R2, дільник вихідної напруги).
В стабілізаторі (рис.15) транзистор VTр виконує функцію регулювального
елемента (РЕ), увімкнений послідовно із навантажувальним колом Rн; транзистор
VTп виконує функції підсилювального елемента (ПЕ) та елемента порівняння (ЕП),
опорний елемент (ОЕ) складено відповідно за схемою ПСПН на стабілітроні VDоп і
баластному резисторі Rб. Функції вимірювального елемента (ВЕ) виконує
резистивний дільник
.
Рисунок 15 - Схема електрична принципова лінійного транзисторного стабілізатора
напруги
За умови незмінної вхідної напруги колекторний струм транзистора VT1 не змінюється, напруга на резисторі Rк також незмінна. Вихідна
напруга ТСН дорівнює різниці вхідної напруги Uвх та спаду напруги на
транзисторі VTр:
.
(25)
Припустимо, що в результаті впливу дестабілізувальних факторів вхідна
напруга ЛТСН зросла. В такому випадку дещо зростає напруга на виході ЛТСН.
Позитивний потенціал бази транзистора VTп стає вищим, тоді як значення напруги
на його емітері - незмінне й дорівнює значенню напруги опорного (еталонного)
джерела Uоп. Це спричинює збільшення колекторного струму транзистора
(якщо вибрано транзистор типу n-p-n) та спаду напруги
URк і відповідно на транзисторі VTр. Таким чином значення вихідної напруги
залишається майже незмінним.
Коефіцієнт передавання (підсилення) тракту кола зворотного зв’язку має
бути таким, щоб змінення вихідної напруги, яке забезпечує змінення напруги
, не перевищувало встановленого для стабілізатора
значення.
За умови зменшення напруги
(та
відповідно) потенціал бази транзистора VT
відносно його емітера знижується і сила колекторного
струму зменшується; тоді знижується й спад напруги на резисторі
і на транзисторі
.
Тому значення напруги
є майже незмінним.
Таким чином, на підставі формули (19), маємо:
,(26)
де Кр - коефіцієнт підсилення РЕ (для сигналу керування Uп транзистор
VTр ввімкнено за схемою із спільним колектором, тому Кр≈1);
Кп - коефіцієнт підсилення ПЕ (для сигналу керування
транзистор VTп ввімкнено за схемою із спільним
емітером, тому Кп≈ 50….100).
-
коефіцієнт ділення ВЕ. Коефіцієнт стабілізації ТСН за базовою схемою в межах
0,8…0,9
.
(27)
Орієнтовно значення КU складає 30…60.
Вихідний опір стабілізатора:
,(28)
де Rв - вихідний опір випрямляча з фільтром,е р - опір емітерного
переходу Т-схеми заміщення транзистора VTр,б р - об’ємний опір
бази Т-схеми заміщення,б р - коефіцієнт підсилення регульованого транзистора за
струмом в схемі із загальною базою.
.2 Модифікації лінійних транзисторних стабілізаторів напруги
Транзисторний стабілізатор напруги із застосуванням складеного
транзистора
Як випливає з 1, першою модифікацією ЛТСН можна вважати ТСН із
регулювальним елементом, виконаним на складеному транзисторі (рис.18). Таке
рішення забезпечує два позитивних ефекти:
- зменшення дестабілізувального впливу базового струму
регулювального елемента (критерій вибору узгоджувальних транзисторів)
- збільшення вхідного опору регулювального елемента, що сприяє
зростанню коефіцієнта підсилення ПЕ, бо навантажувальний опір підсилювача
Рисунок 18 - Транзисторний стабілізатор напруги із
застосуванням складеного транзистора
Коефіціент підсилення ПЕ
, (29)
де
- вхідний опір транзистора регулювального елемента за
схемою із спільним колектором.
, (30)
де індекс
вказує на параметри складеного транзистора.
-
вхідний опір транзистора підсилювального елемента за схемою із спільним
емітером
;(31)
-
опір вимірювального дільника
,(32)
де Ід - сила струму дільника,
,
але не більше 10 мА.
Формули для розрахунку значень еквівалентних параметрів складених
транзисторів та резисторів зміщення наведено в розділі 4 (пп. 4.3.2, формули
(4.34)...(4.38)).
Напівпровідникові стабілізатори напруги чутливі до перевантаження за
струмом і напругою на колекторних переходах транзисторів. Підстави для таких
перевантажень різні. Наприклад, за умови короткого замикання на виході ЛТСН,
стрімко зростають сила колекторного струму транзистора VT1 і спад напруги на ньому.
Перевантаження можуть призвести до пробою колекторного переходу
транзистора
, що, в с свою чергу, спричинить зростання напруги
Uном і вихід з ладу окремих елементів ТСН (наприклад, стабілітрона
), а також елементів пристрою, який він живить.
Щоб запобігти цьому, застосовують різні схеми захисту ТСН, які в момент
перевантаження за напругою обмежують викиди напруги та струму (потужність
втрат) на колекторі транзистора
до
припустимого рівня.
Стабілізатор з допоміжним джерелом напруги
Наступна модифікація обумовлена існуванням прямого параметричного
звязку вхідної нестабільної напруги стабілізатора на точку бази регулювального
транзистора
із протилежною фазою напруги, сформованої трактом
зворотнього зв’язку
(рис.15).
Незважаючи на цей фактор стабілізатор забезпечує стабілізацію за
(26). Тоді виникає припущення, що ослаблення напруги
прямого параметричного звязку призведе до зростання
.
Такий режим можно реалізувати застосуванням допоміжного стабілізованого
джерела живлення підсилювального елемента (рис.519). Коефіцієнт стабілізації
такого допоміжного стабілізатора визначають за формулою (14).
Рисунок 19 - Схема електрична принципова стабілізатора з допоміжним
джерелом напруги ПЕ
Коефіцієнт стабілізації ЛТСН з допоміжним стабілізатором визначають за
формулою:
,
(33)
де
- коефіцієнт ослаблення вхідної варіативної напруги
регулювального транзистора ввімкненого для цього за інверсною схемою із
спільною базою (рис. 4.14г).
,
(34)
-
коефіцієнт стабілізації допоміжного параметричного стабілізатора (
,
),
Якщо в (33)
, тоді
(35)
Якщо в (33)
, тоді
(36)
Значення
за (35) може бути декілька сотень, а за (36) декілька
тисяч - це максимально можливе значення.
Недоліком цієї модифікації є необхідність додаткового джерела живлення
(обмотки трансформатора). Тому запропоновано наступну модифікацію -
стабілізатор з високоомним транзисторним двополюсником, в якому допоміжне
джерело не потрібне.
Стабілізатор з застосуванням високоомного транзисторного двополюсника
Схеми з ЛТСН високоомним транзисторним двополюсником ТД наведено на
рис.20а, де його застосовано замість резистора
,
що забезпечує зростання опору навантажувального кола підсилювального
транзистора
, й відтак коефіцієнта підсилення, та в результаті -
коефіцієнт стабілізації
.

а б
Рисунок 20 - Схема електрична принципова із застосуванням ТД: а - для
, б - для
Для стабілізаторів з низькою вихідною напругою доцільно резистор
замінити ще одним транзисторним двополюсником та
транзистором
(рис. 20б).
Коефіцієнт стабілізації таких ЛТСН може сягати 400...800.
Стабілізатор напруги, меншої за опорну (еталонну)
Схему стабілізатора із змінним значенням вихідної напруги, меншим ніж
опорної наведено на рис.21.
Рисунок 21 - Схема електрична принципова стабілізатора із значенням
вихідної напруги меншої за еталонну (опорну)
За необхідності реалізувати на виході значення напруги менше за опорної
(еталонної), яке є в базовій модифікації (рис. 15) та визначено за формулою
(38)
застосовують, так званий, стабілізатор зі «зниженою еталонною напругою»
(рис.21).
Оскільки
, необхідно застосовувати додаткове джерело (зазвичай
стабілізоване) для отримання напруги
.
Визначимо вимоги до стабільності опорної напруги. Нестабільність
напруги
залежить від нестабільності вхідної напруги
. Якщо зміну
позначити
через
, а приріст
за
через
,
тоді загальний приріст вихідної напруги складе
(39)
Позначимо інтегральний коефіцієнт стабілізації опорної напруги
,
(40)
де враховано, що
.
Тоді інтегральний коефіцієнт стабілізації із врахуванням (39) та
коефіцієнта стабілізації напруги за (40), можна визначити як:
(41)
З (14) випливає, що коефіцієнт стабілізації опорної напруги повинен
мати значення, не менш ніж на порядок більше порівняно з
.
За умови живлення опорного (еталонного) джерела із виходу
стабілізатора, тобто стабілізованою напругою, його коефіцієнт стабілізації має
бути не менше 10.
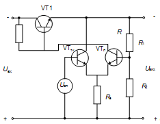
Стабілізатор напруги із диференціальним підсилювачем
Рисунок 22 - Схема електрична стабілізатора напруги диференціального
підсилювача
Диференційний підсилювач із транзисторами
-підсилювальним
та
- термокомпенсувальним працює таким чином. Нехай
внаслідок змінення температури напруга на емітерних переходах змінилась на
. Тоді внаслідок підвищення потенціалу бази
термокомпенсувального транзистора VTк , на спільному для VTк та VTп опорі Rе
збільшується негативний потенціал відносно емітера VTп ,
тобто на базі VTп є додатковий негативний потенціал, який
компенсує
внаслідок змінення температури.
.3
Стабілізатори напруги в інтегральному виконанні
Стабілізатори в інтегральному виконанні або
мікростабілізатори - результат розв’язку конструктивно-технологічної задачі
проблеми мініатюризації ДВЕЖ. Це інтегральні схеми, виконані на основі
напівпровідникової планарної технології, в кристалі кремнія типу n. Масовий
випуск таких стабілізаторів (серія К142ЕН), їх низька вартість, достатня
надійність, за високих масогабаритних і якісних показниках обумовлюють їх
широке застосування. Крім основного призначення (стабілізації напруги),
мікросхеми К142ЕН можуть виконувати також функції: згладжування пульсацій,
захисту від електричних і теплових перенавантажень, стабілізації струму,
порогових пристроїв тощо, вони поповнили родину інтегральних мікросхемами.
Мікросхеми випускають двох типів: з регульованою і фіксованою
вихідною напругою, останні не потребують додаткових зовнішніх компонентів.
Мікросхеми К142ЕН1,(2) (виконані на кристалі 1,7
1,4
масою
1,4 г)
призначені для роботи без радіатора і можуть розсіяти
не більше 0,8 Вт. В мікростабілізаторах неперервної дії регулювальний елемент
вбудований в мікросхему. Мікросхема К142ЕН1,(2) допускає підключення зовнішніх
(навісних) прохідних транзисторів, які підвищують вихідну потужність, а також
роздільне живлення цих транзисторів і власне мікросхеми, що забезпечує
підвищення ККД.
Мікросхеми випускають двох типів: з регульованою і фіксованою вихідною
напругою, останні не потребують додаткових зовнішніх компонентів.
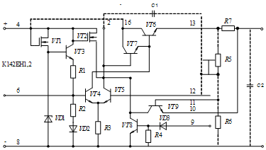
Рисунок
23 - Схема електрична принципова стабілізатора напруги в інтегральному виконанні
типу К142ЕН1(2)
На рис. 23 наведено схему стабілізатора напруги в інтегральному
виконанні типу К142ЕН1,(2). Дані щодо відмінності модифікацій К142ЕН1 та
К142ЕН2 є в таблиці 1.
Опорну напругу сформовано на резисторі R2 і
термокомпенсувальному діоді VD2 після стабілізації транзисторним
стабілізатором напруги на транзисторі VT3 з високоомним транзисторним
двополюсником VT1 (польовий транзистор) як баластного опору до
стабілітрона VD1- це опорний елемент.
Підсилювальний елемент виконано на основі диференційного підсилювача на
транзисторах VT4, VT
Польовий транзистор VT2 є високоомним транзисторним двополюсником
навантажувальним для транзистора VT5, на який подано сигнал зворотного зв’язку з
виходу стабілізатора (контакт 12).
Регулювальним елементом є складений транзистор за схемою Дарлінгтона VT6 і VT7. Транзистори VT8 і VT9 призначені, відповідно, для вимкнення мікросхеми зовнішнім сигналом
та для її захисту. Транзистори VT4 і VT5 мають коефіцієнти
підсилення за струмом Вст≥40…60, а силовий складений транзистор VT6 і VT7 - 1500...4000. Коефіцієнт підсилення
розімкненого контура є в межах 100...200, наявність великої кількості
компонентів може призвести до втрати стійкості стабілізатора. Для запобігання
цього передбачена корекція частотнозалежних кіл. Корекцію забезпечують
конденсаторами С1 (вносить негативний зворотний зв’язок С1=
) і С2 - ємністю 5 мкФ, який формує малий вихідний
імпеданс для частот, на яких може виникнути збудження стабілізатора.
Значення вихідної напруги виконують зміненням опору R5 вихідного дільника (вимірювальний елемент) порівняння - перехід емітер-база
VT
В мікросхемі передбачено режим під’єднання регулювального каскаду із
зовнішніми транзисторами безпосередньо до вхідного джерела через відвід 16,
внаслідок чого мінімально допустиме значення напруги між входом та виходом
стабілізатора зменшено з (4…4,5) В до (1,5…2) В.
Захист стабілізатора забезпечено транзистором VT9,
який обмежує напругу керування
регулювального каскаду за умови збільшення напруги із давача сигналу
перевантаження - резистора R7.
Вимкнення напруги на виході забезпечує транзистор VT8 замиканням бази регулювального каскаду на загальну шину під час
наявності сигналу вимикання на відводі 9.
Рисунок 24 - Схема електрична принципова стабілізатора напруги в інтегральному виконанні К142ЕН3(4)
На рис. 24 наведено схему стабілізатора напруги типу, який не
потребує додаткового регулювального транзистора - К142ЕН3(4). Як і К142ЕН1(2) цей стабілізатор
потребує корекції динамічних характеристик застосуванням частотно-залежних
корегувальних кіл. Між виводами 6 і 4 підключають вихідний резистивний дільник,
відвід від якого з’єднують з виводом 2 (зворотній зв’язок) .
В цьому стабілізаторі замінено польові транзистори (VT1 і VT2 в К142ЕН1(2)) на високоомні
біполярні транзисторні двополюсники (VT1, VT8 і VT15), на які напругу зміщення
подано з «транзисторних стабісторів» відповідно VT2, VT10, і VT13. Окрім резисторів R11 і R12 в колі емітерів диференційних
підсилювачів ввімкненні високоомні транзисторні двополюсники відповідно VT9 і VT14, на бази яких задано еталонну
напругу. В диференцйних підсилювачах, виконаних за такою схемою, у порівнянні
зі звичайним диференційним підсилювачем на порядок збільшується коефіцієнт
підсилення.
Підсилювальний елемент виконано двокаскадним: перший каскад
на транзисторах VT7 і VT11, другий - на VT12 і VT16.
Джерело опорної напруги виконано на основі стабілізатора на
транзисторі VT3. Еталонну напругу формує
стабілітрон VD3, послідовно з яким
ввімкнено високоомний транзисторний двополюсник на транзисторі VT1. На виході стабілізатора VT3 ввімкнений дільник R4, R5, R6, R7 з термокомпенсувальними діодами VD4, VD5 і VD6. З дільника знімають три еталонні
напруги : для першого та другого каскаду підсилювачів та зміщення транзисторів VT9 і VT14. З метою зменшення вихідного опору
джерел еталонної напруги вони під'єднанні до навантажувальні кола через
емітерні повторювачі на транзисторах VT4 і VT
Регулювальний елемент створений складеним транзистором : VT22 - прохідний і VT19 - узгоджувальний.
Елемент порівняння - перехід емітер-база VT11.
Для функціонування мікросхеми в момент ввімкнення
стабілізатора призначено коло R1, VD2, після початку роботи
напруги на VD1 і VD3 зрівнюються й на VD2 напруга стає близькою до нуля - це
коло відключається.
Під час перевантаження за струмом або короткого замикання на давачі R18 збільшується напруга, яка замикає транзисторний ключ VT20, та шунтує вхід транзистора VT19 і
струм через ньогозменшується, та обмежує струм через VT22.
Цей струм також може розігрівати кристал, що може спричинити спрацювання кола
теплового захисту. Це коло вимикає стабілізатор за нагрівання кристала до Т=175˚С
%,що відповідає максимально допустимому значенню.
Термочутливий елемент VT21 із зростанням температури призводить до
шунтування R13 і зменшення напруги на ньому. Різниця
зростає. Транзистор VT18
відкривається та під’єднує базу VT19 до загальної шини , VT19 і VT22 - розімкнуто, Uвих
.
Вимикання стабілізатора можливо також позитивним імпульсом напруги
порядку 1В, поданого на вивід 9. Транзистори VT21 і VT18 замкнуто. База транзистора VT19 на загальній шині
замикається. Разом з ним переходить в режим розімкнення транзистор VT22 - напруга на виході дорівнює нулю.
Інша мікросхема К142ЕН6 - це стабілізатор на дві різнополярні напруги,
яку в основному застосовують для живлення операційних підсилювачів.
Таким чином інтегральні стабілізатори напруги - це спеціалізовані
мікросхеми, призначені для формування стабілізаторів напруги з регульованою або
фіксованою вихідною напругою.
Основні параметри СН, які характеризують його якість, - коефіцієнти
нестабільності за напругою і струмом, що відрізняються від коефіцієнта
стабілізації.
Коефіцієнт нестабільності за напругою
-
це відношення - відсотки/вольт змінення вихідної напруги
до змінення вхідної напруги
:
.
(43)
Коефіцієнт нестабільності за струмом
-
відношення (відсотки) змінення вихідної напруги
до
відносної зміни навантажувального струму
:
. (44)
На
відміну від стабілізаторів на дискретних компонентах, інтегральні схеми не
налаштовують і не ремонтують.
В
таблиці 1 наведено
також параметри інших стабілізаторів родини мікростабілізаторів типу К142ЕН (спеціального призначення) та
КР142ЕН (загального призначення).
Таблиця
1 Параметри інтегральних стабілізаторів напруги серії КР(СК)142ЕН
|
МС
|
      /А
|
|
|
|
|
|
|
|
|
КР142ЕН1А КР142ЕН1Б КР142ЕН1В КР142ЕН1Г
КР142ЕН2А КР142ЕН2Б КР142ЕН2В КР142ЕН2Г КР142ЕН5А КРІ42ЕН5Б КР142ЕН5В
КР142ЕН5Г КР142ЕН8А КР142ЕН8Б КР142ЕН8В КР142ЕН8Г КР142ЕН8Д КР142ЕН8Е
КР142ЕН9А КР142ЕН9Б КР142ЕН9В КР142ЕН9Г КР142ЕН9Д КР142ЕН9Е
|
9...20 9...20 9...20
9...20 1..40 1..40 1..40 1. .40 7,..15 8,..15 7,..15 8,..15 12...35
14...35 18...35 12...35 14...35 18...35 23...40 2..40 30...40
23...45 27...45 30...45
|
3...12 3...12 3...12
3...12 12...30 12...30 12...30 12...30 5±0,1 6±0,1 5±0,1 6±0,1
9±0,27 12±0,36 15±0,45 9±0,27 12±0,36 15±0,45 20±0,4 24±0,48 27±0,54
20+0,6 24 ±0,72 27+0.81
|
3 3 3 3 3 3 3 3
2,5 2,5 2,5 2,5 2,5 2,5 2,5 2.5 2,5 2,5 2,5 2,5 2,5
2.5 2,5 2,5
|
0,15 0,15 0,15 0,15 0
15 0,15 0,15 0,15 1,5 1,5 2 2 1.5 1,5 1,5 1 1 1 1,5 1,5 1.5
1 1 1
|
4 4 4 4 4 4 4 4 10
10 10 10 10 10 10 10 10 10 10 10 10 10 10 10
|
0,3 0,1 0,5 0,5 0,3
0,1 0,1 0,1 0,05 0,05 0,05 0,05 0,05 0,05 0,05 0,05 0,05 0,05
0,05 0,05 0,05 0,1 0,1 0,1
|
0,5 0,2 2 1 0,5 0,2
2 1 3 3 2 2 1 1 1 1 1 1 1 1 1 1.5 1.5 1,5
|
|
|
|
|
|
|
|
|
|
|
|
Зазначемо, що ККД та питомі масо-габоритні показники лінійних
стабілізаторів є нижчими порівняно із ключовими (п. 6). Проте вони мають
незаперечну перевагу - майже не створюють електромагнітних завад. Тому для
електроживлення чутливих функціональних вузлів віддають превагу застосуванню
ЛТСН з покращеними характеристиками в сенсі зменшення спаду напруги на
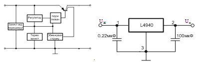
регулювальному транзисторі, так звані « low dropout voltage » - LDV. Прикладами таких стабілізаторів є
L4940 (рис. 27а,б та anyCAP - рис. 27в).
Значення деяких параметрів стабілізаторів L4940 є:
– вихідна напруга 5 В
2%;
– спад напруги 0,4 В за сили струму 7 А;
– максимальна сила навантажувального струму 1,5 А;
– діапазон температур довкілля -40…+85
;
– коефіцієнт стабілізації
200;
– вихідний імпеданс 30 мОм на частоті 120 Гц;
– напруга шумів 100 мкВ в смузі 100 Гц…100 кГц.
Сімейство LDO-стабілізаторів anyCAP типу ADP33xx вже декілька
років випускає компанія Analog Devices. Мікросхеми цього типу виконані на
BiCMOS-технології з регулювальним рnр-транзистором. Спрощена функціональна схема таких
стабілізаторів наведена на рис. 27в.
Інтегральні стабілізатори типу ADP17xx виконані за CMOS-технологією
з регулювальним рMOS транзистором. Два наведених типи мають 16 версій з
фіксованою вихідною напругою в діапазоні від 0,75 до 3,3 В і версію з
регулювальною вихідною напругою в межах від 0,8 до 5 В. Похибка напруги цих
стабілізаторів за зміни навантаги і температури навколишнього середовища в
допустимих межах не перевищує ±2%. В мікросхемах ADP1711 і ADP1713 (версії з
фіксованою вихідною напругою) можливе підключення конденсатора до вихода “bypass-referense”, що дозволяє зменшити
рівень шумів на виході стабілізтора і збільшити коефіцієнт послаблення
нестабільності первинного джерела живлення.
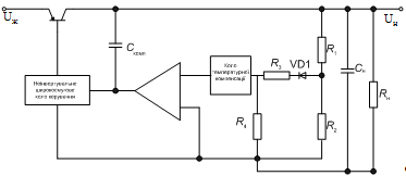
Стабілізатор за схемою наведеною на рис. 27в можуть бути застосовані також як джерело опорної напруги. Вихідна
напруга цього стабілізатора задана дільником R1, R2. Ланка зворотнього зв’язку
містить діод VD1 та дільник R3, R4. В
стабілізаторі передбачена температурна компенсація напруги зміщення нуля
застосуванням діода, напруга на переході якого змінюється пропорційно зміні
температури довкілля. Вихід підсилювача під’єднано до неінвертувального кола
керування (driver), який керує регулювальним
транзистором, й окрім цього, забезпечує частотну корекцію, компенсує вплив
ємності навантаги, що дозволяє підключити до виходу LDO-стабілізатора
конденсатор будь-якого типу.
А
б
в
Рисунок 27 - Функціональні схеми "low drop" стабілізаторів: а -
стабілізатор типу L4940; б - схема підключення відповідно; в - спрощена
електрична LDO - стабілізатора anyСАР.
Одним із найважливіших параметрів стабілізаторів є значення
розсіювальної потужності регулювальним транзистором (найбільший складник
потужності втрат).
Спочатку визначимо мінімальне значення вхідної напруги:
,
(45)
де q - коефіцієнт регулювання вхідної напруги
вгору від номінального.
Відповідно, значення номінальної та максимальної напруги:
(45а)
(45б)
де в - коефіцієнт зменшення вхідної напруги від номінальної, а -
коефіцієнт зростання вхідної напруги від номінальної.
Тоді значення розсіювальної потужності регулювальним транзистором
(46)
де h - коефіцієнт регулювання вихідної напруги
додолу.
Якщо значення потужності розсіювання перевищує допустиме - необхідно
виконати розрахунок тепловідводу (радіатора) - див. п. 4.
Далі визначаємо залежність модуля вихідного імпедансу від частоти.
5.4 Вихідний імпеданс транзисторного стабілізатора
Одним з основних параметрів, який впливає на якісні показники ДВЕЖ
також є його вихідний імпеданс.
Цей параметр є особливо важливий за умови змінення навантаги в широкій
смузі частот (аудіо- та відеотехнічні системи), або імпульсному характері
навантаження (цифрові кола).
Частотно-залежний характер вихідного імпедансу ТСН зумовлено
частотно-залежним характером коефіцієнта передавання тракта керування та
параметром регулювального транзистора.
В операторній формі вихідний опір ЛТСН визначає вираз:
,
(47)
де
, (47а)
,
(47б)
де
,
-
відповідно сталі часу та граничні значення частот
та
,
за яких модулі коефіцієнтів зменшуються до 0,707=1/
відносно значень
та
К
в області низьких частот.
Для подальшого аналізу, синтезуємо схему вихідного імпедансу ТСН, за
умов, що значення
та
істотно
відрізняються між собою.
За
з урахуванням (47а) запишемо (47б) у формі
(48)
де
.
Діленням знаменника (48) на чисельник, отримаємо комплексну вихідну
провідність ТСН, яку можна записати у формі:
,
(49)
де
,
,
.
(49а)
Аналогічно за:
, якщо
та
матимемо:
,
,
(49б)
Параметри еквівалентної схеми за різних умов відповідно до (49)...(49б)
наведено в табл. 2.
Рисунок 28 - Вхідний імпеданс ЛТСН, а - еквівалентна схема, б -
залежність модуля імпедансу від частоти
Вихідний опір активної частини ТСН моделює паралельне з’єднанням гілки
з активного опору і з послідовним з’єднанням активного опору та індуктивності
(рис. 28а).
Вихідний імпеданс ЛТСН залежить від частоти та параметрів еквівалентної
схеми та має характер кривої 1 (рис. 28б).
З урахуванням впливу ємності вихідного конденсатора
залежність
має
резонансний характер. Частоту першого резонансу
визначають
параметри еквівалентної схеми ЛТСН та вихідного електролітичного конденсатору.
Таблиця 2 Еквівалентні параметри модуля вихідного імпедансу ЛТСН.
низькочастотний
регулювальний
низькочастотний
підсилювальний
Для транзисторів і конденсаторів різних типів, а також для різних
елементів кола зворотного зв’язку частота
є
у діапазоні одиниць - десятків кілогерців. Із зростанням частоти
модуль
зменшується
через зменшення ємнісного опору конденсатора
до
резонансної частоти, але в зв’язку із залежністю ємності вихідного конденсатора
від частоти та індуктивності його виводів за
спостерігається
зростання
. Для нейтралізації цього явища конденсатор
шунтують безіндуктивним (керамічним або плівковим)
конденсатором
, що приводить до зниження модуля
на частотах
,
які лежать у діапазоні десятків - сотень кілогерц.
За подальше збільшення частоти
має
місце прояв впливу паразитних параметрів з’єднувальних проводів, що знову
приводить до зростання модуля
після
.
Змінення
призводить до збільшення пульсацій вихідної напруги,
самозбудження стабілізатора, тобто до відмови ДВЕЖ, й як наслідок - всього
комплексу в цілому. Таким чином, залежність імпедансу від частоти змінення
навантажувального струму є важливою характеристикою ЛТСН.
6. Ключові (імпульсні) стабілізатори
.1 Принцип дії
За ДСТУ 2372 ключовим стабілізатором напруги (сили струму) вторинного
електроживлення називають стабілізатор, регулювальний елемент якого працює в
ключовому режимі.
Основною перевагою ключового режиму роботи регулювального елемента
(вузла), який можна виконати на транзисторах, тиристорах, магнітних
підсилювачах (дроселях насичення), є мінімальна втрата потужності в силовому
колі, що дозволяє забезпечити високі ККД, питомі масогабаритні показники
стабілізатора і ДВЕЖ в цілому.
Принцип роботи ключових транзисторних стабілізаторів напруги (КТСН)
полягає в тому, що джерело вхідної нестабілізованої напруги
через регулювальний елемент (РЕ) - ключ підключають
та відключають до навантажувального кола (рис. 29а).
КТСН називають також імпульсними, що обумовлено принципом керування
імпуьсами, тобто обидві назви є коректними.
РК
а б
Рисунок 29 - Функціональна схема КТСН: а - спрощена; б - узагальнена
Коло керування (КК) регулювальним каскадом (РК) КТСН функціонує таким
чином, що під час дії дестабілізувальних факторів на ДВЕЖ середнє значення
вихідної напруги підтримано на заданому рівні з обумовленою нестабільністю.
Стабілізація вихідної напруги в КТСН забезпечують внаслідок зміни
співвідношення між інтервалом замкненого
і
розімкненого
станів РК (ключа). Середнє значення вихідної напруги
КТСН
,
(50)
де
- шпаруватість імпульсів;
- коефіцієнт заповнення (duty cycle);
.
З (50) випливає, що значення
може
бути збережено незмінним за умови змінення
,
якщо відповідним чином змінено коефіцієнт заповнення
.
В КТСН поряд з елементами (вузлами), які належать будь-якому
компенсаційному стабілізатору: регулювальним елементом - РЕ, вимірювальним -
ВЕ, підсилювальним елементом - ПЕ і опорним елементом - ОЕ є специфічні додаткові
вузли.
В силовому каскаді - згладжувальний фільтр - накопичувач енергії (ЗФН),
призначений для згладжування пульсацій (зумовлених принципом роботи
стабілізатора) і забезпечення навантажувального кола електроенергією на
інтервалах розімкненого стану РЕ.
В колі керування - елемент перетворення сигналу (ЕПС) (рис. 4), який
забезпечує формування сигналів керування
заданої
шпаруватості, тобто перетворює неперервний сигнал розбіжності (помилки) значень
опорної напруги на виміряну в дискретний сигнал керування. Для формування
напруги керування необхідні також задавальний генератор (ЗГ) та генератор
лінійно змінюваної напруги (ГЛН).
Залежно від того, яким способом досягають зміни шпаруватості,
розрізняють такі види імпульсного регулювання:
широтно-імпульсна модуляція (ШІМ), за якої змінюється час замкненого
чи розімкненого
стану
РЕ за незмінного періода слідування імпульсів Т (рис. 30а);
частотно-імпульсна модуляція (ЧІМ), за якої змінюється частота роботи
РЕ f=1/T за незмінних
або
(рис.24б);
релейне, або двопозиційне регулювання, зумовлене наявністю в системі
управління релейного елемента (наприклад, тригера Шмітта) з двома фіксованими
порогами спрацьовування і здійснюване зміненням
,
, Т (рис.30в).
Рисунок 30 - Часові діаграми напруг на вході
і виході
КТСН
за режимів регулювання: а - ШІМ; б - ЧІМ; в - двопозиційному (релейному).
ШІМ регулювання є першого та другого роду. На рис. 29б показана
функціональна схема для режиму ШІМ-2, тут задавальний генератор ЗГ керує
генератором лінійної напруги ГЛН, яку - в елементі порівняння ЕП - порівнюють з
підсиленим сигналом розбіжності, який потрапляє після підсилювального каскаду.
На виході ЕП формується напруга
різної
тривалості (рис.30а), яка керує роботою РЕ.
Режим ЧІМ в КТСН застосовують нечасто внаслідок змінення частоти
вихідної напруги. Це ускладнює раціональний вибір параметрів реактивних
елементів ЗФН, бо необхідно орієнтуватись на найнижчу частоту, за якою значення
L і С більші.
Цей недолік (змінення частоти) характерний і для двопозиційного
(релейного) режиму. Проте його застосовують в КТСН внаслідок відносно простої
реалізації.
Принцип роботи двопозиційного КТСН полягає в тому, що коли вихідна
напруга, змінюється під впливом дестабілізувальних факторів (змінення вхідної
напруги, навантаження, тощо), досягає одного з порогових значень, формується
сигнал керування регулювальним елементом. Під час цього його режим змінюється таким
чином, щоб вихідна напруга була в границях, обмежених пороговими рівнями.
На виході стабілізатора встановлено конденсатор, заряд і розряд якого
визначає значення шпаруватості Q. Підчас змінення вхідної напруги за умови
незмінних сталих заряд-розряду, або навантажувального опору, що призводить до
їх змінення змінюються інтервали замкненого
та
розімкненого
станів ключа, тобто - коефіцієнта заповнення
, що забезпечує стабілізацію вихідної напруги в межах,
обумовлених пороговими значеннями
та
.
Таким чином, КТСН з ШІМ, ЧІМ та релейним регулюванням мають такі
особливості:
- в КТСН з ШІМ частота комутації РЕ незмінна, в КТСН інших
типів значення частотизалежить від змінення сили навантажувального струму та
вхідної напруги;
- в КТСН з ШІМ і ЧІМ принципово може не бути пульсацій
вихідної напруги, бо сигнал керування формується за відхиленнем середнього
значення напруги від опорного; за релейним керуванням в вихідній напрузі завжди
є пульсації, бо це зумовлено принципом його роботи ;
релейним КТСН властива підвищена порівняно з ЧІМ та
ШІМ КТСН швидкодія за стрімкого змінення дестабілізувальних факторів, однак
практично швидкодію будь-якого КТСН визначають параметри вихідних
згладжувальних фільтрів ЗФН.
Коефіцієнт стабілізації КТСН - декілька десятків, сотень.
Температурний коефіцієнт напруги визначає в основному джерело опорної напруги,
температурною стабільністю рівнів, які забезпечують формування імпульсних
сигналів, тобто значення ТКН майже таке ж, як у стабілізаторів неперервної дії:
десяті, соті частки відсотків на градус Кельвіна.
Як імпульсні стабілізатори трактують також інвертори і
перетворювачі (див. розділ 6), за умови відповідного керування, зазвичай в
режими з ШІМ.
Принциповім недоліком стабілізаторів ключового (імпульсного)
типу є генерація ними високочастотних завад, які поширюються в проводах
(кондуктивні завади) до джерел живлення і до навантажувального кола, а також в
навколишній простір (завади індуктивності та випромінення). Це зумовлює
необхідність розв’язку на стадії проектування питань забезпечення
електромагнітної сумісності (ЕМС) ДВЕЖ ключового типу, функціональної
радіоелектронної апаратури та електричної мережи.
Рисунок 31 - До визначення потужності розсіяння транзистора в
ключовому режимі: а - траєкторія робочої точки; б - часові діаграми
Визначимо потужність розсіяння транзистора, що працює в ключовому
режимі
. ВАХ біполярного транзистора та траєкторії
перемикання наведено на рис. 31а.
Часові діаграми струму, напруги та потужності за умови активного
характеру навантажувального кола (траєкторія R на рис. 31а) наведено на рис. 31б.
Складники потужності визначаємо за формулою
(51)
й відповідно в станах насичення, відсікання, комутації
(51а)
(51б)
(51в)
Таким чином,
.
( 52)
За умов індуктивного (L) або ємнісного (C)
характеру навантаження траєкторії відрізняються від R рис. 31а, відповідно під
час перепадів від режиму насичення та навпаки. Формули для визначення
є іншими від (52). Проте (52) надає уявлення щодо
суттєвого зменшення
для роботи транзистора в ключовому режимі порівняно з
лінійним.
Далі проаналізуємо засади формування силових каскадів КТСН.
6.2 Силові каскади без гальванічної розв’язки входу й виходу
Сучасні високоефективні стабілізовані джерела вторинного
електроживлення, ознаками яких є високі ККД, питомі масогабаритні показники,
відносно низьке використання кольорових і чорних металів, мають у своєму складі
ключові транзистори стабілізатори напруги (КТСН) (за режимом роботи
регулювального каскаду) або імпульсні (за принципом керування), а також регульовані
перетворювачі (див. розділ 6).
Для перетворювачів за схемою з гальванічним відокремленням є
необхідним застосування трансформатора, габаритні розміри і маса яких
зменшуються із зростанням частоти комутації. Для перетворення й стабілізації
параметрів електричної енергії можна застосувати також перетворювачі за схемою,
без гальванічного відокремлення вхідного і вихідного кола, із застосуванням −
дроселів та конденсаторів.
Такі перетворювачі є досить простими та ефективними, мають мінімальний
об’єм та масу, можуть бути вбудовані безпосередньо в пристрої, які живлять від
одного джерела, але потребують кілька різних значень напруг під час роботи
(особливо, в малогабаритних пристроях: портативні рації, мобільні телефони,
кишенькові комп’ютери тощо). Крім того, вони дозволяють більш повно
використовувати потужність електричної мережі, внаслідок забезпечення
коефіцієнта потужності близько
.
В разі застосування відповідних кіл керування та введення зворотного зв’язку
(від навантажувального кола до схеми керування) перетворювачі без гальванічного
відокремлення можуть працювати як стабілізатори напруги.
З’ясуємо принцип дії та основні особливості роботи перетворювачів без
гальванічного відокремлення - ключові транзистори стабілізатори напруги КТСН.
Слід звернути увагу, що всі КТСН, які проаналізовано далі, складено за
компонентам, наведеними на рис. 32.
Рисунок 32. Компоненти КТСН та їх призначення
Рисунок 33 Реакція транзисторів різних типів на напругу
керування
Слід звернути також увагу на те, що транзистори різних типів по-різному
реагують (змінюють власну провідність) на напругу керування. На рис. 33
наведено часові діаграми струмів транзисторів різних типів, залежно від
прикладеної напруги керування. Напругу керування прийнято ідеальним меандром з
періодом
та тривалістю високого рівня
, низького рівня, відповідно,
. Високий рівень напруги керування перевищує пороговий
рівень спрацьовування транзисторів, тобто
.
Низький рівень напруги керування дорівнює нулю. Також на рис. 33 враховано
частотні властивості кожного з типів транзисторів без додаткових кіл формування
перехідних процесів.
Примітка:
Відповідно до властивостей транзисторів, поданих на рис. 33:
,
та
,
де
− сила некерованого (теплового) струму колектора
біполярного транзистора;
− сила залишкового струму стоку польового
транзистора у розімкненому стані;
−
час комутаціїї транзистора в замкнутий стан.
У КТСН застосовують три основні типи силових каскадів:
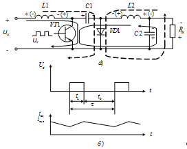
знижувальний ЗН (рис. 34а), у якому вихідна напруга Uн менша за вхідну Uж,
підвищувальний ПВ (рис. 35), у якому Uн > Uж, і полярно-інвертувальний ПІ
(рис. 36), в якому полярності вхідної й вихідної напруг протилежні, а значення
Uн може бути більшим або меншим, ніж Uж, залежно від значення шпаруватості Q
керувальних імпульсів.
У всіх силових каскадах транзистор VT працює у ключовому
режимі, дросель L і конденсатор С формують згладжувальний фільтр-накопичувач,
комутаційний (рекупераційний, зворотний) діод VD також функціонує у ключовому
режимі та створює шлях струму в навантажувальному колі Rн за розімкненого стану
VT.
Силові каскади КТСН можуть функціонувати у двох режимах: з
неперервним і переривчастим струмом дроселя іL. Кращі експлуатаційні
властивості забезпечує режим неперервного струму дроселі (менша пульсація
напруги на виході, більш жорстка зовнішня характеристика). Аналіз силових
каскадів виконують за умови таких припущень: замикання та розмикання ключових
компонентів (транзисторів і діодів) є миттєвим; у замкненому й розімкненому
станах втрати відсутні; дроселя і конденсатор представлено ідеальними лінійними
індуктивністю та ємністю; значення напруги на вході та виході, а також
навантажувального струму - незмінні. Аналіз здійснено в усталеному режимі,
тобто не у стані першого підключення до джерела вхідної напруги. Нижче
проаналізуємо режими в силових колах КТСН.
Знижувальний силовий каскад (ЗН). Схему ЗН наведено на рис. 34а принцип
дії стабілізатора такий: коли транзистор VT1 замкнено, напругу живлення
перетворювача під’єднано до навантажувального кола
. Струм протікає через транзистор VT, дросель L1 та опір навантажувального кола
. Конденсатор C1 заряджається. Коли транзистор під
дією напруги керування переходить в розімкнений стан, джерело живлення
від’єднано від навантажувального кола, сила струму дроселя
, не може миттєво змінитися - струм продовжує
протікати в тому самому напрямі, але зменшується через діод VD1, оскільки
полярність напруги на дроселі змінюється, тобто створено умови для переходу VD1
в замкнений стан. Конденсатор та дросель віддають накопичену енергію в
навантажувальне коло. Співвідношення між середнім значенням вихідної напруги та
значенням вхідної напруги визначає коефіцієнт заповнення
.
Рисунок 34 - КТСН знижувального типу: а − схема електрична
принципова; б − часові діаграми; в - подвоєний силовий каскад
На рис. 34б наведено часові діаграми струмів за умови
неперервного режиму струму дроселя. У випадку недостатньої індуктивності
дроселя струм в навантажувальному колі буде зменшуватись до нуля наприкінці
тактового періоду перетворення, тобто критичний режим роботи передбачає
зменшення струму дроселя до нуля лише в момент
,
а режим переривчастого струму − тривалість нульового значення струму в
межах
. Значення індуктивності дроселя, за якої перетворювач
(будь-якого типу з наведених) працює в критичному режимі, називають граничною,
. Для забезпечення надійної роботи кола та мінімізації
втрат обирають індуктивність рівну
.Основні
співвідношення для КТСН знижувального типу та інших наведено в табл. 3.
Як різновид перетворювача знижувального типу, існує також подвоєний
перетворювач знижувального типу (рис. 34в). Перевага такого перетворювача в
збільшеній перетворюваній потужності, оскільки, внаслідок наявності двох
комутувальних транзисторів, сила максимального струму кожного з них вдвічі
менша ніж у транзистора в попередній модифікації (за умов однакового
навантаження). Напруги керування транзисторами - з фазовим зсувом.
З’ясуємо принцип дії перетворювача знижувального типу (
рис.34а ):
На інтервалі часу t0 < t t3 транзисторний ключ VT
замкнено, джерело живлення Uж через дросель L підключено до навантажувального
кола Rн; діод VD, до якого прикладено напругу Uж (в зазначено на рисунку
полярністю), розімкнено. У колі: Uж, L, Rн протікає струм iL(t), що лінійно
зростає з деякого значення ІL min і створює на дроселі спад напруги
(53)
У результаті інтегрування (53), з урахуванням початкових умов iL(t0) =
ІL min, отримаємо вираз для струму, що протікає через дросель
(54)
Наприкінці інтервалу замкненого стану транзистора (t = 3) сила
струму iL зростає до значення
(55)
На інтервалі часу 3 < t < T ключ VT розімкнено - струм
дроселя зберігає попередню полярність, але починає зменшуватись, похідна diL/dt
змінює знак - у результаті полярність напруги на дроселі змінюється (рис. 34б,
знаки в дужках). Таким чином створено умови для замикання діода VD (мінус на
катоді) і формування кола передавання енергії, накопиченої у дроселі на
попередньому часовому інтервалі, до навантажувального кола: L - VD - Rн. До
транзистора VT у цьому стані прикладено напругу джерела живлення Uж.
Закон змінення струму в дроселі знайдемо, з урахуванням того, що в
режимі розімкненого стану транзистора VT і замкненого діода VD до дроселя
прикладено напругу Uн
(56)
З урахуванням початкових умов iL(3) = ІLmax закон змінення
струму в дроселі описують формулою
(57)
Наприкінці інтервалу розімкненого стану VT (t = p) струм
зменшується до значення
(58)
З (55) і (58) отримаємо формулу, що визначає взаємозв’язок вихідної
(Uн) та вхідної (Uж) напруг каскаду
(59)
звідки
(60)
.
(60а)
Оскільки < 1, вихідна напруга ПН завжди менша вхідної, що
визначає назву цього типу силового каскаду КТСН.
З урахуванням, що середнє значення сили струму через конденсатор
дорівнює нулю IC cеp = 0, середнє значення сили струму, що протікає через
дросель, дорівнює середньому значенню сили струму навантажувального кола
(61)
а максимальне значення колекторного струму транзистора IK max також
дорівнює максимальним значенням сили струму діода ID max та IL max (рис. 34б)
(62)
З урахуванням (58) і (61) маємо
(63)
З (54) і (57) випливає, що струм IL на інтервалах (t0 < t < 3)
та (3 < t < T) змінюється лінійно, тому напруга uL на кожному з
них - незмінна.
Критерієм вибору значення індуктивності L дроселя фільтра є обмеження,
що накладають на відношення між значеннями навантажувального струму Ін.min
(мінімального) та різницею змінення струму через дросель IL = IL max -
IL min. Для забезпечення режиму неперервного струму в дроселі необхідно
забезпечити (рис. 34в), часова діаграма iL(t)) умову
(64)
(65)
де Rн max - найбільше значення еквівалентного опору навантажувального
кола (за умов мінімального навантаження); min - мінімальне значення
коефіцієнта заповнення.
Значення L, що визначає рівняння (65) за умови знака
"дорівнює", характеризує граничний режим струму в дроселі, його
позначають Lгр. На практиці значення індуктивності дроселя обирають у кілька
разів, більше ніж Lгр.
Середньоквадратичне значення сили струму через дросель, необхідне для
розрахунку перерізів проводів і вибору типорозміру магнітопроводу, визначимо за
відомими формулами з урахуванням закону змінення струму на інтервалах
замкненого (t0 < t < T) та розімкненого ключів.
(66)
Звідки після перетворень, з урахуванням (61), отримаємо
(67)
Конденсатор фільтра С у процесі роботи силового каскаду періодично
заряджається (за умови iL(t) > Iн.cер) та розряджається (за умови Iн.cр >
iL(t)).
Значення змінної складової напруги на конденсаторі, що є напругою пульсації
в навантажувальному колі, визначають співвідношенням
(68)
У зв’язку з тим, що змінний складник напруги конденсатора є змінним
складником вихідної напруги, значення якого значно менше Uн сер, тобто uC~ =
uн~ << Uн сер, можна вважати, що наявність напруги uC~ практично не
порушує прийняте раніше припущення, що Uн = const.
Але для визначення значення змінного складника напруги на конденсаторі,
щоб встановити значення коефіцієнта пульсації в навантажувальному колі,
скористаємося залежністю (68), із представленням UC~ як DUC. З
часових діаграм iL(t), iC(t) та uC(t) (рис. 34б), на інтервалі (t1 < t <
t2), який дорівнює T/2, випливає, що змінення напруги на конденсаторі
становитиме UC = 2Um.н, тобто 2Um.н
(69)
Значення підінтегральної функції характеризує площина заштрихованого
трикутника на часовій діаграмі iC(t), яка дорівнює
.
Таким чином, змінення кількості електрики (заряду) в конденсаторі на
інтервалі (t1 < t < t2) становить
(70)
звідки значення амплітуди змінної складової вихідної напруги
(71)
Значення ємності конденсатора фільтра
(72)
де
- коефіцієнт пульсацій вихідної напруги.
Далі проаналізуємо роботу підвищувального силового каскаду
Підвищувальний силовий каскад
Якщо необхідно отримати значення напруги на виході КТСН більше, ніж на
вході, застосовують підвищувальний силовий каскад ПВ (рис. 35).
Рис. 35 Схема електрична принципова силового каскаду КТСН
На інтервалі (t0 < t < 3) замкнутого стану
транзистора VT напругу Uж джерела живлення прикладено до дроселя L
(73
)
Зауважимо, що за умови ідеальних компонентів закон змінення струму -
лінійний.
До діода VD прикладено зворотну напругу (Uн - Uж) - тому він в стані
розімкнено (off). Навантажувальне коло отримає енергію, накопичену в
конденсаторі LС-фільтра на попередньому інтервалі.
Інтегруванням (73), з урахуванням початкових умов iL(t0) = IL min,
отримаємо формулу для струму дроселя
(74а)
Звідки
(75б)
Після розмикання ключа VT на інтервалі часу тривалістю р струм
у дроселі зменшується, похідна
змінює
знак, відповідно полярність напруги на дроселі змінюється (рис. 35). Сума Uж +
UL перевищує значення Uн, тому стан діода - "замкнено" (on) .
Вихідну напругу формує сума вхідної напруги Uж і падіння напруги на
дроселі UL
н = Uж + UL. (76)
Силу струму в колі дроселя визначають інтегруванням виразу
,
(77)
з якого, з урахуванням початкових умов iL(3) = IL max,
отримаємо
(78)
У момент t = р маємо
(79)
З формул (75) і (79) маємо
(80)
(80а)
звідки випливає, що Uн > Uж.
Це пояснює, що на інтервалі (t0 < t < 3) потенціал катода
діода VD вище за потенціал його анода (відносно загальної шини), тому діод - у
розімкненому стані.
Інші розрахункові параметри ПВ-каскаду наведені в табл.. 3
Далі проаналізуємо роботу полярно-інвертувального силового каскаду.
Полярно-інвертувальний силовий каскад
Якщо необхідно отримати відносно загальної шини полярність напруги на
виході КТСН, протилежну полярності джерела живлення, застосовують
полярно-інвертувальний (ПІ) силовий каскад (рис. 36). Особливістю цього каскаду
є також можливість забезпечити значення вихідної напруги більше або менше, ніж
вхідна, залежно від шпаруватості (коефіцієнта заповнення) -
.
Рисунок 36 - Схема електрична принципова силового каскаду
КТСН полярно-інвертувального перетворювача підвищувального або знижувального
типу
У замкненому стані транзисторного ключа VT1 (t0 < t < 3)
напругу Uж джерела живлення прикладено до дроселя
, сила струму якого iL лінійно зростає. Значення сили
струму iL на початку та наприкінці інтервалу становить відповідно:
(81)
Діод VD у цьому режимі розімкнено впливом на нього суми напруг Uн + UL,
яку прикладено у зворотному напрямі.
Напругу на виході каскаду забезпечують конденсатором С внаслідок
накопиченої на протязі попереднього інтервалу часу енергії.
Після розімкнення ключа VT струм iL(t) зменшується, похідна
змінює знак - отже, змінюється полярність напруги
(знаки в дужках).
Тепер на діод VD діє різниця напруг Uн - UL, яка його замикає (on), і
напруга UL надходить через діод VD на вихід КСН.
На інтервалі (0 < t < Tр)
, звідки:
(82)
(83)
Таким чином, залежно від значення , значення напруги Uн може
бути менше або більше Uж і має зворотну полярність.
Інші розрахункові параметри ПІ-каскаду наведені в табл.3.
Зауважимо, що КТСН підвищувального та полярно-інвертувального типу, в
порівнянні зі знижувальним КСН, мають гірші масогабаритні й динамічні
показники, нижчий ККД, і тому їх застосовують, головним чином, якщо необхідно
забезпечити вихідну напругу більшу вхідної, або з іншою полярністю без
застосування трансформатора.
З аналізу роботи наведених вище силових каскадів випливає, що струм від
джерела живлення в каскадах ЗН та ПІ є переривчастим, а ПВ майже незмінним. Безперервний
струм має перевагу в сенсі практичної відсутності електромагнітних завад.
Нижче проаналізуємо специфічний каскад:
- комбінація підвищувального й знижувального, який було
розроблено в СРСР Олександром Полікарповим та в США - Слободаном Чуком (Čuk). В деякій вітчизняній літературі
його називають
"каскад
Кука", проте найбільш коректна назва «каскад Полікарпова-Чука».
Таблиця 2 − Перетворювачів без гальванічного
відокремлення
Каскад Полікарпова-Чука. Каскад Полікарпова-Чука - послідовне
з'єднання підвищувального і знижувального каскадів із спільним дроселем. (рис.
37а), Тому у вхідному і вихідному колах пульсації майже відсутні. За такої
структури завади в колі живлення значно зменшено.
Рисунок 37- До пояснення принципу дії каскаду Полікарпова-Чука:
а - схема електрична принципова, б - форма сигналів
Каскад Полікарпова-Чука працює таким чином. На інтервалі часу, коли
транзистор VT1 замкнено, діод VD1
розімкнено, бо конденсатор
заряджено
з вказаною полярністю. Дросель
накопичує
енергію від
через транзистор VT1. Конденсатор
розряджається через дросель
, навантажувальне коло і вихідний фільтрувальний
конденсатор
, передаючи на протязі цього часу енергію в
. Коли VT1 розімкнено, полярність напруги на
змінюється (зазначено в дужках) і VD1 переходить в стан замкнено. Далі
передає енергію до
і
. Конденсатор
заряджається
через діод VD1 до
напруги
за інтервал, коли транзистор VT1 розімкнено. Зауважимо, що конденсатор
є розділювальним, який реалізує процес перенесення
енергії;
передає накопичену енергію в
на інтервалі
,
а
- в
,
і
на
інтервалі
.
Цей каскад може функціонувати як підвищувальний, коли
>0,5, та як понижувальний, коли
<0.
Схема каскаду Полікарпова-Чука дещо складніша в порівнянні з іншими,
але краща за рівнем пульсацій. Ці властивості в багатьох ситуаціях компенсують
його підвищену вартість. Цей каскад можна застосовувати за потужності порядку
кіловата.
Каскад Полікарпова-Чука має й інші корисні властивості. Якщо
і
мають
спільний магнітопровід, а співвідношення кількості витків та коефіцієнт зв'язку
між ними вибрані вірно, пульсації вхідного і вихідного струмів можна звести до
нуля. В каскаді Полікарпова-Чука вхід і вихід можна поміняти місцями.
Далі за логікою дисципліни з’ясуємо принцип дії та реалізацію кіл
керування силовими каскадами.
.3 Кола керування
Кола керування ключових стабілізаторів складено з тих самих каскадів,
що й у стабілізаторах неперервного типу (регулювального; підсилення сигналу
зворотного зв’язку; вимірювання параметра, який стабілізують, опорної напруги
та їх порівняння), а також специфічних вузлів, які забезпечують перетворення
аналогового сигналу зворотного зв’язку в імпульсну послідовність для керування
роботою регулювального (силового) каскаду, у такому складі: задавальний
генератор, генератор пилкоподібної напруги, широтно-імпульсний модулятор,
формувач керувальних імпульсів, порогові ланки. До цих вузлів ставлять такі
вимоги: забезпечення стабільності параметрів, стійкості функціонування, високої
надійності, низької споживаної потужності. У деяких ситуаціях функції
задавального генератора, широтно-імпульсного генератора та підсилювача
зворотного зв’язку можуть бути суміщені в одному вузлі, що зменшує кількість
компонентів та полегшує проектування КСН.
Кола керування релейного типу (двопозиційні) формують на основі
імпульсних пристроїв, які мають два пороги спрацьовування (гістерезис за
вхідним сигналом Uвх = Uпор1 - Uпор2; зауважимо, якщо значення Uвх
менше, значення пульсації вихідної напруги менше без додаткових каскадів
підсилювання). Такими елементами є, наприклад, тригер Шмітта, тригер на
тунельному діоді тощо.
Кола керування для реалізації регулювання з ШІМ можна об’єднати таким
чином: керовані мультивібратори; блокінг-генератори; модулятори, які
застосовують вертикальний принцип порівняння сигналів; пристрої, що
застосовують магнітні елементи. Роботу вузлів перших двох видів з’ясуємо далі
на конкретних прикладах; що стосується магнітних елементів ШІМ, то це -
самонасичувані швидкодійний магнітні підсилювачі - дроселі насичення з
позитивним зворотним зв’язком.
Основними перевагами магнітних ШІМ є такі: високі чутливість і
коефіцієнт підсилювання потужності, невелика кількість елементів, висока
надійність, забезпечення гальванічного відокремлення вхідних і вихідних кіл,
вони майже несприйнятливі до змінення температури й радіаційного опромінювання.
Спочатку покажемо простіші способи формування пилкоподібної напруги із
застосуванням RC-кола.
Інтегрувальне коло та часові залежності, що ілюструють його роботу з
прямокутними імпульсами на вході, показано на рис. 38а, й додаткових пояснень
не потребують.
Диференційне коло та часові залежності показано на рис. 38б. Це коло
формує різнополярні імпульси. Тому в КТСН застосовують модифікацію з мостовим
випрямлячем, на виході якого сформовано однополярні імпульси подвійної частоти
(рис. 38в).
Похилі ділянки кривих мають експоненціальну форму. Проте за
раціонального вибору рівня напруги генератора (uвх >> uвих), сталих часу
кіл і частоти генератора f = 1/T ( >> T), можна вважати
їх лінійними. Для збільшення значення замість резистора застосовують
високоомний транзисторний двополюсник.
Рисунок 38 - RC-кола, що формують пилкоподібну напругу, часові діаграми
вхідної та вихідної напруг
Модулятор (рис. 39а) виконано на транзисторі VT1, на базу якого
відносно емітера подають дві напруги: для замикання - з навантажувального
резистора R6 підсилювача зворотного зв’язку на транзисторі VT2 (VD5, R5 -
джерело опорної напруги; R7, R8, R9 - вимірювальний подільник) і розмикання -
пилкоподібну напругу з резистора R3.
Спеціалізованою мікросхемою для керування пороговими стабілізаторами є
К142ЕП. Схему КТСН знижувального типу із застосуванням К142ЕП наведено на рис.
40.
Силовий каскад складено з регулювального елемента VT5, VT6, виконаного
за схемою складеного транзистора з додатковою симетрією та VD-LC-фільтра
(комутувальний діод VD3, дросель L, конденсатор C4).
Рисунок 40 - КТСН з керуванням від мікросхеми К142ЕП1
До складу схеми керування входять: джерело опорної напруги на
транзисторі VT1 із параметричним стабілізатором напруги R1, VD1, подільником
R2, R3 і термокомпенсувальним діодом VD2 (у термокомпенсації бере участь також
емітерний перехід VT1); імпульсний узгоджувальний підсилювач кіл керувального й
регулювального каскадів, виконаний як складений транзистор VT3, VT4 за схемою
Дарлінгтона; підсилювач - інвертор - на транзисторі VT7; тригер Шмітта - на
транзисторах VT8, VT9 (виконує функції порогового елемента й елемента
перетворення сигналу); вузол уведення модулювального сигналу через
трансформатор TV, який складено з мостового випрямляча VD4…VD7, емітерного повторювача
VT10, VT11; резистора R16, який виконує сумісно із зовнішнім конденсатором С5 і
випрямлячем VD4, VD7 функцію формувача пилкоподібної напруги (див. рис. 39в);
диференційний підсилювач сигналу відхилення на транзисторах VТ13, VT15, який
виконує також функцію схеми порівняння, з високоомним двополюсником у колі
колектора VT13 на транзисторі VT12, напругу зміщення для якого формує
транзистор VT14 у діодному включенні; еталонна напруга на VT13 надходить з R3,
VD2; вимірювальний елемент, який складено із зовнішнього резистивного
подільника R18, R19.
Електроживлення мікросхеми здійснено через зовнішній транзистор VT2 -
регулювальний каскад транзисторного стабілізатора з опорною напругою еталонного
джерела, зібраного на транзисторі VT1. Для забезпечення стабільної роботи
застосовано коригувальні кола з конденсаторами С1, С2, С3, С6.
Мікросхема забезпечує роботу стабілізатора на частоті до 100 кГц із
вихідною напругою 3...20 В, ТКН = 0,05 %/C, вихідний струм мікросхеми
(у колі транзисторів VT3, VT4) досягає 0,2 А. Роботу стабілізатора
з’ясуємо з визначення стану транзисторів тригера Шмітта (ТШ) VT8, VT9.
З підключенням джерела електроживлення один із транзисторів ТШ - у
режимі відсікання (розімкнений), другий - насичення (замкнений). На резисторі
R13 сформовано напругу зміщення, яку до електродів база - емітер VT9 прикладено
з полярністю, що забезпечує режим відсікання. У цьому стані напруга UКЭ
транзистора VT9 - велика й забезпечує режим насичення VT8. Таким чином, коли
подано напругу електроживлення на мікросхему, транзистор VT8 - замкнено, VT9 -
розімкнено. Через резистор R11 протікає струм, який створює напругу сигналу для
насичення VT7. Тоді напруга електроживлення мікросхеми на подільнику R7, R8
створює напругу, яка призводить до замикання VT3, VT4, формуванню падіння
напруги на R4, внаслідок чого VT4 і VT5 замкнено.
У результаті напруга на виході стабілізатора зростає. Через дільник
R18, R19 напруга, яка зростає, надходить до бази VT15; сила його струму також
зростає і створює на R17 відповідну напругу. Ця напруга порівнюється з
еталонною - формується сигнал відхилення, який подається на VT13. Це збільшує
потенціал колектора VT13, який через емітерний повторювач VT11 передається на
базу VT9.
Якщо потенціал бази розімкнутого VT9 перевищує потенціал емітера (пороговий
рівень 1), настає лавиноподібний процес, у результаті якого VT9 замкнено,
потенціал його колектора (бази VT8) стирімко зменшується, VT8 розімкнено, при
цьому розмикаються VT7, VT3, VT4, VT5, VT6. Напруга на виході починає
зменшуватись. Це призводить до зменшення потенціалу бази VT9 і, коли він стане
менше потенціалу його емітера (пороговий рівень 2), настає лавиноподібний
процес - VT9 в стані розімкнено, VT8 в стані замкнено тощо.
З опису роботи стабілізатора випливає, що напруга на виході змінюється
в межах Uн1 і Uн2, що відповідає (з урахуванням коефіцієнта передачі
підсилювача зворотного зв’язку) пороговим рівням перемикання тригера.
Тому за рахунок впливу дестабілізувальних факторів (за мережею або за
навантаженням) змінюються характер траєкторії вихідної пульсації (її крутизна)
та співвідношення між 3 і р силового ключа, але значення
вихідної напруги знаходиться в межах Uн1 і Uн2.
Таким чином, стабілізатор функціонує в релейному (двопозиційному)
режимі. Рівні, за яких відбувається переключення регулювального каскаду,
обумовлені рівнями спрацьовування тригера Шмітта з урахуванням коефіцієнта
підсилення підсилювача зворотного зв’язку.
Для реалізації режиму ШІМ від генератора прямокутних імпульсів частоти
подають напругу uмод через трансформатор TV, коло:
С5, VD4 - VD7, R16, що формує пилкоподібну напругу, і транзисторний каскад
VT10, VT11 на вхід ТШ VT9. Тому моменти розмикання VT9 фіксовані.
На практиці частіше модулювальну напругу подають не через трансформатор
TV, а через розділовий конденсатор С7 на базу VT1 Тоді пристрій працює
стабільніше.
КТСН описаного типу за навантаження 1 А, Uж = 40 В і Uн = ..30 В
забезпечують ККД відповідно 80 - 92%.
Наявність у складі мікросхеми К142ЕП1 порогового елемента (ТШ), джерела
еталонної напруги та підсилювача зворотного зв’язку забезпечує застосування її
для формування аварійного сигналу в режимах перевантаження за струмом або
відхиленні вихідної напруги від обумовлених меж.
У колі керування КТСН стабілізованими перетворювачами можна
застосовувати інші вузли, в тому числі спеціалізовані великі інтегральні
мікросхеми (ВІС).
Останнім часом, у зв’язку з розширенням і ускладненням функції
пристроїв електроживлення, постачанням користувачів енергії за спеціальною
програмою, як елементу систем керування ДВЕЖ застосовують програмно-керовані
універсальні цифрові пристрої - мікропроцесори.
Застосування мікропроцесорів дозволяє суттєво покращити показники РЕА:
розширити функціональні можливості без суттєвого збільшення витрат; прискорити
пошук несправностей та здійснювати діагностичні операції, що вдосконалює
експлуатаційні якості ДВЕЖ; підвищити надійність і питомі показники.
Мікропроцесори перспективні у джерелах електроживлення спеціального
медичного устаткування і приладів для фізичних досліджень, у системах
безперервного електроживлення для контролю і вчасного переходу з основного
джерела до резервного й забезпечення необхідних характеристик, системах
керування електродвигунами тощо.
.4 Деякі структурні схеми ключових (імпульсних) стабілізувальних ДВЕЖ
З проаналізованих раніше функціональних вузлів, перетворення частоти
здійснюють імпульсні стабілізатори та інвертори, які є основою сучасних ДВЕЖ із
безтрансформаторним входом (БТВ). Найбільш поширені структурні схеми таких ДВЕЖ
наведено на рис. 41.
Перевагою джерела живлення за схемою рис. 41а, в кожному каналі якого
застосовують ключовий (імпульсний) стабілізатор напруги, є відносна простота
його формування; суттєвий недолік - відсутність гальванічного відокремлення між
входом і виходом та між окремими каналами.
Рисунок 41 - Структурні схеми ДВЕЖ а - з КТСН , б - з КТСН та
нерегульованим інвертором, в- с нерегульованим інвертором та КТСН в кожному
каналі, г - та стабілізованим інвертором (В - випрямляч, Ф - фільтр, І -
інвертор, СН - додатковий стабілізатор)
Для кожного КСН необхідна система керування; регулювання вихідної
напруги ДВЕЖ можливе тільки зміненням шпаруватості імпульсів, що, за
необхідності отримання низьких електроживильних напруг, призводить до значного
ускладнення схеми керування СК, погіршення масогабаритних показників
згладжувального фільтра й усього джерела в цілому.
Для забезпечення гальванічного відокремлення і спроможності порівняно
просто отримати необхідну кількість вихідних каналів у ДВЕЖ із БТВ застосовують
інвертори (див. розділ 6), у склад яких входить трансформатор. У ДВЕЖ,
наведеною на рис. 41б інвертор встановлено на виході КТСН. У каналі з головним
зворотним зв’язком забезпечено стабілізацію вихідної напруги зі зміненням як
вхідної напруги, так і навантажувального струму. В інших каналах, для
забезпечення необхідної нестабільності зі зміненням навантаження, необхідно
застосувати додаткові стабілізатори - ключові або неперервної дії, що ускладнює
та збільшує вартість ДВЕЖ. Окрім того, інвертор, який у такому джерелі слід
розрахувати на потужність, що дорівнює сумарній потужності всіх каналів,
частіше виконують за двотактною схемою, що потребує застосування спеціальних
кіл для забезпечення симетрування півперіодів, усунення наскрізних струмів.
На рис. 41в наведено структурну схему ДВЕЖ, у якому нерегульований
інвертор встановлено на вході, а КТСН - на виході кожного з каналів. ДВЕЖ має
дещо кращі динамічні характеристики через меншу кількість кіл, що зсувають
фазу, охоплених зворотним зв’язком. Як вихідні тут можуть застосовуватись як
ключові, так і неперервні стабілізатори.
На відміну від попередніх, у ДВЕЖ за схемою рис. 41г відсутній
стабілізатор напруги як окремий функціональний вузол, перетворення частоти та
регулювання вихідної напруги здійснено стабілізованим інвертором. Для
забезпечення необхідної нестабільності вихідної напруги в умовах змінення
навантаження в усіх каналах, окрім охопленого зворотним зв’язком, необхідні
додаткові стабілізатори.
Існують також інші модифікації структурних схем ДВЕЖ - наприклад, із
вольтододатковим пристроєм, регульованим випрямлячем. В процесі проектування
ДВЕЖ для обгрунтованого вибору структурної схеми доцільно проаналізувати
декілька варіантів, тому що кожний із них може мати переваги залежно від
сукупності параметрів, які треба забезпечити.
Наведемо загальні рекомендації, які треба враховувати для вибору
структурної схеми ДВЕЖ.
За однакової форми вихідної напруги й значення перетворюваної
потужності згладжувальний фільтр має кращі масогабаритні показники в колі з
більш високою напругою.
Згладжувальний фільтр на виході КСН й стабілізувального інвертора
звичайно більший за розміром, ніж на виході нерегульованого інвертора, оскільки
стабілізувальні функціонують із паузою на нулі, що збільшує коефіцієнт
пульсацій на їх виході.
Нерегульовані інвертори, так само як і стабілізувальні, потребують
спеціальне коло керування, - наприклад, для забезпечення симетрування
півперіодів.
Для формування багатоканальних ДВЕЖ у каналах, не охоплених зворотним
зв’язком, необхідні додаткові стабілізатори для зменшення нестабільності за
навантаженням.
7. Компенсаційні стабілізатори змінної напруги. Стабілізатори з
дроселями насичення
Такі стабілізатори отримують переводом ручних регуляторів із дроселями насичення
на автоматичне керування. Для цього дросель насичення переводять на керування
від вхідної напруги - затискачі обмотки керування з’єднують з вихідними
стабілізатора через випрямляч В (рис. 42а). Стабілізатор нормально працюватиме,
якщо фаза керування робочим струмом Ір дроселя буде така, щоб за зростання
струму керування Ік, Ір зменшується. Тоді буде реалізовано стабілізатор із
керуванням із виходу. Такого керування досягають за допомогою обмотки зміщення,
яку у стабілізаторах називають еталонною й живлять від допоміжного джерела
стабільної сталої напруги Uет (рис. 43а).
Рисунок 42 - Електричні функціональні схеми стабілізаторів напруги з
дроселем насичення: a - з еталонною обмоткою, б - з магнітним підсилювачем
Відповідне підключення виводів керувальної та еталонної обмоток повинно
забезпечити зустрічний напрям створюваних ними магніторушійних сил.
Ампер-витків еталонної обмотки awет повинно бути більше максимально можливих
ампер-витків керувальної обмотки аwк; тоді зі зростанням вихідної напруги Uн
зменшується потік підмагнічування, збільшується LДН, і відновлюється практично
попереднє значення Uн. Необхідне номінальне значення Uн.ном можна отримати
змінюванням опору реостата R.
Робота стабілізатора суттєво залежить від стабільності напруги Uет і
змінення значень опорів кіл керування та еталонного за умови нагрівання
керувальної обмотки wк і еталонної wет струмом, що через них протікає. Тому
часто послідовно з wк і wет встановлюють додаткові резистори, опір яких мало
залежать від температури, а самі обмотки виконують проводом більшого перерізу,
ніж за нормами, пов’язананими з допустимою густиною струму.
Якщо стабілізатор призначено для живлення випрямляча, то обмотку wк
можна живити безпосередньо від нього, із вилученням допоміжного випрямляча В
(рис. 42а).
У такому компенсаційному стабілізаторі значення ампер-витків обмотки
керування порівнюються в магнітопроводі (вимірювальний елемент) з ампер-витками
еталонної обмотки (опорний елемент), і потік, спричинений різницею
магніторушійних сил, змінює LДН, й таким чином, імпеданс дроселя насичення
(регулювальний елемент).
На рис. 42б, наведено схему трифазного стабілізатора напруги з дроселем
насичення (ДН). Тут В1 - головний випрямляч (до навантажувального кола); В2 - випрямляч,
який створює сталу напругу для живлення обмоток керування ДН і зворотного
зв’язку магнітного підсилювача; В3 - випрямляч для живлення еталонної обмотки.
Допоміжний стабілізатор водночас живить випрямлячі В2 і В3. Магнітний
підсилювач (МП) із додатковою обмоткою позитивного зворотного зв’язку ЗЗ, який
виконує функції вимірювального та підсилювального елементів.
Стабілізатор працює таким чином. Припустимо, що Uн зростає - тоді
збільшуються ампер-витки аwк і в результаті ампер-витки магнітного підсилювача
= awет + awз.з - awк (77)
зменшуються,
внаслідок чого зменшиться й потік підмагнічування Ф-. Зменшення Ф- спричинює
зростання Lр і зменшення напруги на виході випрямляча В2, що зменшує Uк і силу
струму керування дроселем насичення ДН. Це призводить до зростання опору
робочих обмоток ДН і пов’язане з ним відновлення майже до попереднього значення
Uн. Коло зворотного зв’язку функціонує таким чином: зниження Uк зменшує силу
струму через обмотку ЗЗ і ампер-витки аwз.з, що призводить до більшого зменшення
результивного потоку підмагнічування Ф-, ніж у тому випадку, якщо впливали б
тільки ампер-витки аwк. Таким чином позитивний зворотний зв’язок призводить до
збільшення коефіцієнта підсилення МП і зростання інтегрального коефіцієнта
стабілізації. Глибину зворотного зв’язку встановлюють зміненням значення R2.
Якщо обмотку wк магнітного підсилювача живити напругою з
резистора, ввімкненого послідовно з Rн, то отримаємо замість стабілізатора
напруги - стабілізатор струму.
Вище проаналізовано стабілізатори випрямленого (середнього)
значення напруги або струму. Проте у стабілізаторах змінної напруги часто треба
підтримувати незмінним середньоквадратичне значення вихідної змінної напруги.
Вочевидь вимірювальний елемент стабілізатора повинен реагувати на середньоквадратичне
значення напруги (струму). Найчастіше для цієї цілі використовують тепловий
вплив струму.
Стабілізатори струму на дроселях насичення широко
застосовують у кінотехнічних пристроях електроживлення ксенонових ламп.
8. Висновки
1. Функціональний вузол, що забезпечує якісні показники
напруги (струму) ДВЕЖ - є стабілізатор.
2. Необхідність застосування стабілізатора обумовлена
впливом збурювальних (дестабілізувальних) факторів: змінення вхідної напруги,
навантаження, температури тощо.
. Допустимі межі стабілізованої величини визначають
значенням нестабільності.
. Якісними параметрами стабілізатора є коефіцієнт
стабілізації, вихідний активний опір, вихідний імпеданс тощо.
. Стабілізатори класифікують за принципом дії
(параметричні, компенсаційні), стабілізованою величиною (напруги, струму),
режимом роботи регулювального елемента (лінійні, або неперервні та ключові, або
імпульсні) тощо.
6. Основою параметричних стабілізаторів є застосування нелінійних
елементів з ВАХ типу 
. Основою компенсаційних стабілізаторів є система регулювання із
колом негативного зворотнього зв’язку.
. В складі компенсаційних стабілізаторів є: регулювальний
елемент, вимірювальний елемент, еталонний (опорний) елемент, порівняльний
елемент, підсилювальний елемент, у ключових стабілізаторах - додатково елемент
перетворення аналогового сигнала керування в послідовність із змінювальним
коефіцієнтом заповнення.
. Найбільш широко застосовним параметричним стабілізатором постійної
напруги є ПСПН з кремнієвим стабілізатроном (Uст >
5В ) або стабістором (Uст < 5В ).
. Коефіцієнт стабілізації ПСПН із кремнієвим стабілітроном та
лінійним баластним резистором дорівнює 20…30, а вихідний опір - диференційному
опору стабілітрона (одиниці ом).
. За необхідністю збільшення
замість
лінійного баластного резистора слід застосувати, так званий, високоомний
транзисторний двополюсник (за сутністю - це стабілізатор струму на уніполярному
або біполярному транзисторі). Тоді
=
400…800 та вихідний опір дорівнює диференційному опору стабілітрона.
. Для реалізації параметричних стабілізаторів змінної напруги
застосовують комбінацію лінійного та нелінійного дроселів і ферорезонансні
контури.
. Одним із найбільш застосовним є компенсаційний лінійний
транзисторний стабілізатор напруги (ЛТСН) , який забезпечує коефіцієнт
стабілізації 30…60 та
R вих. - десяті долі ом .
. З метою покращення параметрів ТСН застосовують
модифікації: із складеним транзистором регулювального елемента, із додатковим
стабілізованим джерелом живлення підсилювального елемента, із високоомним
транзисторним двополюсником, із диференціальним підсилювальним елементом, із
вихідною напругою із значенням меншим за опорну, тощо.
15. Дане значення
ЛТСН
може бути реалізоване лише за умови, що нестабільність опорного елемента не
менш ніж на порядок від розрахункової стабілізатора, тобто
; за умови під′єднання опорного джерела до
виходу стабілізатора
.
. Особливої уваги заслуговують ЛТСН в інтегральному виконанні -
за широким спектром вихідних напруг і струмів та додаткових функцій - зокрема
захист від перевантажень за напругою та силою струму, перегрівання, тощо.
. Позитивні якості ЛТСН - це високий коефіцієнт стабілізації ,
низький вихідний опір , високі динамічні якості, практично відсутні
електромагнітні завади тощо.
. Недоліком ЛТСН є достатньо велика потужність втрат в
регулювальному елементі і відповідно низький ККД.
. Одним із параметрів, який негативно впливає на значення
потужності розсіяння, є напруга насичення регулювального елемента, тому
застосована спеціальна технологія LDO (low-dropout voltage regulators), яка
забезпечує малий спад напруги на РЕ
(0,1…0,2)
В.
. Важливим параметром стабілізатора є вихідний опір, який за
умови змінення навантажувального струму залежить від частоти, тобто його слід
визначати як імпеданс.
. В зв′язку з частотозалежними параметрами регулювального
транзистора та підсилювального елемента вихідний імпеданс стабілізатора має
індуктивний характер, тому на виході стабілізатора встановлюють конденсатори наслідком
чого є резонансні прояви.
. З метою зменшення втрат в регулювальному каскаді сучасних ДВЕЖ
широко застосовують ключовий режим роботи, для якого характерні низькі втрати в
станах відсікання, насичення, і дещо більші під час перемикання.
. Силові каскади ключових транзисторних стабілізаторів напруги
(КТСН) реалізують на основі транзистора, діода, дроселя і конденсатора.
. Залежно від топології застосовують три базові типа силових
каскадів КТСН: знижувальний (
)
, підвищувальний (
), полярноінвертувальний (
).
. Окрім цих є комбінований підвищувально-знижувальний зі
зміннням полярності вихідної напруги за схемою Полікарпова-Чука, який створює
менші електромагнітні завади порівняно з базовими силовими каскадами.
. За принципом керування ключові стабілізатори поділяють на ШІМ
(широтно-імпульсна модуляція), ЧІМ (частотно-імпульсна модуляція) та релейні,
або двопозиційні (на основі тригера Шмітта).
. В сучасних ДВЕЖ коло керування КТСН виконують за інтегральною
технологією, інколи їх називають драйвери (drivers).
. На підставі стабілізаторів та інших функціональних вузлів
синтезують різні за структурою ДВЕЖ.
. Для реалізації компенсаційних стабілізаторів змінної напруги
(струму) застосовують дроселі насичення із підмагнічуванням постійним струмом
(магнітні підсилювачі).
Список використаної літератури
• Меркишин Г. В. Шумы и оптимизация параметров
фотоприемников. Учебное пособие. М.:МАИ, 2002.
• Бакалов В. П. Цифровое моделирование случайных
процессов. - М.: Сайнс-Пресс, 2002.
• Протопопов А. С. Усилители с обратной связью,
дифференциальные и операционные усилители и их применение. Учебное пособие. -
М.: Сайнс-Пресс, 2003.
• Протопопов А. С. Усилительные устройства. Учебное
пособие - М.: Сайнс-Пресс, 2003.
• Мартиросов В. Е. Теория и техника приема дискретных
сигналов ЦСПИ. - М.: Радиотехника, 2006.
• Выборный В. Г., Голованов В. В., Казаков Г. Н.,
Кузнецов Ю. В. Анализ активных цепей на операционных усилителях. Учебное
пособие. - М.: МАИ, 2008.
• Петрухин Г. Д., Гуменюк А. Д., Журавлев В. И.,
Мартюшев Ю. Ю., Струков А. З., Цветков С. И. Основы электроники, радиотехники и
связи. Под ред. Г. Д. Петрухина - М.: Горячая линия - Телеком, 2008.