Трансформаторы тока
Лекция
Трансформаторы
тока
1. Условия работы
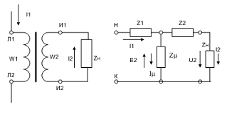
Рассмотрим принципиальную схему
трансформатора тока (ТТ) и его схему замещения (рис.2.1):
Рис.2.1 Принципиальная схема и схема
замещения трансформатора тока
Обозначения:m (Im) -
результирующая магнитодвижущая сила, намагничивающий ток;, Z2 - сопротивление
первичной и вторичной обмоток;н - сумма сопротивлений нагрузки вторичной
обмотки (обмоток реле, приборов, проводов);m - сопротивление ветви намагничивания;,I2 - ток в первичной и во
вторичной обмотках;,W1 - число витков первичной и вторичной обмоток.
Согласно закону полного тока:
(2.1)
Разделим выражение (2.1)
на
:

или
, где,
(2.2)

,
Последнему выражению
соответствует схема замещения, изображённая на рис.2.2, в которой сопротивления
первичной обмотки Z ¢1
и ветви намагничивания Z¢m приведены ко вторичной
обмотке.
Рис.2.2 Схема замещения
трансформатора тока
На основании схемы
замещения построена векторная диаграмма, приведённая на рис.2.3.
Из векторной диаграммы
видно, что вторичный ток отличается от приведённого первичного по абсолютному
значению на токовую погрешность DI = I¢1-
I2, а по фазе на угол d.
Относительная токовая
погрешность трансформатора (%):
, (2.3)
Полная погрешность e
трансформатора тока определяется по формуле:
(2.4)
где, I1, I2 - мгновенные
значения первичного и вторичного токов;
Т- период тока.
Рис. 2.3 Векторная
диаграмма трансформатора тока
Величина, находящаяся
под знаком радикала, есть не что иное, как квадрат действующего значения тока
намагничивания.
Поэтому
(2.5).
Идеальная трансформация,
когда между первичным и вторичным токами сохраняется пропорциональность,
соответствует условию I m = 0.
При этом
(2.6)
Чем меньше сопротивление
Zн по сравнению с Zm,
тем меньше Fm и тем ближе условия трансформации к идеальным. Следовательно,
нормальным для трансформатора тока является режим работы с малым сопротивлением
вторичной цепи, т.е. режим короткого замыкания. При этом не допускается
размыкания вторичной обмотки, поскольку тогда весь первичный ток становится
намагничивающим и магнитный поток в магнитопроводе трансформатора резко
увеличивается. Это приводит к насыщению магнитопровода, возрастанию в нём
потерь и недопустимому нагреву изоляции обмоток. Кроме того,
на разомкнутой вторичной обмотке появляются опасные для людей и
изоляции пики напряжения в несколько тысяч вольт.
Трансформаторы тока
(ТТ), как известно, выбираются по роду тока, классу точности и проверяются на
устойчивость к действию токов КЗ. Используемые для подключения цепей релейной
защиты трансформаторы тока дополнительно должны удовлетворять следующим трём
условиям:
полная или относительная
погрешность трансформаторов тока не должна превышать 10% (для предотвращения
излишних срабатываний при КЗ вне зоны действия каждой ступени защиты);
токовая погрешность не
должна превышать значений для выбранного типа реле, а угловая погрешность (для
направленных реле) - не более 7° (для предотвращения отказов при КЗ в начале
защищаемой зоны;
напряжение на выводах
вторичной обмотки при КЗ в защищаемой зоне не должно превышать допустимых
значений по условиям прочности изоляции вторичных цепей.
ТТ тока по роду
установки выпускаются для внутренних и наружных электроустановок, а также
встроенные в силовые трансформаторы и масляные выключатели.
По способу установки ТТ
делятся на проходные и опорные.
По конструкции первичной
обмотки ТТ:
одновитковые стержневые
(первичная обмотка в виде прямолинейного стержня);
одновитковые шинные
(первичная обмотка в виде шины);
многовитковые (первичная
обмотка петлевого, звеньевого, катушечного типов).
трансформатор ток схема
включение
2 Схемы включения
трансформаторов тока и вторичных измерительных органов
В зависимости от
назначения защиты и требований к ней применяются различные схемы соединения
измерительных преобразователей (трансформаторов тока) и цепей тока
измерительных органов (реле):
трёхфазная трёхрелейная
схема соединения трансформаторов тока и реле в полную звезду;
трёхфазная
четырёхрелейная схема соединения трансформаторов тока и реле в полную звезду;
двухфазная двухрелейная
схема соединения трансформаторов тока и реле в неполную звезду;
двухфазная трёхрелейная
схема соединения трансформаторов тока и реле в неполную звезду;
трёхфазная трёхрелейная
схема соединения трансформаторов тока в полный треугольник, а реле - в полную
звезду;
двухфазная однорелейная
схема соединения трансформаторов тока в неполный треугольник (на разность токов
двух фаз).
Во всех указанных схемах
измерительные органы включаются на полные токи фаз. Однако токи в реле могут
отличаться от вторичных токов фаз (токов во вторичной обмотке трансформаторов
тока). Это отличие характеризуется коэффициентом схемы:
, (2.7)
где Iр- ток в
реле; I2ф - вторичный фазный ток.
или
, (2.8)
где I1ф -
первичный фазный ток, Кt - коэффициент трансформации трансформатора
тока.
Указанные выше варианты
схем соединения ТТ и реле рассмотрим на примере защиты блока «линия-
трансформатор» (рис 2.5.). Значения Ксх. для различных схем соединения
трансформаторов тока и обмоток реле даны в табл.2.1. Кроме того, Ксх.
зависит от вида и места КЗ, группы соединения силового трансформатора.
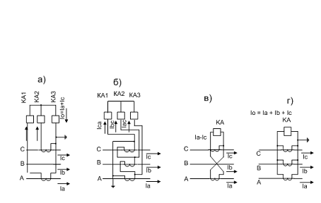
Трёхфазная
четырёхрелейная.
Здесь обмотки
трансформаторов тока и реле соединяются в полную «звезду» (рис. 2.3). Для
выполнения схемы необходимы четыре реле и три трансформатора тока. Причём в
нулевую точку соединены одноимённые выводы трансформаторов тока с нулевым
проводом (без нулевого провода недопустимо!). Эта схема применяется для защит,
реагирующих на все виды КЗ.
При нормальном режиме и
3-х фазном КЗ в реле проходят токи фаз, а в нулевом проводе их геометрическая
сумма (при симметричном режиме она равна нулю).
При двухфазных КЗ ток
проходит только в двух повреждённых фазах (соответственно и в реле), а ток в
неповреждённой фазе отсутствует. Теоретически ток в нулевом проводе также
практически отсутствует при 3-х и 2-х фазных КЗ, но при неидентичности
характеристик и погрешностей ТТ в нулевом проводе в нормальном режиме протекает
ток небаланса, который возрастает при К.З.
При однофазных КЗ ток
протекает только по одной повреждённой фазе.
При двухфазных КЗ на
землю ток протекает в двух повреждённых фазах, а в нулевом проводе
геометрическая сумма токов, которая может вызвать срабатывание реле в нулевом
проводе.
Таким образом, в
рассмотренной схеме реле, установленные в фазах, реагируют на все виды КЗ, а
реле в нулевом проводе (т.н. токовая защита нулевой последовательности - ТЗНП),
реагирующая только на КЗ на землю.
Приведённая схема
применяется в сетях 110кВ и выше для обеспечения надёжного отключения от всех
видов КЗ.
Необходимо подчеркнуть
необходимость заземления вторичных обмоток трансформаторов тока и
недопустимость их разрыва.
Применяется и вариант
предыдущей схемы, но без реле в нулевом проводе, которая имеет ограниченное
применение по причине меньшей чувствительности.
Рис.2.4 Схема «трёхфазная
четырёхрелейная» при соединении трансформаторовов тока и обмоток реле в полную
звезду
Двухфазная трёхрелейная
(двухрелейная).
Здесь (рис 2.5 а)
представлено соединение ТТ неполную звезду.
При 3-х фазном К З и в
нормальном режиме токи проходят по
реле, включённым в фазы,
а в нулевом (обратном) проводе по реле протекает ток, равный их геометрической
сумме.
При 2-х фазном КЗ
появляются токи в одном или двух реле (в зависимости какие фазы повреждены).
Ток в нулевом проводе равен нулю (при замыкании между фазами А и С) и равен
току фазы А (при замыкании между фазами А и В), либо равен току фазы С (при
замыкании между фазами В и С).
При однофазном К.З. фазы
А или С (в которых установлены ТТ) по катушкам реле и обратном проводе
протекает ток КЗ, в фазе В (ТТ не установлен) ток КЗ не протекает, поэтому в
сетях с изолированной нейтралью эта схема применяется только для защиты от
междуфазных замыканий в сетях до 35кВ включительно и не применяется для сетей с
глухозаземлённой нейтралью (с большими токами замыкания на землю).
Рис. 2.5 (а - двухфазная
трёхрелейная; б - трёхфазная трёхрелейная
в - трёхфазная
однорелейная схема (включение реле на разность токов); г - токовый фильтр
нулевой последовательности)
Трехфазная трёхрелейная.
Здесь (рис.2.5 б)
трансформаторы тока включены в полный треугольник, а реле - в полную звезду.
Эта схема применяется для дифференциальных защит трансформаторов.
В нормальном
симметричном режиме по вторичным обмоткам ТТ проходят токи, векторы которых
сдвинуты относительно друг друга на 120º,
а через катушки каждого реле протекает ток, равный геометрической разности
вторичных токов ТТ двух фаз:
(2.9)
Схема реагирует на все
виды КЗ. Ксх. зависит от вида, места КЗ, сочетания повреждённых фаз и схем
соединений ТТ и реле.
Наименьшая
чувствительность (Ксх =1) имеет место при некоторых видах КЗ;
при КЗ на землю токи
нулевой последовательности не проходят через реле (геометрические разности
векторов токов нулевой последовательности равны нулю, токи нулевой
последовательности не
выходят в схему защиты и замыкаются в треугольнике). Таким образом соединение
ТТ в треугольник является как бы фильтром токов прямой и обратной
последовательности.
Двухфазная однорелейная
с включением ТТ в неполный треугольник(на разность токов двух фаз).
На схеме рис. 2.5 (в) -
реле включено на геометрическую разность токов двух фаз, для чего вторичные
обмотки ТТ соединяются разноимёнными выводами. Схема реагирует на все виды КЗ
за исключением КЗ на землю фазы без ТТ, поэтому применяется только при
многофазных повреждениях. При симметричной нагрузке и трёхфазном КЗ ток в реле
в
раз
больше тока фазы (Ксх =
).
При двухфазном КЗ между
фазами А и С в точке К1(рис.2.6) ток через реле в 2 раза больше тока фазы (Ксх
= 2).
Рис.2.6 Схема блока
«линия- трансформатор»
При двухфазном КЗ между
другими фазами через реле протекает ток одной фазы (Ксх = 1). Недостаток этой
схемы - чувствительность к разным видам КЗ различна. Кроме того, она не реагирует
на КЗ между фазой B и C за трансформаторами с соединением обмоток
«звезда-треугольник», а также на замыкания на землю фазы B. Обычно она
применяется для защит от многофазных замыканий на землю линий небольшой длины с
изолированной нейтралью и электродвигателей небольшой мощности. Иногда
применяется соединение трансформаторов тока в неполную звезду, но с двумя реле
(в обратный провод реле не включается).
Токовый фильтр нулевой
последовательности.
Здесь трансформаторы
тока образуют фильтр токов нулевой последовательности (схема рис.2.4 (г).
Ток в реле КА равен
геометрической сумме вторичных фазных
токов:
.
Ток в реле появляется
только при замыкании одной или двух фаз на землю. Недостаток данной схемы:
из-за не идентичности трансформаторов тока ток в нормальном режиме часто
соизмерим с током КЗ, поэтому эта схема не получила распространения.
При выборе схемы нужно
учитывать для какой системы выбирается защита. Так в сетях с глухозаземлённой
нейтралью необходима защита при КЗ между фазами и на землю, которую можно
выполнить двумя способами:
схема с тремя ТТ и тремя
(четырьмя) реле (рис.2.4), включёнными в полную звезду (защита от многофазных
замыканий);
двумя комплектами: схема
с соединением ТТ и реле в неполную звезду (рис.2.5а и схема соединением ТТ в
фильтр нулевой последовательности (рис.2.5г - для защиты от КЗ на землю).
В сетях с изолированной
нейтралью можно применять следующие схемы включения ТТ:
схема неполной звезды;
схема включения на
разность двух фаз (рис.2.5в).