Дифференциальная защита трансформатора с расщепленной обмоткой низшего напряжения (на базе терминала RET670 фирмы 'АББ Автоматизация')
Задание
Выполнить расчет релейной защиты элемента электроэнергетической сети:
а) выбрать тип и основные параметры элемента защиты (марка
трансформатора, мощность, тип проводов, схему прилегающей сети) и режим его
работы;
б) рассчитать основную или резервную защиту элемента сети:
1) рассчитать схему замещения элемента сети;
2) выбрать реле защиты и схему его включения;
) рассчитать основные режимы короткого замыкания;
) рассчитать уставки защиты;
) выполнить расчет чувствительности защиты;
в) сделать выводы по расчету;
г) нарисовать схему включения защиты на формате А1.
Заданный элемент сети - трансформатор с расщепленной обмоткой низшего
напряжения.
Содержание
Введение
1. Выбор
схемы сети
. Выбор
защиты
. Выбор
уставок дифференциальной защиты
3.1 Номинальные
параметры
.2 Выравнивание
токов
.3 Проверка
трансформаторов тока
.4 Расчет
уставок, определяющих тормозную характеристику дифференциальной защиты
.5 Расчет
уставок дифференциальной отсечки
.6 Коэффициент
чувствительности
Выводы
Список
литературы
Введение
Основными видами повреждений в трансформаторах являются замыкания между
фазами внутри кожуха трансформатора и на наружных выводах обмоток, замыкания в
обмотках между витками одной фазы (витковые замыкания), замыкания на землю
обмоток или их наружных выводов, повреждение магнитопровода трансформатора,
приводящее к нагреву. Наиболее часто происходящими считаются короткие замыкания
(КЗ) на выводах и витковые замыкания в обмотках[6].
В качестве основной быстродействующей релейной защиты трансформаторов от
КЗ между фазами, однофазных КЗ на землю и от замыканий витков одной фазы
широкое распространение получила дифференциальная релейная защита.
Эту защиту рекомендуют применять на одиночно работающих трансформаторах
мощностью ≥ 6,3 МВА и на трансформаторах, работающих параллельно, а также
на трансформаторах собственных нужд станций мощностью ≥ 4 МВА.
Достоинствами дифференциальной защиты, охватывающей все обмотки
трансформатора или автотрансформатора, считаются быстрота и действие при КЗ как
внутри баков, так и вне их, в зоне, ограниченной схемой трансформатора тока.
Эта защита также реагирует на витковые короткие замыкания.
Недостатком защиты может являться ее недостаточная чувствительность при
КЗ внутри обмоток. Этот недостаток усугубляется, когда применяются грубые
защиты с током срабатывания защиты, большим, чем номинальный ток защищаемого
элемента.
В таких случаях используют совместно с дифференциальной газовую защиту,
реагирующую практически на все повреждения внутри баков, но работающую
медленнее.
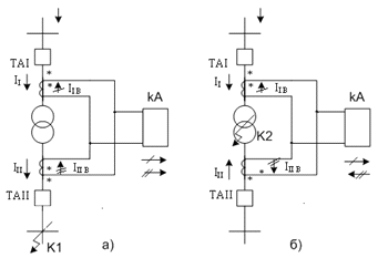
Принцип работы дифференциальной защиты заключается в следующем: она
должна работать при КЗ в трансформаторе, и не должна - при внешнем КЗ. Это
достигается особым выполнением схемы защиты. На рисунке 1 показано действие
дифференциальной защиты трансформатора.
При КЗ в трансформаторе ток в реле равен сумме вторичных токов:
(1)
Если
, то реле срабатывает и отключает трансформатор.
Проблемы дифференциальной защиты трансформаторов (ДЗТ):
а) Выравнивание токов плеч. За счет того, что первичные токи обмоток
трансформатора не равны по значению и не совпадают по фазе, в режиме нагрузки
или при внешнем КЗ дифференциальная защита может работать неправильно. Для
обеспечения условия селективности необходимы специальные меры по выравниванию
вторичных токов:
1) установка промежуточного трансформатора тока;
2) учет группы соединения обмоток;
) установка специальных автотрансформаторов для лучшего
выравнивания.
б) Токи небаланса ДЗТ. Возникают вследствие нарушения равенства
вторичных токов в реле и могут вызвать неправильную его работу. Для
предупреждения этого явления в схемах применяют реле, включаемые через
насыщающийся трансформатор тока (НТТ), или реле с торможением от сквозного тока
КЗ [5].
Рисунок 1 - Действие дифференциальной защиты трансформатора:
а - внешнее КЗ; б - КЗ в трансформаторе.
Особенности дифференциальной защиты выбранного терминала будут
рассмотрены ниже.
1.
Выбор схемы сети
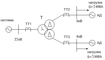
Для выбранного элемента сети - трансформатора с расщепленной обмоткой
низшего напряжения - составлена исходная схема (рисунке 1.1),
Рисунок 1.1 - Исходная схема
Трансформатор работает в номинальном режиме.
· Система: Sc = ∞; Uc = 35 кВ.
· Т - защищаемый трансформатор собственных нужд ТРДНС -
25000/35:
группа соединений - 11;ном=25 МВА;
UВН=15,75 кВ;
UНН=6,3 - 6,3 кВ;
Uк%=10,5%;
Iх=0,65%;
пределы регулирования напряжения под нагрузкой ±8×1,25%
на стороне ВН.
· ТТ1, ТТ2, ТТ3 - трансформаторы тока со стороны ВН, НН1, НН2
соответственно. Трансформаторы тока со всех сторон соединены по схеме
"звезда с нулевым проводом":
со стороны ВН - ТВТ-10/30. Коэффициент трансформации - 3000/5;
со стороны НН - ТШЛ-10. Коэффициент трансформации 2000/5.
· В составе нагрузки имеется АД - асинхронный двигатель марки
4АЗМ - 6300/6000УХЛ4:
Pном=6300
кВт;
Uном=6
кВ;
Iпуск*
= 5,9 о.е; cosφном=0,9.[4]
2.
Выбор защиты
Защищаемый объект - трансформатор собственных нужд тепловой
электростанции, имеющий в составе нагрузки асинхронные двигатели и
общеподстанционные потребители (механизмы, обслуживающие станцию в целом).
Это очень ответственный потребитель, поэтому устанавливаемая защита будет
микропроцессорная.
Выберем для защиты терминал нового поколения RET670 фирмы "АББ Автоматизация".
Он подходит для защиты двухобмоточных и трехобмоточных трансформаторов, а
также шунтирующих реакторов.
Нижняя граница номинальной мощности защищаемого трансформатора
ориентировочно может быть установлена 25 МВА (у нашего трансформатора 25 МВА).
Терминал должен подключаться, как правило, к группам защитных трансформаторов
тока, имеющих соединение вторичных обмоток "звезда с нулевым
проводом". Область применения терминала ограничена и охватывает:
б) трансформаторы связи и блочные трансформаторы электрических
станций;
в) трансформаторы электрических сетей и автотрансформаторы, не
имеющие в составе нагрузки со стороны НН мощных двигателей или синхронных
компенсаторов[1].
Таким образом, по всех параметрам этот терминал подходит для защиты
трансформатора ТРДНС - 25000/35. Его использование также облегчает наличие
технического справочного руководства и рекомендаций по применению и выбору
уставок на русском языке.
Терминал включает в себя функциональные блоки дифференциальной защиты,
максимальной токовой защиты и ряд других.
В данной курсовой работе будет подробно рассмотрена только основная защита
- дифференциальная.
3.
Выбор уставок дифференциальной защиты
Уставки дифференциальной защиты задаются в относительных единицах. В
память терминала RET670 должны
вводиться основные технические данные защищаемого трансформатора: номинальные
напряжения и номинальные токи обмоток, а также схемы соединения обмоток[1].
3.1 Номинальные
параметры
Номинальная мощность - Sном=25 МВА;
Номинальное напряжение с высшей стороны - UВН=15,75 кВ;
Номинальное напряжение с низшей стороны - UНН=6,3 - 6,3 кВ;
Найдем номинальные токи обмоток трансформатора при нулевом положении РПН:
со стороны ВН:
,
со стороны НН1 (НН2):
.
Найдем вторичные токи ТТ в номинальном режиме:
со стороны ВН:
,
со стороны НН1 (НН2):
.
3.2
Выравнивание токов
Выравнивание токов - одна из проблем дифференциальной защиты
трансформатора. В терминале RET670
эта проблема решается путем внесения относительной погрешности выравнивания
и учета ее при подсчете уставок.
Цифровое выравнивание амплитуд (модулей) токов плеч осуществляется функцией DIFP, 87T на базе задаваемых параметров силового трансформатора и
коэффициентов трансформации ТТ. Диапазон цифрового выравнивания достаточно
велик.
Для определения погрешности необходимо знать вторичный номинальный ток ТТ
Iном.вн(нн),II. Если с рассматриваемой стороны (для ТТ с вторичным
номинальным током 1 А) этот ток больше или равен 0,125 А (восьмикратный
диапазон цифрового выравнивания), то относительная погрешность
=0,02; если этот ток не превышает
0,125 А, то
=0,03 (в этом случае выравнивание не обеспечивается). Если с
рассматриваемой стороны (для ТТ с вторичным номинальным током 5 А) вторичный
номинальный ток меньше или равен 1 А, то погрешность
=0,02 и номинальный ток терминала с
рассматриваемой стороны рекомендуется взять 1 А; если Iном.вн(нн),II
больше 1 А, то номинальный ток принимается равным 5 А и погрешность также равна
0,02 [1].
В нашем случае вторичный номинальный ток ТТ со всех сторон равен 5 А,
вторичный ток ТТ в номинальном режиме со стороны высшего и низшего напряжения
равен соответственно 1,5273 и 2,8638 А (что больше 1 А), следовательно нас
устраивает вторичный номинальный ток ТТ и относительная погрешность со всех
сторон равна
=0,02.
3.3 Проверка
трансформаторов тока
Как известно, полная погрешность ТТ ε в установившемся режиме не должна
превышать 10% при максимальном токе внешнего КЗ. В переходных режимах КЗ часто
происходит насыщение ТТ, которое приводит к увеличению их погрешностей, а
следовательно к появлению значительных токов небаланса дифференциальной защиты.
При анализе функционирования используют обобщенные параметры. Основным
таким параметром является предельная кратность Kпр - наибольшая кратность первичного тока (о.е.), при котором
полная погрешность в установившемся режиме при заданной нагрузке не превышает 5
или 10% (соответственно K5
и K10). При использовании Kпр требования к ТТ можно
сформулировать так:
, (3.1)
где
- приведенная предельная кратность (о.е.);
- номинальный ток первичной обмотки ТТ (А);
Iном -
номинальный ток обмотки защищаемого трансформатора (А).
При отсутствии кривых предельных кратностей можно использовать
приближенную формулу (3.2):
, (3.2)
где
Kном -
номинальная предельная кратность (о.е.);
- сопротивление вторичной обмотки ТТ (Ом);
- номинальное сопротивление нагрузки ТТ (Ом);
- сопротивление нагрузки, определяемое активным
сопротивлением соединительных проводов между ТТ и терминалом.
Схема функционирования терминала RET670 предполагает использование групп ТТ звезда с
нулевым проводом со всех сторон защищаемого трансформатора. Применение групп ТТ
звезда с нулевым проводом приводит к снижению расчетной нагрузки ТТ при
трехфазных КЗ (по сравнению с группой ТТ треугольник) и, соответственно, к
возрастанию параметра
.
а) Проверим выполнение условия со стороны НН.
Для трансформатора тока ТШЛ - 10 по справочным данным [3] определяем
параметры:
Kном
=25 (о.е.);
=1,2 (Ом);
=0,42 (Ом).
возьмем 1,1 (Ом);
По формуле (3.2) определим Kпр:
По формуле (3.1) проверим выполнение условия:
следовательно, условие
>25 со стороны НН1 (НН2) выполняется.
б) Проверка условия
>25 с высшей стороны не обязательна, т.к. для
трансформаторов тока типа ТВТ-10/30 оно выполняется всегда [1].
3.4
Расчет уставок, определяющих тормозную характеристику дифференциальной защиты
Тормозная характеристика (рис 3.1) формируется на базе основных гармоник
дифференциального и тормозного токов [1]. Она задается в относительных единицах
(от номинального тока обмотки высшего напряжения) и состоит из трех отрезков
прямых линий:
а) первого (горизонтального) - до тормозного тока EndSection 1;
б) второго (наклонного) - до тормозного тока EndSection 2;
в) третьего (наклонного) - до максимально возможного тока.
Рисунок 3.1 - Тормозная характеристика
Минимальный дифференциальный ток срабатывания может задаваться в пределах
от 0,1 - 0,6 .
На наклонных участках тормозной характеристики коэффициент наклона
(торможения) может вычисляться по формуле (3.3):
(3.3)
где
и
- соответственно приращения дифференциального и тормозного
токов.
Основные уставки функции вынесены в таблицу 3.1.
Таблица 3.1 - Группа уставок дифференциальной функции
|
Параметр
|
Диапазон
|
По умолчанию
|
Описание
|
|
IdMin
|
0,1 - 0,6
|
0,3
|
Относительный (к
номинальному току обмотки высшего напряжения) дифференциальный минимальный
ток срабатывания защиты с торможением на 1 участке тормозной характеристики
|
|
Параметр
|
Диапазон
|
По умолчанию
|
Описание
|
|
EndSection 1
|
1,25 о.е.
|
Относительный (к
номинальному току обмотки высшего напряжения) тормозной ток, соответствующий
концу участка 1 тормозной характеристики
|
|
EndSection 2
|
(1,0 - 10,0)
о.е.
|
3,0 о.е.
|
Относительный (к
номинальному току обмотки высшего напряжения) тормозной ток, соответствующий
концу участка 2 тормозной характеристики
|
|
SlopeSection 2
|
(10,0 - 50,0)%
|
40%
|
Наклон (тангенс угла
наклона) на участке 2 тормозной характеристики
|
|
SlopeSection 3
|
(30,0 - 100,0)%
|
80%
|
Наклон (тангенс угла
наклона) на участке 3 тормозной характеристики
|
Расчет минимального тока срабатывания IdMin* выполняется в относительных единицах. При внешних КЗ
или сквозных токах дифференциальный ток срабатывания должен удовлетворять
условию:
защита трансформатор тормозной
дифференциальный отсечка
, (3.4)
где Kотс = 1,1 - коэффициент отстройки.
Поскольку тормозная характеристика может иметь горизонтальный участок до
относительного тормозного тока Ibias*,
равного 1,5, то необходимо использовать уточненную формулу для расчета тока
небаланса:
, (3.5)
где
- коэффициент, учитывающий
переходный процесс (о.е.);
- полная относительная погрешность ТТ в установившемся
режиме (о.е.);
- относительная погрешность, вызванная регулированием
напряжения трансформатора (о.е.);
- относительная погрешность выравнивания токов плеч (о.е.).
Все слагаемые в круглых скобках (3.5) принимаются положительными. Формула
(3.5) может использоваться и при расчете коэффициента наклона (торможения),
только вместо
используется
.
Первое приближение минимального тока срабатывания IdMin следует производить по формуле:
, (3.6)
где Kотс = 1,1 - коэффициент отстройки;
Ibнач*
- относительный ток начала торможения (уставка параметра EndSection 1);
Расшифровка остальных составляющих такая же, как и в формуле (3.5).
Коэффициент наклона (торможения) на втором участке (параметр SlopeSection 2) можно вычислять по формуле:
, (3.7)
где Ibрасч* - относительное расчетное
значение тормозного тока.
В эксплуатационных условиях возможны перегрузки трансформаторов в течении
длительного времени. С целью исключения значительного загрубения дифзащиты
целесообразно принимать уставку EndSection 2 равной 2,0. При этом Ibрасч*=
EndSection 2 и, следовательно, рабочая точка
при расчетах в формуле (3.7) будет находиться на втором (наклонном) участке
тормозной характеристики.
На третьем (наклонном) участке тормозной характеристики следует принимать
без расчетов S3 = 0,65. Это связано с тем, что при
токе КЗ, большим 2, возрастают указанные выше информационные параметры
переходных режимов и блокировка дифзащиты осуществляется в основном за их счет.
Расчет выполняется методом последовательных приближений. В качестве
первого приближения принимаем Ibнач*
= 1,25. По формуле (3.6) получим:
где Kотс = 1,1 - рекомендованное значение;
=1,5 - рекомендованное значение при расчете трансформатора,
имеющего в составе нагрузки двигатели напряжением 6 - 10 кВ;
=0,1 - рекомендованное значение;
= 0,02 - рекомендованное значение для двухобмоточных и
трехобмоточных трансформаторов ;
=0,02 - из расчета тока выравнивания.
Расчетное значение уставка IdMin
= 0,2214 лежит в рекомендованном диапазоне (0,1 - 0,6).
Для выполнения расчета коэффициента S2 необходимо посчитать ток небаланса по формуле (3.5),
учитывая, что вместо
используется
:
где
= 2,5 - рекомендованное значение для расчета тормозной
характеристики.
Коэффициент S2 рассчитываем по
формуле (3.7):
,
На втором участке расчетное значение уставки SlopeSection 2не должно превышать 0,5. Данное
условие выполняется (см. Таблицу 3.1).
Окончательно принимаем уставки:
IdMin
= 0,23;
Ibнач*(EndSection 1)=1,25;
EndSection 2 = 3,0 - по умолчанию;
S2 (SlopeSection 2) = 0,48 (угол наклона равен 25,6
градусам);
S3 (SlopeSection 3) = 0,65 - по умолчанию (угол
наклона равен 33 градусам).
3.5 Расчет
уставок дифференциальной отсечки
Применение дифференциальной отсечки (ДО) необходимо для повышения
быстродействия дифференциальной защиты при больших токах КЗ в защищаемой зоне.
ДО реагирует на первую гармонику дифференциального тока. Уставка рассчитывается
по двум условиям:
а) условие отстройки от броска намагничивающего тока (БНТ). Уставка
должна приниматься не менее 5,0 о.е;
б) условие отстройки от режима максимального тока внешнего КЗ
(сквозного тока).
Уставку можно находить из выражения:
(3.8)
где Kотс = 1,1 - коэффициент отстройки
(о.е.);
Kнб(1)
- отношение амплитуды первой гармоники тока небаланса к приведенной амплитуде
гармонической составляющей сквозного тока (о.е.);
Iскв.макс*
- сквозной максимальный ток трехфазного КЗ на шинах НН.
Kнб(1)
зависит от разброса
с разных сторон защищаемого трансформатора, остаточной
намагниченности магнитопроводов ТТ. По рекомендациям производителя [1], при
использовании со всех сторон защищаемого ТТ с вторичным номинальным током 5 А
следует принимать Kнб(1) равным 0,7,
если с какой- либо стороны используется ТТ с номинальным вторичным током 1 А, а
с других сторон - с номинальным током 5 А, то следует принимать Kнб(1) равным 1,0.
Из двух полученных условий уставка должна выбираться наибольшая [1].
Составим схему замещения для расчета тока КЗ (рис 3.3) в номинальном
режиме:
Рисунок 3.3 - Схема замещения в номинальном режиме
Где Е1 - ЭДС системы, 1 - сопротивление системы, 2 - сопротивление
обмотки трансформатора ВН, 3,4 - сопротивление обмотки трансформатора НН, 6,8 -
сопротивления асинхронных двигателей, 5,7 - сопротивление нагрузки, Е2,Е4 - ЭДС
асинхронных двигателей, Е3,Е5 - ЭДС нагрузок.
Примем Sб = 25 МВА, Uб1 = 15,75 кВ, Uб2 =
6,3 кВ.

;
двигателя:

нагрузки:
Вычислим ЭДС источников, учитывая влияние нагрузок:
Для асинхронного двигателя
берется равной

;
Преобразуем схему относительно точки КЗ и вычислим результирующие ЭДС и
сопротивления:
Рассмотрим случай, когда нагрузка отключена (рис 3.4):
Рисунок 3.4 - Схема замещения при отключенной нагрузке
Рассмотрим случай, когда отключен АД (рис 3.5):
Рисунок 3.5 - Схема замещения при отключенном АД
Рассмотрим случай, когда отключена нагрузка и АД (рис 3.6):
Рисунок 3.6 - Схема замещения при отключенной нагрузке и АД
Таким образом видно, что наиболее тяжелый случай, когда нагрузка
отключена полностью.
Сквозной ток берется в относительных единицах от номинального тока со
стороны ВН:
Таким образом, по условию отстройки от максимального сквозного тока
уставка будет равна:
Т.к. по первому условию (отстройка от БНТ) уставка должна быть не менее 5
о.е., а по второму она равна 10,86, выбираем наибольшее.
Iдо* =
10,86 (о.е.).
3.6 Коэффициент
чувствительности
Коэффициент чувствительности целесообразно определять как отношение
(3.8)
где IdMin - минимальное значение
дифференциального тока при КЗ, Idср
рассчитывается по формуле (3.4) [1].
В нашем случае трансформатор имеет одно стороннее питание, следовательно,
по рекомендациям [1], чувствительность проверять не обязательно.
Выводы
В данной работе были произведены расчеты дифференциальной защиты
терминала RET670 фирмы "АВВ
Автоматизация" для трансформатора собственных нужд ТРДНС - 25000/35. По
полученным данным можно сделать вывод, что эту защиту можно устанавливать на
заданный объект, потому что все рассчитанные уставки и коэффициент
чувствительности соответствуют диапазонам, приведенным в рекомендациях. Все
рассчитанные уставки сведены в таблицу 4.1 и построена тормозная характеристика
(рисунок 4.1)
Таблица 4.1 - Список рассчитанных уставок и коэффициентов
чувствительности
|
Название уставки и Кч
|
Рассчитанное значение
|
Диапазон
|
|
IdMin
|
0,23
|
0,1 - 0,6
|
|
EndSection1
|
1,25
|
0,2 - 1,5
|
|
EndSection 2
|
3,0
|
1 - 10
|
0,48
|
0,1 - 0,5
|
|
SlopeSection 3
|
0,65
|
0,3 - 1,0
|
|
Iдо
|
10,8
|
>5,0
|
Рисунок 4.1 - Тормозная характеристика
Список литературы
1. Рекомендации
по применению и выбору уставок функции дифференциальной защиты трансформаторов
терминала RET670. Методическое пособие.
2. Идельчик
В.И., Электрические системы и сети. - М.: Энергоатомиздат, 1989.
. Королев
Е.П., Либерзон Э.М., Расчеты допустимых нагрузок в токовых цепях релейной
защиты. - М.: Энергия, 1980.
. Неклепаев
Б.Н., Крючков И.П., Электрическая часть электростанций и подстанций. - М.:
Энергоатомиздат, 1989.
. Федосеев
А.М., Релейная защита электроэнергетических систем. - М.: Энергия, 1976.
. Чернобровов
Н.В., Семенов В.А., Релейная защита электроэнергетических систем. - М.:
Энергоатомиздат, 2008.