Схемные функции и частотные характеристики линейных электрических цепей
Министерство образования Российской
Федерации
ТОМСКИЙ ГОСУДАРСТВЕННЫЙ УНИВЕРСИТЕТ
СИСТЕМ УПРАВЛЕНИЯ И РАДИОЭЛЕКТРОНИКИ (ТУСУР)
Кафедра теоретических основ
радиотехники (ТОР)
Пояснительная записка к курсовой
работе
по дисциплине «Основы теории цепей»
«Схемные функции и частотные
характеристики линейных электрических цепей»
Выполнил:
студент гр.141-2
Пилин Н.В.
Проверил:
доцент кафедры ТОР
Дмитриев В.Д.
Томск 2012
Министерство общего и
профессионального образования
Российской Федерации
ТОМСКИЙ ГОСУДАРСТВЕННЫЙ УНИВЕРСИТЕТ
СИСТЕМ
УПРАВЛЕНИЯ И РАДИОЭЛЕКТРОНИКИ (ТУСУР)
Кафедра теоретических основ
радиотехники (ТОР)
ЗАДАНИЕ
на курсовую
работу
«СХЕМНЫЕ
ФУНКЦИИ И ЧАСТОТНЫЕ ХАРАКТЕРИСТИКИ ЛИНЕЙНЫХ ЭЛЕКТРИЧЕСКИХ ЦЕПЕЙ»
студенту Пилин Н.В группа 141-2 факультет РТ
1 Исходные данные:
шифр Сх46 Т5 ОБ М2__, К или Кт ___Кт
параметры нагрузки r=__100__Ом, k=_________ или m=_____,
частотные параметры wmax=_________, N=__0,02 __________,
нормирующие величины Ro=r, wo=wр (или wср)
Задание
Получить и исследовать входные и передаточные операторные функции.
Рассчитать частотные характеристики (ЧХ) по выражениям АЧХ и ФЧХ, на
основе карты нулей и полюсов и с использованием автоматизированных методов
анализа цепей.
Содержание расчетной части пояснительной записки:
.1 Исследование нагрузки
предполагаемый на основе схемы характер АЧХ и ФЧХ входной и передаточной
функций;
вывод операторных выражений входной и передаточной функций и их проверка
по размерности, соответствию модели на крайних частотах диапазона, порядку полиномов
и условиям физической реализуемости;
нормировка операторных функций;
предполагаемый характер частотных характеристик (ЧХ) на основе карты
нулей и полюсов и вычислений ЧХ на wн=__0,7__
-расчет резонансных частот и резонансных сопротивлений;
определение полосы пропускания цепи;
.2 Исследование транзистора с обобщенной нагрузкой:
вывод операторных выражений входной и передаточной функций на основе
метода узловых потенциалов, проверка полученных выражений всеми возможными
способами;
нормировка операторных функций.
.3 Исследование транзистора с избирательной нагрузкой:
предполагаемый характер ЧХ полной модели и определение ряда численных
значений ЧХ в характерных точках (w=0, w=wр и т.п.);
получение нормированных выражений входной и передаточной функций и их
проверка всеми возможными способами;
предполагаемый характер ЧХ на основе карты нулей и полюсов и вычисление
значений ЧХ на wн____________
получение выражений АЧХ и ФЧХ обеих функций на основе нормированных
выражений и расчет по ним значений ЧХ на wн_________
получение АЧХ и ФЧХ входной и передаточной функций на основе
автоматизированного расчета цепи и построение частотных характеристик (с
указанием на них ранее вычисленных значений);
представление входного сопротивления полной цепи последовательной и
параллельной моделями на одной из частот заданного диапазона (w¹0).
Перечень графического материала:
схемы нагрузки, транзистора с обобщенной нагрузкой, полной цепи,
эквивалентные модели на крайних частотах,
карты нулей и полюсов,
частотные характеристики.
Дата выдачи задания _________________________________________
Срок сдачи законченной работы _______________________________
Руководитель ______________________(________________________)
подпись
Ф.И.О.
Задание принял к исполнению
___________________________________________________________
дата и
подпись студента
Реферат
Курсовая работа 38 с., 25 рисунков, 1 таблица.
Схемные функции цепи, частотные характеристики
цепи, полоса пропускания, входное сопротивление, резонанс.
Цель работы - получить и исследовать входные и передаточные операторные,
комплексные функции цепи. Определить АЧХ и ФЧХ входной и передаточной функции.
Применить автоматизированные методы анализа цепей.
Пояснительная записка к курсовой работе выполнена в текстовом редакторе Microsoft Word 2003.
Содержание
1. Введение
. Исходные данные к курсовой работе
. Исследование нагрузки
.1 Предполагаемый на основе схемы характер АЧХ и ФЧХ входной
функции
.3 Нормировка операторной функции
.4 Расчет резонансных частот и резонансных сопротивлений.
Определение ППЦ
. Исследование модели транзистора с обобщенной нагрузкой
.1 Нахождение операторных выражений для Zт(p) и Кт(р)
.2 Нормировка операторных функций
. Исследование транзистора с избирательной нагрузкой
.1 Предполагаемый характер ЧХ
.2 Получение нормированных значений входной и передаточной
функций
.3 Получение выражений АЧХ и ФЧХ входной и передаточной
функций полной цепи на основе нормированных выражений и расчет по ним значений
ЧХ на частоте w=0,7
. Автоматизированный расчёт частотных характеристик полной
модели
. Представление входного сопротивления полной цепи
последовательной и параллельной моделями на w=0,7
. Выводы
1.
Введение
Цель курсовой работы - овладеть способами нахождения частотных характеристик
цепи. Представленная схема нагрузки является фильтром частот, что определяет
область её применения. Используемая при работе эквивалентная схема транзистора
является простейшей (для облегчения расчетов), но она позволяет качественно
понять работу транзистора.
В процессе выполнения курсовой работы решаются следующие задачи:
формирование навыков получения операторных функций цепи, последующий их анализ,
а также овладение методом узловых потенциалов в матричной форме, освоение
методов автоматизированного машинного анализа электрических цепей в частотной
области.
2.
Исходные данные к курсовой работе
Шифр задания: Сх.46.Т5.ОБ.М2
Модель транзистора М2 показана на рис.2.1.
Рисунок 2.1 - Модель биполярного транзистора, включенного по схеме с
общей базой
Параметры транзистора:
пФ
мА/В
Ом
Ом
Ом N=0.02
МГц
пФ
пФ
Схема избирательной нагрузки показана на рис.2.2.
Рисунок 2.2 - Схема избирательной нагрузки
Параметры нагрузки:
рад/с
рад/с;
;
;
;

мкГн;

пФ;
, Ом;
,
;
рад/с;
Гц;
Нормировку
параметров цепи проведем по следующим формулам:
;
;
;
Пронормированные
параметры цепи занесем в таблицу 2.2.
Таблица
2.1 - Пронормированные параметры цепи
|
Элементы
|
Параметры элементов
|
Нормированные значения
|
|
225,8 пФ1
|
|
|
|
2,26 мкГн1
|
|
|
|
10 Ом0.1
|
|
|
|
1000 Ом10
|
|
|
|
S
|
140 мА/В
|
14
|
|
90,9 пФ0,403
|
|
|
|
7 Ом0,07
|
|
|
|
120 Ом1,2
|
|
|
|
0,143 См14,28
|
|
|
|
8,3 мСм0,833
|
|
|
3.
Исследование нагрузки
.1
Предполагаемый на основе схемы характер АЧХ и ФЧХ входной функции
Рассмотрим двухполюсник на крайних и резонансных частотах. Схема при ω=0
представлена на рисунке
3.1а, при ω=∞ на рисунке 3.1б.
а) б)
Рисунок 3.1 -Эквивалентная схема нагрузки на крайних частотах
При ω=0 сопротивление нагрузки будет равно 0, т.к. сопротивление ZL=0, а ZC=∞.
При ω=∞ сопротивление нагрузки будет равно R, т.к. сопротивление ZC =0, а ZL=∞.
Наличие параллельного колебательного контура обуславливает
соответствующий резонанс.
Используя теорию реактивных двухполюсников строим АЧХ и ФЧХ для входной
функции:
Рисунок 3.2 - Предполагаемый характер АЧХ входной функции
На
предполагаемом характере АЧХ входного сопротивления присутствует ярко выраженный
фазовый параллельный резонанс в контуре
,
на частоте
.
В
соответствии со схемой реактивного двухполюсника на рисунке 2.2 ФЧХ имеет вид,
показанный на рисунке 3.3.
Рисунок
3.3 - Предполагаемый характер ФЧХ входной функции без учёта потерь
На
рисунке 3.1 изображены эквивалентные модели исследуемой цепи нагрузки при
, и при 
Следует
иметь в виду, что при последовательном соединении определяющим является большее
из сопротивлений, а при параллельном - меньшее. Из рисунка 3.1 становится
очевидным, что
определяется реактивным сопротивлением
при
, то есть
, а при
определяется
активным сопротивлением
, то есть
.
Учитывая,
что параллельный резонанс в схеме рисунка 2.1 - не идеальный, ФЧХ в окрестности
изменяется плавно. Примерный вид ФЧХ входного
сопротивления показан на рисунке 3.4
Рисунок
3.4 - Примерный вид ФЧХ входного сопротивления
.2 Вывод
операторного выражения входной функции
K(P)=1, т.к. нагрузка является
двухполюсником
Методом
последовательного преобразования схемы нагрузки выведем операторную функцию
цепи. Учитывая, что
и
получим:
где
Проверка на размерность:
PL имеет размерность [Ом], а PC имеет размерность[Ом-1]
Проверка на крайних частотах:
при
p=0
при
p=∞ входное сопротивление равно отношению
коэффициентов при старших степенях Z(∞)=R.
Проверка
максимального порядка полиномов:
; m=2; n=2;
,
так
как в схеме 2 реактивности и нет ни емкостных контуров, ни индуктивных сечений
даже при подключении источников напряжения или тока.
3.3
Нормировка операторной функции
Подставив нормированные значения в операторную функцию C=1; L=1; Rш=10;
R=0,1; получим:
В
выражение Z(p) вместо р подставляем j*w.
Построим графики АЧХ И ФЧХ входной функции Mathсad.
Рисунок
3.5 АЧХ входной функции
Рисунок
3.6 ФЧХ входной функции
.4 Расчет
резонансных частот и резонансных сопротивлений. Определение ППЦ
Определение
резонансной частоты
и резонансного сопротивления
проводится на основе нормированного выражения
(значок «н» опущен) для нагрузки. В соответствии с
определением фазового резонанса на частоте
входное
сопротивление чисто активно и равно
:
,
,
Перейдём
к ненормированным значениям:
Ом
Ом
рад/с
рад/с
Гц
МГц
2)
Расчет полосы пропускания цепи (ППЦ):
Для
определения полосы пропускания цепи найдем максимальное значение нормированной
функции входа:
Приравняем
входную функцию к
и решим уравнение:
Решая
уравнение получим:
;
.
Откуда
видно что полоса пропускания цепи равна:
4.
Исследование модели транзистора с обобщенной нагрузкой
.1
Нахождение операторных выражений для Zт(p) и Кт(р)
Для
реализации МУП на вход подключим пробный источник
, обозначим узлы, элементы схемы опишем проводимостями
в операторной форме и учтём, что теперь
, а
что и представлено на рисунке 4.1
Рисунок
4.1 - Модель транзистора с обобщённой нагрузкой
Входная
функция: Передаточная функция:
;
Запишем
типовую систему для данной модели схемы:
.
Выразим
зависимый источник тока через узловые потенциалы:
.
Подставим
полученное выражение в систему и приведём подобные по узловым потенциалам.
.
Запишем
полученную систему в матричной форме.
По
правилу Крамера найдём узловые потенциалы
и
,
;
где
определитель матрицы проводимостей.
;
;
.
Схемную
функцию входного сопротивления и передаточной функции найдём как
;
.
Таким
образом:
;
.
Проверка
полученных выражений
Проверяем
полученные выражения схемных функций по размерности:
При
проверке учитываем, что произведение
имеет
размерность
, а произведение
и R -
размерность
.
Проверка
по размерности подтвердила правильность нахождения схемных функций.
Проверка
на крайних частотах диапазона:
Эквивалентные
модели транзистора с обобщённой нагрузкой для крайних частот диапазона
представлены на рисунке 4.2.
Рисунок
4.2 - Эквивалентные модели схемы на частотах
и
При
и если учесть, что
, то
выражение для передаточной функции примет вид:
,
отсутствие
отрицательного знака говорит об отсутствии инверсии в схеме с ОБ
Для
входной функции при
:
,
Т.к.
При
, так как
.
, что
совпадает со схемой (закоротко на СЭ).
Из
рисунка 3.2 видно, что
(закоротко на СЭ). При
.
В
итоге получили, что полученные выражения схемных функций соответствуют моделям
на крайних частотах.
Проверка
на соответствие степеней полиномов порядку цепи:
Определение
максимального порядка полиномов функции
непосредственно
по схеме осуществляется по следующему правилу:
где
n, m - максимальные степени полиномов числителя и
знаменателя соответственно;
- число
независимых реактивностей;
- число
ёмкостных контуров;
- число
индуктивных сечений.
Для
определения порядка числителя на вход схемы подключается источник э.д.с., а
знаменателя - источник тока.
Из
схемы цепи видно, что число независимых реактивностей равно 1 и в схеме
отсутствуют ёмкостные контура и индуктивные сечения, поэтому максимальные
степени числителя и знаменателя определятся из соотношения
Числитель
функции
и знаменатель функции и
совпадают с точностью до общего множителя, так как
при определении обеих функций входные зажимы одни и те же:
Проведенная
проверка показала, что схемные функции транзистора найдены верно.
4.2
Нормировка операторных функций
;
.
5.
Исследование транзистора с избирательной нагрузкой
.1
Предполагаемый характер ЧХ
частотный цепь сопротивление транзистор
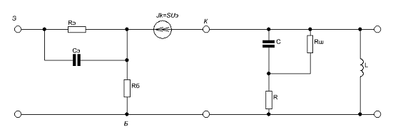
Рисунок 5.1- Модель цепи с избирательной нагрузкой
Предположения о характере ЧХ передаточной функции делаются на основе
соотношения
(5.1)
где
- коэффициент передачи транзистора;
-
крутизна проходной характеристики транзистора;
-
сопротивление нагрузки транзистора.
Знак
«+» в выражении (5.1) говорит о том что биполярный транзистор при включении с
общей базой не инвертирует сигнал.
Из
(5.1) следует, что для полной цепи
АЧХ:
, (5.2)
ФЧХ:
(5.3)
где
- в рабочем диапазоне имеет нулевое значение и только
в области очень высоких частот (
)
;
- ФЧХ
нагрузки.
Выражения
(5.1) - (5.3) не являются точными и пригодны для оценки качественного характера
ЧХ и оценки характерных численных значений на ЧХ
,
,
.
Найдем
значения входной и передаточной функций полной модели в характерных точках
,
,
,

,
Построим
частотные характеристики на основе проделанного анализа. Зависимость
соответствует рисунку 5.2а,
соответствует рисунку 5.2б. Ожидаемый результирующий
график
в соответствии с (5.2) будет иметь вид, показанный на
рисунке 5.2в.
Рисунок
5.2 Предполагаемый характер АЧХ
Для
вывода предполагаемых частотных характеристик входной функции транзистора с
избирательной нагрузкой построим эквивалентные схемы поведения транзистора с
избирательной нагрузкой на крайних частотах, причём достаточно рассмотреть
схему только транзистора, так как идеальный источник исключает влияние нагрузки
на входное сопротивление. Эквивалентные схемы транзистора на крайних частотах
показаны на рисунке 5.3.
Рисунок 5.3 - эквивалентные схемы транзистора на крайних частотах
Из схем на рисунке 5.3 видно что:
,
т.к.
, за счёт
закоротки на СЭ.
На
крайних частотах диапазона значение ФЧХ равно
.
По
полученным данным построим качественный характер АЧХ входной функции, что и
представлено на рисунке 5.4.
Рисунок
5.4 - Предполагаемый характер АЧХ входной функции
5.2
Получение нормированных значений входной и передаточной функций
Подставим в выражения из пункта 4.2
,
и
после преобразований получим:
Проверка
на крайних частотах:
;
.
.3
Получение выражений АЧХ и ФЧХ входной и передаточной функций полной цепи на
основе нормированных выражений и расчет по ним значений ЧХ на частоте w=0,7
Используем нормированные выражения функций для полной цепи, определяя АЧХ
и ФЧХ по известному алгоритму
-
дробное комплексное выражение, приведённое к типовой форме
После
чего АЧХ определяется как модуль функции
, а ФЧХ
как её аргумент
, то есть
АЧХ:
ФЧХ:
Получение
выражений АЧХ и ФЧХ для входной функции полной цепи
Получим
выражения АЧХ и ФЧХ для входной функции полной модели:
Значения
АЧХ и ФЧХ на частоте
:
Итак,
АЧХ и ФЧХ входной функции рассчитанные с помощью пакета MathCad
имеют вид, представленный на рисунках 5.5 и 5.6
Рисунок
5.5 - АЧХ входной функции полной модели
Рисунок
5.6 - ФЧХ входной функции полной модели
Получение
выражений АЧХ и ФЧХ для передаточной функции полной цепи
Получим
выражения АЧХ и ФЧХ для передаточной функции полной модели:
Значения
АЧХ и ФЧХ на частоте
:
Итак,
АЧХ и ФЧХ передаточной функции полной модели, рассчитанные с помощью пакета MathCad,
имеют вид, представленный на рисунках 5.7 и 5.8.
Рисунок
5.7 - АЧХ передаточной функции полной модели
Рисунок
5.8 - ФЧХ передаточной функции полной модели
6.
Автоматизированный расчёт частотных характеристик полной модели
Автоматизированный расчёт проводился в пакете Qucs. Ввод исходных данных заключается в построение модели
схемы с указанием значений параметров элементов, что и показано на рисунке 6.1.
Рисунок 6.1 - Схема исследуемой цепи в Qucs
При расчете частота источника напряжения V1 меняется в заданном интервале. Исходом расчета являются
либо все, либо указанные напряжения и токи, из которых и строится необходимые
функции. АЧХ и ФЧХ входной функции нагрузки изображены на рисунках 6.2 и 6.3
соответственно.
Исследование входной функции полной модели проводилось на частотах до 10
ω (АЧХ - рисунок
6.4, ФЧХ - рисунок 6.5). АЧХ и ФЧХ передаточной функции представлены на
рисунках 6.6 и 6.7 соответственно.
Рисунок 6.2 - АЧХ входной функции нагрузки
Рисунок 6.3 ФЧХ входной функции нагрузки
Рисунок 6.4 АЧХ входной функции полной модели
Рисунок 6.5 ФЧХ входной функции полной модели
Рисунок 6.6 АЧХ передаточной функции полной модели
Рисунок 6.7 ФЧХ передаточной функции полной модели
(7.1)
а входная проводимость этого двухполюсника
(7.2)
Выражениям (7.1) и (7.2) соответствуют последовательная и эквивалентная
параллельная модели входного сопротивления.
Найдем
сопротивление полной цепи на заданной частоте. Для этого подставим во входную
функцию цепи значение
, получим:
Ом
рад/с
рад/с;
Откуда
Ом;
Гн
нГн;
См
См;
См
См;
См
Ом;
Гн
мкГн.
Исходя
из полученных результатов, построим параллельную и последовательную модели
(рисунок 7.1).

Рисунок
7.1 - последовательная и параллельная модели входного сопротивления на частоте
8. Выводы
В результате проведенной работы было проведено исследование транзистора с
избирательной нагрузкой. Были определены АЧХ и ФЧХ входной и передаточной
функции полной цепи, АЧХ и ФЧХ входной функции нагрузки, определены численные
значения ЧХ в заданных точках. Произведен автоматизированный расчет цепи.
Были закреплены навыки по реализации метода МУП, определению схемных
функций цепи.
Было установлено, что определение предполагаемого характера ЧХ
непосредственно перед началом расчета помогает избежать ошибок, предоставляя
возможность проверки полученных выражений. Также оказалось, что предварительный
анализ схемы позволяет иногда упростить ее для определенного диапазона частот и
получить довольно точные значения ЧХ, не прибегая к сложным расчетам.