Выполнение переходной посадки

  • Вид работы:
    Контрольная работа
  • Предмет:
    Другое
  • Язык:
    Русский
    ,
    Формат файла:
    MS Word
    746,8 Кб
  • Опубликовано:
    2013-11-29
Вы можете узнать стоимость помощи в написании студенческой работы.
Помощь в написании работы, которую точно примут!

Выполнение переходной посадки

1. Для заданной посадки определить

систему и тип посадки

найти предельные отклонения и допуски;

вычислить предельные размеры отверстий и валов, предельные зазоры и натяги, допуски посадок;

начертить эскиз полей допусков посадок в масштабе;

Исходные данные:

Ø 120 H7/m6, Ø 65 H11/d11, Ø 15H7/u7.

а) Ø 120 H7/m6 - посадка выполнена в системе основного отверстия. Тип посадки - переходная.

Предельные отклонения для отверстия Ø 120, с полем допуска H и выполненного по 7-му квалитету точности:

ES = + 35 мкм.

EI = 0.

Предельные отклонения для вала Ø 120, с полем допуска m и выполненного по 6-му квалитету точности:

es = + 35 мкм.

ei = +13 мкм.

Поле допуска отверстия:

TD = 0,035 - 0 = 0,035 мм.

Поле допуска вала:

Td = 0,035 - 0,013 = 0,022 мм.

Предельные размеры отверстия:

Dmax=120 + 0,035 = 120,035 мм.

Dmin = 120 мм.

Предельные размеры вала:

dmax=120 + 0,035 = 120,035 мм.

dmin = 120 +0,013 = 120,013 мм.

Максимальный зазор в посадке Smax:

Smax = Dmax - dmin = 120,035 - 120,013 = 0,022 мм.

Максимальный натяг в посадке Nmax:

Nmax = dmax - Dmin = 120,035 - 120 = 0,035 мм.

Допуск посадки:

TNS = TD + Td = 0,035 + 0,022 = 0,057 мм.

Эскиз полей допусков посадок

Рисунок 1 - Поля допусков отверстия и вала Ø 120 мм.

б) Ø 65 H11/d11 - посадка выполнена в системе основного отверстия. Тип посадки - с зазором.

Предельные отклонения для отверстия Ø 65, с полем допуска H и выполненного по 11-му квалитету точности:

ES = + 190 мкм.

EI = 0.

Предельные отклонения для вала Ø 65, с полем допуска d и выполненного по 11-му квалитету точности:

es = - 100 мкм.

ei = - 290 мкм.

Поле допуска отверстия:

TD = 0,190 - 0 = 0,19 мм.

Поле допуска вала:

Td = -0,100 - (-0,290) = 0,19 мм.

Предельные размеры отверстия:

Dmax=65 + 0,190 = 65,19 мм.

Dmin = 65 мм.

Предельные размеры вала:

dmax=65 - 0,100 = 64,9 мм.

dmin = 65 -0,290 = 64,71 мм.

Максимальный зазор в посадке Smax:

Smax = Dmax - dmin = 65,19 - 64,71 = 0,48 мм.

Минимальный зазор в посадке Smin:

Smin = Dmin - dmax = 65 - 64,9 = 0,1 мм.

Допуск посадки:

TS = TD + Td = 0,19 + 0,19 = 0,38 мм.

Эскиз полей допусков посадок:

Рисунок 2 - Поля допусков отверстия и вала Ø 65 мм

в) Ø 15H7/u7 - посадка выполнена в системе основного отверстия. Тип посадки - с натягом.

Предельные отклонения для отверстия Ø 15, с полем допуска H и выполненного по 7-му квалитету точности:= + 18 мкм.= 0.

Предельные отклонения для вала Ø 15, с полем допуска u и выполненного по 7-му квалитету точности:= + 51 мкм.= +33 мкм.

Поле допуска отверстия:= 0,018 - 0 = 0,018 мм.

Поле допуска вала:= 0,051 - 0,033 = 0,018 мм.

Предельные размеры отверстия:=15 + 0,018 = 15,018 мм.= 15 мм.

Предельные размеры вала:=15 + 0,051 = 15,051 мм.= 15 + 0,033 = 15,033 мм.

Максимальный зазор в посадке Nmax:

= dmax - Dmin = 15,051 - 15 = 0,051 мм.

Минимальный зазор в посадке Nmin:

= dmin - Dmax = 15,033 - 15,018 = 0,015 мм.


TS = TD + Td = 0,018 + 0,018 = 0,036 мм.

Эскиз полей допусков посадок

Рисунок 3 - Поля допусков отверстия и вала Ø 15 мм.

. По заданным размерам отверстия подобрать для контроля размера универсальный инструмент или прибор

Исходные данные: Отверстие Ø 30А11

Решение

Предельные отклонения для отверстия Ø 30, с полем допуска A и выполненного по 11-му квалитету точности:= + 430 мкм.= +300 мкм.

Поле допуска отверстия:

TD=430-300=130 мкм.

По таблице [1] определяем допускаемую погрешность измерения Δизм = 30 мкм. По таблице [1] находим, что для условий Т = 130 мкм. и Δизм = 30 мкм. для заданного отверстия можно использовать средства измерения (СИ), условно обозначенные в таблице позициями 5а и 11.

По таблице [1] находим, что указанным позициям соответствуют нутромер индикаторный с ценой деления отсчетного устройства 0,01 мм при установке на размер по концевым мерам 3-го класса с используемым перемещением измерительного стержня 0,1 мм (поз. 5а), а также микроскоп инструментальный (поз. 11). Учитывая конкретные условия [1], окончательно выбираем нутромер индикаторный с ценой деления 0,01 мм.

. Описать способы применения шлицевых соединений, раскрыть их сущность

Шлицевые соединения валов со ступицами (зубчатых колес, шкивов и т. п.) применяют для передачи вращающего момента. На валу изготовляют выступы (зубья), входящие во впадины (шлицы) ступицы.

Различают шлицевые соединения неподвижные и подвижные с возможностью перемещения деталей вдоль оси под нагрузкой или без нагрузки. (Например, шлицевые соединения сверлильных шпинделей станков, карданных валов автомобилей и др.) Шлицевые (зубчатые) соединения стандартизованы. При данном диаметре соединения стандартами установлено число и размеры шлицев (зубьев), а также допуски на их размеры. В машиностроении применяют прямобочные, эвольвентные и треугольные шлицы. (рис. 4, 5).

Рисунок 4 - Прямобочное и эвольвентное шлицевое соединение

В настоящее время наиболее распространены давно применяемые прямобочные шлицевые соединения (около 80%) по ГОСТу 1139-80. В поперечном сечении профиль прямобочных шлицев очерчивается окружностью выступов зубьев D, окружностью впадин d, и прямыми, определяющими постоянную толщину зубьев b. Стандартом предусмотрены три серии соединений: легкая, средняя и тяжелая. С переходом от легкой к средней и тяжелой сериям при одном и том же внутреннем диаметре d, увеличивают наружный диаметр D и число зубьев z, что повышает несущую способность соединений. Соединения с прямобочными шлицами выполняют с центрированием по наружному диаметру D, по внутреннему диаметру d, и по боковым граням b.

Рисунок 5 - Треугольное шлицевое соединение

Более перспективны соединения с эвольвентными зубьями (шлицами). Их выполняют с центрированием по боковым, рабочим поверхностям или по наружному диаметру; наиболее распространен первый способ центрирования из-за простоты его получения.

Профиль эвольвентных шлицев очерчивается, как и профиль зубьев эвольвентных зубчатых колес, окружностью вершин, окружностью впадин и эвольвентами с углом зацепления 30° (у зубчатых колес 20°) при уменьшенной высоте зуба h = m (у зубчатых колес h = 2,25m).

Достоинства эвольвентных шлицевых соединений по сравнению с прямобочными: выше прочность на изгиб благодаря утолщению зубьев у основания; меньше концентрация напряжений, поэтому выше сопротивление усталости; выше прочность на смятие благодаря увеличенному числу зубьев; при производстве требуется меньшая номенклатура фрез, так как эвольвентные шлицы одинакового модуля можно нарезать одной фрезой или долбяком, в то время как при изготовлении прямобочных шлицев для каждого размера и числа зубьев требуется отдельная фреза; при обработке зубьев (шлицев) могут быть использованы совершенные технологические процессы, применяемые для изготовления зубьев зубчатых колес.

Недостатки: более дорогие эвольвентные протяжки для малых диаметров ступиц, шлифование эвольвентных шлицев более сложно, чем прямобочных.

Шлицевые соединения треугольного профиля применяют редко при стесненных габаритах в радиальном направлении.

Эти соединения центрируют по боковым сторонам зубьев. Размеры шлицев треугольного профиля установлены отраслевыми стандартами (ОСТ) и нормалями. В основном их применяют в кинематических (приборных) механизмах.

При необходимости беззазорного соединения применяют конические соединения треугольного профиля с конусностью 1 : 16 на валу.

4. Стандартизация точности конических соединений

Допуски углов конусов и призматических элементов деталей стандартизованы с длиной меньшей стороны угла до 2500 мм.

Допуск угла AT (по английски Angle Tolerance) назначают в радианах АТα (рис. 6, г, д) и в градусах, минутах и секундах АТ’α (округленное значение) или выражают отрезком АТh (рис. 6, г, д) на перпендикуляре к стороне угла, противолежащем углу АТα на расстоянии L1 от вершины этого утла; практически этот отрезок с пренебрежимо малой разницей равен длине дуги радиуса Ll стягивающей угол АТα.

Допуск угла конуса может быть выражен еще допуском ATd на разность диаметров в двух нормальных к оси сечениях конуса на заданном расстоянии L между ними; он определяется по перпендикуляру к оси конуса.


При обозначении допуска угла заданной степени точности указанные выше обозначения дополняются номером соответствующей степени точности, например, АТ5, АТ8.

Установлено 17 степеней точности: 1,2, …,17; числовые значения допусков углов АТα в мкрад, AT’α -в градусах, минутах и секундах (рекомендуемые для указания на чертежах), АТh и ATd в мкм по степеням точности изменяются с коэффициентом 1,6, равным знаменателю ряда R5 предпочтительных чисел. Предусмотрена возможность получения степеней точности 0 и 01 с последовательным использованием этого коэффициента.

Интервалы длин L и L1 также построены в соответствии с рядом R5. С увеличением длин допуски углов уменьшаются от интервала к интервалу с коэффициентом 1,25, равным знаменателю ряда R10.

Таким образом, единица допуска имеет вид


где b - коэффициент. В табл. 1[4] приведены значения допусков углов в некоторых интервалах для употребительных степеней точности.

Таблица 1- Допуски углов


Допуски углов конусов с конусностью не более 1:3 должны назначаться в зависимости от номинальной длины L конуса (рис. 6в) и более 1:3 - в зависимости от номинальной длины образующей L1 конуса (рис. 6г).

Допуски углов призматических элементов деталей назначают в зависимости от длины L меньшей стороны угла (рис. 6а).

Допуски углов могут быть расположены в плюс (+АТ), в минус (-АТ) или симметрично (±АТ/2) относительно номинального угла.

Посадки конических соединений (конические посадки) по способу фиксации взаимного осевого расположения сопрягаемых конусов подразделяются на посадки: с фиксацией путем совмещения конструктивных элементов сопрягаемых конусов (посадки с зазором, переходные и с натягом); с фиксацией по заданному расстоянию zpf между базовыми плоскостями, перпендикулярными осям сопрягаемых конусов (буртики, заплечники, корпуса), называемому базорасстоянием (посадки с зазором, переходные и с натягом; с фиксацией по заданному осевому смещению Еа сопрягаемых конусов от их начального положения Рp, соответствующего соприкосновению без приложения осевого усилия, в конечное положение Рf после достижения заданного осевого смешения в результате запрессовки, затяжки и т. п. (посадки с зазором и с натягом); с фиксацией по заданному усилию запрессовки Fs, прилагаемому в начальном положении сопрягаемых конусов (посадки c натягом).

Для конусов могут применяться совместное нормирование допусков диаметра, угла конуса и его формы (круглости, прямолинейности образующей) допуском Td диаметра в любом сечении или раздельное нормирование допуска Tds диаметра в заданном сечении, допуска AT угла конуса, допуска Tfr, круглости и допуска Tfl прямолинейности образующей конуса.

В посадках с фиксацией по конструктивным элементам или по базорасстоянию предпочтительно устанавливать нормы по Td, применяя поля допусков ЕСДП СЭВ не грубее 9-го квалитета с основным отклонением Н для внутренних конусов и основными отклонениями d...z для наружных конусов; при других способах фиксации для диаметров применяют поля допусков от 8-го до 12-го квалитетов.

Значения предельных зазоров или натягов в конических соединениях либо принимаются такими же, как в аналогичных посадках цилиндрических соединений, либо определяются расчетом или опытным путем. Связь между допуском Теa осевого смешения и допуском зазора δΔ определяется соотношением


где С - конусность.

посадка отклонение вал отверстие

5. Определить по стандарту отклонение деталей, калибров

Изобразить графически их поля допусков. Рассчитать предельные и исполнительные размеры заданных калибров, а также предельно изношенного калибра.

Исходные данные: Р-ПР и Р-НЕ для отверстий Ø 50Н7 и вала Ø50k5.

По ГОСТ 25347-82 предельные отклонения для отверстия Ø 50, с полем допуска Н и выполненного по 7-му квалитету точности:= + 25 мкм.= 0.

Предельные размеры отверстия:=50 + 0,025 = 50,025 мм.= 50 мм.

По приложению [2] определяем:= 3,5 мкм. - отклонение середины поля допуска на изготовление проходного калибра для отверстия относительно наименьшего предельного размера отверстия;= 3 мкм. - допуск на изготовление калибров для отверстия;= 4 мкм. - допустимый выход размера изношенного проходного калибра для отверстия за границу поля допуска изделия.

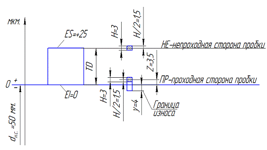
Строим схему расположения полей допусков отверстия, ПР и НЕ калибров-пробок (рис. 7).

Рисунок 7 - Поля допусков отверстия, ПР и НЕ калибров-пробок

Считаем исполнительные размеры калибров-пробок.

В качестве исполнительного размера калибра-пробки берётся наибольший предельный размер его с отрицательным отклонением, равным допуску на изготовление калибра.

Наибольший предельный размер ПР - проходного калибра-пробки:

dmax ПР = Dmin + Z + H/2 = 50 + 0,0035 + 0,0015 = 50,005 мм.

Исполнительный размер проходного калибра-пробки Ø 50,005-0,003

Наибольший предельный размер НЕ - непроходного калибра-пробки

не = Dmax + H/2 = 50,025 + 0,0015 = 50,0265 мм.

Исполнительный размер непроходного калибра-пробки Ø 50,0265-0,003.

По ГОСТ 25347-82 предельные отклонения для вала Ø 50, с полем допуска k и выполненного по 6-му квалитету точности:

es = + 18 мкм.

ei = + 2 мкм.

dmax=50 + 0,018 = 50,018 мм.

dmin = 50 +0,002 =50,002 мм.

По приложению [2] определяем:= 3,5 мкм. - отклонение середины поля допуска на изготовление проходного калибра для вала относительно наименьшего предельного размера вала;= 2 мкм. - допуск на изготовление калибров для вала;= 4 мкм. - допустимый выход размера изношенного проходного калибра для вала за границу поля допуска изделия.

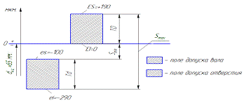
Строим схему расположения полей допусков вала, ПР и НЕ калибров-пробок (рис. 8).

Рисунок 8 - Поля допусков отверстия, ПР и НЕ калибров-скоб

Считаем исполнительные размеры калибров-скоб.

В качестве исполнительного размера скобы берется наименьший предельный размер её с положительным отклонением, равным допуску на изготовление калибра.

Наименьший предельный размер ПР стороны калибра-скобы

dmin ПР = dmax - Z1 - H1/2 = 50,018 - 0,0035 - 0,0015 = 50,013 мм.

Наименьший предельный размер НЕ стороны калибра-скобы

inне = dmin - H1/2 = 50,002 - 0,0015 = 50,0005 мм.

Исполнительный размер ПР стороны калибра-скобы, который ставится на чертеже калибра, равен 50,013+0,003. Исполнительный размер НЕ стороны калибра-скобы 50,0005+0,003.

6. Классы и степень точности метрических резьб, поля допусков, основные отклонения

Резьбы при свинчивании контактируют только боковыми сторонами профиля, поэтому только средний диаметр, шаг и угол профиля резьбы определяют характер сопряжения в резьбе. Для компенсации накопленной погрешности шага и погрешности угла профиля производят смещение действительного среднего диаметра резьбы. Вследствие взаимосвязи между отклонениями шага, угла профиля и собственно среднего диаметра, допускаемые отклонения этих параметров раздельно не нормируют. Устанавливают только суммарный допуск на средний диаметр болта и гайки, который включает допускаемые отклонения собственно среднего диаметра и диаметральные компенсации погрешности шага и угла профиля. Кроме этого, задается допуск на наружный диаметр болта и внутренний диаметр у гайки, т.е. на диаметры, которые формируются перед нарезанием резьбы и при измерении готовых изделий наиболее доступны.

Длина свинчивания в силу конструктивных особенностей резьбовых соединений оказывает влияние на качество и характер сопряжения. Установлено три группы длин свинчивания:- короткие: с длиной свинчивания менее 2,24∙Р∙d0,2- нормальные: с длиной свинчивания не менее 2,24∙Р∙d0.2 и не более 6,7∙P∙d0,2- длинные: с длиной свинчивания более 6,7∙P∙d0,2

где Р - шаг резьбы,

d - наружный диаметр резьбы.

Точные значения длин свинчивания установлены ГОСТ 16093-81. Класс точности - понятие условное (на чертежах указывают поля допусков); и его используют для сравнительной оценки точности резьбы. Точный класс рекомендуется для ответственных резьбовых соединений. Средний класс - для резьб общего назначения. Грубый класс - для резьб, нарезаемых на горячекатаных заготовках, в длинных глухих отверстиях и т.п.

Таблица 2

Поля допусков метрических резьб в зависимости от класса точности

Деталь

Класс точности

Поле допуска при длине свинчивания



S - короткая

N - нормальная

L - длинная

Наружная резьба (болт)

Точный

-

4h 4g

-


Средний

5h6h 5g6g

6h 6g 6f 6e 6d

7g6g


Грубый

-

8g

-

Внутренняя резьба (гайка)

Точный

4H

4H5H 5H

6H


Средний

5H

6H 6G

7H


Грубый

-

7H 7G

8H


Рисунок 9 - Поля допусков метрических резьб

Отклонения отсчитываются от номинального профиля резьбы в направлении, перпендикулярном оси резьбы.

Допуски диаметров резьбы устанавливаются по степеням точности, обозначаемыми цифрами. Степени точности диаметров резьбы приведены в таблице 2.

Таблица 3 - Степени точности диаметров резьбы.

Вид резьбы

Диаметр резьбы

Степень точности

Наружная резьба

d

4; 6; 8


d2

3; 4; 5; 6; 7; 8; 9

Внутренняя резьба

D2

4; 5; 6; 7; 8


D1


где d - наружный диаметр наружной резьбы (болта),- средний диаметр наружной резьбы,- средний диаметр внутренней резьбы,- внутренний диаметр внутренней резьбы

Схемы полей допусков наружной и внутренней резьбы в посадках с зазором приведены на рис. 10.

Рисунок 10 - Схемы полей допусков наружной и внутренней резьбы

7. Расшифровать условное обозначение допуска формы и расположения поверхности детали. Определить вид отклонения и допуск, степень точности допуска

Рисунок 11 - Допуск формы и расположения поверхности

Изображенный на рисунке 11 допуск означает отклонение от плоскостности. Допуск плоскостности составляет 0,1 мм. По ГОСТ 24643-81 степень точности данного допуска равна 11.

Литература

1. Егоров А.А., Стародубов С.Ю. Пособие к решению задач курса взаимозаменяемость, стандартизация и технические измерения. - Алчевск: ДГМИ, 2003. - 111 с.: ил.

. Столярова Т. В. Метрология, взаимозаменяемость и стандартизация. Учеб. пособие по выполнению курсовой работы. - Челябинск: ЮУрГУ, 2005 110 с.

. ГОСТ 16093-81 - Основные нормы взаимозаменяемости. Резьба метрическая. Допуски. Посадки с зазором.

4. Дунин-Барковский И. В. Взаимозаменяемость, стандартизация и технические измерения. - М.: Издательство стандартов, 1987. - 352 с.: ил.

Похожие работы на - Выполнение переходной посадки

 

Не нашли материал для своей работы?
Поможем написать уникальную работу
Без плагиата!
Без нейросетей!