Допуски и посадки соединений
Введение
цилиндрический шпоночный
резьба передача
Целью данной курсовой работы является подбор посадок для
указанных соединений, простановка допусков, а также выбор и проектирование
средств измерений и контроля размеров.
Выполнение требований к точности деталей и сборочных единиц
является важнейшим условием обеспечения взаимозаменяемости - свойства изделия
равноценно заменять при использовании любой из множества экземпляров изделий
другим однотипным экземпляром. Взаимозаменяемыми могут быть детали, сборочные
единицы и изделия в целом. При полной взаимозаменяемости упрощается процесс
сборки - он сводится к простому соединению деталей рабочими преимущественно
невысокой квалификации; появляется возможность точно нормировать процесс сборки
во времени, устанавливается необходимый темп работы; упрощается ремонт изделий,
так как любая изношенная или поломанная деталь или сборочная единица может быть
заменена новой.
Описание узла роликового кантователя к гидравлическому прессу
для правки деталей:
Распорная втулка 2 надевается на вал со значительным зазором,
но необходимо учесть, что на этой же шейке монтируется внутреннее кольцо
подшипника 1. Движение с вала 8 привода продольной подачи осуществляется через
зубчатое колесо 3 и рейку (на чертеже не показана). Неподвижность зубчатого
колеса 3 на валу 8 обеспечивается шпонкой 9.
На стальную ступицу 7 червячного колеса напрессован бронзовый
венец 10 с натягом, допустимые значения которого указаны в задании. Шлицевый
вал 6 при работе имеет продольные перемещения. Шлицы в отверстии ступицы
зубчатого колеса закаливаются. Подшипники имеют перегрузку до 300%. Режим
работы тяжёлый.
Примечание: резьбовое соединение на чертеже не показано.
1.
Допуски и посадки гладких соединений
.1
Соединения гладких валов и отверстий
Подбор
посадок методом подобия
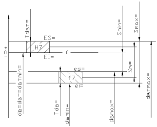
Первое соединение: на вал 8 со значительным зазором
надевается распорная втулка 2.
Методом подобия из перечня посадок с зазором [4, c. 26] выбирается тип
посадки H/h.
Для посадки данного типа наименьший зазор равен нулю,
наибольший - сумме допусков вала и отверстия. Применяются в квалитетах с 4-го
по 12-й
Для вала и для отверстия выбираются 9-ый квалитеты.
Предельные размеры и допуск вала Ø 60
:
dmax = d+es; (1)
d1max = 60+0 = 60 мм;
dmin = d+ei; (2)
d1min = 60-0.074 = 59,926 мм;
Td = dmax-dmin =
es-ei; (3)
Td1 =
0+0,074 = 0,074 мм.
Предельные размеры и допуск отверстия:
Отверстие Ø 60
;
Dmax = D+ES; (4)
D1max = 60+0,074 = 60,074 мм;
Dmin = D+EI; (5)
D1min = 60+0 = 60 мм;
TD = Dmax-Dmin =
ES-EI; (6)
TD1= 0,074-0 = 0,074 мм.
Минимальный зазор:
Smin = Dmin-dmax
= EI-es; (7)
S1min = 0 - 0 = 0 мм.
Максимальный зазор:
Smax = Dmax-dmin =
ES-ei; (8)
S1max = 0,074 + 0,074 = 0,148 мм.
Средний зазор:
Sm = (Smax + Smin)/2;
(9)
Sm = (0,148 - 0)/2 = 0,074 мм.
Допуск посадки с зазором:
TS = Smax-Smin = TD+Td;
(10)
TS1 = 0,148 - 0 = 0,148 мм.
Схема полей допусков изображена на рисунке 1.
Рисунок 1
Эскиз вала изображён на рисунке 2.
Рисунок 2
Эскиз втулки изображен на рисунке 3.
Эскиз соединения распорной втулки с валом изображен на
рисунке 4.
Рисунок 3
Рисунок 4
Второе соединение: на вале продольной подачи 8 с помощью
шпонки 9 крепится зубчатое колесо 3.
Так как применяется шпонка, то посадка является переходной.
Методом подобия по [4, с. 28] выбирается тип посадки H/n. Для неё наиболее
вероятны натяги, в этих посадках зазора практически не возникает. Применяются в
неподвижных соединениях, передающих большие усилия при наличии ударов и
вибраций.
Для вала выбирается 6 квалитет, а для отверстия 7.
Предельные размеры и допуск вала (формулы (1), (2), (3)):
вал Ø 70
;
d2max =
70+0,039 = 70,039 мм;
d2min =
70+0,020 = 70,020 мм;
Td2 =
0,039-0,020 = 0,019 мм.
Предельные размеры и допуск отверстия (формулы (4), (5), (6)):
отверстие Ø 70
;
D2max = 70+0,03
= 70,03 мм;
D2min = 70+0
= 70 мм;
TD2 = 0,03-0
= 0,03 мм.
Максимальный зазор по формуле (8):
Smax = Dmax-dmin =
ES-ei;
S2max = 0,03 - 0,02 = 0,01 мм.
Максимальный натяг:
Nmax = dmax - Dmin
= es - EI; (11)
N2max = 0,039-0 = 0,039 мм.
Средний натяг:
Nm = (Nmax − Smax)/2; (12)
Nm = (0,039 - 0,01)/2 =
0,0145 мм.
Допуск переходной посадки:
TS(N) = TD + Td; (13)
TS(N) = 0,03 + 0,019 = 0,049 мм.
Схема полей допусков изображена на рисунке 5.
Эскиз вала изображён на рисунке 6.
Рисунок 5
Рисунок 6
Эскиз отверстия зубчатого колеса изображен на рисунке 7.
Эскиз соединения зубчатого колеса с валом изображен на
рисунке 8.
Рисунок 7

Рисунок 8
Подбор
посадки расчётным методом
Соединяемые детали: на стальную ступицу 7 червячного колеса
напрессован бронзовый венец 10 с натягом.
Исходные данные: D3=200 мм, Nmax = 0,285 мм, Nmin = 0,165 мм.
По справочнику [4, c. 156] находится подходящая посадка с натягом - H/u.
Она характеризуются большими гарантированными натягами N =
(0.001…0.002) dm.
Для вала и отверстия назначается 7 квалитет.
Предельные размеры и допуск вала (формулы (1), (2), (3)):
вал Ø 200 u
;
d3max = 200
+ 0,282 = 200,282 мм;
d3min = 200
+ 0,236 = 200,236 мм;
Td3 =
0,282-0,236 = 0,046 мм.
Предельные размеры и допуск отверстия (формулы (4), (5), (6)):
отверстие Ø 200
;
D3max = 200
+0,046 = 200,046 мм;
D3min = 200
+0 = 200 мм;
TD3= 0,046-0
= 0,046 мм.
Минимальный натяг:
Nmin = dmin - Dmax
= ei - ES; (14)
N3min = 0,236-0,046 = 0,190
мм.
Максимальный натяг (формула (11)):
N3max = 0,282-0 = 0,282 мм.
Средний натяг:
Nm = (Nmax + Nmin)/2; (15)
N3m = (0,282+0,190)/2 =
0,236 мм.
Допуски посадки с натягом:
TN = Nmax - Nmin = Td + TD;
(16)
TN3 = 0,282+0,190 =0,092 мм.
Схема полей допусков изображена на рисунке 9.
Эскиз вала изображён на рисунке 10.
Рисунок 9
Рисунок 10
Эскиз отверстия зубчатого колеса изображен на рисунке 11.
Эскиз соединения зубчатого колеса с валом изображен на
рисунке 12.
Рисунок 11
Рисунок 12
.2
Контроль размеров цилиндрических поверхностей гладкими калибрами
Для контроля первого соединения Ø 60
используются следующие калибры.
Для вала Æ60 h9 используется скоба 8113-0144 h9, ГОСТ 18360-93.
Исходные данные:
Æ60
;
d1max = 60 мм;
d1min =
59,926 мм;
Td1 = 0,074
мм.
Используя ГОСТ 24853, определяются допуски и отклонения
калибра-скобы, рассчитываются предельные размеры проходного и непроходного
калибров, размеры предельно изношенных проходных калибров, а также контркалибры
К-И, К-ПР, К-НЕ.
Допуски и отклонения калибра скобы:
Z, Z1 = 13 мкм;
Y = Y1 =0;
a,a1 = 0;
H = 5 мкм;
H1 = 8 мкм;
Hp = 3 мкм.
Наибольший и наименьший предельные размеры для проходной стороны
рабочего калибра-скобы:
ПРmax = (dmax - Z1 + H1/2), (17)
где Z1 - отклонение середины поля допуска на
изготовление проходного калибра для вала;
Н1 - поле допуска калибра-скобы;
ПРmax = 60-0,013+0,004 =
59,991 мм.
ПРmin = (dmax - Z1 - H1/2); (18)
ПРmin = 60-0,013-0,004 = 59,983 мм.
Предельный размер изношенной скобы для проходной стороны:
ПРизн = (dmax+ Y1), (19)
где Y1 - допустимый выход размера изношенной проходной
стороны скобы за границу поля допуска вала.
ПРизн = 60+0 = 60 мм.
Наибольший и наименьший предельные размеры для непроходной
стороны калибра-скобы:
НЕmax = (dmin + H1/2); (20)
НЕmax = 59,926+0,004 = 59,93 мм.
НEmin = (dmin − H1/2); (21)
НEmin = 59,926-0,004 = 59,922 мм.
Исполнительные размеры:
ПР = (dmax − Z1−H1/2)+ H1; (22)
ПР = 59,983+0.008мм.
НЕ = (dmin - H1/2) + H1; (23)
НЕ = 59,922+0.008мм.
Размеры контркалибров.
Наибольший и наименьший размеры контркалибров (шайб) для
контроля проходной стороны скобы:
К-ПРmax = (dmax - Z1+ HR /2), (24)
где Hp - допуск на изготовление контрольного калибра
для скобы;
К-ПРmax = 60 - 0,013+0,0015 = 59,9885 мм.
К-ПРmin = (dmax - Z1 - HR /2); (25)
К-ПРmin = 60-0,013-0,0015 = 59,9855 мм.
Наибольший и наименьший размер шайб К-И:
К-И min = (dmax+Y1 - HR /2), (26)
где Hp - допуск на изготовление контрольного калибра
для скобы;
К-И min = 60+0-0,0015 = 59,9985 мм.
К-Иmax = (dmax+Y1 +HR /2); (27)
К-Иmax = 60+0+0,0015 = 60,0015 мм.
Наибольший и наименьший размеры контркалибров (шайб) для
контроля непроходной стороны скобы:
К-НЕ max= (dmin+ HR /2); (28)
К-НЕ max= 59,926 +0,0015 = 59,9275 мм.
К-НЕmin = (dmin - HR /2); (29)
К-НЕmin = 59,926 -0,0015 = 59,9245 мм.
Исполнительные размеры:
К-И = (dmax+Y1 +HR /2)-Нр; (30)
К-И = 70.0015-0.003 мм.
К-ПР = (dmax - Z1 + HR /2) -Нр; (31)
К-ПР = 69.9885-0.003 мм.
К-НЕ = (dmin+ HR /2) -Нр; (32)
К-НЕ = 69.9275-0.003 мм.
Используя ГОСТ 24853, выбирается и строится схема
расположения полей допусков калибра-скобы (рисунок 13).
Рисунок 13
Рисуется эскиз калибра-скобы (рисунок 14). Габаритные размеры
скобы приведены в таблице 1.1.
Таблица 1.1
|
D1
|
H
|
h
|
B
|
S
|
l
|
l1
|
L2
|
r
|
r1
|
|
140
|
118
|
50
|
18
|
6
|
28
|
17
|
4
|
40
|
6
|
Рисунок 14 - Калибр-скоба 8113-0144 h9, ГОСТ 18360-93
Для контроля отверстия Ø 60
используются:
пробка проходная 8136-0004 h9, ГОСТ 14815-69;
- пробка непроходная 8136-0104 H9, ГОСТ 14816-69.
Исходные данные:
Ø 60
;
D1max = 60.074
мм.
D1min = 60
мм.
TD1 = 0.074
мм.
Используя ГОСТ 24853, определяются допуски и отклонения
калибра-пробки рассчитываются предельные размеры проходного и непроходного
калибров, а также размеры предельно изношенных проходных калибров.
Z, Z1 = 13 мкм, Y=Y1 =0, a,a1 = 0, H = 5 мкм, H1 = 8 мкм,
Hp = 3 мкм.
Наибольший и наименьший предельные размеры для проходной стороны
калибра-пробки:
ПРmax = (Dmin + Z + H/2), (33)
где Z - отклонение середины поля допуска на изготовление
проходного калибра для отверстия;
Н - поле допуска калибра-пробки;
ПРmax = 60 + 0.013 + 0.0025 =
60.0155 мм.
ПРmin = (Dmin + Z −
H/2); (34)
ПРmin = 60 + 0.013 - 0.0025 = 60.0105 мм.
Предельный размер изношенной пробки для проходной стороны:
ПРизн = (Dmin − Y), (35)
где Y - допустимый выход размера изношенной проходной стороны
пробки за границу поля допуска паза.
ПРизн = 60-0 = 60 мм.
Наибольший и наименьший предельные размеры для непроходной
стороны калибра-пробки:
НЕmax = (Dmax + H/2); (36)
НЕmax = 60.074+0.0025 = 60.0765 мм.
НEmin = (Dmax − H/2); (37)
НEmin = 60.074-0.0025 = 60.0715 мм.
Исполнительные размеры
ПР = (Dmin + Z + H/2)-H; (38)
ПР = 60.0155-0.005 мм.
НЕ = (Dmax + H/2)-H;
(39)
НЕ = 60.0765-0.005 мм.
Используя ГОСТ 24853, выбирается и строится схема
расположения полей допусков калибра-пробки (рисунок 15).
Рисунок 15
Рисуется эскиз калибра-пробки (рисунок 16). Габаритные
размеры пробки приведены в таблице 1.2.
Таблица 1.2
Рисунок 16 - Калибр-пробка проходная 8136-0004 h9, ГОСТ 14815-69;
Калибр-пробка непроходная 8136-0104 H9, ГОСТ 14816-69.
Для контроля второго соединения Ø 70
используются следующие калибры:
для вала Æ70 n6:
- скоба 8113-0149 n6, ГОСТ 18360-93.
для отверстия Ø 70 H7:
пробка проходная 8136-0009 h7, ГОСТ 14815-69;
пробка непроходная 8136-0109 H7, ГОСТ 14816-69.
Для контроля третьего соединения Ø 200
используются следующие калибры:
для вала Æ200 u7:
- скоба 8113-0304 u7, ГОСТ 18360-93.
для отверстия Ø 200 H7:
пробка проходная с насадкой 8140-0123 H7, ГОСТ 14822-69;
пробка непроходная с насадкой 8140-0184 h7, ГОСТ 14823-69.
.3
Допуски и посадки подшипников качения
Для заданного подшипника качения следует
текстом расшифровать условное обозначение по ГОСТ 3189.
Исходные данные: условное обозначение
подшипника - 7312; F = 26 кH.
Расшифровка условного обозначения.
- шифр подшипника d = 12*5 = 60 мм.
- серия по диаметру - средняя.
- тип подшипника - конический роликовый
однорядный.
- без конструктивных особенностей.
- серия подшипника по ширине - узкая.-
категория.
- ряд момента трения.
- группа радиального зазора.
- класс.
Режим работы - тяжёлый. Подшипники имеют
перегрузку до 300%.
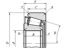
Из стандарта на конструкцию подшипника
выписываются недостающие размеры, необходимые для последующих расчетов (таблица
1.3).Выполняется эскиз подшипника (рисунок 17).
Таблица 1.3
|
d
|
D
|
B
|
Т
|
с
|
r
|
r1
|
|
60
|
130
|
31 - 0,3
|
33,5
|
27
|
3,5
|
1,2
|
b = 10… 140
Внутреннее кольцо нагружено циркуляционно, а наружное -
местно.
Для местно нагруженного кольца посадка
подбирается согласно таблицам ГОСТ 3325.
Посадка наружного кольца в корпус-
.
Предельные размеры и допуск корпуса (формулы (4), (5), (6)):
Æ 130
;
Dmax кор = 130 + 0,02 = 130,02 мм;
Dmin кор = 130 - 0,02 = 129,98 мм;
TDкор = 0,02
+ 0,02 = 0.04 мм.
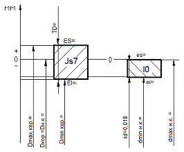
Предельные размеры и допуск наружного кольца подшипника (формулы
(4), (5), (6)):
Æ 130
;
Dmax н.к. = 130 + 0= 130 мм;
Dmin н.к. = 130 - 0,018 = 129,982 мм;
TDн.к. = 0 +
0,018 = 0,018 мм.
Максимальный, средний зазор и натяг (формулы (8), (11) (12)):
Smax = 130,02 - 129,982 = 0,038 мм;
Nmax = 130 - 129,98 = 0,02 мм;
Sm = (0,038 - 0,02))/2 =
0,009 мм.
Допуск переходной посадки (формула (13)):
TS (N) = 0,025 + 0,04 = 0,065 мм.
Схема полей допусков изображена на рисунке 18.
Рисунок 18
Для циркуляционно-нагруженного - по величине рассчитанной
интенсивности радиальной нагрузки.
Интенсивность радиальной нагрузки:
, (40)
где K1 - динамический коэффициент посадки зависящий от характера
перегрузки, в описываемом подшипнике K1 = 1.8 потому что имеют место перегрузки до
300%);
К2 - коэффициент, учитывающий ослабление посадочного
натяга при пониженной жесткости вала или корпуса (полый вал или тонкостенный
корпус), для описываемого подшипника К2 = 1, т.к. как вал сплошной;
К3 - коэффициент неравномерности распределения
радиальной нагрузки между рядами тел качения в двухрядных роликоподшипниках и
сдвоенных шарикоподшипниках при наличии осевой нагрузки на опору; для
описываемого подшипника К3 = 1, так как он однорядный;
.
Посадки внутреннего кольца на вал - Æ 60
.
Предельные размеры и допуск внутреннего кольца (формулы (1), (2),
(3)):
Æ 60
;
dmax вн.к = 60 + 0 = 60 мм;
dmin вн.к = 60 - 0,015 = 59,985 мм;
Tdвн. к. = 0
+ 0,015 = 0,015 мм.
Предельные размеры и допуск вала (формулы (1), (2), (3)):
Æ 60
;max в. = 60 + 0,039 = 60,039 мм;min в..= 60 + 0,02 = 60,02 мм;в. = 0,039
- 0,02 = 0,019 мм.
Максимальный,
минимальный и средний натяг (формулы (11), (14), (15)):
Nmax = 60,039 - 59,985 = 0,054 мм;
Nmin = 60,02 - 60 = 0,02 мм;
Nm = (0,054 + 0,02)/2 = 0,037 мм.
Допуски посадки с натягом (формула (16)):
TN = 0,054 - 0,02 =0,034 мм.
Схема полей допусков изображена на рисунке 19.
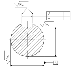
Эскиз подшипникового узла с указанием назначенных посадок
изображен на рисунке 20.
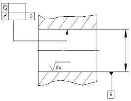
Эскиз посадочной поверхности вала под подшипник качения
изображен на рисунке 21.
Эскиз посадочной поверхности отверстия корпуса под подшипник
качения изображен на рисунке 22.
Рисунок 19 Рисунок 20

Рисунок 21 Рисунок
22
1.4
Выбор средств измерения
Исходные данные:
- отверстие Ø 70
;
IT/σтех = 3,5.
По таблице [2, с. 5] устанавливается допуск на изготовление (IT) и допускаемая
погрешность измерения (δ):
IT= 0,03 мм;
δ= 9 мкм.
По таблице [2, с. 12] выбираются возможные универсальные
измерительные средства. Это нутромер индикаторный (КМД-4 класса Ra=0,4) НИ-10 (500) ГОСТ
9244 с кодом 18.
Его техническая характеристика:
предел измерения 50 - 80 мм;
цена деления отсчетного устройства 0,001 мм;
предельная погрешность измерительного средства Δ = 5,5 мкм.
Далее производится оценка влияния погрешности измерения
нутромера на результаты рассортировки деталей.
Определяется относительная точность метода измерения по
формуле:
σ мет = Δ/2; (41)
σ мет = 5,5/2 = 2,75 мкм;
Амет (s) = sмет /IT100%; (42)
А мет (σ) = 2,75/30 ·100%=10%.
По графику [2, с. 7] Aмет (s)=10% то для заданной
точности технологического процесса находятся:
риск заказчика m=1,5%;
риск изготовителя n=3,5%;
вероятностный выход размера за границу поля допуска с/IT=0,08.
Далее находится вероятностная величина выхода размера:
с = 0,08*30 = 2,4 мкм ≈ 2 мкм.
Оценка годности деталей производится по предельно допустимым
размерам:
d max
= 75,03 мм;min = 75 мм.
Среди годных
деталей могут оказаться бракованные детали (не более 1,5%), у которых размеры
выходят за границы поля допуска на величину до 2 мкм. Это риск заказчика.
Риск изготовителя
в этом случае будет не более 3,5%, т.е. будут забракованы фактически годные
детали.
Принимается
условие недопустимости риска заказчика при D>d, и производится расчет производственного допуска:
Tпр = IT - 2*с; (43)
Tпр = 30 - 2·2 = 26
мкм.
В этом случае
увеличится риск изготовителя. Предельно допустимые размеры с учетом
производственного допуска будут следующие:
d max пр = 70,03 - 0,002 ≈ 70,028 мм,
d min пр = 70,000 + 0,002 ≈ 70,002 мм.
Выбирается
средство измерений для арбитражной перепроверки деталей. Допускаемая
погрешность при арбитражной перепроверке составит:
δ арб = 0,3* δ; (44)
δ арб = 0,3·9 = 2,7 мкм ≈ 3 мкм.
По таблице [2, с.
12] выбирается нутромер индикаторный, повышенной точности (КМД-1 класса Ra=0,4) с кодом 19.
Его технические
характеристики:
цена деления
0,001 мм;
предельная
инструментальная погрешность Δ = 3,5 мкм;
предел измерения
50-80 мм.
.5
Допуски размеров, входящих в размерные цепи
Исходные данные:
- предельные размеры замыкающего звена:
ВDmin= 0,4 мм, В Dmax = 2,3 мм;
размеры составляющих звеньев:
В 1 = 3 мм, В 2 = 3 мм, В 3
= 190 мм, В 4 = 3 мм, В 5 = 12 мм, В 6 = 100,
В 7 = 40 мм, В 8 = 30 мм, В 9
= 9 мм.
Схема размерной цепи - рисунок 23
Рисунок 23
В 2, В 3, В 4 -
увеличивающие звено, В 1, В 5, В 6, В 7,
В 8, В 9 - уменьшающие звенья.
Номинальный размер замыкающего звена:
. (45)
Стрелки над обозначениями размера, направленные вправо, относятся
к увеличивающим звеньям, направленным влево - к уменьшающим.
В D = В 2 + В 3 + В 4 - В 1
- В 5 - В 6 - В 7 - В 8 - В 9.
ВD =
3 + 190 + 3 - 3 - 12 - 100 - 40 - 30 - 9 = 2.
Допуск замыкающего звена:
TВD =
ВDmax - ВDmin; (46)
TВD =
2,3 - 0,4 = 1,9 мм.
По заданным номинальным размерам назначаются предельные
отклонения.
Верхнее EsD и нижнее EiD предельные отклонения замыкающего звена:
EsD = ВDmax - ВD;
EsD = 2,3 - 2 = 0,3 мм;
EiD = ВDmin - ВD;
EiD = 0,4 - 2 = - 1.6 мм;
ВD =
мм.
Далее назначается квалитет точности, который определяется по
числу единиц допуска:
(47)
где TВD - допуск замыкающего звена (в мкм),
i - единица допуска составляющих звеньев (выбирается по номинальным
размерам).
В таблицу 1.4 записываются значения единиц допуска для
составляющих звеньев.
Таблица 1.4
|
1
|
2
|
3
|
4
|
5
|
6
|
7
|
8
|
9
|
|
Вj, мм
|
3
|
3
|
190
|
3
|
12
|
100
|
40
|
30
|
9
|
|
ij, мкм
|
0,6
|
0,6
|
2,9
|
0,6
|
1,1
|
2,2
|
1,6
|
1,3
|
0,9
|
Найденное значение числа единиц допуска соответствует 12
квалитету.
Назначаются стандартные поля допусков по ГОСТ 25347-82 на
составляющие звенья размерной цепи. Для размеров охватывающих поверхностей
отклонения назначаются так, как для основного отверстия (H), для размеров охватываемых поверхностей отклонения
назначать, как для основного вала (h), для
остальных размеров - js(JS).
Выписываются основные отклонения для размеров звеньев цепи.
В1: 3Js12 (
).
В 2: 3h12 (
).
В 3: 190Js12 (
).
В 4: 3h12 (
).
В 5: 12Js12 (
).
В 6: 100Js12 (
).
В 7: 40h12 (
).
В 8: 30h12 (
).
В 9: 9h12 (
).
2.
Допуски и посадки типовых соединений сложного профиля
.1
Допуски и посадки шпоночных соединений
Исходные данные:
диаметр вала d= 70 мм;
ширина шпонки b= 20 мм.
По ГОСТ 23360 находятся высота шпонки h, глубина пазов на валу t и во втулке t1:
h = 12 мм;
l = 100 мм (стандартное значение из интервала от 56 до 220
мм);
t = 7.5+0.2 мм;
t1 = 4.9+0.2 мм.
Вычисляются:
d - t = 70 - 7,5 = 62,5 мм;
d + t1 = 70 + 4.9 = 74.9 мм.
Тип соединения - плотное, так как в узле повышенная нагрузка,
а перегрузки достигают 300%.
Назначаются посадки шпонки по ширине b в пазы вала и втулки.
Посадка в паз вала -
, посадка в паз втулки -
.
Для остальных размеров назначаются следующие допуски: высота
шпонки h - h11,
длина шпонки l - h14,
длина паза под шпонку L - Н15.
В таблице 2.1 записываются отклонения и предельные размеры
всех основных размеров соединения (по формулам (1), (2), (3)). Отклонения
назначаются по ГОСТ 25347 и ГОСТ 23360.
Таблица 2.1
|
отклонение и
квалитет точности
|
ES, мм
|
EI, мм
|
допуск, мм
|
предельные
размеры, мм
|
|
|
|
|
|
наибольший
|
наименьший
|
|
b = 20 мм
|
|
|
|
|
|
|
|
шпонка вал
втулка
|
h9
P9 P9
|
0 -0,022 -0,022
|
-0,052 -0,074 -0,074
|
0,052 0,052 0,052
|
20 19,978 19,978
|
19,948 19,926 19,926
|
|
h=12 мм
|
h11
|
0
|
-0,11
|
0,11
|
12
|
11,89
|
|
вал d - t=62,5 мм
|
|
0
|
-0.2
|
0.2
|
62,5
|
62,3
|
|
втулка d +t1=
74,9 мм
|
|
+0.2
|
0
|
0.2
|
75,1
|
74,9
|
|
L = 100 мм
|
H15
|
+1,4
|
0
|
+1,4
|
101,4
|
100
|
|
l =
100 мм
|
h14
|
0
|
-0,87
|
-0,87
|
100
|
99,13
|
Средства контроля шпоночных соединений:
ширину шпонки контролируют калибром и скобой;
глубину паза на валу контролируют кольцом и вставкой;
глубину паза во втулке контролируют пробкой с приваренной
шпилькой.
Схема полей допусков изображена на рисунке 24.
Рисунок 24
Эскиз шпоночного соединения с призматической шпонкой
изображен на рисунке 25.
Рисунок 25
Эскиз призматической шпонки изображен на рисунке 26.
Рисунок 26 - Шпонка 2 20´12´100 ГОСТ 23360
Эскиз паза под шпонку изображен на рисунке 27.
Рисунок 27
Эскиз вала изображен на рисунке 28, а эскиз втулки изображен
на рисунке 29.

Рисунок 28
Рисунок 29
.2
Допуски и посадки шлицевых соединений
Исходные данные:
число зубьев Z = 16 мм;
внутренний диаметр d = 72 мм;
внешний диаметр D = 82 мм.
По ГОСТ 1139 определяется серия шлицевого соединения и размер
b.
Ширина шлица b = 7 мм. Тяжёлая серия шлицевого соединения.
Выбирается способ центрирования по внутреннему диаметру так,
как из описания к заданию известно, что шлицевой вал при работе имеет
продольные перемещения, а шлицы в отверстии ступицы зубчатого колеса
закаливаются.
Назначаются посадки по ГОСТ 1139-80.
Посадка не центрирующего диаметра (D) - Ø 82
.
Посадка центрирующего диаметра (d) - Ø 72
.
Посадка по боковым сторонам шлицев (b) - 7
.
В таблице 2.2 записываются отклонения и предельные размеры всех
основных размеров соединения (по формулам (1), (2), (3)).
Таблица 2.2
|
отклонение и
квалитет точности
|
отклонение, мм.
|
допуск, мм
|
предельные
размеры, мм
|
|
|
верхнее
|
нижнее
|
|
наибольший
|
наименьший
|
|
шлицевая втулка
|
|
Dвт= 82 мм
|
H12
|
+0,35
|
0
|
0,35
|
82,35
|
82
|
|
dвт= 72 мм
|
H7
|
+0,03
|
0
|
0,03
|
72,03
|
72
|
|
bвт = 7 мм
|
F8
|
+0,035
|
+0,013
|
0,022
|
7,035
|
7,013
|
|
шлицевой вал
|
|
Dв= 82 мм
|
a11
|
-0,38
|
-0,6
|
0,22
|
81,62
|
81,4
|
|
dв= 72 мм
|
f7
|
-0,03
|
-0,06
|
0,03
|
71,97
|
71,94
|
|
bв= 7 мм
|
f7
|
-0,013
|
-0,028
|
0,015
|
6,987
|
6,972
|
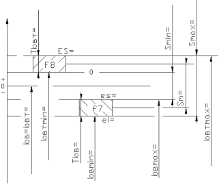
Определяются максимальный, минимальный и средний зазор для D (по формулам (7), (8),
(9)):
Smax = 0,35 + 0,6 = 0,95 мм;
Smin = 0 + 0,38 = 0,38 мм;
Sm = (0,95 + 0,38)/2 = 0,665 мм;
Допуск посадки с зазором (формула (10)):
TS = 0,95 - 0,38 = 0,57 мм.
Схема полей допусков по D изображена на рисунке
30.
Рисунок 30
Максимальный, минимальный и средний зазор для d (по формулам (7), (8),
(9)):
Smax = 0,03 +0,06 = 0,09 мм;
Smin = 0+0,03 = 0,03 мм;
Sm = (0,09 + 0,03)/2 = 0,06 мм;
Допуск посадки с зазором (формула (10)):
TS = 0,09 - 0,03 = 0,06 мм.
Схема полей допусков по d изображена на рисунке
31.
Рисунок 31
Максимальный, минимальный и средний зазор для b (по формулам (7), (8),
(9)):
Smax = 0,035 + 0,028 = 0,063 мм;
Smin = 0,013 + 0,013 = 0,026 мм;
Sm = (0,063 + 0,026)/2 = 0,0445 мм;
Допуск посадки с зазором (формула (10)):
TS = 0,063 - 0,026 = 0,037 мм.
Схема полей допусков по b изображена на рисунке
32.
Рисунок 32
Условное обозначение втулки:
Условное обозначение вала:
Шлицевой вал и шлицевая втулка изображены на рисунке 33.
Рисунок 33
Шлицевое соединение приведено на рисунке 34.
Рисунок 34
d - 16 x 72
x 82
x 7
Средства контроля шлицевых соединений:
шлицевой вал контролируют комплексным калибром и кольцом;
шлицевую втулку контролируют комплексным калибром пробкой.
.3
Допуски и посадки метрической резьбы
Исходные данные:
- М95
2-8g.
d2изм= 93,4
мм.
Pn =
50 мкм.
пр = 55 мин;
лв = -50 мин.
Расшифровывается условное обозначение резьбы.
М - метрическая,
= 60o.
- номинальный диаметр.
- шаг резьбы мелкий.
g - поле допуска для болта на приведенный средний диаметр и на
наружный диаметр.
Резьба правая (в обозначение не указывается).
Длина свинчивания нормальная N (в обозначение не указывается).
Для заданной резьбы по ГОСТ 8724 определяется 2-ой ряд
предпочтительности.
Рассчитываются размеры всех основных элементов профиля
резьбы.
Н - теоретическая высота витка:
H = 0,866×P; (48)
H = 0,866×2 = 1,732 мм.
Н1 - рабочая высота витка:
H1 = 0,541×P; (49)
H1 = 0,541×2 =1,082 мм.
R - номинальный радиус
закругления впадин болта:
R = H/6 = 0,14×P; (50)
R = 0,14 ×2 = 0,28 мм.
Номинальный диаметр болта и гайки d(D) = 95 мм.
Внутренний диаметр d1(D1):
d1(D1) = d - 3+0,835; (51)
d1(D1) = 95 - 3+0,835 = 92,835 мм.
Средний диаметр d2(D2):
d2(D2) = d - 2+0,701; (52)
d2(D2) = 95 - 2+0,701 = 93,701 мм.
Выбирается гайка М95
2 - 7H.
Условное обозначение резьбового соединения
В таблице 2.3
записываются отклонения и предельные размеры соединения. При расчёте использовались
формулы (1), (2), (3).
Таблица 2.3.
|
отклонение и
квалитет точности
|
отклонение, мм
|
допуск, мм
|
предельные
размеры, мм
|
|
|
верхнее
|
нижнее
|
|
наибольший
|
|
резьба болта
|
|
d=95 мм
|
8g
|
-0,038
|
-0,488
|
0,45
|
94,962
|
94,512
|
|
d2=93,701 мм
|
8g
|
-0,038
|
-0,338
|
0,3
|
93,663
|
93,363
|
|
резьба гайки
|
|
D1=92,835 мм
|
7H
|
+0,475
|
0
|
0,475
|
93,310
|
93,310
|
|
D2=93,701 мм
|
7H
|
+0,315
|
0
|
0,315
|
94,016
|
94,016
|
Погрешность половины угла наклона боковой стороны профиля:
=
; (53)
=
мин.
Диаметральная компенсация погрешностей по шагу:
fp = 1,732
Pn;
(54)
fp = 1,732
0,05 = 0,0866 мм.
Диаметральная компенсация погрешностей половины угла профиля:
f
= 0,36
P
; (55)
f
= 0,36
2
52,5 = 37,8 мкм = 0,0378 мм.
d2пр = d2изм + f
+ fp; (56)
d2пр =
93,4 + 0,0378 + 0,0866 = 93,524 мм.
Условия годности болта по среднему диаметру.
d2изм
d2min;
,4 > 93,363.
d2пр
d2max;
,524 < 93,663.
Данная резьба соответствует условию годности.
Средства контроля резьбы:
наружную резьбу контролируют резьбовым калибром-кольцом;
внутреннюю резьбу контролируют резьбовыми пробками по профилю
резьбы.
Профиль метрической резьбы изображён на
рисунке 35.
Рисунок 35
Схема полей допусков d2пр и d2 изображена на рисунке
36.
Рисунок 36
Расположение полей допусков по профилю резьбы болта
изображено на рисунке 37.
Рисунок 37
.4
Допуски и посадки цилиндрических прямозубых зубчатых передач
Исходные данные:
межосевое расстояние a = 108 мм;
модуль m = 4,5 мм;
число зубьев Z = 24;
степень точности 9 - А ГОСТ 1643 - 81;
- 9 - 9 - A - a, степень кинематической точности - 9, степень плавности
передачи - 9, степень контакта зубьев - 9, вид сопряжения - А, допуск на
боковой зазор - а.
Основные размеры зубчатого колеса.
Диаметр делительной окружности:
; (57)
d = 4,5×24 = 108
мм.
Диаметр вершин зубьев:
; (58)
da = 108 + 2×4,5 = 117
мм.
Ширина венца:
; (59)
B = 10×4,5 = 45
мм.
Подбираются контрольные показатели норм точности по ГОСТ 1643-81.
Кинематическая точность - 9 степень точности:
колебание измерительного межосевого расстояния за оборот зубчатого
колеса
;
колебание длинны общей нормали
;
радиальное биение зубчатого венца
.
Плавность работы - 9 степень точности:
колебание измерительного межосевого расстояния на одном зубе
.
Подсчитывается допуск на колебание измерительного МОР за
оборот зубчатого колеса при комбинировании норм кинематической точности и
плавности работы из разных степеней точности
[Fi»]комб=[Fi» - fi»]F +[fi «]f,;
(60)
[Fi»]комб = 112 - 45 + 45 =
112 мкм.
Степень контакта - 9 степень точности:
относительные размеры суммарного пятна контакта по высоте
зуба 30%, по ширине зуба 40%;
- допуск параллельности осей
;
допуск на перекос осей
.
Назначаются показатели для проверки вида сопряжения:
- гарантированный боковой зазор
;
предельные отклонения межосевого расстояния (МОР)
.
Подсчитывается номинальное значение длины общей нормали W:
W = m [1,47606 (2×Zn - 1)+0,014×Z], (61)
где Zn - число охватываемых зубьев
при измерении,
n ≈ 0,111×Z+0,5; (62)
Zn ≈ 0,111×24 +0,5 ≈ 3;
W = 4,5 [1,47606 (2×3 - 1) + 0,014×24] = 34,723 мм.
Далее находятся верхнее отклонение EWS и допуск TW:WS = -0,2 мм;
TW = 0,18 мм.
По известным EWS и TW находится нижнее
отклонение:
(|ЕWs|+TW) = - (0,2 + 0,18) = -0,38 мм.
Общий вид реального размера средней длины общей нормали:
(63)
.
Вычерчивается зубчатое колесо в соответствии с требованиями
оформления рабочих чертежей по ГОСТ 2.403. Чертеж зубчатого колеса
сопровождается таблицей его параметров в соответствии с ГОСТ 2. 403 (таблица
2.4).
Контрольные параметры указываются отдельно и помещаются в
записку (таблица 2.5).
Таблица 2.4
|
Модуль
|
m
|
4,5
|
|
Число зубьев
|
Z
|
24
|
|
Исходный контур
|
-
|
ГОСТ 13755-81
|
|
Коэффициент
смещения исходного контура
|
X
|
0
|
|
Степень
точности по ГОСТ 1643-81
|
-
|
9 - А
|
|
Длина общей
нормали
|
W
|
|
|
Диаметр
целительной окружности
|
D
|
108
|
|
Обозначение
чертежа сопряженного колеса
|
|
|
Таблица 2.5
|
Наименование
контролируемого параметра
|
Обозначение
допуска
|
Допускаемое
значение, мкм
|
Применяемые
средства измерения
|
|
Колебание длины
общей нормали
|
Fvw
|
28
|
Межцентромер
для контроля измерительного межосевого расстояния
|
|
Колебание
измерительного межосевого расстояния
|
за оборот
|
Fi»
|
112
|
|
|
на одном зубе
|
fi»
|
45
|
|
|
Суммарное пятно
контакта, %
|
по высоте
|
-
|
30%
|
Контрольно-обкатной
станок
|
|
по длине
|
-
|
40%
|
|
|
Погрешность
направления зубa
|
Fβ
|
40
|
Ходомер
|
|
На корпус
передачи
|
|
Отклонение от
параллельности осей
|
Fx
|
40
|
Специальное
приспособление для контроля расположения отверстий в корпусе
|
|
Перекос осей
|
Fy
|
20
|
|
|
Предельные
отклонения МОР
|
±fa
|
110
|
|
Список
литературы
1.
Взаимозаменяемость, стандартизация и технические средства измерения: Метод.
указания к курсовой работе для студентов всех форм обучения: Горький, 1989, ч.
1. 24 с.
2. Выбор универсальных средств измерения: Метод. указания к
курсовой работе по дисциплине «Метрология, стандартизация и сертификация» для
студентов спец. 170500, 170600, 150200 /НГТУ; Сост. Т.Ю. Суровегина. - Нижний
Новгород, 2007. - 14 с.
. Метрология, стандартизация и сертификация: Метод. указания
к курсовой работе для студентов специальностей 170500, 170600 всех форм
обучения/ О.Б. Зарубина, В.Ф. Кулепов, Т.Ю. Суровегина/НГТУ. Н. Новгород, 2003.
23 с.
4.
Кайнова, В.Н., нормирование точности изделий машиностроения: Учеб. пособие/
В.Н. Кайнова, Г.И. Лебедев, С.Ф. Магницкая, и др./ Под ред. В.Н. Кайновой;
НГТУ. Н. Новгород, 2003. 182 с.
5. Мягков, В.Д., допуски и посадки: Справ. / В.Д. Мягков,
М.А. Палей, А.Б. Романов, В.А. Брагинский /Под ред. В.Д. Мягкова. - 6-е изд. -
М.: Машиностроение, 1982, Т. 1. 543 с.
. Мягков, В.Д., допуски и посадки: Справ. / В.Д. Мягков, М.А.
Палей, А.Б. Романов, В.А. Брагинский / Под ред. В.Д. Мягкова. - 6-е изд. - М.:
Машиностроение, 1983, Т.2.