Расчет точности соединений и калибров
Содержание
Введение
1. Определение зазоров, натягов и допусков посадок в гладких
цилиндрических соединениях
1.1 Расчет посадок в системе основного отверстия, 6-й квалитет
1.2 Расчет посадок в системе основного вала, 6-й квалитет
1.3 Расчет посадок в системе основного отверстия, 9-й квалитет
1.4 Расчет посадок в системе основного вала, 9-й квалитет
2. Расчёт гладких предельных размеров калибров
3. Решение размерных цепей методом полной взаимозаменяемости
3.1 Прямая задача
3.2 Обратная задача
4. Расчет точности резьбового соединения и резьбовых калибров
Заключение
Список использованных источников
Введение
Обеспечение взаимозаменяемости гладких цилиндрических
деталей, а также выбор характера их соединения, т.е. посадки, регламентируется
единой для всех стран - членов СЭВ системой допусков и посадок СЭВ
(согласованной с рекомендациями ИСО - международной системы допусков). Основные
положения этой системы, принятые в ней величины допусков и основных отклонений,
правила образования полей допусков и обозначения нормируется стандартом СЭВ -
СТ СЭВ 145 - 75.
Для того чтобы изделие отвечало своему целевому назначению,
необходимо, чтобы его размеры выдерживались между двумя допустимыми предельными
размерами, разность которых образует допуск. Допуск является
мерой точности изготовления: чем меньше допуск, тем выше точность. Для удобства
на чертежах принято указывать номинальный размер детали, а каждый из двух
предельных размеров определяют по его отклонениям от этого номинального
размера. На схемах номинальному размеру соответствует нулевая линия, от которой
отсчитывают в плюс или минус отклонения отверстия и вала, а заштрихованные
прямоугольники являются полями допуска деталей.
Точность размеров в системе СЭВ нормируют условными уровнями
точности, называемыми квалитетами.
Допуски, установленные для квалитетов, называют основными. С
увеличением порядкового номера квалитета допуски увеличиваются. Предусмотрено
28 рядов или типов отклонений для валов и отверстий. Каждое отклонение
обозначают латинской буквой - малой, если отклонение относится к валу, и
большой - к отверстию.
Для упрощения чертежей введены предельные отклонения от
номинального размера: верхнее предельное отклонениеES,es -
алгебраическая разность между наибольшим предельным и номинальным размерами; нижнее
предельное отклонениеEI,ei - алгебраическая разность между наименьшим
предельным и номинальным размерами. Для отверстия ES=Dmax - D, EI=Dmin
- D, для вала es=dmax-D, ei=dmin - D. Действительным
отклонением называют алгебраическую разность между действительным и
номинальным размерами. Отклонение является положительным, если его предельный
или действительный размер больше номинального, и отрицательным, если указанные
размеры меньше номинального.
Допуском Т называют разность между наибольшим и
наименьшим допускаемыми значениями того или иного параметра. Допуск Т размера -
разность между наибольшим и наименьшим предельными размерами или абсолютное
значение алгебраической разности между верхним и нижним отклонениями. Поле
допуска - поле, ограниченное верхним и нижним отклонениями. Нулевая
линия - линия, соответствующая номинальному размеру, от которой
откладывают отклонения размеров при графическом изображении допусков и посадок.
Посадкой называют характер соединения деталей, определяемый
величиной получающихся в нём зазоров или натягов. Посадка характеризует свободу
относительного перемещения соединяемых деталей или степень сопротивления их
взаимному смещению. Зазор S - разность размеров отверстия и вала,
если размер отверстия больше размера вала. Наибольший, наименьший и средний
зазоры определяют по формулам:

, 
, 
Натяг N - разность размеров вала и отверстия до сборки, если размер вала
больше размера отверстия. Наибольший, наименьший и средний натяги
определяют по формулам:

, 
, 
точность соединение калибр вал
Посадка с зазором - посадка, при которой
обеспечивается зазор в соединении. Посадка с натягом - посадка,
при которой обеспечивается натяг в соединении. Переходная посадка
- посадка, при которой возможно получение как зазора, так и натяга. Допуск
посадки - разность между наибольшим и наименьшим допускаемыми зазорами
или наибольшими и наименьшим допускаемыми натягами.
1.
Определение зазоров, натягов и допусков посадок в гладких цилиндрических
соединениях
Цель работы: расчет посадок в системе основного отверстия и
основного вала.
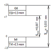
1.1 Расчет
посадок в системе основного отверстия, 6-й квалитет
Ш30мм, квалитет 6, Ш55D10/h9
Поля допусков: вала:
, g6
, h6
, js6
, k6
, m6
, n6
,
, r6
, s6
, t6
;
отверстия:
,H6
, Js6
, K6
, M6
, N6
, P6
.
Рисунок 1 - Графическое изображение системы отверстия, 7-й
квалитет
) Расчёт посадки с зазором:
max =
Dmax - dmin = ES - ei; (1)min = Dmim - dmax
= es - EI; (2)= Smax - Smin, (3)
где 
- наибольший и наименьший зазоры;

- наибольший и наименьший размеры отверстия и вала;

- верхние отклонения размеров отверстий и валов;

- нижние отклонения размеров отверстий и валов;- допуск посадки с
зазором;
max=
(30 + 0,013) - (30 + (-0,033)) = 0,046 [мм];min = (30 + 0) - (30 +
(-0,020)) = 0,02 [мм];= 0,046 - 0,02 = 0,026 [мм];
б) Расчёт посадки с натягом:
max =
dmax - Dmin =es - EI; (4)min= dmim
- Dmax= ei - ES; (5)= Nmax - Nmin, (6)
где Nmax - наибольший натяг; Nmin -
наименьший натяг;- допуск посадки;
max
= (30 + 0,054) - (30 +0) = 0,054 [мм];min = (30 + 0,041) - (30
+0,013) = 0,028 [мм];= 0,054 - 0,028 = 0,026 [мм];
в) Расчёт переходной посадки:
(TN) = Nmax + Smax, (7)
где TS (TN) - допуск на переходную посадку.
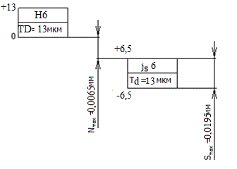
max
= (30+ 0,0065) - (30 + 0) = 0,0065 [мм];max= (30 + 0,013) - (18 +
(-0,0065)) = 0,0195 [мм];(TN) = 0,0065 + 0,0195 = 0,026 [мм];
Посадка с зазором
Посадка с натягом
Переходная посадка
Рисунок 2 - Графическое изображение посадокв системе основного
отверстия, 6-й квалитет
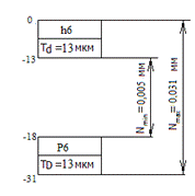
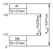
1.2 Расчет
посадок в системе основного вала, 6-й квалитет
Рисунок 3 - Графическое изображение системы вала, 6-й
квалитет
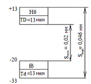
) Расчёт посадки с зазором:
max= (30 + 0,020) - (30 - (-0,013)) = 0,033 [мм];min=
(30 + 0,007) - (30 +0) = 0,007 [мм];= Smax - Smin = 0,033
- 0,007 = 0,026 [мм];
б) Расчёт посадки с натягом:
max= (30 + 0) - (30 + (-0,031)) = 0,031 [мм];min=
(30 - 0,013) - (30 + ( - 0,018) = 0,005 [мм];= 0,031 - 0,005 = 0,026 [мм];
в) Расчёт переходной посадки:
max= (30 + 0) - (30 - 0,0065) = 0,0065 [мм];max=
(30 + 0,0065) - (30 - 0,013) = 0,0195 [мм];(TN) = 0,0065 + 0,0195 = 0,026 [мм];
Посадка с зазором
Посадка с натягом

Рисунок 4 - Графическое изображение посадок в системе
основного вала, 6-й квалитет
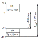
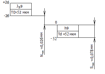
1.3 Расчет
посадок в системе основного отверстия, 9-й квалитет
Ш30мм, 9-й квалитет, Ш55D10/h9
Поля допусков:
вала: d9
, e9
, f9
, h9
, js
;
отверстия: D9
, E9
, F9
, H9
, Js9
.
Рисунок 5 - Графическое изображение системы отверстия, 9-й
квалитет
а) Расчёт посадок с зазором:
max= (30 + 0,052) − (30 + ( - 0,117)) = 0,169
[мм];
Smin= (30 + 0) - (30+ ( - 0,065)) = 0,065 [мм]; = 0,169
- 0,065=0,104 [мм];
б) Посадки с натягом нет.
в) Расчёт переходной посадки:
max=
(30 + 0,026) - (30 + 0) = 0,026 [мм];max= (30 + 0, 052) - (30 +
(-0,026)) = 0,078 [мм];(TN) = 0,026 + 0,078 = 0,104 [мм];
Посадка с зазором
Переходная посадка
Рисунок 6 - Графическое изображение посадок в системе основного
отверстия, 9-й квалитет
1.4 Расчет
посадок в системе основного вала, 9-й квалитет
Рисунок 7 - Графическое изображение системы вала, 9-й
квалитет
а) Расчёт посадок с зазором:
max= (30 + 0,117) − (30 - 0,052) = 0,169 [мм];
Smin= (30 + 0,065) - (30 - 0) = 0,065 [мм]; =
0,169-0,065=0,104 [мм];
б) Посадки с натягом нет.
в) Расчёт переходной посадки:
max=
(30 + 0) - (30 + (-0,026)) = 0,026 [мм];
= (30 + 0, 026) - (30 + (-0,052)) = 0,078 [мм];(TN) = 0,026 +
0,078 = 0,104 [мм];
Посадка с зазором
Переходная посадка
Рисунок 8 - Графическое изображение посадок в системе основного
вала, 9-й квалитет.
Рисунок 9 - Эскизы деталей и соединения и с тремя способами
обозначения допусков. Ш55 D10/h9
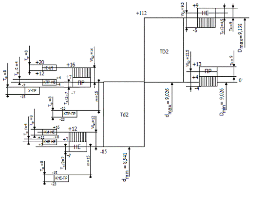
2. Расчёт
гладких предельных размеров калибров
Цель работы: рассчитать калибр-пробку и калибр-скобу.
Ш55 D10/h9
h9
,z1=13=0,013 z,z1=13=0,013,y1=0y,y1=0
α,α1=0 α,α1=0,H=5=0,005 H=5=0,0051=8=0,008H1=8=0,008,
HS=3=0,003 Hp, HS=3=0,003.
Рисунок 10 - Графическое изображение системы отверстия
соединения ?55 D10/h9
КАЛИБР-ПРОБКА:
(Р-ПР) нб: D+EI+z+H/2; (8)
(Р-ПР) нм: D+EI+z-H/2; (9)
(Р-ПР) изн: D+EI-y; (10)
(Р-НЕ) нб: D+ES+Н/2; (11)
(Р-НЕ) нм: D+ES-Н/2; (12)
КАЛИБР-СКОБА:
(Р-ПР) нб: d+es-z1+H1/2;
(13)
(Р-ПР) нм: d+es-z1-H1/2; (14)
(Р-ПР) изн: d+es+y1; (15)
(Р-HЕ) нб: d+ei+H1/2; (16)
(Р - HЕ) нм: d+ei - H1/2; (17)
(К-ПР) нб: d+es-z1+Hp/2; (18)
(K-ПР) нм: d+es-z1-Hp/2; (19)
(K-HE) нб: d+ei+Hp/2; (20)
(K-HЕ) нм: d+ei-Hp/2; (21)
(К-И) нб: d+es+y1+Hp/2; (22)
(К-И) нм: d+es+y1-Hp/2; (23)
где H, H1, z, z1, y, y1, Hp
- выбираем по СТ СЭВ 157-75;, d - номинальные размеры отверстия и вала;
(Р-ПР), нб; (Р-ПР), нм; (Р-ПР), изн - наибольший, наименьший
и изношенный размеры рабочего проходного калибра;
(Р-НЕ), нб; (Р-НЕ), нм - наибольший и наименьший размеры
рабочего непроходногокалибра;
(К-ПР), нб (К-ПР), нм - наибольший и наименьшийразмеры
контрольного проходного калибра-пробки;
(К-НЕ), нб; (К-НЕ), нм - наибольший и наименьший размеры
контрольного непроходного калибра-пробки;
(К-И), нб; (К-И),
нм - наибольший и наименьший размеры калибра для контроля на износ рабочей
проходной скобы;(D) - номинальный размер изделий;min (Dmin)
- наименьший предельный размер изделия;max (Dmax) -
наибольший предельный размер изделия;(TD) - допуск изделий;- допуск на
изготовление калибров (за исключением калибров со сферическими измерительными
поверхностями) для отверстия;s - допуск на изготовление калибров со
сферическими измерительными поверхностями для отверстия;1 - допуск
на изготовление калибров для вала;p - допуск на изготовление
контрольного калибра для скобы;- отклонение середины поля допуска на
изготовление проходного калибра для отверстия относительно наименьшего
предельного размера изделия;1 - отклонение середины поля допуска на
изготовление проходного калибра для вала относительно наибольшего предельного
размера изделия;- допустимый выход размера изношенного проходного калибра для
отверстия за границу поля допуска изделия;1 - допустимый выход
размера изношенного проходного калибра для вала за границу поля допуска
изделия;
α -
величина для компенсации погрешности контроля калибрами отверстия с размерами
свыше 180 мм.
КАЛИБР-ПРОБКА:
(Р-ПР) нб= 55 +0,100+0,013+0,005/2=55,1155
[мм];
(Р-ПР) нм=
55+0,1+0,013-0,005/2=15,1105 [мм];
(Р-ПР) изн =
55+0,1-0=55,1 [мм];
(Р-НЕ)
нм=55+0,22-0,005/2=55,2175 [мм];
КАЛИБР-СКОБА:
(Р-ПР) нб=55-0-0,013+0,004=54,991 [мм];
(Р-ПР)
нм=55+0-0,013-0,004=54,983 [мм];
(Р-ПР) изн
=55+0-0=15 [мм];
(Р-HЕ) нб=55+
(-0,074) +0,004=54,93 [мм];
(Р - HЕ) нм=55+
(-0,074) - 0,004=54,922 [мм];
(К-ПР)
нб=55+0-0+0,003/2=55,0015 [мм];
(K-ПР)
нм=55-0,0015=54,9985 [мм];
(K-HЕ) нб=55+
(-0,074) +0,003/2=54,9275 [мм];
(K-HЕ)
нм=55+0,074-0,0015=54,9254 [мм];
(К-И)
нб=55+0-0,0015=55,0015 [мм];
(К-И)
нм=55+0+0-0,0015=55,9985 [мм].
Калибр-скоба:
(Р-ПР) нб - (Р-ПР) нм = 54,991 - 54,983 =
0,008
Калибр-пробка:
(Р-ПР) нб - (Р-ПР) нм = 55,1155 - 55,1105 =
0,005
Калибр-скоба:
(Р-ПР) нб - (Р-ПР) нм = 54,93 - 54,922 =
0,008
Калибр-пробка:
(Р-ПР) нб - (Р-ПР) нм = 55,2225 - 55,2175 =
0,005
Рисунок 11 - Схема расположения полей допусков калибров для
деталей соединения Ш55D10/h9
а)
б)
Рисунок 12 - Простановка исполнительных размеров на рабочих
чертежах калибров для соединения Ш55D10/h9 (а) - скоба, б) - пробка)
3. Решение
размерных цепей методом полной взаимозаменяемости
Цель работы: рассчитать плоскую размерную цепь методом полной
взаимозаменяемости.
а)
б)
Рисунок 13 - Эскизы узлов и безмасштабные схемы размерных
цепей (а-для прямой задачи, б - для обратной задачи)
3.1 Прямая
задача
Дано: Б
=107+0,070; Б
=2-0,020;
=18-0,030;
=25-0,090;
=48-0,050;
=13
Рассчитываем номинальный размер по следующему уравнению:
Б
=
(24)
Б
= 107- (2+18+25+48+13) =1 [мм];
Прежде, чем определить координату середины поля допуска
замыкающего звена Δ
Б, определим составляющие звенья:
Δ
Б
(25)
Δ
Б
=
= 0,035 [мм];
Δ
Б2=
= - 0,01 [мм];
Δ
Б3=
= - 0,015 [мм];
Δ
Б4=
= - 0,045 [мм];
Δ
Б5 =
= - 0,025 [мм];
Δ
Б6=
= 0,0135 [мм];
Координату середины поля допуска замыкающего звена Δ
Б
определим по формуле:
Δ
Б
=
ξ
(26)
Δ
Б
= (0,035+ (-1) * (-0,01) + (-1) * (-0,015) + (-1) * (-0,045) +
(-1) * (-0,025) + (-1) * (-0,0135)) =0,1165 [мм];
Рассчитаем допуск замыкающего звена ТБ
по формуле:
ТБ
=
ТБ
│ ξ │ (27)
ТБ
=
0,07+0,02+0,03+0,09+0,05+0,06+0,033=0,353 [мм];
Далее рассчитываем предельные отклонения замыкающего звена ЕSБ
и ЕIБ
:
ЕSБ
= Δ
Б
+
(28)
ЕIБ
= Δ
Б
-
(29)
ЕSБ
= 0,1165+
= 0,293 [мм];
ЕIБ
=0,1165-
= - 0,06 [мм];
Производим проверку правильности решения задачи по формулам:
ЕSБ
=
; (30)
ЕIБ
=
, (31)
где n и p соответственно, количество увеличивающих и уменьшающих
звеньев размерной цепи.
ЕSБ
= 0,07 - (-0,02-0,03-0,09-0,05-0,033)
=0,293 [мм];
ЕIБ
= 0 - 0,06 = - 0,06 [мм].
Как показали результаты проверки, задача решена верно.
3.2 Обратная
задача
Дано: Б
=131; Б
=3;
=21;
=17;
=75;
=14; ЕSБ
=+0,319
ЕIБ
=+0,006
По уравнению находим значение Б
Б
=
) (32)
Б
=131-3-21-17-75-14=1мм
ТБ
= ЕSБ
- ЕIБ
; (33)
ТБ
=0,319-0,006=0,313 [мм];
Все данные из прямой задачи заносим в таблицу:
Таблица 1 - Сводные данные по прямой задаче
|
Б ЕS (es) Б ммЕI (ei) Б ммТБ ξ
|
|
|
|
|
|
|
Б =107+0,0700,035+0,07000,07+1
|
|
|
|
|
|
|
Б =2-0,020-0,010-0,0200,02-1
|
|
|
|
|
|
|
=18-0,030-0,0150-0,0300,03-1
|
|
|
|
|
|
|
=25-0,090-0,0450-0,0900,09-1
|
|
|
|
|
|
|
=48-0,050-0,0250-0,0500,05-1
|
|
|
|
|
|
|
=13 -0,0135+0,060-0,0330,093-1
|
|
|
|
|
|
Определяем координату середины поля допуска замыкающего звена Δ
Б
.
Δ
Б
=
(34)
Δ
Б
=
=0,1625 [мм];
Подсчитав значение коэффициента α, определяем номер квалитета, по которому
необходимо назначить предельные отклонения на все составляющие звенья размерной
цепи:
α
= 
(35)
Значения единицы допуска (i) для каждого составляющего размера
цепи находим по таблице.
Таблица 2 - Значения единиц допуска
|
Интервалы размеров (мм) (св-во)
|
3
|
3 6
|
6 10
|
10 18
|
18 30
|
30 50
|
50 80
|
80 120
|
120 180
|
180 250
|
250 315
|
315 400
|
|
i 0,550,730,91,081,311,561,862,172,522,93,233,54
|
|
|
|
|
|
|
|
|
|
|
|
|
i
=2,52i
= 0,55 i
=1,31i
=1,08 i
=1,86 i
=1,08
α
=
=74,52
Далее по таблице выбираем ближайший квалитет:
Таблица 3 - Квалитет и его число единиц допуска
|
Номер квалитета
|
IT5
|
IT6
|
IT7
|
IT8
|
IT9
|
IT10
|
IT11
|
IT12
|
IT13
|
IT14
|
IT15
|
IT16
|
IT17
|
|
α 7101625406410016025040064010001600
|
|
|
|
|
|
|
|
|
|
|
|
|
|
В данном примере значение α
=72,52 более подходит для 10 квалитета. По
СТ. СЭВ 144-75 назначим предельные отклонения для всех составляющих звеньев
цепи, учитывая при этом, что увеличивающие звенья необходимо выбирать по
"H", а уменьшающие - по "h", т.е. соответственно по
основному отверстию и основному валу:
Б
=131
; Б
=3
;
=21
;
=17
;
=75
;
=14
Критерием правильности выбора служит уравнение
ТБ
=
(36)
В качестве регулирующего звена выбираем звено Б
и находим его допуск:
ТБ
= ТБ
- (ТБ
+ТБ
+ТБ
+ТБ
+ТБ
) (37)
ТБ
= 0,313 - (0,160+0,084+0,07+0,12+0,07)
=-0, 191 [мм];
Так как допуск, допуск размера не может быть отрицательной
величиной, то выбираем другой квалитет более точный - 9-ый. Так же по СТ СЭВ
144-75 назначаем допуски на составляющие размеры в 9-м квалитете.
Б
=131
; Б
=3
;
=21
;
=17
;
=75
;
=14
Выполним корректировку по второму звену:
ТБ
=0,313 - (0,100+0,052+0,043+0,074+0,043)
=0,001 [мм];
Определяем координату середины поля допуска регулирующего звена Б
:
Δ
Б
=
(38)
Откуда
(-1) Δ
Б
= (+1) Δ
Б
- Δ
Б
- (-1) Δ
Б
- (-1) Δ
Б
- (-1) Δ
Б
- (-1) Δ
Б
=0,05-0,1625+0,026+0,0215+0,037+0,0215=-0,0065 [мм];
Определяем предельные отклонения регулирующего звена еsБ
и eiБ
.
Б
= Δ
Б
+
; (39)Б
= Δ
Б
-
; (40)Б
= - 0,065+
= - 0,006 [мм];Б
=-0,065 - 0,0005=-0,007 [мм];
Выполним проверку правильности решения задачи по формулам:
Результаты проверки совпадают с исходными данными, следовательно,
задача решена, верно.
а)
б)
Рисунок 14 - Эскизы узлов и безмасштабные схемы размерных цепей
(а-для прямой задачи, б - для обратной задачи)
4. Расчет
точности резьбового соединения и резьбовых калибров
Цель работы: рассчитать точность резьбового соединения и
резьбовых калибров.- 4H5H/4h, номинальный размер - 10; шаг - 1,5; класс
точности для гайки - 4H5H; класс точности для болта - 4h.
Определяем по ГОСТ 16093 - 2004 отклонения основных
параметров резьбы и заносим в таблицу. Для выбора отклонения болта и гайки
необходимо использовать номинальный размер, шаг, класс точности относительно
болта и гайки.
Таблица 4 - Отклонения диаметров
|
диаметры
|
мкм
|
Отклонения, мкм
|
|
|
Болт
|
Гайка
|
|
Наружный d (D)
|
Верхнее Нижнее
|
0 150
|
Не нормируется 0
|
Средний d
(D
) Верхнее
Нижнее0
+112
Внутренний d
(D
) Верхнее
Нижнее0
Не нормируется+236
По ГОСТ 24705 - 2004 определили предельные размеры параметров
резьбы и занести в таблицу. Для определения предельных размеров относительно
болта и гайки необходимо к номинальному размеру прибавить предельные отклонения
с учетом знаков.
Таблица 5 - Предельные размеры диаметров
|
Предельные размеры диаметров, мм
|
|
Диаметры, мм
|
Болт
|
Гайка
|
|
d (D)
|
Наиб. Наим.
|
10,000-0=10,000 10,000-0,150=9,85
|
Не нормируется 10,000
|
|
|
|
|
d
(D
)
Наиб.
Наим. 9,026 - 0=9,026
,026 - 0,085=8,9419,026+0,112=9,138
d
(D
)
Наиб.
Наим. 8,376 - 0=8,376
Не нормируется8,376 +0,236=8,612
По ГОСТ 24997 - 2004 и ГОСТ 18107 - 72 находим отклонения
параметров резьбы калибров, подсчитываем их предельные размеры и вносим в
таблицу.
Для определения предельных отклонений калибров учитывают
исходный расчетный размер, шаг и степень точности.
Таблица 6 - Предельные отклонения калибров для гаек и болтов
|
Условное обозначение калибра
|
Исходный расчетный размер, мм
|
Предельные отклонения, мм
|
|
|
верхнее
|
нижнее
|
изношенный
|
|
Калибры для гаек ПР НЕ Калибры для болтов ПР НЕ
К-И У-ПР КИ-НЕ У-НЕ КПР-ПР КПР-НЕ НКЕ-ПР КНЕ-НЕ
|
9,026 9,138 9,026 8,941 9,026 9,026 8,941
9,026 9,026 8,941 8,941
|
+15 +13,5 30 +8 +18,5 +9 +11 +2 +9 +9,5 +9 +9
|
3 4,5 46 8 +9,5 9 4 16 9 +0,5 9 9
|
6,5 0
|
Расчет предельных размеров резьбовых калибров:
а) калибры для гаек
ПР, нб = 9,026+0,015= 9,071 [мм];
ПР, нм =9,026-0,003=9,023 [мм];
ПР, изн =9,026-0,0065=9,0195 [мм];
НЕ, нб = 9,138+0,0135=9,1515 [мм];
НЕ, нм =9,138-0,0045=9,1335 [мм];
б) калибры для болтов
ПР, нб =9,026-0,030=8,996 [мм];
ПР, изн = 9,026+0=9,026 [мм];
НЕ, нб = 8,941+0,008=8,949 [мм];
НЕ, нм = 8,941-0,008=8,933 [мм];
(К-И), нб = 9,026+0,0185=9,0445 [мм];
(К-И), нм =9,026+0,0095=9,0355 [мм];
(У - ПР), нб =9,026+0,009=9,035 [мм];
(У - ПР), нм =9,026-0,009=9,017 [мм];
(КИ - НЕ), нб =8,941+0,011=8,952 [мм];
(КИ - НЕ), нм = 8,941-0,004=8,937 [мм];
(У - НЕ), нб =9,026+0,002=9,028 [мм];
(У - НЕ), нм = 9,026-0,016=9,01 [мм];
(КПР - ПР), нб = 9,026+0,009=9,035 [мм];
(КПР - ПР), нм = 9,026-0,009=9,017 [мм];
(КПР - НЕ), нб = 9,026+0,0095=9,0355 [мм];
(КПР - НЕ), нм = 9,026+0,0005=9,0265 [мм];
(КНЕ - ПР), нб =8,941+0,009=8,95 [мм];
(КНЕ - ПР), нм = 8,941-0,009=8,932 [мм];
(КНЕ - НЕ), нб = 8,941+0,009=8,95 [мм];
(КНЕ - НЕ), нм = 8,941-0,009=8,932 [мм];
Вычисляем верхние и нижние показатели проходного и
непроходного калибров для гаек:
ПР, нб - ПР, нм = 9,041 - 9,023 = 0,018 [мм];
НЕ, нб - НЕ, нм = 9,1515 - 9,1335 = 0,018 [мм];
Для болтов:
ПР, нб - ПР, нм = 8,996 - 8,98 = 0,016 [мм];
НЕ, нб - НЕ, нм = 8,949 - 8,933= 0,016 [мм].
Рисунок 15 - Схема профиля метрической резьбы
Рисунок 16 - Схема расположения полей допусков резьбы
Рисунок 17 - Профили резьбовых калибров

Рисунок - 18 Схема расположения полей допусков для резьбовых
калибров
Заключение
В результате работы мы рассчитали допуски посадок в системе
отверстия и в системе вала для 6 и 9 квалитета. Выполнили графическое
изображение посадок с зазором, натягом и переходной посадки для каждой системы
и квалитета, а так же изобразили эскиз деталей и соединения с тремя способами обозначения
допусков.
Рассчитали основные размеры калибра-пробки и калибра-скобы.
Изобразили схему расположения полей допусков калибров, калибр-скобу и
калибр-пробку с их предельными размерами и отклонениями полей допусков.
Рассчитали плоскую размерную цепь методом полной
взаимозаменяемости. При решении прямой задачи, мы имея размеры и предельные
отклонения составляющих звеньев, нашли номинальный размер и предельные
отклонения ЗЗ, а при решении обратной задачи, имея предельные отклонения ЗЗ и
номинальные размеры составляющих звеньев, нашли их предельные отклонения.
Рассчитали точность резьбового соединения и основные размеры
резьбовых калибров. Изобразили схему профиля метрической резьбы, расположения
полей допусков резьбы, расположения полей допусков для резьбовых калибров, а
также профили резьбовых калибров.
Список
использованных источников
1. Зябрева
Н.Н., Перельман Б.А., Шегал М.Я. Пособие к решению задач по курсу ВзСТИ, - М.:
Издательство "Высшая школа", 1997. - 208 с.
2. Якушев
А.И. и др. Взаимозаменяемость, стандартизация и технические измерения: Учебник
для вузов /А.И. Якушев, Л.Н. Воронцов, К.М. Федоров. - 6-е изд., перераб. и
доплн. - М.: Машиностроение, 1986. - 362 с.
. Хамханова
Д.Н., Хамханов К.М., Хадыков М.Т. "Нормоконтроль курсовых, дипломных
проектов (работ), отчетов по производственной практике. Общие требования и
правила оформления", - Улан-Удэ, издательство ВСГТУ, 2009.
. ГОСТ
25347-82 (СТ СЭВ 144-75) "Единая система полей допусков и посадок";
. ГОСТ
9150-2002 (ИСО 68-1-98) "Основные нормы взаимозаменяемости. Резьба
метрическая. Профиль";
. ГОСТ
16093-2004 (ИСО 965-1: 1998; ИСО 965-3: 1998)"Основные нормы
взаимозаменяемости. Резьба метрическая. Допуски. Посадки с зазором";
. ГОСТ
18107-72 "Калибры для метрическихрезьб";
. ГОСТ
24705-2004 (ИСО 724: 1993)"Основные нормы взаимозаменяемости. Резьба
метрическая. Основные размеры";
. ГОСТ
24706-81 (СТ СЭВ 184-75)"Резьба метрическая для приборостроения. Основные
размеры";
. ГОСТ
24997-2004 (ИСО 1502: 1996)"Калибры для метрической резьбы. Допуски";
. ГОСТ
25347-82 "Основные нормы взаимозаменяемости. Единая система допусков и
посадок. Поля допусков и рекомендуемые посадки".