Нормирование точности соединений деталей машин
КУРСОВОЙ ПРОЕКТ
на тему:
«Нормирование точности
соединений деталей машин»
Содержание
Задание
1. Гладкие сопряжения и
калибры
1.1 Гладкие сопряжения
1.2 Калибры
2. Шероховатость,
отклонение формы и расположения поверхностей
3. Резьбовые соединения
4. Подшипники качения
5. Шпоночные и шлицевые
соединения
6. Размерные цепи
6.1 Составление схемы
размерной цепи
6.2 Расчёт подетальной
размерной цепи методом максимума и минимума
6.3 Сложение и вычитание
размеров и предельных отклонений
6.4 Расчёт подетальной
размерной цепи методом максимума-минимума. Проектная задача
6.5 Расчёт подетальной
размерной цепи вероятностным методом. Проектная задача
6.6 Замена размеров в
размерной цепи
7. Зубчатые передачи
Приложние
Литература
1. Гладкие сопряжения и калибры
1.1 Гладкие сопряжения
Исходные
данные для варианта №50:
|
Ø67 H7/e8
|
|
Ø55 Н8/r6
|
|
Ø28 H7/m6
|
|
Ø13 D9/h8
|
|
Ø38 T7/h7
|
|
Ø19 E9/e9
|
Задана
посадка Ø67 H7/e8. Предельное отклонение отверстия Ø67 H7:
верхнее ES=30мкм; нижнее EJ=0мкм. Предельное отклонение вала: верхнее
es=-66мкм; нижнее ei=-106мкм.
Предельные
размеры отверстия и вала:

,

,

,

.
Допуски
размеров отверстия и вала:

,

.
Параметры
посадки с зазором:

,

,

.
Проверка:
,
Изобразим
схему посадки Ø67 H7/e8 на Рисунке 1.1.
Рисунок 1.1
Задана посадка
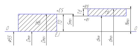
Ø55 H8/r6. Предельное отклонение отверстия Ø55 H8: верхнее ES=46мкм;
нижнее EJ=0мкм. Предельное отклонение вала: верхнее es=60мкм; нижнее ei=41мкм.
Предельные
размеры отверстия и вала:

,

,

,

.
Допуски
размеров отверстия и вала:

,

.
Параметры переходной
посадки:

,

,

.
Проверка:
,
Изобразим
схему посадки Ø55 H8/r6 на Рисунке 1.2.
Рисунок 1.2
Задана
посадка Ø28 H7/m6. Предельное отклонение отверстия Ø28 H7:
верхнее ES=21мкм; нижнее EJ=0мкм. Предельное отклонение вала: верхнее es=21мкм;
нижнее ei=8мкм.
Предельные
размеры отверстия и вала:

,

,

,

.
Допуски
размеров отверстия и вала:

,

.
Параметры
переходной посадки:

,

,

.
Проверка:
,
Изобразим
схему посадки Ø28 H7/m6 на Рисунке 1.3.
Рисунок 1.3
Задана
посадка Ø13 D9/h8. Предельное отклонение отверстия Ø13 D9:
верхнее ES=93мкм; нижнее EJ=50мкм. Предельное отклонение вала: верхнее es=0мкм;
нижнее ei=-27мкм.
Предельные
размеры отверстия и вала:

,

,

,

.
Допуски
размеров отверстия и вала:

,

.
Параметры
переходной посадки:

,

,

.
Проверка:
,
Изобразим
схему посадки Ø13 D9/h8 на Рисунке 1.4.
Рисунок 1.4
Задана
посадка Ø38 T7/h7. Предельное отклонение отверстия Ø38 T7:
верхнее ES=-39мкм; нижнее EJ=-64мкм. Предельное отклонение вала: верхнее
es=0мкм; нижнее ei=-25мкм.
Предельные
размеры отверстия и вала:

,

,

,

.
Допуски
размеров отверстия и вала:

,

.
Параметры
переходной посадки:

,

,

.
Проверка:
,
Изобразим
схему посадки Ø38 T7/h7 на Рисунке 1.5.
Рисунок 1.5
Задана
посадка Ø19 E9/e9. Предельное отклонение отверстия Ø19 E9:
верхнее ES=92мкм; нижнее EJ=40мкм. Предельное отклонение вала: верхнее
es=-40мкм; нижнее ei=-92мкм.
Предельные
размеры отверстия и вала:

,

,

,

.
Допуски
размеров отверстия и вала:

,

.
Параметры
переходной посадки:

,

,

.
Проверка:
,
Изобразим
схему посадки Ø19 E9/e9 на Рисунке 1.6.
Рисунок 1.6
Таблица 1.1 Размера отверстий.
|
Обозначение
посадки
|
Поле
Допуска отверстия
|
Предельные
отклонения
|
Предельные
размеры
|
Допуск
Отверстия
,мм
|
|
Верхнее
ES,мм
|
Нижнее
EJ,мм
|
наибольшее
,мм
|
наименьшее
,мм
|
|
Ø67 H7/e8
|
Ø67 H7
|
0,030
|
0
|
67,03
|
67
|
0,03
|
|
Ø55 Н8/r6
|
Ø55 Н8
|
0,046
|
0
|
55,046
|
55
|
0,046
|
|
Ø28 H7/m6
|
Ø28 H7
|
0,021
|
0
|
28,021
|
28
|
0,021
|
|
Ø13 D9/h8
|
Ø13 D9
|
0,093
|
0,050
|
13,093
|
13,050
|
0,043
|
|
Ø38 T7/h7
|
Ø38 T7
|
-0,039
|
-0,064
|
37,961
|
37,936
|
0,025
|
|
Ø19 E9/e9
|
Ø19 E9
|
0,092
|
0,040
|
19,092
|
19,040
|
0,052
|
|
|
|
|
|
|
|
|
|
Таблица 2.2 Размера валов.
|
Обозначение
посадки
|
Поле
Допуска отверстия
|
Предельные
отклонения
|
Предельные
размеры
|
Допуск
Отверстия
,мм
|
|
Верхнее
es,мм
|
Нижнее
si,мм
|
наибольшее
,мм
|
наименьшее
,мм
|
|
Ø67 H7/e8
|
Ø67 e8
|
-0,066
|
-0,106
|
66,934
|
66,894
|
0,04
|
|
Ø55 Н8/r6
|
Ø55 r6
|
0,060
|
0,041
|
55,060
|
55,041
|
0,019
|
|
Ø28 H7/m6
|
Ø28 m6
|
0,021
|
0,008
|
28,021
|
28,008
|
0,013
|
|
Ø13 D9/h8
|
Ø13 h8
|
0
|
-0,027
|
13
|
12,973
|
0,027
|
|
Ø38 T7/h7
|
Ø38 h7
|
0
|
-0,025
|
38
|
37,975
|
0,025
|
|
Ø19 E9/e9
|
Ø19 E9
|
-0,040
|
-0,092
|
18,96
|
18,908
|
0,052
|
|
|
|
|
|
|
|
|
|
Таблица 2.3 Типы и параметры
посадок.
|
Обозначение посадки
|
Предельные размеры
|
Параметры посадок
|
Группа посадок
|
Допуск посадки
|
|
отверстия
|
вала
|
зазор
|
натяг
|
|
мм
|
мм
|
мм
|
мм
|
мм
|
мм
|
мм
|
мм
|
|
Ø67 H7/e8
|
67,03
|
67
|
66,934
|
66,894
|
0,136
|
0,066
|
-
|
-
|
с зазор.
|
0,07
|
|
Ø55 Н8/r6
|
55,046
|
55
|
55,060
|
55,041
|
0,005
|
-
|
0,060
|
-
|
перех.
|
0,065
|
|
Ø28 H7/m6
|
28,021
|
28
|
28,021
|
28,008
|
0,013
|
-
|
0,021
|
-
|
перех.
|
0,034
|
|
Ø13 D9/h8
|
13,093
|
13,050
|
13
|
12,973
|
0,12
|
0,05
|
-
|
-
|
с зазор.
|
0,07
|
|
Ø38 T7/h7
|
37,961
|
37,936
|
38
|
37,975
|
-
|
-
|
0,064
|
0,014
|
с натяг.
|
0,05
|
|
Ø19 E9/e9
|
19,092
|
19,040
|
18,96
|
18,908
|
0,184
|
0,08
|
-
|
-
|
с зазор.
|
0,104
|
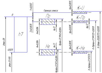
1.2 Калибры
Устанавливаем
допуски на изготовление предельных калибров:
Для отверстия
допуск на изготовление 
,
- сдвиг поля допуска проходной стороны 
, координата границы износа - 
; сдвиг поля допуска непроходной стороны - 0
; для вала: 
, 
, 
, 
.
Исполнительный
размер проходной стороны калибра-пробки:

.
Размер на
чертеже Ø 37,9415 – 0,004 мм.
Исполнительный
размер проходной стороны калибра-пробки:

.
Размер на
чертеже Ø 37,963 – 0,004 мм.
Исполнительный
размер проходной стороны калибра-скобы:

.
Размер на
чертеже Ø 37,9945 + 0,004 мм.
Исполнительный
размер непроходной стороны калибра-скобы:

.
Размер на
чертеже Ø 37,973 + 0,004 мм.
Исполнительный
размер контрольного калибра

.
Размер на
чертеже Ø 38,00375 - 0,0015 мм.
Исполнительный
размер контрольного калибра
:

.
Размер на
чертеже Ø 37,99725 - 0,0015 мм.
Исполнительный
размер контрольного калибра
:

.
Размер на
чертеже Ø 37,97575 - 0,0015 мм.
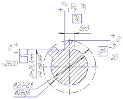
Изображение
схемы расположения полей допусков для калибра-скобы показано на Рисунке 1.6,
для калибра-пробки показано на Рисунке 1.7.
Шероховатость
рабочих поверхностей калибров с допусками размеров 4мкм и высокой геометрической
точностью поверхностей.
;

, принимаем
для робки. 
, принимаем
для скобы.
Рисунок 1.7
Рисунок 1.8
2. Шероховатость,
отклонение формы и расположения поверхностей
Исходные
данные:
|
I= Ø35к6
|
IX=10h9
|
|
II= Ø48n7
|
X= Ø72h8
|
|
III= Ø35к6
|
XI= Ø62H7
|
|
IV= Ø30r6
|
XII= Ø92±0,3
|
|
V= Ø42-0,2
|
XIII= Ø10+0,5
|
|
VI= Ø48-0,3
|
XIV=12-0,2
|
|
VII=15-0,03
|
XV=22h8
|
|
VIII=10h15
|
|
Шероховатости
отмеченных поверхностей находим сообразно назначению этих поверхностей и
допуску их размера. Так, поверхности Ø35к6, Ø48n8, Ø35K6
согласно полям допусков их размеров являются ответственными поверхностями,
образующими с сопрягаемыми поверхностями других деталей определённые посадки. В
общем случае выделенные поверхности можно считать поверхностями нормальной
геометрической точности, для которых параметр шероховатости
Для
поверхности Ø35к6, где 
, 
,
принимаем из
табл.0 
.
Для
поверхности Ø48n7, где 
, 
,
принимаем из
табл.0 
.
Для
поверхности Ø30r6, где 
, 
,
принимаем из
табл.0 
.
Для
поверхности Ø72h8, где 
, 
,
принимаем из
табл.0 
.
Для
поверхности Ø62H7, где 
, 
,
принимаем из
табл.0 
.
Для
поверхности Ø10+0,5, где 
, 
,
принимаем из
табл.0 
.
К точности
обработки, и следовательно, к шероховатости поверхностей Ø42-0,2, Ø48-0,3,
Ø95±0,3, Ø10+0,5 не предъявляются столь высокие требования.
Для
поверхности Ø42-0,2, 
,
принимаем из
табл.0 
.
Для
поверхности Ø48-0,3, 
,
принимаем из
табл.0 
.
Для
поверхности Ø92±0,3, 
,
принимаем из
табл.0 
.
Для
поверхности Ø10+0,5, 
,
принимаем из
табл.0 
.
Шероховатость
поверхностей шпоночного паза принимается обычно в пределах 
, причём большее значение соответствует дну
паза.
Допуски на
отклонение формы и расположения поверхностей также определим приближённым
методом. Допуски на отклонение от круглости и цилиндричности поверхностей Ø35к6,
Ø48n7, Ø30r6, Ø72h8, Ø62H7можно рассчитать
следующим образом:
Для
поверхности Ø35к6

(принимаем 4
);

(принимаем 4
);
Для
поверхности Ø62H7

(принимаем 8
);

(принимаем 8
);
Для
поверхности Ø48n7

(принимаем 
);
Для
поверхности Ø30r6

(принимаем 3
);
Для
поверхности Ø72h8

(принимаем 
);
Допуски на
радиальное биение поверхностей Ø48n8, Ø30r6 относительно
поверхности АБ (поверхности Ø35к6) приближённо могут быть найдены:
Для
поверхности Ø48n8

(принимаем допуск, равным 0,03мм)
Для
поверхности Ø30r6

(принимаем допуск, равным 0,012мм)
Допуски на
радиальное биение поверхности Ø72h8 относительно поверхности А
(поверхности Ø62H7) приближённо могут быть найдены следующим образом:
(принимаем 0,04мм)
Допуск на
отклонение от ┴ торца поверхности Ø42-0,2 для фиксации подшипника
зависит от допуска размера на ширину подшипника. Поэтому

(принимаем 0,008мм),
для
поверхности Ø48-0,3

(принимаем 0,016мм),
для
поверхности Ø92±0,3

(принимаем 0,016мм),
для
поверхности Ø72h8

(принимаем 0,025мм),
Допуск на
отклонение от симметричного расположения шпоночного паза:

(принимаем 0,12мм).
Для отверстий
допуск равен:
Ø
,
где
мм
Ø
мм (принимаем 0,5мм).
3. Резьбовые
соединения
Задано
резьбовое соединение:
и
отклонения 
, 
,
,
,
,
.
По условию
записи резьбового соединения устанавливаем:
резьба
метрическая, номинальный диаметр
; резьба однозаходная, шаг резьбы мелкий и
равен 2,5мм, направление навивки – правое; поля допусков на диаметры гайки
и
- 5Н; диаметры
и
болта имеют поля допусков 5g и 6g соответственно;
длинна свинчивания, не выходит за пределы нормальной; впадины резьбы выполнены
без закруглений.
Определяем по
формулам размеры сопрягаемых параметров резьбы:
мм;
мм;
мм.
По
справочнику согласно указанным полям допусков устанавливаем предельные
отклонения для нормируемых параметров болта и гайки:
На средний
диаметр
,
,
,
;
На наружный
диаметр
,
,
,
;
На внутренний
диаметр
,
,
,
;
Определяем
предельные размеры сопрягаемых параметров соответственно гайки и болта:

;

;
,
Так как
не нормируется, то
записываем
не менее
52,000
;

;

;

;

;

;

;

;

;
,
Так как
в не нормируется, то
записываем
не более
49,294
.
Находим
допуски на сопряжённые размеры резьбового соединения:

;
- не нормируемый;

;

;

;
- не нормируемый;
Определяем
зазоры по сопряженным поверхностям резьбового соединения:
по среднему диаметру:

;

;
по наружному
диаметру:

;

;
Данные
расчётов заносим в Таблицу 3.1, а по их результатам строим схему заданного
резьбового соединения (Рисунок 3.1)
Таблица 3.1 Данные
расчёта
|
Обозначение диаметров
резьбового соединения
|
Номин.
р-ры
|
Гайка
|
Болт
|
Допуски размеров
|
|
Пред-е
откл.
мм
|
Предельные
д-ры
|
Пред-е
откл.
мм
|
Предельные
д-ры
|
Гайки
|
Болта
|
|
max
|
min
|
max
|
min
|
|
Наружный
d(D)
|
52,000
|
не норм.
|
не менее 52,000
|
52,000
|
|
51,952
|
51,577
|
не норм.
|
0,375
|
|
|
|
|
Средний
d2(D2)
|
50,381
|
|
50,681
|
50,381
|
|
50,333
|
50,163
|
0,3
|
0,17
|
|
|
|
|
Внутренний
d1(D1)
|
49,294
|
|
49,594
|
49,294
|
|
49,246
|
не более 49,294
|
0,3
|
не норм.
|
|
|
не норм.
|
Рисунок 3.1
Находим
компенсационные поправки, обусловленные наличием указанных в задании
дополнительных неточностей в шаге и угла профиля болта и гайки:
суммарная
погрешность накопленного шага

;
суммарная
погрешность правой половины профиля резьбы
;
суммарная
погрешность левой половины профиля резьбы
;
суммарная
погрешность угла профиля резьбы
;
поправка для
расчёта зазоров, вносимая наличием погрешностей в шаге и угле профиля:

.
Поскольку
ошибка, вносимая в соединение погрешностями в шаге и угле профиля, не превышает
(
, так как
), то для получения гарантированного зазора в
резьбовом соединении с указанными погрешностями изготовления можно считать, что
коррекция посадки выполнена правильно.
4. Подшипники качения
Исходные
данные: радиальная сила
;
внутренний диаметр подшипника
; в соединении вращающимся является вал.
1. Для
данного соединения можно применить радиальный подшипник средней серии шестого
класса точности, например 207, со следующими параметрами:
,
,
,
.
В
рассматриваемом узле вращающимся кольцом является внутреннее, поэтому его
посадку на вал производим с натягом, а наружное кольцо устанавливаем в корпус с
зазором.
2. Приняв
коэффициент k для средней серии подшипника равным 2,3, определим минимальный
потребный натяг для внутренней обоймы подшипника:

3. Находим
максимальный допустимый натяг для внутреннего кольца подшипника:

4. По
значению
подбираем из
числа рекомендуемых, посадку для внутреннего кольца подшипника, например Ø35H0/m6,
для которой предельные отклонения размеров: для отверстия 
, 
, для вала 
,
.
5. Определим
минимальный и максимальный натяги в рассматриваемом соединении:

;

Так как
(
) и
(
), можно заключить, что посадка внутреннего
кольца подшипника выполнена правильно.
6. Выбираем
посадку для наружного кольца подшипника, например Ø72Н7/h0, для которой
предельные отклонения размеров равны: для отверстия 
; 
; для вала: 
; 
.
Для выбранной
посадки максимальный зазор 
; минимальный зазор
,
что
свидетельствует о том, что посадка относится к посаде с зазором.
Строим схему
полей допусков выбранных посадок для колец подшипника качения Рисунок 4.1.
Рисунок 4.1
8. Чертим
условные рабочие чертежи посадочных мест подшипников с указанием требований
Рисунок 4.2.
9. Чертим
условные рабочие чертежи сборочных узлов с указанием требуемых размеров,
обозначений Рисунок 4.3.

Рисунок 4.2
Рисунок 4.3
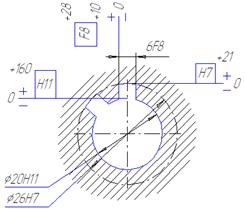
5. Шпоночные
и шлицевые соединения
В задании
указаны диаметр вала и втулки 
, длина соединения 
, тип соединения 3.
По СТ СЭВ
189-78 выбираем основные размеры соединения: 
, 
, интервал длин
от 
, до 
, 
, 
.
Записываем
условное обозначение шпонки: Шпонка
СТ СЭВ 189-78. Для заданного вида соединения
назначаем поля допусков для деталей шпоночного соединения, пользуясь СТ СЭВ
189-78, для ширины шпонки b – h9; для высоты шпонки h – h11; для длины шпонки l
– h14; для ширины паза на валу - N9; для ширины паза во втулке - Js9.
Определяем
предельные отклонения пользуясь СТ СЭВ 144-88 на гладкие соединения:
Диаметр вала
– 35m6
Диаметр
втулки – 35H7
Ширина шпонки
– 10h9
Высота шпонки
– 8h11
Длина шпонки
– 42h14
Ширина паза
на валу – 10P9
Ширина паза
во втулке – 10P9
Глубина паза
на валу –
Глубина паза
во втулке –
Строим схемы
расположения полей допусков Рисунок 5.1.
Рисунок 5.1
В задании
указаны параметры эвольвентного соединения: номинальный диаметр 
; модуль 
. Вид центрирования по наружному диаметру. По
ГОСТ 6033-70 выбираем недостающие параметры -
. Находим диаметр делительной окружности:

По СТ СЭВ
259-68 назначаем поля допусков втулки и вала из рекомендуемых посадок. Выбираем
по наружному центрирующему диаметру для втулки
; для вала
, посадка по
; для ширины впадин втулки
(толщина зуба S) – для ширины
впадины
, для толщины
зуба
посадка
; поле допуска втулки и вала
по центрирующему диаметру при плоской форме дна впадин для втулки
, для вала
, посадка -
.
Величины
придельных отклонений диаметров определяем, пользуясь стандартом СЭВ 144-88.
Величины придельных отклонений по боковым сторонам зубьев определяем, пользуясь
стандартом СЭВ 259-88.
Для втулки
СТ СЭВ 259-88 центрирующий диаметр
; ширина впадин
,
; 
;
.
Для вала
: центрирующий диаметр 
, толщина зуба
, 
; 
;
.
Условное
обозначение соединения
СТ
СЭВ 259-88.
Пользуясь
величинами предельных отклонений, строим схему расположения полей допусков
Рисунок 5.2.

Рисунок 5.2
В задании
указаны параметры прямобочного шлицевого соединения
. Вид центрирования по
. По ГОСТ 1139-80 выбираем недостающие данные -

,
.
По
ГОСТ1139-80 назначаем поля допусков втулки и вала из рекомендуемых посадок,
выбираем по наружному центрирующему диаметру
для втулки -
, для вала
, посадка по
-
; для ширины шлица (вала)
для втулки -
, для вала -
, посадка по
-
, поле допуска втулки по нецентрирующему
диаметру
-
, предельное отклонение вала
по нецентрирующему диаметру
- не менее 
.
Величины
придельных отклонений определяем, пользуясь стандартом СЭВ 144-88 на гладкие
сопряжения.
Для втулки
:
Центрирующий
диаметр
Не
центрирующий диаметр -
Ширина паза
Для вала
:
Центрирующий
диаметр
Не
центрирующий диаметр -
Ширина зуба
Условно
обозначение:
.
Пользуясь
величинами придельных отклонений, строим схему расположения полей допусков
Рисунок 5.3.

Рисунок 5.3
6. Размерные цепи
6.1
Составление схемы размерной цепи
Из приложения
2 выбираем вариант задания:
Рисунок 6.1
Составим и
поясним схему заданной размерной цепи:
Рисунок 6.2
Замыкающий
размер
в трехзвенной
цепи (Рисунок 6.1) зависит от размера
, называемого увеличивающим (чем больше этот
размер, тем больше значение
), и размера
, называемого уменьшающим (при его увеличении
уменьшается). Замыкающее
звено может быть положительным, отрицательным или равным нулю. Размерную цепь
можно условно изображать в виде схемы (Рисунок 6.2). По схеме удобно выявлять
увеличивающие и уменьшающие звенья. Над буквенными обозначениями звеньев
принято изображать стрелку, направленную вправо, для увеличивающих звеньев и влево
— для уменьшающих.
6.2 Расчёт
подетальной размерной цепи методом максимума и минимума
Проверочная
задача
Таблица 6.1
Исходные данные
|
|
15
|

|
25
|

|
15
|
|
|
-0,15
|
|
0
|
|
+0,15
|
|
|
-0,25
|
|
-0,15
|
|
+0,05
|
|
|
2
|
|
8
|
|
|
|
-0,05
|
|
+0,24
|
|
|
|
-0,15
|
|
0
|
|

Эскиз детали Схема
размерной цепи
Рисунок 6.3
Параметры
составляющих звеньев: передаточное отношение
Номинальный
размер и предельные отклонения Допуски:
;
;
;
.
;
Координата
середины полей допусков:
;
;
;
.
;
Расчёт
номинального размера замыкающего звена:
Расчёт
допуска замыкающего звена:
Расчёт
предельных отклонений замыкающего звена:


Расчёт
координаты середины поля допуска, замыкающего звена:


.
Схема
расположения поля допуска замыкающего звена показана на Рисунке 6.4.
Рисунок 6.4
6.3 Сложение
и вычитание размеров и предельных отклонений
Исходные
данные:
Таблица 6.2
Размеры и предельные отклонения
|
55-0,1
|
+20-0,1
|
-35+0,1
|
+15±0,2
|
-20±0,2
|
|
Подготовим
уравнение к сложению и вычитанию придельных отклонений:
6.4 Расчёт подетальной размерной цепи методом максимума-минимума.
Проектная задача.
Исходные
данные:

Эскиз детали Схема
размерной цепи
Рисунок 6.5
Передаточные
отношения составляющих звеньев:
.
Требования к
замыкающему звену:
;
;
;
.
Звенья с
известными допусками в размерной цепи отсутствуют
.
В качестве
корректирующего звена можно принять звено
с размером 15мм, так как положение внутренней
торцовой поверхности не будет влиять на служебное назначение детали.
Расчёт
производится методом максимума-минимума. Связь между допусками замыкающего
звена и допусками составляющих звеньев устанавливается способом одинакового
квалитета.
Расчёт
количества единиц допуска производится по следующей формуле:
- принимаем из таблицы
П.7.1 и записываем в таблицу 6.3.
Назначаем
квалитет по таблице П.7.2 в зависимости от стандартного
, ближайшего к расчётному
. Принимаем 12-й квалитет.
Назначаем
стандартный допуск по таблице П.7.3 в зависимости от номинального размера и
принятого 12-го квалитета. Допуски составляющих звеньев, кроме
, записаны в таблице 6.3.
Расчёт
допуска корректирующего звена из условия формулы:
.
Назначенные
предельные отклонения составляющих звеньев
записаны в таблице 6.3.
Расчёт
координат, середины поля допуска составляющих звеньев проводим по формуле
, а результаты записываем в
табл.6.1.
Таблица 6.3
Сведения о размерной цепи, рассчитанной методом максимума-минимума
|
Символ звена
|
Номин. размер
|
Характер действия
|
|
|
Квалитет
|
мкм
|
мкм
|
мкм
|
мкм
|
мкм
|
Исполн.
размер
|
|
|
15
|
увел.
|
+1
|
1,08
|
12
|
180
|
90
|
+180
|
0
|
-90
|
|
|
|
35
|
увел.
|
+1
|
1,56
|
12
|
250
|
125
|
+250
|
0
|
-125
|
|
|
|
20
|
увел.
|
+1
|
1,31
|
12
|
210
|
105
|
+210
|
0
|
-105
|
|
|
|
25
|
увел.
|
+1
|
1,31
|
12
|
210
|
105
|
+160
|
-50
|
55
|
|
|
|
15
|
уменш.
|
-1
|
1,08
|
12
|
160
|
80
|
+160
|
0
|
50
|
|
Расчёт
координаты середины поля допуска, корректирующего звена по формуле:
Расчёт
предельных отклонений корректирующего звена:
;
.
Решение
проверочной задачи способом сложения и вычитания номинального размера и
предельных отклонений.
Подготовим
уравнение для сложения и вычитания:
6.5 Расчёт
подетальной размерной цепи вероятностным методом. Проектная задача
Метод расчёта
– вероятностный, способ – одинакового квалитета
.
Расчёт
количества единиц допуска:
Назначаем
квалитет по таблице П.7.2 в зависимости от стандартного
, ближайшего к расчётному
. Принимаем 13-й квалитет.
Допуски
звеньев
устанавливаем
по 13-му квалитету, а допуск звена
по 14-му квалитету. Допуски записаны в таблице
6.4.
Расчёт
допуска корректирующего звена из условия следующей формулы:
, тогда
, откуда

.
Назначение
предельных составляющих звеньев:
Расчёт
координаты середины поля допуска:
Расчёт
предельных отклонений корректирующего звена;
;
.
Допуск
замыкающего звена:

Координата
середины поля допуска:

Предельные
отклонения замыкающего звена:


Таблица 6.4
Сведения о размерной цепи, рассчитанной теоретико-вероятностным методом
|
Символ звена
|
Номин. размер
|
|
|
|
|
|
|
|
|
|
|
Исполн.
размер
|
|
|
15
|
+1
|
1,08
|
1,17
|
270
|
72900
|
135
|
18225
|
+270
|
0
|
135
|
|
|
|
35
|
+1
|
1,56
|
2,43
|
390
|
152100
|
195
|
38025
|
+390
|
0
|
195
|
|
|
|
20
|
+1
|
1,31
|
1,72
|
520
|
270400
|
260
|
67600
|
+520
|
0
|
260
|
|
|
|
25
|
+1
|
1,31
|
1,72
|
330
|
108900
|
165
|
27225
|
+165
|
-165
|
0
|
|
|
|
15
|
-1
|
1,08
|
1,17
|
644
|
415800
|
322
|
103950
|
+617
|
-27
|
295
|
|
Заключение Сравнение
допусков (табл.6.3 и табл.6.4) на изготовление составляющих звеньев одной и той
же размерной цепи показывает, что величину допуска можно рассчитать в 1,6-2,6
раза точней, если распределение погрешностей изготовления подчиняется закону
нормального распределения.
6.6 Замена размеров в размерной цепи
Исходные
данные:
Рисунок 6.6
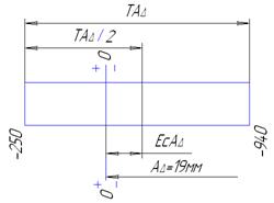
Первый
вариант замены. Вместо размера С указать на чертеже размер X:
Запишем
уравнение расчёта и подставим в него предельные значения размеров C и D.
;
, откуда
;
, т.е.
Это указывает
на то, что замена размера С размером X без уменьшения допуска размера С
невозможна рисунок 6.7.
Рисунок 6.7
Второй вариант
замены. Вместо размера D указать на чертеже размер X:
Запишем
уравнение
;
.
;
, откуда
;
,
Следовательно
Схема замены
показана на рисунке 6.8.
Рисунок 6.8
Сумма
допусков размеров D и X после замены должна быть равна допуску заменяемого
размера
мм. Поверхность
I получают, как правило, чистовым точением. Поэтому обеспечить точность
размеров D и X с суммарным допуском 0,3мм практически возможно.
7. Зубчатые передачи
Исходные
данные:
Обозначение
точности колеса: 10 – 8 – 6 – А.
Модуль: 
.
Число зубьев:
Коэффициент
смещения исходного контура колеса:
.
Расшифруем
условное обозначение передачи: 10 – 8 – 6 – А
10 – степень
точности по норме кинематической точности;
8 – степень
точности по норме плавности работы;
6 – степень
точности по норме контакта зубьев;
А – вид
сопряжения, ограничивающего боковой зазор.
Так как вид
допуска на боковой зазор не указан, то он совпадает с видом сопряжения, то
есть, обозначен символом “А”.
Устанавливаем
комплекс контроля по ГОСТ 1643-81
Выписываем
нормируемые погрешности:
- наибольшая кинематическая
погрешность зубчатого колеса (по норме кинематической точности),
- местная кинематическая
погрешность (по норме плавности работы),
- погрешность направления
зуба (по норме контакта),
- наименьшее отклонение
толщины зуба и допуск на толщину зуба (по норме бокового зазора).
Назначаем
допуски на погрешности:
Допуск
определи по следующей
формуле
где:
- допуск на накопленную
погрешность зубчатого колеса
- допуск на погрешность
профиля зуба колеса
;
;
Допуск
- определяем в зависимости
от степени точности по норме плавности – 8, модуля m=4мм, делительного диаметра
:
Допуск
определяем с учётом степени
точности по норме контакта – 6, модуля m=4мм, ширины венца
где:
- коэффициент ширины зуба
колеса,
для цилиндрических
прямозубых колёс
Принимаем
,
,
.
Наименьшее
отклонение толщины зуба
исходя
из вида сопряжения А, степени точности по нормам плавности – 8, делительному
диаметру
:
Допуск на
толщину зуба
выбираем
в зависимости от допуска на радиальное биение зубчатого венца
и вида сопряжения А. В свою очередь
выбирается в зависимости от
степени точности по нормам кинематической точности–10,модуля m=4мм,
делительного диаметра
:
,
Определяем
размеры, необходимые для оформления чертежа зубчатого колеса.
Высота
головки зуба до постоянной хорды
и кинематическая толщина зуба колеса без
смещения по постоянной хорде
, определяем по формулам:
;
.
Определяем
параметры точности формы, расположения и шероховатости отдельных поверхностей.
На ширину
венца назначаем из конструктивных и технологических соображений поле допуска по
h11…h14.
Поле допуска
диаметра выступов принимаем по h. Диаметр окружности выступов:
.
Допуск на
диаметр выступа
рассчитываем
по формуле:
.
Так как
окружность выступов используется как измерительная база для измерения толщины
зуба принимаем
и
округляем его до стандартного
, что соответствует допуску h9
.
Допуск на
радиальное биение диаметра выступов
назначаем в зависимости от допуска
на радиальное биение
зубчатого венца:
, тогда
. Округляем значение допуска до
стандартного
.
Допуск биения
торцев колеса назначаем в зависимости от допуска на направление зуба
, ширины венца b и диаметра
выступов
:
, округляем до стандартного
.
Шероховатость
рабочих эвольвентных поверхностей берём в зависимости от допуска отклонения
профиля
:
, принимаем
.
Увязываем
посадку отверстия с точностью зубчатой передачи, в частности, с той нормой
точности, которая является основой в оценке работоспособности передачи. Степень
точности – 6 по норме контакта зубьев предполагает высоконагруженную передачу с
посадкой H7/t6 колеса на вал (без шпонок). Соответственно отверстие по H7.
Диаметр
отверстия выбираем конструктивно, учитывая, что минимальная толщина обода
должна быть не менее 3m, чтобы обеспечить равнопрочность обода и зубьев.
Принимаем отверстие:
.
Шероховатость
отверстия назначаем следующим образом:
, где:
- допуск соответствующего размера.
При
.
Шероховатости
торцев и окружности вершин колеса рассчитываем по формулам:
;
,
;
.
Шероховатость
торцев колеса:
.
Принимаем
.
Шероховатость
окружности вершин колеса:
.
Принимаем
.
Выбор средств
измерения:
Первый из
измеряемых параметров, выбранного колеса – кинематическая погрешность зубчатого
колеса
, допуск
. Выбираем прибор БВ-5094.
Проверяем, соответствуют ли размеры нашего колеса размерам измеряемых на
приборе.
Второй
измеряемый параметр – кинематическая погрешность
, допуск
. Выбираем прибор БВ-5058.
Третий
измеряемый параметр – погрешность направления зуба
, допуск
. Выбираем прибор по БВ-5055 ЧЗИП.
Толщину зуба
(наименьшее отклонение
и
допуск на толщину
)
проверяем зубомером ЗИМ-16.
Литература
Единая система допусков и
посадок СЭВ в машиностроении и приборостроении: справочник в двух томах – М:
изд. стандартов, 1989-том 1-263 с., том.2: Контроль деталей 208с.
Якушев А.И.
Взаимозаменяемость, стандартизация и технические измерения: учебник – 6-е
издание - М.: М-е, 1986-352с.
Берестнёв О.В.
Самоустанавливающиеся зубчатые колёса – Мн.: Наука и техника, 1983-312с.