|
Обозначение посадки
|
Предельные размеры
|
Параметры посадок
|
Тип посадки
|
Допуск посадки
|
|
отверстия
|
вала
|
зазор
|
натяг
|
|
|
|
Dmax
|
Dmin
|
dmax
|
dmin
|
Smax
|
Smin
|
Nmax
|
Nmin
|
|
|
|
Æ 36H9/h8
|
36,062
|
36
|
36
|
35,961
|
0,101
|
0
|
-
|
-
|
с зазором
|
0,101
|
Рисунок 1.4 - Схема посадки с зазором Æ36H9/h8
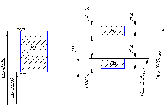
Выполним простановку посадки на эскизе
Устанавливаем допуски на изготовление предельных калибров: для отверстия Æ30A9 допуск на изготовление H = 4 мкм; сдвиг поля допуска проходной стороны Z = 9 мкм; для вала Æ30f8: H1 = 6 мкм, Z1 = 5 мкм, Y1 = 4 мкм, Hp =2,5 мкм.
Изображаем схемы расположения полей допусков для калибра-скобы и пробки
(рисунок 5 и 6).
Исполнительный размер проходной стороны калибра-пробки, согласно схемам,
равен:
Размер на чертеже Æ 30,311 -0,004 мм.
Исполнительный размер непроходной стороны калибра-пробки:
Размер на чертеже Æ 30,354 -0,004 мм.
Исполнительный размер проходной стороны калибра-скобы:
Размер на чертеже Æ 29,972 +0.006 мм.
Исполнительный размер непроходной стороны калибра-скобы:
Размер на чертеже Æ 29,944 +0.006 мм.
Исполнительный размер контрольного калибра:
Размер на чертеже Æ 29,98525 -0.0025 мм.
Исполнительный размер проходного контрольного калибра:
Размер на чертеже Æ 29,97625 -0,0025 мм.
Исполнительный размер непроходного контрольного калибра:
Размер на чертеже Æ 29,94825 -0,0025 мм.
Строим схемы полей допусков для предельных калибров:
Рисунок
1.5 - Схема расположения полей допусков калибра-скобы
Рисунок 1.6 - Схема расположения полей допусков калибра-пробки
Шероховатость рабочих поверхностей калибров:
для
калибра-пробки
принимаем
из стандартного ряда;
для
калибра-скобы
принимаем
.
Рисунок
1.7 - Калибр-пробка для контроля отверстия Æ 30A9
Рисунок
1.8 - Калибр-скоба для контроля вала Æ 30f8.
2.
Подшипника качения
Исходные данные: радиальная сила F=3800 Н, радиальный подшипник 318 средней серии шестого
класса точности. Выпишем параметры подшипника: d=90 мм, D=190
мм, В=43 мм, r=4 мм. В рассматриваемом узле
вращающимся кольцом является внутреннее кольцо подшипника, поэтому его посадку
на вал производим с натягом, а наружное кольцо устанавливаем в корпус с зазором
приняв коэффициент k для средней
серии подшипника равным 2,3 .
Определяем минимальный потребный натяг для внутреннего кольца подшипника:
Определяем максимальный допустимый натяг внутреннего кольца подшипника:
По значению Nmin подбираем из числа рекомендуемых посадку для внутреннего кольца
подшипника: Æ 90 L0/m6, для которой предельные отклонения размеров равны: для
отверстия ES=0 мкм, EI=-15 мкм; для вала es=+35 мкм, ei=+13 мкм.
Определяем
минимальный натяг в рассматриваемом соединении:
Nmin=ei - ES=13-0=13 мкм ;max=es - EI=35-(-15)=50 мкм ;
Так как Nmin > Nmin (13 мкм > 3,25 мкм), а Nmaxт < Nmax (50 мкм < 363,05 мкм) можно заключить, что посадка
внутреннего кольца подшипника выполнена правильно.
Выбираем посадку для наружного кольца подшипника Æ190H7/l0, для которой
предельные отклонения размеров: для отверстия СТСЭВ144-75 ES= +48 мкм, EI=0 мкм; для вала (табл. 2) es=0 мкм, ei=-18
мкм. Для выбранной посадки максимальный зазор Smax=ES-ei=48+18=66 мкм;
минимальный зазор Smin=EI-es=-0-0=0, что свидетельствует о том, что посадка относится к
посадке с зазором.
Строим схему полей допусков выбранных посадок для колец подшипника
качения.
Рисунок
2.1 Схема полей допусков внутреннего и наружного колец подшипника наружного
кольца подшипника качения
Изобразим
эскиз вала, корпуса и сборочного узла
Рисунок
2.2 Эскизы сопрягаемых деталей и сборочного узла ПК
3
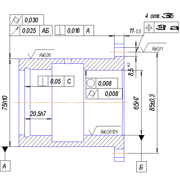
Шероховатость, отклонения формы и расположения поверхностей
Назначить шероховатость поверхностей и допуски на отклонение формы и
взаимного расположения поверхностей вала (рисунок 11).
Шероховатости отмеченных поверхностей находим сообразно назначению этих
поверхностей и допуску их размера.
Поверхности
Æ 35h6,Æ 50s6,Æ 35h6,Æ 25s7
согласно полям допусков их размеров являются ответственными поверхностями,
образующими с сопрягаемыми поверхностями других деталей определённые посадки. В
общем случае выделенные поверхности можно считать поверхностями нормальной
геометрической точности, для которых параметр шероховатости
TÆ, для посадочных мест подшипников качения
.
Следовательно,
для поверхности Æ 35h6: Td=0,016 мм
,
принимаем
Ra=0,63 мкм из стандартного ряда.
Для
поверхности ,Æ 50s6: Td=0,016 мм
,
Для
поверхности ,Æ 25s7: Td=0,021 мм
,
принимаем
из стандартного ряда Ra= 1 мкм.
К
точности поверхности Æ45-0,3 и Æ53-0,2
не предъявляются высокие требования, поэтому шероховатость
.
Шероховатость
поверхностей шпоночного паза принимается Ra=4
мкм.
Определим
шероховатость поверхностей стакана подшипника:
Для
стакана подшипника Æ 75h10, Æ 65H7
являются ответственными поверхностями.
Следовательно,
для поверхности Æ 75h10 : Td=0,12 мм
,
принимаем
Ra=3,2 мкм из стандартного ряда
Для
поверхности ,Æ 65H7: Td=0,030 мм
,
принимаем
из стандартного ряда Ra= 1,25 мкм
К
точности поверхности Æ85±0,3 и Æ8,5+0,2,11-0,5не
предъявляются высокие требования, поэтому шероховатость
Допуски
на отклонение формы и расположения поверхностей также определим приближённым
методом.
Расчёт
допусков на отклонение округлости и цилиндричности поверхностей:
для
поверхности Æ 35h6:
To
мкм, принимаем To =4
мкм из стандартного ряда
T
мкм, принимаем T =4 мкм.
для
поверхности Æ 50s6:
T
мкм, принимаем T =4 мкм из
стандартного ряда.
для
поверхности Æ 25s7:
T
мкм, принимаем T =6 мкм.
для
поверхности Æ 75h10:
T
мкм, принимаем T =30 мкм.
для
поверхности Æ 65H7:
To
мкм,принимаем To =8
мкм из стандартного ряда
T
мкм, принимаем T =8мкм.
Допуск
на радиальное биение поверхностей Æ50s6, Æ25s7, Æ75h10 относительно
поверхностей А и Б приближённо могут быть найдены следующим образом:
для
поверхности Æ50s6:
T
мкм, принимаем T =16 мкм;
для
поверхности Æ25s7:
T
мкм, принимаем T =20 мкм;
для
поверхности Æ75h10:
T
мкм, принимаем T =80 мкм;
Допуск
на отклонение от перпендикулярности торца поверхности для фиксации подшипника
зависит от допуска размера на ширину подшипника:
для
поверхности Æ 45-0,3
T
мкм, принимаем T =16 мкм.
для
поверхности Æ 53-0,2:
T
мкм, принимаем T =60 мкм.
для
поверхности Æ 65H7:
T
мкм, принимаем T =16 мкм.
Допуск
на отклонение от параллельности и симметричности расположения шпоночного паза:
T
мкм, принимаем T =160 мкм,
T
мкм, принимаем T =160 мкм,
где
TB - при определении допуска перпендикулярности является
допуском на ширину подшипника; при определении допуска отклонения от
симметричности боковых сторон шпоночного паза является допуском на ширину паза
вала.
подшипник
зубчатый допуск шпоночный цепь
Рисунок 11- Стакан подшипника
4. Шпоночные и шлицевые соединения
.1 Шпоночное соединение
В задании указаны диаметр вала Æ78. Вид шпоночного соединения - нормальное соединение.
По СТ СЭВ 189-79 выбираем основные размеры соединения:b=22мм; h=14 мм; t1=9 мм; t2=5,4 мм. Применяем вид исполнения 1. Из стандартного ряда
выбираем длину шпонки l=100
мм. Записываем условное обозначение шпонки 1: Шпонка 1 22Ð14Ð100 СТ СЭВ 189-78.
Условия применения - неподвижное соединение, не требующее разборок не
воспринимающее ударных реверсивных нагрузок, отличающееся благоприятными
условиями сборки.
Для заданного вида соединения назначаем поля допусков для деталей
шпоночного соединения, пользуясь СТ СЭВ 189-79, для ширины шпонки b-h9; для высоты шпонки h-h11, для длины
шпонки l-h14; для ширины паза на валу- N9; для ширины паза во втулке-Js9.
Определяем предельные отклонения пользуясь СТ СЭВ 144-88 на гладкие
соединения:
диаметр
вала -
,
диаметр
втулки -
,
ширина
шпонки -
,
высота
шпонки -
,
длина
шпонки -
,
ширина
паза на валу -
,
ширина
паза во втулке -
,
глубина
паза на валу - t1=9+0,2,
d-t1=78-9+0,2=69-0,2
глубина
паза во втулке - t2=5,4+0,2,
d+t2=78+5,4+0,2=83,4+0,2 [3. табл.
3.19.]
Cхемы
расположения полей допусков на рис. 4.1
Рисунок 4.1 - Втулка, вал
.2 Эвольвентное шлицевое соединение
Исходные данные :180×8×7H/8p
Номинальный диаметр D=180 мм, модуль m=8 мм, вид центрирования по
наружному диаметру, поле допуска по наружному диаметру, поле допуска наружного
диаметра втулки Df
- 7H, поле допуска наружного диаметра
вала da - 8p.
По ГОСТ 6033-80 выбираем недостающие параметры - z = 21.
Находим диаметр делительной окружности:
d = m×z=8×21 = 168 мм.
Диаметр впадин шлицевого вала
df =D-2,2m=180-2,2·8=162,4
мм.
Диаметр внутренней втулки:
Dа =D-2m=180-2·8=164 мм.
По СТ СЭВ 259-88 назначаем поля допусков втулки и вала из рекомендуемых
посадок. Назначаем поле допуска ширины впадины втулки e 9H, поле допуска
толщины зуба вала S - 9d: посадка 9H/9d.
Поле допуска втулки и вала по нецентрируемому диаметру при плоской форме
дна впадины: для втулки Da
- H11, для вала df - h16, посадка H11/h16 ([4], таблица 6.26).
Величины предельных отклонений диаметров, предельные отклонения по
боковым сторонам зубьев определяем по [4].
Для втулки 180×8×H7 ГОСТ 6033-80
центрирующий
диаметр Df=
ширина впадины е - 9H [3. табл.
6.22.]
ES=+100 мкм.
EIe=+37 мкм.
EI=0 мкм.
Для
вала 180×8×p8 ГОСТ 6033-80.
центрирующий
диаметр 
толщина
зуба S - 9d: es=-64 мкм
ese=-101
мкм
ei=-164 мкм
Строим
схемы расположения полей допусков (рисунок 4.2).
мм
.3 Прямобочное шлицевое соединение
Параметры прямобочного шлицевого соединения
Прямобочное шлицевое соединение: центрирование по наружному диаметру D=46 мм; поле допуска центрирующего
диаметра H8 - втулки, h7 - вала; число прямобочных шлицов 8; внутренний диаметр
соединения d=42 мм; ширина шлица b=8 мм, поле допуска ширины шлица
втулки D9, поле допуска ширины шлица вала h9.
Центрирование по D
применяется в случаях повышенных требований к точности соосности элементов
соединения, когда твёрдость втулки не слишком высока и допускает обработку
чистой протяжкой, а вал обрабатывается фрезерованием. Применяется в
неподвижных, перемещающих малый крутящий момент соединений, т. е. в соединениях
с малым износом поверхностей.
По ГОСТ 1139-80 назначаем поля допусков втулки и вала
Для втулки D-8×42×46H8×8F10
ГОСТ 1139-80
центрирующий
диаметр D=46
нецентрирующий
диаметр d=42
ширина
паза b=8
Для
вала
центрирующий
диаметр D=46
нецентрирующий
диаметр d=
мм
ширина
паза b=8
Пользуясь величинами предельных отклонений, строим схему расположения
полей допусков на рис 4.3.
5. Резьбовое соединение
Исходные данные
По
условной записи резьбового соединения устанавливаем: резьба метрическая,
номинальный диаметр
, резьба однозаходная, шаг резьбы p =3
мм , направление навивки - правое.
Рассчитаем
по формулам номинальные размеры сопрягаемых параметров резьбы:

а
средний диаметр:
на
наружный диаметр
на
внутренний диаметр:
Определяем
предельные размеры сопрягаемых параметров гайки и болта:
Так
как ES в этом случае не нормируется, то записываем
Так
как ei не нормируется, то
Определим
допуски на сопряжённые размеры резьбового соединения
Определим
зазоры по сопряжённым поверхностям резьбового соединения:
по
среднему диаметру:
по
наружному диаметру:
Определим
компенсационные поправки, обусловленные наличием неточностей в шаге и углах
профиля болта и гайки:
суммарная
погрешность накопленного шага:
суммарная
погрешность правой половины профиля резьбы:
суммарная
погрешность левой половины профиля резьбы
суммарная
погрешность угла профиля резьбы в соединении:
Поправка
для расчёта зазоров, вносимая наличием погрешностей в шаге и угле профиля:
Условие
не выполняется.
Поправка
шага
Sp=0,017
мм.
Поправка
угла профиля
мм.
Так
как ошибка, вносимая в соединение погрешностями в шаге и угле профиля,
превышает Smin=48 мкм (
S=92,46 мкм>Smin=48
мкм), то для получения гарантированного зазора в резьбовом соединении, с
указанными погрешностями изготовления, необходимо выбрать другие поля допусков
для параметров резьбы болта и гайки. Принимаем 6H/6d и
рассчитываем d2max, поскольку D2min для вновь подобранного соединения не меняется.
es=-112 мкм2max=d2+es=25,051+(-0,112)=24,939 мм;min=D2min-d2max=25,051-24,939=0,112 мм.
Так как
S=92,46 мкм<Smin=112 мкм, то коррекция посадки резьбового соединения
выполнена правильно.
Определим действительные
зазоры для резьбового соединения
:
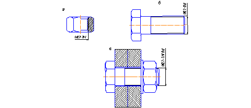
Изобразим условные чертежи
болта, гайки, резьбового соединения
.
Рисунок 5.1 - Условные
чертежи: а - гайка; б- болт; в - резьбовое соединение
Рисунок
5.2 - Схема полей допусков резьбового соединения
6. Зубчатые передачи
Исходные данные: точность колеса 5-Н ГОСТ 1643-81;
модуль m=5,5 мм;
число зубьев колеса Z=26.
Коэффициент смещения исходного контура колеса X=0.
Расшифруем условное обозначение заданной точности передачи:
- степень точности по норме кинематической точности;
- степень точности по норме плавности работы;
- степень точности по норме контакта зубьев;
Н - вид сопряжения, ограничивающего боковой зазор;
h -
допуск на боковой зазор (так как допуск на боковой зазор не указан, то он
совпадает с видом сопряжения).
Устанавливаем вариант комплекса контроля по ГОСТ 1643-81, в зависимости
от степени точности и укажем нормируемые погрешности:
Fir - наибольшая кинематическая погрешность зубчатого колеса (по
норме кинематической точности);
fir - местная кинематическая погрешность (по норме плавности
работы);
Fbr - погрешность направления зуба (по норме контакта);
Ecs - наименьшее отклонение толщины зуба (по норме бокового
зазора);
Tc - допуск на толщину зуба (по норме бокового зазора).
Назначаем по ГОСТ 1643-81 допуски на погрешности.
Допуск Fi определяем по таблице 6
Fi=Fp+ff
где Fp - допуск на накопленную погрешность
шага зубчатого колеса;
ff - допуск на погрешность профиля зуба колеса.
При выборе Fp
учитываем модуль m=5,5 мм, степень
точности по норме кинематической точности 5, делительный диаметр
d=
мм
ГОСТ
1643-81, таблица 7: Fp=28 мкм.
При
выборе ff учитываем m=5,5 мм, d=143
мм, степень точности по норме плавности 5
ГОСТ
1643-81, таблица 8: ff =8
мкм
мкм
Допуск
на местную кинематическую погрешность зубчатого колеса
определяем по ГОСТ1643-81, таблица 8, учитывая m=5,5
мм, d=143 мм, степень точности по норме плавности 5:
мкм.
Допуск
на направление зуба Fb определяем по ГОСТ 1643-81, таблица 11, учитывая m=5,5
мм, ширину венца b, степень точности по норме контакта 6.
Ширина
венца
где
- коэффициент зуба колеса:
= 6…10 для цилиндрических прямозубых зубчатых колёс.
мкм
Fb =7 мкм
Наименьшее
отклонение толщины зуба Ecs определяем по ГОСТ 1643-81, таблица 20, учитывая вид
сопряжения H, степень точности по норме плавности 5, d=143 мм: Ecs=12 мкм.
Допуск
на толщину зуба Tc определяем по ГОСТ 1643-81, таблица 21 в зависимости
от допуска на радиальное биение зубчатого венца Fr
(ГОСТ 143-81, таблица 6) и вида сопряжения H. С учётом m=5,5 мм, d=143
мм и степени точности по норме кинематической точности 5 (Fr =25 мкм):
Tc=35 мкм.
Определение
размеров, необходимых для оформления чертежа зубчатого колеса: высота головки
зуба до постоянной хорды
мм; номинальная толщина зуба колеса без смещения по
постоянной хорде
мм.
Определение
параметров точности формы, расположения и шероховатости отдельных поверхностей
зубчатого колеса: на ширину венца назначаем из конструктивных и технологических
соображений поле допуска h11…h14
b=38,5h12(-0,25);
поле
допуска диаметра выступов принимаем по h;
диаметр
окружности выступов
мм;
•так
как окружность выступов используется как измерительная база, принимаем
мм и округляем его до стандартного значения [4] - Tda=0,16 мм, что соответствует h10, т. е. da=154h10(-0,16);
•
определим допуск на радиальное биение диаметра выступов T↑r
в зависимости от допуска на радиальное биение зубчатого венца Fr:
, Fr=25 мкм,
мм
округляем
значение допуска до стандартного ([4], с. 249) T↑r
=0,012 мм;
•
допуск биения торцев колеса назначаем в зависимости от допуска на направление
зуба Fb, ширины венца b и диаметра
вершин da:
мм
принимаем
стандартное значение T↑r =0,012
мм;
•
шероховатость рабочих эвольвентных поверхностей определяется в зависимости от
допустимого отклонения профиля ff
ff =8 мкм;
мкм
округляем
числовые значения параметров шероховатости до стандартных ближайших значений
([4], с. 260) Ra=0,8 мкм.
Степень
точности 5 - по норме контакта зубьев предлагает высоконагруженную передачу с
посадкой H7/t6 колеса на вал. Соответственно отверстие по H7.
Диаметр
отверстия выбирается конструктивно, учитывая, что минимальная толщина обода
(расстояние от впадины зубчатого венца до отверстия или шпоночного паза) должна
быть не менее 3m, чтобы обеспечить равнопрочность обода и зубьев.
Принимаем отверстие Æ80H7(+0,030).
Шероховатость
отверстия определяем из условия
,
где
IT - допуск соответствующего размера
мкм
Шероховатость
торцев и окружности вершин колеса:
шероховатость
торцев зубчатого колеса
мкм;
шероховатость
окружности вершин зубчатого колеса
мкм.
Выполним
чертёж зубчатого колеса в соответствии с ЕСКД.
Выбор
средств измерений:
•
Первый из контролируемых параметров, выбранного комплекса контроля -
кинематическая погрешность зубчатого колеса Fir, допуск
мм. Выбираем марку прибора БВ-5058 ([7], таблица
13.1). Проверяем, соответствуют ли размеры рассматриваемого колеса размерам
контролируемых на приборе зубчатых колёс. Согласно [5] выбираем характеристики
прибора:S1-1-AB (m=1…8 мм, d=20…320 мм) класса точности АВ
(цена деления 0,002 мм; диапазон показаний
мм;
диапазон измерений 40 - 125(75) мкм) при пределе допускаемой погрешности 8(10)
мкм.
Допускаемую
погрешность измерения экономически нецелесообразно выбирать менее 0,1
табличного допуска. Однако допускаемая погрешность измерения не должна
превышать:
•
при допуске высокой точности (3-7 степени) соответствует 1/3 части допуска;
Соответственно
у прибора C-S1-1-AB предел допускаемой погрешности 8(10) мкм менее 1/4
части допуска
мкм. Т. о. прибор БВ-5058 соответствует по точностным
характеристикам.
•
Второй контролируемый параметр комплекса - местная кинематическая погрешность
зубчатого колеса fir, допуск
мм По [7]
выбираем прибор БВ-5058, по [5] прибор C-S1-1-AB:
диапазон измерений 25(30) мкм при d до 125 мм и предел допускаемой
погрешности 4(30 мкм, что менее 1/4 допуска.
•
Третий контролируемый параметр комплекса - погрешность направления зуба Fbr,
допуск Fb=0,009 мм. По [7] выбираем прибор БВ-5055, по [5]
прибор C-S1-8-AB, цена деления не более 0,001 мм, диапазон измерений
мм, предел допускаемой погрешности 0,0025 мм, что
менее 1/3 допуска.
•
Толщину зуба (наименьшее отклонение Ecs=0,1 мм
и допуск на толщину Tc=0,1 мм) контролируем зубомером ЗИМ-16. По [5]
выбираем прибор С-М1-11-В: цена деления 0,01 мм, диапазон измерений до 100 мкм,
предел допускаемой погрешности 0,01 мм, что менее 1/3 допуска Тс=0,1
мм
7. Размерные цепи
.1.1 Составление схемы размерной цепи

7.1.2 Расчёт по детальной размерной цепи методом максимума-минимума
Проверочная задача.
Исходные данные:
А1=105 мм ЕSА1= +0,5 мм, ЕIА1= -0,5мм,
А2=2 мм ЕSА2=+0,1 мм, ЕIА2=-0,1мм,
А3=55 м ЕSА3=0 мм, ЕIА3=-0,15мм,
А4=85 мм ЕSА4=-0,35мм, ЕIА4=-0,75мм,
А5=40 мм ЕSА5= +0,2мм, ЕIА5= -0,1мм.
Параметры составляющих звеньев. Передаточные отношения:
ε1=+1; ε2=+1; ε3=+1; ε4= -1; ε5= -1.
Допуски:
Т1=ЕS1-ЕI1= 0,5-(-0,5)=1 мм;
Т2=ЕS2-ЕI2=0,1-(-0,2)=0,3 мм;
Т3=ЕS3-ЕI3=0-(-0,15)=0,15 мм;
Т4=ЕS4-ЕI4=-0,35-(-0,55)=0,20 мм;
Т5=ЕS5-ЕI5= 0,2-(-0,1)=0,3 мм.
Координата середины полей допусков:
Ес1=ЕS1 -
= 0,50 -
= 0 мм;
Ес2=ЕS2 -
= 0,1 -
= - 0,05 мм;
Ес3=ЕS3 -
= 0 -
= - 0,075 мм;
Ес4=ЕS4 -
=- 0,35 -
= -0,45 мм;
Ес5=ЕS5 -
= 0,2 -
= - 0,05 мм.
Расчёт
номинального размера замыкающего звена:
Расчёт
допуска замыкающего звена:
Расчёт
предельных отклонений замыкающего звена:
Расчёт
координаты середины поля допуска замыкающего звена:
.2 Сложение и вычитание размеров и предельных отклонений.
Исходные данные:
А1=+26 мм, ЕSА1=
+0,05 мм, ЕIА1= -0,05 мм,
А2=+35 мм, ЕSА2=-0,15 мм, ЕIА2=-0,35
мм,
А3=-15 мм, ЕSА3=+0,2 мм, ЕIА3=+0,1 мм,
А4=-10 мм, ЕSА4=-0,1 мм, ЕIА4=-0,2 мм,
А5=5 мм, ЕSА5=
+0,05 мм, ЕIА5= -0,05 мм,
А6=-9 мм, ЕSА6=
+0,1 мм, ЕIА6= -0,15 мм.
Подготовим уравнение к сложению и вычитанию отклонений и произведем
необходимые расчеты:
.
.3
Расчёт подетальной размерной цепи методом максимума-минимума
Проектная
задача.
Исходные
данные:
А1=8
мм; А2=8 мм; А3=12 мм; А4=25 мм; А5=18
мм; А6=20 мм; АΔ=15
.
Рисунок
7.4 Эскиз детали
Рисунок
7.5 Схема размерной цепи.
Передаточные
отношения составляющих звеньев:
ε1=+1; ε2=+1; ε3=+1; ε4=+1; ε5=-1 ε6=-1.
Требования к замыкающему звену:
ESAr=-0,01 мм; EIAr=-0,65 мм;
TAr= ESAr- EIAr=-0,01-(-0,65)=0,64 мм;
EcAr=ESAr-
=-0,01 -
=-0,33 мм.
Звенья с известными допусками в размерной цепи отсутствуют Тизв=0.
В качестве корректирующего звена можно принять звено А5 с
размером 18 мм.
Расчёт производится методом максимума-минимума. Связь между допуском
замыкающего звена устанавливаем способом одинакового квалитета.
Расчёт количества единиц допуска.
принимаем из [6, табл. П 7.1.] и записываем в таблицу 1.
Таблица 1 - Сведения о размерной цепи, рассчитанной методом
максимума-минимума
|
Звено
|
Номинальный размер, мм
|
Характер звена
|
ξAj
|
ii
|
Квалитет
|
TAj, мкм
|
, мкмESАj, мкмEIАj, мкмEcАj, мкмИсполнительный размер, мм
|
|
|
|
|
|
А1
|
8
|
ув.
|
+1
|
0,9
|
11
|
90
|
45
|
0
|
-90
|
-45
|
|
|
А2
|
8
|
ув.
|
+1
|
0,9
|
11
|
90
|
45
|
0
|
-90
|
-45
|
|
|
А3
|
12
|
ув.
|
+1
|
1,08
|
11
|
110
|
55
|
+55
|
-55
|
0
|
|
|
А4
|
25
|
ув.
|
+1
|
1,31
|
11
|
130
|
65
|
0
|
-130
|
0
|
|
|
А5 кор
|
18
|
ум.
|
-1
|
1,08
|
11
|
90
|
45
|
155
|
65
|
110
|
|
|
А6
|
20
|
ум.
|
-1
|
1,31
|
11
|
130
|
65
|
+130
|
0
|
+65
|
|
Сведения о размерной цепи, рассчитанной методами максимума-минимума.
Назначаем квалитет по [6. табл. П 7.2.] в зависимости от стандартного
а=100.
Принимаем 11-й квалитет.
Назначение стандартного допуска в зависимости от номинального размера и
принятого 11-го квалитета. Допуски составляющих звеньев, кроме Ткор.
заносим в таблицу 1. Расчёт допуска корректирующего звена:
Назначаем предельные отклонения составляющих звеньев, кроме Акор,
и записываем в таблицу 23.
Расчёт координаты середины поля допуска составляющих звеньев:
EcАj=
ESАj
Расчёт
координаты середины поля допуска корректирующего звена:
EcАкор=
(EсА∆-
)=
=
мкм.
Расчёт предельных отклонений корректирующего звена:
ESАкор=
Ec кор+
мкм;
EIАкор=
Ec кор
мкм
Решение
проверочной задачи способом сложения и вычитания номинальных размеров и
предельных отклонений.
Подготовим
уравнение к сложению и вычитанию отклонений и произведем необходимые расчеты:
7.4
Расчёт по детальной размерной цепи вероятностным методом
Проектная
задача.
Корректирующее звено остаётся тем же.
Метод
расчёта - вероятностный, способ - допусков одинакового квалитета: процент риска
p=0,27%, t∆=3,
.
Расчёт количества единиц допуска.
Назначаем квалитет [по 6, табл. П 7.2.]. Расчётное число единиц допуска ас=235,269
соответствует 13-му квалитету, для которого стандартное число единиц допуска
а=250.
Однако если допуски всех звеньев назначить по 13 квалитету, то может
нарушиться уравнение допуска замыкающего звена. Исходя из этого допуски звеньев
А1, А2, А3, А6 - устанавливаем по
13 квалитету, а допуск звена А4 - по 14 квалитету.
Расчёт допуска корректирующего звена.
Назначаем предельные отклонения составляющих звеньев и записываем их в
таблицу 2
Расчёт координат середины поля допуска составляющих звеньев:
EcАj=
ESАj
расчёты
сводим в таблицу 26.
Расчёт
координат середины поля допуска корректирующего звена:
EcАкор=
(EсА∆-
)=
=
мкм.
Расчёт
предельных отклонений корректирующего звена:
ESАкор=
Ec кор+
мкм;
EIАкор=
Ec кор
мкм.
Таблица 2 - Сведения о размерной цепи, рассчитанной вероятностным методом
|
Звено
|
Номинальный размер, мм
|
Характер звена
|
ξAj
|
ii
|
Квалитет
|
TAj, мкм
|
, мкмESАj, мкмEIАj, мкмEcАj, мкмИсполнительный размер, мм
|
|
|
|
|
|
А1
|
8
|
ув.
|
+1
|
0,81
|
12
|
150
|
75
|
0
|
-150
|
-75
|
|
|
А2
|
8
|
ув.
|
+1
|
0,81
|
12
|
150
|
75
|
0
|
-150
|
-75
|
|
|
А3
|
12
|
ув.
|
+1
|
1,17
|
12
|
180
|
90
|
+180
|
-180
|
-90
|
|
|
А4
|
25
|
ув.
|
+1
|
1,72
|
13
|
330
|
165
|
0
|
-330
|
0
|
|
|
А5 кор
|
ум.
|
-1
|
1,17
|
12
|
640
|
320
|
-17
|
-407
|
-195
|
|
|
А6
|
20
|
ум.
|
-1
|
1,72
|
12
|
210
|
105
|
+210
|
0
|
+105
|
|
Решение проверочной задачи.
Рассчитываем допуск замыкающего звена
Рассчитываем координату середины поля допуска

Рассчитываем
предельные отклонения замыкающего звена
ES A∆= Ec A∆+ t∆
мкм;
EI A∆= Ec A∆ -t∆
мкм.
Заключение
Сравнение допусков (табл.1 и табл.2) на изготовление составляющих звеньев
одной и той же размерной цепи показывает, что величину допуска можно расширить
в 1,6-2,6 раза, если распределение погрешностей изготовления подчиняется закону
нормального распределения.
Литература
1. Допуски и
посадки. Учебное пособие. 3-е изд./ В.И. Анухин- Спб.: Питер, 2004.- 207с.: ил.
. Козловский
Н.С., Ключников В.М. Сборник примеров и задач по курсу “Основы стандартизации,
допуски, посадки и технические измерения”: Учебное пособие для учащихся
техникумов. - М.: Машиностроение, 1983. - 304 с.
. Единая
система допусков и посадок СЭВ в машиностроении и приборостроении: Справочник:/Палей
М.А., Тайц Б.А., Марков Н.Н и др. В 2 т. - 2-е изд., перераб. и доп. - М.:
Издательство стандартов, 1989. Т.1. - 263 с., ил. Т.2: Контроль деталей. -
208с.
.
Производство зубчатых колес: Справочник / С.Н. Калашников, А.С. Калашников,
Г.И. Коган и др.; Под общ. ред. Б.А. Тайца. - 3-е изд., перераб. и доп. - М.:
Машиностроение, 1990. - 464 с.: ил.
. Якушев А.И.
и др. Взаимозаменяемость, стандартизация и технические измерения: Учебник для
втузов / А.И. Якушев, Л.Н. Воронцов, Н.М. Федотов. 6-е изд., перераб. и доп. -
М.: Машиностроение, 1987. - 352 с.: ил.