Технологический процесс механической обработки детали винт
Министерство образования республики
Беларусь
Учреждение образования
Могилевский государственный
университет продовольствия
Кафедра прикладной механики
Специальность 1-36 01 01 Машины и
аппараты пищевых производств
КУРСОВАЯ РАБОТА
по дисциплине «Технология
машиностроения»
технологический
процесс механической обработки детали ВИНТ
(АРР-01.01.03.01)
Могилев 2012
СОДЕРЖАНИЕ
Введение
. Назначение
и конструкция детали
. Анализ
технологичности конструкции детали
. Определение
типа производства
. Обоснование
способа получения заготовки
. Выбор
варианта технологического маршрута
. Расчёт
припусков
. Обоснование
выбора оборудования, режущего и мерительного инструмента, технологической
оснастки
. Расчёт
режимов резания
. Техническое
нормирование четырёх операций
. Расчет
себестоимости выполнения одной операции
Список
используемых источников
ВВЕДЕНИЕ
Роль машиностроения в развитии всех отраслей народного хозяйства.
Основные направления повышения производительности и обеспечения требуемой
точности при разработке новых технологических процессов механической обработки
деталей.
Цель машиностроения - изменение структуры производства, повышение
качественных характеристик машин и оборудования. Предусматривается осуществить
переход к экономике высшей организации и эффективности с всесторонне развитыми
силами, зрелыми производственными отношениями, отлаженным хозяйственным
механизмом. Такова стратегическая линия государства.
Перед машиностроительным комплексом поставлена задача резко повысить
технико-экономический уровень и качество машин, оборудования и приборов.
Предметом исследования и разработки в технологии машиностроения являются
виды обработки, выбор заготовок, качество обрабатываемых поверхностей, точность
обработки и припуски на неё, базирование заготовок; способы механической
обработки поверхностей - плоских, цилиндрических, сложнопрофильных и др.;
методы изготовления типовых деталей - корпусов, валов, зубчатых колёс и др.;
процессы сборки (характер соединения деталей и узлов, принципы механизации и
автоматизации сборочных работ); конструирование приспособлений.
Основными направлениям развития современной технологии: переход от
прерывистых, дискретных технологических процессов к непрерывным
автоматизированным, обеспечивающим увеличение масштабов производства и качества
продукции; внедрение безотходной технологии для наиболее полного использования
сырья, материалов, энергии, топлива и повышения производительности труда;
создание гибких производственных систем, широкое использование роботов и
роботизированным технологических комплексов в машиностроении и приборостроении.
В представленном курсовом проекте разработан технологический процесс
изготовления винта АРР-01.01.03.01, произведены расчеты режимов резания, норм
времени, себестоимости операции.
1. Назначение и конструкция детали
Винт АРР-01.01.03.01 выполняет функцию упора в механизме. Упорная
поверхность (торец Æ60) подвергается термообработке и шлифуется для получения
чистой упорной поверхности. Вылет винта регулируется при помощи резьбы М42.
Вращение осуществляется при помощи специнструмента, устанавливаемого в
отверстия Æ6. На винте имеется канавка для установки мерительного приспособления.
Винт изготавливается из стали 45 ГОСТ 1050-88.
Свойства стали 45 приведены в таблице 1.
Таблица
1
Свойства стали 45 ГОСТ 1050-88
|
Физико-механические свойства стали 45 ГОСТ 1050-88
|
|
σт, МПА
|
σвр, МПА
|
Sб, %
|
ψ, %
|
dн, Дж/см2
|
HB, (не более)
|
HB, (не более)
|
|
не более
|
не более
|
не более
|
не более
|
|
горячекатанной
|
отожённой
|
|
360
|
600
|
16
|
40
|
50
|
241
|
197
|
|
Химический состав стали 45 ГОСТ 1050-88
|
|
С
|
Si
|
Mn
|
S
|
P
|
Ni
|
Cr
|
|
|
|
не более
|
|
|
|
0,40-0,50
|
0,17-0,37
|
0,50-0,80
|
0,045
|
0,045
|
0,30
|
0,30
|
|
|
|
|
|
|
|
|
|
|
2. Анализ технологичности конструкции детали
Винт АРР-01.01.03.01 изготавливается из конструкционной стали 45, которая
широко применяется в народном хозяйстве для изготовления деталей и узлов машин.
В связи с этим показатель обрабатываемости у данной детали достаточно высокий,
что позволяет использовать стандартизированный режущий инструмент.
Конструкция детали не сложная, количество обрабатываемых поверхностей
маленькое, размеры детали небольшие - эти свойства детали позволяют обеспечить
короткий технологический процесс ее изготовление и применить универсальное
оборудование для обработки резанием.
Точность изготовления детали - нормальная, не требующая прецизионных
методов обработки и соответствующего оборудования. Шероховатость обрабатываемых
поверхностей также позволяет вести обработку стандартизированным режущим
инструментом.
Конструкция детали дает возможность совмещать конструкторские,
технологические и измерительные базы. Для базирования можно применять наружные
цилиндрические поверхности.
В качестве заготовки для изготовления винта можно применять прокат либо
поковку, полученную штамповкой на ГКМ.
В общем, деталь АРР-01.01.03.01 считается технологичной.
Определение типа производства
Исходные данные:
рабочий чертеж детали АРР-01.01.03.01 (см. графическую часть проекта).
годовая программа выпуска N=10000
шт.
При массе детали 2,51 кг и годовой программе выпуска N=10000 шт., ориентировочно, тип производства,
в котором будет изготавливаться деталь - крупносерийное.
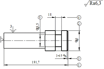
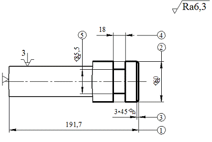
Обозначим на эскизе детали все элементарные поверхности (рисунок 1).
Рисунок 1 - Элементарные поверхности детали
, 2 - торец детали;
, 4 - фаска;
- поверхность Æ60h9 длиной 20 мм;
- поверхность Æ35,5h9
длиной 18 мм;
- поверхность Æ60h9 длиной 28 мм;
- поверхность Æ6Н9 длиной 10 мм;
-поверхность Æ35,5h9
длиной 10 мм (канавка под выход резьбонарезающего инструмента);
- резьбовая поверхность М42 длиной 114 мм.
Определим набор технологических переходов для получения требуемого
качества элементарных поверхностей, пользуясь таблицей 3 /2, с.150 - 153/:
пов. 1 -обтачивание однократное, шлифование;
пов. 2, 3, 4 - обтачивание однократное;
пов. 5, 6, 7 - обтачивание предварительное, обтачивание чистовое;
пов.8 - сверление;
пов.9 - обтачивание предварительное, обтачивание чистовое;
пов.10 - обтачивание предварительное, нарезание резьбы.
По каждому технологическому переходу, пользуясь таблицей 1 /2, с.150 -
153/ определим основное технологическое время, затем просуммируем эти времена в
пределах технологической операции, умножим на коэффициент φк и результат занесем в таблицу 2.
Операция 010.
Установ А.
Обтачивание торца пов.1
tо1=0,037∙(D2-d2)∙10-3мин
Черновое обтачивание пов.5,7
tо2=0,17∙d∙l∙10-3мин
Чистовое обтачивание пов.5,7
tо3=0,17∙d∙l∙10-3мин
Точение фаски (обтачивание фасонным резцом)
tо4=0,063∙(D2-d2)∙10-3мин
Точение канавки в 4 захода (обтачивание фасонным резцом)
tо5=4∙0,063∙(D2-d2)∙10-3мин
tо1=0,037∙(602-02)∙10-3=0,13мин
tо2=0,17∙60∙70∙10-3=0,71мин
tо3=0,17∙60∙70∙10-3=0,71мин
tо4=0,063∙(602-572)∙10-3=0,02мин
tо5=4∙0,063∙(602-35,52)∙10-3=0,59мин
Установ Б.
Черновая подрезка торца пов.2
tо6=0,037∙(D2-d2)∙10-3мин
Черновое обтачивание пов.10
tо7=0,17∙d∙l∙10-3мин
Точение фаски (обтачивание фасонным резцом)
tо8=0,063∙(D2-d2)∙10-3мин
Точение канавки под выход резьбонарезающего инструмента (заглубление и
проход)
tо9=0,063∙(D2-d2)∙10-3+0,17∙d∙l∙10-3мин
tо6=0,037∙(422-02)∙10-3=0,07мин
tо7=0,17∙42∙124∙10-3=0,89мин
tо8=0,063∙(422-392)∙10-3=0,02мин
tо9=0,063∙(422-35,52)∙10-3+0,17∙35,5∙10∙10-3=0,03мин
tо010=0,13+0,71+0,71+0,02+0,59+0,07+0,89+0,02+0,03=3,36мин
Пользуясь формулой tшт-к010=φк∙tомин, и взяв значение φк=1,36 для токарных станков при крупносерийном
производстве получим
tшт-к010=1,36∙3,36=4,57мин
Аналогичным образом производим расчёт для остальных операций.
Операция 015. Сверление 4 отверстий пов.8
tо1=4∙0,52∙d∙l∙10-3мин
tо015=tо1=4∙0,52∙6∙15∙10-3=0,29мин
принимаем φк=1,3 для вертикально-сверлильных станков
tшт-к015=1,3∙0,26=0,38мин
Операция 020.
Нарезание резьбы М42 резьбовой головкой. Основное время целесообразно
определять по формуле /1, с.161/
мин
где Lрх-длина рабочего хода,
Lрх=l+l1+l2=124+9+7=140мм;
S -
подача, равна 1,125 мм;
n -
частота вращения, n=100 об/мин
мин
принимаем φк=1,36 для токарных станков
tшт-к020=1,36∙1,61=2,19мин
Операция 030.
Шлифование чистовое торца пов.1. (шлифование плоскостей торцом круга)
tо1=2,5∙l∙10-3мин
l.
принимаем равным диаметру пов.1 плюс 50 мм радиус шлифовального круга
tо030=tо1=2,5∙60∙10-3=0,28мин
принимаем φк=1,55для круглошифовальных станков
tшт-к030=1,55∙0,08=0,43мин
Определяем число станков на каждую операцию по формуле
/2, с.20/
где N - годовая программа выпуска, шт;
tшт-к - штучное или штучно-калькуляционное
время на операцию, мин;
Fд -
действительный годовой фонд времени работы оборудования, час.
Fд=4029
часов, /2, табл.2.1, с. 22/;
hзн- нормативный коэффициент загрузки оборудования.
hзн=0,75, /2, с. 20/.
Принятое число рабочих мест (станков) на каждую смену:
Pо010=1; Pо015=1; Pо020=1; Pо030=1.
Подсчитаем коэффициент загрузки фактический для каждой операции по
формуле
/2, с.20/
=0,25
=0,021
=0,12
=0,024
Подсчитаем количество операций, которые можно закрепить за одним местом
по формуле
/2, с.21/
Расчетные данные сводим в таблицу 2.
Таблица
2
Определение типа производства
|
Операция
|
tшт-к
|
mР
|
Р
|
ηзф
|
О
|
|
Операция 005 Заготовительная
|
|
|
|
|
|
|
Операция 010 Токарная Установ А 1. Подрезать торец пов.1 2.
Черновое обтачивание Æ 60 на L=70 3. Чистовое
обтачивание Æ 60 на L=70 4. Точение фаски 3х45̊ 5.
Точение канавкиÆ 35,5 на L=18 Установ Б
1. Подрезать торец пов.2 2. Черновое обтачивание пов.10, Æ 42 на L=124 3. Точение фаски 3х45̊ 4. Точение канавки
пов.9, Æ 35,5
на L=10
|
4,57
|
0,25
|
1
|
0,25
|
3
|
|
Операция 015 Сверлить 4 отв. Æ 6 на L=10
|
0,38
|
0,021
|
1
|
0,021
|
35
|
|
Операция 020 Нарезать резьбу М42 на L=124 мм
|
2,19
|
0,12
|
1
|
0,12
|
6
|
|
Операция 025 Термическая обработка
|
|
|
|
|
|
|
Операция 030 Шлифовать торец пов.1
|
0,28
|
0,024
|
1
|
0,024
|
31
|
|
Операция 035 Контрольная
|
|
|
|
|
|
Просуммируем графы Р и О
ΣР=4;
ΣО=75
Найдем коэффициент закрепления операций
По коэффициенту закрепления операций 18,75 определяем тип производства
для заданных в курсовом проекте условий - среднесерийное.
. Обоснование способа получения заготовки
В качестве заготовки для винта можно применять заготовку из проката или
поковку, полученную на ГКМ. Рассмотрим экономическую целесообразность каждого
из способов получения заготовку.
Эскиз заготовки из проката - см. рисунок 1.
Рисунок 2 - Заготовка из проката
Стоимость заготовки из проката
Sзаг=М+ΣСоз
где М - затраты на материал заготовки, руб.
ΣСоз - технологическая
себестоимость разрезки на штучные заготовки.
где Спз - приведенные затраты, приходящиеся на 1 ч работы
оборудования;
Спз=1,21∙104 руб./2, с.30/
Тшт-к - штучно-калькуляционное время отрезания.
где d - диаметр заготовки;
согласно расчету припусков, приведенному в п.6, максимальный предельный
диаметр под механическую обработку равен 61,87 мм, по ГОСТ 2590-88 выбираем
диаметр проката d=62 мм.
s -
подача;
s=100
мм/мин.
мин
руб
Затраты на материалы
где Q - масса заготовки, кг;
S -
цена 1 кг материала заготовки, руб.;
S=1700
руб./2, с.31, табл.2.6/
q -
масса детали, кг;
q=2,51
кг.
Sотх - цена 1 т отходов, руб;
Sотх=25∙104руб
где ρ - плотность стали;
ρ=7850 кг/м3
кг
руб
Sзаг=7327+1250=8577руб
Определяем стоимость заготовки, полученной штамповкой на ГКМ.
Расчетная масса поковки по ГОСТ 7505-89
Gп=Мд∙Кр
где Кр- расчетный коэффициент;
Кр=1,4;
Мд - масса детали
Gп=2,51∙1,4=3,51кг
Класс точности поковки - Т4, группа стали - М2.
Степень сложности определяется путем вычисления отношения массы
Gп поковки к массе Gф геометрической фигуры, в которую вписывается форма
поковки. Цилиндр, описывающий поковку, имеет размеры:
диаметр dф=60∙1,05=63 мм
длина lф=190∙1,05=199,5 мм
кг
Отношение Gп/Gф=3,51/4,88=0,72, следовательно выбираем степень сложности С1.
Конфигурация поверхности разъема штампа - плоская. Исходный индекс по ГОСТ
7505-89 - 10. Назначаем припуски на обработку, вычерчиваем эскиз заготовки
(рисунок 2).
Определяем объем поковки
м3
Рисунок 3 - Штампованная заготовка
Определяем массу поковки
Q=Vп∙ρ=5,246∙10-4∙7850=4,12кг
Стоимость заготовки, получаемой штамповкой на ГКМ
/2, с.31/
где Сi - базовая
стоимость 1 т заготовок, руб;
Ci=373∙104 руб.
kт=1, kм=1/2, с.37/
kс=0,75, kв=1/2, с.38, табл.2.12/
kп=1/2, с.38, табл.2.13/
руб.
На основании рассчитанной стоимости заготовок из проката и штампованной
на ГКМ для изготовления винта выбираем заготовку из проката.
Экономический эффект рассчитывается по формуле
Эз=(Sзаг1-Sзаг2)∙N=(11123-8577)∙10000=25460000руб.
5 Выбор варианта технологического маршрута
Таблица 3
Технологический процесс изготовления винта
|
№
|
Наименование и краткое содержание операции
|
Модель станка
|
Режущий инструмент, размеры, марка инструментального
материала
|
Номер поверхности (см. рис.1)
|
|
010
|
Операция 005 Заготовительная
|
|
|
|
|
Операция 010 Токарная Установ А 1. Подрезать торец пов.1 2.
Черновое обтачивание Æ 60 на L=70 3. Чистовое
обтачивание Æ 60 на L=70 4. Точение фаски 3х45̊ 5.
Точение канавки Æ 35,5 на L=18 Установ Б
1. Подрезать торец пов. 2 2. Черновое обтачивание пов.10, Æ 42 на L=124 с подрезкой торца 3. Точение фаски 3х45̊
4. Точение канавки пов.9, Æ 35,5 на L=10
|
16К20
|
Резец подрезной 2112-0005 Т15К6 ГОСТ 18880-73 Резец
проходной CSDNN2516M12-H2Т15К6
ГОСТ 22611-85 с пластиной по ГОСТ 25003-81 Резец проходной Т15К6 2103-0711
ГОСТ 20872-80 Резец фасонный Т15К6
|
Установ А 1,3,5,6,7 Установ Б 2,4,9,10
|
|
015
|
Операция 015 Сверлить 4 отв. Æ 6 на L=10
|
2Н135
|
Сверло 2301-0001 Р6М5 ГОСТ 10903-77
|
8
|
|
020
|
Операция 020 Нарезать резьбу М42 на L=124 мм
|
16К20
|
Головка винтонарезная самооткрывающаяся 2651-0009 ГОСТ
21760-76
|
10
|
|
025
|
Операция 025 Термическая обработка
|
Участок термообработки
|
|
|
|
030
|
Операция 030 Шлифовать торец пов.1
|
3А110В
|
Круг шлифовальный 1-100х20х25 Э9А 25 СМ1 7К5 35 м/с А 1 кл.
ГОСТ 2424-83
|
1
|
|
035
|
Операция 035 Контрольная
|
Стол ОТК
|
|
|
6. Расчет припусков
Рассчитываем припуски на обработку поверхности Æ60h9.
Таблица 4
Припускина обработку поверхности Æ60h9
|
Технологические переходы обраб. поверхности Æ60h9(-0,074)
|
Элементы припуска, мкм
|
Расчётный припуск, 2zmin, мкм
|
Расчётный размер, dp, мкм
|
Допуск δ, мкм
|
Предельный размер, мкм
|
Предельное знач. припуск., мкм
|
|
Rz
|
T
|
ρ
|
ε
|
|
|
|
dmin
|
dmax
|

|
|
|
Заготовка
|
150
|
150
|
195
|
-
|
-
|
190
|
61,68
|
61,87
|
-
|
-
|
|
Точение черновое
|
50
|
50
|
12
|
420
|
2∙763
|
60,15
|
160
|
60,15
|
60,34
|
1530
|
1530
|
|
Точение чистовое
|
30
|
30
|
8
|
0
|
2∙112
|
59,926
|
74
|
59,926
|
60
|
224
|
340
|
Определяем элементы припуска Rz - высота неровностей, Т - глубина дефектного слоя.
Для заготовки Rz=150
мкм, Т=150 мкм/2, с.63, табл.4.3/
Для чернового точения Rz=50мкм, Т=50 мкм/2, с.64, табл.4.5/
Для чистового точения Rz=30мкм, Т=30 мкм/2, с.64, табл.4.5/
Величина пространственных отклонений
ρзаг=ρк=Δк∙l/2,
с.68, табл.4.7/
где Δк - удельная кривизна заготовки на 1 мм длины.
Δк=1/2, с.71, табл.4.8/
ρзаг=ρк=1∙195=195 мкм
Остаточные отклонения последующих переходов
ρост = kу∙ρзаг
где kу - коэффициент уточнения формы;
для чернового точения kу=0,06/2, с.73/;
ρост=0,06∙195=12 мкм
для чистового точения kу=0,04/2, с.73/;
ρост=0,04∙195=8 мкм
Погрешность установки
/2, с.74/
где εб
- погрешность базирования;
εб=0, т.к. установка заготовки производится в
самоцентрирующемся патроне;
εз=420 мкм/2, с.76. табл.4.10/
мкм
Припуск на обработку определяется по формуле
/2, с.62. табл.4.2/
Для чернового обтачивания
мкм
Для чистового обтачивания
мкм
Расчетный размер для каждого предшествующего перехода определяется
прибавлением к расчетному размеру расчетного припуска, следующего за ним
смежного перехода
Для чистового точения dр
= 59,926 мм
Для чернового точения dр
=
59,926+0,224=60,15 мм
Для заготовки dр = 60,15+1,526=61,676мм
Допуск
Для заготовки δ = 190 мкм
Для чернового точения δ = 190 мкм
Для чистового точения δ = 74мкм
Наименьший предельный размер dmin для каждого перехода получаем округлением в большую сторону
расчетного размера с той же точностью, с которой дан допуск. Наибольший
предельный размер dmax
получается прибавлением к наименьшему предельному размеру величины допуска
Для заготовки dmin=61,62;
dmax=61,68+0,19=61,87мм
Для чернового точения dmin=60,15; dmax=60,15+0,19=60,34мм
Для чистового точения dmin=59,926; dmax=60мм
Предельные значения припусков 2zпрminи 2zпрmax определяются как разность
соответственно наименьших и наибольших предельных размеров предшествующего и
выполняемого переходов.
Для чернового точения
zпрmin=61,68-60,15=1,53 мм
zпрmax=61,87-60,34=1,53мм
Для чистового точения
zпрmin=60,15-59,926=0,224 мм
zпрmax=60,34-60=0,34мм
Проверим правильность расчетов
Для чернового точения
zпрmax-2zпрmin=1,53-1,53=0
δзаг-δчерн=0,19-0,19=0
Для чистового точения
zпрmax-2zпрmin=0,34-0,224=0,116
δчерн-δчист=0,19-0,074=0,116
Расчет произведен верно.
Схема расположения припусков представлена на рисунке 4.
Рисунок 4 - Схема расположения припусков на Æ60h9
Аналогичным образом рассчитываем припуски на обработку поверхности 1
(торецÆ60). Расчет ведется для линейного размера 190.
Таблица 5
Припуски на обработку поверхности 1 (торец Æ60)
|
Технологические переходы обработки поверхности 1(торец Æ60)
|
Элементы припуска, мкм
|
Расчётный припуск, zmin, мкм
|
Расчётный размер, lp, мкм
|
Допуск δ, мкм
|
Предельный размер, мкм
|
Предельное зн. припуск., мкм
|
|
Rz
|
T
|
ρ
|
ε
|
|
|
|
lmin
|
lmax
|

|
|
|
Заготовка
|
200
|
195
|
-
|
-
|
190,657
|
800
|
190,7
|
191,5
|
-
|
-
|
|
Точение
|
30
|
30
|
8
|
420
|
620
|
190,037
|
460
|
190,04
|
190,5
|
660
|
1000
|
|
Шлифование
|
10
|
20
|
0
|
0
|
60
|
189,977
|
46
|
189,977
|
190,023
|
63
|
477
|
Определяем элементы припуска Rz - высота неровностей, Т - глубина дефектного слоя.
Для заготовки Rz+Т=200
мкм/2, с.64, табл.4.4/
Для точения Rz=30мкм,
Т=30 мкм/2, с.64, табл.4.5/
Для шлифованияRz=10мкм,
Т=20 мкм/2, с.64, табл.4.5/
Величина пространственных отклонений
ρзаг=ρк=Δк∙l/2,
с.68, табл.4.7/
где Δк - удельная кривизна заготовки на 1 мм длины.
Δк=1/2, с.71, табл.4.8/
ρзаг=ρк=1∙195=195 мкм
Остаточные отклонения последующих переходов
ρост=kу∙ρзаг
где kу - коэффициент уточнения формы;
для точения kу=0,04/2, с.73/;
ρост=0,04∙195=8 мкм
для шлифованияkу=0,002/2, с.73/;
ρост=0,002∙195=0,39 мкм
для шлифования принимаем ρост=0
Погрешность установки
/2, с.74/
где εб
- погрешность базирования;
εб=0, т.к. установка заготовки производится в
самоцентрирующемся патроне;
εз=420 мкм/2, с.76. табл.4.10/
мкм
Припуск на обработку определяется по формуле
/2, с.62. табл.4.2/
Для точения
мкм
Для шлифования
мкм
Расчетный размер
Для шлифованияlр=189,977мм
Для точения lр=189,977+0,06=190,037мм
Для заготовки lр=190,037+0,62=190,657мм
Допуск
Для заготовки δ=800мкм
Для чернового точения δ=460мкм
Для чистового точения δ=46мкм
Наименьший предельный размер lminи наибольший предельный размер lmax
Для заготовки lmin=19,07;
lmax=19,07+0,8=191,5мм
Для точения lmin=190,04;
lmax=190,04+0,46=190,5мм
Для шлифованияlmin=189,977;
lmax=189,977+0,046=190,023мм
Предельные значения припусков zпрminи zпрmax
Для точения
zпрmin=190,7-190,04=0,66мм
zпрmax=191,5-190,5=1мм
Для шлифования
zпрmin=190,04-189,977=0,063мм
zпрmax=190,5-190,023=0,477мм
Проверим правильность расчетов
Для точения
zпрmax-zпрmin=1000-660=340
δзаг-δточ=800-460=340
Для шлифования
zпрmax-zпрmin=477-63=414
δточ-δшлиф=460-46=414
Расчет произведен верно.
Схема расположения припусков представлена на рисунке 5.
Рисунок 5 - Схема расположения припусков пов.1, торец Æ60
7. Обоснование выбора оборудования, режущего и мерительного инструмента,
технологической оснастки
При обработке винта, исходя из технологического маршрута обработки,
назначаем станки, режущий и мерительный инструмент. Станки выбираем по типу
операции в соответствии с точностью обработки, техническими и геометрическими
параметрами станка. При выборе типа и конструкции режущего инструмента следует
учитывать основные факторы: характер производства, тип станка, метод обработки,
размер и конфигурацию обрабатываемой детали, точность обработки, материал
обрабатываемой детали, материал режущей части инструмента. Размер и
конфигурация обрабатываемой детали влияют на выбор инструмента в отношении его
размеров и конструкции. винт заготовка припуск
оборудование
На токарной операции применяем резцы, оснащенные твердосплавными
пластинами: подрезной резец по ГОСТ 18880-73 для подрезки торцев; проходной
резец по ГОСТ 22611-85 с твердосплавной пластиной по ГОСТ 25003-81 для точения
цилиндрических поверхностей и обработки фасок; фасонный резец для точения
канавки. Материал режущей части резцов - Т15К6. На данной операции используется
токарно-винторезный станок 16К20.
На сверлильной операции применяется сверло по ГОСТ10903-77 из
быстрорежущей стали Р6М5. Сверлильная операция проводится на
вертикально-сверлильном станке 2Н135. Поворот заготовки на заданный угол
осуществляется при помощи делительной головки.
Для нарезания резьбы применяется токарно-винторезный станок 16К20,
оснащенный винторезной самооткрывающейся головкой. Винторезная головка
позволяет по окончании процесса нарезания резьбы осуществлять вывод инструмента
без обратной подачи, что значительно сокращает штучно-калькуляционное время.
Шлифование торца производится шлифовальным кругом 1-100х20х25 Э9А 25 СМ1 7К5 35
м/с А 1 кл. ГОСТ 2424-83 на универсальном круглошлифовальном станке 3А110В.
Для измерения диаметральных и линейных размеров применяется
штангенциркуль по ГОСТ 166-78. Измерение глубины отверстий производится
штангенглубиномером ГОСТ 162-90.
. Расчет режимов резания
Производим расчет режимов резания аналитическим способом для операции 010
- Токарная, Установ А.
Расчет режимов резания по переходу 2 - черновое точение Æ60 на длину L=70 мм. Обрабатываемый материал - Сталь 45 ГОСТ 1050-88.
Резец проходной, оснащенный пластиной из твердого сплава Т15К6.
Глубина резания t=1,5
мм.
Подача s=0,8 мм/об/4, с.266, табл.11/
Скорость резания определяем по формуле
где T - стойкость инструмента;
Т=40 мин;/4, с.268/
Cv= 340; x=0,15; у=0,45, m=0,2/4, с.269, табл.17/
Kv=Kмv∙Kпv∙Kиv
Где Kмv - коэффициент, учитывающий материал заготовки;
Kпv - коэффициент, учитывающий состояние
поверхности;
Kпv=0,9/4, с.263, табл.5/
Kиv - коэффициент, учитывающий материал
инструмента;
Kиv=1/4, с.263, табл.6/
/4, с.261, табл.1/
где σв=600 МПа;
Kr - коэффициент, характеризующий группу стали по обрабатываемости;
Kr=1/4, с.262, табл.2/
nv - показатель степени;
nv=1/4, с.262, табл.2/
Kv=1,25∙0,9∙1=1,125
По паспорту станка принимаем n=1000 об/мин. Пересчитываем скорость
Сила резания
Pz,y,x=10∙Cp∙tx∙sy∙vn∙Kp
Где Cp=300; x=1; y=0,75;n=-0,15 - значения для расчета Pz;
Cp=243; x=0,9; y=0,6;n=-0,3
- значения для расчета Py;
Cp=339; x=1; y=0,5;n=-0,4
- значения для расчета Pх/2,с.273, табл.22/
Kp=Kмp∙ Kφp∙ Kγp∙ Kλp∙ Krp
/4, с.264, табл.9/
где n=0,75/0,35=2,14/4, с.264, табл.9/
Для тангенциальной составляющей Pz
Kφp=0,94; Kγp=1,1; Kλp=1; Krp=0,93/4, с.275, табл.23/
Kp=1,61∙0,94∙1,1∙ 1∙ 0,93=0,327
Pz =10∙300∙1,51∙0,80,75∙188-0,15∙0,327=545Н
Для радиальной составляющей Py
Kφp=0,77; Kγp=1,4; Kλp=1; Krp=0,82/4, с.275, табл.23/
Kp=1,61∙0,77∙1,4∙ 1∙ 0,82=0,301
Py =10∙243∙1,50,9∙0,80,6∙188-0,3∙0,301=175Н
Для осевой составляющей Px
Kφp=1,11; Kγp=1,4; Kλp=1; Krp=1/4, с.275, табл.23/
Kp=1,61∙1,11∙1,4∙ 1∙ 1=0,528
Px =10∙339∙1,51∙0,80,5∙188-0,4∙0,528=262Н
Мощность резания рассчитываем по формуле
кВт
При этом паспортная мощность главного привода станка равна 11 кВт,
следовательно мощности станка достаточно.
Расчет режимов резания аналитическим способом для операции 015 -
Сверлильная.
Материал инструмента - Р6М5. Диаметр сверления D=6 мм.
Глубина резания при сверлении
t=0,5∙D=0,5∙6=3 мм
Подача s=0,13 мм/об/4, с.277, табл.25/
Скорость резания определяем по формуле
где Cv=7; q=0,4; y=0,7;
m=0,2/4, с.278, табл.28/
Т- стойкость инструмента, Т=25 мин/4, с.279, табл.30/
Kv - общий поправочный коэффициент.
Kv=Kмv∙ Kиv∙ Klv
Где Kмv - коэффициент на обрабатываемы материал;
Kиv - коэффициент на инструментальный
материал;
Kиv=0,9/4, с.263, табл.6/
Klv - коэффициент, учитывающий глубину сверления;
Klv=1/4, с.280, табл.31/
/4, с.261, табл.1/
где σв=600 МПа;
Kr - коэффициент, характеризующий группу стали по обрабатываемости;
Kr=1/4, с.262, табл.2/
nv - показатель степени;
nv=-0,9/4, с.262, табл.2/
Kv=0,6∙1∙1=0,6
По паспорту станка принимаем n=800 об/мин. Пересчитываем скорость
Крутящий момент и осевая сила
Mкр=10∙Cм∙Dq∙sy∙Kр
Po=10∙Cp∙Dq∙sy∙Kр
где См=0,0345; q=2; y=0,8 - для расчета Мкр;
Ср=68; q=1; y=0,7 - для расчета Ро.
Кр - коэффициент, учитывающий фактические условия обработки, в
данном случае зависит только от материала обрабатываемой заготовки.
/4, с.264, табл.9/
где σв=600 МПа;
n=0,75/0,75=1/4,
с.264, табл.9/
Mкр=10∙0,0345∙62∙0,130,8∙0,8=14,6
Н∙м
Po=10∙68∙61∙0,130,7∙0,8=588 Н
Мощность резания
кВт
При этом паспортная мощность главного привода станка равна 4 кВт,
следовательно мощности станка достаточно.
Расчет режимов резания табличным способом для операции 010 - Токарная. Установ
А.
Расчет режимов резания по переходу 3 - чистовое точение Æ60 на длину L=70 мм.
Определяем длину рабочего хода суппорта
Lр.х=Lрез+y+Lдоп
Где Lрез -длина резания;
Lрез=70 мм;
y -
длина подвода, врезания и перебега инструмента;
y=10
мм;
Lдоп - дополнительная длина хода;
Lдоп=0
Lр.х=70+10+0=80мм
Назначаем подачу суппорта на оборот шпинделя
sо=0,6 мм/об/1, с.23, карта Т-2/
Определяем стойкость инструмента
Тр=Тм∙λ
где Тм - стойкость в минутах машинной работы станка;
Тм=70 мин/1, с.26, карта Т-3/
λ - коэффициент времени резания;
кВт
Т.к. λ>0,7 принимаем Тр=Тм=70
мин./1, с.26/
Определяем скорость резания
v=vтабл∙К1∙К2∙К3
где vтабл=125 м/мин/1, с.29, карта Т-4/
К1 - коэффициент, зависящий от обрабатываемого материала;
К1=0,9/1, с.30, карта Т-4/
К2 - коэффициент, зависящий от стойкости и марки твердого
сплава;
К2=1,25/1, с.33, карта Т-4/
К3 - коэффициент, зависящий от вида обработки;
К3=1/1, с.34, карта Т-4/
v=125∙0,9∙1,25∙1=141
м/мин
Рассчитываем рекомендуемое число оборотов шпинделя станка
об/мин
По паспорту станка принимаем n=800 об/мин. Уточняем скорость резания по принятому числу оборотов
шпинделя
м/мин
Рассчитываем основное машинное время обработки
мин
Определяем силу резания
Pz=Pzтабл∙К1∙К2
Pzтабл=350 Н
К1 - коэффициент, зависящий от обрабатываемого материала;
К1=0,8/1, с.36, карта Т-5/
К2 - коэффициент, зависящий от скорости резания и переднего
угла при точении сталей твердосплавным инструментом;
К2=1/1, с.36, карта Т-5/
Pz=35∙0,8∙1=280Н
Определяем режимы резания для операции 020 - Резьбонарезная.
Скорость резания находим по формуле
v=vтабл∙Кv
где vтабл=16 м/мин/1, с.162, карта Р-2/
Кv - коэффициент, зависящий от
обрабатываемого материала;
Кv=1/1, с.162, карта Р-2/
v=16∙1=16м/мин
об/мин
По паспорту станка принимаем n=125 об/мин. Уточняем скорость резания по принятому числу оборотов
шпинделя
м/мин
Крутящий момент
Мкр=Мкр(табл)∙К1∙К2
где Мкр(табл)=30Н∙м/1, с.163, карта Р-2/
К1 - коэффициент, зависящий от диаметра резьбы;
К1=4,8;/1, с.163, карта Р-2/
К2 - коэффициент, зависящий от обрабатываемого материала;
К2=1;/1, с.163, карта Р-2/
Мкр=30∙4,8∙1=144Н∙м
Определяем машинное время
где Lр.х - длина рабочего хода;
s -
шаг резьбы;
s=4,5
мм
Lр.х=Lрез+y=124+5=129мм
мин
Мощность резания
кВт
При этом паспортная мощность главного привода станка равна 11 кВт,
следовательно мощности станка достаточно.
9. Техническое нормирование операций
Операция 010 - Токарная.
/2, с.101/
где toi - основное время;
tвсп - вспомогательное время;
tоб.отд - время на обслуживание и отдых;
tпз- подготовительно-заключительное
время;
n -
количество деталей в настроечной партии
n=250 шт.
где L - длина пути, пройденная
инструментом в направлении подачи;
s -
минутная подача;
n -
частота вращения шпинделя;
i -
число рабочих ходов;
L=l+l1+l2+l3
где l - длина обрабатываемой поверхности;
l1 - длина врезания;
l1=2,5 мм;
l2 - длина перебега инструмента;
l2=1,5 мм;
l3 - дополнительная длина (учитывается
лишь в единичном производстве)
мин
мин
мин
мин
мин
мин
мин
мин
мин
Σtoi=0,065+0,123+0,154+0,012+0,108+0,065+0,213+0,012+0,023=0,763
Вспомогательное время складывается из времени на установку и снятие
детали, времени на закрепления и открепления детали, времени на приемы
управления, времени на измерение детали. Выбор времен производится по таблицам
/2, с.197-206/ Таким образом
tвсп=0,23+0+0,12+0,6=0,95мин
Время на обслуживание и отдых равно 7% от суммы основного и
вспомогательного времени /2, с.214, табл.6.1/.
tоб.отд.=(0,763+0,95)∙0,07=0,12мин
Подготовительно-заключительное время tпз=12 мин/2, с.216, табл.6.3/
мин
Операция 015 - Сверлильная
мин
tвсп=0,52+0+0,07+1,12=1,71мин
Время на обслуживание и отдых равно 5,5% от суммы основного и
вспомогательного времени /2, с.214, табл.6.1/.
tоб.отд.=(0,54+1,71)∙0,055=0,12мин
Подготовительно-заключительное время tпз=9 мин/2, с.217, табл.6.4/
мин
Операция 020 - Резьбонарезная
где l1равняется двум шагам нарезаемой резьбы;
l1=9 мм;
l2 равняется 1,2 шага нарезаемой
резьбы;
l2=5,5 мм;
мин
tвсп=0,23+0+0,12+0 =0,35мин
Время на обслуживание и отдых равно 7% от суммы основного и
вспомогательного времени /2, с.214, табл.6.1/.
tоб.отд.=(0,23+0,35)∙0,07=0,04мин
Подготовительно-заключительное время tпз=12 мин/2, с.217, табл.6.4/
мин
Операция 030 - Шлифовальная
/2, с.101/
где tтех - время на техническое обслуживание
рабочего места;
tорг - время на организационное
обслуживание рабочего места;
tотд - затраты времени на перерыв, отдых
и личные надобности
где l1+l2=15 мм;
s
-подача;
s=0,5
м/мин;
мин
tвсп=0,122+0+0,15+0,18 =0,452мин
Время на техническое обслуживание равно 3% от суммы основного и
вспомогательного времени /2, с.212, табл.5.20/.
tтех.=(0,15+0,452)∙0,03=0,018мин
Время на организационное обслуживание равно 1,7% от суммы основного и
вспомогательного времени /2, с.212, табл.5.21/.
tорг.=(0,15+0,452)∙0,017=0,01мин
Время на отдых равно 20% от суммы основного и вспомогательного времени
/2, с.213, табл.5.22/.
tотд.=(0,15+0,452)∙0,2=0,12мин
Подготовительно-заключительное время tпз=10 мин/2, с.220, табл.6.7/
мин
10. Расчет себестоимости выполнения одной операции
Рассчитываем себестоимость выполнения вертикально-сверлильной операции.
Технологическая себестоимость операции
/2, с.43/
Где Кв=1,3- коэффициент выполнения норм;
Спз - часовые приведённые затраты
/2, с.39/
где Ен-нормативный коэффициент экономической эффективности и
капитальных вложений;
Ен=0,15/2, с.39/
Сз = ε∙Стф∙k∙у
Где ε - коэффициент, учитывающий дополнительную зарплату
ε=1,53/2, с.39/
Стф - часовая тарифная ставка станочника сдельщика
соответствующего разряда;
Стф=6060 руб/ч/2, с.40 табл.2.14/
k -
коэффициент, учитывающий зарплату наладчика;
k=1;/2,
с.40/
у - коэффициент, учитывающий оплату рабочего при многостаночном
обслуживании;
у=1/2, с.40/
Сз = 1,53∙6060∙1∙1=9272руб/ч
Часовые затраты по эксплуатации рабочего места
,/2, с.40/
Где Сбпчз - практические часовые затраты на базовом
рабочем месте;
Сбпчз=3630 руб/ч;
kм - коэффициент, показывающий, во
сколько раз затраты, связанные с работой данного станка, больше, чем
аналогичные расходы у базового станка;
kм=1,8/2, с.147 табл.2/
Счз=3630∙1,8=6534
Капитальные вложения в станок
/2, с.42/
Где Ц - балансовая паспортная стоимость станка;
Ц=102 200 000 руб.;
Fд - годовой фонд времени, ч;
Fд = 4029;
ηз - коэффициент загрузки станка;
для серийного производства ηз=0,8
Капитальные вложения в здание
/2, с.43/
гдеF - производственная площадь,
занимаемая станком с учётом проходов, м2;
F= f∙kf/2, с.43/
гдеf - площадь станка в плане, м2;
f=2,67
м2;
kf - коэффициент, учитывающий дополнительную производственную площадь
проходов, проездов и др.;
kf=3,5
F=2,67∙3,5=9,35
Спз=9272 +6534+0,15∙(31707+2274)=20903руб/ч
СПИСОК ИСПОЛЬЗУЕМЫХ ИСТОЧНИКОВ
1. Барановский,
Ю.В. Режимы резания металлов: Справочник/Ю.В. Барановский; под ред. Ю.В.
Барановского. - М.: Машиностроение, 1972.- 407 с.
2. Горбацевич
А.Ф., Шкред В.А. Курсовое проектирование по технологии машиностроения. - Мн.:
Вышэйшая школа, 1983-255 с.
. Справочник
технолога - машиностроителя. В 2-х т. Т.1 /Под ред. А.Г. Косиловой и Р.К.
Мещерякова. - М.: Машиностроение, 1985 -655 с.
. Справочник
технолога - машиностроителя. В 2-х т. Т.2 /Под ред. А.Г. Косиловой и Р.К.
Мещерякова. - М.: Машиностроение, 1985 -495 с.
ПРИЛОЖЕНИЯ
ГОСТ
3,1105-74 Форма 1
|
Разраб.
|
|
|
|
МГУП
|
АРР-01.01.03.01
|
|
|
|
Провер.
|
|
|
|
|
|
|
|
|
Утв.
|
|
|
|
|
|
|
|
|
|
|
|
010 Винт
|
У1
|
|
Н.контр
|
|
|
|
|
|
|
Установ А
|
|
КЭ
|
|
|
|
|
|
|
|
|
|
|
ГОСТ
3,1105-74 Форма 1
|
Разраб.
|
|
|
|
МГУП
|
АРР-01.01.03.01
|
|
|
|
Провер.
|
|
|
|
|
|
|
|
|
Утв.
|
|
|
|
|
|
|
|
|
|
|
|
010 Винт
|
У1
|
|
Н.контр
|
|
|
|
|
|
|
Установ А
|
|
КЭ
|
|
|
|
|
|
|
|
|
|
|
ГОСТ
3,1105-74 Форма 1
|
Разраб.
|
|
|
|
МГУП
|
АРР-01.01.03.01
|
|
|
|
Провер.
|
.
|
|
|
|
|
|
|
|
Утв.
|
|
|
|
|
|
|
|
|
|
|
|
015 Винт
|
У1
|
|
|
Н.контр
|
|
|
|
|
|
|
|
|
|
КЭ
|
|
|
|
|
|
|
|
|
|
|
ГОСТ
3,1105-74 Форма 1
|
Разраб.
|
|
|
|
МГУП
|
АРР-01.01.03.01
|
|
|
|
Провер.
|
.
|
|
|
|
|
|
|
|
Утв.
|
|
|
|
|
|
|
|
|
|
|
|
020 Винт
|
У1
|
|
|
Н.контр
|
|
|
|
|
|
|
|
|
|
КЭ
|
|
|
|
|
|
|
|
|
|
|
ГОСТ
3,1105-74 Форма 1
|
Разраб.
|
|
|
|
МГУП
|
АРР-01.01.03.01
|
|
|
|
Провер.
|
.
|
|
|
|
|
|
|
|
Утв.
|
|
|
|
|
|
|
|
|
|
|
|
030 Винт
|
У1
|
|
|
Н.контр
|
|
|
|
|
|
|
|
|
|
КЭ
|
|
|
|
|
|
|
|
|
|
|