Разработка технологического процесса механической обработки детали Валик 8ТС. 200.195
Введение
Устойчивое наступательное развитие народного
хозяйства во многом определяется техническим прогрессом машиностроения.
Технический прогресс в машиностроении характеризуется не только улучшением
машин, но и непрерывным совершенствованием технологии их производства. Развитие
новых прогрессивных технологических процессов обработки способствует
конструированию более современных машин и снижению их себестоимости. В
машиностроение внедряется производственное оборудование, оснащенное системами
ЧПУ и микропроцессорной техникой.
Отечественная станкоинструментальная
промышленность создала высокопроизводительные станки различного технического
назначения и прогрессивные конструкции режущего инструмента, обеспечивающие
высокую эффективность и точность обработки. В машиностроении точность имеет
особо важное значение для повышения эксплуатационного качества машин.
Обеспечение заданной точности- отечественная задача конструкторов.
Очевидно, что круг задач эффективной
эксплуатации производственных систем весьма широк, эти задачи сложны и
многообразны и решение их требует от технолога широкого кругозора и глубоких
знаний различных дисциплин.
Чтобы увеличить выпуск различной продукции,
необходимо повысить производительность изготовления, а это возможно при
улучшенных технологических процессах, применении высокопроизводительного
оборудования, в том числе агрегатных станков, станков с ЧПУ типа «Модуль» и
«обрабатывающий центр» с гибкой системой переналадки, возможно шире применять
прогрессивный режущий инструмент, оснащенный твердым сплавом.
Принятое в проекте решение по технологии
производства предусматривает оптимальное использование производительности
технологического оборудования, производственных площадей и обеспечение снижения
трудоемкости, повышение производительности труда, снижение удельного веса
рабочих занятых научным трудом, снижение себестоимости изделий.
1. Общий раздел
1.1 Описание консультации и
служебного назначения детали
Деталь «Валик 8ТС. 200.195 служит соединительным
звеном в тележке электровоза между тяговым двигателем и рамой тележки через
кронштейн, установленный на раме тележки.
Валик имеет габаритный размер Ø
85×120мм. На поверхности валика Ø58
расположены
два резьбовых отверстия М20-7Н и два отверстия Ø24h14. На
поверхности Ø120 расположены две лыски,
выполненные в размер 95±1.
На расстоянии l = 74-1 с левого торца
валика расположены две радиусные канавки шириной l= 5±0,5мм. Сопряжение
поверхности радиусами R=1,6мм. Острые кромки фасками 2мм×45º.
.2 Технологический анализ детали.
Посадочное отверстие валика Ø
85 обрабатывается по 7 квалитету точности с полем допуска h
и получением шероховатости Ra=
1,25 мкм. Два отверстия Ø 24 Н
14 обрабатываются по 14 квалитету точности полем допуска Н и получением
шероховатости поверхности Ra=
25 мкм. Два резьбовых отверстия М20 обрабатываются по 7 квалитету точности с
полем допуска Н и получением шероховатости поверхности Ra= 6,3 мкм.
Поверхность диаметра Ø
120 не
обрабатывается. Остальные поверхности валика обрабатываются с получением
шероховатости Ra=12,5- 25 мкм.
Деталь не требует сложной формы заготовки,
проста по конструкции. Все поверхности легкодоступны для инструмента. Деталь не
вызывает трудностей при механической обработке, установке, снятии, не требует
применения специального оборудования, специальных приспособлений, специального
режущего инструмента, по этому считаем, что деталь технологична.
Деталь изготавливается из стали 45 ГОСТ 1050-88.
Химический состав и механические свойства Стали
45 ГОСТ 1050-88 приведены в таблице 1.1 и 1.2
Таблица 1.1- Химический состав стали 45 ГОСТ
1050-88
|
С
|
Si
|
Mn
|
Cr
|
S
|
P
|
Cu
|
Ni
|
As
|
|
0,40-0,50
|
0,17-0,37
|
0,50-0,80
|
|
|
|
|
НЕ
БОЛЕЕ
|
|
|
|
|
0,30
|
0,045
|
0,045
|
0,25
|
0,30
|
0,08
|
Таблица 1.2.-Механическме свойства Стали 45 ГОСТ
1050-88
|
ГОСТ
|
σв
|
σs
|
ψ
|
|
МПа
|
%
|
|
НЕ
МЕНЕЕ
|
|
1050-88
|
600
|
16
|
40
|
2. Технологический раздел
.1 Определение и обоснование типа
производства
Тип производства определяется величиной
производственной программы, трудоемкостью обрабатываемого изделия и массой
детали.
При годовой программе N
= 4800 шт. и массе детали mg
= 12,6 кг., тип производства - серийный.
Для серийного типа производства определяется
размер партии одновременно обрабатываемых деталей по формуле:
где N
= 4800шт --- годовая программа детали одного наименования;
t = 10 --- дней
число дней в году, в течении которых храниться запас деталей на складе;
Ф = 254 дня --- число рабочих дней в году.
Принимаем n
кратное годовой программе n
= 200 шт.
Определяем число запусков в году:
2.2 Выбор вида и метода получения
заготовки
В заводских условиях заготовку на деталь «Валик
8ТС.200.195» получают из проката Ø 120 х
295. Масса заводской заготовки m3
=
26.2 кг.
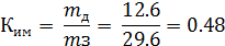
Определяется коэффициент использования металла
заводской заготовки:
Определяется стоимость заводской заготовки:
где Ц1 = 6030 руб. - цена одной тонны
заводской заготовки.
Предлагается в проектируемом технологическом
процессе для серийного типа производства получить заготовку из горячей штамповки.
Припуски и допуски на поковку определяется по
ГОСТ 7505- 89.
Масса поковки (расчетная) 
Класс точности - Т3
Группа стали - М2
Размеры описывающей поковку фигуры
(цилиндр)
Диаметр --- 
Длина --- 
Масса описывающей фигуры, кг
Т.к отношение , то степень сложности
С1
Исходный индекс - 12
Таблица 2.1- Расчет размеров
проектируемой заготовки
|
Размер
детали
|
Припуск
|
Допуск
|
Расчетный
размер
|
|
Ø
120 Ø85h9 L1=
10±1 L=290-1
|
0 2.5×2 2×2 2×2
|
±0 +1.4-0.8 +1.3-0.7 +2.1 -1.1
|
120
9.6 13 293
|
Определяем массу проектируемой заготовки:
m3= Р 
V 
10-6 кг.,
где Р = 7,85 кг/дм3-
плотность материала;
V --- объем
заготовки;
Определяем коэффициент использования
металла проектируемой заготовки по формуле:
Определяем стоимость проектируемой заготовки:
где Ц1=9540 руб. - стоимость одной
тонны проектируемой заготовки.
Полученные результаты сводим в таблицу 2.2
Таблица 2.2- Сравнение вариантов получения
заготовки
|
Способ
получения заготовки
|
Масса
детали, кг
|
Масса
заготовки, кг
|
Ким
|
Стоимость
заготовки, руб.
|
|
Заводской
прокат Проектируемая штамповка
|
12.6
12.6
|
26.2
15.4
|
0.48
0.82
|
≈158
147
|
Из таблицы видно, что заготовка, полученная
горячей штамповкой экономически более выгодна, т.к. коэффициент использования
металла выше, а стоимость ниже и годовой экономический эффект составляет:
Эг = (С1 - С2)

N= (158 - 147) 
4800= 52800 рублей.
2.3 Разработка маршрута механической
обработки детали
2.3.1 Анализ заводского
технологического процесса механической обработки типа «Валик 8ТС. 200. 195»
Заводской технологический процесс
механической обработки детали в условиях завода, обеспечивает точность и
качество обработки, но для проектируемого технологического процесса, для
серийного типа производства имеет ряд недостатков:
1. По
заводскому технологическому процессу обработка торцов и сверление центровых
отверстий производится на токарно-винторезном станке с переустановкой. Я
предлагаю обрезку торцов и сверление центровых отверстий производить на
фрезерно-центровальном станке с двух сторон одновременно.
2. По
заводскому технологическому процессу токарная обработка вала производится на
токарном станке устаревшей конструкции и завышенной мощности. Я предлагаю
производить токарную обработку на токарном станке с ЧПУ.
3. По
заводскому технологическому процессу сверление отверстий производится на
сверлильном станке с одной шпиндельной головкой. Я предлагаю использовать
станок многошпиндельной головкой, а так же, исключая разметочную операцию,
кондукторную втулку.
4. По
заводскому технологическому процессу контроль обрабатываемых поверхностей
производится универсальным мерительным инструментом. Предлагается применить
специальный мерительный инструмент (калибры, шаблоны).
2.3.2 Разработка технологического
процесса механической обработки деталей
При разработке технологического процесса
механической обработки деталей за основу принимается заводской технологический
процесс, но с учетом вышеперечисленных недостатков.
Технологический процесс составлен и оформлен
комплектом технологических документов и приведен в приложении А.
2.3.3 Выбор технологического
оборудования
При выборе оборудования учитываются следующие
основные факторы: объем выпуска деталей по заданию, тип производства, размер
детали, размеры и расположение обрабатываемых поверхностей и экономичности
обработки, необходимость наиболее полного использования станков по мощности и
по загрузке (времени работы), простоту их обслуживания, степень использования,
стоимость станков и ориентация на применение станков отечественного
производства.
Техническая характеристика- токарный
станок с ЧПУ модель 16Б16Ф3
Наибольший диаметр обрабатываемой заготовки:
Над станиной-320;
Над суппортом-125;
Наибольший диаметр прутка, проходящего через
отверстие шпинделя-36;
Наибольшая длина обрабатываемой заготовки-750;
Шаг наружной резьбы:
Метрической-0,05-40,95;
Частота вращения шпинделя-40-2000 об/мин;
Число скоростей шпинделя-18;
Наибольшее перемещение суппорта:
Продольное-700;
Поперечное-210;
Подача суппорта, мм/об/мин/мин:
Продольная-2-1200;
Поперечная-1-1200;
Число ступеней подач- бесступенчатое
регулирование;
Скорость быстрого перемещения суппорта, мм/мин:
Продольного-6000;
Поперечного-5000;
Мощность электродвигателя главного привода,
кВт-6,3;
КПД станка - 0.75
Габаритные размеры (без ЧПУ):
Длина-3100;
Ширина-1390;
Высота-1870;
Масса-2350 кг.
Техническая характеристика-
вертикально- сверлильный станок модели 2Н135
Наибольший условный диаметр сверления в
станине-35;
Рабочая поверхность стол 450х500;
Наибольшее расстояние от торца шпинделя до
рабочей поверхности стола- 750;
Вылет шпинделя-300;
Наибольший ход шпинделя-250;
Наибольшее вертикальное перемещение :
сверлильной головки (револьверной)- 170;
стола-300;
Конус Морзе отверстие шпинделя-4;
Число скоростей шпинделя-12;
Частота вращения шпинделя-31-1400 об/мин.;
Число подач шпинделя (револьверной головки)-9;
Подача шпинделя (револьверной головки)- 0,1-1,6
мм/об.;
Мощность электродвигателя привода главного
движения, кВт-4,0;
Габаритные размеры:
Длина-1030:
Ширина-825;
Высота-2535;
Масса- 1200 кг.
Техническая характеристика
-горизонтально-фрезерный станок модель 6Р83
Размеры рабочей поверхности стола- 400х1600;
Наибольшее перемещение стола:
Продольное-1000;
Поперечное-320;
Вертикальное-350;
Наибольший угол поворота стола ± 450;
Число скоростей шпинделя:
Горизонтального - 18;
Частота вращения шпинделя:
Горизонтального -31,5 - 1600;
Число рабочих подач стола-18;
Подача стола, мм/мин.:
Продольная- 25-1250;
Поперечная- 25-1250;
Вертикальная- 8,3-416,6;
Скорость быстрого перемещения стола, мм/мин:
Продольного- 3000;
Поперечного- 3000;
Вертикального- 1000;
Мощность электродвигателя, Квт-11;
Габаритные размеры:
Длина- 2560;
Ширина- 2260;
Высота- 1740;
Масса- 3800 кг.
Техническая характеристика- станок
фрезерно- центровальный модель 2982
Размеры обрабатываемой детали:
Диаметр-25-80;
Длина- 2500-1010;
Мощность- 26,81 Квт;
Габаритные размеры- 4000 х 4150
Масса- 8600 кг.
2.3.4 Выбор и обоснование
технологических баз
При выборе технологических баз используется
правило шести точек, принцип постоянства и принцип совмещения установочных баз
с конструкторскими и измерительными.
В первой фрезерно-центрированной операции
производится фрезерование торцов и сверление центровых отверстий, т.е.
подготовка технологической базы для дальнейшей механической обработки.
Заготовка устанавливается в призмы станочного приспособления и технологической
базой является наружная поверхность Ø 88.6 и
торец заготовки.
В токарной и круглошлифовальной операциях
технологическими базами будут являться центровые отверстия и торец заготовки.
Во фрезерной и сверлильной операциях заготовку
устанавливают на призмы станочного приспособления и технологической базой будет
являться наружная поверхность и торец.
Выбранные базы совпадают с конструкторскими и
измерительными, и тем самым обеспечивают наименьшие поверхности установки
детали, т.к. соблюдается принцип единства и постоянства баз.
Базовые поверхности обеспечивают наибольшую
жесткость деталей в направлении действия зажимных усилий и си резания в
процессе обработки, способствуют получению простых и надежных конструкций
приспособлений с удобной установкой, креплением и снятием обрабатываемой
детали.
2.4 Определение операционных
припусков и размеров
Операционные припуски и размеры
расчетно-аналитическим методом определяются по методике В. М. Кована на
поверхности Ø85h7, заготовка Ø88.6+1.3-0.7
Величина
минимального припуска на данном технологическом переходе определяется по
формуле:
где 
--- величина микронеровностей,
получаемых на предшествующем переходе;

--- величина (глубина) дефектного
слоя, полученная на предшествующем переходе;

--- величина пространственных
отклонений, полученная на предшествующем переходе;

--- погрешность установки на данном
технологическом переходе.
Значения 
и 
определяем по таблицам 2 и 8, [9]
заготовка 
= 240 мкм., 
= 250 мкм.,
точение черновое 
=50 мкм., 
=50 мкм.,
точение чистовое 
=25 мкм., 
=25 мкм.,
шлифование 
=5 мкм., 
=15 мкм.
При обработке в центровальном:
где Ркор = 0.8 ---
величина пространственных отклонений в виде коробления [ 9, стр. 12];
Рц - погрешность при
зацентровке, Рц = 0,25 
δзаг., мм;
где δзаг = 2 мм ---
допуск на диаметр заготовки;
При последующей обработке значение Р
принимаем по формуле:
где Ку --- коэффициент
уточнения
Ку = 0,06 [9, табл. 9]

0,06
После чистовой обработки значением Р
пренебрегаем, в виду его малости.
При обработке в центрах
= 0.
Определяем минимальный припуск на:
черновое точение:

чистовое точение:
шлифование:
Значение максимального припуска определяем по
формуле:
где 
--- допуск на размер на предыдущем
переходе;

--- допуск на размер на выполненном
переходе.
Определяем максимальный припуск на:
черновое точение:
чистовое точение:
Определяем максимальный припуск на шлифование:
Наибольший и наименьший размер диаметра
заготовки определяем по формулам:
Определяем максимальный и минимальный диаметр
детали на:
чистовое точение:
черновое точение:
заготовку:
Данные расчетов сводим в таблицу 2.3
Таблица 2.3 --- Значения операционных припусков
и размеров по технологическим переходам.
|
Технологические
переходы
|
Точность
поверхности
|
Допуск
на размер, мм
|
Элементы
припуски, мм
|
Промежуточные
размеры, мм
|
Промежуточные
припуски, мкм
|
|
|
|
Rz
|
T
|
Po
|
Ey
|
dmax
|
dmin
|
2Zmax
|
2Zmin
|
|
1.Заготовка
|
-
|
2.0
|
240
|
250
|
943.4
|
-
|
90.18
|
88.2
|
-
|
-
|
|
2.Точение
черновое
|
h 12
|
0.35
|
50
|
50
|
56.604
|
-
|
85.67
|
85.32
|
4517
|
2867
|
|
3.Точение
чистовое
|
h 10
|
0.14
|
25
|
25
|
-
|
-
|
85.15
|
85
|
523
|
313
|
|
4.
Шлифование
|
H
7
|
0.038
|
5
|
15
|
-
|
-
|
-
|
-
|
145
|
40
|
2.5 Расчет режимов резания и
основного времени
Операция 010 Фрезерно-центровальная
Переход 1.
Фрезеровать торцы в размер 290-1
Выбираем фрезу торцовую со вставными ножами.
Принимаем фрезу Dф= 160 мм; число
зубьев: z= 10;
Геометрические параметры фрезы: £=
12°; γ= 0°; μ= 45°.
Материал режущей части --- Т15К6.
Стойкость инструмента Т= 180 мин.
. Определяем глубину резания
где l= 293 мм - длина заготовки;1=
290 мм --- длина детали.
. Определяем подачу на зуб: z (0.12 .
. .0.15) мм/зуб [20, с.209];
принимаем Sz= 0.13 мм/зуб.
. Определяем скорость главного движения резания:
где Сv=332 - коэффициент, величина
которого зависит от материала заготовки, режущей части инструмента и вида
обработки [10, с286];=0.1; y=0.4; m=0.2; g=0.2; u=0.2; p=0 --- показатели
степени;

- общий поправочный коэффициент,
учитывающий влияние параметров инструмента.
где 
--- поправочный коэффициент,
учитывающий материал заготовки;

--- поправочный коэффициент,
учитывающий состояние поверхности заготовки, 
[ 10, с.263];

--- поправочный коэффициент,
учитывающий материал режущей части инструмента, 
= 1 [ 10, с.262];
Найденные значения коэффициентов
подставляем в формулу и получаем:
Полученное числовое значение
коэффициента 
подставляем
в формулу и определяем скорость главного движения резания:
4. Определяем частоту вращения
шпинделя:
Корректируем по паспортным данным
станка - nд = 500 мин-1
. Определяем действительную скорость
главного движения резания:
. Определяем скорость движения
подачи Sм:
7. Определяем главную составляющую
силы резания:
где Cp
= 825;p = 1.0;p = 0.75;p = 1.1;= 1.3;
ω = 0.2.
. Определяем мощность, затрачиваемую
на резание:
проверяем, достаточна ли мощность
привода станка:
следовательно, Nрез = 5.7
кВт ˂ Nшп = 20.1 кВт - обработка возможна.
. Определяется основное время:
Переход 2. Сверлить два центровых
отверстия:

[20, с 129].
Операция 015 Токарная с ЧПУ
Переход 1. Точить поверхность с Ø90.6 до Ø86.6 на длину 206
мм
Выбираем резец и устанавливаем его
геометрические элементы.
Принимаем резец с механическим
креплением с твердосплавной не перетачиваемой трехгранной пластиной из твердого
сплава Т15К6. Сечение державки 16×25 мм.
Назначаем режимы резания.
1. Глубина резания: = 2 мм
. Определяем подачу:
S= 0.55...0,65
мм/об [ 20, с.40];
S
cр=
0.6 мм/об
Корректируем подачу по паспорту станка Sg
=0.
мм/об
. Скорость главного движения резания:
V= 138 м/мин [ 20,
с.64];
. Определяем частоту вращения шпинделя:
корректируем по паспорту станка ng=
500 об/ мин.
5. Определяем действительную скорость главного
движения резания:
. Мощность, затрачиваемая на резание:
Npез=3.4
кВт [ 20, с.49];
где Nд
---
мощность двигателя, Nд=
10 кВт
η --- КПД станка, η=
0.75;
так как мощность резания меньше мощности
шпинделя станка,
Np=
3.4 кВт ≤ Nшп=
7.5 кВт --- обработка возможна.
.Определяем основное время:
где
--- длина обрабатываемой
поверхности;
1 --- величина
врезания и перебега.
Принимаем
1 =
4
мм:
Переход 2. Точить поверхность
Ø90.6 до Ø86.6 на
l = 74 мм.
Режимы резания и инструмент берем по переходу 1.
Определяем основное время:
где
--- длина обрабатываемой
поверхности;
1 --- величина
врезания и перебега.
Принимаем
1 =
4
мм:
Операция 025 Токарная с ЧПУ
Переход 1. Точить поверхность Ø86.6
до
Ø85.5
на
l = 206 мм.
Выбираем резец и устанавливаем его
геометрические элементы.
Принимаем резец с механическим креплением с
твердосплавной не перетачиваемой трехгранной пластиной из твердого сплава
Т15К6. Сечение державки 16×25 мм.
Геометрические параметры резца l= 93° £=80,
γ=100, λ=00,
φ=0.5 мм
[ 20, стр.188-190]
Назначаем режимы резания.
.Глубина резания:
2.Подача:
S= 0.3...0,35 мм/об;
S
cр=
0,325 мм/об [ 20, стр.39];
Корректируем по паспорту данного станка Sд=
0.3 мм/об;
.Период стойкости резца:
Т= 60 мин [ 20, стр.31];
.Определяем скорость главного движения резания:
Cv = 420; xv=0.15; yv=0.2;
m =0.2 [24,с 43];
K1v= 0.8; Kϒv= 1 [21,с
7];nv=1;Kuv=1 [21,с7];
. Определяем частоту вращения шпинделя:
Корректируем по паспортным данным станка:д=
800 мин -1
6. Определяем действительную скорость главного
движения резания:
. Определяем главную составляющую силы резания:




Поправочный коэффициент



8. Определяем мощность,
затрачиваемую на резание:
. Проверяем, достаточна ли мощность
привода станка:
следовательно Npез=0.7 кВт ≤
Nшп=4,41 кВт
--- обработка возможна.
. Определяем основное время:
где l1-величина
врезания и перебега;
l1=
3 мм:
Δ= 1...3, принимаем Δ=
2 мм;=
206 мм;
Переход 2. Точить две фаски 2×45°
мм.
Режущий инструмент и режимы резания принимаем по
переходу 1.
Определяем основное время:
Переход 3 - Точить канавку шириной В= 5+5.
Выбираем резец и устанавливаем его
геометрические элементы.
Принимаем токарный канавочный резец с пластинкой
из твердого сплава Т15К6. Геометрические элементы: £=80,
γ= 50, λ=00,
φ=900 [ 20, с.188-190];
Назначаем режимы резания.
. Глубина резания: = B = 5 мм
. Определяем подачу:
S= 0.13...0,16 мм/об
[ 20, с.40];
S
cр=
0,145 мм/об
Корректируем подачу по паспорту станка Sg
=0.125
мм/об
. Скорость главного движения резания:
V= 136 м/мин [ 20,
с.64];
. Определяем частоту вращения шпинделя:
корректируем по паспорту станка ng=
500 об/ мин.
5. Определяем действительную скорость главного
движения резания:
. Мощность, затрачиваемая на резание:
Npез=4.1
кВт [ 20, с.49]

где Nд - мощность
двигателя, Nд= 7.1 кВт
η --- КПД станка, η= 0.8;
так как мощность резания меньше
мощности шпинделя станка,
Np= 4.1 кВт ≤
Nшп= 5.68 кВт
--- обработка возможна.
.Определяем основное время:
где
--- длина обрабатываемой
поверхности;
1 --- величина
врезания и перебега.
Принимаем
1 = 3 мм:
Операция 030 Токарная с ЧПУ
Режимы резания и инструмент для всех переходов
берём из операции 025 Переход 1. Точить поверхность Ø86.6
до
Ø85.5
на
l = 71-1 мм.
Определяем основное время:
где
--- длина обрабатываемой
поверхности;
1 --- величина
врезания и перебега.
Принимаем
1 =
4
мм:
Переход 2. Точить две фаски 2×45°
мм
Определяем основное время:
Переход 3. Точить канавку шириной В= 5+5 мм
Определяем основное время:
где
--- длина обрабатываемой
поверхности;
1 --- величина
врезания и перебега.
Принимаем
1 = 3 мм:
Операция 035 Вертикально - сверлильная
Переход 1. Сверлить два отверстие
Ø24Н14.
Сверло D = 24 мм с рабочей частью из
быстрорежущей стали Р18.
. Определяем подачу:0 = 0.39 --- 0.47
мм/об [ 20, с.103];ср = 0.43 мм/об;
корректируем подачу по паспорту станка:д=
0.4 мм/об
. Проверяем принятую подачу по осевой составляющей
силы резания:

по паспортным данным станкаmax =
15000Н;
Т.к P0 = 7269Н < Pmax =
15000Н, то назначенная подача S0= 0.4 об/мин --- допустима.
. Период стойкость сверла:
Т = 50 мин [ 20, с.153];
. Определяем скорость главного движения резания:


. Определяем частоту вращения
шпинделя:
Корректируем частоту вращения
шпинделя по паспорту станка nд= 355 мин-1
6.Определяем действительную скорость движения
резания.
7. Определяем крутящий момент от сил
сопротивления резания при сверлении:
Cm= 0.0345; gm
= 2;m = 0.8; Kp= Kmp = 8.06 кГс
8. Определяем мощность, затрачиваемую на
резание:
. Проверяем, достаточна ли мощность станка: рез
= 2.93 кВт < Nшп= 3.6 кВт, т.е. - обработка возможна.
. Определяем основное время
Переход 2. Сверлить 2 отверстия Ø17.35+0.53
1. Определяем глубину сверления:
2. Определяем подачу:
= 0.18 - 0.22 мм/об [ 20, с.103];д=
0.2 мм/об
. Определяем скорость главного движения резания:
= 27.5 м/мин [ 20, с.105];
. Определяем частоту вращения шпинделя:
Корректируем подачу по паспорту станка nд=
500 мин-1
5. Определяем скорость главного движения
резания:
. Определяем мощность, затрачиваемую на резание:рез
= 1.1 кВт;
Nшп = 4.5
0.8 = 3.6 кВт
. Определяем основное время:
Переход 3 - Зенковать две фаски 2×45°
Определяем основное время:
Т0 = 0.035
2 = 0.07 мин
Переход 4. Нарезать резьбу М20- 7Н
Выбираем метчик и устанавливаем его
геометрические элементы:
принимаем машинный метчик М20×2.5 из
быстрорежущей стали Р18.
Геометрические элементы:
£=80,
γ= 80, λ=00,
φ=200 [ 20, с.129]
. Определяем скорость главного движения резания,
допускаемую режущими свойствами метчика.
Для стали и диаметра резьбы 20 мм:табл
= 12 м/мин
Поправочные коэффициенты на скорость главного
движения резания для заданных условий и обработки равны 1.д = Vтабл
= 12 м/мин ≈ 0.2 м/с
. Частота вращения шпинделя станка,
соответствующая найденной скорости главного движения резания:
Корректируем частоту вращения шпинделя по данным
станка и устанавливаем действительную частоту:
nд = 180 мин-1
3. Действительная скорость главного движения
резания:
. Мощность, затрачиваемая на резание для стали и
диаметра резьбы Ø20 мм,
Nтабл = 1.40 кВт. Поправочные коэффициенты на мощность для заданных
условий равны 1, тогда Nрез= табл = 1.40 кВт.
Проверяем, достаточна ли мощность станка:
рез=
1.40 кВт ≤ Nшп= 3.6 кВт , т.е. --- обработка возможна.
. Определяем основное время
[20, c.375]:
Частота вращения метчика при обратном ходе:
По данным станка n = 250 мин-1
Операция 040 Горизонтально-фрезерная
Переход 1. Фрезеровать две лыски в размер 96±1
по Ø120
1. Глубина резания: = 12 мм
. Определяем подачу:
S= 0.09...0,11
мм/зуб [ 1, с.309];
S
cр=
0.1 мм/зуб;
корректируем подачу по паспорту станка Sg
=0.1
мм/зуб.
. Скорость главного движения резания:
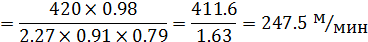
V= 138 м/мин [ 1,
с.310];
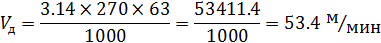
. Определяем частоту вращения шпинделя:
корректируем по паспорту станка ng= 
.
5. Определяем действительную скорость главного
движения резания:
. Скорость движения подачи:
. Мощность, затрачиваемая на резание:
Npез=
1.1 кВт [ 1, с.312];
При работе двух фрез мощность резания
удваивается:
Npез-д=
2.2 кВт
где Nд
---
мощность двигателя, Nд=
7.5 кВт
η --- КПД станка, η=
0.8;
так как мощность резания меньше мощности
шпинделя станка,
Np=
3.4 кВт ≤ Nшп=
7.5 кВт --- обработка возможна.
.Определяем основное время:
где
--- длина обрабатываемой
поверхности;
1 --- величина
врезания и перебега.
Принимаем
1 =
4
мм:
Переход 2. Фрезеровать шпоночный паз
шириной 
, глубиной 
на длину 
1. Глубина и ширина резания: = 7.5 мм
d = 20 мм
. Определяем подачу на оборот фрезы:
S= 0.06...0,08 мм/об
[ 1, с.309];
S
cр=
0.07 мм/об;
корректируем подачу по паспорту станка Sg
=0.07
мм/об.
. Скорость главного движения резания:
Vд=
26.5 м/мин [ 1, с.295].
. Определяем частоту вращения шпинделя:
корректируем по паспорту станка ng= 
.
. Мощность, затрачиваемая на резание:
Npез=
1.5 кВт [ 1, с.312];
где Nд
---
мощность двигателя, Nд=
7.5 кВт
η --- КПД станка, η=
0.8;
так как мощность резания меньше мощности
шпинделя станка,
Np=
1.5 кВт ≤ Nшп=
6 кВт --- обработка возможна.
. Определяем основное время:
где
--- длина обрабатываемой
поверхности;
1 --- величина
врезания и перебега.
Принимаем
1 =
4
мм:
Операция 045 Круглошлифовальная
Переход 1. Шлифовать поверхности Ø85h7
1. Определяем скорость главного движения
резания.
Рекомендуемый диапазон:
v= 30…35 м/с
. Скорость движения окружной подачи:
3. Частота вращения заготовки, в соответствии с
принятой скоростью движения окружной подачи:
4. Первичная подача круга Sx,
мм/ход :
Sx=
0.005…0.015 мм/ход;
Sx=
0.1 мм/ход.
. Определяем продольную подачу:


6. Определяем скорость движения
продольной подачи по формуле:
. Определяем мощность резания:
где 
= 2.65;
r = 0.5;=
0.5;= 0.55;= 0;
Проверяем, достаточна ли мощность
движения шлифовальной бабки:
. Основное время:
где L --- длина
хода стола, L = 200 мм;
h --- припуск
на сторону, h = 0.2 мм;
Данные о режимах резания для всех
операций сводим в таблицу 2.4
|
|
t, мм
|
|
|
|
|
|
|
кВт
|
кВт
|
To, мин
|
|
Операция
010 Фрезерно-центровальная
|
|
1
|
1.5
|
1.2-1.5
|
1.3
|
286.2
|
569.7
|
500
|
251.2
|
5.7
|
20.1
|
1.7
|
|
2
|
1.5
|
1.2-1.5
|
1.3
|
286.2
|
569.7
|
500
|
251.2
|
5.7
|
20.1
|
0.12
|
|
Операция
015 Токарная с ЧПУ
|
|
1
|
2
|
0.55-0.65
|
0.60
|
138
|
485
|
500
|
142
|
3.4
|
7.5
|
0.37
|
|
2
|
2
|
0.55-0.65
|
0.60
|
138
|
485
|
500
|
142
|
3.4
|
7.5
|
0.81
|
|
Операция
025 Токарная с ЧПУ
|
|
1
|
0.55
|
0.325
|
0.3
|
247.5
|
910.19
|
800
|
217.5
|
0.7
|
4.41
|
0.87
|
|
2
|
5
|
0.145
|
0.12
|
136
|
509.5
|
500
|
134.2
|
4.1
|
5.68
|
0.056
|
|
3
|
0.55
|
0.325
|
0.3
|
247.5
|
910.19
|
800
|
217.5
|
0.7
|
4.41
|
0.04
|
|
Операция
030 Токарная с ЧПУ
|
|
1
|
0.5
|
0.325
|
0.3
|
247.5
|
910.2
|
800
|
217.5
|
0.7
|
4.41
|
0.46
|
|
2
|
0.5
|
0.325
|
0.3
|
247.5
|
910.2
|
800
|
217.5
|
0.7
|
4.41
|
0.056
|
|
3
|
0.5
|
0.325
|
0.3
|
247.5
|
910.2
|
800
|
217.5
|
0.7
|
4.41
|
0.04
|
|
Операция
035 Вертикально-сверлильная
|
|
1
|
12
|
0.43
|
0.4
|
25.8
|
342
|
355
|
16.05
|
2.93
|
3.6
|
1.43
|
|
2
|
8.67
|
0.2
|
0.2
|
27.5
|
504.8
|
500
|
27.2
|
1.1
|
3.6
|
2
|
|
3
|
1
|
0.2
|
0.2
|
27.5
|
504.8
|
500
|
27.2
|
1.1
|
3.6
|
0.7
|
|
4
|
2
|
0.2
|
0.2
|
12
|
191
|
180
|
6.78
|
1.4
|
3.6
|
0.76
|
|
|
t, мм
|
|
|
|
|
|
|
кВт
|
кВт
|
To, мин
|
|
Операция
040 Горизонтально-фрезерная
|
|
1
|
12
|
0.1
|
0.1
|
43.5
|
51.3
|
63
|
53.4
|
2.2
|
6
|
1.7
|
|
2
|
7.5
|
0.07
|
0.07
|
26.5
|
422
|
400
|
25.1
|
1.5
|
8.8
|
1.6
|
|
Операция
045 Круглошлифовальная
|
|
1
|
0.3
|
0.3
|
0.3
|
2100
|
131
|
131
|
2.47
|
5.5
|
6
|
2.22
|
|
2
|
0.3
|
0.3
|
0.3
|
2100
|
131
|
131
|
2.47
|
5.5
|
6
|
0.7
|
2.6 Расчет нормы времени
деталь производство сверление
резание
Операция 010 Фрезерно-центровальная
Определяем норму штучного времени:
где T0 --- основное время,
определяется по формуле:
в=
0.62 мин - вспомогательное время на операцию [ 20, с.184];
Кtв = 1.32 - поправочный коэффициент на
вспомогательное время [ 21, с.31];
αобсл
= 3.5 % - время на обслуживание рабочего места [10, с.605];
αотд
= 4 % - время на отдых и личные надобности [21, с.203];
Определяем штучно-калькуляционное время:
где Tпз= 15 мин -
подготовительно-заключительное время [21, с.203];
Операция 015 Токарная с ЧПУ
. Определяем основное время автоматической
работы станка на операцию:
. Определяется время автоматической вспомогательной
работы:
где t1 - время на ускоренные
перемещения рабочих органов станка 1 = 0.03 мин [ 20, с.129];2
- время на установочные перемещения, t2 = 0.08 мин [ 10, с.605];3
- время на поворот револьверной головки на одну позицию,
t3 = 0.07
2 = 0.14 мин [ 20, с.128];
. Определяем время автоматической
работы станка:
. Определяем время вспомогательной
ручной работы:
где tуст - время на
установку и снятие детали, tуст= 0.4 мин [21, с.38];п -
время перехода, tп= 0.02 [21, с.38];к - время на
контроль, tк= 0, т.к. станок с ЧПУ.
. Определяем время на обслуживание,
отдых и личные надобности:
αобсл = 9 % [10,
с.605]
αотд = 4 % [21,
с.203]
. Определяем штучное время:
. Определяем штучно-калькуляционное
время:
где Тпз --- подготовительно-заключительное
время:
n=200 ---
число деталей в партии;
Операция 025 Токарная с ЧПУ
. Определяем основное время
автоматической работы станка на операцию:
. Определяется время автоматической
вспомогательной работы:
где t1 - время на
ускоренные перемещения рабочих органов станка, 1 = 0.03 мин [ 10,
с.605];2 - время на установочные перемещения, 2 = 0.29 мин [ 10,
с.605];
2. Определяем время автоматической работы
станка по формуле:
. Определяем время вспомогательной ручной
работы:
где tуст - время на установку и
снятие детали, уст= 0.4 мин [21, с.65];п - время
перехода, tп= 0.02 [21, с.38];к - время на контроль, tк=
0, т.к. станок с ЧПУ;
. Определяем время на обслуживание, отдых и
личные надобности:
αобсл
= 9 % [10, с.605];
αотд
= 4 % [21, с.203].
. Определяем штучное время:
. Определяем штучно-калькуляционное время:
где Тпз ---
подготовительно-заключительное время:
n=200 --- число
деталей в партии;
Операция 030 Токарная с ЧПУ
. Определяем основное время автоматической
работы станка на операцию:
. Определяется время автоматической
вспомогательной работы:
где t1 - время на ускоренные
перемещения рабочих органов станка, 1 = 0.03 мин [ 10, с.605];2
- время на установочные перемещения, 2 = 0.29
мин [ 10, с.605];
. Определяем время автоматической работы станка
по формуле:
. Определяем время вспомогательной ручной
работы:
где tуст - время на установку и
снятие детали, уст= 0.4 мин [21, с.65];п - время
перехода, tп= 0.02 [21, с.38];к - время на контроль, tк=
0, т.к. станок с ЧПУ;
. Определяем время на обслуживание, отдых и
личные надобности:
αобсл
= 9 % [10, с.605];
αотд
= 4 % [21, с.203].
. Определяем штучное время:
. Определяем штучно-калькуляционное время:
где Тпз ---
подготовительно-заключительное время:
n=200 --- число
деталей в партии;
Операция 035 Вертикально-сверлильная
. Определяем норму штучного времени по формуле:
где То --- основное время на
операцию, определяется по формуле:
в ---
вспомогательное время:
где tусm=
0,25 --- время на установку и снятие деталей [ 21, с. 95];
tn
---
время связанное с переходом [ 21, с. 98]:
tk
---
время на контроль [ 20, с. 185]:
Кtв=
1,32 - поправочный коэффициент на вспомогательное время;
αобсл
= 4% время на обслуживание рабочего места [ 21, с.110];
αотд
= 4% время на отдых и личные надобности [ 21, с.203];
2. Определяем норму штучно-калькуляционного
времени:
где 
--- подготовительно-заключительное
время [ 21, стр.100]:
n=200 ---
число деталей в партии;
Операция 040 Горизонтально-фрезерная
. Определяем норму штучного времени
по формуле:
где То --- основное время
на операцию, определяется по формуле:
в --- вспомогательное
время:
где tусm= 1.7 ---
время на установку и снятие деталей [ 21, с. 95];
tn
---
время связанное с переходом [ 21, с. 98];
tn
=
0.3 мин.,
tk
---
время на контроль [ 20, с. 185];
tk
=
0.09 мин.,
Кtв=
1,32 - поправочный коэффициент на вспомогательное время;
αобсл
= 3.5% время на обслуживание рабочего места [ 21, с.110];
αотд
= 4% время на отдых и личные надобности [ 21, с.203];
2. Определяем норму штучно-калькуляционного
времени:
где 
= 16 мин. ---
подготовительно-заключительное время [ 21, с.100];
n= 200 ---
число деталей в партии;
Операция 045 Круглошлифовальная
. Определяем основное время
автоматической работы станка на операцию:
. Определяется время вспомогательной
работы:
где tуст - время на
установку и снятие детали;
tп = 0.65 -
время на переход [ 21, с. 98]; к = 0.29 мин --- время на контроль [
10, с.605];
. Определяем время на обслуживание,
отдых и личные надобности:
αобсл = 9 % [10,
с.605];
αотд = 4 % [21,
с.203]
. Определяем штучное время:
. Определяем штучно-калькуляционное
время:
где Тпз = 10 ---
подготовительно-заключительное время;
n=200 ---
число деталей в партии;
2.7 Технико-экономическое сравнение
вариантов обработки деталей на операциях
Сравнению подлежит операция 035
Вертикально-сверлильная.
По заводскому технологическому
процессу сверление отверстия Ø24Н14 и двух отверстий под резьбу
М20-7Н производится по разметке, а по проектируемому - по кондуктору.
Определяются затраты по всем статьям
технологической себестоимости обработки заготовки на операцию. Определяются по
формуле:
где З - зарплата рабочего за
выполнение операции, руб.;
где Тшт --- штучное время
на операцию, мин;
Тз --- тарифная ставка на
один час работы соответственно разряда, руб.;
К = 1 --- коэффициент инфляции;
Э --- затраты на силовую
электроэнергию, руб.
где Nст= 4,5 кВт -
мощность электродвигателя станка, кВт;

=0,8 --- коэффициент загрузки
электродвигателя станка;

=0,96 --- коэффициент, учитывающий
потери в сети;

= 0,8- коэффициент полезного
действия электродвигателя ;

- основное (технологическое) время
на данную операцию, мин;

=4.02 --- цена одного кВт/час
электроэнергии;
K ---
коэффициент инфляции;
U --- затраты
на эксплуатацию режущего инструмента, руб.,
где U' --- стоимость инструмента за одну минуту
работы [3,42, с.203];
П --- затраты на эксплуатацию приспособления,
руб.,
П --- стоимость приспособления за одну минуту
работы, руб. [3,43 с.102];
А --- затраты на эксплуатационные отчисления;
где 
--- стоимость оборудования, руб.,

--- процент амортизации [66, с.151];

--- штучное время, мин.,

--- действительный годовой фонд
времени работы оборудования, час [14, с.98];

--- коэффициент загрузки оборудования
[16, с.100];
р --- затраты на ремонт
оборудования, руб.,
Расчет ведется по двум вариантам на
ЭВМ
I вариант ---
действующий на заводе технологический процесс на обработку поверхностей; из
заводского технологического процесса выбирается То- основное время; Nст- мощность
электродвигателя станка, кВт; Со1- стоимость оборудования и т.д.
II вариант ---
проектируемый технологический процесс на обработку этих же поверхностей. Из
проектируемого технологического производства выбирается Т02, Тшт-2,
стоимость оборудования С02; мощность электродвигателя станка, кВт Nст-2.
Таблица 2.4 --- Сравнение операций
035 Вертикально-сверлильной обработки
|
Заводской
вариант
|
Проектируемый
вариант
|
|
Т1=14.3
мин. Т2=38.64 руб. К= 1 N= 4.5 кВт.
N1=0,85 N2=0,96 N4=0,8 To=9.6 мин.
С=4,5 руб. I1=0.128 руб. Р1=0.21 руб. Со=58600
руб. К4=12.2 % Т2=4.54 мин. F1=4015 ч. N3=0,8 N5=4800 шт.
|
Т1=6.33
мин. Т2=38.64 руб. К=1 N=4.5 кВт. N1=0,85 N2=0,96 N4=0,8 To=4.83 мин.
С=4,5 руб. I1=0.128
руб. Р1=0.21 руб. Со=42200 руб. К4=12,2 % Т2=6.44
мин. F1=4015 ч. N3=0,8 N5=4800 шт.
|
2.8 Расчет и конструирование
режущего инструмента
Часто в машиностроении, при обработке лысок с
2-х сторон, для повышения производительности, применяют набор дисковых 3-х
сторонних фрез цельных и со вставными ножами.
Диаметр дисковой фрезы первоначально
рассчитывается конструктивно из расчета, чтобы оправка при фрезеровании не
цеплялась за поверхность обрабатываемой детали.
D = 200 мм ---
диаметр фрезы;
Z = 20 --- число
зубьев;
Геометрические параметры фрезы [17, с.32];
ϑ = 15°; γ = 20°;
φ = 60°; β = 30 мм
. Определяем глубину резания:= h = 12 мм
. Определяем подачу на зуб:z = 0.06 -
0.1 мм/об [20, с.309]z-cp = 0.08 мм/об;
. Определяем стойкость фрезы [20, с.204]:
Т = 150 мин
. Определяем главную составляющую силы резания
[24, Т.39]:
=68,2; xp=0,86; gр=
0.72; P=0.86; yp=0,86; 
P=
0;

1.1 [24, т. 22];
Так как одновременно работает на
оправке 2 фрезы, необходимо Рz рассчитанную силу резания умножить на
2:
. Определяется суммарный момент,
действующий на оправку.
где l --- длина
посадочного участка центровой фрезерной оправки,
l = 400 мм;
равнодействующая сила находится по
формуле:
6.Определяется диаметр посадочного отверстия
фрезы.
где 
= 25 кГс/мм3 ---
допустимое напряжение на изгиб материала оправки;
. Принимаем ближайший диаметр
отверстия фрезы и шпоночного паза по ГОСТ 9472-83:
d = 50H7 мм;
а = 12C11 мм;
с1 = 53.5 +0.3 мм;
R = 1 мм.
. Определяем шаг зубьев фрезы:
Технические требования на
трёхстороннюю фрезу со вставными ножами из быстрорежущей стали принимаются по
ГОСТ 1671-77.
2.9 Расчет мерительного инструмента
Для контроля поверхности вала Ø 85h7 применяется
калибр - скоба.
1. Определяем отклонение проверяемого вала
и его предельные размеры по стандарту СТ СЭВ 144-75 с.19
es = 0 мкм;
ei = 35 мкм =
0.035 мкм;
Предельные размеры будут:
. Определяем отклонение на рабочие калибры по
стандарту СТ СЭВ 157-75 с.7
Z1=
5 мкм;
y1=
4 мкм;
Н1=6 мкм;
Нр= 2,5 мкм.
. Строим схему полей допусков и
производим необходимые расчеты
Отклонение проходных калибров для валов
отсчитывается от наибольшего предельного размера вала, а отклонение непроходных
калибров от наименьшего предельного размера вала.
Определяем предельные и исполнительные размеры
рабочих калибров.
Р-Пр
Наибольший предельный размер калибра:
Наименьший предельный размер калибра:
Предельные размеры износа:
За исполнительный размер принимают наименьший
предельный размер с положительным отношением допуска:исп = 84.992+0.006
Р-НЕ
Наибольший предельный размер калибра:
Наименьший предельный размер калибра:
Исполнительный размер:исп= 84.962
+0.004
Предельные отклонения, допуски и схемы
расположений полей допусков калибров указаны в СТ СЭВ 144-75, СТ СЭВ 157-75.
Отклонение проходимых калибров для валов
отсчитываются от наибольшего предельного размера вала, а отклонения непроходных
калибров от наименьшего предельного размера вала.
Исполнительный размер калибра должен иметь
допуск в виде одного отклонения, направленного в металл, поэтому верхнее
отклонение для пробки =0, а нижнее отрицательно.
Для скобы ВО --- положительное, а НО= 0.
3. Конструкторская часть
.1 Расчёт и конструирование
приспособления
Приспособление спроектировано для операции 040
горизонтально-фрезерной при фрезеровании лысок.
Приспособление является универсальным,
переналаживаемым, что важно для серийного производства. Применение данного
приспособления обеспечит быструю и точную установку всех обрабатываемых деталей
в данном приспособлении.
Деталь наружной цилиндрической поверхностью
устанавливается на установочной призме, торцом вал упирается в упор.
Зажим осуществляется рычагом. Для зажима детали,
сжатый воздух подаётся в верхнюю полость цилиндра, поршень перемещается вниз и
прихват осуществляет зажим детали. Для того, чтобы снять деталь после окончания
обработки сжатый воздух подаётся в бесштоковую (нижнюю) полость цилиндра,
поршень начинает перемещаться вверх и прихваты освобождают деталь.
Для точной установки приспособления на столе
станка без выверки и большей его устойчивости применяются две направляющие
шпонки, вставляющийся в паз, выполненный в основании приспособления. Затем
шпонки приспособления вводятся в верхнюю часть точного центрального паза стола
станка. Крепления приспособления на столе станка осуществляются двумя болтами,
которые вставляются в проушины-пазы в основании приспособления.
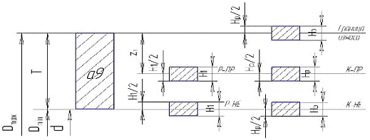
. Определяется погрешность базирования:
мм.
. Расчёт потребной силы зажима
детали.
Сдвигающая сила:
, кГс.
, кГс.
Ср = 68,2 yр = 0,72 gр = 0,86
[10, с. 291]
хр = 0,86 uр = 1
Рz - главная
составляющая силы резания.
кГс.
Условие надёжного зажима:
где Т - удерживающая сила детали,
;
- усилие зажима детали;
- коэффициент трения;
К - коэффициент надёжности
закрепления.
Откуда:
. Определяется диаметр
пневматического привода поршневого типа двустороннего действия:
где Рв - давление воздуха
в магистрали;
Рв = 4 кГс/см2
Q - потребная
сила зажима детали;
- коэффициент полезного действия
цилиндра,
Принимаем ближайший больший
стандартный диаметр цилиндра:
Dц = 200 мм. ГОСТ
21307-75
Диаметр штока:
мм.
. Расчёт приспособления на точность
производится по формуле:
, мм.
где
- допуск на размер обрабатываемой
поверхности;
- погрешность базирования заготовки
в приспособлении, мм;
- погрешность, возникающая при
закреплении заготовки;
- погрешность установки
приспособления на станке, мм.
где Lд - длина
обрабатываемой детали;
S -
наибольший зазор между направляющей шпонкой приспособления и пазом;
l -
расстояние между шпонками.
мм.
Еп - погрешность
установки и смещения режущего и мерительного инструмента на станке, мм.;
- экономическая точность обработки;
мм.
Точность обеспечивается.
4. Организационная часть
4.1 Организационно-технические расчёты
4.1.1 Производственная программа
участка и её трудоёмкость
Годовой приведённый выпуск деталей, т.е.
условное количество типовых деталей, трудоёмкость обработки которых равна
трудоёмкости всех деталей, закреплённых за участком, определяется исходя из
производственной мощности участка и наиболее рационального использования
оборудования по формуле:
шт., (4.1)
где Fдо
-
действительный (эффективный) фонд времени работы одного станка, час;
Ки = 0,8…0,85 -
коэффициент использования станка;
Тштв = 2.16 - норма
штучного времени на ведущей операции для детали-представителя, мин. (В качестве
ведущей операции принимается операция 015 Токарная с ЧПУ, имеющую наименьшую
норму времени);
a = 0,05…0,08 - коэффициент допускаемых потерь на
переналадку оборудования.
Расчётное значение Nпр
округляется до целой величины, удобной для последующих расчетов.
Эффективный фонд времени определяется по
формуле:
где Вд - количество выходных
дней в году;
Пд - количество праздничных дней в
году;
Ппд - количество предпраздничных дней
в году;
S - количество смен;
Кр - коэффициент, учитывающий время
пребывания станка в ремонте.
час.
Найденное значение Fдо подставляем
в формулу (4.1).
шт.
Принимаем Nпр = 276200
шт.
4.1.2 Расчёт потребного количества
оборудования и его загрузки
Расчётное количество станков Ср
на каждой операции определяется исходя из трудоёмкости обработки годового
приведённого выпуска детали.
Для определения трудоёмкости детали
составляется таблица 4.1
Таблица 4.1 - Норма времени по
операциям на деталь
|
№
операции
|
Наименование
операции
|
Модель
станка
|
Тшт
|
Тшк-к
|
n
|
Разряд
работ
|
|
010
|
Фрезерно-центровальная
|
C2982
|
2.88
|
2.99
|
232
|
3
|
|
015
|
Токарная
с ЧПУ
|
16К20Ф3
|
2.09
|
2.16
|
|
4
|
|
025
|
Токарная
с ЧПУ
|
16К20Ф3
|
2.26
|
2.33
|
|
4
|
|
030
|
Токарная
с ЧПУ
|
16К20Ф3
|
2.92
|
2.99
|
|
4
|
|
035
|
Вертикально-сверлильная
|
2Н135
|
6.33
|
6.44
|
|
5
|
|
040
|
Горизонтально-фрезерная
|
6Т82Г
|
8.92
|
9
|
|
3
|
|
045
|
Круглошлифовальная
|
3М131
|
4.57
|
4.62
|
|
4
|
Потребное количество оборудования на участке
определяется по формуле:
где Q - трудоёмкость обработки
годового приведённого выпуска деталей на соответствующую операцию н/час.,
Квн - коэффициент
выполнения норм.
Годовой приведённый выпуск деталей
определяется по формуле:
н/час.,
Расчётное количество станков
округляется в большую сторону и получают принятое количество станков Спр:
Определяется коэффициент
использования станков:
Средний коэффициент станков
определяется по формуле:
Данные расчётов сводятся в таблицу
4.2.
Таблица 4.2 - Расчёт потребного
количества станков
|
№
|
Тип
и модель станка
|
Q,
н/ч
|
Fдо,
час
|
Ср,
шт.
|
Спр,
шт.
|
Ки
|
|
|
1
|
Фрезерно-центровальный
мод. C2982
|
13257
|
3853
|
3.27
|
4
|
0.82
|
0.69
|
|
2
|
Токарный
с ЧПУ мод. 16К20Ф3
|
9621
|
|
2.64
|
3
|
0.78
|
|
|
3
|
Токарный
с ЧПУ мод. 16К20Ф3
|
10404
|
|
2.57
|
3
|
0.85
|
|
|
4
|
Токарный
с ЧПУ мод. 16К20Ф3
|
13442
|
|
3.32
|
4
|
0.83
|
|
|
5
|
Вертикально-сверлильный
мод. 2Н135
|
29139
|
|
7.2
|
8
|
0.9
|
|
|
6
|
Горизонтально- фрезерный
мод. 6Т82Г
|
41062
|
|
10.15
|
11
|
0.92
|
|
|
7
|
Круглошлифовальный
мод. 3М131
|
21037
|
|
5.2
|
6
|
0.86
|
|
|
ИТОГО
|
39
|
|
Удобным транспортным средством для перевоза
заготовок и готовых деталей в цехе являются электрические тележки
грузоподъёмностью 0,75 - 2 т. Для расчёта потребного количества электротележек
используется формула:
шт.
где Q
- масса изделий, транспортируемых за год, тонн.;
i
- среднее количество транспортных операций на одно изделие;
Фт - номинальный
годовой фонд времени работы электротележки, Фт = 2070 часов;
g
= 1 т - заполнение электротележки за один рейс;
Кпр = 0,97 -
коэффициент, учитывающий простой электротележки;
Lcp
= 100 м. - средний пробег электротележки за один рейс;
Vcp
= 100 м/мин - средняя скорость электротележки;
tз
= tp = 5 мин. -
время на загрузку и выгрузку электротележки.
т.
шт.
Принимается 5 электротележек.
На участке 39 станков, принимается 1
кран-балка грузоподъёмностью 5 тонн.
4.1.3 Расчёт численности работающих
Расчёт численности производственных
рабочих производится по каждой профессии и операции, исходя из трудоемкости
работ по формуле:
, чел.
где Fдр -
действительный годовой фонд времени рабочего, за год
Fдр = 1760
часов;
Sм -
коэффициент использования рабочего места.
где Тма -
машинно-автоматическое время работы станка без участия рабочего.
мин.
Труч - время выполнения
ручных приёмов, а также время на активное наблюдение за работой станка и на
переходы от станка к станку.
мин.
где Тву - вспомогательное
время на установку и снятие детали;
Твп = 0,1 - 0,5 мин. -
время на переход оператора от одного станка к другому.

Принимаем Sм = 2
чел.
чел.
чел.
чел.
чел.
чел.
чел.
чел.
Данные расчётов сводятся в таблицу
4.3.
Таблица 4.3 - Расчёт численности
производственных рабочих.
|
№
опер
|
Наименование
операции
|
Разряд
|
Профессия
|
Q
|
Fдр
|
Sм
|
Рр
|
Рпр
|
Спр
|
|
010
|
Фрезерно-центровальная
|
3
|
фрезеровщик
|
5846
|
1760
|
1
|
3,16
|
4
|
2
|
|
015
|
Токарно-винторезная
|
3
|
токарь
|
3544
|
|
1
|
1,9
|
2
|
1
|
|
020
|
Токарная
с ЧПУ
|
4
|
оператор
|
9667
|
|
2
|
2,6
|
3
|
3
|
|
025
|
Токарно-револьверная
|
3
|
токарь
|
6813
|
|
1
|
3,69
|
4
|
2
|
|
030
|
Горизонтально-фрезерная
|
4
|
фрезеровщик
|
6076
|
|
1
|
3,29
|
4
|
2
|
|
035
|
Вертикально-сверлильная
|
3
|
сверловщик
|
7964
|
|
1
|
4,3
|
5
|
3
|
|
045
|
Круглошлифовальная
|
4
|
шлифовчик
|
22878
|
|
1
|
12,4
|
13
|
7
|
|
050
|
Резьбонакатная
|
3
|
|
3360
|
|
1
|
1,82
|
2
|
1
|
|
ИТОГО
|
|
|
|
|
|
37
|
21
|
Количество наладчиков для станков с ЧПУ
определяется по формуле:
чел.
где S -
количество смен:
Но = 4 - норма
обслуживания на одного наладчика в смену, шт.
Принимается
чел.
Списочное количество наладчиков
определяется по формуле:
чел.
где Кп = 0,88…0,99 -
коэффициент, учитывающий пропуски рабочего по уважительной причине:
Принимается
чел.
Расчёт численности вспомогательных
рабочих.
В серийном производстве общее
количество вспомогательных рабочих составляет 15 - 20% от количества
производственных рабочих.
чел.
чел.
Данные расчётов сводятся в таблицу
4.4
Таблица 4.4 - Численность
вспомогательных рабочих.
|
Наименование
профессии
|
Кол-во
человек
|
В
т.ч. по сменам
|
|
|
I
|
II
|
|
1.
Наладчик
|
1
|
1
|
|
|
2.
Контролёр ОТК
|
2
|
1
|
1
|
|
3.
Грузчик
|
1
|
1
|
|
|
4.
Водитель эл. кара
|
2
|
1
|
1
|
|
5.
Слесарь ремонтник
|
1
|
1
|
|
|
6.
Электрик
|
1
|
1
|
|
|
Итого
|
8
|
6
|
2
|
Расчёт численности специалистов и служащих.
В серийном производстве количество ИТР
составляет 10 - 12% от числа основных и вспомогательных рабочих.
Принимаем Ритр = 4 чел.
Количество МОП составляет 2 - 3% от
числа основных и вспомогательных рабочих.
Принимаем РМОП = 1 чел. -
уборщица.
Таблица 4.5 - Сводная ведомость,
работающих на участке.
|
№
п/п.
|
Наименование
категории работающих
|
Кол-во
человек
|
В
т.ч. по сменам
|
|
|
|
I
|
II
|
|
1
|
Производственные
рабочие
|
37
|
19
|
18
|
|
2
|
Вспомогательные
рабочие
|
8
|
6
|
2
|
|
3
|
Специалисты
и служащие
|
4
|
3
|
1
|
|
4
|
МОП
|
1
|
1
|
--
|
|
Итого
|
50
|
29
|
21
|
Расчёт площадей и планировка оборудования на
участке
Размер производственной площади определяется по
удельной площади, приходящейся на единицу основного оборудования (вместе с
проходами и проездами).
Для серийного производства удельная площадь Sуд.
составляет 15…18 м2 - для универсальных станков, 30 м2. -
для станков с ЧПУ, тогда:
Тогда:
, м2
Для универсальных станков:
м2
Для станков с ЧПУ:
м2
Тогда:
м2
Вспомогательная площадь определяется
в размере 15 - 20% от производственной площади:
м2
Размер прочей площади принимается до
10% от производственной площади:
м2
Общая площадь участка равна:
м2
Объём участка:
м2
Заключение
Темой курсового проекта является
разработка ТП механической обработки детали Валик 8ТС. 200.195.
По заданной годовой производственной
программе выпуска деталей и массе был определен тип производства- серийный.
Для заданной детали были предложены
два способа получения заготовки: из калиброванного проката и горячей объемной
штамповкой. В результате проведенного сравнения выбран более экономичный способ
- горячая объемная штамповка.
Проведя анализ заводского ТП даны
предложения по его улучшению, был разработан более усовершенствованный ТП
механической обработки детали типа вал с применением высокопроизводительного
оборудования, в том числе станков с ЧПУ, более производительным мерительным и
режущим инструментом, с применением приспособления с пневматическим и
гидравлическим приводами.
ТП оформлен комплектом документов и
представлен в приложении А.
На три операции ТП определены
оптимальные режимы резания для сокращения времени обработки и установлены
технические обоснования нормы времени.
В результате сравнения обработки
деталей на операции: по заводскому ТП обработка торцов и сверление центральных
отверстий производится на токарном станке с переустановкой деталей, о по
проектируемому обработка торцов и центральных отверстий производится на
фрезерно-центровальном станке одновременно с 2-х сторон.
Экономический эффект от
предложенного варианта обработки составляет Эг= 52800 руб.
В результате, принятые в курсовом
проекте решения по технологии производства обеспечиваются снижением
трудоемкости, себестоимости изделия и повышением производительности обработки.
Литература
1.
Ансеров
М.А. Приспособления для металлорежущих станков. 1975г.
2.
Васильев
И.А. Экономика, организация и планирование строительного и дорожного
машиностроения - М.: Машиностроение 1990г.
3.
Великанов
К.М. Экономика, организация производства в дипломных проектах-М,
Машиностроение, 1986г.
4.
Горбацевич
А.Ф. Курсовое проектирование по технологии Машиностроения -Минск, ВШ, 1970г.
5.
Дипломное
проектирование методическое пособие к выполнению дипломных проектов по
специальности «Обработка металлов резанием»
6.
Горошкин
А.А. Приспособления для металлорежущих станков- М Машиностроение, 1971г.
7.
Добрыднев
И.С. Курсовое проектирование по предмету «Технология машиностроения»- М.
Машиностроение, 1989г.
8.
Егоров
Е.М. Основы проектирования машиностроительных заводов-М. ВШ. 1989г.
9.
Инструкция
по расчету припусков на механическую обработку аналитическим методом- НМК,
1994г.
10.Косилова
А.Г. Справочник технолога-машиностроителя, том 1,2- М, Машиностроение, 1986г.
11.Коростылева
Е.М. Экономика, организация и планирование Машиностроительного производства- М,
ВШ, 1986г.
12.Локтева
станки с программным управлением и ПР- М, Машиностроение, 1986г.
13.Методическое
пособие по расчету технико-экономического сравнения вариантов обработки на ЭВМ,
НМК, 1992г.
14.Методическое
пособие по расчету гладких калибров. НМК, 1990г.
15.Методическое
пособие по расчету калибров расположения поверхностей, НМК, 1990г.
16.Методическое
пособие по расчету калибров шпоночного и шлицевого соединения, НМК, 1990г.
18.Нефедов
Н.А. Дипломное проектирование в машиностроительных техникумах- М, ВШ, 1986г.
19.Нефедов
Н.А. Сборник задач и примеров по резанию металлов и режущему инструменту- М,
Машиностроение 1990г.
20.Общемашиностроительные
нормативы режимов резания для технического нормирования работ на металлорежущих
станках-М, Машиностроение, 1974г.
21.Общемашиностроительные
нормативы норм времени- М, Машиностроение, 1974г.