Определение допусков и построение схемы расположения их полей

  • Вид работы:
    Курсовая работа (т)
  • Предмет:
    Другое
  • Язык:
    Русский
    ,
    Формат файла:
    MS Word
    310,48 Кб
  • Опубликовано:
    2013-02-19
Вы можете узнать стоимость помощи в написании студенческой работы.
Помощь в написании работы, которую точно примут!

Определение допусков и построение схемы расположения их полей

Содержание

Введение

. Определение допусков и построение схемы расположения их полей

.1 Определение минимального зазора

.2 Определение максимального зазора

.3 Определение допуска на сопрягаемый размер отверстия

.4 Определение допуска на сопрягаемый размер вала

.5 Определение среднего зазора

.6 Определение допуска на зазор

. Расчет посадок с натягом

.1 Определение минимального требуемого удельного давления

.2 Определение необходимой величины наименьшего расчетного натяга

.3 Определение минимального допустимого натяга

.4 Определение максимального допустимого удельного давления

.5 Определение наибольшего расчетного натяга

.6 Определение максимального допустимого натяга

.7 Подбор посадки

. Расчет линейных цепей

.1 Выделение цепи размеров и составление схемы размерной цепи

.2 Составление уравнения размерной цепи

.3 Расчет допуска составляющих звеньев по способу одной степени точности и назначение допусков составляющих звеньев

.4 Назначение допускаемых отклонений на все составляющие размеры

Заключение

Список литературы

Приложения

Введение

Основной задачей конструктора является создание новых и модернизация уже существующих изделий, выполнение необходимых чертежей и расчетов. Все эти мероприятия производятся для наиболее точного выполнения последующих операций с деталями.

Приведенные в курсовой работе задачи рассчитаны на определение допусков и построение схемы расположения их полей, натяга в посадке, а также нахождения допусков для всех размеров детали.

1. Определение допусков и построение схемы расположения их полей

Для переходной посадки в системе вала определить: предельные размеры, допуск размера отверстия и вала, средний зазор, допуск зазора.

Данные представить графически (вал и отверстие - в истинных размерах (масштаб 1:1); допуск - в удобном для изображения масштабе).

Переходная посадка - посадка, при которой возможно получение как зазора, так и натяга (поля допусков отверстия и вала перекрываются частично или полностью. Переходная посадка диаметром ∅40 в системе вала номинальный размер вала равен 40 мм. Для отверстия H7 по справочнику [1] находим верхнее отклонение ES = 0,025 мм, нижнее отклонение EI = 0 мм. Для вала n6 по справочнику [1] находим верхнее отклонение es = 0,033 мм, нижнее отклонение ei = 0,017 мм.

1.1    Определение минимального зазора

Находим минимальный зазор Smin, мм по формуле (1):

Smin = Dmin - dmax, (1)

где dmax - наибольший предельный размер вала, мм;

Dmin - наименьший предельный размер отверстия, мм.

Наименьший предельный размер вала dmin, мм находится по формуле (1.1):

dmin = ei + dн, (1.1)

где dн - номинальный размер вала, мм, dн = 40 мм.

Тогда получим dmin = -0,033 мм.

Наибольший предельный размер отверстия Dmax, мм находим по формуле (1.2):

Dmax = ES + Dн, (1.2)

где Dн - номинальный размер отверстия, мм, Dн = 40 мм.

Получим Dmax = 40,025 мм.

Значит по формуле (1) получим Smin = 0,008 мм.

.2      Определение максимального зазора

Находим максимальный зазор Smax, мм по формуле (2):

Smax = Dmax - dmin, (2)

где dmin - наименьший предельный размер вала, мм;

Dmax - наибольший предельный размер отверстия, мм.

Наибольший предельный размер вала dmax, мм находится по формуле (2.1):

dmax = es + dн, (2.1)

dн - номинальный размер вала, мм, dH = 40 мм.

Получим dmax = 40,033 мм.

Наименьший предельный размер отверстия Dmin, мм находим по формуле (2.2):

Dmin = EI + DH, (2.2)

где Dн - номинальный размер отверстия, мм, DH = 40 мм.

Тогда получим Dmin = 40 мм.

По формуле (2) получим Smax = 0,008 мм.

.3      Определение допуска на сопрягаемый размер отверстия

Допуск на сопрягаемый размер отверстия TD, мм по формуле (3):

TD = ES - EI, (3)

где ES = 0,025 мм; = 0 мм.

TD = 0,025 мм.

.4      Определение допуска на сопрягаемый размер вала

Находим допуск на сопрягаемый размер вала Td, мм по формуле (4):

Td = es - ei, (4)

где es = 0,033 мм; = 0,017 мм.

Td = 0,016 мм.


Вычисляем средний зазор , мм по формуле (5):

. (5)

Sc = -0, 0125 мм.

1.6    Определение допуска на зазор

Определим допуск на зазор TS , мм по формуле (6):

TS = Smax - Smin. (6)

S = 0,041 мм.

Выполняем проверку по формуле (7):

TS = TD + Td, (7)

Тогда TS = 0,025 + 0,016 = 0,041 мм. Значит, наши вычисления правильны.

В приложении А графически представлено решение задачи.

2. Расчет посадок с натягом

Для данного соединения рассчитать посадку с натягом вала 1 с маховиком 2. Начертить соединение в истинных размерах. Дано: вал 1: dнс = 26 мм, d1 = 0 мм, Rz = 1,6 мкм, материал - сталь 45; маховик 2: d2 = 40 мм, l = 35 мм, Rz = 4,0 мкм, материал - сталь 45; Mкр = 188 Нм;  МПа .

На рисунке 1 графически представлено условие задачи.

Рисунок 1

2.1 Определение минимального требуемого удельного давления

Для данного соединения определим минимальное требуемое удельное давление [pmin], H/м2, по формуле (8):

, (8)

где f - коэффициент трения при установившемся процессе распрессовки или проворачивания, f = 0,08;

Mкр - крутящий момент, приложенный к валу, Н м, Mкр = 188 Нм;

dнс - номинальный диаметр вала, м, dнс = 0,026 м;

l - длина контакта сопрягаемых поверхностей, м, l = 0,035 м.

Тогда [pmin] = 6,2 107 H/м2.

2.2 Определение необходимой величины наименьшего расчетного натяга

Вычисляем необходимую величину наименьшего расчетного натяга , мкм по формуле (9):

, (9)

где E1 и E2 - модули упругости материалов соответственно охватываемой (вала) и охватывающей (отверстия) деталей, Н/м2, E1 = E2 = 2 1011 Н/м2;

C1 и C2 - коэффициенты Ляме;

dнс - номинальный диаметр вала, м, dнс = 0,026 м.

Коэффициенты Ляме вычисляются по формулам (10) и (11):

, (10)

, (11)

где  и  - коэффициенты Пуассона соответственно для охватываемой и охватывающей деталей, ;

d1 диаметр отверстия вала, d1 = 0 мм;

d2 - диаметр маховика, d2 = 40 мм.

Тогда , .

Значит  м = 31,6 мкм.

2.3 Определение минимального допустимого натяга

Определяем величину минимального допустимого натяга [Nmin], мкм по формуле (12):

[Nmin] = N’min + γш + γп+ γц + γt, (12)

где γш - поправка, учитывающая смятие неровностей контактных поверхностей деталей при образовании соединения, мкм;

γп - добавка, компенсирующая уменьшение натяга при повторных запрессовках, мкм, γп = 10 мкм.

Поправка, учитывающая смятие неровностей контактных поверхностей деталей при образовании соединения определяется по формуле (12.1):

γш = 1,2 · (RzD + Rzd), (12.1)

где RzD - шероховатость маховика, RzD = 4,0 мкм;

Rzd - шероховатость вала, Rzd = 1,6 мкм.

Тогда получим γш = 6,72 мкм.

Значит [Nmin] = 31,6 + 6,72 + 3  41,32 мкм.

2.4 Определение максимального допустимого удельного давления

По формулам (13.1) и (13.2) определяем максимальное допустимое удельное давление , Н/м2 (выбираем меньшее значение), при котором отсутствует пластическая деформация на контактных поверхностях деталей:

, (13.1)

,(13.2)

где - предел текучести материала, Н/м2.

В этом случае  = 11,7 · 107 Н/м2.

2.5 Определение наибольшего расчетного натяга

Определяем величину наибольшего расчетного натяга , по формуле (14):

(14)

Тогда  = 60 мкм.

2.6 Определение максимального допустимого натяга

Определяем с учетом поправок к  величину максимального допустимого натяга [Nmax], по формуле (15):

[Nmax] = N’max  γуд + γш,(15)

где γуд - коэффициент, учитывающий увеличение удельного давления у торцов охватывающей детали, γуд = 0,93.

Получим [Nmax] = 60 0,93 + 5,76 = 62,52 мкм.

2.7 Подбор посадки

Выбираем посадку из таблиц систем допусков и посадок [1].

Условия подбора посадки:

1)      Nmax  [Nmax];

2)      Nmin > [Nmin];

)        Усилие запрессовки по формуле (16):



где fn - коэффициент трения при запрессовке, fn = 1,2  f = 0,096;

Rn - необходимое усилие при запрессовке собираемых деталей, Н;

Pmax - удельное давление, Н/м2, которое определяется по формуле (17):

(17)

Из условия подбора посадки из таблицы 1.49 [1] по Nmax и Nmin определяем посадку:

∅26 ,

для которой Nmax = 121 мкм = [Nmax], Nmin = 55 мкм > [Nmin].

Запас прочности соединения для данной посадки равен Nmin - [Nmin] = 55 - 41,32 = 13,68 мкм. Запас прочности деталей [Nmax] - Nmax = 121 - 62,52 = 58,48 мкм.

Вероятностный максимальный натяг , мкм определяется по формуле (18):

 78,5 мкм. (18)

Вероятностный минимальный натяг , мкм определяется по формуле (19):

 31,5 мкм. (19)

Определяем усилие запрессовки:

 Н.

Тогда удельное давление определится по формуле (17):

 Н/м2.

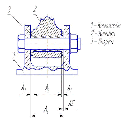
3. Расчет линейных цепей

Для данного соединения (рисунок 3) определить допуски для всех размеров детали (А1 = 2,5 мм, А2 = 47 мм, А3 = 2,5 мм, А4 = 52 мм,  =  мм).

а) выделить цепь размеров;

б) составить схему размерной цепи;

в) составить уравнение размерной цепи;

г) рассчитать допуски составляющих узел деталей по способу одной степени точности;

д) проверить правильность определения предельных отклонений.

Рисунок 3 - Соединение

В данной задаче исходным звеном является зазор АΣ. Принимаем номинальный размер этого зазора АΣ = 0. Тогда, согласно заданию [АΣmax] = 0,3 мм, [АΣmin ] = 0,15 мм, [] = + 0,25 мм, [] = + 0,15 мм, [] = + 0,15 мм, [] = 0,1 мм.

3.1 Выделение цепи размеров и составление схемы размерной цепи

По рисунку 3 выделяем цепь размеров, влияющих на изменение замыкающего звена (в данном случае зазора АΣ): А1, А2, А3, А4. Данную цепь можно считать состоящей из минимального числа составляющих звеньев (принцип кратчайшей цепи), так как оно равно числу деталей, участвующих своими размерами в размерной цепи.

Составляем схему размерной цепи (рисунок 4). Увеличивающим является звено А4, остальные звенья цепи - уменьшающие.

Рисунок 4

.2 Составление уравнения размерной цепи

Составляем уравнение размерной цепи по формуле (20) (линейная размерная цепь):

АΣ = А4 - (А3 + А2 + А1). (20)

С учетом этого уравнения и принятого значения АΣ = 0 назначаем номинальные размеры всех составляющих звеньев по конструктивным соображениям и расчетам на прочность: А1 = 2,5 мм, А2 = 47 мм, А3 = 2,5 мм, А4 = 52 мм.

Номинальные размеры звеньев отмечаем на схеме размерной цепи и производим проверку размеров по уравнению: 52 - (2,5 + 47 + 2,5) = 0 = [АΣ]. Следовательно, номинальные размеры составляющих звеньев назначены правильно.

.3 Расчет допуска составляющих звеньев по способу одной степени точности и назначение допусков составляющих звеньев

Рассчитаем допуски составляющих звеньев по способу одной степени точности. Определяем среднее число единиц допуска составляющих размеров по формуле (21):

 (21)

Таким образом, допуски составляющих размеров с учетом сложности изготовления принимаем: Т1 = 0,014 мм, Т2 = 0,033 мм, Т3 = 0,014 мм, Т4 = 0,033 мм. Проверяем правильность назначения допусков составляющих звеньев по уравнению: ТΣ = Т1 + Т2 + Т3 + Т4 = 0,094 мм < 0,1 мм.

допуск вал размерный цепь

3.4 Назначение допускаемых отклонений на все составляющие размеры

Для ступенчатых размеров звеньев А1, А2, А3 назначаем симметричные отклонения, т.е.  = . Тогда среднее отклонение поля допуска А4 = Ах. Значит =  = 0 - 0 - 0 + [ 0,1 ] = 0,15 мм.

Предельные отклонения А4 = Ах.

 =  = 0,15 + 0,5  0,033 = 0,165;

 =  = 0,15 - 0,5  0,033 = 0,1335.

Полученные отклонения близки к ; = 0,15 мм. Принятые размеры отклонения заносим в таблицу 1.

Таблица 1

Обозначения звеньев

Возможная технологическая операция

Размеры и отклонения, мм

Примечание

АΣ

Сборка

По условию задачи


А1

Токарная обработка

2,50,072,5js8


А2

Токарная обработка

470,016547js8


А3

Токарная обработка

2,50,072,5js8


А4

Токарная обработка

52z8



Правильность назначения предельных отклонений проверяем по формулам (22) и (23):

 =  - ( +  + , (22)

 =  - ( +  - . (23)

Заключение

В данной курсовой работе были решены три задачи по дисциплине «Допуски и посадки». Мы практически ознакомились с выполняемыми конструкторами задачами, которые позволяют облегчить последующие операции с деталями. Благодаря данным расчетам были определены посадки с натягом, предельные размеры, средний зазор переходных посадок, а также допуски для всех размеров детали.

Список литературы

1 Мягков В.Д. Допуски и посадки: Справочник в 2-х ч. / Под ред. В.Д. Мягкова - 5-е изд., перераб. и доп. - Л.: Машиностроение. Ленингр. отделение, 1978 - 544с., ил.

Якушев А.И. Взаимозаменяемость, стандартизация и технические измерения: Учебник для втузов/ А.И. Якушев, Л.Н. Воронцов, Н. М. Федотов. - 6-е изд., перераб. и дополн. - М.: Машиностроение, 1986. - 352 с., ил.

Приложения

Приложение А

Рисунок 5 - Графическое изображение допуска

Приложение Б

Рисунок 6 - Графическое изображение соединения

Похожие работы на - Определение допусков и построение схемы расположения их полей

 

Не нашли материал для своей работы?
Поможем написать уникальную работу
Без плагиата!
Без нейросетей!