Проектирование работ по возведению монолитного фундамента здания
ВВЕДЕНИЕ
Одним из направлений развития современного
строительства является увеличение объёмов используемого монолитного и
сборно-монолитного бетона и железобетона при возведении зданий и сооружений.
Монолитное домостроение повышает архитектурную выразительность городской
застройки, обеспечивает меньшие и более равномерные осадки и деформации зданий
на просадочных грунтах и в сейсмических районах, позволяет в специфических
условиях (стеснённость площадок, отсутствие базы сборного железобетона и др.)
снизить стоимость строительства на 10-15 %, а капитальные вложения сократить на
20-25 %.
Наибольший объём монолитного бетона и
железобетона при массовом строительстве промышленных, гражданских,
сельскохозяйственных, транспортных и прочих зданий расходуется на возведение
конструкций нулевого цикла. Ленточные фундаменты в монолитном исполнении по
сравнению со сборным вариантом дешевле на 30 %, обеспечивают экономию металла
на 16-22 %, а цемента - на 8-17 %, но проигрывают по затратам труда на
строительной площадке и расходу энергии, особенно в зимний период .
Основой для сокращения трудозатрат при
производстве бетонных работ, повышения их темпов и качества являются внедрение
поточных методов, применение прогрессивных технологий, дальнейшая
индустриализация опалубочных и арматурных работ, использование
высокопроизводительных машин и оборудования, увязанных в комплекты по основным
параметрам.
Резервы роста производительности труда и
качества монолитных конструкций на базе совершенствования технологии,
механизации и организации работ закладываются на стадии подготовки
строительного производства, в составе которой разрабатывается проектно-сметная
документация. Поступающие на объект технологические карты должны увязывать
физико-химические процессы, протекающие в бетонной смеси, с производственными
процессами, выполняемыми на стройке. В них необходимо учитывать местные
условия, отражать передовую организацию рабочих мест и труда в бригадах,
закладывать прогрессивные методы и приёмы возведения монолитных конструкций.
1. ПРОЕКТИРОВАНИЕ ПРОИЗВОДСТВА
ЖЕЛЕЗОБЕТОННЫХ РАБОТ
.1 Общие сведения о бетонировании
конструкций
Технология устройства на строительной площадке
конструкций из бетона и железобетона принципиально отличается от технологии
возведения конструктивных элементов из кирпича, сборного железобетона,
древесины, металла и пластмасс. Специфика монолитного строительства заключается
в выполнении так называемых «мокрых» процессов, выдерживании забетонированных
конструкций в опалубке до набора распалубочной прочности, учёте протекающих в
бетонной смеси физико-химических процессов, создании благоприятных условий для
этих процессов и пр.
Возведение монолитных бетонных и железобетонных
конструкций требует выполнения технологически связанных процессов, которые
можно разделить на заготовительные, основные и транспортные. К заготовительным
относятся изготовление опалубки, заготовка арматуры, сборка
арматурно-опалубочных блоков и приготовление бетонной смеси. Эти процессы, как
правило, осуществляются в заводских условиях или в специализированных цехах и
мастерских.
Основные процессы, выполняемые на строительной
площадке, включают установку опалубки и арматуры, подачу, укладку и уплотнение
бетонной смеси, уход за бетоном во время его твердения, распалубку конструкции,
исправление дефектов бетонирования.
Транспортные процессы, связывающие
заготовительные и основные, сводятся к доставке на рабочие места опалубки,
арматуры и бетонной смеси.
Бетонирование железобетонных конструкций связано
с выполнением большого количества трудоёмких и непроизводительных операций,
выполняемых во многих случаях вручную. Ликвидация ручного и
малоквалифицированного труда при бетонировании связана с механизацией основных
и заготовительных процессов. Другими направлениями совершенствования бетонных и
железобетонных работ являются:
применение инвентарной опалубки, имеющей
многократную оборачиваемость;
использование готовых сварных сеток и каркасов с
приваренными в арматурных цехах закладными деталями;
переход на подвижные и литые бетонные смеси с
химическими добавками, позволяющими сократить трудозатраты на их укладку и
уплотнение;
централизованное приготовление бетонной смеси и
доставка её на строительную площадку специализированными видами автотранспорта;
своевременный и качественный уход за уложенной
бетонной смесью в процессе её твердения;
внедрение прогрессивной технологии и средств
механизации, обеспечивающих высокое качество бетонирования конструкции.
1.2 Определение состава процессов и
объёмов работ
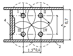
План и разрез ленточного монолитного фундамента
по заданию приведен на рис. 1.1.

Рис. 1.1 - Ленточный монолитный
фундамент: а) план; б) разрез 1-1
Разрез фундамента: 1 - боковая обмазочная
гидроизоляция; 2 - плита перекрытия массой 2 тонны; 3 - Два слоя рубероида на
битумной мастике; 4 - обратная засыпка.
Весь комплекс работ по возведению ленточного
фундамента, выполняемый на строительной площадке, может быть расчленён на
следующие простые процессы:
устройство опалубки;
установка арматурных каркасов;
подача, укладка и уплотнение бетонной смеси;
уход за уложенным бетоном;
разборка опалубки;
монтаж плит перекрытия;
устройство боковой обмазочной и горизонтальной
оклеечной гидроизоляции фундамента.
Основным процессом, определяющим темп и
организацию работ, является укладка бетонной смеси.
Следует иметь в виду, что в данный перечень не
вошла часть второстепенных процессов, выполняемых на строящемся объекте
(устройство подмостей для подачи и укладки бетона, прием бетонной смеси из
автотранспорта, уход за твердеющим бетоном и др.).
По каждому строительному процессу на основании
планировочного и конструктивного решения фундамента, подсчитываются объемы
работ в единицах измерения, принятых в сборниках ЕНиР (2,3): устройство и
разборка опалубки в м2; установка арматурных каркасов в шт.; бетонирование
конструкции в м3; укладка плит перекрытия в шт.; обмазочная и оклеечная
гидроизоляция в м2.
Количество арматурных каркасов может быть
определено на основании данных о расходе арматуры на 1 м3 железобетона и массе
одного изделия:
Nк = (Vбет х gа) / Рк,
где Vбет - объём укладываемой бетонной смеси,
м3; gа - расход арматуры на 1 м3 железобетона, кг; Рк - масса одного каркаса,
кг.
Так как в задании на проектирование отсутствуют
необходимые данные по арматурным изделиям, массу арматурного каркаса можно
принять равной 50 кг.
Результаты подсчетов сводятся в таблицу 1.1.
фундамент строительный поток
безопасность
Таблица 1.1 - Ведомость подсчета объёмов работ
|
Наименование
процесса
|
Эскиз
или формула подсчета
|
Ед.
изм.
|
Объём
|
Примечание
|
1.
Устройство опалубки из щитов 2. Установка арматурных каркасов 3. Подача,
укладка и уплотнение бетона 4. Разборка мелкощитовой опалубки 5. Монтаж плит
перекрытия 6. Гидроизоляция (окрасочная вручную битумной мастикой на 2 раза) 7.
Оклеечная гидроизоляция 2-я слоями рубероида на битумной основе. F=2 х
(48*5+24*2+30*4+18)х2,9 Nк = 716.53 х 40 : 50 Vбет = 0,58 х 2,9 х 426 F=2 х
(48*5+24*2+30*4+18)х2,9 (18*30+24*48) : 7, 2 (48*2+24*2+30*2+18)х2,9 0,58х426
м2 шт м3 м2 шт м2 м2
2470.8
.224
.53
.8
.8
.1Расход
арматуры 40 кг на 1м3 железобетона. Масса каркаса 50кг.
Размеры
плиты
|
5,
98 х 1,19 х 0,22 м. Масса плиты - 2 тонны.
|
|
|
1.3 Выбор методов производства работ
Исходными данными для проектирования технологии
бетонирования фундамента являются:
объём укладываемой бетонной смеси, Vбет = 716.53
м3;
расстояние доставки бетона на объект, Lт = 15
км;
масса опалубочных щитов - до 50 кг; арматурных
изделий - до 50 кг; ;
масса бадьи с бетоном, Рб = 4217 кг.
Выбор рациональных методов производства
железобетонных работ базируется на следующих положениях:
поточной организации строительства с выполнением
каждого процесса на отдельной захватке;
индустриальном изготовлении унифицированных
опалубочных и арматурных изделий;
выполнении работ с помощью
высокопроизводительных машин, увязанных в комплекты по основным параметрам;
назначении метода выполнения отдельного процесса
в результате сопоставления и оценки нескольких вариантов.
В таблице 1.2 представлены варианты производства
железобетонных работ. Рассмотрев их стоит выбрать наилучший по техническим и
экономическим показателям.
Таблица 1.2 - Варианты производства
железобетонных работ
|
Наименование
строительного процесса
|
Вариант
|
|
1
|
2
|
|
1.
Устройство опалубки
|
С
помощью крана
|
Вручную
|
|
2.
Установка арматуры
|
С
помощью крана
|
Вручную
|
|
3.
Доставка бетона
|
Автобетоновозы
|
Автобетоносмеситель
|
|
4.
Подача и укладка бетонной смеси
|
Средствами
вибротранспорта
|
С
помощью крана и бадьи
|
|
5.
Уплотнение бетона
|
Вибробулава
|
Вибратор
с гибким валом
|
|
6.
Распалубка фундамента
|
С
помощью крана
|
Вручную
|
Рассмотрим применение выбранных нами методов по
нижепреведенным примерам и выберем наилучший из них.
Для бетонирования ленточных фундаментов широко
применяется мелкощитовая разборно-переставная опалубка в деревянном, металлическом
или деревометаллическом исполнении. Масса унифицированных щитов и крепёжных
элементов в такой опалубке не превышает 50-100 кг, что обеспечивает её
поэлементную установку и снятие вручную или с использованием средств малой
механизации и электроинструментов.
Кроме мелкощитовой может быть принята
крупнощитовая разборно-переставная опалубка с массой отдельных элементов свыше
100 кг. Монтаж и демонтаж такой опалубки производится краном.
Небольшая масса арматурных каркасов (50 кг),
закладываемых в бетон, позволяет собирать их вручную. Соединение изделий между
собой может выполняться с помощью дуговой электросварки или внахлёстку
вязальной проволокой.
Важным фактором обеспечения высокого качества
возводимой конструкции является правильный выбор способа транспортирования
бетона. Качественную доставку смеси на расстояние 30-45 км обеспечивают
автобетоновозы, а при перевозках на расстояние до 80-100 км -
автобетоносмесители. Мною принят автобетоносмеситель СБ-15Э ввиду возможности
транспортирования бетонной смеси на дальние расстояния.
При отсутствии специализированных машин
допускается централизовано приготовленный бетон доставлять на строительную
площадку специально оборудованными автомобилями-самосвалами грузоподъёмностью
2,25-10 т. При этом целесообразная дальность возки бетонной смеси, исходя из
сроков схватывания цемента, составляет 10-20 км в зависимости от характера
дорог.
Перемещение бетонных смесей по лоткам и желобам,
оборудованным вибраторами и установленным с уклоном 5-15°, обеспечивает
интенсивность бетонирования 5-12,5 м3/ч. Сползание бетона возможно лишь при
расположении вибропитателя, в который выгружается доставленная на объект смесь,
выше отметки верха опалубки. Если фундамент возвышается над поверхностью земли,
то укладка верхних слоев бетона возможна при размещении вибропитателя и
транспортного средства на специально сооружаемой передвижной эстакаде.
Крановая схема укладки бетона с помощью бадей
охватывает около 85% объёма бетонируемых конструкций. Преимуществом этой схемы
является возможность подачи смеси в любую точку в пределах вылета стрелы крана,
а также универсальность грузоподъёмной машины, обеспечивающая её использование
для перемещения других материалов и строительного инвентаря (навешивание и
снятие рабочих площадок, погрузо-разгрузочные работы и т.п.). Из известных
типов кранов предпочтительнее стреловые гусеничные и пневмоколёсные краны, не
требующие устройства и разборки подкрановых путей и обладающие высокими
скоростями перемещения грузового крюка в пространстве.
Поданный в опалубку бетон распределяется слоями
толщиной 20-40 см и уплотняется. Эти операции при использовании подвижных
бетонных смесей чаще всего выполняются с помощью внутренних (глубинных)
вибраторов, подразделяемых на вибробулавы и вибраторы с гибким валом. Вибробулава
применяется для уплотнения бетонной смеси, укладываемой в массивные конструкции
с различной степенью армирования, а внутренние вибраторы с гибким валом - в
различного типа густоармированные конструкции. Мною принят вибратор с гибким
валом ИВ-67 ввиду возможности уплотнения бетонной смеси в густоармированных
конструкциях. Итак, по вышеизложенным примерам и данным задания нам
предпочтительнее выбрать второй вариант производства железобетонных работ. На
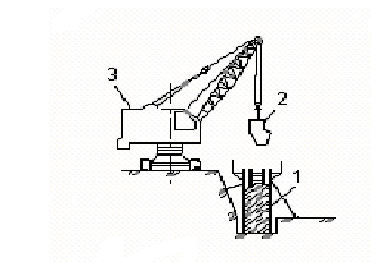
рис. 1.2 приведена схема подачи бетонной смеси при помощи крана и бадьи.
Рис. 1.2 - Схема подачи бетонной смеси в
опалубку фундамента: при помощи бадьи, перемещаемой краном; 1 - бетонируемый
фундамент; 2 - поворотная бадья; 3 - гусеничный кран
1.4 Подсчет трудоёмкости и
интенсивности бетонирования фундамента
При проектировании технологических карт
трудоёмкость работ определяется на основании нормативов, приведённых в
сборниках ЕНиР, и объёмов работ, подсчитанных в табл. 1.1. При этом учитываются
поправочные коэффициенты, отражающие условия производства работ и содержащиеся
в технической части и примечаниях к соответствующим параграфам ЕНиР.
В таблице 1.3 указан подсчет трудозатрат по
возведению подземной части здания.
Таблица 1.3 - Ведомость трудозатрат по
возведению фундамента
|
Шифр
§§ ЕНиР
|
Наименование
процесса
|
Ед.
изм.
|
Объём
работ
|
Состав
звена по ЕНиР
|
Н
вр, чел-ч
|
Трудоемкость,
чел-ч
|
|
§Е
4-1-34 табл. 2; 1, а
|
Установка
деревянной щитовой опалубки при площади щитов до 1 м2
|
м2
|
2470.8
|
Плотник
4 разр.-1 2 разр.-1
|
0,62
|
1531.9
|
|
§E
4-1-44 табл.2;б
|
Установка
арматурных каркасов массой 50 кг вручную Нвр=0,11чел-ч (ПР-1)
|
шт
|
573.224
|
Арматурщик
3 разр.-1 2 разр.-2
|
0,35
|
200.63
|
|
§Е
4-1-49 табл.2;1
|
Укладка
бетона с помощью бадей, подаваемых краном, в ленточные фундаменты шириной 580
мм
|
м3
|
716.53
|
Бетонщик
4 разр.-1 2 разр.-1
|
0,3
|
214.96
|
|
§Е
4-1-34 табл.2; 1, б
|
Разборка
опалубки фундаментов из щитов площадью до 1 м2
|
м2
|
2470.8
|
Плотник
3 разр.-1 2 разр.-1
|
0,15
|
370.62
|
|
§Е
4-1-7 3,а К=1.1
|
Укладка
стреловым краном на гусеничном ходу плит перекрытий площадью 7,2 м2
|
шт.
|
235
|
Монтажник
4 разр.-1 3 разр.-2 2 разр.-1
|
0,72
|
186,12
|
|
§Е
11-37 4; в К=1,85 (ПР-1)
|
Окрасочная
гидроизоляция фундаментов вручную битумной мастикой на 2 раза
|
100м2
|
6.438
|
Изолировщик
4 разр.-1 2 разр.-1
|
10,0
|
119,1
|
|
§Е
11-40 табл.1; 2, а К=1,9 (ПР-1)
|
Оклеечная
гидроизоляция двумя слоями рубероида на битумной мастике вручную
|
100м2
|
2.471
|
Изолировщик
4 разр.-1 3 разр.-1 2 разр.-1
|
10,5
|
49,31
|
|
Итого:
2672,64
|
Из условия полной загрузки звена бетонщиков необходимо,
чтобы темп укладки бетонной смеси был не менее нормативной интенсивности
бетонирования, м3/ч:
б = Vбет Nзв / Tбет
где Vбет - объём укладываемой бетонной смеси,
м3; Nзв - численный состав звена бетонщиков, чел.; Tбет - трудоёмкость работ по
укладке бетона, чел-ч.
Jб = 716,53 х 2/214.96= 6,667 м3 / ч
1.5 Подбор средств механизации и
увязка их по производительности
.5.1 Выбор ведущей машины
Ведущей является машина, занятая на выполнении
основного процесса - укладке бетонной смеси. Если бетонирование фундамента
ведётся с помощью стрелового крана, то его выбор следует начинать с уточнения
схемы передвижения относительно возводимого сооружения. Затем рассчитываются
требуемые технические параметры: грузоподъёмность и вылет стрелы крана (рис.
1.3).
Рис. 1.3 - Схема определения требуемого вылета
стрелы
Требуемая грузоподъёмность крана, т:
тр = Рmах + Рзтр = 0,05 + 4,217= 4,267 т.
где Рmах - максимальная масса поднимаемого груза
(бадья с бетоном или плита перекрытия), т; Рз - масса захватного
приспособления, принимаемая равной 0,05 т.
Тип бадьи и ее масса с бетоном определяются по
(1, прил. 4, таб. 1).
Требуемый вылет стрелы крана рассчитывается из
условия безопасного приближения крана к котловану:
тр = bк / 2+ lд + q + bзтр = 4/2+1,75+0,59+12 =
16,34 м.
где bк - ширина базы крана, равная 3-4 м; lд -
допустимое расстояние по горизонтали от основания откоса до ближайших опор
крана, определяемое по (1, табл. 3.4); q - расстояние от нижней точки откоса до
ближайшей оси фундамента, м; bз - ширина обслуживаемой зоны, равная половине
ширины фундамента при перемещении крана с двух сторон котлована, и полной его
ширине - при перемещении с одной стороны выемки, м.
Принимаем по (1, прил. 4, рис. 1) гусеничный
кран модели СКГ-40 со стрелой 20 м и клювом.
1.5.2 Расчет эксплуатационной
производительности ведущей машины
Эксплуатационная производительность крана на
укладке бетона, м3/ч,
Пэ.к = 60 Vб kв / Тц
Пэ.к = 60 х 1,5 х 0,78/ 8 = 8,775 м3/ч
где Vб - объем бетона, загружаемого в бадью, м3;
Тц - продолжительность цикла крана по выгрузке бетонной смеси в опалубку, мин;
kв - коэффициент использования крана по времени.
Объем бетона, выгружаемого из транспортного
средства в бадью, м3,
Vб = Vтp / Nб,
Vб = 6/ 4 = 1,5 м
где Vтp - объем бетона,
доставляемого за один рейс, м3 (1, прил. 4, табл. 4 и 5); Nб - количество
бадей, устанавливаемых при разгрузке транспортного средства (прил. 4, табл. 1).
Продолжительность кранового цикла,
мин, равна
Тц = tв + tc + 2 tn + ty + tp
Тц = 2 + 0,5 + 2 х 1,5+ 2 + 0,5 = 8
мин.
где tв = 2-5 мин - время выгрузки
бетонной смеси из транспортного средства; tc = 0,5-1 мин - продолжительность
строповки бадьи; tn = 1,5-2 мин - время перемещения бадьи краном в одном направлении;
ty = 1-3 мин -продолжительность укладки бетона в опалубку; tp = 0,35-0,5 мин -
время расстроповки бадьи. Коэффициент kв для кранов с двигателем внутреннего
сгорания принимается равным 0,76-0,78.
1.5.3 Подбор вспомогательных средств
механизации и инвентаря
Для формирования комплекта машин,
обеспечивающего бетонирование фундамента, необходимо подобрать транспортные
средства для доставки бетонной смеси от завода на строительную площадку и
рассчитать их количество, уточнить тип и число бадей для подачи бетона в
опалубку, определить марку вибраторов и потребность в них.
Мной выбран автобетоносмеситель
СБ-15Э
Количество транспортных средств для
бесперебойной доставки бетона на объект:
Nтр = [Пэ.к tтр kp / (60 Vтр kв)] + 1,тр =
(8,775 х 68 х 0,85 / (60 х 6 х 0,95)) + 1 = 2,48 - принимаем 3 машины
где Пэ.к - часовая эксплуатационная
производительность ведущей машины, м3/ч; tтр - продолжительность транспортного
цикла, мин; kp = 0,85-0,9 - коэффициент, учитывающий необходимый резерв
производительности ведущей машины; kв = 0,85-0,95 - коэффициент использования
транспортной единицы по времени.
Продолжительность транспортного цикла, мин,
тр = t3 + 120 Lт / vт + tвтр = 5 + 120 х 15 / 30
+ 3 = 68 мин.
где t3 = 4-6 мин - время загрузки автомобиля на
заводе; Lт - расстояние перевозки бетонной смеси, км; vт - средняя скорость
движения транспортного средства, км/ч; tв = 2-5 мин - время выгрузки бетона.
Величина vт при доставке бетонной смеси по
дорогам с жёстким покрытием принимается равной 30 км/ч.
Если при увязке производительности ведущей
машины с интенсивностью укладки бетона поменялся тип бадьи, то их количество
уточняется:
б = Vтp / Vб,б = 6/ 1,5 = 4 шт.
где Vб - вместимость бадьи, м3.
В зависимости от массивности бетонируемой
конструкции и густоты её армирования для уплотнения бетона подбираются
электромеханические глубинные вибраторы с встроенным электродвигателем (1,
прил. 4, табл. 6) или с гибким валом (1, прил. 4, табл. 7).
Принимаем для уплотнения бетона вибратор с
гибким валом ИВ - 67.
Количество вибраторов рассчитывается из условия:
в = J / Пэ.в,
в = 8,775 / 7,65 = 1,15 - принимаю 2
электромеханических глубинных вибратора (с учетом одного резервного механизма
для исключения перерывов в уплотнении бетона).
где J - фактическая интенсивность укладки
бетонной смеси, определяемая эксплуатационной производительностью ведущей
машины, м3/ч; Пэ.в -эксплуатационная производительность вибратора, м3/ч,
Пэ.в = 7200 R2 hсл kв / (tуп+ tпep),
Пэ.в = 7200 х 0,4
х 0,31 х 0,75
/ (30 + 5) = 7,65 м3/ч
где R - радиус действия вибратора,
м; hсл - толщина уплотняемого слоя бетонной смеси, м; tуп = 20 - 40 с -
продолжительность работы вибратора на одной позиции;пep = 5с -
продолжительность перестановки вибратора с одной позиции на другую; kв =
0,7-0,8 - коэффициент использования вибратора по времени.
Согласно (4) предельная толщина
уплотняемого слоя, м, составляет:
сл= lв - lп,сл = 0,41 - 0,1 = 0,31
м.
где lв - длина рабочей части
вибратора, м; lп = 0,05 - 0,1 м - глубина погружения наконечника вибратора в
ранее уложенный слой смеси.
На практике укладка бетона ведётся
слоями толщиной 0,2-0,4 м.
Для исключения перерывов в
уплотнении бетона фактическое количество вибраторов увеличивается с учетом
одного резервного механизма.
1.6 Определение параметров
строительного потока
Для организации поточного
производства бетонных работ необходимо весь комплекс строительных процессов по
возведению фундамента расчленить на отдельные частные потоки, а сооружаемую
конструкцию в плане - на захватки и по высоте - на ярусы. Учитывая удобство
выполнения операций по установке и соединению арматурных каркасов вне опалубки,
а также большую трудоёмкость опалубочных работ рекомендуется разделить их на
два потока: первый - установка щитов по одной стороне фундамента и второй -
сборка опалубки по второй стороне после завершения арматурных работ. Таким
образом, бетонирование фундамента может быть расчленено на 5 частных потоков:
первый - монтаж опалубки по одной
стороне конструкции;
второй - установка арматуры;
третий - сборка опалубки по другой
стороне фундамента;
четвертый - укладка и уплотнение
бетонной смеси;
пятый - распалубка конструкции.
Минимальное число захваток mmin,
обеспечивающее необходимый фронт работ для всех звеньев рабочих, составит:
mmin = n + α tб / k,= 5 +
1 х 2 / 1 = 7 шт.
где n - количество частных потоков; α
- число
рабочих смен в сутки; tб - время нахождения бетона в опалубке, сут; k = 1 смене
- ритм потока (продолжительность работ на одной ярусозахватке).
В общую продолжительность цикла бетонирования
входит технологический перерыв, необходимый для набора бетоном распалубочной
прочности. СНиП [4] устанавливает наименьшую прочность бетона для снятия
вертикальных щитов опалубки в пределах 0,2-0,3 МПа. На практике опалубку
ленточных фундаментов снимают через 6-72 ч в зависимости от температурного
режима твердения бетона. В курсовой работе можно принять tб = 2 сут.
При назначении размера захватки необходимо
учитывать технологические особенности производства бетонных работ, которые
могут быть сведены к следующим требованиям:
бетонирование в течение смены должно вестись
непрерывно;
бетон следует разравнивать горизонтальными
слоями толщиной 0,2-0,4 м по всей площади захватки, причем каждый последующий
слой должен укладываться на предыдущий слой до начала схватывания цемента в
нём;
назначенное число захваток должно быть не менее,
чем рассчитано.
С учетом вышеизложенного средний размер
захватки, м, может быть найден:
з= J t укл / bф hсл,з = 6,667 х (100/60) / 0,58
х 0,31 = 61,813 м
где J - фактическая интенсивность бетонирования,
определяемая часовой производительностью ведущей машины, м3/ч; t укл - время
укладки бетона до начала его схватывания, ч; bф - ширина ленточного фундамента,
м; hсл - принятая толщина укладываемого слоя бетонной смеси.
Время укладки бетона, ч,
t укл = t схв - t д, укл = 120 - 20 = 100 минтр
= t3 + 60* Lт / vт + tвтр = 5 + 60 х 15 / 30 + 3 = 38 мин.з = общ. длина ф-та /
Lз = 426 / 61,813 = 7 шт.
где t схв - время схватывания цемента с момента
приготовления бетонной смеси, ч; t тр - продолжительность транспортного цикла
по доставке смеси на объект, ч.
Время схватывания цемента устанавливается
строительной лабораторией в зависимости от вида цемента, температуры воздуха,
добавок в бетон и т.п. В курсовой работе можно принять t схв= 2 ч.
После определения величины Lз производится
разбивка фундамента на захватки таким образом, чтобы они были равновелики по
трудоемкости или различались не более чем на 25% (рис. 1.4). Очерёдность
бетонирования захваток должна быть увязана с ранее принятой схемой движения
ведущей машины относительно возводимой подземной части дома.
Высота яруса при бетонировании конструкций
определяется, в первую очередь, допустимой высотой свободного падения бетонной
смеси во избежание её расслоения. Согласно [4] для стен и ленточных фундаментов
она равна 4,5 м. Однако в целях удешевления работ за счет неоднократного
использования элементов опалубки фундамент рекомендуется разбить на два яруса.
Кроме снижения стоимости работ уменьшение высоты бетонируемой конструкции
снизит боковое давление уплотняемой смеси на опалубку, уменьшит её прогиб и
повысит качество поверхностей фундамента.
Рис. 1.4 - Разбивка плана фундамента
на захватки
= 66м, L2 = L3 =L4 =L5 =L6 = L7 =
60м.
1.7 Проектирование организации и
методов труда рабочих
.7.1 Расчет состава комплексной
бригады
В основу организации труда в
комплексной бригаде, занятой выполнением работ нулевого цикла, закладывается
поточно-расчленённый метод. Его сущность заключается в том, что для выполнения
каждого частного потока назначается отдельное специализированное звено рабочих.
Продолжительность его пребывания на объекте при ритмичном потоке принимается
равной продолжительности работы ведущего звена. Она в свою очередь определяется
ритмом потока и общим числом ярусозахваток, на которые разбит фундамент. При
односменной работе:
вед = k m Nя,вед = 1 х 7 х 2 = 14
дней
где tвед - продолжительность работы ведущего
звена, дни; k - ритм потока, смен; m - общее количество захваток; Nя - число
ярусов.
Таблица 1.4 - Состав комплексной бригады по
возведению подземной части здания
|
Наименование
частных потоков
|
Состав
звена
|
Число
смен в сутки
|
Общее
число рабочих
|
|
профессия
|
разряд
|
кол-во
|
|
|
|
1.
Установка наружных щитов опалубки 2. Укладка арматуры 3. Бетонирование
фундамента 4. Распалубка конструкции 5. Монтаж плит перекрытия 6.
Гидроизоляция фундамента
|
Плотник
Арматурщик Бетонщик Плотник Монтажник Изолировщик
|
4
2 3 2 4 2 3 2 4 3 2 4 3 2
|
3
3 1 1 1 1 1 2 1 2 1 1 1 1
|
2
1 1 1 1 1
|
6
2 2 3 4 3
|
|
Итого:
20 чел.
|
Численный состав звена, занятого в составе
частного потока,
зв= T / t α kпер,
где T - трудоёмкость работ по частному потоку,
чел-смен; t - продолжительность работы звена, равная величине tвед; α
- число
смен работы звена в сутки; kпер = 1,1-1,2 - коэффициент перевыполнения норм
выработки.
Для нетрудоёмких процессов, осуществляемых вне
потока (монтаж плит покрытия), состав звена принимается по табл. 1.3.
N1зв= 191.49/ 14*2*1,2* = 5,7 = 6 чел. зв=
25.08/14*1*1,2 = 1,5 = 2 чел.зв= 26.87/14*1*1,2 = 1,6 = 2 чел. зв=
46.33/14*1*1,2 = 2,76 = 3 чел.зв= 4 чел.зв= 3 чел.
Монтаж плит перекрытия и гидроизоляционные
работы производятся вне общего ритма, принимается состав звена по ЕНиР,
соответственно 4 и 3 человека.
Профессиональный, квалификационный и численный
составы звеньев сводятся в табл. 1.5.
1.7.2 Опалубочные работы
Важнейшими факторами прогрессивной организации
труда на установке и снятии опалубки являются: применение унифицированной
оборачиваемой опалубки с инвентарными крепежными и поддерживающими элементами,
использование средств малой механизации (электросверлилок, талей, домкратов) и
обеспечение рабочих необходимым ручным и измерительным инструментом. Применение
опалубки из отдельных досок допускается лишь в местах доборов и в качестве
разделительной на границах захваток.
До установки опалубки необходимо осуществить
геодезическую разбивку осей и закрепление отметок бетонируемого фундамента. В
процессе монтажа систематически проверяются все основные размеры опалубки в
сборе, так как точное соблюдение параметров и положения щитов является основным
требованием к производству работ.
При организации рабочих мест плотников
необходимо учитывать, что они должны располагаться, как правило, внутри контура
фундамента и обеспечивать безопасное выполнение работ на захватке без лишних
движений и потерь времени. Для установки и снятия щитов опалубки второго яруса
рабочие места организуются на инвентарных подмостях или рабочих площадках,
которые должны легко и быстро выставляться и убираться.
Поэлементный монтаж унифицированной мелкощитовой
опалубки начинается с укладки по контуру фундамента направляющих досок, которые
крепятся к забитым в землю кольям. Затем на направляющих досках в углах и через
каждые 3-4 м с помощью временных распорок и подкосов выставляются маячные щиты.
Расстояние между ними должно быть кратно длине щита. Затем устанавливаются
схватки, которые соединяются со щитами натяжными крюками, и к схваткам
клиновыми зажимами и стяжками присоединяются все промежуточные щиты. С наружной
стороны опалубки ставятся подкосы, которые упираются в боковые стенки
котлована. Внутри ленты фундамента противоположные щиты раскрепляются
временными распорками, удаляемыми во время бетонирования.
Разборка опалубки производится поэлементно в
порядке, обратном монтажу. Вначале выбиваются распорки и подкосы, снимаются
схватки и другие крепежные элементы. Затем ломиками отделяются от бетонной
поверхности и снимаются щиты опалубки.
1.7.3 Арматурные работы
Передовая организация труда в звене арматурщиков
базируется на комплексном обеспечении объекта арматурой в порядке и
последовательности её установки. Поставляемые арматурные изделия должны быть
снабжены бирками с обозначением марки элемента.
Для создания защитного слоя у боковых граней
фундамента применяются пластмассовые фиксаторы или к каркасу привариваются
коротыши арматуры. Расстояние между фиксаторами принимается равным 1,5-2 м.
Соединение арматурных изделий между собой может производиться дуговой сваркой
или внахлёстку с использованием вязальной проволоки Ø
0,8-1
мм.
1.7.4 Бетонные работы
В состав выполняемых звеном бетонщиков рабочих
операций входят:
очистка опалубки, заделка щелей шириной более 10
мм паклей,
глиняным тестом или деревянными рейками, увлажнение водой деревянной и смазка
поверхности металлической опалубки;
удаление ржавчины и грязи с арматуры;
приём, подача, укладка и уплотнение бетонной
смеси;
обработка рабочих швов;
очистка инвентаря и приспособлений от налипшего
бетона;
укрытие бетона влагоёмкими материалами и его
поливка в начальный период.
Рациональное распределение указанных операций
обеспечивается при звене из трёх бетонщиков. Бетонщик 2-го разряда на приёмной
площадке следит за выгрузкой смеси в бадьи, очищает транспортное средство от
налипшего бетона, производит строповку бадьи и с помощью каната-оттяжки
регулирует её подачу. Другой бетонщик 2-го разряда принимает бадью с бетоном,
открывает затвор, включает прикреплённый к бадье вибратор, регулирует подачу
бетона в опалубку, сигнализирует крановщику о перемещении бадьи в пространстве.
Бетонщик 4-го разряда разравнивает и уплотняет бетонную смесь вибратором,
устанавливает выгородки из досок для устройства рабочих швов, производит
обработку поверхности последних.
При численном составе звена из двух человек
разделение труда следующее. Бетонщик 2-го разряда осуществляет строповку бадьи
и её подачу к месту бетонирования, а бетонщик 4-го разряда выгружает,
разравнивает и уплотняет бетонную смесь.
При порционной подаче бетонной смеси образуются
конусы, которые разравниваются вибратором до получения слоя требуемой толщины в
пределах захватки. Распределение жёстких смесей осуществляется вручную с
помощью лопат. Уплотнение глубинными вибраторами производится их погружением в
слой бетона в вертикальном или слегка наклонном положении без соприкосновения с
арматурой. При этом наконечник вибратора должен заглубляться в ранее уложенный
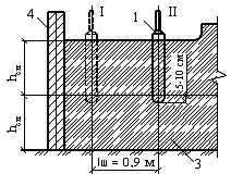
и еще не схватившийся слой на глубину 5-10 см.

Рис. 1.5 - Схема уплотнения слоя бетона: а - схема
перестановки вибратора; б - положение вибратора в слое бетона; 1 - глубинный
вибратор; 2 - опалубка; 3 - ранее уплотнённый слой; 4 - выгородка на границе
захватки
При bф< 2 R наконечник вибратора
переставляется по продольной оси фундамента с шагом, м,
lш= 2
ш= 2
= 0,55 м
Основными признаками завершения
уплотнения бетона на данной позиции является прекращение оседания смеси и
появление цементного молока на её поверхности.
При односменном режиме укладки
бетонной смеси в конструкцию возникают технологические перерывы, требующие
устройства рабочих швов по границам захватки. Согласно требований СНиП [4]
поверхность рабочего шва должна быть перпендикулярна к продольной оси
бетонируемой конструкции. Для образования вертикального ограничения на всю
ширину конструкции закладываются деревянные доски с прорезями для арматуры.
Перед началом бетонирования очередной захватки разделительные доски убираются,
а поверхность рабочего шва очищается от цементной плёнки и промывается водой
или продувается сжатым воздухом для прочного сцепления укладываемого бетона со
старым.
Из 1 прил. 5 видно, что за сутки
(время укладки бетона на одной ярусо-захватке с технологическим перерывом)
нижние слои бетона в тёплое время года набирают от 9 до 35 % марочной прочности
в зависимости от температуры наружного воздуха. Поэтому при прочности
уложенного бетона не более 2-3 МПа обработка поверхности стыка производится
механической металлической щеткой, а после набора бетоном прочности выше 7-10
МПа - пневматической шарошкой.
С целью создания благоприятных
условий для твердения бетона в летнее время необходимо:
на горизонтальные поверхности
укладывать влагоемкие материалы (мешковину, опилки, песок и др.) на срок не
менее 2 суток для предохранения бетона от вредного воздействия прямых солнечных
лучей и ветра;
в жаркую погоду поливать открытые
поверхности и деревянную опалубку;
поливку начинать не позднее чем
через 10-12 ч, а в жаркую и
ветреную погоду - через 2-3 ч после окончания бетонирования;
при температуре воздуха 15° С и выше
поливать конструкцию рассеянной струёй воды в первые трое суток днём через
каждые 3 ч и один раз ночью, а в последующие дни - не реже трёх раз в сутки до
достижения бетоном 75 % проектной прочности.
В последующих двух пунктах записки
разрабатываются организация и методы труда рабочих по монтажу плит перекрытия и
гидроизоляции фундамента.
2. СОСТАВЛЕНИЕ КАЛЬКУЛЯЦИИ ТРУДОВЫХ
ЗАТРАТ НА ВОЗВЕДЕНИЕ ФУНДАМЕНТА
Целью составления производственной калькуляции
является определение трудоёмкости и машиноёмкости, а также размера заработной
платы рабочих как по отдельным процессам, так и по возведению фундамента в
целом. Основанием для разработки калькуляции служат объемы работ по каждому
процессу, методы их выполнения и нормы ЕНиР
Вместо калькуляции трудовых затрат нами была
составлена ведомость трудозатрат по возведению бетонного фундамента п.1.4,
табл. 1.3
3. ПОСТРОЕНИЕ ГРАФИКА РАБОТ
График работ - основной документ в составе
технологической карты, определяющий последовательность и продолжительность
выполнения строительных процессов, сроки поставок материально - технических
ресурсов, разделение и организацию труда в бригаде рабочих. По форме графики
могут быть линейными, сетевыми и в виде циклограммы. В основу составления
графика работ положены следующие принципы:
выполнение работ в строгой технологической
последовательности;
максимальное совмещение по времени отдельных
процессов;
соблюдение основных требований техники
безопасности.
При проектировании графика продолжительности
строительных процессов, выполняемых поточным методом с одинаковым ритмом,
определяются по формуле:
,
а других работ, проектируемых с иным
ритмом (продолжительность устройства гидроизоляции и монтажа плит перекрытия),
рассчитываются по формуле:
;
где t - продолжительность работ,
дней;зв - численный состав звена рабочих;
a
= 1 - число смен работы в течение суток;пер = 1,2 - коэффициент перевыполнения
норм выработки.вед = 14 дней. t6= 4 дня; t7= 3 дней.
4. МАТЕРИАЛЬНО-ТЕХНИЧЕСКИЕ РЕСУРСЫ
В данном разделе пояснительной
записки приводится потребность в материалах, полуфабрикатах, машинах,
оборудовании, инструментах и инвентаре, необходимых для выполнения работ
нулевого цикла.
Количество материалов и изделий
определяется по рабочим чертежам фундамента и объёмам работ по каждому
строительному процессу.
В основу расчётов могут быть
положены следующие нормы расхода материалов:
Устройство ленточных бетонных
фундаментов (на 100 м3 бетона):
Бетон - 102,0 м3;
Щиты опалубки - 340 м2;
Доски 40 мм - 0,59 м3;
Доски 25 мм - 1,5 м3;
Гвозди строительные 100 мм - 21,7
кг;
Проволока стальная 4 мм - 29 кг.
Горизонтальная гидроизоляция
фундаментов из рулонного материала в 2 слоя (на 100 м 2 изолируемой
поверхности):
Рулонные материалы - 220,4 м2;
Грунтовка из битума - 80,2 кг;
Мастика битумная - 420,4 кг;
Дрова - 0,7 м3.
Боковая окрасочная гидроизоляция
фундаментов битумной мастикой в 2 слоя (на 100 м 2 изолируемой поверхности):
Мастика битумная - 240,2 кг;
Дрова - 0,35 м3.
Потребность в средствах механизации
и технических ресурсах устанавливается по принятой в технологической карте
схеме организации строительства с учетом объемов работ и количества
исполнителей. Перечень необходимого инструмента и инвентаря для железобетонных
работ приведён в [7].
Результаты принятых решений
оформляются в табличной форме (табл. 4.1 и 4.2).
Таблица 4.1 - Материалы и
полуфабрикаты
|
Наименование
ресурса
|
Марка
|
Единица
измерения
|
Количество
|
|
Сборные
плиты перекрытия Бетон Арматура Рубероид Мастика битумная Гвозди
строительные Проволока стальная Щиты опалубки Доски Доски Грунтовка из
битума Дрова
|
ПК
60.12- 8Т - IV Класс В15 на портландцементе марки 400 А 400 РПП - 300
МБК-Г-55 100 мм 4 мм 25 мм 40 мм
|
шт
м3 м3 м2 кг кг кг м2 м3 м3 кг м
|
235
716,53 573,224 740,54 2542,44 204,15 272,83 3198,72 14,11 5,55 269,47 4,0
|
Таблица 4.2 - Машины, оборудование, инструмент и
инвентарь
Тип
|
Марка
|
Кол.
|
Тех.
характеристика
|
|
1.
Машины и инвентарь железобетонных работ
|
|
Монтажный
кран
|
гусеничный
|
CГК-40
|
1
|
Вылет
стрелы до 20 м
|
|
Автобетоносмеситель
|
колесный
|
СБ-115Э
|
3
|
Грузоподъемность
6 т
|
|
Вибратор
|
с
гибким валом
|
ИВ
- 67
|
2
|
Радиус
действия 60 см
|
|
Сварочный
аппарат
|
|
|
1
|
|
|
Бадья
|
поворотная
|
|
4
|
Вместимость
1,5 м3
|
|
2.
Инструмент для железобетонных работ
|
|
Приводная
щетка
|
ПШ-1
|
|
2
|
|
|
Лопата
растворная
|
ЛР-2
|
|
2
|
|
|
Скребки
трех типов
|
|
|
1
|
|
|
Гладилка
|
ГБК-1
|
|
1
|
|
|
Конопатки
стальные
|
К-40,
К-50
|
|
2
|
|
|
Электросверлилка,
диаметр сверла 20 мм
|
|
|
1
|
|
|
Краскораспылитель
|
|
|
1
|
|
|
Пила
|
1-1250-А
|
|
1
|
|
|
Ножовка
поперечная по дереву
|
|
|
2
|
|
|
Клещи
|
250
|
|
2
|
|
|
Топор
|
А2
|
|
2
|
|
|
Молоток
плотничный
|
МПЛ
|
|
2
|
Масса
0,5 кг
|
|
Ключ
гаечный разводной
|
|
|
1
|
|
|
Кисть
маховая
|
КМ-60
|
|
2
|
|
|
Рубанок
с одиночной железкой
|
|
|
1
|
|
|
Ключ
гаечный торцевой
|
|
|
2
|
|
|
Долота
плотничные
|
|
|
1
|
|
|
Брусок
|
|
|
2
|
|
|
Конопатка
|
|
|
2
|
|
|
Ножницы
саперные
|
|
|
1
|
|
|
Стамески
плоскотолстые
|
|
|
2
|
|
|
Метр
складной металлический
|
|
|
7
|
|
|
Отвес
|
О-400
|
|
3
|
масса
400 г
|
|
Шнур
в корпусе
|
|
|
1
|
|
|
Уровень
строительный
|
УС2-700
|
|
1
|
700
мм
|
|
Рейсмус
реечный
|
|
|
1
|
|
|
Рулетка
измерительная
|
РС-20
|
|
2
|
|
|
Домкрат
винтовой
|
|
|
1
|
Усилие
3 тс.
|
|
Сварочный
трансформатор
|
|
|
2
|
|
|
Керосинорез
в комплекте с резаком
|
|
|
1
|
|
|
Клещи
|
ПК-1,ПК-2
|
|
2
|
|
|
Электродержатель
пружинный
|
ЭД-2
|
|
|
500
В
|
|
Лом
обыкновенный
|
ЛО-24,ЛО-28
|
|
1
|
|
|
Кувалда
кузнечная остроносая
|
|
|
1
|
3
кг
|
|
Щетка-зубило
комбинированная
|
|
|
3
|
|
|
Острогубцы
(кусачки) 175
|
|
|
3
|
|
|
Плоскогубцы
комбинированные 200
|
|
|
3
|
|
|
Молоток
слесарный
|
А5
|
|
2
|
|
|
Ключи
накладные № 4, 5, 6
|
|
|
3
|
|
|
Ножницы
|
|
|
1
|
|
|
Молоток
шанцевый
|
МША-1
|
|
2
|
|
|
Зубило
слесарное 20Х60
|
|
|
2
|
|
|
Щетка
стальная прямоугольная
|
|
|
3
|
|
|
Отвертка
|
Б-250
|
|
3
|
|
|
Напильник
плоский
|
А-400,
№1
|
|
3
|
|
|
Штангельциркуль
|
|
|
1
|
|
|
Захват
ручной для проволоки
|
|
|
2
|
|
|
Кабель
сварочный ПРГ
|
|
|
50
м
|
Сечение
50 мм2
|
|
Реечный
домкрат
|
|
|
2
|
Грузоподъемность
до 5 т
|
|
3.
Инструмент для монтажных работ
|
|
Лом
|
|
|
2
|
|
|
Строп
4-х ветьевой
|
|
|
1
|
|
|
Кельма
|
|
|
2
|
|
|
4.
Инструмент для гидроизоляционных работ
|
|
Стальная
щетка
|
|
|
2
|
|
|
Кисть
|
|
|
2
|
|
|
Гребок
|
|
|
|
|
|
Шпатель
с длинной ручкой
|
|
|
|
|
|
Емкость
для подноса мастики
|
|
|
2
|
|
|
Шпатель-скребок
|
|
|
2
|
|
|
нож
|
|
|
2
|
|
5. УКАЗАНИЯ ПО ТЕХНИКЕ БЕЗОПАСНОСТИ
Организация работ
При приготовлении, подаче, укладке и уходе за
бетоном, заготовке и установке арматуры, а также установке и разборке опалубки
(далее - выполнении бетонных работ) необходимо предусматривать мероприятия по
предупреждению воздействия на работников опасных и вредных производственных
факторов, связанных с характером работы:
расположение рабочих мест вблизи перепада по
высоте 1,3 м и более;
движущиеся машины и передвигаемые ими предметы;
обрушение элементов конструкций;
шум и вибрация;
повышенное напряжение в электрической цепи,
замыкание которой может произойти через тело человека.
При наличии опасных и вредных производственных
факторов, безопасность бетонных работ должна быть обеспечена на основе
выполнения содержащихся в организационно-технологической документации (ПОС, ППР
и др.) следующих решений по охране труда:
определение средств механизации для
приготовления, транспортирования, подачи и укладки бетона;
определение несущей способности и разработка
проекта опалубки, а также последовательности ее установки и порядка разборки;
разработка мероприятий и средств по обеспечению
безопасности рабочих мест на высоте;
разработка мероприятий и средств по уходу за
бетоном в холодное и теплое время года.
При монтаже опалубки, а также установке
арматурных каркасов следует руководствоваться требованиями "Монтажные
работы" настоящих норм и правил.
Цемент необходимо хранить в силосах, бункерах,
ларях и других закрытых емкостях, принимая меры против распыления в процессе
загрузки и выгрузки. Загрузочные отверстия должны быть закрыты защитными
решетками, а люки в защитных решетках закрыты на замок.
При использовании пара для прогрева инертных
материалов, находящихся в бункерах или других емкостях, следует применять меры,
предотвращающие проникновение пара в рабочие помещения.
Спуск рабочих в камеры, обогреваемые паром,
допускается после отключения подачи пара, а также охлаждения камеры и
находящихся в ней материалов и изделий до 40 °С.
Организация рабочих мест