Возведение фундаментов из монолитного железобетона
Содержание
Введение
.
Исходные данные
.
Выбор вида земляного сооружения
.
Определение объёмов работ
.1
Состав работ
.2
Объём земляных работ
.3
Объемы опалубочных, арматурных и бетонных работ
.3.1
Устройство бетонной подготовки
.3.2
Подсчет объемов опалубочных работ
.3.3
Подсчёт объемов бетонных работ
.3.4
Подсчёт объемов арматурных работ
.
Выбор комплекта машин для выполнения земляных работ
.1
Комплект машин для разработки и транспортировки грунта
.2
Технологические схемы производства земляных работ
5. Проектирование производства работ по устройству
фундаментов
.1 Конструирование опалубки
.2 Выбор комплекта машин, оборудования и приспособлений для
производства бетонных работ
. Требования техники безопасности при производстве работ
Калькуляция затрат труда и машинного времени
График производства работ
Список литературы
Введение
Современное строительное производство характеризуется увеличением доли
монолитного бетона. Особенно эффективно его применение при возведении
фундаментов под промышленные и гражданские здания, технологическое
оборудование, различные инженерные сооружения. Поэтому разработка в курсовой
работе эффективной технологии монолитного бетона, применение
высокопроизводительных машин, прогрессивных методов организации строительства и
производства работ являются основными задачами. Сооружения из монолитного
бетона требуют меньшего расхода арматуры, меньших энергетических затрат, а
также ведут к снижению затрат на создание производственной базы. Возведение
монолитных фундаментов - это комплексный процесс, состоящий из следующих видов
работ:
· Опалубочные работы, которые включают изготовление,
транспортирование, установку и разборку опалубки ;
· Арматурные работы, включающие заготовку арматуры,
транспортирование её, установку в опалубку ;
· Бетонные работы, включающие приготовление бетонной смеси,
транспортирование, укладку, уплотнение, уход за бетоном.
Данная курсовая работа выполнена на основании задания выданного кафедрой
"Технологии строительного производства".
1. Исходные данные
фундамент монолитный
бетонный
Прямоугольное в плане здание имеет следующие характеристики:
. Размеры в плане 54 x 132 м.;
. Сетка колонн 2 x 21;
2 x 11;
. Имеет 3 пролета по 18 м.;
. Шаг колонн 6 м.;
. Грунтовое основание представлено суглинком;
. Отметка подошвы фундамента 108,1 м.;
. Фундаменты монолитные железобетонные серии I-412 под колонны серии КЭ-01-49, КЭ-01-52. Сечение
подколонника 1,8 x 1,2 м. Размеры
стакана по дну 0,9 x 0,5 м., по верху
0,95 x 0,55 м. Глубина стакана 0,95 м.
8.
Расход арматуры 40 кг/
бетона.
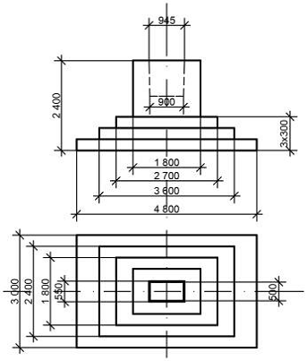
План
одного фундамента представлен на рис.1
Рис.
1 План одного фундамента
2.
Выбор вида земляного сооружения
Для
возведения монолитных фундаментов в качестве выемок могут разрабатываться:
.
Отдельные котлованы под каждый фундамент
.
Траншеи по продольным осям
.
Траншеи по крайним продольным осям здания и отдельные котлованы по внутренним
осям при разном шаге колонн
.
Общий котлован
При
выборе формы земляного сооружения следует стремиться к минимальным объемам
земляных работ.
Выбор
формы выемки начинают с варианта с наименьшими объемами земляных работ:
отдельных котлованов под каждый фундамент. Размеры отдельных котлованов должны
включать ширину фундамента с учётом размера опалубки с добавлением с каждой
стороны 0,6 м.
Для
определения размера котлована необходимо начертить разрезы по продольной и
поперечной осям на участке 2-х смежных фундаментов и по внутренней оси (рис.2).
На
разрезе на отметке подошвы фундамента(108,1) от оси откладываем половину
размера нижней ступени фундамента с добавлением 0,6 м. с каждой стороны.
Определяем глубину котлована:
h = H -
0,15 = 2,4 - 0,15 = 2,25 м. (1)
Коэффициент
крутизны откоса устанавливаем по СНиП [6]: заложение откоса 1:0,5(для суглинка
при глубине выемки до 3 м.) и определяем величину горизонтального заложения
откоса:
а
=
* m, м.
(2)
где

-
рабочая отметка, м, вычисляемая как разность отметки горизонтали и отметки дна
котлована.
a = 2,25 * 0,5 = 1,125 м.,
Сечение 1 - 1 :
= A - (
+ 2*0,6 + 2a ), м. (3)
где
A - пролет фундаментов, м.;

- ширина
подошвы фундаментов в поперечном направлении, м.
D = 18 - ( 4,8 +
1,2 + 2 * 1,125 ) = 9,75 м.
Сечение
2 - 2 :
D = B - (
+ 2*0,6
+ 2a ), м. (4)
где
B - шаг фундаментов, м.;

- ширина
подошвы фундаментов в продольном направлении, м.
D = 6 - ( 3 +
1,2 + 2 * 1,125 ) = -0,45 м.
Сечение
3 - 3 :
D = 12 - ( 3 +
1,2 + 2 * 1,125 ) = 5,55 м.
Для
возведения монолитных фундаментов разрабатываем отдельные котлованы по осям Б и
В и траншеи по осям А и Г.
Рис.
2 Продольные и поперечный разрезы по осям
Рис.
3 Общий план фундаментов
3.
Определение объемов работ
.1
Состав работ
До
подсчета объемов работ необходимо установить строительные процессы, входящие в
комплексный процесс возведения фундаментов. Перечень этих процессов сводиться в
таблицу 1.
Таблица
1 - Ведомость объемов работ
|
Наименование процессов
|
Ед. измерения
|
Объем работ
|
|
|
На один фундамент
|
всего
|
|
Разработка грунта в
котловане
|

|
5918,94
|
|
Зачистка дна выемки
|
|
2,52
|
102,24
|
|
Устройство бетонной
подготовки под фундаменты
|
|
1,6
|
102,4
|
|
Армирование фундамента, в
т.ч.: a) устройство горизонтального армирования; b) устройство вертикального
армирования
|
т(шт.) т(шт.)
|
4/0,29 4/0,12
|
256/74,24 256/30,72
|
|
Установка опалубки
|
|
19,62
|
1255,68
|
|
Бетонирование монолитных
фундаментов
|
|
10,422
|
667,01
|
|
Снятие опалубки
|
|
19,62
|
1255,68
|
.2 Объемы земляных работ
Определение объемов земляных работ, т.е. определение объемов земельного
сооружения - геометрического тела, ограниченного плоскостями дна и откосов, и
криволинейной поверхностью земли, заключается в делении сложного тела
вертикальными плоскостями. В пределах каждого сомнительно небольшого участка
поверхность земли считается плоскостью по известным формулам геометрии, считают
каждый объем, после чего суммируется. При выполненной планировке поверхности
земли, отдельный котлован, траншея, общий котлован являются геометрическим
телом -обелиском. a, b, c, d - размеры
обелиска ; h -глубина выемки.

=
(5)

86,31
.3
Объемы опалубочных, арматурных и бетонных работ
.3.1
Устройство бетонной подготовки
При
нескальных грунтах под монолитные фундаменты устраивают бетонную подготовку из
бетона класса В10( марки М 100 ). Объём бетонной подготовки под один фундамент
составляет:

= (
+ 0,2)*(
+ 0,2)*
(6)

= (4,8 +
0,2)*(3 + 0,2)*0,1 = 1,6 
где

и 
- размеры
подошвы фундамента, м.;

= 0,1 -
толщина бетонной подготовки
.3.2
Подсчет объемов опалубочных работ
Объем
опалубочных работ равен площади боковых поверхностей фундаментов:
подсчитываются площади прямоугольных боковых поверхностей фундамента и
трапециевидных внутренних поверхностей стакана.
Площадь
боковых поверхностей ступеней фундамента равна:

(7)

= 10,98 
где

,
-
размеры ступеней фундамента, м;
h - высота
ступеней фундамента, м.
Площадь
боковых поверхностей подколонника:


Общая
площадь опалубки равна сумме отдельных составляющих площадей:
.3.3
Подсчёт объемов бетонных работ
Фундаменты
сложной конфигурации разрезают на простые геометрические тела, объём которых
определяется по формулам геометрии:

(8)
где
a,b,h - размеры рассматриваемой части фундамента, м
Общий
объем работ по бетонированию определяется , как сумма отдельных составляющих
объемов:

= 1,8 *
1,2 * 0,95 = 2,052 

=
0,3(4,8 * 3 + 3,6 * 2,4 +2,7 * 1,8) = 8,37 
Общий
объем работ по бетонированию:

= 
+ 
= 8,37 +
2,052 = 10,422 
.3.4
Подсчёт объемов арматурных работ
Армирование
фундамента принимается в виде горизонтальных сеток, укладываемых по основанию
на бетонные подкладки, и вертикального пространственного каркаса на всю высоту
фундамента до верха подколонника. Расход арматуры на один фундамент:

= g * 
(9)

= 40 *
10,422 = 416,88 кг
где
g - расход арматуры на 1 
бетона, g =
40 кг/

- объем
фундамента, 
Объемы
арматурных работ определяются в килограммах и штуках монтируемых одним
элементом. Сетка по основанию нижней ступени монтируется одним элементом при
площади подошвы до 9 
. При
большей площади укладываются одна на другую две сетки с рабочими стержнями в
разных направлениях, при этом каждая сетка состоит из двух элементов. Таким
образом, если площадь нижней ступени фундамента больше 9 
,
укладываются 4 сетки.
Армирование
фундамента также может быть выполнено отдельными стержнями с соединением
вязальной проволокой или сваркой. В таком случае, объемы работ вычисляются
только в килограммах(тоннах).
На
горизонтальное армирование фундамента(сетки) условно принимается 0,7
, на
вертикальное (каркасы) 0,3
.

= 0,7 *
416,88 = 291,816 кг

= 0,3 *
416,88 = 125,064 кг.
Площадь
подошвы фундамента Fподошвы = 4,8 * 3 =14,4 
> 9 
, поэтому
укладываются 4 горизонтальных сетки.
4.
Выбор комплекта машин для выполнения земляных работ
.1
Комплект машин для разработки и транспортировки грунта
При
выборе одноковшового экскаватора учитываются характеристики земляного
сооружения - форма, объём, глубина и вид грунта. так, разработка общих
котлованов может производиться экскаваторами с рабочим оборудованием- прямая
лопата, обратная лопата и драглайн, разработка траншей - экскаваторами с
рабочим оборудованием обратная лопата или драглайн, разработка отдельных
котлованов экскаваторами с рабочим оборудованием обратная лопата.
Ввиду
универсальности и широкого распространения в современном строительном
производстве гидравлических одноковшовых экскаваторов с рабочим оборудованием
обратная лопата, в качестве основной машины комплекта принимаем именно эту
машину.
Вместимость
ковша экскаватора принимаем пропорционально объему работ по таблице 3.2[11].
Грузоподъемность
автосамосвалов, используемых для транспортирования грунта, принимаем в
соответствии с вместимостью ковша экскаватора с учетом рекомендаций,
приведённых в таблице 3.3 [11].
Грунт
в траншеях под фундаменты и в отдельных котлованах разрабатывается одноковшовым
экскаватором с рабочим оборудованием -обратная лопата. Ориентировочная емкость
ковша экскаватора принимается в зависимости от объемов работ по таблице 4.
Для
разработки отдельных котлованов и траншей выбираем одноковшовый экскаватор с
обратной лопатой ЭО-6123, параметры которого:
· Вместимость ковша 1,6 м3
· Наибольшая глубина копания 7,2 м
· Наибольший радиус копания 11,5 м
· Наибольшая высота выгрузки 5,8 м
· Наибольший радиус выгрузки 7,6 м
Для транспортировки грунта с места возведения фундамента применяются
автосамосвалы. Дальность транспортировки грунта в соответствии с заданием-
5км.Выбираем автосамосвал марки КамАЗ 55111, параметры которого:
· Грузоподъемность 13 т
· Полная масса 22,4 т
· Размеры :
длина - 6700 мм
ширина - 2310 мм
высота - 2850 мм
· Мощность двигателя 176 кВт
· Максимальная скорость 90 км/ч
Определяем нормативную эксплуатационную производительность экскаватора :
Пчас
=
, м3/час
(10)
Пчас
= 
= 144,93
м3/час
где
Нвр - норма времени маш.-ч. на разработку 100 м3 грунта.(Берётся из ЕНиР[2])
Состав
звена - 2 машиниста, группа грунта I (суглинок лёгкий,ρ = 1700 кг/м3).
Определяем
количество самосвалов для отвозки грунта :
N = 
, шт.,
(11)
где

-
продолжительность цикла автосамосвала, мин.;

-
продолжительность погрузки грунта в самосвал, мин.

,мин.,
(12)
где

, 
- время
груженого(6 мин.) и порожнего(4,8 мин.) пробега автосамосвала, мин.;

-
продолжительность разгрузки самосвала(=2 мин.) ;

- время,
выполнения маневров перед погрузкой и разгрузкой
(=3
мин.) ;

- время,
затрачиваемое на мойку колес автосамосвала при выезде со строительной
площадки(=10 мин.)

= 
, мин.,
(13)
где

-
продолжительность погрузки грунта в один самосвал ;

-
погрузочная ёмкость кузова самосвала, м3

= n * e * 
, м3,
(14)
где
n - число ковшей экскаватора, выгружаемых в кузов
самосвала, шт.;
е
- вместимость ковша экскаватора, м3;

-
коэффициент использования вместимости ковша экскаватора, учитывающий степень
наполнения ковша и разрыхление грунта (= 0,9)
В
кузов самосвала выгружается целое число ковшей, получаемое округлением
расчётного числа ковшей

= 
, шт.,
(15)
где
Q - грузоподъёмность автосамосвала, т.;

-
плотность грунта, т/м3
n = 
= 5 шт.

= 5*
1,6*0,9 = 7,2 м3

= 
= 2,98
мин.

= 2,98 +
4,8 + 6 + 2 + 6 + 3 + 10 = 34,78 мин.
N = 
= 12 шт.
.2
Технологические схемы производства земляных работ
Основные
решения по технологии производства земляных работ и определении параметров
экскаваторных забоев принимаются на основании СНиП [4] .
Разработка
траншеи предусматривается с перемещением экскаватора по оси траншеи (по
продольным осям здания) лобовым забоем.
Разработка
отдельных котлованов под каждый фундамент экскаватором - обратная лопата производится
лобовым забоем с перемещением экскаватора по осям здания.
Начальная
стоянка экскаватора имеет наибольшее удаление( L ) от верхней
бровки начального по отрывке откоса :
L = 
, м, (16)
L =
=
= 10,7 м.
где

-
наибольший радиус копания экскаватора на уровне стоянки, м.;
a - размер по
верху котлована поперёк оси движения экскаватора, м.
Размеры
забоев зависят от рабочих параметров экскаватора -радиуса копания, радиуса
выгрузки, глубины забоя. Ширина лобового забоя экскаватора - обратная лопата по
верху принимается в пределах :

= (
1,3...1,5)
, м.
(17)

= 1,5*
11,5 = 17,25 м.
Ширина
проходки лобовым забоем по дну :
b = B - 2mh,
м, (18)
где
m - коэффициент заложение откоса;
h - глубина
забоя, м
b = 8,25 -
2*0,5*2,25 = 6 м.
Отдельный
котлован разрабатывается с одной стоянки.

Рис. 5 - Схема разработки котлована под один фундамент экскаватором -
обратная лопата
5. Проектирование производства работ по устройству фундаментов
При проектировании технологии устройства фундаментов необходимо:
. Выбрать тип опалубки, определить состав опалубочного комплекта;
. Решить, каким способом будет установлена опалубка и арматура (вручную
или краном);
. Выбрать способ подачи бетонной смеси в блоки бетонирования;
. Подобрать марки машин для производства бетонных работ, марки
автобетоносмесителей для доставки бетонной смеси, составить комплект машин,
оборудования и приспособлений;
.Выполнить технологические схемы производства работ.
.1 Конструирование опалубки
В проекте используется разборно-переставная мелкощитовая инвентарная
опалубка (металлическая). Опалубка собирается поэлементно. Сборка и разборка
опалубки выполняется вручную.
Размеры основных щитов, плоских и угловых следует принимать кратным
укрупнённому модулю 300 мм.
Таблица 2 - Ведомость потребности в щитах опалубки
|
Наименование элемента
|
Обозначение
|
Размеры, мм
|
Количество элементов в
комплекте
|
|
|
|
На 1 фундамент
|
Всего
|
|
Щит основной
|
ЩО-1
|
1500х300
|
14
|
896
|
|
ЩО-2
|
900х300
|
8
|
512
|
|
ЩО-3
|
600х300
|
12
|
768
|
|
ЩО-4
|
600х1500
|
6
|
384
|
|
Щит угловой
|
ЩУ-1
|
300х300
|
12
|
768
|
|
ЩУ-2
|
300х1500
|
4
|
256
|
Арматурные сетки и каркасы укладываются и устанавливаются вручную.
Рис.5 - Схема опалубирования фундамента
.2 Выбор комплекта машин, оборудования и приспособлений для производства
бетонных работ
Количество машин и транспортных средств, входящих в комплект, должно
обеспечивать требуемую интенсивность бетонных работ.
За интенсивность бетонирования принимается производительность ведущей
бетоноукладочной машины.
В качестве бетоноукладочной машины выбирается бетононасос KVM 42 параметры которого :
· Техническая производительность - 90 м3/час
· Количество секций стрелы - 4 шт.
· Наибольшая дальность подачи бетонной смеси - 38,05 м.
· Базовый автомобиль - МВ 3328
· Размеры машины в транспортном положении :
длина - 12,9 м.
ширина - 2,48 м.
высота - 3,93 м.
Эксплуатационная
производительность бетононасоса 
определяется
с учётом его технической производительности и условий производства работ.

= 
*к,
м3/час, (19)

= 90*
0,55 = 49,5 м3/час
где

- техническая
производительность автобетононасоса.
к
- суммарный коэффициент, учитывающий снижение производительности в зависимости
от вида бетонируемых конструкций, длины бетоновода, квалификации машиниста,
затрат времени на ежесменный уход и техническое обслуживание, организационно-
технические перерывы.
Для
транспортирования бетонной смеси используются автобетоносмеситель марки СБ -
211 , параметры которого:
· Геометрический объем смесительного барабана - 14 м3
· Емкость смесительного барабана по бетонной смеси - 8 м3
· Базовый автомобиль - КамАЗ 54112
· Размеры машины в транспортном положении:
ширина - 2,5 м.
высота - 3,55 м.
Количество автобетоносмесителей, работающих в комплекте с
автобетононасосом и обеспечивающих интенсивность подачи в фундамент бетонной
смеси Р , определяется из условия :
Nб = 
, шт,
(20)
где
Па - производительность автобетоносмесителя, м3/час
P -
интенсивность бетонирования (равна производительности автобетононасоса)
Па
= 
*
, м3/час
(21)
где

-
коэффициент использования бетоносмесителя по времени, учитывающий необходимые
перерывы на мойку смесительного барабана ;
V - количество
бетонной смеси, перевозимой автобетоносмесителем, м3 ;

-
продолжительность цикла автобетоносмесителя :

, мин.,
(22)

= 5 +
4,8 + 6 + 10 = 25,8
где

-
продолжительность загрузки автобетоносмесителя( 5 мин.) ;

, 
- время
груженого(6 мин.) и порожнего(4,8 мин.) пробега автобетоносмесителя, ;

-
продолжительность разгрузки автобетоносмесителя(10 мин.) ;
Па
= 
*0,9 =
29,3 м3/час
В
проекте используется вибратор с гибким валом ИВ -117 А -2 шт. (1 в работе, 1 -
резервный).
Nб = 
=1,68
(принимаем 2 автобетоносмесителя на 1 автобенонасос)
Рис.
6 - Общая схема бетонирования фундаментов
6.Требования
техники безопасности при производстве работ
Основные положения по безопасному выполнению строительных процессов
составляются на основе СНиП 12-03-2001 и 12-03-2002 “Безопасность труда в
строительстве”.
Особое внимание необходимо обращать на следующее:
- способы строповки элементов конструкций должны обеспечивать их
подачу к месту установки в положении, близком к проектному;
- элементы монтируемых конструкций во время перемещения должны
удерживаться от раскачивания и вращения гибкими оттяжками;
не допускается нахождение людей под монтируемыми элементами
конструкций до установки их в проектное положение и закрепления;
при перемещении конструкций расстояние между ними и выступающими
частями других конструкций должно быть по горизонтали не менее 1 м, по
вертикали - 0,5 м;
монтаж и демонтаж опалубки может быть начат с разрешения
технического руководителя строительства и должен производиться под
непосредственным наблюдением специально назначенного лица технического персонала;
бункеры для бетонной смеси должны удовлетворять ГОСТ21807-76*;
перемещение загруженного или порожнего бункера разрешается
только при закрытом затворе;
не допускается опирание вибраторов на арматуру;
Движение и расположение машин вблизи выемок, с неукрепленными откосами
разрешается только за пределами призмы обрушения грунта. Расстояния от
основания откоса выемки до ближайших опор машин должны быть не менее указанных
в Приложении 2.
Необходимо обращать особое внимание на обеспечение условий, исключающих
возможность поражения рабочих электрическим током. С этой целью при
производстве электросварочных работ и вибрировании бетонной смеси применяемое
оборудование должно быть заземлено.
Таблица 3 - Технико-экономические показатели
|
Показатели
|
Единица измерения
|
Земляные работы
|
Бетонные работы
|
|
Объём работ
|
М3
|
5918,94
|
769,41
|
|
Продолжительность работ
|
Раб.дн.
|
2,5
|
15
|
|
Трудоёмкость
|
Чел.-дн.
|
6,8
|
133,72
|
|
Трудоёмкость на ед. объёма
|
Чел.-дн/М3
|
0,001
|
0,170
|
|
Затраты машинного времени
основной машины
|
Маш.-см.
|
15,2
|
12
|
|
Затраты машинного времени
на единицу объёма
|
Маш.-дн./М3
|
0,002
|
0,015
|
|
Выборка на 1 чел.-день
|
М3/чел.-дн.
|
870,43
|
5,75
|
Список литературы
1. СНиП
3.03.01-87. Несущие и ограждающие конструкции/Госстрой СССР.- М.:АПП ЦИТП,
1991.
2. СНиП
12-03-2001. Безопасность труда в строительстве. Часть 1. Общие технические
требования.
. СНиП
12-04-2002. Безопасность труда в строительстве. Часть 2. Строительное
производство.
. Киргизов
А. М.,Серов К.А., Хряпченкова И.Н. /Возведение фундаментов из монолитного
железобетона. Указание к выполнению курсового проекта по дисциплине «Технология
строительных процессов» - Н.Новгород, ННГАСУ, 2011.
. Серов
К.А. /Возведение фундаментов из монолитного железобетона. Указания к выполнению
курсового проекта по дисциплине «Технология строительных процессов»-
Н.Новгород, ННГАСУ,1993
. Теличенко
В.И. Технология строительных процессов Часть 1. Учебник.- М.: Высш. шк., 2005.-
392 с.
. Теличенко
В.И. Технология строительных процессов Часть 2. Учебник.- М.: Высш. шк., 2005.-
392 с.