Проектирование оснований и фундаментов
Министерство образования Российской
Федерации
Государственное Образовательное
Учреждение
Высшего Профессионального Образования
Воронежский государственный
архитектурно-строительный университет
Строительный факультет
Кафедра проектирования конструкций,
оснований и фундаментов
Пояснительная записка
к курсовому проекту
Проектирование оснований и
фундаментов
Воронеж - 2012 г.
Введение
основание фундамент деформация устойчивость
Эксплуатационная надежность и долговечность возводимых
зданий и сооружений определяются качеством подготовки оснований и устройства
фундаментов. Основание, фундамент и надземная конструкция неразрывно связаны
между собой, взаимно влияют друг на друга и поэтому должны рассматриваться как
одна система. Деформация и устойчивость грунтов основания зависят от величины
приложенной нагрузки, типа и основных размеров фундамента. В свою очередь,
конструктивная схема сооружения, конструкция и основные размеры фундамента
назначаются в зависимости от напластования грунтов, их сжимаемости и давления,
которое они могут воспринять. Однако обычно основания, фундаменты и надземные
конструкции проектируют раздельно. Последовательными расчетами определяют
конструкции и размеры фундаментов. При этом приходится решать две основные
задачи: обеспечение необходимой надежности и долговечности сооружения, для чего
проектируют прочные и устойчивые основания и фундаменты, и принятие наиболее
экономичного решения с точки зрения расхода дефицитных материалов, минимальных
объемов, продолжительности и стоимости строительных работ. С этой целью
прорабатывают несколько вариантов проектных решений и на основании их
технико-экономического сравнения выбирают наиболее целесообразный. Выбор
наиболее рациональных и экономичных конструкций фундаментов и оптимальных
способов производства работ по их устройству является одной из самых трудных и
сложных инженерных задач в строительстве. Это обусловлено не только большим
различием видов и состояний грунтов, многообразием природных условий их
залегания, влиянием геологических и гидрогеологических явлений и процессов, но
и разнообразием и сложностью производственных условий строительства. Для
решения этой трудной задачи необходимо знать: инженерно-геологические и
гидрогеологические условия и особенности строительной площадки;
физические, физико-механические и физико-химические
свойства грунтов в пределах зоны влияния сооружения;
закономерности изменения свойств грунтов, прогноз инженерно-геологических
процессов в результате нарушения сооружением природного равновесия и гидрогеологической
обстановки и методы направленного изменения строительных свойств грунтов;
методы расчета оснований по предельным состояниям
метопы расчета и проектирования фундаментов;
способы производства работ по устройству оснований и
фундаментов.
Всесторонний учет всех факторов позволяет качественно
и экономично запроектировать основания и фундаменты.
Задача проектирования сводится к выбору несущего слоя грунта, конструкции
фундамента, глубины его заложения и определению размеров фундаментов, при которых
гарантируется надежная эксплуатация зданий и сооружений, допустимые деформации
и устойчивость грунтов в основании.
Повышение экономической эффективности фундаментов
возможно за счет совершенствования методов расчета конструкций и методов их
устройства. В проектах оснований и фундаментов необходимо предусматривать
широкое применение прогрессивных научно-технических достижений, ресурсе и
энергосберегающих технологий, снижение сметной стоимости и улучшение качества,
которое в большинстве случаев определяет долговечность зданий и сооружений в
целом. Проектирование фундаментов является творческим процессом. Для выбора
оптимального варианта необходимо учесть влияние многих факторов. Данная задача
выполнима только с помощью ЭВМ. В этом направлении и развивается в настоящее
время система автоматизированного проектирования (САПР) строительных
конструкций, в том числе фундаментов.
Исходные данные.
Жилой дом:
1. Место строительства г. Казань;
2. Строительная площадка №11;
. Конструктивная схема с поперечными несущими стенами;
. Количество этажей - 9;
. Высота этажа - 2,8 м;
. Наружные стены - керамзитобетонные панели толщиной 300 мм;
. Внутренние стены - железобетонные панели толщиной 180 мм;
. Перегородки - гипсобетонные толщиной 80 мм;
. Перекрытия и покрытие - сборные многопустотные плиты толщиной
220 мм;
Кровля - плоская с внутренним водостоком из 3-х слоев изопласта с
защитным слоем;
Полы в жилых помещениях -линолеум со звукоизоляционным слоем из
керамзита; в санузлах - из керамической плитки.
Подвал в осях Б, Д - 1, 6.
Магазин:
Конструктивная схема - каркасная;
Количество этажей - 1;
Высота этажа - 3м;
Наружные стены - керамзитобетонные панели толщиной 300 мм;
Внутренние стены - железобетонные панели толщиной 180 мм;
Колонны железобетонные сечением 400х400 мм, расположение ригелей по
поперечным осям;
Перегородки - гипсобетонные толщиной 80 мм;
Покрытия - сборные многопустотные плиты толщиной 220 мм;
Кровля - плоская с внутренним водостоком из 3-х слоев изопласта с
защитным слоем;
Полы - из керамогранита.
Подвал в осях Б, Д - 1, 6
Оценка инженерно-геологических условий строительной площадки.
1. Расчёт производных показателей физических свойств грунтов
Скважина №1. Образец взят с глубины z=2.0 м.
Плотность сухого грунта
сd=
;
Коэффициент
пористости
е=
;
Коэффициент
водонасыщения
r=
;
Номенклатурное
название по ГОСТ 25100-95: песок пылеватый средней плотности средней степени
водонасыщения.
гs=
сsg=2.66*10=26,6кН/м3
;
Удельное
сцепление Сn=4,92 кПа
Угол
внутреннего трения цn=320
Модуль
деформации En=22,6 МПа
Расчётное
сопротивление грунта основания R0=150 кПа

;
Определим
характеристики грунта засыпки:

=0,5
=0,5*3,28=1,68
кПа;

=0,5
=0,5*4,92=2,46
кПа;

=0,9
=0,9*29=260;

=0,9
=0,9*32=290;

=0,9
=0,95*18,1=17,2
кН/м3;

=0,9
=0,95*19=18,05
кН/м3;
Грунт
может быть использован в качестве естественного основания.
Скважина
№1. Образец взят с глубины z=4,5м.
Плотность
сухого грунта
сd=
;
Коэффициент
пористости
е=
;
Коэффициент
водонасыщения
Sr=
Число
пластичности
P=WL-WP=0.33-0.19=0.14
Показатель
текучести
L=
Номенклатурное
название: суглинок полутвердый.
гs=сsg=2.69*10=26.9
кН/м3
Удельное
сцепление Сn=19 кПа
Угол
внутреннего трения цn=190
Модуль
деформации En=11,6 МПа
Расчётное
сопротивление грунта основания R0=198,5
кПа

кН/м3

кН/м3
Грунт
может быть использован в качестве естественного основания.
Скважина
№2. Образец взят с глубины z=6.0м.
Плотность
сухого грунта
сd=
;
Коэффициент
пористости
е=
;
Коэффициент
водонасыщения
r=
Число
пластичности
P=WL-WP=0,35-0,2=0,15
Показатель
текучести
L=
Номенклатурное
название: суглинок полутвердый.
гs=сsg=2.69*10=26.9
кН/м3
Удельное
сцепление Сn= 18,4 кПа
Угол
внутреннего трения цn= 190
Модуль
деформации En= 11,24 Мпа
Расчётное
сопротивление грунта основания R0= 193 кПа

кН/м3

кН/м3
Грунт
может быть использован в качестве естественного основания.
Скважина
№2. Образец взят с глубины z=7,8м.
Плотность
сухого грунта
сd=
;
Коэффициент
пористости
е=
;
Коэффициент
водонасыщения
Sr=
Номенклатурное
название: песок средней крупности средней плотности насыщенный водой.
гs=сsg=2.65*10=26,5
кН/м3
Удельное
сцепление Сn=1,74 кПа
Угол
внутреннего трения цn=370
Модуль
деформации En=37,4 МПа
Расчётное
сопротивление грунта основания R0=400 кПа

кН/м3

кН/м3
Грунт
может быть использован в качестве естественного основания.
Скважина
№3. Образец взят с глубины z = 9.5 м.
Плотность
сухого грунта
сd=
;
Коэффициент
пористости
е
=
;
Коэффициент
водонасыщения
r=
Число
пластичности
P=WL-WP=0,39-0,23 =0.16
Показатель
текучести
L=
Номенклатурное
название: суглинок полутвердый.
гs=сsg=2.69*10=26,9
кН/м3
Удельное
сцепление Сn=22,65 кПа
Угол
внутреннего трения цn=210
Модуль
деформации En=13,79 МПа
Расчётное
сопротивление грунта основания R0=217 кПа

кН/м3

кН/м3
Грунт
не может быть использован в качестве естественного основания.
По
данным расчётов составляется сводная таблица физико-механических показателей
свойств грунтов (табл.1.1).
Заключение
о пригодности грунтов строительной площадки в качестве естественного основания
Геолого-литологический
разрез показывает, что рельеф участка спокойный с абсолютными отметками 159.60
- 160,10 м. Грунты площадки представлены четвертичными отложениями, в состав
которых входят:
- культурный слой толщиной 0.3 - 0.4 м;
- чернозем с песком 0,8 - 0,9 м;
- песок пылеватый средней плотности средней степени
водонасыщения 2,5 - 2.7 м;
- суглинок бурый пластичный 2,8 - 2,9 м;
- песок средней крупности средней плотности насыщенный водой
2,0 - 2,8 м;
- суглинок буро-желтый пластичный 3,0 - 3,3 м.
- песок желтый средней крупности 2,7-3,0 м.
Толщины всех слоёв грунта выдержаны по простиранию. На участке обнаружены
подземные воды на глубине 8,0 м.
Для проектируемого здания основанием под фундаменты может быть
использован грунт третьего слоя, т.е. песок пылеватый средней плотности средней
степени водонасыщения со следующими физико-механическими характеристиками:
С=4,92 кПа; ц=320; Е=22,6 МПа; R0=150 кПа.
СI=3,28 кПа; СII=4,92 кПа.
Сбор нагрузок по заданным сечениям, действующих на фундамент.
Сечение 1-1:
Нагрузки, действующие на ленточный фундамент, собираем с участка наружной
стены здания. Грузовая площадь составляет А1 = 1х3 = 3 м2.
Неодновременное загружение девяти этажей учитываем снижающим коэффициентом шn, определенным по формуле:

,
где

, где
А1
= 9 м2 - для жилых зданий.
Здесь
n - общее число перекрытий выше обреза фундамента.
Расчетные
нагрузки на 1 м наружной стены.
Для
расчета по II группе предельных состояний
постоянная
NIIn =
143,3/1= 143,3 кН/м
временная
NIIb =
62,93/1= 62,93 кН/м
полная
NII =
206,23/1= 206,23 кН/м
Для
расчета по I группе предельных состояний
постоянная
NIn =
155,8/1= 155,8 кН/м
временная
NIb =
82,19/1= 82,19 кН/м
полная
NI =
237,99/1= 237,99 кН/м
Нормативные
и расчетные нагрузки, действующие на 1 м длины фундамента от наружной стены
Сечение
3-3:
|
Вид нагрузки
|
Нормативная нагрузка Nn, кН
|
Коэф. надежности по нагрузке гf
|
Расчетная нагрузка N1, кН
|
|
Постоянная От покрытия: плоская кровля с внутренним
водостоком из 3-х слоев изопласта с защитным слоем - 1,8х3 От чердачного
перекрытия: защитный слой 0.02х18х3 утеплитель 0.1х5х3 пароизоляция 0,04х3
сборная многопустотная плита толщиной 220 мм 2.3х3
|
5,4 1,08 1,5 0,12 6,9
|
1.1 1.3 1.2 1,2 1.1
|
5,94 1,4 1,8 0,14 7,59
|
|
Итого от покрытия
|
15
|
|
16,87
|
|
От керамзитобетонной панели выше чердачного перекрытия 1,6
х0.3х10х1 От керамзитобетонных панелей стены на высоту девяти этажей за
вычетом оконных проемов от отм. 0.00 до отм. +25.2: 0,3х(25.2х 1 - 1.5х1.2
х9)х15 От столярных изделий и остекления 0.5х1.5х1.2х9
|
4,8 40,5 8.1
|
1,1 1.1 1.1
|
5,28 44,55 8,91
|
|
Итого от керамзитобетонных панелей стены
|
53,4
|
|
46,64
|
|
От девяти междуэтажных перекрытий в составе: пол паркетный
0.4х3х9 сборная многопустотная плита толщиной 220 мм 2.3х3х9
|
10,8 62,1
|
1.1 1.1
|
11,88 68,31
|
|
Итого от девяти перекрытий
|
72,9
|
|
80,19
|
|
Всего от постоянной нагрузки
|
143,3
|
|
155,8
|
|
Временная
|
|
|
|
|
От перегородок на девяти этажах (длительная) 1.0х3х9 От
снега 1.8х3 От временной нагрузки на чердачном перекрытии (кратковременная)
0.7х3 От временной нагрузки на девяти междуэтажных перекрытиях с
коэффициентом шn= 0.74 1.5х3х0.74х9
|
27 3,86 2,1 29,97
|
1.3 1.4 1.3 1.3
|
35,1 5,4 2,73 38,96
|
|
Всего от временной нагрузки
|
62,93
|
|
82,19
|
|
Полная нагрузка
|
206,23
|
|
237,99
|
Нагрузки, действующие на ленточный фундамент, собираем с участка
внутренней стены здания.
Грузовая площадь составляет А1 = 1х(2.91+2.91) = 5,82 м2,
где 2.91 - половина расстояния в чистоте между стенами.
|
Вид нагрузки
|
Нормативная нагрузка Nn, кН
|
Коэф. надежности по нагрузке гf
|
Расчетная нагрузка N1, кН
|
|
Постоянная От покрытия: плоская кровля с внутренним
водостоком из 3-х слоев изопласта с защитным слоем - 1,8х5,82 От чердачного
перекрытия: защитный слой 0.02х18х5,82 утеплитель 0.1х5х5,82 пароизоляция
0,04х5,49 сборная многопустотная плита толщиной 220 мм 2.3х5,82
|
10,48 2,1 2,91 0,23 13,39
|
1.1 1.3 1.2 1,2 1.1
|
11,53 2,73 3,49 0,28 14,73
|
|
Итого от покрытия
|
15
|
|
16,87
|
|
От железобетонных панелей стены на высоту от отм. -1,05 до
отм. +25.2: 26,25х1х0,18х25
|
118,13
|
1.1
|
129,94
|
|
Итого от железобетонной панели стены
|
118,13
|
|
129,94
|
|
От девяти междуэтажных перекрытий в составе: пол паркетный
0.4х5,82х9 сборная многопустотная плита толщиной 220 мм 2.3х5,82х9
|
20,95 120,47
|
1.1 1.1
|
23,05 132,52
|
|
Итого от девяти перекрытий
|
120,47
|
|
132,52
|
|
Всего от постоянной нагрузки
|
253,6
|
|
279,33
|
|
Временная
|
|
|
|
|
От перегородок на девяти этажах (длительная) 1.0х5,82х9 От
снега 1.8х5,82 От временной нагрузки на чердачном перекрытии
(кратковременная) 0.7х5,82 От временной нагрузки на девяти междуэтажных
перекрытиях с коэффициентом шn= 0.65 1.5х5,82х0.65х9
|
52,38 7,49 4,07 51,07
|
1.3 1.4 1.3 1.3
|
68,09 10,48 5,29 66,39
|
|
Всего от временной нагрузки
|
115,01
|
|
150,25
|
|
Полная нагрузка
|
368,61
|
|
429,58
|

, где 
,
А1
= 9 м2 - для жилых зданий.

;
Нормативные
и расчетные нагрузки, действующие на 1 м длины фундамента от внутренней стены
Расчетные
нагрузки на 1 м внутренней стены
Для
расчета по II группе предельных состояний
постоянная
NIIn =
253,6/1= 253,6 кН/м
временная
NIIb =
115,01/1= 115,01 кН/м
полная
NII =
368,61/1= 368,61 кН/м
Для
расчета по I группе предельных состояний
постоянная
NIn =
279,33/1= 279,33 кН/м
временная
NIb =
150,25/1= 150,25 кН/м
полная
NI =
429,58/1= 429,58 кН/м
Сечение
2-2
Нагрузки,
действующие на ленточный фундамент, собираем с участка наружной стены здания
длиной 3 метра.
Нормативные
и расчетные нагрузки, действующие на 3 м длины фундамента от наружной стены
Расчетные
нагрузки на 1 м наружной стены.
Для
расчета по II группе предельных состояний
постоянная
NIIn =
289,8/3= 96,6 кН/м
Для
расчета по I группе предельных состояний
постоянная
NIn =
318,78/3= 106,26 кН/м
|
Вид нагрузки
|
Нормативная нагрузка Nn, кН
|
Коэф. надежности по нагрузке гf
|
Расчетная нагрузка N1, кН
|
|
Постоянная: От керамзитобетонной панели выше чердачного
перекрытия 1,6 х0.3х10х3 От керамзитобетонных панелей стены на высоту девяти
этажей за вычетом оконных проемов от отм. 0.00 до отм. +25.2: 0,3х(25.2х 3 -
1.5х1.2 х9)х15 От столярных изделий и остекления 0.5х1.5х1.2х9
|
14,4 267,3 8.1
|
1,1 1.1 1.1
|
15,84 294,03 8,91
|
|
Полная нагрузка
|
289,8
|
|
318,78
|
Сечение 5-5
Собираем нагрузку на фундамент под крайнюю колонну. Грузовая площадь
составляет А5 = 6 х 3 = 18 м2.
Неодновременное загружение учитываем снижающим коэффициентом шn5, определенным по формуле:

, где

, где
А1
= 36 м2 - для жилых зданий.
Здесь
n - общее число перекрытий выше обреза фундамента.
Нормативные
и расчетные нагрузки на фундамент под колонну крайнего ряда
|
Вид нагрузки
|
Нормативная нагрузка Nn, кН
|
Коэф. надежности по нагрузке гf
|
Расчетная нагрузка N1, кН
|
|
Постоянная От покрытия: плоская кровля с внутренним
водостоком из 3-х слоев изопласта с защитным слоем - 0.1х3х18 защитный слой
0.02х18х18 утеплитель 0.1х5х18 пароизоляция 0,04х18 сборная многопустотная
плита толщиной 220 мм 2.3х18
|
5,4 6,48 9 0,72 41.4
|
1.1 1.3 1.2 1,2 1.1
|
5,94 8,42 10,8 0,86 45,54
|
|
Итого от покрытия
|
62,8
|
|
71,56
|
|
От собственного веса керамзитобетонной панели стены от отм.
-1.150 до отм. +3.300 0.3х4.45х6х15
|
120,15
|
1.2
|
144,18
|
|
Итого от керамзитобетонных панелей стены
|
120,15
|
|
144,18
|
|
Пол из напольной керамической плитки 1.4х18
|
25.2
|
1.2
|
30.24
|
|
Всего от постоянной нагрузки
|
208,15
|
|
245,98
|
|
Временная
|
|
|
|
|
От снега 1,8х18
|
23,14
|
32,4
|
|
Всего от временной нагрузки
|
23,14
|
|
32,4
|
|
Полная нагрузка
|
231,29
|
|
278,38
|
Сечение 4-4
Собираем нагрузку на фундамент под среднюю колонну. Грузовая площадь
составляет А6 = 6 х 6 = 36 м2. Неодновременное загружение
учитываем снижающим коэффициентом шn6, определенным по формуле:

,
где

,
А1
= 36 м2 - для жилых зданий.
Здесь
n - общее число перекрытий выше обреза фундамента.
Нормативные
и расчетные нагрузки на фундамент под колонну среднего ряда
|
Вид нагрузки
|
Нормативная нагрузка Nn, кН
|
Коэф. надежности по нагрузке гf
|
Расчетная нагрузка N1, кН
|
|
Постоянная От покрытия: плоская кровля с внутренним
водостоком из 3-х слоев изопласта с защитным слоем - 0.1х3х36 защитный слой
0.02х18х36 утеплитель 0.1х5х36 пароизоляция 0,04х36 сборная многопустотная
плита толщиной 220 мм 2.3х36
|
10,8 12,96 18 1,44 82,8
|
1.1 1.3 1.2 1,2 1.1
|
11,88 16,85 21,6 1,73 91,08
|
|
Итого от покрытия
|
126
|
|
143,14
|
|
Пол из напольной керамической плитки 1.4х36
|
50,4
|
1.2
|
60,48
|
|
Всего от постоянной нагрузки
|
176,4
|
|
203,62
|
|
Временная
|
|
|
|
|
От снега 1,8х36
|
46,29
|
1,4
|
64,8
|
|
Всего от временной нагрузки
|
46,29
|
|
64,8
|
|
Полная нагрузка
|
222,69
|
|
268,42
|
. Выбор рациональных вариантов фундаментов и основания
Фундаментом называется подземная или надземная часть здания или
сооружения (преимущественно подземная), которая воспринимает нагрузки от
сооружения и передает их на естественное или искусственное основание.
В конструкции каждого фундамента есть две характерные плоскости: верхняя,
на которую опирается надземная часть сооружения, и нижняя, которая является
плоскостью контакта фундамента с грунтом основания. Верхняя плоскость носит
название обреза фундамента, а нижняя - подошвы. Расстояние от поверхности
планировки до подошвы фундамента называется глубиной заложения d, а расстояние от подошвы до обреза -
высотой фундамента hf.
Различают фундаменты мелкого заложения (возводимые в предварительно
вырытом котловане), свайные и фундаменты глубокого заложения (погружаемые в
грунт с одновременным извлечением грунта из-под них).
По конструктивной форме фундаменты мелкого заложения подразделяются на
отдельные (столбчатые), ленточные, сплошные (плитные) и массивные.
Ленточные фундаменты чаще всего применяются для жилых зданий и
общественных зданий. Основными элементами являются стеновые блоки и плиты. В
прерывистых ленточных фундаментах фундаментные подушки укладываются не
всплошную друг к другу, а на расстоянии, с заполнением песком или грунтом.
Также для уменьшения расхода бетона применяют сборные ленточные фундаменты из
пустотелых элементов.
Свайные фундаменты могут применяться для любых конструкций
сельскохозяйственных, жилых и общественных зданий. Сваей называется стержень,
погруженный в грунт, служащий для передачи нагрузки от сооружения на грунтовое
основание. Свайный фундамент может состоять из одной сваи или группы свай.
Плита, объединяющая головы свай, называется ростверком. Этот вид фундаментов
является одним из прогрессивных.
По способу заглубления в грунт роазличают забивные, набивные, набивные
виброштампованные, набивные в выштампованном ложе, буронабивные,
буроинъекционные, буроопускные, сваи - столбы, винтовые, сваи - колонны.
По условиям взаимодействия с грунтом сваи делятся на сваи - стойки и
висячие сваи.
По конструктивной форме сваи подразделяются на квадратные, прямоугольные,
тавровые, двутавровые, квадратные с круглой плоскостью, полые круглого сечения,
призматические, цилиндрические, пирамидальные, трапецеидальные, ромбовидные,
цельные и составные, с заостренным или плоским нижним концом.
При малых нагрузках на фундамент использование коротких свай считается
эффективным, поэтому их применяют как для фундаментов под несущие стены, где
обеспечивается наибольший эффект, так и для фундаментов под рамы и колонны.
Считается, что применение свайных фундаментов для жилых зданий более экономично
по сравнению с ленточными и отдельно стоящими фундаментами, если глубина
заложения последних превышает соответственно 1.5 м и 2.0 м.
Отдельные (столбчатые) фундаменты устраиваются под колонны, рамы и стены
зданий в комбинации с фундаментными балками. Столбчатые фундаменты под стены
применяются, когда нагрузки от надземных конструкций малы и не позволяют
полностью использовать несущую способность основания при применении ленточного
фундамента. Отдельно стоящие фундаменты могут выполняться как из сборных
элементов, так и монолитными. По виду применяемых материалов они бывают
деревянные, кирпичные, шлакобетонные, бутовые, бутобетонные, бетонные и
железобетонные. Деревянные, кирпичные, шлакобетонные фундаменты обычно
применяются для временных сооружений с коротким сроком службы.
Расчёт и проектирование фундаментов мелкого заложения по II группе предельных состояний
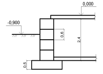
Выбор глубины заложения фундамента
Глубина заложения фундамента зависит от следующих факторов:
1. От инженерно-геологических условий строительной площадки (расчетное
сопротивление грунта);
. От гидрологических условий (наличие грунтовых вод);
3. От климатических условий (от глубины промерзания);
. От конструктивных условий (наличие подвала);
. От эксплуатационных условий;
. От величины и характера действия нагрузки.
Расчетная
глубина промерзания
,
-
коэффициент учитывающий влияние теплового режима на сооружение (по табл. 3.3
/1/);
для
без подвальной части здания tпомещ=+200С
=0,6 с полами устраиваемые на лагах по грунту
для
подвальной части здания tпомещ=+200С
=0,4
-нормативная
глубина промерзания;
Для
г. Казань
= 1.76 м.
Тогда
имеем:
м
м
Глубина
заложения фундамента
=
7,6-1,06 = 6,54 > 2 м
= 7,6-0,7
= 6,9 > 2 м, грунт не будет испытывать морозное пучение
табл.
3.1/1/:
м
м
Определение размеров подошвы фундамента
Выбор ширины плиты графоаналитическим методом
Центрально нагруженные фундаменты
Принцип расчёта соблюдение линейной деформируемости грунта (для без
подвальной части здания)
,(1) где
Р
- среднее давление на подошве фундамента;
N - осевая
нагрузка на обрезе фундамент;
G, Q
-нагрузка от веса фундамента и грунта на его обрезах;
А
- площадь подошвы фундамента;
R - расчётное
сопротивление грунтов основания;
Выражение
(1) можно записать в виде:
,(2)
где
-
средний удельный вес фундамента и грунта на его обрезах, принимаемый равным 20
кН/м3, d - глубина заложения фундамента.
Если
р= R тогда
; А=b·1;
(3),
где
-
коэффициенты условия работы;
k=1, если
прочностные характеристики грунта определены непосредственными испытаниями;
Mг, Mq, Mc - коэффициенты, являющиеся функцией расчётного
значения угла внутреннего трения принимается равной по табл. 3.5: Mг=1,34; Mq =6,34; Mc =8,55 для
kZ=1
т.к. b<10м - ширина подошвы фундамента
- глубина
заложения фундамента без подвальных сооружений или приведенная глубина заложения
наружных и внутренних фундаментов от пола подвала.
-
осредненное (по слоям) расчётное значение удельного веса грунтов залегающих
ниже подошвы фундамента
осредненное
расчётное значение удельного веса грунтов залегающих выше подошвы фундамента
-
расчётное значение удельного сцепления грунта, залегающего непосредственно под
подошвой фундамента
-глубина
подвала
По полученным данным строим графики р=f(b) и R=f(b). Точка
пересечения этих графиков дает величину b=0,82 м.
Для сечения 3-3:

|
b
|
R
|
P
|
|
0,80
|
574,56
|
582,21
|
|
1,00
|
582,13
|
469,59
|
|
1,20
|
589,70
|
401,48
|
|
1,40
|
597,27
|
349,84
|
|
1,60
|
604,84
|
311,11
|
|
1,80
|
612,41
|
280,98
|
|
2,00
|
619,98
|
256,89
|
|
2,20
|
627,55
|
237,17
|
|
2,40
|
635,12
|
220,74
|
|
2,60
|
642,69
|
206,83
|
|
2,80
|
650,26
|
194,92
|
Принимаем фундаментную плиту ФЛ10.24 высотой 300 мм Gфп=1,5 т, и стеновые блоки шириной 0,5
м - ФБС24.5.6-Т Gсб=1,05 т
Собственный вес фундамента составит:
кН
Среднее давление под подошвой фундамента:
кПа>R=473,77
кПа
Принятая
подошва фундамента b=1 м недостаточна. Следовательно примем подошву
фундамента ФЛ12.24 высотой 300 мм Gфп=1,8 т, и стеновые блоки шириной 0,5 м - ФБС24.5.6-Т Gсб=1,05 т
Собственный
вес фундамента составит:
кН
Среднее давление под подошвой фундамента:
кПа<R=401,48кПа;
Принятая
подошва фундамента b=1,2 м достаточна.
Внецентренно нагруженные фундаменты
Необходимо чтобы удовлетворялись условия:
-
максимальное и минимальное краевое давление под подошвой фундамента
Для сечения 2-2:
|
b
|
R
|
P
|
|
0,20
|
551,85
|
571,30
|
|
0,40
|
559,42
|
305,65
|
|
0,60
|
566,99
|
217,10
|
|
0,80
|
574,56
|
172,83
|
|
1,00
|
582,13
|
146,26
|
|
1,20
|
589,70
|
128,55
|
|
1,40
|
597,27
|
115,90
|
|
1,60
|
604,84
|
106,41
|
|
1,80
|
612,41
|
99,03
|
|
2,00
|
619,98
|
93,13
|
|
2,20
|
627,55
|
88,30
|
По полученным данным строим графики р=f(b) и R=f(b). Точка
пересечения этих графиков дает величину b=0,21 м.
Принимаем фундаментную плиту ФЛ6.12 высотой 300 мм Gфп=0,52 т, и стеновые блоки шириной 0,5
м - ФБС12.5.6-Т Gсб=0.79 т
Собственный вес фундамента составит:
кН
Принимаем интенсивность равномерно распределённой нагрузки на поверхности
грунта q=10кН/м2
Заменяем равномерно распределённую нагрузку на фиктивный слой грунта:
м.
Высота
стены подвала с учетом фиктивного слоя:
H=d+
=2+0,53=2.53 м
Активное
давление грунта на стену подвала:
=26,69кН/м
Плечо
активного давления:
Вес
грунта на уступе фундамента: Q=
=1,43 кН
Определим
плечо силы е1=0.05/2+0,5/2=0.275 м
Момент
относительно центра тяжести подошвы фундамента:
20,43
кН.м
Момент
сопротивления подошвы фундамента:
W=
м3
Краевые давления:
кПа< R=566,99
кПа
;

кПа
кПа
>0
Одно из трех условий не удовлетворяются. Следовательно, принятые размеры
фундамента ФЛ 6.12 недостаточны. Принимаем фундаментную плиту ФЛ 8.12 высотой
300 мм Gфп=0,69 т, и стеновые блоки шириной 0,5
м - ФБС12.5.6-Т Gсб=0,79 т
Собственный вес фундамента составит:
кН
Принимаем интенсивность равномерно распределённой нагрузки на поверхности
грунта q=10кН/м2
Заменяем равномерно распределённую нагрузку на фиктивный слой грунта:
м.
Высота
стены подвала с учетом фиктивного слоя:
H=d+
=2+0,53=2.53 м
Активное
давление грунта на стену подвала:
=26,69кН/м
Плечо
активного давления:
Вес грунта на уступе фундамента:
Q=
=7,13 кН
Определим
плечо силы е1=0.25/2+0,5/2=0.375 м
Момент
относительно центра тяжести подошвы фундамента:
18,15
кН.м
Момент
сопротивления подошвы фундамента:
W=
м3
Краевые
давления:
кПа< R=582,13
кПа
;
Краевые
давления:
кПа> R=566,99
кПа
;

кПа
кПа
>0
Два из трех условий не удовлетворяются. Следовательно, принятые размеры
фундамента ФЛ 6.12 недостаточны. Принимаем фундаментную плиту ФЛ 8.24 высотой
300 мм Gфп=0,69 т, и стеновые блоки шириной 0,5
м - ФБС12.5.6-Т Gсб=0,79 т
Собственный вес фундамента составит:
кН
Принимаем интенсивность равномерно распределённой нагрузки на поверхности
грунта q=10кН/м2
Заменяем равномерно распределённую нагрузку на фиктивный слой грунта:
м.
Высота
стены подвала с учетом фиктивного слоя:
H=d+
=2+0,53=2.53 м
Активное
давление грунта на стену подвала:
=26,69кН/м
Плечо
активного давления:
Вес грунта на уступе фундамента:
Q=
=7,13 кН
Определим
плечо силы е1=0.25/2+0,5/2=0.375 м
Момент
относительно центра тяжести подошвы фундамента:
18,15
кН.м
Момент
сопротивления подошвы фундамента:
W=
м3
Краевые
давления:
кПа< R=574,56кПа
;

кПа
кПа
>0
Все три условия удовлетворяются. Следовательно, принятые размеры
фундамента ФЛ 8.12 достаточны.
Фундамент под колонну сечение 4-4.
b
,40
,52
,73
,60
,09
,76
По полученным данным строим графики р=f(b) и R=f(b). Точка
пересечения этих графиков дает величину b=1,41 м.
Принимаем фундаментную плиту 1Ф17 высотой 1050 мм Gфп=4,17 т.
Собственный вес: G=41,7
кН;
Вес грунта на обрезах: Q=2·(0,15·19·1.1·1)=6,27
кН/м;
R=222,25 кПа;
P=186,1 кПа<R=222,25
кПа.
Принятые
размеры фундамента 1Ф17 достаточны.
Проектирование оснований и фундаментов ПЭВМ
3. фундаменты под наружние
стены подвалов здания
Для подбора ширины фундаментной подушки служит программа LENTA 2.
Сечение 1-1:
ИСХОДНЫЕ ДАННЫЕ:
Нагрузки: N=238.кН/м M= 0.кНм/м q1=10.кПа q2= 0.кПа
Размеры: d=2.00м h= .30м h1= .68м db=1.28м= .10м hs= .30м b0= .50м
Ширина подвала: B=12.00м
Модуль упругости бетона стеновых блоков: Eb=16000000.кПа
Удельный вес пола в подвале: gammcf=25.0кН/м**3
Характеристики засыпки: gamm2'=18.0кН/м**3 fi2'=29.0град
Характеристики основания: gamm2=19.0кН/м**3 fi2=32.0град c2=
4.9кПа=22600.кПа
Коэффициенты: gc1=1.1 gc2=1.2 k=1.0 kr=1.2
Принимаем фундаментную плиту ФЛ 8.24 высотой 300 мм Gфп=0,69 т, и стеновые блоки шириной 0,5
м - ФБС12.5.6-Т Gсб=0,79 т
Расчёт осадок ленточных фундаментов
Расчёт осадки фундамента методом послойного суммирования
Метод послойного суммирования используется для расчёта осадок фундаментов
шириной до 10м при отсутствии в пределах сжимаемой толщи грунтов с модулем
деформации Е>100Мпа.
Для
определения глубины сжимаемой толщи Нс, вычисляют напряжения от
собственного веса грунта
и дополнительное от внешней нагрузки
. Нижняя граница сжимаемой толщи основания принимается
на глубине z=Нc от
подошвы фундамента, где выполняется условие
=0,2
Вертикальное
напряжение от собственного веса грунта
на
границе слоя, расположенного на глубине z от подошвы
фундамента, определяется по формуле:
,
где
-
удельный вес грунта, расположенного выше подошвы фундамента;
-глубина заложения фундамента от природного рельефа;
-удельный вес и толщина i-го слоя
грунта.
Дополнительное
вертикальное напряжение от внешней нагрузки определяют по формуле:
,
где
Р-
среднее давление по подошве фундамента от расчётных нагрузок по второй группе
предельных состояний;
-вертикальное
напряжение от собственного веса грунта на уровне подошвы фундамента, считая от
природного рельефа;
-коэффициент,
учитывающий изменения с глубиной дополнительного давления. Принимается по таб.
4.2 /1/ в зависимости от относительной глубины
Определение осадки сборного ленточного фундамента
Сечение 3-3
Определяем осадку ленточного фундамента шириной 1,2 м. Глубина заложения
2
м от поверхности природного рельефа. Среднее давление по подошве фундамента
Р=475,78 кПа. Основание сложено песком пылеватым средней плотности средней
степени водонасыщения толщиной 2,4 м с
=19 кH/м3
и Е=22,6 МПа, который подстилается суглинком полутвердым с
=18,2 кH/м3 и Е=11,6 МПа.
Вертикальное
напряжение от собственного веса грунта на уровне подошвы фундамента:
кПа;
Дополнительное
давление на основание под подошвой фундамента
=475,78 -
38=437,78 кПа.
Однородные
слои грунта ниже подошвы фундамента расчленяются на слои толщиной: hi = 0,4 м
Осадка
вычисляется по формуле:
Si =
, где
Расчёт
осадки сведем в таблицу.

м
кПа0,2
кПа
кПаhi
|
мEi МПаНаименова-ние слоя грунта
|
|
|
|
|
|
|
|
|
|
0
|
0
|
1
|
38
|
437,78
|
0,24
|
22,6
|
Песок пылеватый средней плотности средней ст.водонас.
Суглинок полутвердый Песок средней крупности средней плотности насыщенный
водой
|
|
0.4
|
0.24
|
0.96
|
42,56
|
8.51
|
420,27
|
0.24
|
22,6
|
|
|
0.8
|
0.48
|
0.8
|
47,12
|
9,42
|
350,22
|
0.24
|
22,6
|
|
|
1.2
|
0,72
|
0.605
|
51,68
|
10,34
|
264,86
|
0.24
|
22,6
|
|
|
1.6
|
0,96
|
0.449
|
56,4
|
11,25
|
196,56
|
0.24
|
22,6
|
|
|
|
|
|
|
|
|
|
|
|
2
|
1,2
|
0.336
|
60,77
|
12,15
|
147,09
|
0.24
|
11,6
|
|
|
2,4
|
1,44
|
0.257
|
65,14
|
13,03
|
112,51
|
0.24
|
11,6
|
|
|
2,8
|
1,68
|
0.201
|
69,5
|
13,9
|
87,99
|
0.24
|
11,6
|
|
|
3,2
|
1,92
|
0.16
|
73,87
|
14,77
|
70,04
|
0.24
|
11,6
|
|
|
3,6
|
2,16
|
0.131
|
78,24
|
15,65
|
57,35
|
0.24
|
11,6
|
|
|
4
|
2,4
|
0,108
|
82,61
|
16,52
|
47,28
|
0.24
|
11,6
|
|
|
4,4
|
2,64
|
0,091
|
86,98
|
17,4
|
39,84
|
0.06
|
11,6
|
|
|
4,5
|
2,7
|
0,088
|
88,07
|
17,61
|
38,52
|
0.18
|
11,6
|
|
|
|
|
|
|
|
|
|
|
|
4,8
|
2,88
|
0.077
|
91,67
|
18,33
|
33,71
|
0.24
|
37,4
|
|
|
5,2
|
3,12
|
0.067
|
96,47
|
19,29
|
29,33
|
0.24
|
37,4
|
|
|
5,6
|
3,36
|
0.058
|
101,27
|
20,25
|
25,39
|
0.24
|
37,4
|
|
|
6
|
3,6
|
0.051
|
106,07
|
21,21
|
22,32
|
0.24
|
37,4
|
|
|
Нижняя граница сжимаемой толщи
|
|
|
6,4
|
3,84
|
0.045
|
110,87
|
22,17
|
19,7
|
-
|
37,4
|
|
Находим осадку S1 слоя песка:

Находим
осадку S2 слоя
суглинка:
Находим
осадку S3 слоя
песка:
Полная
осадка фундамента равна 0.01977 м=1.977 см < 10cм
Сечение 2-2
Определяем
осадку ленточного фундамента шириной 0,8 м. Глубина заложения 2 м от
поверхности природного рельефа. Среднее давление по подошве фундамента Р=181,84
кПа. Основание сложено песком пылеватым средней плотности средней степени
водонасыщения толщиной 2,4 м с
=19 кH/м3
и Е=22,6 МПа, который подстилается суглинком полутвердым с
=18,2 кH/м3 и Е=11,6 МПа.
Вертикальное
напряжение от собственного веса грунта на уровне подошвы фундамента:
кПа;
Дополнительное
давление на основание под подошвой фундамента
=181,84 -
38=143,84 кПа.
Однородные
слои грунта ниже подошвы фундамента расчленяются на слои толщиной: hi = 0,4 м
Расчёт
осадки сведем в таблицу.

м
кПа0,2
кПа
кПаhi
|
мEi МПаНаименова-ние слоя грунта
|
|
|
|
|
|
|
|
|
|
0
|
0
|
1
|
38
|
7,6
|
143,84
|
0,16
|
22,6
|
Песок пылеватый средней плотности средней ст.водонас.
Суглинок полу-твердый
|
|
0.4
|
0.16
|
0.972
|
41,04
|
8.21
|
139,81
|
0,16
|
22,6
|
|
|
0.8
|
0.32
|
0.848
|
44,08
|
8,82
|
121,98
|
0,16
|
22,6
|
|
|
1.2
|
0,48
|
0.682
|
47,12
|
9,42
|
98,1
|
0,16
|
22,6
|
|
|
1.6
|
0,64
|
0.532
|
50,16
|
10,03
|
76,52
|
0,16
|
22,6
|
|
|
|
|
|
|
|
|
|
|
|
2
|
0,8
|
0.414
|
50,96
|
10,64
|
59,55
|
0,16
|
11,6
|
|
|
2,4
|
0,96
|
0.325
|
53,87
|
10,77
|
46,75
|
0,16
|
11,6
|
|
|
2,8
|
1,12
|
0.26
|
56,78
|
11,35
|
37,4
|
0,16
|
11,6
|
|
|
3,2
|
1,28
|
0.21
|
59,7
|
11,93
|
30,21
|
0,16
|
11,6
|
|
|
3,6
|
1,44
|
0.173
|
62,61
|
12,52
|
24,88
|
0,16
|
11,6
|
|
|
4
|
1,6
|
0,145
|
65,52
|
13,1
|
20,86
|
0,16
|
11,6
|
|
|
4,4
|
1,76
|
0,122
|
68,43
|
13,69
|
17,54
|
0.04
|
11,6
|
|
|
4,5
|
1,8
|
0,118
|
69,16
|
13,83
|
16,97
|
0,12
|
11,6
|
Песок средней крупности
|
|
|
|
|
|
|
|
|
|
|
4,8
|
1,92
|
0.105
|
72,13
|
14,43
|
15,1
|
0,16
|
37,4
|
|
|
5,2
|
2,08
|
0.091
|
75,07
|
15,01
|
13,09
|
0,16
|
37,4
|
|
Находим осадку S1 слоя песка:

Находим
осадку S2 слоя
суглинка:
Находим
осадку S3 слоя
суглинка:
Полная
осадка фундамента равна 0.00737 м=0,737 см < 10cм
Расчет осадки ленточных фундаментов ПЭВМ
Для расчета осадки используем программу OSADKA1.
Расчет осадки фундамента в сечении 1-1
Расчет осадки фундамента в сечении 5-5

≤ 
;

≤(
.
Расчёт и проектирование свайных фундаментов
Расчёт свайных фундаментов и их оснований производится по двум группам
предельных состояний. По первой группе предельных состояний определяют несущую
способность сваи по грунту, прочность материала свай и ростверков, устойчивость
сваи и фундаментов при горизонтальных нагрузках или основаниях. Сваи по несущей
способности грунтов основания рассчитывают по формулам:
N
- расчётная нагрузка, передаваемая на сваю;
-расчётная
несущая способность грунта основания сваи;
-
коэффициент надёжности, принимаемый равным 1,4;
Р-
расчётная нагрузка, допускаемая на сваю.
Несущая
способность висячих забивных, набивных и буровых свай по грунту, работающих на
сжимающую нагрузку, определяется как сумма расчётных сопротивлений грунтов
основания под нижним концом сваи и по их боковой поверхности:
где
- коэффициент условия работы сваи в грунте,
принимаемый для всех видов свай
= 1;
R-расчётное
сопротивление грунта под нижним концом сваи;
А-
площадь поперечного сечения сваи;
U-периметр
поперечного сечения сваи;
hi -
толщина i-го слоя грунта, соприкасающегося с боковой
поверхностью;
;
- коэффициенты условий работы грунта под остриём и на
боковой поверхности сваи, принимаемые равными единице.
Выбор
типа и длины свай
Расчёт
забивных свай для подвальной части здания
Принимаем
сваи забивные железобетонные цельные сплошного квадратного сечения с
ненапрягаемой арматурой. По ГОСТ 19804.1-79 со стороной 300х300 мм.
Глубина
котлована 2 м.
Сечение
3-3
Принимаем
сваю марки С 6-30. Сваи прорезают песок пылеватый средней плотности средней
степени водонасыщения слоя 1.6 м, суглинок полутвердый с
0.36 толщиной слоя 2.9 м. Нижний конец сваи погружен в
песок средней крупности средней плотности насыщенный водой на толщину 1 м.
По
таблице 7.1/1/ для глубины 7 м находим расчётное сопротивление грунта в
плоскости острия сваи R=2430 кПа
Определяем
срединную глубину расположения слоев грунта от дневной поверхности и
соответствующие значения расчётных сопротивлений грунтов на боковой поверхности
сваи по табл. 7.3 /1/ и
по табл. 7.4 /1/
z1=2+0.8=2.8 м; f1=24,2 кПа;
=1;
z2=2+1,6+2,9/2=5,05 м; f2=33,5 кПа;
=1;
z3=2+1,6+2,9+1/2=7 м; f3=60 кПа;
=1;
Определяем
несущую способность сваи
453,74
кН
Расчётная нагрузка, допускаемая на сваю:
кН
Исходя
из этого условия устраиваем сваи в два ряда.
Определение шага свай в ленточном фундаменте
Принимаем сваи железобетонные цельные сплошного квадратного сечения с
ненапрягаемой арматурой сечением 300х300 L=6 м.
Сечение
1-1:
Шаг
сваи L=349,03/237,99=1,5 м, 0,9 м <1,5 м<1,8 м.
Расчетная схема.
Сечение 2-2: Шаг сваи L=349,03/106,26=3,28
м,
Принимаем шаг свай равным расстоянию 6d=6·0,3=1,8 м.
Сечение 3-3: Шаг сваи L=349,03/429,58=0,81м;
Устраиваем сваи в два ряда с шагом 1,6 м.
Определение количества свай в свайном кусте.
Сечение 4-4:
n=
=
=0,92
Под
внутренними колонами принимаем одну сваю в свайном кусте.
Сечение
5-5:
n=
=
=0,96,
Под
наружными колонами принимаем одну сваю в свайном кусте.
Определение
возможной осадки свайного фундамента
Условно
считаем, что сваи вместе с окружающим грунтом образуют массив, который имеет
вид призмы abcd с подошвой dc, ограниченной линиями,
проведенными под углом
к наружным вертикальным граням крайних свай.
,
-расчетные
значения углов внутреннего трения грунтов при расчете по второй группе
предельных состояний в пределах слоев hi.
,
-среднее
давление по подошве условного массивного фундамента;
G - вес
условного массива abcd;
A1 - площадь условного массива;
-
расчетное сопротивление грунта в плоскости условного массива.

=
+
;

=(
+
)·
;

=25 кН/
;

=
·(
·
·1-
);
Определяем
осадку в самом нагруженном сечении.
Сечение
3-3
=26,05

=18,76 кH/м3

=18,76·(1,56·5,5·1-0,3·0,3)+0,3·0,3·25=295,31+2,25=161,52
кН;
кПа
; 
=378,9-103,18
= 275,72 кПа
Si =
,
где
Расчёт
осадки сведем в таблицу.
z 

кПа0,2
кПа
кПаhi
|
мEi МПа.Наименование слоя грунта
|
|
|
|
|
|
|
|
|
0
|
0
|
1
|
103,2
|
20,64
|
275,7
|
0.4
|
13,79
|
Суглинокполутвер-дый
|
|
0.4
|
0.51
|
0.916
|
110,7
|
22,14
|
252,5
|
0.4
|
|
|
|
0.8
|
1,03
|
0.688
|
118,2
|
23,64
|
189,7
|
0.4
|
|
|
|
1.2
|
1,54
|
0.472
|
125,7
|
25,14
|
130,1
|
0.4
|
|
|
|
1.6
|
2,05
|
0.326
|
133,2
|
26,64
|
89,88
|
0.4
|
|
|
|
2
|
2,56
|
0.234
|
140,7
|
28,14
|
64,51
|
0.4
|
|
|
|
2.4
|
3,08
|
0.172
|
148,2
|
29,64
|
47,42
|
0.4
|
|
|
|
2.8
|
3,59
|
0.131
|
155,7
|
31,14
|
36,11
|
0.4
|
|
|
|
3.2
|
4,1
|
0.104
|
163,2
|
32,64
|
28,67
|
0.4
|
|
|
Полная осадка фундамента равна 0.0223 м= 2.23 см < 10cм
Расчетная схема.
Расчет ростверка
Ростверк под стену представляет собой многопролетную железобетонную
балку, опирающуюся на отдельные опоры-сваи. Расчёт тела ростверка ведётся на
нагрузки, возникающие в период строительства и эксплуатации сооружения. Он
сводится к определению изгибающих моментов, поперечных сил в пролётах балки и
на опорах.
Размер для всех нагрузок определяется по формуле:
а=3,14
,
где
Еb1
-жёсткость ростверка;
E0 -модуль упругости панели стены;
bk -
толщина стены, опирающейся на ростверк.
Расчёт
ростверка на нагрузки, возникающие в период строительства
производится
из условия, что расчётные усилия в ростверке определяются по формулам:
,
где
- вес
панели высотой 0,5L;
L - высота одной
панели.
Момент
;
Поперечная
сила
Q=
Сечение
3-3
Расчет
монолитного железобетонного ростверка под внутреннею стену жилого дома.
Расчетная допускаемая нагрузка на уровне низа ростверка
N=429,58 кН/м. Расчетная
допускаемая нагрузка на сваю длиной 6 м, сечением 30х30 см составляет 349,03
кН. Толщина внутренних стен bk =18 см. Стены из железобетонных панелей с модулем
упругости E0=25х103
МПа. Принимаем ширину ростверка равной 150 см, а толщину - 45 см. Бетон класса B15 с
модулем упругости Eb=23х103 МПа и расчетными сопротивлениями Rb=8.7 МПа, Rbt=0.76 МПа. Шаг сваи L=1,6 м.
Определение
усилий в ростверке в период строительства. Вес кладки qk
определяем исходя из ее высоты, равной 0.5 Lbk:
.
Расчетный
пролет
.
Опорный
момент
.
Пролетный
момент
.
Поперечная
сила
.
Определение
усилий в ростверке от эксплуатационных нагрузок. Момент инерции ростверка
Длина
полуоснования эпюры нагрузки
Так
, то расчет ведется по схеме треугольного
распределения q=N=429,58 кН/м.
Опорный
момент:
;
.
Пролетный
момент:
;
.
Поперечная сила:
;
;
Проверка
прочности кладки над сваей на смятие
,
.
Подбор продольной поперечной арматуры.
Принимаем продольную арматуру класса А-II Rs=280 МПа.
.
Конструктивно
принимаем 9 
10 А-II,
= 7,1
.
Проверяем
на поперечную силу:
.
Принимаем поперечную арматуру класса А-I по конструктивным соображениям из хомутов диаметром 6 мм с
шагом 300 мм.
Сечение 1-1
Расчет монолитного железобетонного ростверка под наружную стену жилого
дома. Расчетная допускаемая нагрузка на уровне низа ростверка
N=237,99
кН/м. Расчетная допускаемая нагрузка на сваю длиной 6 м, сечением 30х30 см
составляет 349,03 кН. Толщина наружных стен bk =30 см. Стены из керамзитобетонных
панелей с модулем упругости E0=16х103 МПа. Принимаем
ширину ростверка равной 60 см, а толщину - 45 см. Бетон класса B15 с модулем упругости Eb=23х103 МПа и расчетными
сопротивлениями Rb=8.7
МПа, Rbt=0.76 МПа. Шаг сваи L=349,03/237,99=1,5 м.
Определение усилий в ростверке в период строительства. Вес кладки qk определяем исходя из ее высоты,
равной 0.5 Lbk:
.
Расчетный
пролет
.
Опорный
момент
.
Пролетный
момент
.
Поперечная
сила
.
Определение
усилий в ростверке от эксплуатационных нагрузок.
Момент
инерции ростверка
Длина полуоснования эпюры нагрузки
Так
, то расчет ведется по схеме треугольного
распределения q=N=237,99 кН/м.
Опорный
момент:
;
.
Пролетный
момент:
;
.
Поперечная сила:
;
;
Проверка
прочности кладки над сваей на смятие
,
.
Подбор продольной поперечной арматуры.
Принимаем продольную арматуру класса А-II Rs=280 МПа.
.
Конструктивно
принимаем 4 
10 А-II,
= 3,1
.
Проверяем
на поперечную силу:
.
Принимаем
поперечную арматуру класса А-I по конструктивным соображениям из хомутов диаметром 6
мм с шагом 300 мм.
Сеч.
1-1; Emin=
Дж
Сеч.
3-3; Emin =
Дж
Подбор сваебойного оборудования для погружения свай.
Минимальная
энергия удара:
Для
забивки свай принимаем молот паровоздушный простого действия с ручным
управлением марки МПВП-4250
Технические
характеристики принятого молота
масса:
ударной части 4250 кг; общая 4528 кг
энергия
удара 43.2 кДж
число
ударов в мин до 8-12
объемный
расход воздуха 11-15 м3/мин
массовый
расход пара 600-750 кг/час
габариты:
длина -; ширина -; высота 2820
Проверка пригодности принятого молота.
- коэф
зависящий от типа молота. Опр. по /3/ табл. 20
-
расчетная энергия удара;
G - вес ударной
части;
-
фактическая высота падения ударной части молота (1 м);
Н.м
Определение
расчетного отказа свай
Расчётный
отказ сваи определяется по формуле:
Sa=
,
где
-
расчетная энергия удара;
G - вес ударной
части;
-
фактическая высота падения ударной части молота (1 м);
з
- 1500 кН/м- коэффициент, определяемые по СНиП зависит от способа погружения и
материала свай;
А
= 0.3 . 0.3 = 0.09 м2 - площадь поперечного сечения сваи;
Fd - несущая
способность сваи;
М-
коэффициент зависящий от типа забивки сваи, для ударной забивки М=1;
-
коэффициент восстановления удара при забивном способе
=0,2
m1 - вес молота;
m2 - вес сваи и наголовника;
m3 - вес подбабка m3 =40 кг;
Сечение
1-1
Sa=
Сечение
3-3
Sa=
.
Технико-экономическое сравнение вариантов
Задачей инженера, проектирующего фундаменты, является нахождение
оптимального решения при помощи вариантного проектирования и оптимизационных
методов расчета. В настоящее время выбор наиболее оптимального конструктивного
решения фундамента осуществляется, как правило, путем технико-экономического
сравнения вариантов устройства фундаментов по следующим показателям:
экономической эффективности; материалоемкости; необходимости выполнения работ в
сжатые сроки; величинам допустимых осадок и их возможных неравномерностей;
возможности выполнения работ в зимнее время; трудоемкости выполнения работ и
т.п.
Задачей проектирования является выбор наиболее эффективного решения,
которое может быть определено только при правильной оценке
инженерно-геологических условий строительной площадки, работы грунтов в
основании совместно с фундаментами и надземными конструкциями и способа
устройства фундамента, гарантирующего сохранность природной структуры грунта.
Получение наиболее эффективного решения связано со значительным объемом
расчетов, выполнение которых требует широкого применения ЭВМ. Особенно важно
применение ЭВМ для проектирования сложных систем фундаментов по второй группе
предельных состояний (по деформациям) с учетом загружения всех соседних
фундаментов, а также при расчете совместной работы системы
основание-фундамент-сооружение. Такая система может быть рассчитана с помощью
ЭВМ, например, методом конечных элементов, позволяющим учитывать различие
свойств грунтов.
Важное значение имеет и совершенствование методов расчета и
проектирования оснований и фундаментов. В этой связи становится существенным
учет нелинейных свойств грунтов оснований. Нелинейность и реология
деформирования, предусматривающая зависимость напряженного состояния от режима
и уровня нагружения с применением методов оптимизации, позволяют получать
существенную экономию материальных затрат при устройстве фундаментов.
Свайный фундамент более чем в два раза дороже ленточного фундамента
мелкого заложения.
Литература
1. СНиП 2.03.01-84*. Бетонные и железобетонные конструкции /
Госстрой СССР. - М.: ЦИТП Госстроя СССР, 1989. - 80 с.
. СНиП 2.02.01-83. Основания зданий и сооружений / Госстрой
СССР. - М.: Стройиздат, 1985. - 40 с.
. СНиП 2.02.03-85. Свайные фундаменты / Госстрой СССР. - М.:
ЦИТП Госстроя СССР, 1985. - 48 с.
4. ГОСТ 25100-95. Грунты. Классификация. М., 1996.
. В.М. Алексеев П.И. Калугин, Проектирование оснований и
фундаментов сельскохозяйственных зданий и сооружений: Учебное пособие. 2-е
изд., испр. и доп. - Воронеж: издательство Воронежского государственного
университета, 1997. - 432