Проектирование оснований и фундаментов гражданских зданий
Министерство
образования и науки Российской Федерации
Государственное
образовательное учреждение высшего профессионального образования
"Нижегородский
государственный архитектурно-строительный университет"
Кафедра
оснований, фундаментов и инженерной геологии
ПОЯСНИТЕЛЬНАЯ
ЗАПИСКА К КУРСОВОЙ РАБОТЕ:
"Проектирование
оснований и фундаментов гражданских зданий"
Нижний
Новгород
СОДЕРЖАНИЕ
Введение
Раздел 1. Обработка результатов исследований физико-механических
свойств грунтов основания
.1 Определение физических свойств грунтов
.2 Определение механических свойств грунтов
Раздел 2. Определение размеров подошвы фундамента
Раздел 3. Расчет осадки основания
Раздел 4. Определение несущей способности свай
Вывод
ВВЕДЕНИЕ
В курсе «Механика грунтов, основания
и фундаменты» особое внимание уделяется вопросам внедрения новейших достижений
теории в практику фундаментостроения, направленных на индустриализацию,
удешевление, ускорение, и улучшение качества строительства.
Целью курсового проекта по этой дисциплине
является ознакомление с принципами проектирования оснований и фундаментов и
закрепление теоретических знаний. Тематика проектирования отвечает учебным
задачам подготовки инженеров и увязана с решением практических вопросов -
выполнением проектов фундаментов сооружений.
При выполнении курсового проекта
необходимо научиться пользоваться строительными нормами, ГОСТами, типовыми
проектами, каталогами изделий для выполнения фундаментов, а также учебной,
справочной и научной литературой; рекомендуется широко использовать
вычислительную технику; должны найти отражение требования стандартов единой
системы конструкторской документации (ЕСКД), технико-экономического анализа,
предложения по производству работ нулевого цикла, вопросы техники безопасности.
Исходные данные к курсовой работе
указаны на листах, выданных кафедрой.
РАЗДЕЛ 1. ОБРАБОТКА РЕЗУЛЬТАТОВ
ИССЛЕДОВАНИЙ ФИЗИКО-МЕХАНИЧЕСКИХ СВОЙСТВ ГРУНТОВ ОСНОВАНИЯ
.1 Определение физических свойств
грунта
Нормативные характеристики:
. Число пластичности.
где: WL - влажность на
границе текучести, %- влажность на границе раскатывания, %
ИГЭ 1:
ИГЭ 3:
Определение типа
пылевато-глинистого грунта:
ИГЭ 1 - суглинок
ИГЭ 3 - глина
. Определение типа
песчаного грунта.
|
№ ИГЭ
|
> d, мм
|
2
|
0,5
|
0,25
|
0,1
|
|
2
|
S%
|
0,4
|
9,2
|
36,2
|
76,6
|
ИГЭ 2 - песок мелкий.
. Показатель текучести
пылевато-глинистых грунтов:
где W - влажность грунта
в естественном состоянии.
ИЭГ 1:
ИЭГ 3:
Определение
разновидности п.г.г.
ИГЭ 1 - суглинок
полутвердый
ИГЭ 3 - глина
полутвёрдая
. Определение плотности
сухого грунта.
где r
- плотность грунта в естественном состоянии.
. Удельный вес грунта в
сухом состоянии:
. Коэффициент
пористости.
где rS
- плотность частиц грунта
. Определение вида
песчаного грунта.
ИГЭ 2 - песок мелкий,
средней плотности.
. Определение пористости
грунтов.
. Степень влажности
грунтов.

. Определение
разновидности песчаного грунта.
ИГЭ 2 - песок мелкий,
средней плотности, маловлажный.
. Плотность грунта во
взвешенном водой состоянии.
. Удельный вес грунта во
взвешенном водой состоянии.
.2 Определение
механических свойств грунта
. Определение модуля
деформации по результатам испытания
ИГЭ 1 штампом.
где w - коэффициент зависящий от формы штампа (для круглого сечения
=0,79)- диаметр круглого штампа.
n - коэффициент Пуассона (для песков и супесей =0,35)
∆ P - давление принятое на прямоугольном участке графика
S=f(P),кПа
∆S - соответствующая ∆P осадка штампа, м
График испытания грунта ИГЭ-1 штампом (А=5000 см2)
Определение модуля деформации по результатам компрессионных
испытаний грунта.
Коэффициент сжимаемости:
где: Р1=100 кПа, Р2=200 кПа - давления, в интервале которых
определяется коэффициент сжимаемости.
Графики компрессионных испытаний для
ИЭГ-2 и ИЭГ-3 ИЭГ-2 ИЭГ-3

Модуль деформации по компрессионным испытаниям определяется:
где: b - безразмерный коэффициент зависящий от вида грунта
(0,76 - для песков, 0,4 - для глины).
Модули деформации ЕК, полученные по результатам компрессионных
испытаний, из-за несоответствия напряжённо-деформированного состояния грунта в
приборе и в основании фундамента, имеют заниженные значения. Поэтому для
перехода к натуральным значениям модуля деформации Е от компрессионных значений
ЕК вводится корректировочный коэффициент mk.
,0 - для песчаных и лессовидных грунтов
,0 - для глины
РАЗДЕЛ 2. ОПРЕДЕЛЕНИЕ РАЗМЕРОВ ПОДОШВЫ ФУНДАМЕНТА
Исходные данные:
Характеристики грунта несущего слоя: Несущим элементом фундамента
является ИГЭ - 1 (суглинок полутвердый) мощностью пласта 5 м со следующими
расчётными характеристиками:
gII=18,5 кН/м3, jII=240, СII=31 кПа
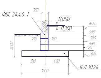
Фундамент под внутренние стены; сечения 1-1.
Рис.1. Расчетная схема к определению ширины подошвы фундамента
Ширина подошвы ленточного фундамента определяется по формуле:
где n0ll -расчетное усилие по 2-му предельному состоянию на 1 п.м.
ленточного фундамента, кН- расчетное сопротивление грунта основания;
подставляется R0 для предварительного определения размеров фундамента, кПа
ɣmg - средний удельный вес материала фундамента и грунта на
его уступах, принимаем равным 20 кН/м3;- глубина заложения фундамента от уровня
планировки, м
. Предварительно ширина подошвы фундамента определяется:
. Т.к. значение расчетного сопротивления грунта R0 является
условным, относится к фундаментам, имеющим ширину b=1 v и глубину заложения d=2
м и не учитывающим прочностные характеристики грунта, поэтому производим
уточнения R с учетом конструктивных особенностей фундаменты (b=2.04м, d=2.0 м)
по формуле:
где ɣc1 и ɣс2 - коэффициенты условий работы, принимаемые
ɣc1=1,25 и ɣс2=1,1,
Кz=1, Мɣ=0,72; Мg=3,87; Мc=6,45,
ɣII=18.5 кН/ь3 и ɣ"II=18.2 кН/м3 -осредненное
расчетное значение удельного веса грунтов, залегающих соответственно ниже и
выше подошвы фундамента;
СII=31 кПа - расчетное значение удельного сцепления грунта,
залегающего непосредственно под подошвой фундамента.- глубина заложения
фундаментов безподвальных сооружений или приведенная глубина заложения
фундамента от пола подвала, определяемая по формуле:

,
Где hs -толщина слоя грунта выше подошвы фундамента со стороны
подвала - 0, 55 м;- толщина конструкции пола - 0,15 м;
ɣcf - расчетное значение удельного веса конструкции пола
подвала - 22 кН/м3глубина подвала = 0 (так как проектируемое здание без
подвала)
Расчетное сопротивление грунта основания при d=2.04 м и d=2.0 м
определяется:
Уточняется ширина подошвы фундамента:
Т.к. разность двух значений "b" превышает 10%
уточнение необходимо продолжить.
. Расчетное сопротивление грунта основания при b=0.66 м и d=2.0 м

, тогда:
Так как разница последних двух значений "b" менее 10%
дальнейшее уточнение не делается.
Подбор сборных стеновых панелей и фундаментных блоков производится
по ГОСТ.
где РII давление под подошвой фундамента, кПа;- собственный вес
фундаментной плиты 1 п.м., определяется как произведение удельного веса
материала фундамента (железобетон - 24 кН/м3) и объема материала фундамента
(0,71 м3): GfII=24*0,71=13,21 кНвес грунта на уступах фундамента, определяемый как
произведение удельного веса грунта (18,5 кН/м3) и объема грунта (2,42 м3):
GgII=18,5*2,42=44,77 кН;
А - площадь 1 п.м. подошвы фундамента, принятых размеров.
Следовательно принятая ширина подошвы фундамента достаточна.
основание фундамент свая здание
Рис.2. Конструирование фундамента
РАЗДЕЛ 3. ОПРЕДЕЛЕНИЕ ОСАДКИ ОСНОВАНИЯ ЛЕНТОЧНОГО ФУНДАМЕНТА
[м],
Где S - конечная осадка основания;
п - число слоев, на которое разделена сжимаемая толща основания
Hc;
=
0,8 - безразмерный коэффициент;
-
среднее давление в элементарном слое;- толщина i-того элементарного слоя
грунта;- модуль деформации i-того элементарного слоя грунта.
Определяем осадку фундамента в сечении
-1 с нормативной нагрузкой n0II = 300 кН.
. Строится эпюра вертикальных напряжений от собственного веса
грунта:
На глубине Z от подошвы фундамента его величина определяется по
формуле
Давление от собственного веса грунта на уровне подошвы фундамента
будет:
(кПа).
На границах выделенных слоев грунта:
. Дополнительное давление на уровне подошвы фундамента:
(кПа).
. Определяем дополнительные вертикальные напряжения на верхней
границе каждого элементарного слоя по формуле:
σzpi= αi ·p0, кПа
αi - коэффициент, зависящий от от формы подошвы фундамента и r=2z/b
Толщина элементарного слоя:
(м).
. Определяем нижнюю границу сжимаемой толщи основания для этого
справа от оси z строим эпюру 0,2 от σzgi нижняя
граница будет находиться на глубине на которой будет выполняться условие: σzpi=0,2
σzgi
Согласно расчетной схеме (рис.3) Нс=5,4 м
. Определяется осадка основания:
=
2,5 см < Su = 10 см
Вывод: осадка допустима.
Рис. 3. Расчетная схема для определения осадки фундамента по
методу послойного суммирования
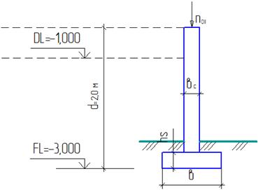
РАЗДЕЛ 4. ОПРЕДЕЛЕНИЕ НЕСУЩЕЙ СПОСОБНОСТИ СВАЙ
Длина сваи подбирается из условия погружения нижнего конца сваи на
1-2 метра в нижезалегающий более прочный грунт. В соответствии с эти
составляется расчетная схема к определению несущей способности сваи (Рисунок
4).
Способ погружения сваи - забивка.
Несущая способность забивной висячей сваи определяется по формуле:
где γс - коэффициент условия работы сваи в грунте γс
=1 (для низких ростверков)- расчётное сопротивление грунта под нижним концом
сваи=6230 кПа;
А - площадь поперечного сечения сваи в м2; А=0,09 м2- периметр
сваи в м; U=1,2 м- расчётное сопротивление i - го слоя грунта основания на
боковой поверхности сваи в кПа;
γcR=1; γcf=1 - коэффициенты условия работы грунта, соответственно под нижним
концом и на боковой поверхности погружения сваи (при погружении забивкой)
Тогда
Fd=1*[1*6230*0,09+1,2*1(45*2+53,75*1,5+42*2+44*2+45,5*1+65,7*1)]=1105,29 кН
Расчётная нагрузка на одиночную висячую сваю:
,
кН
γк - коэффициент надёжности (γк
=1,4) =
кПа
Рис.4. Расчетная схема к определению несущей способности свай
СПИСОК ИСПОЛЬЗОВАННОЙ ЛИТЕРАТУРЫ
1 Канаков Г.В., Прохоров В.Ю. Проектирование оснований и
фундаментов гражданских зданий. Учебное пособие.- Н. Новгород: Изд. МИПК
ННГАСУ. 2010.-71с.
ГОСТ 25100-95. Грунты. Классификация/ Госстрой России.-М.: ГУП
ЦПП, 1997.-38
СНиП 2.02.01-83*. Основания зданий и сооружений/ Минстрой России.
-М.: ГП ЦПП. 1995.-48с.
СНиП 2.01.01-82. Строительная климатология и геофизика / Госстрой
СССР.- М.: Стройиздат,1983.-136с.
СНиП 2.01.07-85*. Нагрузки и воздействия / Минстрой России.- М.:
ГП ЦПП. 1996.-44с.