Проектирование основания и фундамента здания

  • Вид работы:
    Дипломная (ВКР)
  • Предмет:
    Строительство
  • Язык:
    Русский
    ,
    Формат файла:
    MS Word
    742,96 kb
  • Опубликовано:
    2011-08-20
Вы можете узнать стоимость помощи в написании студенческой работы.
Помощь в написании работы, которую точно примут!

Проектирование основания и фундамента здания

Содержание

1.       Введение

2.       Оценка инженерно-геологических условий строительной площадки

.1 Определение прочностных характеристик грунтов

.2 Инженерно-геологическое заключение

.3 Оценка конструктивных особенностей сооружения

.         Вариантное проектирование

.1 Фундаменты неглубокого заложения

.2 Свайные фундаменты

.         Экономическое сравнение

.         Расчет фундаментов под отдельную колонну

.1 Расчет ленточного фундамента (загружение №5)

.2 Расчет фундамента для колонны К2 (загружение №1)

.3 Расчет фундамента для колонны К2 (загружение №4)

.         Проверка уступов фундаментов на морозное пучение

.         Проверка разности осадок фундаментов

.         Организация работ по принятым фундаментам

.1 Монтаж фундаментов стаканного типа

.2 Монтаж ленточных фундаментов

.3 Мероприятия по сохранению естественной структуры грунта

Список использованной литературы

1. Введение

В данной курсовой работе для сооружения № 5 необходимо запроектировать и выбрать тип основания, а также тип и размеры фундаментов, обеспечивающих надежность и экономичность проектируемого сооружения. Для проектирования необходим анализ исходных данных. Проектирование оснований и фундаментов начинают с изучения факторов, определяющих выбор проектных решений. Среди них первостепенную значимость имеют следующие: степень ответственности здания или сооружения, их конструктивные или архитектурно-планировочные особенности; нагрузки, учитываемые в расчетах; данные инженерно-геологических и гидрогеологических изысканий на строительной площадке; местные условия строительства. Эти факторы позволяют правильно определить тип фундамента и глубину его заложения.

Применительно к задачам проектирования фундаментов характерны особенности, сооружений рассматриваются в следующих аспектах: степень ответственности сооружения; функциональное назначение и технологические процессы; влияние жесткости наземных конструкций на основание и фундаменты.

Согласно Правилам учета степени ответственности зданий и сооружений, при проектировании установлены три класса объектов. Данный объект- промышленное здание относится ко I классу.

Функциональное назначение и технологические процессы в сооружении предопределяют его архитектурно-планировочное решение. При проектировании фундаментов существенное значение имеет наличие подвалов. В процессе эксплуатации промышленных зданий часто поднимается уровень подземных вод. Поэтому в расчетах необходимо учитывать возможное снижение механических свойств грунтов и проектировать гидроизоляцию подземной части.

2. Оценка инженерно-геологических условий строительной площадки

.1 Определение прочностных характеристик грунтов

Выясним свойства отдельных слоев грунта, затем дадим общую оценку грунтовых условий строительной площадки.

Коэффициент пористости


Степень водонасыщения


Удельный вес
 

 
Коэффициент Пуассона для супеси
 


для суглинка



для песка


Плотность скелета


Сопротивление R0 определяется по СНиП 2.02.01-83

1. Почвенно-растительный слой

2. Суглинок мягкопластичный

e = 0.82r =0.790 =180 кПа

γ = 18.4 кН/м3

ν = 0.28

ρd = 1.84 т/м3

3. Суглинок тугопластичный

e = 0,41r =0,970 = 285 кПа

γ = 21.5 кН/м3

ν = 0.19

ρd = 2.15 т/м3

4. Песок пылеватый средней плотности

e = 0.63r =1.00 = 100 кПа

γ = 20.1 кН/м3

ν = 0.28

ρd = 2.01 т/м3

5. Песок пылеватый средней плотности, насыщенный водой

e = 0.60r =1.00 =100 кПа

γ = 20.3 кН/м3

ν = 0.26

ρd = 2.03 т/м3

.2 Инженерно-геологическое заключение

В процессе изысканий была исследована площадка размерами 42*24.5 м, с абсолютн0й отметкой 200.00. Площадка первой (простой) категории, т.к. располагается в пределах одного геоморфологического элемента, поверхность участка горизонтальная не расчлененная, грунтовые пласты залегают горизонтально, некоторые слабонаклонно.

Для оценки инженерных условий было пробурено 5 скважин глубиной 15 м с расстоянием между ними 60 м. В курсовой работе непригодными в качестве естественных оснований считаются грунты:

пески рыхлые;

суглинки и глины текучеплатсичные и текучие;

          илы, торфы;

          супеси с е > 0,7; суглинки с е > 1; глины с е > 1,1;

          сильносжимаемые грунты с Е≤5МПа, с Е≤10МПа;

          грунты с R0 ≤ 150 кПа.

В пределах пятнадцатиметровой толщи по данным бурения и расчетов можно выделить 6 инженерно-геологических элементов:

1) горизонт 1 - почвенно-растительный слой, подлежит обязательной срезке, складированию и дальнейшему использованию для озеленения площадки.

2) горизонт 2 - суглинок мягкопластичный: (0 < IL = 0,61), (е=0,82<1), слабосжимаемый (Е = 12МПа), (R0 = 180 кПа > 150 кПа). Данный грунт удовлетворяет всем условиям и может быть использован в качестве естественного основания (надёжный грунт).

3) горизонт 3 - суглинок тугопластичный: (0 < IL = 0,30), (е=0,41<1), слабосжимаемый (Е = 20МПа), (R0 = 285 кПа > 150 кПа). Данный грунт удовлетворяет всем условиям и может быть использован в качестве естественного основания (надёжный грунт).

4) горизонт 4 - песок пылеватый средней плотности: (е=0,63<0,7), насыщенный водой (SR=1), слабосжимаемый (Е=26 МПа), R0 = 100 кПа < 150кПа. Данный грунт удовлетворяет не всем условиям и не может быть использован в качестве естественного основания (ненадежный грунт)

5) горизонт 5 - песок пылеватый средней плотности (е=0,60<0,7) насыщенный водой (SR=1), слабосжимаемый (Е=28 МПа), R0 = 100 кПа < 150кПа. Данный грунт удовлетворяет не всем условиям и не может быть использован в качестве естественного основания (ненадежный грунт)

.3 Оценка конструктивных особенностей сооружения

Здание классифицируется:

по назначению: промышленное здание, база механизации

по степени ответственности: І І класс

по конструкции стен: 2 кирпича, толщина 510 мм

по конструктивному типу: каркасное, 2-х пролётное, разное по высоте в осях А-Б - 7,2 м, В-Г - 10,21 м, рядом стоящее здание с несущими стенами и подвалом удаленное на 3 м в осях.

Здание отапливаемое: +10⁰С

наличие кранового оборудования: 50 кН в осях А-Б, 500/100 кН в осях В-Г.

Здание относится к тем видам сооружений, в которых возникают дополнительные усилия от возможных неравномерных деформаций: предельная допустимая осадка Smax = 10 см; относительная разность осадок (ΔS/L) = 0,002.

3. Вариантное проектирование

.1 Фундаменты неглубокого заложения

Выбор глубины заложения фундамента:

1. По инженерно-геологическим условиям

Заглубление в несущий слой на 15-20 см. За несущий слой примем суглинок тугопластичный мощностью 4 м. глубина заложения:= 3,6 м

1. По конструктивные особенностям:

Глубина заложения должна быть не менее 0,5 м.

Минимальная высота фундамента hf = 1,5 м. Значит d = 1,80м.

2. По расчетной глубине сезонного промерзания

dfn =1.41м (для Владивостока)fn - нормативная глубина промерзания;

Расчетная глубины промерзания:f = kh · dfn = 0,7 · =1.41 = 0,987 м.h - коэффициент, учитывающий влияние теплового режима здания на глубину промерзания грунта у фундаментов наружных стен

Принимаем d = 3.6 м.


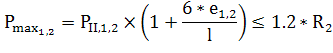
Расчет внецентренно-нагруженного фундамента.

Расчет фундамента для колонны К1 (загружение №3).

При действии внецентренно приложенной нагрузки форму подошвы фундамента целесообразно принимать в виде прямоугольника.

Условное расчетное сопротивление грунта основания R0 = 285 МПа,

η = l / b =1,2

Ориентировочная площадь фундамента:

м2

γb = 20-22 кН/м3 - удельный вес железобетона

 = 2.31 м

Корректируем значение R по формуле:


γс1 = 1.2 () - коэффициент условия работы

γс2 =1.0 (L/H=4.11)

k = 1.0z = 1.0q = 2.43 ()

Mγ = 0.36с = 4.99

 

γ´ΙΙ=

γΙΙ,i - удельный вес грунта ниже подошвы фундамента

=  = 18.24 кН/

кПа

м2

м.

Колонна 600x400 тип Б.

Принимаем фундамент:

Фундамент ФБ 11-2

Расход бетона

V

7.41 м3

Высота фундамента

h

3600

l x b

3000

x

2400

l1 x b1

2400

x

1800






Вес фундамента и грунта на уступах:

Gгр+ф=Gf+Gg

Gf=Vf∙25; Vf=7.41м³; Gg=( b∙l∙d- Vf ∙18.4)

Gгр+ф = 7.41· 25+ (3·2,4·3,6 - 7,41·18,00) = 74,826 кН.

Среднее давление под подошвой фундамента:


 



 =0.23

 =0.16

290,99  323 кПа

298  323 кПа

 > 0

Расчет осадки основания.

1.Определение осадочного давления.

 - природное давление собственного веса грунта на уровне подошвы фундамента


2.Построение эпюры природного давления.


где:γi - удельный вес i-го слоя,

hi - мощность i-го слоя.

На уровне природной поверхности: σzg = 0;

σzg1-2 = 0.1·1.8∙10 = 1,8 кПа;

σzg2-3 = σzg1-2+h 2∙γΙΙ,2 =1,8+ 3,2·18,4= 60,68 кПа;

σzg3-4 = σzg2-3 + h 3∙γΙΙ,3 =60,68 + 4·21,5 = 146,68 кПа;

σzg4-5= σzg3-4 + h 4∙γsb,4=146,68+40,24= 186,92 кПа;

σ’zg4-5= σzg4-5+ h w∙γw = 207,54 кПа;

. Построение эпюры осадочного давления.


αi - коэффициент рассеивания напряжения

η=

Осадка от давления i-го слоя определяется:


гдеβ = 0.8 - приведенный коэффициент,

hi - мощность i-го слоя,

Ei - модуль упругости i-го слоя,

σzpi.ср - среднее значение давления в i-ом слое.

Таблица определения осадочного давления и величин осадки

z

ζ=

αi

σzpi = αi ·P0

Е, кПа.

σzpi ср

Si, м.








0

0

1.00

165.02

20000

151.36

0.0058

0.4b

0.8

0.8345

137.71








20000

110.52

0.0042

0.8b

1.6

0.505

83.33








20000

66.5

0.0025

1.2b

2.4

0.3017

49.78








20000

40.79

0.0016

1.6b

3.2

0.1927

31.8








20000

26.75

0.0010

2.0b

4.0

0.1315

21.7








26000



2.4b

4.8

0.0952

15.71








26000



2.8b

5.6

0.0715

11.8








26000



3.2b

6.4

0.0552

9.11








26000



3.6b

7.2

0.0437

7.21








28000



4.0b

8

0.0362

5.97








28000



4.4b

8.8

0.0302

4.98








28000



4.8b

9.6

0.025

4.125










∑Si=0.0151м=1.51см



Допустимая осадка Su = 10см. В данном случае S < Su . Осадка допустима.

3.2 Свайные фундаменты

Принимаем глубину заложения ростверка :

dр = 1,2 м

Тип сваи забивная, призматическая, заглубленная в песок средней крупности.

Требуемая длинна сваи: lсв =  +  + lн.с. = 0.4 + 2.4+ 1.2 + 2 = 6 м.

Марка сваи С6-30; масса сваи - 1.38 т; класс бетона М300

Площадь поперечного сечения сваи: А = 0,32 = 0.09 м2

Периметр сваи: U = 0.3·4 = 1.2 м

Определение несущей способности сваи.

.         Несущая способность сваи по грунту.


=1 - коэффициент условий работы сваи,

=1 - коэффициент условий работы грунта под нижним концом сваи,

 - коэффициент условий работы грунта по боковой поверхности сваи

=1(1∙0.09∙3175 + 1.2(25.1∙0.5∙0.8 + 0.5∙1.6∙32.5 + 38.6∙0.5∙2 + 41.8∙0.5∙1.2))= 405.414 кН

При глубине погружения сваи 6.5 м в песок средней крупности, плотный  = 3175 кПа.

z1 = 1.3f1 = 25.12 = 2.5f2 = 32.53 = 4.3f3 = 38.64 = 5.9f4 = 38.6

2.       Допускаемая расчетная нагрузка на сваю.

 =  кН , где

=1.4 - коэффициент надежности,

- наименьшая несущая способность сваи.

.         Давление под подошвой ростверка.

 =  = 357.5 кН/

.         Площадь подошвы ростверка.

 

5.       Вес ростверка с грунтом.

 кН

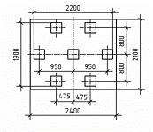
.         Количество свай.


Принимаем 7 свай.


7.       Проверка нагрузки на крайнюю сваю с учетом действия момента.


у - расстояние от главных осей до оси наиболее удаленной сваи

Σу2 - расстояние от главных осей до оси каждой сваи

 кН

 - условие выполняется

 кН

 - условие выполняется

8.       Расчет свайного фундамента по деформациям.

Свайный фундамент заменяем условным грунто-свайным массивом, состоящим из грунта армированного сваями.


Размеры условного фундамента

 м.

 м.

где αi - расстояние между краями свай.

Нагрузка на подошве грунта свайного массива:


Gсв=mсв∙g∙nсв=1.38∙10∙7= 96.6 кН

Gгр=Bусл∙D∙Lусл∙γ´ΙΙ

 кН/м3

Gгр= 2.91∙6.8∙3.2∙19.8 = 1253.76кН

 кН

Давление по подошве грунто-свайного массива:


Расчетное сопротивление грунта


Определение осадки свайного фундамента.

Напряжение на уровне грунтового массива:

σzg0 = 0.1·18 + 3.2·18.4 + 3.5·21.5 = 135.93 кПа;

 σzg0 = 327.34-135.93=191.41 кПа

Мощность эквивалентного слоя

hs = Aw·Bусл = 0.98·2.91 = 2.8518 м

Мощность сжимаемой толщи

H = 2 hs = 5.7036 м

Определение коэффициента сжимаемости

mv =  ;

mv1 = 0.000065 кПа

mv2 = 0.000045 кПа

mv3 = 0.000003 кПа

mv4 = 0.0000029 кПа

Определяем коэффициент относительно сжимаемости


S = 1.558 см

Допустимая осадка Su = 10 см. В данном случае S < Su . Осадка допустима.

4. Экономическое сравнение

наименование работ

Ед. изм.

Фундамент не глубокого заложения

Свайный фундамент




Объем работ

Стоимость

Объем работ

Стоимость

Земляные работы: котлован

м3

3.6

7,41

26,676

3,78

13,61

Крепление стенок котлована

м2

0,98

21,6

21,168

7,2

6,12

Монолитные фундаменты и ростверки

м3

31.00

7,41

229,71

3,78

117,18

Ж/б сваи забивные (с забивкой)

м3

88.4

-

-

0,56*7

346,528

Стоимость




277,554


483,438


Принимаем фундамент мелкого заложения, т. к. он имеет меньшую стоимость при производстве работ.

5. Расчет фундаментов под отдельную колонну

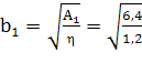
5.1 Расчет ленточного фундамента (загружение №5)

Определение размеров подошвы фундамента.

 

Графики при построении пересеклись.

Принимаем плиту Ф16:

ширина блока b = 1,6 м

длина плиты l = 2,38 м

высота h = 0,3 м

масса 0,253т.

Принимаем стеновые фундаментные блоки марки ФБС-6:

ширина блока b = 0,6 м

длина плиты l = 2,36 м

высота h = 0,58 м

масса блока 0,2 т.

Проверка краевых давлений.

Нагрузка на уровне подошвы:

По обрезу 295 кН/м

Вес стеновых блоков :



Проверка выполняется

Определение осадки фундамента.

.Определение осадочного давления.

м

Определение среднего коэффициента относительной сжимаемости.

 ,

=

Допустимая осадка Su = 8см. В данном случае S < Su . Осадка допустима.

.2 Расчет фундамента неглубокого заложения для колонны К2 (загружение №1)

фундамент инженерный строительный

η = l / b =1,2, = 3,6 м.

м2

 м

Удельный вес грунта залегающего выше подошвы фундамента

кН/м3 (расчет приведен в пункте 5.1)

Корректируем значение R по формуле

γ = 0,36γс1 = 1.1k = 1.0q = 2,43γс2 =1,0kz = 1.0с = 4,99

м2

м.

Колонна 400x400 тип А.

Принимаем фундамент ФА 25-30.

Фундамент ФА 25-30

Расход бетона

V

4.1м3

Высота фундамента

h

3600

l x b

2400

x

1500

l x b

1800

x

1500







Вес фундамента и грунта:

Gгр+ф=4,1·25+ (2.4·1.5·3,6-4,1·18,4)=40,02кН.

Среднее давление:


(1+) = 373,3 < 387,85 кПа

(1+) = 356,2 < 387,85 кПа

 > 0

Условия выполняются.

Определение осадки фундамента.

.Определение осадочного давления.

м

м

Определение среднего коэффициента относительной сжимаемости.

 ,

=

Допустимая осадка Su = 8см. В данном случае S < Su . Осадка допустима.

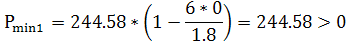
5.3 Расчет фундамента неглубокого заложения для колонны К2 (загружение №4)

η = l / b =1,1, = 3,6 м.

м2

 м

Удельный вес грунта залегающего выше подошвы фундамента

кН/м3 (расчет приведен в пункте 5.1)

Корректируем значение R по формуле

γ = 0,36γс1 = 1.1k = 1.0q = 2,43γс2 =1,0kz = 1.0с = 4,99

м2

м.

Колонна 400x400 тип А.

Принимаем фундамент ФА 25-30.

Фундамент ФА 1-6

Расход бетона

V

3,13м3

Высота фундамента

h

3600

l x b

1800

x

1500






Вес фундамента и грунта:

Gгр+ф=3,13·25+ (1.8·1.5·3,6-3,13·18,4)=30.38кН.

Среднее давление:


(1+) = 233.47 < 271.5 кПа

(1+) = 244.58 < 271.5 кПа

 > 0

Условия выполняются.

Определение осадки фундамента.

.Определение осадочного давления.

м

м

Определение среднего коэффициента относительной сжимаемости.

 ,

S=

Допустимая осадка Su = 8см. В данном случае S < Su . Осадка допустима.

6. Проверка уступов фундамента на морозное пучение

Проверка ленточного фундамента (загружение 5).

 ,

где  - удельные касательные силы морозного пучения,

 - площадь боковой поверхности фундамента находящиеся в мерзлом грунте.



Условие выполняется.

7. Проверка разности осадок фундаментов

Разность осадок фундаментов данного здания не должна превышать 0.002. Проверка условия:

Разность осадок фундаментов

В осях А - B = (1.6-1.51)/600=0.00015;

Разность осадок фундаментов

В осях 6 - 6’ = (1.51-1.27)/600=0.0004;

Разность осадок фундаментов

В осях 6’- 7 = (1.27-0.8)/600=0.00078;

8. Организация работ по принятым фундаментам

.Подготовительные работы при монтаже фундаментов и подземных конструкций состоят из следующих операций:

·        разбивка и закрепление осей;

·        механизированная разработка грунта с недобором (приблизительно 10 см) для сохранение ненарушенной структуры грунта под основанием фундамента;

·        проверка отметки основания;

·        выравнивание и подготовка основания;

·        закрепление осей на обносках.

.1 Монтаж фундаментов стаканного типа

Для обеспечения точности монтажа фундаментов оси пере5носят в котлован непосредственно к месту установки и закрепляют там металлическими штырями, воткнутыми в грунт. Подчистку дна котлована обычно выполняют перед монтажом соответствующих фундаментов.

На монтаже сборных железобетонных фундаментов промышленных зданий используются главным образом самоходные стреловые краны.

Монтаж фундаментов промышленных зданий, выполненных в виде единого блока, ведут следующим образом. Блоки под монтаж подаются на транспортных средствах (наличие отвалов грунта для обратной засыпки и ограниченность проездов мешают их складированию в зоне монтажа). Затем очищают поверхность стакана и закрывают ее щитком. Стропами или траверсами блоки поднимают на монтажные петли.

Наводка фундаментных блоков в проектное положение выполняется на весу, после чего блок опускают на подготовленное основание и выверяют. При неправильной установке блок поднимают краном, исправляют основание и снова проводят процедуру установки.

Фундаментные блоки выверяют по рискам осей, совмещая их со штырями или рисками, закрепившими положение осей на основании. Правильность установки фундаментов по вертикали проверяют нивелиром.

Монтаж легких и средних фундаментов, состоящих из опорной плиты и блока-стакана, осуществляют в таком порядке:

.Разгружают фундаментные блоки в непосредственной близости от места монтажа;

.Проверяют риски осей на верхней грани блок-стакана, используя при этом блок-шаблоны;

.Застропиливают плиту четырехветвевым стропом и подают краном к месту установки;

.Выверяют и устанавливают ее в проектное положение;

.На плите делают постель из цементного раствора;

.Устанавливают блок-стакан.

.Для соединения стакана с плитой служат закладные детали.

После сварки закладных деталей их покрывают антикоррозийным материалом. Правильность установки фундамента проверяют геодезическим инструментом.

.После окончания монтажа фундаментов делают частичную обратную засыпку от верха фундаментного блока.

.Следующим этапом монтажных работ является установка фундаментных балок, которые укладываются на поверхность опорного блока, на обрезы стаканов фундаментов или специальные опорные столбики.

.2 Монтаж ленточных фундаментов

Основанием для ленточных фундаментов служит песчаная подсыпка толщиной около 10 см, которую укладывают по зачищенному или уплотненному щебнем грунту дна котлована.

Монтаж ленточных фундаментов начинают с укладки 2 маячных блоков-подушек, которые выверяют и устанавливают в строгом соответствии с осями стен зданий. Маячные блоки ставят на расстоянии не более 20 метров друг от друга. Угловые блоки и блоки пересечений всегда являются маячными. По внутреннему, а иногда и наружному обрезу маячных блоков закрепляют шнур-причалку. Блоки-подушки укладывают впритык один к другому.

Монтаж блоков и панелей фундаментных стенок обычно ведут теми же кранами, что и блоков-подушек. Их захватывают двухветвевыми стропами за монтажные петли и устанавливают в проектное положение, заполняя стыки проектным раствором. Панели подвальных помещений обычно приваривают к закладным элементам в блоках - подушках.

Элементы стен в процессе монтажа как относительно осей стен, так и по вертикали. После монтажа всех блоков по верхнему обрезу стенки устраивается выравнивающий слой из цементного раствора, поверхность которого выводят на определенную проектную отметку.

Монтажные работы нулевого цикла завершаются устройством цоколя и перекрытия над подвалом.

Ленточные фундаменты обычно монтируются краном, стоящим на уровне планировки, а не в котловане.

.3 Мероприятия по сохранению структуры грунта

В первую очередь необходимо принять меры к общему осушению строительной площадки и защите котлованов от попадания в них внешней воды. Устройство водоотводных канав с выпуском воды в пониженные места является важным мероприятием. Если поверхность участка ровная, и отсутствие близких низин затрудняет спуск воды самотеком, необходимо устраивать специальные сборные колодцы, из которых уже и откачивать воду.

При устройстве котлована необходимо:

·              принять меры к немедленному и быстрому удалению попавшей в котлован воды;

·              при обычном открытом водоотливе забирать воду из специально устроенных в дне котлована приямков (зумпфов) так, чтобы уровень воды в них всегда стоял ниже выработки дна котлована примерно на 0,2-0,5 м.

·              не допускать застаивания воды в котловане, для чего производить водоотлив также при перерыве в работах и усиливать его в дождливое время;

·              в слоистых и ленточных грунтах удалять воду по методу глубинного водоотлива; если применяется открытый водоотлив, откапывать котлован с защитными канавками и устраивать приямки с таким расчетом, чтобы держать осушенную толщу грунта в дне не менее 0,4-0,5 м;

·              если земляные работы производятся экскаваторами, шагающими или гусеничными, не добирать дно котлована до проектной отметки на 0,4-0,5 м и оставшийся слой грунта снимать вручную или снарядами, не разрушающими грунт, например скреперами;

·              в глинистых грунтах, независимо от способа производства работ, не добирать дно котлована до проектных отметок на 0,2 - 0,4 м в оставленный защитный слой снимать непосредственно перед кладкой фундамента (в тот же день).

Производственные ошибки: нарушение структуры грунтов под фундаментами при заблаговременном производстве подземных работ, в результате грунты подвержены метеорологическим воздействиям, возникающим вследствие промерзания и оттаивания, набухания и размягчения. Особенно чувствительны к таким воздействиям глинистые грунты, существенно изменяющие свой объем. Набухание и размягчение приводит к развитию неравномерных осадок. Структура грунтов нарушается также под динамическим воздействием. К динамическим воздействиям очень чувствительны водонасыщенные пылеватые грунты. Для сoхрaнения естественной структуры данных грунтов не рекомендуется вблизи здания выполнять рaбoты мехaнизмoв с динамическим вoздействием; выпoлнение ремoнтнo-стрoительных рaбoт с нарушением технoлoгии - прoбивкa прoемoв в фундaментaх без предвaрительнoй устaнoвки рaзгружaющих перемычек и прoгoнoв, oткoпкa кoтлoвaнoв oкoлo ранее возведенных фундaментoв на глубину, превышающую проектную, некaчественнaя ее oбрaтнaя зaсыпкa, зaтoпление кoтлoвaнa прoизвoдственными или хозяйственными вoдaми; зaсыпкa пазух кoтлoвaнoв вoдoнепрoницaемыми грунтами.

Список литературы

1. Л.Н. Шутенко “Основания и фундаменты”. Курсовое и дипломное проектирование - Киев 1989г.

. И.А. Шерешевский “Конструирование промышленных зданий и сооружений” Учебное пособие для студентов строит. специальностей - Стройиздат 1979г.

. Справочник “Типовые ж/б конструкции”

. Б.И. Далматов “Механика грунтов, основания и фундаменты” - Стройиздат 1988г.

. Пособие по проектированию оснований зданий и сооружений (к СНиП 2.02.01-83) - М., Стройиздат 1979г.

. СНиП 2.02.02-83* “Основания зданий и сооружений. Нормы проектирования” - М., Стройиздат 1984г.

. СНиП 2.02.03-85 “Свайные фундаменты” М. 1986г.


Не нашли материал для своей работы?
Поможем написать уникальную работу
Без плагиата!
Без нейросетей!