Однофазные электрические цепи синусоидального тока
МИНИСТЕРСТВО
ОБРАЗОВАНИЯ И НАУКИ РФ
ФГОУ
ВПО « ГОСУНИВЕРСИТЕТ - УНПК»
Кафедра
«Электрооборудования и энергосбережения»
Расчетно-графическая
работа
по
общей электротехнике
на
тему: «Однофазные электрические цепи синусоидального тока»
Выполнил: студент гр.
21-П
Киреев А.Е.
Проверил к.т.н., доцент:
Королёва Т.Г.
Орел
2011г.
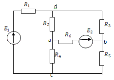
Задание
Дана электрическая цепь постоянного
тока, с параметрами
|
E1, В
|
E2, В
|
R1, Ом
|
R2, Ом
|
R3, Ом
|
R4, Ом
|
R5, Ом
|
R6, Ом
|
|
21,6
|
-6,91
|
0,62
|
5,89
|
6,40
|
14,13
|
10,09
|
0,51
|
Требуется:
. Определить токи во всех ветвях,
методами контурных токов и узловых напряжений.
. Построить график изменения
потенциала по внешнему контуру.
Решение:
. Метод контурных токов (МКТ)
Количество уравнений определяется
числом независимых контуров: =b-(y-1), где b - общее число ветвей; y - число
узлов.=6-(4-1)=3
Составляем уравнения по II закону
Кирхгофа для контурных токов:
однофазная электрическая цепь
синусоидальный ток
Данную систему уравнений
решаем матричным методом: 


Найдем значения токов:
. Метод узловых
напряжений (МУН)
Потенциал точки a
принимаем равный 0 (
).
Данную систему уравнений
решаем матричным методом:
Воспользуемся формулой 

На основании 1-го закона
Кирхгофа 
, получим:

(узел b);

(узел c);

(узел d).
Найдем значения токов:
. Потенциальная диаграмма
y=f(R); 





|
E1, ВE2, ВR1, Ом R2,
ОмR3, ОмR4, Ом R5, ОмR6, Ом
|
|
|
|
|
|
|
|
|
21,6
|
-6,91
|
0,62
|
5,89
|
6,40
|
14,13
|
10,09
|
0,51
|
(0;0); c (10,09; -10,1); n (10,09;
11,5); d (10,71; 10,148); b (17,11;0).
Баланс мощностей: 