Разработка мощного понижающего ШИМ-преобразователя

  • Вид работы:
    Дипломная (ВКР)
  • Предмет:
    Информатика, ВТ, телекоммуникации
  • Язык:
    Русский
    ,
    Формат файла:
    MS Word
    113,98 Кб
  • Опубликовано:
    2012-12-06
Вы можете узнать стоимость помощи в написании студенческой работы.
Помощь в написании работы, которую точно примут!

Разработка мощного понижающего ШИМ-преобразователя

Введение

Прогресс большинства областей современной техники неразрывно связан с успехами энергетической или силовой электроники. Её значимость определяется все возрастающей потребностью в эффективных преобразователях и регуляторах электрической энергии. Свойства, характеристики и параметры силовых схем зависят, в свою очередь, от применяемых полупроводниковых приборов. Высокое качество полупроводниковых переключателей, их уникальные характеристики открывают долговременные перспективы совершенствования электронных устройств. С другой стороны, процесс полупроводникового производства является отражением передовых научно-технических достижений в области физики, электроники, автоматики, машиностроения. Получается некий циклический процесс, каждый виток которого является этапом непрерывного совершенствования и взаимовлияния.

1. Обзор современной элементной базы для построения мощных ШИМ-преобразователей

.1 Силовые транзисторы

преобразователь конденсатор диод транзистор

Биполярный транзистор с изолированным затвором (IGBT - Insulated Gate Bipolar Transistors) - полностью управляемый полупроводниковый прибор, в основе которого трёхслойная структура. Его включение и выключение осуществляются подачей и снятием положительного напряжения между затвором и истоком. На рисунке 1 приведено условное обозначение IGBT.

Рисунок 1 - Условное обозначение IGBT

Коммерческое использование IGBT началось с 80-х годов и уже претерпела четыре стадии своего развития.поколение IGBT (1985 г.): предельные коммутируемые напряжения 1000В и токи 200 А в модульном и 25 А в дискретном исполнении, прямые падения напряжения в открытом состоянии 3,0-3,5 В, частоты коммутации до 5 кГц (время включения/выключения около 1 мкс).поколение (1991 г.): коммутируемые напряжения до 1600 В, токи до 500 А в модульном и 50 А в дискретном исполнении; прямое падение напряжения 2,5-3,0 В, частота коммутации до 20 кГц ( время включения/ выключения около 0,5 мкс).поколение (1994 г.): коммутируемое напряжение до 3500 В, токи 1200 А в модульном исполнении. Для приборов с напряжением до 1800 В и токов до 600 А прямое падение напряжения составляет 1,5-2,2 В, частоты коммутации до 50 кГц (времена около 200 нс).поколение (1998 г.): коммутируемое напряжение до 4500 В, токи до 1800 А в модульном исполнении; прямое падение напряжения 1,0-1,5 В, частота коммутации до 50 кГц (времена около 200 нс).

Таким образом, IGBT имеет три внешних вывода: эмиттер, коллектор, затвор. Соединения эмиттера и стока (D), базы и истока (S) являются внутренними. Сочетание двух приборов в одной структуре позволило объединить достоинства полевых и биполярных транзисторов: высокое входное сопротивление с высокой токовой нагрузкой и малым сопротивлением во включённом состоянии.

Схематичный разрез структуры IGBT показан на рисунке 2. Биполярный транзистор образован слоями p+ (эмиттер), n (база), p (коллектор); полевой - слоями n (исток), n+ (сток) и металлической пластиной (затвор). Слои p+ и p имеют внешние выводы, включаемые в силовую цепь. Затвор имеет вывод, включаемый в цепь управления. На рисунке 3, изображена структура IGBT IV поколения, выполненного по технологии "утопленного" канала (trench-gate technology), позволяющей исключить сопротивление между p-базами и уменьшить размеры прибора в несколько раз.

Рисунок 2 - Схематичный разрез структуры IGBT

Процесс включения IGBT можно разделить на два этапа: после подачи положительного напряжения между затвором и истоком происходит открытие полевого транзистора (формируется n - канал между истоком и стоком). Движение зарядов из области n в область p приводит к открытию биполярного транзистора и возникновению тока от эмиттера к коллектору.

Рисунок 3 - Структура IGBT IV поколения

В настоящее время транзисторы IGBT выпускаются, как правило, в виде модулей в прямоугольных корпусах с односторонним прижимом и охлаждением ("Mitsubishi", "Siemens", "Semikron" и др.) и таблеточном исполнении с двухсторонним охлаждением ("Toshiba Semiconductor Group"). Модули с односторонним охлаждением выполняются в прочном пластмассовом корпусе с паяными контактами и изолированным основанием. Все электрические контакты находятся в верхней части корпуса. Отвод тепла осуществляется через основание. Типовая конструкция модуля в прямоугольном корпусе показана на рисунке 4.

Рисунок 4 - Типовая конструкция IGBT-модуля: 1 - кристалл; 2 - слой керамики; 3 - спайка; 4 - нижнее тепловыводящее основание

Ток управления IGBT мал, поэтому цепь управления - драйвер конструктивно компактна. Наиболее целесообразно располагать цепи драйвера в непосредственной близости от силового ключа. В модулях IGBT драйверы непосредственно включены в их структуру. "Интеллектуальные" транзисторные модули (ИТМ), выполненные на IGBT, также содержат " интеллектуальные" устройства защиты от токов короткого замыкания, системы диагностирования, обеспечивающие защиту от исчезновения управляющего сигнала, одновременной проводимости в противоположных плечах силовой схемы, исчезновения напряжения источника питания и других аварийных явлений. В структуре ИТМ на IGBT предусматривается в ряде случаев система управления с широтно-импульсной модуляцией (ШИМ) и однокристальная ЭВМ. Во многих модулях имеется схема активного фильтра для коррекции коэффициента мощности и уменьшения содержания высших гармонических в питающей сети.

IGBT-модуль по внутренней электрической схеме может представлять собой единичный IGBT, двойной модуль (half-bridge), где два IGBT соединены последовательно (полумост), прерыватель (chopper), в котором единичный IGBT последовательно соединён с диодом, однофазный или трёхфазный мост. Во всех случаях, кроме прерывателя, модуль содержит параллельно каждому IGBT встроенный обратный диод. Наиболее распространённые схемы IGBT- модулей приведены на рисунке 5.

Рисунок 5 - Схемы IGBT-модулей

1.2 Силовые диоды

Простейшим полупроводниковым прибором <F:Distant_preS&E_d010.htm> является диод, представляющий полупроводниковый кристалл с электронно-дырочным (pn) переходом. Основным элементом диода является электронно-дырочный переход (pn-переход).

Электронно-дырочный переход - основной элемент не только диодов, но и других биполярных приборов, поскольку именно электронно-дырочный переход позволяет управлять потоками носителей заряда в биполярных приборах. Электронно-дырочный переход создают в кристалле изменением типа проводимости, путем введения соответственно акцепторной и донорной примеси.

Особенность электрических характеристик диода в том, что он обладает низким сопротивлением при одной полярности приложенного к нему напряжения (плюс на аноде - прямое включение) и высоким сопротивлением при другой полярности (минус на аноде - обратное включение). Это свойство диода обеспечило ему широкое применение в выпрямителях - схемах преобразования переменного напряжения в постоянное.

К основным недостаткам полупроводникового диода следует отнести: при прямом смещении - наличие области малых токов на начальном участке ("пятка") и конечного сопротивления толщи rs ; при обратном - наличие пробоя и небольшого (однако сильно возрастающего с температурой) обратного тока.

Полупроводниковые диоды изготовляют из германия, кремния, селена и других веществ. Рассмотрим, как создается p-n переход при использовании донорной примеси, этот переход не удастся получить путем механического соединения двух полупроводников различных типов, так как при этом получается слишком большой зазор между полупроводниками. Эта толщина должна быть не больше межатомных расстояний. По этому в одну из поверхностей образца вплавляют индий. Вследствие диффузии атомов индия в глубь монокристалла германия, у поверхности германия преобразуется область с проводимостью р-типа. Остальная часть образца германии, в которую атомы индия не проникли, по-прежнему имеет проводимость n-типа. Между областями возникает p-n переход. В полупроводниковом диоде германий служит катодом, а индий - анодом.

Вольт - Амперная характеристика при прямом и обратном соединении показана на рисунке 6.

Рисунок 6 - Вольт - Амперная характеристика диода

Силовые выпрямительные диоды, как правило, работают в блоках, обеспечивающих энергопитание электротехнических устройств, поэтому, они должны быть мощными, обладать высоким к.п.д. преобразования переменного тока в постоянный, не изменять свои параметры в процессе работы и их конструкция должна предусматривать хороший теплоотвод.

Поскольку на выпрямительных диодах, как правило, рассеивается значительная мощность, они разогреваются, что приводит к ухудшению их выпрямительных свойств и, если температура pn перехода превысит определенное значение, диод может выйти из строя, что в свою очередь может сопровождаться выходом из строя всего силового блока.

В настоящее время в большинство систем силовой электроники работают на кремниевых диодах. Между тем потенциал кремния, как материала для силовой электроники, практически исчерпан. В то же время, карбид кремния является отличным материалом для нового поколения силовых диодов. Уникальные свойства SiC позволяют улучшать все характеристики приборов силовой электроники: быстродействие, предельные коммутируемые токи и напряжения, статические и динамические потери. В частности SiC-диоды обладают:

высокими рабочими температурами, вплоть до 600 °C; ничтожно маленьким (практически нулевым) временем восстановления основных носителей заряда при переключениях; более высоким напряжение пробоя, чем кремниевые;

устойчивостью к воздействию радиации, и при этом отсутствует деградация электрических свойств; практически не изменяющимися электрическими характеристиками под воздействием температуры и времени.

Существуют три класса силовых диодов на основе SiC: pin диоды - обладают низким током утечки в запертом состоянии, но имеют свойство накапливать заряд в режиме восстановлении и создают высокое падение напряжения во время прохождения прямого тока; диоды Шоттки - работают на высоких частотах, но имеют большой ток утечки и высокое сопротивление;

гибрид диода Шоттки и pin диода - JBS диод - работает на высоких частотах и обладает малым током утечки.

В нашей стране выпускаются SiC диоды на обратное напряжение до 900В, прямой ток до 3А. При этом западный рынок уже потребляет SiC - диоды Шоттки с предельными значениями 1200В/25А, рабочей температурой до 175 °C, и начат серийный выпуск диодов 1200В на 50 А.. К тому же промышленность уже готовится к выпуску диодов с предельными значениями 5000 В/120 А/200 °C.

Одним из основных факторов, препятствующих разработке силовых SiC-диодов, является высокая плотность дефектов в подложках и эпитаксиальных слоях SiC. Максимальные напряжения пробоя порядка или более 1кВ, как правило, достигаются для pin - структур. Малые рабочие площади не позволяют получать на таких приборах значительных величин прямых токов и соответственно их трудно назвать силовыми. Кроме того, есть проблемы при создании омических и выпрямляющих контактов к структурам на SiC, слабо проработана технология корпусировки приборов для высокотемпературных применений. Так же цена SiC-диодов на порядок выше кремниевых, что связано с применением более дорогостоящих технологий при их создании. Таким образом, для массового применения силовых SiC-диодов необходимо решить вышеупомянутые проблемы.

1.3 Конденсаторы

Система двух разноименно заряженных проводников называется конденсатором, а заряд, который надо перенести с одного проводника на другой, чтобы зарядить один из них отрицательно, а другой положительно, называется зарядом конденсатора. В частности, плоским конденсатором называется конденсатор, состоящий из двух параллельных пластин, расстояние между которыми мало по сравнению с размерами пластин.

Разность потенциалов между пластинами конденсатора, конечно, зависит от заряда конденсатора. Присоединив к пластинам конденсатора электрометр и увеличивая заряд конденсатора повторной зарядкой, мы найдем, что показания электрометра тем больше, чем больший заряд мы сообщаем конденсатору. Измеряя заряд и разность потенциалов мы убедимся на опыте, что разность потенциалов U между пластинами прямо пропорциональна заряду, находящемуся на каждой из них, и поэтому зависимость между этими величинами может быть представлена формулой:

q = C×U, (1)

Здесь С - коэффициент, характеризующий конденсатор.

В СИ единица емкости носит в честь Фарадея название фарад (Ф). Емкостью, равной одному фараду, обладает такой конденсатор, между пластинами которого возникает разность потенциалов, равная одному вольту, при заряде на каждой из пластин, равном одному кулону.

Емкость конденсатора зависит от формы, размеров и взаимного расположения составляющих его тел; в частности, емкость плоского конденсатора зависит от расстояния между его пластинами и от их площади.

Классификация конденсаторов. В зависимости от назначения конденсаторы разделяются на две большие группы: общего и специального назначения.

Группа общего назначения включает в себя широко применяемые конденсаторы, используемые в большинстве видов и классов аппаратуры. Традиционно к ней относят наиболее распространённые низковольтные конденсаторы, к которым не предъявляются особые требования.

Все остальные конденсаторы являются специальными. К ним относятся: высоковольтные, импульсные, помехоподавляющие, дозиметрические, пусковые и другие. В зависимости от способа монтажа конденсаторы могут выполняться для печатного и навесного монтажа, а также в составе микромодулей и микросхем или для сопряжения с ними. Выводы конденсаторов для навесного монтажа могут быть жёсткие или мягкие, аксиальные или радиальные из проволоки круглого сечения или ленты, в виде лепестков, с кабельным вводом, в виде проходных шпилек, опорных винтов и т. п. По характеру защиты от внешних воздействий конденсаторы выполняются: незащищёнными, защищёнными, неизолированными, изолированными, уплотненными герметизированными. Незащищённые конденсаторы допускают эксплуатацию в условиях повышенной влажности только в составе герметизированной аппаратуры. Защищённые конденсаторы допускают эксплуатацию в аппаратуре любого конструктивного исполнения. Неизолированные конденсаторы (с покрытием или без него) не допускают касаний своим корпусом шасси аппаратуры. Изолированные конденсаторы имеют достаточно хорошее изоляционное покрытие и допускают касания корпусом шасси аппаратуры. Уплотнённые конденсаторы имеют уплотнённую органическими материалами конструкцию корпуса. Герметизированные конденсаторы имеют герметичную конструкцию корпуса, который исключает возможность сообщения окружающей среды с его внутренним пространством. Герметизация производится с помощью керамических и металлических корпусов или стеклянных колб. По виду диэлектрика все конденсаторы можно разделить на группы: с органическим, неорганическим, газообразным и оксидным диэлектриком.

Конденсаторы с органическим диэлектриком. Эти конденсаторы изготовляют намоткой тонких длинных лент конденсаторной бумаги, плёнок или их комбинации с металлизированными или фольговыми электродами. По назначению конденсаторы можно разделить на: низкочастотные и высокочастотные. К низкочастотным плёночным относятся конденсаторы на основе полярных и слабополярных плёнок (бумажные, металлобумажные, комбинированные, лакоплёночные, поликарбонатные и полипропиленовые). Они способны работать на частотах до 104-105Гц при существенном снижении амплитуды переменной составляющей напряжения с увеличением частоты.

К высокочастотным плёночным относятся конденсаторы на основе неполярных плёнок (полистирольные и фторопластовые). Они допускают работу на частотах до 105-107Гц. Верхний предел по частоте зависит от конструкции обкладок, контактного узла и от ёмкости. К этой группе относят некоторые типы конденсаторов на основе слабо полярной полипропиленовой плёнки.

Высоковольтные конденсаторы можно разделить на высоковольтные постоянного напряжения и импульсные.

В качестве диэлектрика высоковольтных конденсаторов постоянного напряжения используют: бумагу, полистирол, полиэтилентерефталат и сочетание бумаги и синтетических плёнок.

Транзисторы высоковольтные, импульсные делают на основе бумажного и комбинированного диэлектриков.

Основное требование к высоковольтным конденсаторам - это высокая электрическая прочность изоляции. Импульсные конденсаторы наряду с высокой электрической прочностью и сравнительно большими ёмкостями должны допускать быстрые разряды.

Помехоподавляющие конденсаторы предназначены для ослабления электромагнитных помех в широком диапазоне частот. Они имеют малую индуктивность, в результате чего повышается резонансная и полосаподавляемых частот. Эти конденсаторы делают бумажные, комбинированные и плёночные.

Конденсаторы с неорганическим диэлектриком. Конденсаторы с неорганическим диэлектриком можно разделить на три группы: низковольтные, высоковольтные и помехоподавляющие. В качестве диэлектрика в них используется керамика, стекло, стекло эмаль, слюда. Обкладки выполняются в виде тонкого слоя металла, нанесённого на диэлектрик путём непосредственной его металлизации, или в виде тонкой фольги.

Группа низковольтных конденсаторов включает в себя низкочастотные и высокочастотные конденсаторы.

По назначению они подразделяются на три типа: Тип 1- конденсаторы, предназначенные для использования в резонансных контурах, где малые потери и высокая стабильность ёмкости имеют существенное значение. Тип 2- конденсаторы, предназначенные для использования в цепях фильтров, блокировки и развязки или в других цепях, где малые потери и высокая стабильность ёмкости не имеют существенного значения. Тип 3-керамические конденсаторы с барьерным слоем, предназначенные для работы в тех же цепях, что и второго типа, но имеющие меньшее значение сопротивления изоляции и большее значение тангенса угла диэлектрических потерь, что ограничивает область применения низкими частотами. Слюдяные и стеклоэмалевые конденсаторы относятся к конденсаторам первого типа, стеклокерамические могут быть первого и второго типов, керамические - всех типов.

Высоковольтные конденсаторы большой и малой реактивной мощности. По назначению они могут быть 1 и 2 типов и так же, как низковольтные, они разделяются на высокочастотные и низкочастотные. Основным параметром является удельная энергия, поэтому керамику для них подбирают с большой диэлектрической проницаемостью. Для увеличения реактивной мощности выбирают керамику с малыми потерями, а конструкцию и выводы конденсаторов рассчитывают на возможность прохождения больших токов. Высоковольтные слюдяные конденсаторы делают фольговыми, т.к. они предназначены для работы при повышенных токовых нагрузках.

Помехоподавляющие конденсаторы разделяются на опорные и проходные, их основное назначение-подавление индустриальных и высокочастотных помех, создаваемых промышленными и бытовыми приборами, т.е. они являются фильтрами нижних частот.

Опорные конденсаторы - это конденсаторы, одним из выводов которых является опорная металлическая пластина с резьбовым креплением.

Проходные конденсаторы делают коаксиальными - один из, выводов которых представляет собой тонко несущий стержень, по которому протекает полный ток внешней цепи и не коаксиальными - через выводы которых протекает полный ток внешней цепи.

Конденсаторы с оксидным диэлектриком. В качестве диэлектрика в них, используется оксидный слой, образуемый электрохимическим путём на аноде - металлической обкладке из некоторых металлов. В зависимости от материала анода оксидные конденсаторы подразделяют на алюминиевые, танталовые и ниобиевые.

Конденсаторы группы общего назначения имеют униполярную проводимость, их эксплуатация возможна только при положительном потенциале на аноде.

Неполярные конденсаторы могут, включены в цепь постоянного и пульсирующего тока без учёта полярности, а также допускать смену полярности в процессе эксплуатации.

Высокочастотные конденсаторы широко применяются в источниках вторичного питания, в качестве накопительных и фильтрующих, они работают в диапазоне частот пульсирующего тока от десятков до сотен кГц.

Импульсные конденсаторы используются в цепях с относительно длительным зарядом и быстрым разрядом.

Пусковые конденсаторы используются в асинхронных двигателях, в которых ёмкость включается только на момент пуска двигателя.

Система условных обозначений и маркировка конденсаторов. Условное обозначение конденсаторов может быть сокращённым или полным. В соответствии с действующей системой сокращённое условное обозначение состоит из букв и цифр.

1.4 Ферромагнитные материалы

Ферромагнетиками называются твердые вещества (как правило, находящиеся в кристаллическом состоянии), обладающие при не слишком высоких температурах самопроизвольной (спонтанной) намагниченностью, которая сильно изменяется под влиянием внешних воздействий - магнитного поля, деформации, изменения температуры. Ферромагнетики, в отличие от слабо магнитных диа- и парамагнетиков, являются сильно магнитными средами: внутреннее магнитное поле в них может в сотни и тысячи раз превосходить внешнее поле. Ферромагнетизм наблюдается у кристаллов переходных материалов - железа, кобальта, никеля, у некоторых редкоземельных металлов и у ряда сплавов.

Магнитный момент ферромагнетика первоначально был равен нулю, что очень важно. В данном случае в поле до 100А/м намагниченность возрастает почти линейно, но после 100А/м наступает состояние насыщения, когда с увеличением внешнего поля намагниченность уже перестает расти. Этот эффект говорит о нелинейности магнитных характеристик ферромагнетика.

Кроме нелинейной зависимости между H и J изображенной на рисунке 10, а, следовательно, и между H и B, для ферромагнетиков характерно наличие гистерезиса.

На рисунке 11 изображена петля гистерезиса, по горизонтальной оси отложена напряженность внешнего поля, а по вертикальной - магнитная индукция внутри ферромагнетика.

При действии на ферромагнетик переменного магнитного поля индукция меняется по кривой 1-2-3-4-5-1, которая носит название петля гистерезиса.

Поскольку нельзя однозначно определить зависимость B от H, понятие магнитной проницаемости применяется только к основной прямой намагничивания. У ферромагнетиков она зависит от напряженности внешнего магнитного поля, как показано на рисунке 12.

Рисунок 7 - Нелинейная зависимость ферромагнетиков

Рисунок 8 - Петля гистерезиса

Рисунок 9 - Зависимость проницаемости ферромагнетика от напряженности внешнего поля

Видно, что максимальное значение проницаемости µ достигается при приближении к области насыщения, после чего, при дальнейшем увеличение H, начинается ее падение.

У каждого ферромагнитного вещества имеется такая температура, называемая точкой Кюри, выше которой это вещество теряет свои особые магнитные свойства и ведет себя как обычный парамагнетик.

Ферриты.

Ферриты или магнитные материалы с прямоугольной петлей гистерезиса (ППГ) находят широкое применение в устройствах автоматики, вычислительной техники, в аппаратуре телеграфной связи. Сердечники у ферритов имеют два устойчивых магнитных состояния, соответствующих различным направлениям остаточной магнитной индукции. Именно благодаря этой особенности их можно использовать в качестве элементов для хранения и переработки двоичной информации. Запись и считывание информации осуществляются переключением сердечника из одного магнитного состояния в другое с помощью импульсов тока, создающих требуемую напряженность магнитного поля.

Двоичные элементы на ферритах характеризуются высокой надежностью, малыми габаритами, низкой стоимостью, относительной стабильностью характеристик. Они обладают практически неограниченным сроком службы, сохраняют записанную информацию при отключенных источниках питания.

Кроме того, ферриты должны обеспечивать малое время перемагничивания, возможно большую температурную стабильность магнитных характеристик, а, следовательно, иметь высокую температуру Кюри и некоторые другие свойства.

Ферриты в практике распространены шире, чем металлические тонкие ленты. Это объясняется тем, что технология изготовления сердечников наиболее проста и экономична.

Ферритам свойственна спонтанная прямоугольность петли гистерезиса, т.е. специфическая форма петли реализуется при выборе определенного химического состава и условий спекания феррита, а не является результатом какой-либо специальной обработки материала, приводящей к образованию текстуры (например, механических воздействий или обработки в сильном магнитном поле).

Установлено, что прямоугольная петля гистерезиса характерна для материалов с достаточно сильной магнитной кристаллографической анизотропией и слабо выраженной магнитострикцией. В этом случае процессы перемагничивания происходят главным образом за счет необратимого смещения доменных границ. Сохранение большой остаточной намагниченности после снятия внешнего поля объясняется локализацией доменных границ на микро неоднородностях структуры. Такими неоднородностями могут быть области с разной степенью обращенности шпинели, вакансии и связанные с ними комплексы, междоузельные атомы и др. Например, в магний-марганцевых ферритах спонтанная прямоугольность петли гистерезиса обусловлена тетрагональными искажениями кристаллической решетки за счет ионов Mn3+, образующихся при определенных условиях синтеза.

При использовании ферритов следует учитывать изменение их свойств от температуры. Так, при возрастании температуры от -20 до +60°С у ферритов различных марок коэрцитивная сила уменьшается в 1,5-2 раза, остаточная индукция - на 15-30%, коэффициент прямоугольности - на 5-35%.

В зависимости от особенности устройств, в которых применяются ферриты с ППГ, требования, предъявляемые к ним, могут существенно различаться. Так, ферриты, предназначенные для коммутационных и логических элементов схем автоматического управления, должны иметь малую коэрцитивную силу (10-20 А/м). Наоборот, материалы, используемые в устройствах хранения дискретной информации, должны иметь повышенное значение коэрцитивной силы (100-300 А/м).

В запоминающих устройствах ЭВМ применяют либо кольцевые ферритовые сердечники малого размера (имеются сердечники с наружным диаметром 0,3-0,4 мм), либо многоотверстные ферритовые платы в которых область вокруг каждого отверстия выполняет функции отдельного сердечника. При использовании сердечников достигается более высокое быстродействие, однако возникают технологические трудности при прошивке таких сердечников проводниками и сборке матриц.

Применение ферритов. Магнитомягкие ферриты с начальной магнитной проницаемостью 400 - 20000 в слабых полях во многих случаях эффективно заменяют листовые ферромагнитные материалы - пермаллой и электротехническую сталь. В средних и сильных магнитных полях замена листовых ферромагнетиков ферритами нецелесообразна, поскольку у ферритов меньше индукция насыщения.

Магнитомягкие ферриты широко применяются в качестве сердечников контурных катушек постоянной и переменной индуктивностей, фильтров в аппаратуре радио- и проводной связи, сердечников импульсных и широкополосных трансформаторов, трансформаторов развертки телевизоров, магнитных модуляторов и усилителей. Из них изготавливают также стержневые магнитные антенны, индуктивные линии задержки и другие детали, и узлы электронной аппаратуры.

Наиболее часто применяют ферритовые сердечники с замкнутой магнитной цепью. Такие магнитопроводы бывают либо монолитными, в виде единого тела (например, кольцевой сердечник), либо составными - из двух хорошо пришлифованных друг к другу частей, зазор между которыми по возможности мал. Составные магнитопроводы распространены шире монолитных, так как намотка проволоки на последние вызывает определенные трудности.

2. Разработка силовой электрической схемы ШИМ-преобразователя

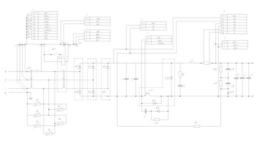
Принципиальная электрическая схема ШИМ - преобразователя представлена на рисунке 13. В ее состав входят:

автоматический выключатель;

контактор;

блок варисторов;

мост Ларионова;

фильтр;

транзистор;

демпфирующие цепи;

вспомогательные элементы;

схема управления;

Автоматический выключатель QF1, служит для защиты от перегрузки по току. Контактор Q, в данной схеме применяется для подачи напряжения на силовую часть схемы.

Рис. 10 - Схема электрическая принципиальная мощного ШИМ - преобразователя

Блок варисторов R1,R2,..R6, защищает от перенапряжения в схеме.

Мост Ларионова выпрямляет ток из переменного в постоянный.

Емкости C1,C2, являются высокочастотными фильтрами.

Транзистор играет роль силового ключа, осуществляющего высокочастотную коммутацию тока.

Демпфирующая цепь, состоящая из C3, VD9 и R2, уменьшает скорость нарастания напряжения на транзисторе.

Демпфирующая цепь, состоящая из C4, R3, сглаживает выбросы напряжения на диоде VD10.

Фильтровые емкости C5,C6,C7, уменьшают пульсации напряжения на выходе.

Сопротивления R10 и R11 выравнивают напряжение на емкостях.

Емкости Cd1 и Cd2 предотвращают забросы напряжения при изменении параметров нагрузки.

Диод VD11 предотвращает разряд конденсаторов Cd1 и Cd2.

Благодаря сопротивлению R9 заряжается и разряжается емкость Cd1 и Cd2.

Рисунок 13 - Схема электрическая принципиальная мощного ШИМ - преобразователя

3. Выбор и расчет элементов силовой схемы мощного понижающего ШИМ-преобразователя

Основными параметрами при расчете элементов силовой схемы мощного понижающего ШИМ-преобразователя является мощность Р=100кВт, частота F=20кГц, входное напряжение U=500В и iн=200А.

3.1 Выбор силового транзистора и диода

Опираясь на перечисленные параметры и учитывая, что предельные значения транзистора и диода должны выбираться с запасом, заключаем, что наиболее подходящим силовым транзистором является SKM 400GB125D, а наиболее подходящим силовым диодом SKKD 380.

Характеристики транзистора SKM 400GB125D приведены в таблице 1, а характеристики силового диода в таблице 2.

Таблица 1 - Характеристики транзистора

Обозначение

Значение

Ед. измерения

IGBT

VCES - (постоянное) напряжение коллектор - эмиттер при короткозамкнутых выводах базы - (затвора-) и эмиттера

1200

Вольт

IC - постоянный ток коллектора

400

Ампер

ICRM - периодический (tp=1мс) максимальный ток коллектора

600

Ампер

fsw- частота работы транзистора

20×103

Герц

Freewheeling diode - диод для свободного протекания тока

IF - постоянный прямой ток

390

Ампер

IFRM - повторяющийся импульсный (tp=1мс) прямой ток

600

Ампер

td(on) - время включения

70×10-9

Секунд

Таблица 2 - Характеристики диода

Обозначение

Значение

Ед. измерения

IFAV - максимально допустимый средний прямой ток (sin.180 - полусинусоидальная форма тока)

380

Ампер

VF - постоянное напряжение в открытом состоянии (IF = 1000A)

1.25

Вольт

IRD - постоянный обратный ток запирания

15×10-3

Ампер


Выбор охладителя и тепловой расчет

Для наиболее оптимального выбора охладителя использовалась программа Semisel V3.

Подставив, известные параметры в программу получили результат, приведенный в таблице 3. В таблице 4 приведены значения тепловых потерь.

Таблица 3 - Данные программы

Температура окружающей среды

40○ Цельсия

Радиатор Semikron

WP16_280

Метод охлаждения

Водное охлаждение

Водный поток

6 литров/мин


Таблица 4 - Тепловые потери

Обозначение

Значение

Pcond tr - коммутационная потери на транзисторе

40Вт

Psw tr - потери при прямой проводимости на транзисторе

55Вт

Ptr - общие потери на транзисторе

95Вт

Pcond d - коммутационная потери на диоде

9Вт

Psw d - потери при прямой проводимости на транзисторе

60Вт

Pd - общие потери на диоде

69Вт

Ptot - общие потери на радиаторе

165Вт

Ts - температура радиатора

44°C

Ttr - температура транзистора

55°C

Td - температура диода

59°C

Силовые элементы, которые мы используем, рассеивают значительную мощность, исходя из данных таблицы 4, можно сделать вывод, что подобранный радиатор справляется с отводом выделяющейся мощности.

3.2 Выбор конденсаторов. Расчет режима работы

Конденсатор подбираем исходя из входящих параметров напряжения и тока. Параметры выбранного конденсатора отражены в таблице 5.

Таблица 5 - Параметры конденсатора

Vn, В

С, мкФ

Irms, A

Ls, нГн

Rs, мОм

Rth,°C /Вт

Название

900

12

70

18

0,9

4,4

FFVE6C0126K


Расчет режима работы

Формула для расчета режима работы

, (2)

, (3)

, (4)

Подставляя справочные данные в формулы, получаем, что θhot spot=55°C.

3.3 Расчет и проектирование дросселя

.3.1 Дроссель без магнитопровода

Расчет.

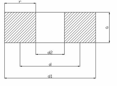
Рисунок 11 - Разрез катушки: a - длинна катушки; r - радиальная толщина катушки; d - средний диаметр катушки; d1 - толщина катушки; d2 - зазор

=0,08м=0.06м=0.16м

 , (5)

где ω - число витков катушки, d - ее средний диаметр, Φ - величина, значения которой определяем из справочных материалов.

Φ=4.78

 - магнитная постоянная.

Подставляя все данные в формулу (5), находим индуктивность дросселя без магнитопровода:

.

Рисунок 12 - Разрез вертикальный катушки без магнитопровда

Рисунок 13 - Разрез горизонтальный

Дроссель с магнитопроводом

В качестве магнитопровода используются пластины размером 120×38×10 изготовленные из феррита.

Для правильно спроектированного дросселя должно выполняться условие:

, (6)

Где iн - ток на нагрузке, Bm - магнитная индукция феррита равная 0,2 Тл.

Находим ток нагрузки из начальных параметров мощности P и входного напряжения Uвх.


Подставляя известные значения в неравенство, получаем:

Рисунок 14 - Разрез вертикальный

Рисунок 15 - Разрез горизонтальный

4. Разработка конструкции силового блока ШИМ-преобразователя

Конструкция силового блока включает в себя два охладителя, на один из которых устанавливаются три диодных модуля, на втором закреплен транзистор. Диодные модули соединены двумя шинами, одна из которых проходит через плюс другая через минус. Далее эти шины следуют на конденсатор емкостью 200мкФ и подключенный параллельно ему конденсатор емкостью 12мкФ. Оба конденсатора являются высокочастотными фильтрами. Затем шины подключаются к транзистору. От транзистора шины идут на катушку индуктивности, а также к трем конденсаторам емкостью 12мкФ, которые уменьшают пульсации напряжения на выходе.

Рисунок 16 - Конструкции силового блока ШИМ-преобразователя

5. Технико-экономическое обоснование дипломного проекта

.1 Концепция

В рамках дипломного проектирования необходимо разработать мощный понижающий ШИМ-преобразователь, благодаря которому можно регулировать напряжение, при достаточно высоких частотах, на выходе.

.2 Краткое техническое описание системы

При широтно-импульсной модуляции (ШИМ; английский термин - pulse width modulation, PWM) в качестве несущего колебания используется периодическая последовательность прямоугольных импульсов, а информационным параметром, связанным с дискретным модулирующим сигналом, является длительность этих импульсов. Периодическая последовательность прямоугольных импульсов одинаковой длительности имеет постоянную составляющую, обратно пропорциональную скважности импульсов, то есть прямо пропорциональную их длительности. Пропустив импульсы через ФНЧ с частотой среза, значительно меньшей, чем частота следования импульсов, эту постоянную составляющую можно легко выделить, получив постоянное напряжение. Если длительность импульсов будет различной, ФНЧ выделит медленно меняющееся напряжение, отслеживающее закон изменения длительности импульсов.

.3 Рынок и план маркетинга

Рынок потенциальных потребителей мощных понижающих ШИМ-преобразователей достаточно специфичен. Потенциальные покупатели предъявляют следующие требования к программному продукту:

Качество оборудования;

Надёжность в эксплуатации;

Соотношение цены и полезного эффекта от использования установки;

Простота в обращении оборудования.

Планируется реализовывать данную программу в течение 1 года после его разработки.

Для продвижения товара не используется реклама, а для заинтересовавшихся лиц возможно проведение демонстрации.

Осуществляется послепродажное обслуживание: сопровождение продукта, установка и гарантийный ремонт. Проводятся консультации по оптимизации использования продукта.

.4 Организационный план работ по реализации проекта

На основании результатов маркетингового исследования разрабатывается организационный план работ, связанных с реализацией проекта. В процессе его разработки определяется перечень мероприятий, прогнозируемый период их реализации и необходимые ресурсы. Результаты разработки организационного плана работ представлены в таблице 6.

Таблица 6 - Организационный план работ

Вид работ

Период исполнения

Необходимые ресурсы

Проектирование мощного ШИМ-преобразователя

Начало первого квартала

Оборотные средства

Определение прогнозируемых объемов продаж

Конец первого квартала

Оборотные средства

Определение потребности в дополнительном начальном капитале

Начало второго квартала

Оборотные средства

Приобретение основных средств и запасов оборотных средств

Конец второго квартала

Основные средства

Производство мощного понижающего ШИМ-преобразователя

Третий квартал

Оборотные средства

5.5 Определение стоимости разработки системы

Стоимость разработки установки определяется по фактическим затратам, произведённым за счёт собственных финансовых средств предприятия.

В основе определения стоимости разработки лежит перечень выполненных работ и трудоёмкость их выполнения. Перечень работ и трудоемкость их выполнения приведены в таблице 7.

Таблица 7 - Трудоемкость работ по разработке математической модели установки

Наименование работ

Трудоемкость, чел.-дни


Главный специалист

Инженер

Изучение предметной области и документооборота фирмы

3

3

Разработка технического задания

5

3

Разработка силовой электрической схемы ШИМ-преобразователя


3

Расчет и проектирование дросселя


3

Разработка конструкции силового блока ШИМ-преобразователя


10

Сборка ШИМ-преобразователя


10

Проверка на работоспособность

2

1

Составление технической документации

3

3

Сдача проекта

2

2

ИТОГО:

15

37


На основе определения трудоемкости выполнения работ по разработке установки рассчитываются издержки на оплату труда ее исполнителей, являющиеся одной из основных статей калькуляции себестоимости разработки мощного понижающего ШИМ-преобразователя.

5.6 Расчёт себестоимости разработки системы

Стоимость разработки установки определяется по фактическим затратам, произведенным за счет собственных финансовых средств. Расходы на оплату услуг сторонних организаций и арендная плата отсутствуют, так как работы производятся в помещении и на оборудовании не требующих отчислений.

Калькуляция себестоимости разработки осуществляется по следующим статьям:

Материалы;

Основная заработная плата;

Дополнительная заработная плата;

Отчисления на социальные нужды;

Накладные расходы.

Материалы

Стоимость основных и вспомогательных расходных материалов, необходимых для выполнения разработки, определяется исходя из величины их расхода, действующих цен и транспортно-заготовительных расходов. Величина транспортно-заготовительных расходов принимается равной 10% стоимости материалов.

В данном расчете на статью “Материалы” относятся расходы на материалы основные и вспомогательные и покупные изделия, использованные при выполнении разработки.

Таблица 8 - Калькуляция расходов по статье “Материалы”

Материалы

Единица измерения

Кол-во

Сумма, р.

Бумага (плотность 90 г/м.кв., 500 л.)

пачка

1

150

150

Картридж для принтера (черно-белый)

шт.

1

200

200

Провода (медные)

упаковка

2

200

400

Силовой транзистор IGBT

шт.

1

5000

5000

Силовые диоды

шт.

10

1000

10000

Конденсаторы

шт.

4

1500

1500

Ферромагнитные материалы

шт.

22

200

4400

Резисторы

шт.

2

200

400

Охладитель

шт.

1

4000

4000

Автоматический выключатель

шт.

1

1500

1500

Канцелярские принадлежности




100

ИТОГО:




27500

Транспортно-заготовительные расходы, 10%




2750

ВСЕГО:




30250


Основная заработная плата

Основная и дополнительная заработная плата непосредственных исполнителей разработки рассчитывается на основании следующих данных:

Трудоемкость выполнения работ (по таблице 6)

Дневная ставка руководителя - Друк = 600 руб.;

Дневная ставка исполнителя - Дисп = 400 руб.;

Процент дополнительной заработной платы - 12%;

Процент отчислений на социальные нужды - 26.2%;

Процент накладных расходов - 20%;

Основная заработная плата исполнителей рассчитывается по формуле:

Сзо = Трук * Друк + Тисп * Дисп, (7)

где Трук и Тисп - соответственно, трудоемкость выполнения работ по реализации данной разработки руководителем и исполнителем, чел.-дней.

Сзо = 15*600+37*400 =23800 руб.

Дополнительная заработная плата рассчитывается по формуле:

Сзд = Сзо*0,12, (8)

К статье “Дополнительная заработная плата” относятся выплаты, предусмотренные законодательством за неотработанное время:

оплата отпусков;

выплаты премий и вознаграждений и т.д.

Сзд = 23800*0,12 = 2856 руб.

Отчисления на социальные нужды рассчитываются по формуле:

Ссн = (Сзо+ Сзд)*0,262 (9)

К статье “Отчисления на социальные нужды” относятся:

федеральный бюджет - 20%;

фонд социального страхования - 3,2%;

отчисления в фонд медицинского страхования;

страхование от несчастных случаев - 0,2%.

Итого: 26%

Ссн = (23800+2856)*0,262 = 6984 руб.

Накладные расходы

К статье “Накладные расходы” относятся расходы на управление и хозяйственное обслуживание.

Накладные расходы рассчитываются по формуле:

Снр = (Сзо+Сзд + Ссн + См )*0,20 (10)

Снр = (23800+2856+30250+6984)*0,20= 12778 руб.

Себестоимость

На основании полученных данных по отдельным статьям затрат составляется калькуляция себестоимости разработки. Калькуляция приведена в таблице 9.

Таблица 9 - Калькуляция себестоимости разработки

Статья затрат

Сумма, руб.

Материалы

12778

Основная заработная плата

23800

Дополнительная заработная плата

2856

Отчисления на социальные нужды

6984

Накладные расходы

7275

ИТОГО себестоимость:

43625


Вывод

Учитывая результаты расчетов, приведённые выше, можно сделать вывод об экономической эффективности, предложенной разработки.

Экономический эффект появляется за счет уменьшения затрат на производимую продукцию.

6. Безопасность жизнедеятельности

.1 Общая характеристика условий применения

Проектируемое изделие предназначено для регулирования напряжения источника питания.

Изделие состоит из следующих частей, не правильное использование которых может привести к несчастным случаем:

трехфазная сеть

автоматический выключатель

высокочастотный блок

Все элементы установки заключены в металлический корпус, который имеет систему защиты.

К работе на установке допускается только специально обученный и проинструктированный персонал. Настройка и регулировка установки осуществляется работниками с квалификационной группой не менее третьей.

Установка должна подвергаться периодическому осмотру со стороны дежурного персонала. При осмотре должно обращаться внимание на:

безотказность работы всех блокирующих устройств, обеспечивающих безопасные условия работы персонала и необходимую четкость, и очередность включения всех элементов установки;

надежность заземления;

надежность изоляции;

чистоту контуров пускорегулирующей аппаратуры.

Осмотр и ремонтные работы производятся при отключении источника питания от сети.

Электробезопасность.

Помещение, в котором находится установка, относится к помещениям с повышенной опасностью поражения электрическим током.

Электроустановка с напряжением до 1 кВ с изолированной нейтралью.

Токоведущие части электроустановки не доступны для случайного прикосновения, а доступные прикосновению открытые и сторонние проводящие части не находиться под напряжением, поэтому опасность поражения электрическим током как в нормальном режиме работы электроустановки, так и при повреждении изоляции невозможна.

Для защиты от поражения электрическим током в нормальном режиме применены по отдельности меры защиты от прямого прикосновения:

основная изоляция токоведущих частей;

размещение вне зоны досягаемости;

Для дополнительной защиты от прямого прикосновения в электроустановках напряжением до 1 кВ, при наличии требований других глав ПУЭ, применено устройства защитного отключения (УЗО) с номинальным отключающим дифференциальным током не более 30 мА.

Основная изоляция токоведущих частей должна покрывать токоведущие части и выдерживать все возможные воздействия, которым она может подвергаться в процессе ее эксплуатации. Удаление изоляции должно быть, возможно, только путем ее разрушения. Лакокрасочные покрытия не являются изоляцией, защищающей от поражения электрическим током, за исключением случаев, специально оговоренных техническими условиями на конкретные изделия. При выполнении изоляции во время монтажа она должна быть испытана в соответствии с требованиями.

Ограждения и оболочки в электроустановках напряжением до 1кВ должны иметь степень защиты не менее IP 2X, за исключением случаев, когда большие зазоры необходимы для нормальной работы электрооборудования.

6.2 Условия эксплуатации

Оптимальный климат в помещении обеспечивает поддержание хорошей работоспособности организма. Метеорологические условия в рабочей зоне определяются температурно-влажностными режимами. Тип атмосферы II (промышленная).

Основные параметры:

атмосферное давление 84,0…106,7 кПа (630…800 мм.рт.ст)

Т= - 60 … 40 °С

влажность - 60 %.

Степень жёсткости климатических факторов внешней среды III.

Освещение в рабочей зоне обслуживающего персонала должно быть не менее 100 лк. СНиП 23-05-95.

При работе высокочастотного блока возникает шум.

Рекомендуются следующие способы защиты от шума:

акустическая изоляция источников шума при помощи кожухов и экранов;

при больших уровнях шума применяются наушники.

Допустимый шум на рабочем месте определяется предельным спектром уровней звукового давления.

Таблица 10 - Допустимый шум на рабочем месте

Частота, Гц

31.5

63

125

250

500

1000

2000

4000

8000

Допустимый уровень, дБ

103

99

90

83

78

75

72

70

69

6.3 Анализ опасных и вредных факторов (О и ВФ) в процессе работы

Основными О и ВФ в соответствии с являются:

Физические:

Повышенное напряжение в электрической сети.

Повышенный уровень электромагнитных излучений.

Психофизиологические:

Статические перегрузки и нервно-психические перегрузки.

.4 Защита от О и ВПФ

Безопасность изделия должна обеспечиваться в соответствии с ГОСТ 12.1.019-79, ГОСТ 12.1.004-91

Пожарная безопасность

Пожарная безопасность электротермического оборудования должна обеспечиваться в соответствии с ГОСТ 12.1.004.

Пожаро- и взрывобезопасность должны обеспечиваться:

системой предотвращения пожара;

системой противопожарной защиты;

организационно-техническими мероприятиями.

Предотвращение инициации пожара должно достигаться:

предотвращением образования горючей среды;

предотвращением образования в горючей среде (или внесения в неё) источников зажигания.

Предотвращение образования не горючей среды обеспечивается за счёт: максимально возможным применением не горючих и трудногорючих веществ и материалов, и т. д.

Предотвращение образования в горючей среде источников зажигания достигается:

применением в конструкции быстродействующих средств защитного отключения возможных источников зажигания;

уменьшением определяющего размера горючей среды ниже предельно допустимого по горючести.

На случай возникновения очага загорания противопожарная защита должна обеспечиваться применением средств пожаротушения. Средствами пожаротушения может служить огнетушитель ОУ-5. Наличие пожарной сигнализации и средств автоматического пожаротушения, обеспечение защиты людей в случае тушения пожара.

.5 Защита в чрезвычайных ситуациях (ЧС)

Установка не должна создавать аварийные ситуации, для этого необходимо, чтобы установка удовлетворяла требованиям надежности. Испытания надежности проводятся в соответствии с общими требованиями по надежности (ГОСТ 25359-82),чрезвычайные ситуации могут возникнуть при:

внутренних неисправностях устройства (короткое замыкание, перегрев, сбой в системе управления)

отсутствие или падение входного напряжения;

Для предотвращения возникновения опасных ситуаций в устройстве предусмотрены:

автоматический выключатель по входному напряжению (защита от короткого замыкания и всплесков входного напряжения, тепловая защита от длительного воздействия повышенного входного напряжения). Этот же выключатель используется как средство аварийного ручного отключения.

Плавкий предохранитель, дублирующий функции автоматического выключения, но имеющий более высокое быстродействие.

Выводы

В результате можно сделать выводы о необходимых организационных мероприятиях:

систематический осмотр и проверка зануления корпуса установки;

обслуживающий персонал должен пройти курс техники безопасности при работе с электроустановками до 1000В и получить инструктаж по работе на данной установке.

При работе с установкой в целях предотвращения поражения электрическим током должны соблюдаться следующие правила:

при ремонте установки питание должно быть отключено.

С точки зрения пожарной безопасности обязательны следующие правила:

в помещении в непосредственной близости от установки должен находиться огнетушитель ОУ-5;

во время работы установки должна соблюдаться чистота на рабочем месте (отсутствие горючих элементов).

Список нормативных документов, на которых даны ссылки

. Правила устройства электроустановок (ПУЭ). 6-е изд., перераб. и доп. с изменениями. Ввод в действие с 1 января 2003 г.

. НПБ 105-95 Определение категорий помещений и зданий по взрывопожарной и пожарной опасности.

. ГОСТ 15543-70* Изделия электротехнические. Исполнения для различных климатических районов. Общие технические требования в части воздействия климатических факторов внешней среды.

. ГОСТ 16962-71 Изделия электронной техники и электротехники. Механические и климатические воздействия. Требования и методы испытаний.

. ГОСТ 16962.1-89 Изделия электротехнические. Методы испытаний на устойчивость к климатическим внешним воздействующим факторам.

. ГОСТ 12.0.003-74* Опасные и вредные производственные факторы. Классификация.

. ГОСТ Р МЭК 61140-2000 “Защита от поражения электрическим током. Общие положения по безопасности, обеспечиваемой электрооборудованием и электроустановками в их взаимосвязи”

. ГОСТ Р МЭК 60536-2-2001 “Классификация электротехнического и электронного оборудования по способу защиты от поражения электрическим током. Часть 2. Руководство для пользователей по защите от поражения электрическим током”

. ГОСТ 12.1.019-79 Электробезопасность. Общие требования и номенклатура видов защиты

. ГОСТ 12.1.030-81 Электробезопасность. Защитное заземление, зануление.

. ГОСТ 12.2.007.0-75 Изделия электротехнические. Общие требования безопасности.

. ГОСТ 12.1.004-91 Пожарная безопасность. Общие требования.

Заключение

В результате проделанной работы по разработке мощного понижающего ШИМ - преобразователя, проведен обзор современной элементной базы, разработана принципиальная электрическая схема мощного понижающего ШИМ - преобразователя, так же выбраны и рассчитаны элементы силовой схемы, рассчитан и спроектирован дроссель с магнитопроводом и без магнитопровода, разработана конструкция силового блока ШИМ - преобразователя.

Список литературы

1.   Семенов Б.Ю. Силовая электроника. М., 2001.

2.       Калантаров П.Л., Цейтлин Л.А., Расчет индуктивности. М.: Госэнергоиздат, 1955.

.         Пасынков В.В. Полупроводниковые приборы. Лань, 2006.

.         Ромаш Э.М. Высокочастотные транзисторные преобразователи. М.: Радио и связь, 1988.

Похожие работы на - Разработка мощного понижающего ШИМ-преобразователя

 

Не нашли материал для своей работы?
Поможем написать уникальную работу
Без плагиата!
Без нейросетей!