|
Элементы
|
Параметры элементов
|
Нормированные значения
|
|
Rэ
|
25.5 Ом
|
0.128
|
|
Rб
|
150 Ом
|
0.75
|
|
Сэ
|
39.03 пФ
|
0.005
|
|
Rш
|
2000 Ом
|
10
|
|
gэ
|
0.039 См
|
7.84
|
|
gб
|
0.0067 См
|
1.33
|
|
gш
|
0.0005 См
|
0.1
|
|
S
|
0.038 См
|
7.6
|
|
L1
|
0.65 мГн
|
1
|
|
L2
|
0.65 мГн
|
1
|
|
С
|
8.13 нФ
|
1
|
|
R
|
20 Ом
|
0.1
|
входная передаточная операторная функция
3.
Исследование нагрузки
3.1
Предполагаемый на основе схемы характер АЧХ и ФЧХ входной функций
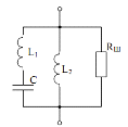
Рис 3.1.1 Нагрузка (схема реактивного двухполюсника)
Т.к. в схеме есть разнотипные реактивности, воспользуемся
теорией реактивных двухполюсников с последующим учетом потерь. При переходе от
схемы нагрузки к реактивному двухполюснику сопротивления, включенные
параллельно реактивным элементам, полагаем равными бесконечности, а включенные
последовательно с реактивными элементами - равными нулю.
На рисунке 3.1.2 изображён реактивный двухполюсник,
соответствующий заданной схеме, и соответствующая ему диаграмма реактивных
сопротивлений X (ω).
Рис.3.1.2 реактивный двухполюсник
Рис 3.1.3 Зависимость реактивного сопротивления идеального
реактивного двухполюсника от частоты
Рис 3.1.4 ФЧХ идеального реактивного двухполюсника
Выше был рассмотрен идеальный реактивный двухполюсник. Теперь
мы рассмотрим неидеальный случай. Сперва рассчитаем rвн по следующей формуле:
= 40000/2000 = 20 (Ом)
Для вычисления добротности, нужно схему преобразовать в
эквивалентную схему, где сопротивление шунта и емкость соединены
последовательно:
Добротность (R=20):
= 200/40 = 5
Определим значение АЧХ и ФЧХ на крайних частотах:
1)
w=0
=>Z = 0 j (0) = 900
2)
w=¥ =>Z = Rш j (¥) = 00
Рис 3.1.5 (а) Нагрузка на частоте ω → 0. Рис 3.1.5 (б) Нагрузка на частоте ω → ∞.
Учитывая полученные данные, построим предполагаемый характер
АЧХ и ФЧХ входной функции.
Рисунок 3.1.6 - Предполагаемый характер АЧХ входной функции
Рисунок 3.1.7 - Предполагаемый характер ФЧХ входной функции
3.2 Вывод
операторного выражения входной функции и проверка выражения всеми возможными
способами
3.2.1 Вывод
выражений схемных функций
На рисунке 3.2.1 приведена эквивалентная схема от исходной
цепи. Получим выражения Z (p).

Рисунок 3.2.1 - Эквивалентная модель
Общее сопротивление цепи при последовательном соединении
элементов будет иметь вид:
, где
То входное сопротивление цепи выглядит следующим образом:
3.2.2
Проверка и анализ выражений схемных функций
1) Размерность.
) Крайние частоты.

(по выражению)
(по выражению)
) Порядок.

число реактивностей: 3
число емкостных контуров при подключении источника Э.Д. С.: 0;
индуктивных сечений: 0.
число емкостных контуров при подключении источника тока: 0;
индуктивных сечений: 0.
Таким образом, имеем:
т.к. ZВХ на бесконечности определяется сопротивлением, то n=m!
3.3
Нормировка параметров элементов и функций цепи
Найдём нормированное значение входного сопротивления.
3.4 Расчет
резонансных частот ωр и резонансных сопротивлений Rр
Произведя переход от операторной формы записи к комплексной
(домножим и числитель и знаменатель на комплексно сопряжённое
знаменателя, выделим действительную и мнимую части), получим:
Вычислим резонансную частоту из выражения Z (jw):
Крайние частоты не являются резонансными, и тем более,
частота резонанса не является отрицательной. Следовательно,
,
.
Вычислим сопротивление на резонансе, подставив значение wРН в выражение Z (jw):
= 10= 0.083
3.5
Определение полосы пропускания цепи
В передаточную функцию нагрузки (3.3.1) вместо pH подставим jwH, получим:
. Определим АЧХ как:
. Определяем наибольшее значение АЧХ - Кmax:
Т.к. двухполюсник, то наибольшее значение АЧХ это наибольшее
значение резонансных сопротивлений, т.е. Zmax = 10
. Определяем нормированные граничные частоты из
выражения:
|Z (jwгр) |= 
=>
ð
гр1 = - 10.1247, Wгр2 =
10.1247гр3 = - 0.7704, Wгр4 = 0.7704гр5 = j0.3205, Wгр6 = - j0.3205
Полоса пропускания в нормированном виде:
гр1 = 10.1247Wгр2 = 0.7704
Определим полосу пропускания в явном виде по формуле w = wн *
w0:
гр1 = 6.227 (рад/с) Wгр2 = 0.474 (рад/с)
3.6 Частотные
характеристики (ЧХ) на основе нормированных операторных выражений
Модуль и аргумент данной комплексной функции - это и есть АЧХ
и ФЧХ соответственно.
Построим графики АЧХ и ФЧХ:
Рис.3.6.1 АЧХ нагрузки на основе нормированных операторных
выражений
Рис.3.6.2 ФЧХ нагрузки на основе нормированных операторных
выражений
3.7
Предполагаемый характер частотных характеристик (ЧХ) на основе карты нулей и
полюсов
Найдем значения нулей и полюсов, т.е. нули числителя и
знаменателя функции Z (p) соответственно:
· для числителя: p01= j0.707
р02= - j0.707= 0
На основе полученных данных строим карту нулей и полюсов (рис
3.7.1)
4.
Исследование схемы транзистора с обобщенной нагрузкой
4.1 Вывод
операторных выражений входной и передаточной функций на основе метода узловых
потенциалов, и проверка полученных выражений
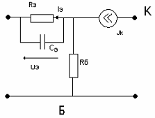
Изобразим схему с общей нагрузкой (рис.4.1.1)
Рис.4.1.1 Биполярный транзистор с обобщенной схемой
Составим математическую модель для схемы (рис4.1.1) по методу
узловых напряжений:
;
где Jk = αоIэ = αоgэ (U2-U1) = αоgэU2 - αоgэU1, т. е:
;
Отсюда имеем матрицу проводимостей [Y]:
Теперь, зная матрицу [Y], можно найти входное сопротивление ZBX,
коэффициент передачи KU по следующим формулам:
,
где
и
алгебраические дополнения матрицы [Y].
, где
определитель матрицы [Y].
;
;
;

;
;
4.2 Проверка
операторных выражений
Все слагаемые одного полинома имеют одинаковую размерность, а
размерность для функции в целом соответствует ее физическому смыслу. При
проверки учтем, что R и pL имеют размерность [Ом] и pC имеет размерность [См].
Теперь, в соответствии с нормированными параметрами транзистора
определим нормированные выражения для ZT (p) и KT (p).
= 7.6 Cэ = 0.005э = 7.84 gб = 1.33
5.
Исследование транзистора с избирательной нагрузкой
5.1
Предполагаемый характер ЧХ полной модели и определение ряда численных значений
ЧХ в характерных точках (w=0, w=¥, w=wР)
На рисунке 5.1 изображена полная модель цепи, для которой
необходимо сделать предположение о характере частотных характеристик
Рисунок 5.1 - Полная модель цепи
Предположения о характере ЧХ передаточной функции делаются на
основе соотношения
(5.1)
где
- коэффициент передачи нагрузки;
- коэффициент передачи транзистора;
- крутизна проходной характеристики транзистора;
- сопротивление нагрузки транзистора.
Знак "+" в выражении (5.1) говорит о том что биполярный
транзистор при включении с общей базой не инвертирует сигнал.
Из (4.1) следует, что для полной цепи
АЧХ:
, (5.2)
ФЧХ:
(5.3)
где
- в рабочем диапазоне имеет нулевое
значение и только в области очень высоких частот (
)
;
- ФЧХ нагрузки.
Выражения (5.1) - (5.3) не являются точными и пригодны для оценки
качественного характера ЧХ и оценки характерных численных значений на ЧХ
,
,
.
Найдем значения входной и передаточной функций полной модели в
характерных точках
, так как
;
. Zвх (0) = Rэ,
;
,
Построим частотные характеристики на основе проделанного анализа.
Зависимость
соответствует рисунку (5.2а), а
- рисунку (5.2б).
Рисунок 5.2 - Частотные характеристики на основе проделанного
анализа
Для вывода предполагаемых частотных характеристик входной функции
транзистора с избирательной нагрузкой построим эквивалентные схемы поведения
транзистора с избирательной нагрузкой на крайних частотах, причём достаточно
рассмотреть схему только транзистора, так как идеальный источник исключает
влияние нагрузки на входное сопротивление. Эквивалентные схемы транзистора на
крайних частотах показаны на рисунке 5.3
Рисунок 5.3 - эквивалентные схемы транзистора на крайних частотах
Из схем на рисунке 5.4 видно что:
,
т.к.
, за счёт закоротки на СЭ.
На крайних частотах диапазона значение ФЧХ равно
.
По полученным данным построим качественный характер АЧХ входной
функции, что и представлено на рисунке 5.4
Рисунок 5.4 - Предполагаемый характер АЧХ входной функции
5.2 Получение
нормированных выражений входной и передаточной функции и их проверка различными
способами
Передаточная функция
Получение нормированного выражения передаточной функции
осуществляется при помощи подстановки в передаточную функцию транзистора
сопротивления избирательной нагрузки.
Передаточная функция транзистора с обобщенной нагрузкой и
нормированное сопротивление нагрузки:

Входная функция
Для входной функции проводятся те же операции, что и для
передаточной, но т.к. в выражение для входной функции не входит
(идеальный источник тока исключает
влияние сопротивления нагрузки) имеем:
Проверка полученных операторных функций цепи
Проверка по наибольшему порядку полиномов функции
Отношение максимальных степеней полиномов
, что соответствует чисто активному
характеру
;
Отношение минимальных степеней полиномов
, что соответствует чисто активному
характеру.
Из схемы цепи видно, что число независимых реактивностей равно 3 и
как до подключения, так и после подключения к схеме каких-либо источников в
схеме отсутствуют и не появляются индуктивные сечения и емкостные контура.,
поэтому максимальные степени числителя и знаменателя определятся из соотношения
Порядок полиномов выведенной функции
. Это несоответствие объясняется тем, что
идеальный источник исключает влияние нагрузки на входное сопротивление полной
модели.
5.3
Предполагаемый характер ЧХ на основе карты нулей и полюсов и вычисление ЧХ
Запишем выражение для входной операторной функции:
Масштабный коэффициент Z0 = 20/2
По полученным данным построим карту нулей и полюсов для входной
функции, которая представлена на рисунке 5.3.1.
Определим качественный характер ФЧХ и АЧХ входной функции.
) при
:
Для расчёта частотных характеристик при
все векторы "проводятся" от
нулей и полюсов в начало координат, тогда: Z (0) =0
) при
:
, поэтому Z (∞) = 10, а
Передаточная функция. Расчёт нулей и полюсов ведётся на основе
нормированных выражений, приведённых к типовому виду. Запишем выражение для
передаточной операторной функции:
Масштабный коэффициент Z0 = 10.108
По полученным данным построим карту нулей и полюсов для входной
функции, которая представлена на рисунке 5.3.2:
Определим качественный характер ФЧХ и АЧХ передаточной функции.
) при
: K (0) = 0
) при
: КТ (∞) = 
5.4 Получение
выражений АЧХ и ФЧХ входной и передаточной функций полной цепи на основе
нормированных выражений
Используем нормированные выражения функций для полной цепи,
определяя АЧХ и ФЧХ по известному алгоритму
- дробное комплексное выражение, приведённое к типовой форме
После чего АЧХ определяется как модуль функции
, а ФЧХ как её аргумент
, то есть
АЧХ:
ФЧХ:
Входная функция
Получим выражения АЧХ и ФЧХ для входной функции полной модели
ЧХ:
ФЧХ:
Итак, построим графики АЧХ и ФЧХ входной функции полной
модели:
Рис.5.4.1 АЧХ входной функции
Рис.5.4.2 ФЧХ входной функции
Передаточная функция
Получим выражения АЧХ и ФЧХ для передаточной функции полной
модели:
АЧХ:
ФЧХ:
Итак, построим графики АЧХ и ФЧХ передаточной функции полной
модели:
Рис.5.4.3 АЧХ передаточной функции
Рис.5.4.4 ФЧХ передаточной функции
Заключение
В результате проведенной работы были получены математические
выражения для входной функции нагрузки и передаточной функции транзистора с
избирательной нагрузкой, и графические изображения АЧХ и ФЧХ нагрузки и
транзистора с избирательной нагрузкой. Было установлено что в нашей схеме
присутствует инверсия, цепь устойчива, т.к. все нули и полюса входной функции
находятся в левой полуплоскости и наша схема является фазоминимальной, т.к. все
нули передаточной функции лежат в левой полуплоскости.
Расчет ЧХ для полной модели цепи был проведен тремя способами
(на основе выражений АЧХ и ФЧХ для комплексной функции цепи; по карте нулей и
полюсов; автоматизированный расчет на основе топологии схемы и ее параметров).
Результаты каждого из методов тождественны друг другу. Это говорит о правильном
решении поставленной задачи.
На практическом примере был освоен метод построения карты
нулей и полюсов и построение АЧХ и ФЧХ по ней.
В результате работы был окончательно закреплён метод
составления матрицы проводимостей по МУП, и нахождение из неё входной и
передаточной функции.
Список
использованной литературы
1. Атабеков
Г.И. Основы теории цепей. - М.: Энергия, 1969. - с.424 с рис.
2. Мельникова
И.В. Основы теории цепей (методические указания по выполнению курсовой работы).
- Томск.: Томский межвузовский центр дистанционного образования, 2001. - с.65
. Дмитриев
В.Д. Лекции Томск 2011