Делитель частоты
МИНИСТЕРСТВО ОБРАЗОВАНИЯ И НАУКИ РФ
Федеральное государственное бюджетное
образовательное учреждение
высшего профессионального образования
«Национальный исследовательский
Томский политехнический университет»
Институт - Физико-технический
Направление - Ядерные физика и технологии
Кафедра - Физико-энергетические установки
Курсовой проект
по курсу «Электроника»
«Делитель частоты»
Студент гр.0А05
____________________ Р.В. Чернозем
Руководитель асс. Кафедры 24
___________________ А.А. Мезенцев
Томск - 2012
РЕФЕРАТ
Ключевые слова: СЧЕТЧИК, ОПТОПАРА, УСИЛИТЕЛЬ, КОЭФФИЦИЕНТ ДЕЛЕНИЯ,
ТРАНСФОРМАТОР, ВЫПРЯМИТЕЛЬ ТОКА, ФИЛЬТР, СТАБИЛИЗАТОР.
Заданием является разработка и обоснование функциональной и
принципиальной схемы устройства, подборка и расчет элементов принципиальной
схемы.
Цель работы - создать делитель частоты с коэффициентом деления 2,
удовлетворяющий требованиям технического задания.
В процессе работы рассмотрен делитель частоты, разработаны функциональная
и принципиальная схемы, произведены расчеты блока питания и остальных устройств
принципиальной схемы.
Результатом работы является делитель частоты с коэффициентом деления
сигнала - 2 и блок питания работающий от сети 220 В.
Курсовой проект выполнен в текстовом редакторе MicrosoftWord 2010, графическом редакторе
MicrosoftOfficeVisio и представлен на листах А4 и А3.
Содержание
Введение
. Обзор литературы
. Разработка и обоснование функциональной схемы
. Разработка полной принципиальной схемы
. Расчет и выбор элементов принципиальной схемы устройства
.1 Расчет источника питания для счетчика
.2 Расчет источника питания для гальванической развязки и
операционного усилителя
.3 Расчет остальных устройств принципиальной схемы
Заключение
Список источников
Введение
Часто в преобразовательных или измерительных устройствах необходимо
понижение частоты в несколько раз. Для этой задачи и необходим делитель
частоты. Наиболее часто для этого используют счетчики, хотя можно разделить
частоту с помощью ждущего мультивибратора, ограничив число проходящих на выход
импульсов.
В настоящее время делители частоты получили очень широкое распространение
в самых разнообразных видах радиоэлектронной аппаратуры.
Синтезаторы частоты, кварцевые и атомные часы, телевизионные устройства
синхронизации генераторов развёрток, частотомеры и др.- вот далеко не полный
перечень областей применения делителей частоты.
Появление первых разработок делителей частоты относится к 20-м годам XX века.
В электронике и электротехнике делитель частоты- это электронное
устройство, уменьшающее в целое число раз частоту подводимых к нему
периодических колебаний.
Гигантское количество логических элементов, необходимое для построения
современной вычислительной машины, привели к необходимости миниатюризации
элементной базы. Так возникла микроэлектроника, технологические возможности
которой позволяют на сегодняшнем уровне ее развития размещать на одном
кристалле полупроводника сотни и более активных и пассивных радиоэлементов.
Появление логических интегральных микросхем, первоначально предназначенных для
создания вычислительных машин, отразилось на принципах конструирования других
видов электронной аппаратуры: радио и проводной связи, радиолокации,
измерительной техники и т. п.
1. Обзор
литературы
Делители частоты необходимы для понижения частоты в несколько раз.
Можно сказать, что делитель частоты - это электронное устройство,
реализующее функцию:
(1)
цифровой делитель частота
где Твх и fвх - частота и
период входного сигнала;
fвых -
частота выходного сигнала делителя;
Кд - коэффициент деления.
Цифровой делитель частоты - это счётное устройство, формирующее на выходе
импульсную последовательность с частотой в Кд раз меньшей, чем частота
следования входных импульсов. Под импульсом будем понимать высокий уровень
логической 1, а под паузой низкий уровень логического 0. В качестве параметра
обычно выбирают не ток, а напряжение, уровень которого может быть высоким или
низким. Для построения счётного устройства, работающего в двоичной, десятичной
и других системах счисления, применяются двоичные (бинарные) элементы,
количество которых определяется числом разрядов коэффициента деления,
выраженного в двоичной системе счисления.[1]
Известно, что значения напряжений, соответствующих высоким и низким
уровням, могут колебаться в некотором диапазоне. Например, для ТТЛ
(транзисторно-транзисторная логика) напряжение +5В проходит с падением
напряжения на двух диодах по отношению к земле до 1,3В. В то время как КМОП
(комплементарные МОП-структуры) имеют более широкий диапазон: от +2 до +15 В.
Такие широкие диапазоны выбраны для того, чтобы изготовитель микросхем имел в
своём распоряжении определённый допуск, в пределах которого параметры схемы
могли бы колебаться за счёт изменения температуры, нагрузки, напряжения
питания, а также под воздействием шумов. Схема, получив сигнал, определяет его
уровень (высокий или низкий) и действует соответствующим образом. Если помеха
не превращает 1 в 0 или наоборот, то всё хорошо, и любые помехи отсеиваются на
каждой ступени, поскольку на выходе схемы восстанавливаются «чистые» значения 1
и 0. Цифровая электроника в этом смысле не подвержена влиянию помех и является
идеальной.
Основной параметр - коэффициент деления частоты N, определяемый как отношение частоты входного сигнала к
частоте выходного:


(2)
Коэффициент деления N
может иметь постоянное или переменное значение.
Делители частоты считают входные импульсы до некоторого задаваемого
коэффициентом счёта деления, а затем формируют сигнал переключения триггеров на
нулевое состояние, вновь начинают счёт входных импульсов до задаваемого
коэффициента счёта и т. д.
Особенностью делителя является то, что он имеет один вход.
В разнообразии схем делителей частоты можно выделить два основных класса
схем, отвечающих двум различным принципам построения данного вида устройств.
Первый
класс включает в себя схемы с некоторой колебательной системой, собственная
частота которой близка к выходной. Таким образом, искаженное колебание уже как
бы «заготовлено» заранее. В таких приборах возбуждаются колебания с частотой
, которая становится в точности равной
под действием поступающих на вход колебаний с
частотой
. Недостатком этих умножителей частоты является сравнительно
узкая полоса значений
, при которых возможна синхронизация. Характерной
чертой этих устройств является наличие обратной связи, при помощи которой
сравниваются два колебания. Примерами схем со сравнением являются
«регенеративные» делители.
Второй класс включает в себя схемы с «прямым» искажением входных
колебаний, приводящим к появлению гармоник или субгармоник входной частоты,
причем это искажение осуществляется без изменения свойств колебательной системы
(например, частоты настройки). Примерами искажающих схем являются делитель
частоты на триггере, делитель частоты на диодах с накоплением заряда.[1]
Рассмотрим подробнее каждый класс схем делителей частоты.
Примером схем со сравнением является «регенеративный» делитель,
структурная схема которого показана на рисунке 1. Рассматриваемое ниже
устройство было предложено еще в 20-х гг. специалистом Нортоном.
Рисунок 1 - Структурная схема «регенеративного» делителя частоты
Схема содержит одноактный смеситель, собранный на транзисторе, и активный
умножитель, также использующий один транзистор. Отличительной особенностью
подобных схем по сравнению со схемами, содержащими смесители, собранными по
сложной схеме, является большая склонность к самовозбуждению. Объясняется это
тем, что цепь обратной связи в схемах с однотактными смесителями не
«размыкается» в отсутствие внешней ЭДС делителя. Классическая ламповая схема
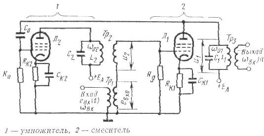
представлена на рисунке 2, а один из ее транзисторных аналогов - на рисунке 3.
Рисунок 2 - Принципиальная схема «регенеративного» делителя частоты на
лампах
Рисунок 3 - Принципиальная схема «регенеративного» делителя частоты на
транзисторах
Лампа
или транзистор
образует
колебание комбинационной частоты и соответствует смесителю на
рис.1(преобразователь частоты). Умножитель частоты в (n-1) раз
содержит лампу
или транзистор
. В схеме
рис.2 умножитель обычно работает с сеточными токами. Зависимость его
коэффициента передачи
от входной амплитуды показана на рисунке 4.
Рисунок
4 - График зависимости коэффициента К2 от входной амплитуды
Что
касается лампового смесителя, то его входное сопротивление обычно весьма
велико. Амплитуда выходного колебания смесителя нелинейно зависит от амплитуд
обоих колебаний на входе. При не слишком больших напряжениях, развиваемых
умножителем, коэффициент передачи
смесителя
на электронной лампе показан на рисунке 5,кривая а.
Одной
из важных особенностей транзисторной схемы является малое входное сопротивление
обоих каскадов, чем объясняется часто применяемое неполное непосредственное
подключение транзисторов к контурам или использование сильно понижающих
трансформаторов
-
в направлении «контур» - «вход транзистора».
В
настоящее время ламповые «регенеративные» схемы практически не используются.
Тем не менее, они являются удобным объектом первоначального исследования по
двум причинам. Во-первых, основной механизм явлений выявляется в них весьма
наглядно, не осложненный такими фактами, как, например, нелинейности емкостей и
низкие входные сопротивления транзисторов. Во-вторых, строгое исследование
транзисторных делителей в настоящее время не может быть проведено из-за
отсутствия адекватной теории транзистора-умножителя частоты и
транзистора-делителя при высоких частотах. Однако недостатком схем
«регенеративных» делителей на лампах или транзисторах является их сложность, а
также длительные расчеты на этапе их проектирования.
Примером
искажающих схем делителей частоты является делитель на триггере. Структурная
схема такого устройства показана на рисунке 6.
Рисунок
6 - Структурная схема делителя частоты с искажением
Искажающее
устройство управляется блоком памяти, запоминающим число периодов. В простейшем
случае блок «пропускает» на выход каждый
n-й период
колебания и не «пропускает» всех остальных. Наибольшее распространение такие
делители нашли при делении частоты следования импульсных колебаний.
Для
построения делителей частоты с требуемым коэффициентом деления используется
комбинация соответствующего числа двоичных разрядов с нужным числом прямых,
обратных прямых связей (рисунок 7). Прямой называют такую связь, которая
осуществляется между выходом разряда с номером i-1 и одним из
входов разряда с номером большего i-го. Обратными называют такие
связи, которые осуществляются от последующих к предыдущим разрядам.
Рисунок 7 - Схема осуществления связей между разрядами
В зависимости от способа запуска двоичных разрядов различают асинхронные,
синхронные и комбинированные делители частоты. В асинхронных делителях первый
разряд переключается входной импульсной последовательностью, а все последующие
разряды переключаются от предыдущих. В синхронных делителях входная импульсная
последовательность поступает на все разряды одновременно. Комбинированные
делители частоты представляют собой совокупность асинхронных и синхронных
делителей.
Основными характеристиками делителей являются коэффициент деления,
быстродействие делителя, потребляемая мощность. Быстродействие делителя
характеризуется максимальной частотой следования импульсов на входе делителя,
при которой сохраняется его работоспособность, и зависит от быстродействия
используемых триггеров и способа их соединения и запуска. Потребляемая мощность
делителя характеризует его экономичность и определяется потребляемой мощностью
используемых элементов и их количеством. Схема такого делителя показана на
рисунке 8.
Рисунок
8 - Принципиальная схема делителя частоты с коэффициентом 16, на триггерах
Элемент
DD1 представляет собой микросхему-делитель частоты, содержащую
один или несколько триггеров. Данная схема выгодно отличается от предыдущих
схем на транзисторах и лампах значительной простотой и ненадобностью длительных
расчетов.
В настоящее время микросхемы находят все большее применение, благодаря их
небольшим габаритам и массе, малому энергопотреблению, высокой надежности и
технологичности.
Потребляемая мощность (Р) делителя характеризует его экономичность и
определяется потребляемой мощностью используемых элементов и их количеством.
При проектировании делителей частоты необходимо учитывать, что триггеры с
меньшим быстродействием потребляют меньшую мощность и в тех случаях, когда это,
возможно, следует использовать триггеры с меньшим быстродействием.
2. Разработка и обоснование функциональной схемы
Делители частоты, как правило, не являются функционально самостоятельными
устройствами. Они входят в состав частотомеров, часов, синтезаторов частоты и
др.
Различие требований к делителям частоты, входящим в состав
радиоаппаратуры, а также непрерывное совершенствование схемотехники и
элементной базы привели к созданию многочисленных структур делителей частоты на
ИМС. Построение умножителей частоты на основе микросхем - делителей частоты
обеспечивает стабильную работу устройства при изменении частоты входного сигнала
в широких пределах и позволяет повысить точность преобразования сигнала.
Данная функциональная схема состоит из источника питания, четырех
разрядного двоично-десятичного счетчика, работающего в режиме двоичного
счетчика, гальванической развязки и операционного усилителя.
Блок питания состоит из трансформатора, выпрямителя тока, фильтра высоких
и средних частот и стабилизатора.
Рисунок 9 - Функциональная
схема блока питания
Трансформатор нужен для преобразования входного тока и напряжения в
необходимое для работы устройств схемы. Выпрямитель используется для
преобразования переменного тока в постоянный. Фильтр служит для выделения
желательных компонентов спектра электрического сигнала и подавления
нежелательных. Стабилизатор получает питание от внешнего источника и выдаёт на
своем выходе напряжение, не зависящее от напряжения питания (то есть
обеспечивает более постоянное напряжение).
При поступлении напряжения на счетчик, он преобразует частоту таким
образом, что при снятии сигнала с первого выхода счетчика, получается сигнал с
частотой, деленной на заданный коэффициент (2). Гальваническая развязка
используется для передачи сигналов, бесконтактного управления и для защиты
электрической цепи от токов, превышающих максимально допустимое значение в
устройстве. Усилитель служит для усиления подаваемого со счетчика сигнала, а в
данном случае он также обеспечивает стабильность работы счетчика из-за
присутствия в схеме гальванической развязки.
Рисунок
10 - Функциональная схема устройства
Функциональная схема приведена в Приложении А.
3. Разработка полной принципиальной схемы
Исходя из технического задания, в данном разрабатываемом устройстве можно
выделить 4 основные части: блок питания, счетчик, гальваническая развязка и
операционный усилитель.
Для работы счетчика, ЭГР и усилителя необходим блок питания. Расчет блока
питания представлен ниже. Принципиальная блока питания схема представлена в
приложении Б.
В качестве счетчика используется микросхема КР561ТМ2 (Рисунок 11).
Микросхема представляет собой два двухступенчатых D-триггера со входами
асинхронной установки и сброса и противофазными выходами.
Двухтактный D-триггер микросхемы К561ТМ2 работает следующим образом: По
фронту первого импульса синхронизации на входе C логический уровень со входа D
записывается в первый однотактный D-триггер. По фронту второго синхроимпульса
на входе C информация записывается во вторую ступень триггера и на выходе Q
устанавливается уровень, присутствовавший на входе D перед первым
синхроимпульсом. Таким образом, на выходе двухтактного D-триггера сигнал
задерживается на один такт (период следования синхроимпульсов).
Рисунок 11 - Графическое обозначение ИМС К561ТМ2
Ниже приведены характеристики микросхемы К561ТМ2.
Таблица 1 -Основные электрические параметры микросхемы К561ТМ2.
|
Напряжение источника
питания
|
3 - 15 В
|
|
Выходной ток
|
не более 20 мА
|
|
Максимальное напряжение на
входе
|
18 В
|
|
Ток потребления
|
8 мА
|
|
Напряжение высокого уровня
на выходе
|
8,2 В
|
Таблица 2 - Назначения выводов микросхемы К561ТМ2.
|
01
|
Q1
|
Выход первого триггера
|
|
02
|
Q1
|
Инверсированный выход
первого триггера
|
|
03
|
C1
|
Вход на первый триггер
|
|
04
|
R1
|
Сброс системы
|
|
05
|
D1
|
Вход на первый триггер
|
|
06
|
S1
|
Установка системы в 0
|
|
07
|
Gnd
|
|
08
|
S2
|
Установка системы в 0
|
|
09
|
D2
|
Вход на второй триггер
|
|
10
|
R2
|
Сброс системы
|
|
11
|
C2
|
Вход на второй триггер
|
|
12
|
Q2
|
Выход второго триггера
|
|
13
|
Q2
|
Инверсированный выход
второго триггера
|
|
14
|
Vcc
|
Вход для питания микросхемы
|
В качестве гальванической развязки используется транзисторнаяоптопара
АОТ102А (рисунок 13). Транзисторныеоптопары рядом своих свойств выгодно
отличаются от других видов оптронов. Это, прежде всего, схемотехническая
гибкость, проявляющаяся в том, что коллекторным током можно управлять как по
цепи светодиода (оптически), так и по базовой цепи (электрически), а также в
том, что выходная цепь может работать и в линейном и в ключевом режиме. Их
выходные токи значительно выше, чем, например, у фотодиодов, что делает их
пригодными для коммутации широкого круга электрических цепей. Наконец, следует
отметить, что все это достигается при относительной технологической простоте
транзисторныхоптопар.
Рисунок 12 - Графическое обозначение транзисторнойоптопары
Таблица 3 - Основные электрические параметры оптопарыАОТ102А
|
Входной ток
|
40 мА
|
|
Входное напряжение
|
2 В
|
|
Выходной ток
|
50 мА
|
|
Выходное напряжение
|
0,5 В
|
Для усиления выходного сигнала используется усилитель типа КР1407УД1.
Таблица 4 - Основные характеристики операционного усилителя КР1407УД1
|
Количество каналов
|
1
|
|
Напряжение питания,В
|
±5
|
|
Частота, МГц
|
3
|
|
Напряжение смещения,
|
мВ 30
|
|
Температурный диапазон, C
|
-45…+70
|
Рисунок
13 - Графическое обозначение усилителя
Для
работы счетчика, ЭГР и усилителя необходим блок питания (рисунок 14).
Обозначения блока питания приведены ниже.
Рисунок 14 - Схема источника блока питания
Полная принципиальная схема приведена в Приложении Б.
4. Выбор и
расчет элементов принципиальной схемы
.1 Расчет
источника питания для счетчика
Данные блока питания:
Напряжение нагрузки Uн=5 В;
Входное напряжение для блока питания Uвх=220 В;
Частота входного напряжения f=50 Гц;
Максимальный ток нагрузкиIнмах =8мА+5мА+16мА=29 мА
Допустимое отклонение питающего напряжения α=0,15, т.е. ±15%
Обозначения в блоке питания:
- DA1 - Стабилизатор напряжения;
Мост VD1 - VD4 - Выпрямитель напряжения;
- C1 - Сглаживающий конденсатор;
Т1 - Сетевой трансформатор.
- UI- напряжение первичной обмотки трансформатора;
- UII- напряжение вторичной обмотки трансформатора;
- UVD1- падение напряжения на диодном мосте;
- UC- напряжение на конденсаторах;
- UDA1- падение напряжения на микросхеме DA1.
Расчет стабилизатора DA1 :
Характеристики данной микросхемы должны удовлетворять следующим условиям
[5]:
) UDA1вых = Uн ; (3)
В качестве DA1 Выбрана
микросхема типа К142ЕН5В, которая обладает следующими параметрами:
Таблица 5 - Параметры стабилизатора DA1
|
Тип
|
нерегулируемый
|
|
Выходное напряжение, В
|
5
|
|
Ток нагрузки, А
|
2
|
|
Тип корпуса
|
4116.4-2
|
|
Максимальное входное
напряжение, В
|
15
|
|
Нестабильность по
напряжению, %
|
0.05
|
|
Нестабильность по току, %
|
1
|
|
Мощность рассеиваемая
макс., Вт
|
5
|
|
Температурный диапазон, C
|
-60…+125
|
|
Разность напряжений
вход-выход
|
2,5 В
|
Данная микросхема удовлетворяет условиям: 5 В ≥ 5 В и 2,0 А ≥
0,029 А. Исходя из этого, произведен расчет постоянного напряжения UC , которое требуется для работы DA1:

(5)
Следовательно,
напряжение на конденсаторе С1 никогда не должно падать ниже уровня в 7,5 В.
Расчет
емкости конденсатора С1:
Напряжение
на конденсаторе С1представлено на рисунке 15.
Пусть
∆UC = 1 В. Конденсатор С1 можно рассчитать по следующей
формуле:
= 
(6)
Рисунок
15 - Вид напряжения на конденсаторе
При
этом минимально необходимое амплитудное значение напряжения на конденсаторе UC1
составит:

(7)
Расчет
минимального амплитудного значения напряжения вторичной обмотки трансформатора
Т1:

(8)
где
UVD1 = 1.4 B -
падение напряжения на диодном мосте VD1-VD4, оно
рассчитывается как сумма падения напряжений на двух открытых диодах (0,7*2 =
1,4 B).
Расчет
минимального действующего значения на вторичной обмотке трансформатора [4]:

(9)
Расчет
номинального действующего значения напряжения на вторичной обмотке, т.е. при UBX=220 B:

(10)
Выбор
трансформатора Т1.
Трансформатор
выбирается исходя из следующих условий:
; (11)
; (12)
Выбран трансформатор типа ТПК-0,7 обладающий следующими характеристиками:
Таблица 6 - Характеристики трансформатора Т1
|
Выходное напряжение
|
9 В
|
|
Допустимый ток нагрузки
|
0,08 А
|
|
Мощность
|
1,5 Вт
|
Для трансформатора данного типа наложенные условия [4]:
В ≥ 8,15 В; 0, 08 А ≥ 0,029 А;
С учетом параметров выбранного трансформатора, рассчитано максимальное
амплитудное значение напряжения на конденсаторе С1:

(13)
Напряжение
UС1(ампл)max не
превышает 15 В - максимально возможного входного напряжения стабилизатора DA1.
Кроме того, точно знаяUС1(ампл)мах, можно определить тип конденсатора C1:
конденсатор марки К50-35 имп: максимальное напряжение 16 В, емкость 1000 мкФ.
Таблица
7 - Характеристики конденсатора К50-35
|
ТипК50-35
|
|
|
Рабочее напряжение,В
|
16
|
|
Номинальная емкость,мкФ
|
1000
|
|
Рабочая температура,С
|
-40...85
|
|
Выводы/корпус
|
радиал.пров.
|
|
Диаметр корпуса D,мм
|
10
|
17
|
Расчет мощности микросхемы DA1:

(14)
Эта
мощность не превышает предельной для выбранного типа микросхемы значения - 2
Вт.
Выбор
диодного мостаVD1:
Данный
диодный мост должен удовлетворять следующим условиям:
)
обратное напряжение моста >UII(ампл)
МАХ;
)
средний выпрямленный ток моста >IHMAX .
Выбран
диодный мост типа КЦ405Е:
обратное
напряжение 100 В, средний выпрямленный ток 1 А.
Очевидно,
что условия выполняются:

(15)
В>>
В; 1 А
>>
А.
.2
Расчет источника питания для остальных элементов
Данные
блока питания:
- Напряжение нагрузки - Uн=5 В;
Входное напряжение для блока питания Uвх=220 В;
Частота входного напряжения f=50 Гц;
Максимальный ток нагрузкиIнмах =4,5мA+15мА=19,5мА
Допустимое отклонение питающего напряжения α=0,15, т.е. ±15%
Обозначения в блоке питания:
- DA2 - Стабилизатор напряжения;
Мост VD5 - VD8 - Выпрямитель напряжения;
- C2 - Сглаживающий конденсатор;
Т2 - Сетевой трансформатор.
- UI- напряжение первичной обмотки
трансформатора;
- UII- напряжение вторичной обмотки
трансформатора;
- UVD2- падение напряжения на диодном мосте;
- UC- напряжение на конденсаторах;
- UDA2- падение напряжения на микросхеме DA2.
Расчет стабилизатора DA2 :
Характеристики данной микросхемы должны удовлетворять следующим условиям:
) UDA1вых = Uн ;(16)
) IDA1max ≥ Uнmax ; (17)
В качестве DA2 выбрана
микросхема типа КР142ЕН5В, которая обладает следующими параметрами:
Таблица 8 - Параметры стабилизатора DA2
|
Выходное напряжение
микросхемы (фиксированное)
|
5 В
|
|
Предельный ток нагрузки
|
2 А
|
|
Разность напряжений
вход-выход
|
2,5 В
|
|
Предельная рассеиваемая
мощность
|
2 Вт
|
|
Максимальное входное
напряжение
|
15 В
|
Данная микросхема удовлетворяет условиям: 5 В ≥ 4,5 В и 2 А ≥
0,0195 А. Исходя из этого, рассчитана минимально необходимая величина
постоянного напряжения UC , которая требуется для работы DA2:

(18)
Следовательно,
напряжение на конденсаторе С2 никогда не должно падать ниже уровня
7,5 В.
Расчет
емкости конденсатора С2:
Напряжение
на конденсаторе С2 представлено на рисунке 16.
Пусть
∆UC = 1 В. Конденсатор С2 можно рассчитать по
следующей формуле:

= 
(19)
При
этом минимально необходимое амплитудное значение напряжения на конденсаторе UC2
составит:

(20)
Расчет
минимального амплитудного значения напряжения вторичной обмотки трансформатора
Т1:

(21)
Рассчитываем
минимальное действующее значение на вторичной обмотке трансформатора:

(22)
Расчет
номинального действующего значения напряжения на вторичной обмотке, т.е. при UBX=220 B:

(23)
Трансформатор
выбирается исходя из следующих условий:
; (24)
; (25)
Выбран
трансформатор типа ТПК-0,7, обладающий следующими характеристиками:
Таблица
9- Характеристики трансформатора Т2
|
Выходное напряжение
|
9 В
|
|
Допустимый ток нагрузки
|
0,08 А
|
1,5 Вт
|
Для трансформатора данного типа наложенные условия и выполняются: 9 В ≥
8,05 В; 0,08 А ≥ 0,0195 А;
С учетом параметров выбранного трансформатора рассчитано максимальное
амплитудное значение напряжения на конденсаторе С2:

(26)
Напряжение
UС2(дейст)мах не превышает 15 В -
максимально возможного входного напряжения стабилизатора DA2.
Кроме того, точно зная UС2(ампл)мах, можно определить тип конденсатора C2: выбран конденсатор марки К50-35 максимальное
напряжение 16 В, емкость 1000 мкФ (полное описание в Таблице 7).
Расчет
мощности микросхемы DA1:

(27)
Эта
мощность не превышает предельной для выбранного типа микросхемы значения - 2
Вт.
Выбор
диодного мостаVD2:
Данный
диодный мост должен удовлетворять следующим условиям:
)
обратное напряжение моста >UII(ампл)
мах;
)
средний выпрямленный ток моста >Iнmax .
Выбран
диодный мост типа КЦ405Е: обратное напряжение 100 В, средний выпрямленный ток 1
А.
Очевидно,
что условия выполняются:

(28)
100
В>>13,09 В; 1 А >> 0,0195 А.
.3
Расчет остальных устройств принципиальной схемы
Рассчитываем
сопротивление R1, оно необходимо для работы светодиода. Ток,
потребляемый счетчиком составляет 0,08 А. Тогда ток на выходе из делителя: IVU1 = 0,029А
- 0,08А=0,021А Падение напряжения на диоде равно UVU1=2 В. Напряжение на выходе счетчика равно UDD1(вых)= 8
В. Следовательно, R1
рассчитывается по формуле:

(29)
Сопротивление
R2
необходимо для создания падения напряжения на фоторезисторе, которое не должно
быть более 0,5 В (
).

(30)
Сопротивление
R3 необходимо для усилителя. Так как падение напряжения
на открытом транзисторе составляет 0,5 В, коэффициент усиления должен быть
равен 9. Коэффициент усиления в данной работе рассчитывается по формуле:

(31)
Следовательно,
сопротивления R3 и R4 можно выбрать, как 1 кОм и 8 кОм соответственно.
В
соответствии с расчётом выбраны резисторы типов:
R1: С2-10-0,5 -
280Ом ±0,5%, R2: С2-10-0,5 - 360Ом ±0,5% , R3:
С2-10-0,5 - 1кОм ±0,5%, R4: С2-10-0,5 - 8кОм ±0,5%.
Поскольку
электролитические конденсаторы большой емкости хорошо фильтруют низкочастотные
колебания, в схему необходимо включить керамические конденсаторы малой емкости,
которые, в свою очередь, хорошо фильтруют высокочастотные колебания. Выбраны
два конденсатора типа К10-50б. Добавление в схему данных устройств повышает стабильность
входного сигнала стабилизаторов.
Заключение
В данной работе было необходимо разработать делитель частоты с
коэффициентом деления 2, а так же блок питания, работающий от сети 220 В.
Устройство, разработанное по данной схеме, обеспечивает деление входной частоты
импульсов в 2 раза. В качестве основной микросхемы выбрана К561ТМ2, из-за её
простоты и соответствия требованиям, предъявляемым к делителю. Счетчик, как
таковой, является делителем частоты, поскольку происходит отбор импульсов по
определенному правилу (с определенным коэффициентом деления). Данная часть
курсового проекта содержит необходимое количество рисунков и схем, которые
наглядным образом отражают особенности элементов.
Разработанная схема отличается простотой реализации и стабильностью
сигнала на выходе.
Так же в данной схеме использовалась гальваническая развязка, что
повлияло на надежность работы в целом, и операционный усилитель, необходимый
для усиления подаваемого с гальванической развязки сигнала и обеспечения
стабильности её работы.
Список литературы:
1 Гусев В.Г., Гусев Ю.М. Электроника: Учеб. Пособие для
приборостроит. Спец. Вузов. - 2-е изд., перераб. и доп. - М.: Высш. Шк. 1991. -
622 с.: ил.
2 Вениаминов В.Н. Микросхемы и их применение, - М.:
Радио и связь, 1989.
Справочник: Логические ИС под редакцией - ч.1
Вильнин А.Д. Методические указания: расчет
однополярного блока питания.
5 Чурсин Ю.А. Основы схемотехники. Учебное пособие.- Томск:
Издательство Томского политехнического университета,2008.-124с.