Разработка схемы программируемого делителя частоты

  • Вид работы:
    Курсовая работа (т)
  • Предмет:
    Информатика, ВТ, телекоммуникации
  • Язык:
    Русский
    ,
    Формат файла:
    MS Word
    895,67 Кб
  • Опубликовано:
    2012-11-20
Вы можете узнать стоимость помощи в написании студенческой работы.
Помощь в написании работы, которую точно примут!

Разработка схемы программируемого делителя частоты

Содержание

 

Задание

Введение

1. Теоретическое обоснование схемного решения

Упрощенная структурная схема делителя

Ввод коэффициента деления

Составление электрической принципиальной схемы устройства

Вывод

Список литературы

Задание

Разработать схему программируемого делителя частоты.

Коэффициент деления 2,6,17,36,60,100.

Задание коэффициента деления - переключатель.

делитель частота параметр схемный

Введение


Электроника представляет собой бурно развивающуюся отрасль науки и техники. Она изучает физические основы и практическое применение различных электронных приборов.

Часто при использовании преобразовательных или измерительных устройств необходимо осуществить понижение частоты электрических сигналов в несколько раз. С этой задачей справляются делители частоты электрических сигналов. Делители частоты электрических сигналов в настоящее время получили очень широкое распространение в самых разнообразных видах радиоэлектронной аппаратуры, например в кварцевых и атомных часах, телевизионных устройствах синхронизации генераторов развёрток, частотомерах и других устройствах.

Основной параметр делителя частоты - коэффициент деления частоты , определяемый как отношение частоты входного сигнала к частоте выходного:


где  - частота входного сигнала;

 - частота выходного сигнала делителя;

 - коэффициент деления.

Коэффициент деления может иметь постоянное или переменное значение.

1. Теоретическое обоснование схемного решения


В данном курсовом проекте в качестве делителя частоты я использовал асинхронный двоичный счетчик. Асинхронные счетчики строятся из простой цепочки JK-триггеров, каждый из которых работает в счетном режиме. Выходной сигнал каждого триггера служит входным сигналом для следующего триггера. Поэтому все разряды (выходы) асинхронного счетчика переключаются последовательно (отсюда название - последовательные счетчики), один за другим, начиная с младшего и кончая старшим. Каждый следующий разряд переключается с задержкой относительно предыдущего (рис.2), то есть, вообще говоря, асинхронно, не одновременно с входным сигналом и с другими разрядами. На (рис.1) показан вариант без задержки.

Рис. 1 Временная диаграмма делителя без задержки

Рис. 2 Временная диаграмма делителя на асинхронном счетчике

Чем больше разрядов имеет счетчик, тем большее время ему требуется на полное переключение всех разрядов. Задержка переключения каждого разряда примерно равна задержке триггера, а полная задержка установления кода на выходе счетчика равна задержке одного разряда, умноженной на число разрядов счетчика. Легко заметить, что при периоде входного сигнала, меньшем полной задержки установления кода счетчика, правильный код на выходе счетчика просто не успеет установиться, поэтому такая ситуация не имеет смысла. Это накладывает жесткие ограничения на период (частоту) входного сигнала, причем увеличение, к примеру, вдвое количества разрядов счетчика автоматически уменьшает вдвое предельно допустимую частоту входного сигнала.

Асинхронный счетчик очень прост в управлении. В данном проекте я использовал все микросхемы - КМОП. В технологии КМОП используются полевые транзисторы с изолированным затвором с каналами разной проводимости. Отличительной особенностью схем КМОП по сравнению с биполярными технологиями (ТТЛ, ЭСЛ и др.) является очень малое энергопотребление в статическом режиме (в большинстве случаев можно считать, что энергия потребляется только во время переключения состояний).

Подавляющее большинство современных логических микросхем, в том числе, процессоров, используют схемотехнику КМОП.

В качестве самого делителя я взял микросхему К176ИЕ1.

Рис. 3

Микросхема К176ИЕ1 - шестиразрядный двоичный счётчик-дeлитель, который удобно использовать совместно с таймером. Каждый отсчёт кода на выходах соответствует отрицательному перепаду на тактовом входе С. Сброс выходных данных в ноль - асинхронный, когда на вход R придёт высокий уровень.

Содержит 124 интегральных элемента.

Зарубежным аналогом микросхемы К176ИЕ1 является микросхема CD4028.

Рис. 4

,13 - входы

,6,8,9 - свободные

-5, 10-12 - выходы

- общий

- питание

Электрические параметры:

Номинальное напряжение питания 9 В ±5%

Выходное напряжение низкого уровня ≤ 0,3 В

Выходное напряжение высокого уровня ≥ 8,2 В

Выходной ток низкого уровня ≤ 0,3 мкА Выходной ток высокого уровня ≤ 0,3 мкА

Ток потребления в состоянии низкого и высокого уровней ≤ 20 мкА

Значение мощности на 1 функциональный элемент ≤ 21 мВт

Ток потребления в динамическом режиме ≤ 2,1 мА

Максимальная тактовая частота ≥ 1 МГц

Входная емкость ≤ 10 пФ

Нагрузочная способность в статическом режиме в диапазоне температуры от - 45 до +85°С ≤ 20

Рис. 5 Размеры микросхемы.

В данном проекте нам нужно делить в произвольное число раз (не в 10 и не в , что легко обеспечивается самой структурой стандартных счетчиков). В этом случае можно организовать сброс счетчика при достижении им требуемого кода путем введения обратных связей.

Рассмотрим пример деления частоты на 17. (Данное число является одним из коэффициентов нашего программируемого делителя).


Рис.6. Делитель на 17

Рис.7. Временная диаграмма работы делителя на 17.

При достижении выходным кодом значения 17 (то есть 10001) счетчик автоматически сбрасывается в нуль по входу R, и счет начинается снова. В результате частота выходного сигнала в 17 раз меньше частоты входного сигнала. На основе этого принципа я обеспечил коэффициентами деления свой программируемый делитель. Делитель должен быть управляемым. Разберем принцип управления, применительно к упрощенной структурной схеме, а от нее будем переходить к конкретной принципиальной.

 

Упрощенная структурная схема делителя

 

Рис.8. Упрощенная структурная схема.

Структурная схема состоит и 3 основных блоков.

) Устройством управления мы осуществляем выбор коэффициента деления, путем изменения управляющего кода на его входе.

) Устройство коммутации выбирает тот выход счетчика, с которого нужно снять частоту, соответствующую данному коэффициенту деления.

Принцип работы по структурной схеме.

На вход счетчика подаем тактовые импульсы с частотой, которую необходимо разделить. Устройство управления и устройство коммутации (представляющие собой мультиплексоры) обеспечивают выбор заданного коэффициента деления и выбор необходимого выхода счетчика, для снятия нужной частоты. Заданный коэффициент деления обеспечивается устройством управления, путем соединения необходимых выходов счетчика (через элемент "и") с входом сброса. Выбирается коэффициент деления посредством введения в него управляющего кода. Управляющий код вводится с помощью механических переключателей, каждый из которых имеет два положения: либо "лог 1", либо "лог 0". Одновременно этот же код поступает на устройство коммутации, которое выбирает необходимый выход, для снятия номинальной частоты.

Устройство управления и устройство коммутации идентичны по своей структуре и представляют собой мультиплексоры К561КП2, так же КМОП.

Рис.9. Мультиплексор К561КП2

Микросхема К561КП2 (CD4051A) - мультиплексор, содержащий восемь каналов коммутации цифровых и аналоговых сигналов. Мультиплексор К561КП2 (CD4052A) имеет восемь входов и один выход.

Восьмиканальный вариант К561КП2 (CD4051A) управляется трехразрядным входным кодом (1, 2,4). Мультиплексор имеет вход разрешения S. Если на нём присутствует высокий уровень, то все каналы размыкаются. Сопротивление включенного канала при Uи. п = 5 В находится в пределах 0,5.2,5 кОм, при Uи. п = 15 В оно существенно уменьшается (0,13.0,28 кОм).

Технические данные К561КП2:

Рис.10.

Передаваемый через мультиплексор сигнал может быть как аналоговым, так и цифровым, он может передаваться как со входов на выход (микросхема работает в режиме мультиплексора), так и с выхода распределяться на входы (режим демультиплексора).

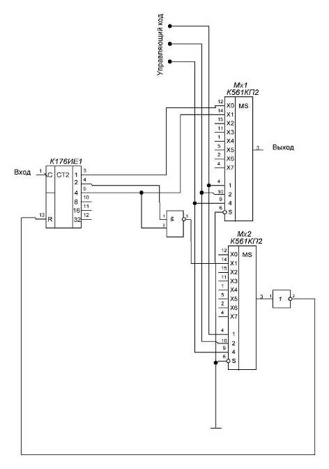
Разберем принцип работы делителя по электрической схеме, применительно к двум коэффициентам деления. Возьмем N=2 и N=6.

Рис.11. Делитель на 2 и 6.

На вход счетчика подается частота, которую необходимо делить.

Чтобы получить деление на 2, на адресные входы первого (Мх1) и второго (Мх2) мультиплексоров подается управляющий код 000, вследствие чего мультиплексор Мх1 соединяет вход Х0 с выходом. А на вход Х0 как раз и подходит сигнал с частотой, разделенной на 2. Мх2 в данном случае не задействован.

Для того, чтобы получить деление на 6, на адресные входы Мх1 и Мх2 подается код 100, вследствие чего Мх2 свой вход Х1 соединяет с входом сброса счетчика, но через инвертор, тк на вход поступает инверсный код, а счетчик сбрасывается по высокому уровню на входе R. Одновременно с входом Х1 Мх2 открывается вход Х1 мультиплексора Мх1, т.к. на его адресный вход тоже поступает этот же управляющий код. А вход Х1 Мх1 как раз соединяет необходимый выход счетчика (5) с выходом всей схемы делителя.

Таким образом, мы получили программируемый делитель частоты на 2 и 6.

 

Ввод коэффициента деления


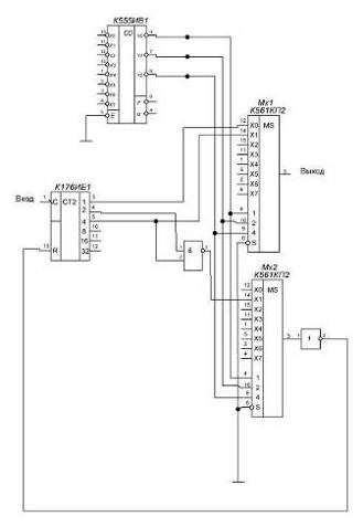
Для того чтобы не вспоминать коды, соответствующие различным коэффициентам деления, я добавил в схему приоритетный шифратор К555ИВ1.

Микросхема К555ИВ1 представляет собой приоритетный шифратор 8х3. Он преобразует восьмипозиционный код в трёхразрядный двоичный код. Шифратор К555ИВ1 имеет инверсные входы и выходы т.е. активный уровень на всех выводах - низкий.

При высоком уровне на входе разрешения E на всех выходах установлены высокие уровни сигнала. При подаче на вход E низкого активного уровня на выходе переноса P устанавливается уровень лог.1 и возможна шифрация сигнала: при подаче лог.0 на любой из информационных входов X0-X7 на выходе G появляется лог.0 (признак входного сигнала) а на выходах Y0-Y2 инверсный двоичный код, соответствующий номеру активного входа.

Приоритетность шифратора выражается в том, что если активный низкий уровень появляется одновременно на нескольких информационных входах то выходной код будет соответствовать активному входу с большим номером.

Технические параметры К555ИВ1:

Рис.12

Рис.13. Условное обозначение К555ИВ1.

Рис.14. Назначение выводов К555ИЕ1.

Рис.15. Таблица истинности шифратора К555ИЕ1.

Рис.15. Делитель на 2 и 6 с шифратором на входе.

Рассмотрим принцип работы делителя на 2 и 6 (рассмотренного ранее) с шифратором.

Итак, чтобы ввести код мы должны иметь три переключателя, с помощью которых будем подавать напряжение на адресные входы мультиплексоров. Это достаточно неудобно, т.к. приходится запоминать коды, соответствующие коэффициентам деления.

При использовании шифратора мы будем иметь 6 ключей, но если мы заранее выберем ключ, соответствующий каждому коэффициенту деления, использование делителя будет достаточно удобно.

Сейчас мы знаем, что если нам нужно разделить частоту на 2, то подаем код 000 на адресные входы мультиплексоров. Если делим частоту на 6, то подаем код 100.

В соответствии с истинности шифратора К555ИЕ1 на (рис.15.) чтобы подать код 000, нам нужно на вход Х7 шифратора подать лог.0. А если делим частоту на 6 (код 100), то нужно подать на вход Х6 шифратора лог.0, который в свою очередь на выходе даст нам необходимый код.

Таким образом, с помощью такого устройства, как шифратор, мы существенно упростили процесс введения кода. Нужно просто выбрать необходимый переключатель, а остальное шифратор сделает сам.

Составление электрической принципиальной схемы устройства


Прежде чем перейти к заключительной схеме, следует сказать, что в ней я использовал, в качестве элементов "и", "не", следующие микросхемы:

К561ЛА7

Рис.16.

К176ЛП12

Рис.17

Обе микросхемы выполнены в исполнении КМОП.

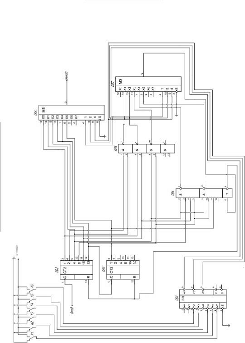
Рис.18. Делитель частоты на 2,6,17,36,60,100.

Спецификация:

Поз. обозна-чение

 Наименование

 Кол.

 Примечание

DD1

Шифратор К555ИВ1

1


DD2,DD3

Счетчик К176ИЕ1

2


DD4

К176ЛП12

1


DD5

К561ЛА7

1


DD6,DD7

2






K1…K6

Переключатель коммутационный

6



Принцип работы.

Так как принцип работы отдельных устройств, применительно к коэффициентам деления 2,6,17, был разобран, разберем принцип работы данной схемы для деления на 36. Деление на 60 и 100 осуществляется аналогично, и поэтому разбирать их не имеет смысла.

Деление на 36.

На вход счетчика DD2 подается сигнал, частоту которого необходимо делить. Для того, чтобы включить счетчик в режим деления на 36 необходимо ключ К4 переключить в положение соединения с общим проводом. Все остальные ключи должны находиться в положении, соответствующем высокому уровню на их контактах. После переключения ключа К4 шифратор DD1 на выходе формирует код 110, который подается на адресные входы мультиплексоров DD6 и DD7. Данный код соответствует открытию входа Х3 обоих мультиплексоров.

На вход Х3 мультиплексора DD7 поступает импульс, сформированный элементом 2ИНЕ микросхемы DD5 из импульсов счетчика DD2. В связи со структурой микросхемы DD5 данный импульс становится инвертированным, а так как в нашем счетчике вход R требует не инвертированного импульса, выход мультиплексора DD7 соединен с входом R счетчиков через очередной инвертор, встроенный в микросхему DD4.

На вход X3 мультиплексора DD6 поступает сигнал с нужной частотой, который проходит на выход схемы.

Рис. 19. Временная диаграмма работы делителя частоты, при делении на 36.

Вывод


В ходе работы я получил программируемый делитель частоты с фиксированными коэффициентами деления. В схему входят в основном элементы КМОП. Каждому коэффициенту деления соответствует свой переключатель. Это сильно увеличивает габариты, но и достаточно упрощает использование. В данной схеме не рассчитывалось напряжение питания, не учитывались задержки и др.

Ниже таблица, в которой каждому ключу приведен свой постоянный коэффициент деления.

Переключатель

Коэффициент деления

К1

2

К2

6

К3

17

К4

36

К5

60

К6

100

 

Список литературы


1.       В.Л. Шило. Популярные цифровые микросхемы. 1987.

2.       Угрюмов. Цифровая схемотехника. 2010.

.        А.Ю. Зорин. Условные графические обозначения на электрических схемах.

.        Хоровиц. Хилл. Искусство схемотехники.

.        Усатенко С.Т. и др. - Выполнение электрических схем по ЕСКД. 1989.


Не нашли материал для своей работы?
Поможем написать уникальную работу
Без плагиата!
Без нейросетей!