Разработка экстремальной системы управления шаговым двигателем

  • Вид работы:
    Курсовая работа (т)
  • Предмет:
    Информатика, ВТ, телекоммуникации
  • Язык:
    Русский
    ,
    Формат файла:
    MS Word
    412,55 Кб
  • Опубликовано:
    2012-09-13
Вы можете узнать стоимость помощи в написании студенческой работы.
Помощь в написании работы, которую точно примут!

Разработка экстремальной системы управления шаговым двигателем

Содержание

Введение

Задание на КП

. Структурная схема управления ШД

. Функциональная схема управления исполнительными устройствами на базе ШД

. Описание работы схемы

. Разработка принципиальной схемы

. Алгоритм работы

Литература

Введение

Цель курсового проектирования является разработка экстремальной системы управления шаговым двигателем. Шаговый двигатель служит для поворота объекта управления в плоскости и по углу места. Управление шаговым двигателем будет вестись по двум каналам. Эти каналы идентичны, поэтому спроектируем только один канал.

Задание на курсовое проектирование


1. Метод оптимизации - градиентный;

2. Тип шагового двигателя - реверсивный, IH =0.5A, U=27В, 3 фазы;

3. Коммутация фаз ШД - по 1 фазе;

4. Разрядность по скорости - 7 разрядов;

5. Разрядность по пути - 10 разрядов;

6. Предельная частота ШД -15 кГц;

7. Коэффициент деления по частоте - 12;

8. Эл. коммутатор на дешифраторе.

1. Структурная схема управления объектом

Объектом управления системы является антенна. Антенна вращается в трех координатах. Её привод осуществляется от двух шаговых двигателей. Структурная схема представлена на рис.1.










Рис.1.

Рассмотрим принцип работы схемы на примере работы верхнего (первого) канала. Сигнал от ЭВМ (информация о скорости шагового двигателя и его пути) поступает в буферное устройство (БУ), где запоминается. С буферного устройства сигналы о скорости и пути попадают в устройство управления (УУ) шаговым двигателем. Устройство управления обрабатывает сигналы по скорости и пути и выдаёт на шаговый двигатель информацию (импульсы). Шаговый двигатель поворачивается согласно заданию скорости и пути, и поворачивает объект управления. Обратная связь с ЭВМ нужна чтобы, отслеживать сигналы с объекта управления и методом поисковой оптимизации (в данном случае градиентным методом) выдавать сигналы на шаговые двигатели для приема антенной максимального сигнала.

2. Функциональная схема управления шаговым двигателем

Схема представлена на рисунке 2.

Рис.2.

ЭВМ - обрабатывает сигнал с датчика, выставляет на шину задания задание на скорость (v - 6 бит), путь (S - 12 бит), направление (r - 1 бит), подает сигнал на выполнение.

БУ - буферное устройство, сохраняет сигнал задания (7 бит) до следующего прерывания, обеспечивает сброс сигнала задания (z).

Г - генератор, подает на свой выход тактовые импульсы с постоянной частотой (fг).

И - интерполятор, делит входную частоту (fr) в зависимости от сигнала на входной шине (Kv - 6 бит), на выходе частота f.

Д - делитель, делит выходную частоту интерполятора (f ) на 12, на выходе частота f/12

C - счетчик, отсчитывает требуемое количество импульсов, поступающих с делителя в зависимости от сигнала на входной шине (S - 12 бит), после чего подает сигнал на БУ (z) для снятия тактовых импульсов.

ЭК - электронный коммутатор. На его вход поступает задание на направление (r - 1 бит) и тактовые импульсы с делителя f/12, на выходе формируется коммутационная функция (3ф, коммутация по одной фазе)

УМ - усилитель мощности, принимает на вход коммутационную функцию, обеспечивает коммутацию фаз двигателя М.

Буферное устройство скорости

БУv - буферное устройство служит для запоминания информации о скорости, которую передаёт ЭВМ.

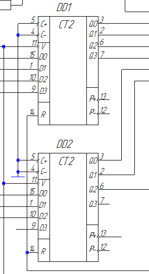
Буферное устройство построено на микросхемах DD1, DD2 (К155ИЕ7). Микросхема К155ИЕ7 - 4-разрядный реверсивный двоичный счетчик (описание см. ниже).

Для задания требуемого режима работы заземлим тактовые входы, входа R используем для сброса. Входа загрузки V соединим параллельно. При приходе на них отрицательного фронта с ЭВМ входная информация запишется на выход БУ, и будет сохранена до прихода следующего сигнала задания или сигнала сброса.

Цоколевка и описание работы микросхемы К155ИЕ7

Микросхема представляет реверсивный четырехразрядный счетчик, построенный на основе J-K триггеров. Функциональные схемы счетчиков приведены на рисунке. Особенностью счетчиков является их построение по синхронному принципу, по которому все триггеры схемы переключаются одновременно от одного счетного импульса. Направлении счета, а счетчиках определяется состоянием на счетных входах триггера. При прямом счете на входе обратного счета должно быть напряжение высокого уровня, при обратном счете на входе прямого счета должно быть напряжение высокого уровня. Установка в нуль (сброс) счетчика осуществляется независимо от состояний информационных, счетных входов и входа предварительной записи. Для построения счетчика с большей разрядностью используются выходы прямого и обратного переноса. С выхода прямого переноса импульсы подаются на вход прямого счета следующего каскада. Импульсы обратного переноса подаются на вход обратного счета следующего каскада.

Интерполятор

И - интерполятор, служит для преобразования двоичного кода в частоту пропорциональную этому коду (т.е. для программируемого деления частоты). Построен на микросхеме К155ИЕ8. Микросхему К155ИЕ8 обычно называют делителем частоты с переменным коэффициентом деления, однако это не совсем точно. Эта микросхема содержит шестиразрядный двоичный счетчик, элементы совпадения, позволяющие выделять не совпадающие между собой импульсы - каждый второй, каждый четвертый, каждый восьмой и т.д. И управляемый элемент И-ИЛИ, который позволяет подавать на выход часть или все выделенные импульсы, в результате чего средняя частота выходных импульсов может изменяться от 1/64 до 63/64 частоты входных импульсов.

Микросхема имеет следующие входы: вход ЕTI -разрешения счета, при подаче на который лог. 0 счетчик не считает, вход R - установки 0, установка триггеров счетчика в 0 происходит при подаче на него лог. 1; вход С - вход тактовых импульсов отрицательной полярности, переключение триггеров счетчика происходит по спадам входных импульсов; входы E1 - E32 позволяют управлять выдачей отрицательных выходных импульсов, совпадающих по времени с входными, на выход Q. Импульсы выделяются на выходе Q при подаче лог 1 на входы: E32 , EI6 и E8. В этих случаях на выходе Q выделяется соответственно 32, 16 или 8 равномерно расположенных импульсов. Если же одновременно подать лог. 1 на несколько входов, например, на E32 и E8, то, на выходе Q выделится 40 импульсов, но расположенных неравномерно. В общем случае число N на выходе Q за период счета составит

= 64 • E64 + 32 • E32 + 16 • E16 + 8 • E8 + 4 • E4 + 2 • E2 + E1

где E1-E64 принимают значения соответственно 1 или 0 в зависимости от того, подана или нет лог. 1 на соответствующий вход.

На выходе >63 выделяется отрицательный импульс, фронт которого совпадает со спадом 63-го тактового импульса, спад - со спадом 64-го. Этот импульс может использоваться при каскадном соединении интегральных микросхем К155ИЕ8. Вход S - вход стробирования, при подаче на него лог. 1 выдача импульсов на выходе Q прекращается.

В табл. 1 даны примеры состояний счетчика ИЕ8. Первая строка здесь показывает фазировку сигналов при сбросе (на R и S поданы напряжения низкого уровня). Последующие восемь строк-это примеры установки разных коэффициентов деления, точнее, в данных этой таблицы высоким уровнем последовательно опрашиваются входы разрешения Е1-Е64. Десятая строка показывает пример получения числа выходных импульсов 40 (число входных импульсов 64), но на входах Е32 и E8 присутствуют напряжения высокого уровня - единицы, на остальных входах - 0.

Таблица 1

Вход

Выход

R

ETI

E32E16E8E4E2E1Число импульсов на входе СС1Число импульсов






















Q



В

х

В

х

х

Х

Х

х

Х

х

В

Н

1

Н

Н

Н

Н

Н

Н

Н

Н

Н

64

В

Н

В

1

Н

Н

Н

Н

Н

Н

Н

Н

В

64

В

1

1

1

Н

Н

Н

Н

Н

Н

Н

В

Н

64

В

2

2

1

Н

Н

Н

Н

Н

Н

В

Н

Н

64

В

4

4

1

Н

Н

Н

Н

Н

В

Н

Н

Н

64

В

8

8

Н

Н

Н

Н

В

Н

Н

Н

Н

64

В

16

16

1

Н

Н

Н

В

Н

Н

Н

Н

Н

64

В

32

32

1

Н

Н

Н

В

В

В

В

В

В

64

В

63

63

1

Н

Н

Н

В

Н

В

Н

Н

Н

64

В

40

40

1

Н

Н

Н

В

В

В

В

В

В

64

Н

В

63

В


Делитель частоты

Д - Делитель, служит для выравнивания периода импульсов, поступающих с интерполятора. Он построен на микросхеме DD6 (К155ИЕ7), описание см. БУ. Делитель соберем по стандартной схеме.

Генератор импульсов

Генератор импульсов, служит для вырабатывания импульсов. Частота генерации 120кГц. Генератор собран на трех элементах И, собранных в одном корпусе в микросхеме DD1 (К155ЛА3) (см. ниже).

Расчёт параметров генератора производим по формуле , которая была взята из [1] и служит для расчёта данного генератора.

Примем C = 100 пФ, c таким расчетом, чтобы сопротивление было не менее 500 Ом, чтобы ток через элементы микросхемы не превысил 10 мА, тогда по формуле


По мощности сопротивление выберем по максимальной мощности, которую может генератор потребить: P=U*I=5*0.01=0,05Вт, следовательно сопротивление выберем на 0,125Вт

Из стандартных выбираем конденсатор МБМ-1-160-100 пФ, и резистор МЛТ-0,125-27 кОм.

Цоколевка микросхемы К155ЛА3

Информация о пути, который должен пройти двигатель от ЭВМ подаётся в счётчик, т.е. загружается число (информация о пути). Также приходит импульс на вычитающий вход счётчика с делителя частоты. При достижении 0 - счёта счётчик подаёт информацию (сигнал) на сброс буферного устройства.

Счетчик

С - Счётчик, служит для отсчёта пути, который должен пройти двигатель.

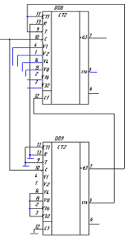
Счетчик выполнен на трёх микросхемах DD3,DD4,DD5 (К155ИЕ7) представляющих собой четырехразрядные реверсивные счётчики, соединенных для увеличения разрядности и имеющих общие вывода "параллельная загрузка" - V и "сброс" - R.

Импульсные тактовые входы для счета на увеличение +1 (вывод 5) и на уменьшение -1 (вывод 4) в этих микросхемах раздельные. Состояние счетчика меняется по положительным перепадам тактовых импульсов от низкого уровня к высокому на каждом из этих тактовых входов.

Для упрощения построения счетчиков с числом разрядов, превышающем четыре, обе микросхемы имеют выводы окончания счета на увеличение (вывод 12) и на уменьшение (вывод 13). От этих выводов берутся тактовые сигналы переноса и замена для последующего и от предыдущего четырехразрядного счетчика. Дополнительной логики при последовательном соединении этих счетчиков не требуется: выводы >15 и <0 предыдущей микросхемы присоединяются к выводам +1 и -1 последующей. По входам разрешения параллельной загрузки V и сброса R запрещается действие тактовой последовательности, и даются команды загрузки четырехразрядного кода в счетчик или его сброса.

Если на вход -1 подается импульсный перепад от низкого уровня к высокому (дается команда на уменьшение - down), от содержимого счетчика вычитается 1. Аналогичный перепад, поданный на входе +1, увеличивает (up) счет на 1. Если для счета используется один из этих входов, на другом тактовом входе следует зафиксировать напряжение высокого логического уровня. Первый триггер счетчика не может переключиться, если на его тактовом входе зафиксировано напряжение низкого уровня. Во избежание ошибок «earn» направление счета следует в моменты, когда запускающий тактовый импульс перейдёт на высокий уровень, т. е. во время плоской вершины импульса.

На выходах >15 (окончание счета на увеличение, вывод 12) и <0 (окончание счета на уменьшение, вывод 13) нормальный уровень - высокий. Если счет достиг максимума с переходом следующего тактового перепада на вход -1 от высокого уровня к низкому на выходе <0 появится низкое напряжение. После возврата напряжения на тактовом входе -1 к высокому уровню напряжение на выходе <0 останется низким еще на время, соответствующее двойной задержке переключения логического элемента ТТЛ.

Аналогично на выходе +1 появляется напряжение низкого уровня, если на вход <0 пришел счетный перепад низкого уровня. Импульсные перепады от выходов +1 и -1 служат, таким образом, как тактовые для последующих входов +1 и -1 при конструировании счетчиков более высокого порядка. Такие многокаскадные соединения счетчиков ИЕ7 не полностью синхронные, поскольку на последующую микросхему тактовый импульс передается с двойной задержкой переключения.

Если на вход разрешения параллельной загрузки L (вывод 11) подать напряжение низкого уровня, то код, зафиксированным ранее на параллельных входах Dl - D4, загружается в счетчик и появляется на его выходах 1-8 независимо от сигналов на тактовых входах. Следовательно, операция параллельной загрузки - асинхронная.

Параллельный запуск триггеров запрещается, если на вход сброса R подано напряжение высокого уровня. На всех выходах установится низкий уровень. Если во время (и после) операции сброса и загрузки придет тактовый перепад (от лог. 0 к лог. 1), микросхема примет его как счетный.

Сигнал запрета импульсов снимается при одновременном переходе счетчиков через 0, для этого на выход счетчика ставим дополнительную логику 3ИЛИ-НЕ (К155ЛЕ4), ее описание приводится ниже.

Таблица истинности счетчика К155ИЕ7 приведена в разделе БУ.

Цоколевка микросхемы К155ЛЕ4

Электронный коммутатор

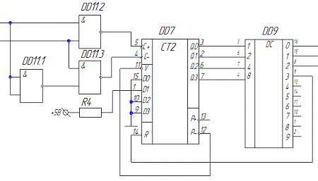
ЭК - Электронный коммутатор, служит для создания коммутационной функции фаз двигателя.Электронный коммутатор в данном случае реализован на дешифраторе DD9 (К155ИД1), счетчике (К155ИЕ7) и логике (К155ЛА3).

Для создания требуемой коммутационной функции (3ф, коммутация по одной фазе) нужно обеспечить поочередное включение трех выходов дешифратора, для этого используем реверсивный счетчик. Его выходной сигнал подадим на вход дешифратора. Далее нужно обеспечить цикл счетчика равный трем. Для этого соединим выход 3 дешифратора со сбросом счетчика, а выход Р- счетчика с его входом V. При активации третьего вывода дешифратора счетчик сбросится в 0 (активируется нулевой вывод дешифратора), а при работе на вычитание следом за 0 активируется выход Р- счетчика и загрузит число, выставленное на входах D. В данном случае это «0010» -2.

Для согласования входов счетчика со схемой управления используем логику 2И-НЕ. Элементы соединяем так, чтобы на один из входов ЭК можно было подавать сигнал направления, а на другой - тактовые импульсы.


Цоколевка микросхемы К155ИД1

УМ - Усилитель мощности

Усилители мощности служат для усиления сигнала от ЭК, т.к. он составляет порядка 10мА, а IН двигателя = 1А.

Для усилителя подберем герконовое реле с требуемыми параметрами.

Возьмем реле РГК53 101С005 750 Ом:

Напряжение срабатывания 3,4В

Номинальное напряжение 5В

Напряжение отпускания 1В

Сопротивление обмотки 750 Ом

Ток управления 6,7 мА

Частота 100 кГц

Ток контактов до 1,25 А

. Описание работы схемы

От ЭВМ на БУU, загружается семиразрядный код. По тактируемому импульсу происходит запись кода скорости в БУU.

БУU выдаёт и держит код на интерполяторе. С генератора импульсов подаётся сигнал на интерполятор, который в зависимости от кода скорости с БУU выдаёт определённую частоту импульсов на делитель. Делитель уменьшает частоту и при коде Q0=1, Q1=1, Q2=1, Q3=1 Q4=1 Q5=1 (U-max) на выходе мы снимаем требуемую нам частоту 14кГц, что является максимальной скоростью шагового двигателя. На счётчик от ЭВМ приходит пятиразрядный код определяющий длину пути. По приходу кода и с сигналом с делителя начинается отсчёт пути. Когда счётчик обнуляется (путь пройден) с него сигнал идёт на БУU обнуляя задание на скорость, двигатель стоит. Пока не пройден путь (работает счётчик) импульсы заданной частоты (скорости) с делителя поступают на реверсивный счетчик DD7. Счетчик адресует входы дешифратора, на которые подается комбинация единиц и нолей обеспечивающая заданное чередование фаз.

По тактирующим сигналам (для счетчика) происходит адресация входов дешифратора, с которых идут сигналы, подаются на усилитель. В зависимости от комбинации сигналов на входах DD11.1, DD11.2 происходит прямой ход или реверсивный. Сигналы на эти входа поступают с БУH, которое хранит информацию от ЭВМ о направлении движения двигателя и делителя.

4. Разработка принципиальной схемы


При разработке принципиальной электрической схемы, были подобраны довольно широко используемые, распространённые микросхемы К155, диоды, резисторы и ёмкости. Это обусловлено простым применением и доступностью взаимозаменяемости как советских, так и зарубежных микросхем и радиодеталей. В микросхемах применено напряжение +5В, что даёт нам практичную сторону проекта.

5. Алгоритм работы


) Ввод : х1, x2, h, L

2) Определение y1 в точке x1-h; x2

) Определение y2 в точке x1+h; x2

) Определение y3 в точке x1; x2-h

) Определение y4 в точке x1; x2+h

6) Расчет a1=(y2-y1)/(2*h)

) Расчет a2=(y4-y3)/(2*h)

8) Расчет

) Расчет

) Поворот антенны в точку x1, x2

) Переход к п. 2.

Литература

шаговый двигатель управление

1. Шило В.Л. Популярные цифровые микросхемы: Справочник. - М.: Радио и связь, 1987.

2. Курс лекций по АМТП и ПУ.

3. Потемкин И.С. Функциональные узлы цифровой автоматики.1987

Похожие работы на - Разработка экстремальной системы управления шаговым двигателем

 

Не нашли материал для своей работы?
Поможем написать уникальную работу
Без плагиата!
Без нейросетей!