Проектирование делителя частоты цифровых сигналов с постоянным коэффициентом деления

  • Вид работы:
    Курсовая работа (т)
  • Предмет:
    Информатика, ВТ, телекоммуникации
  • Язык:
    Русский
    ,
    Формат файла:
    MS Word
    311,7 Кб
  • Опубликовано:
    2012-06-27
Вы можете узнать стоимость помощи в написании студенческой работы.
Помощь в написании работы, которую точно примут!

Проектирование делителя частоты цифровых сигналов с постоянным коэффициентом деления

Содержание

Введение

. Принципы построения делителя частоты цифровых сигналов

.1 Асинхронный счетчик

.2 Синхронный счетчик

. Разработка и обоснование функциональной схемы устройства

.1 Функциональная схема устройства

.2 Функциональная схема блока питания

. Разработка полной принципиальной схемы устройства, расчет элементов и выходных параметров схемы

.1 Выбор элементов устройства

.2 Расчет однополярного блока питания для счетчика на 5 В

.3 Расчет второго однополярного блока питания 15 В

Список литературы

 

Введение


Электроника представляет собой бурно развивающуюся отрасль науки и техники. Она изучает физические основы и практическое применение различных электронных приборов.

Часто при использовании преобразовательных или измерительных устройств необходимо осуществить понижение частоты электрических сигналов в несколько раз. С этой задачей справляются делители частоты электрических сигналов. Делители частоты электрических сигналов в настоящее время получили очень широкое распространение в самых разнообразных видах радиоэлектронной аппаратуры, например в кварцевых и атомных часах, телевизионных устройствах синхронизации генераторов развёрток, частотомерах и других устройствах.

Основной параметр делителя частоты - коэффициент деления частоты Кд, определяемый как отношение частоты входного сигнала к частоте выходного:

(1)

где fвх - частота входного сигнала;

fвых - частота выходного сигнала делителя;

Кд - коэффициент деления.

Коэффициент деления Кд может иметь постоянное или переменное значение.

В данном курсовом проекте необходимо спроектировать делитель частоты цифровых сигналов с постоянным коэффициентом деления равным 2 и обеспечить его питание от сети 220 В, 50 Гц.

1. Принципы построения делителя частоты цифровых сигналов


Делителем частоты называется электронное устройство, предназначенное для деления частоты электрического сигнала в заданное число раз.

Для уменьшения частоты в 2, 4, 8, 16, … ,2n раз используют в качестве делителя двоичный счетчик. При появлении первого импульса произойдет переключение младшего разряда счетчика в противоположное состояние. При появлении второго импульса произойдет переключение младшего разряда в исходное состояние [4]. Таким образом, младший разряд счетчика обеспечивает деление частоты на 2. Аналогичным образом происходит деление частоты на 4, для этого надо лишь снимать нужный сигнал со 2-го разряда счетчика, который переключается в 2 раза реже, чем первый, то есть делит исходную частоту на 4. Таким же образом, 3-й разряд делит частоту на 23 = 8, 4-й на 24 = 16 и т. д. Таким образом, для деления частоты в 2n раз необходим n-разрядный счетчик.

1.1 Асинхронный счетчик


Двоичный асинхронный счетчик состоит из счетных триггеров, соединенных последовательно таким образом, чтобы выход каждого триггера был соединен со входом последующего. Пример схемы асинхронного двоичного счетчика на T-триггерах показана на рисунке 1.

Рисунок 1. Структурная схема асинхронного двоичного счетчика

Асинхронным рассматриваемый счетчик называется потому, что в случаях прихода очередного счетного импульса срабатывает сразу несколько триггеров, их состояния изменяются не одновременно, а с некоторой задержкой относительно друг друга. Если, например, все три триггера в счетчике по схеме рисунка 1 имеют на своём выходе цифровой сигнал со значением выходного напряжения соответствующего логической единице, то очередной входной импульс изменит состояние первого триггера на противоположное. Изменение потенциала на выходе первого триггера приведет к изменению состояния второго триггера на противоположное. Выходной сигнал второго триггера в свою очередь изменит состояние третьего триггера на противоположное. Отсюда следует недостаток асинхронных счетчиков, выраженный во временной задержке между срабатываниями триггеров счетчика.

Рисунок 2. Временная диаграмма асинхронного двоичного счетчика

1.2 Синхронный счетчик


Синхронный счетчик отличается от асинхронного тем, что при срабатывании от входного импульса нескольких триггеров они изменяют свое состояние одновременно. Это достигается благодаря тому, что счетные импульсы подаются одновременно на тактовые входы всех триггеров счетчика.

Пример построения синхронного счетчика на JK-триггерах показан на рисунке 3.

Рисунок 3. Схема принципиальная синхронного счетчика, где Т1, Т2, Т3 - JK-триггеры, Q0, Q1, Q2 - выходы JK-триггеров, Кc - выход использующийся при применении счетчика в качестве делителя частоты.

2. Разработка и обоснование функциональной схемы устройства


2.1    Функциональная схема устройства


По заданию курсового проекта необходимо разработать устройство, осуществляющее деление частоты цифрового электрического сигнала и обладающее коэффициентом деления равным двум. Поэтому в качестве делителя частоты цифрового электрического сигнала целесообразнее всего выбрать триггер. Так как, промышленность не выпускает массово триггеры, то в качестве делителя частоты цифрового сигнала был выбран двоичный счетчик.

Функциональная схема для данного проекта состоит из следующих компонентов:

)        двоичный счетчик;

)        транзисторный ключ;

)        электрогальваническая развязка;

)        операционный усилитель.

Счетчик - это цифровое устройство, предназначенное для подсчета входных импульсов. Счетчики строятся на Т-триггерах и на некоторых логических схемах для формирования управляющих сигналов. Основной параметр счётчика - модуль счёта - максимальное количество единичных сигналов, которое может быть сосчитано счётчиком.

Гальваническая развязка - это процесс передачи энергии между участками электрической цепи без обеспечения между ними электрического контакта. Гальванические развязки используются для передачи сигналов, для бесконтактного управления и для защиты электрической цепи от перегрузок.

Без использования гальванической развязки предельный ток, протекающий между цепями, ограничен только электрическими сопротивлениями, которые обычно относительно малы. В результате этого возможно протекание выравнивающих токов и других токов, способных повреждать компоненты цепи или поражать людей, случайно схватившихся за оборудование. Прибор, обеспечивающий гальваническую развязку, искусственно ограничивает передачу энергии из одной части цепи в другую. В качестве такого прибора может использоваться трансформатор или оптрон. В обоих случаях, цепи оказываются электрически разделёнными, но между ними возможна передача энергии.

Операционный усилитель - это усилитель постоянного тока с дифференциальным входом и, как правило, единственным выходом, имеющий высокий коэффициент усиления [6].

Операционные усилители получили широкое применение, как в виде отдельных чипов, так и в виде функциональных блоков в составе более сложных интегральных схем.

Полная функциональная схема делителя частоты показана в приложении А. Неполная функциональная схема данного устройства показана на рисунке 4.

Рисунок 4. Функциональная схема делителя частоты цифровых сигналов

При поступлении входного сигнала на двоичный счетчик в нем происходит деление количества входных импульсов на заданный коэффициент 2. Далее цифровой сигнал проходит через транзисторный ключ, в котором он усиливается. После транзисторного ключа сигнал поступает на оптрон, а затем на операционный усилитель.

2.2 Функциональная схема блока питания


Источник вторичного электропитания (ИВП) предназначен для получения напряжения, необходимого для непосредственного питания электронных компонентов устройства. При разработке источника вторичного электропитания необходимо учитывать ряд факторов, определяемых условиями эксплуатации, свойствами нагрузки, требованиями к безопасности и т.д.

Следует обратить внимание на соответствие электрических параметров ИВП требованиям питаемого устройства, а именно:

• напряжение питания;

• потребляемый ток;

• требуемый уровень стабилизации напряжения питания;

• допустимый уровень пульсации напряжения питания.

Немаловажны и характеристики ИВП, влияющие на его эксплуатационные качества:

• наличие систем защиты;

• массогабаритные размеры.

Являясь неотъемлемой частью радиоэлектронной аппаратуры, средства вторичного электропитания должны жестко соответствовать определенным требованиям, которые определяются как требованиями к самой аппаратуре в целом, так и условиям, предъявляемым к источникам питания и их работе в составе данной аппаратуры. Существует четыре основных типа сетевых источников питания:

• безтрансформаторные, с гасящим резистором или конденсатором;

• линейные, выполненные по классической схеме: понижающий трансформатор - выпрямитель - фильтр - стабилизатор;

• вторичные импульсные: понижающий трансформатор - фильтр - высокочастотный преобразователь 20-400 кГц;

• импульсные высоковольтные высокочастотные: фильтр - выпрямитель ~220 В - импульсный высокочастотный преобразователь 20-400 кГц.

Линейные источники питания отличаются предельной простотой и надежностью, отсутствием высокочастотных помех. Высокая степень доступности комплектующих и простота изготовления делают их наиболее привлекательными. Кроме того, в некоторых случаях немаловажен и чисто экономический расчет - применение линейных ИВП однозначно оправдано в устройствах, потребляющих до 500 мА, которые требуют достаточно малогабаритных источников вторичного электропитания.

Полная функциональная схема линейного источника вторичного электропитания представлена в приложении А. Она состоит из следующих компонентов:

трансформатор;

выпрямитель тока;

фильтр низких частот;

стабилизатор.

Трансформатор - необходим для преобразования посредством электромагнитной индукции системы переменного тока одного напряжения в систему переменного тока другого напряжения при неизменной частоте и без существенных потерь мощности.

Выпрямитель напряжения - преобразует переменное напряжение в напряжение одной полярности.

Фильтр низких частот будет уменьшать пульсации напряжения на выходе выпрямителя.

Стабилизатор напряжения - необходим для стабилизации напряжения питания устройства, то есть стабилизатор получает питание от внешнего источника питания и выдает на своём выходе напряжение.

Рисунок 5. Функциональная схема блока питания

На трансформаторе входной ток и напряжение преобразуются, в необходимые для работы устройства схемы. Выпрямитель используется для преобразования переменного тока в постоянный. Фильтр низких частот предназначен для уменьшения пульсации напряжения в цепи. И в итоге стабилизатор выдает на своем выходе напряжение, не зависящее от напряжения питания.

 

3. Разработка полной принципиальной схемы устройства, расчет элементов и выходных параметров схемы

 

.1 Выбор элементов устройства


Основу устройства составляет счетчик. Основным параметром при выборе счетчика был коэффициент деления, а так как мы имеем коэффициент деления 2, следовательно, необходим двоичный счетчик К155ИЕ5 [1].

Счетчик К155ИЕ5 представляет собой четырехразрядный двоичный счетчик и содержит четыре Т-триггера. Условно-графическое изображение двоичного счетчика показано на рисунке 6.

Рисунок 6. Условно-графическое обозначение двоичного счетчика

Таблица 1. Назначение выходов счетчика К155ИЕ5

01

С2

Вход счетный

02

R0

Вход установки в состояние «логический 0»

03

R0&

Вход установки в состояние «логический 0»

08

Q3

Выход третьего разряда

09

Q2

Выход второго разряда

11

Q4

Выход четвертого разряда

12

Q1

Выход первого разряда

14

C1

Вход информационный (счетный)


Функциональная схема данного счетчика показана на рисунке 1. Т-триггер по каждому такту изменяет своё логическое состояние на противоположное при единице на входе Т, и не изменяет выходное состояние при нуле на входе T. Т-триггер часто называют счётным триггером. Т-триггер может строиться как на JK, так и на D-триггерах. Условно-графическое обозначение Т-триггера представлено на рисунке 7. Как можно видеть в таблице истинности JK-триггера, он переходит в инверсное состояние каждый раз при одновременной подаче на входы J и K логической 1. Таблица истинности JK-триггера приведена в таблице 2. Это свойство позволяет создать на базе JK-триггера Т-триггер, объединяя входы J и К. Наличие в D-триггере динамического С входа позволяет получить на его основе T-триггер. При этом вход D соединяется с инверсным выходом, а на вход С подаются счётные импульсы. В результате триггер при каждом счётном импульсе запоминает значение, то есть будет переключаться в противоположное состояние.

делитель частота цифровой сигнал

Рисунок 7. Условно-графическое обозначение Т-триггера

Таблица 2. Таблица истинности JK-триггера

J

K

Q(t)

Q(t+1)

0

0

0

0

0

0

1

1

0

1

0

0

0

1

1

0

1

0

0

1

1

0

1

1

1

1

0

1

1

1

1

0


Т-триггеры часто применяют для понижения частоты в 2 раза, при этом на Т вход подают единицу, а на С-сигнал с частотой, которая будет поделена. Таблица истинности Т-триггера приведена в таблице 3.

Таблица 3. Таблица истинности Т-триггера

T

Q(t)

Q(t+1)

0

0

0

0

1

1

1

0

1

1

1

0


Таблица 4. Электрические параметры счетчика К155ИЕ5

1

Номинальное напряжение питания, В

+5 ± 5%

2

Выходное напряжение низкого уровня при Uп= 4.75 В, В

Не более 0.4

3

Выходное напряжение высокого уровня при Uп= 4.75 В, В

Не менее 2.4

4

Входной ток низкого тока по входам установки в 0 при Uп= 5 В, мА

Не более 0.6

5

Входной ток низкого тока по счетным входам C1 и С2 при Uп= 5 В, мА

Не более 2.4

7

Входной ток высокого уровня по счетным входам C1 и С2 при Uп= 5 В, мА

Не более 0.08

8

Ток потребления, мА

Не более 7

9

Выходной ток, мА

1.25

10

Время задержки распространения при включении по счетному входу C1 при Uп= 5 В, нс

Не более 135

11

Ток короткого замыкания при Uп= 5.25 В, мА

-18…57


Таблица 5. Предельно допустимые режимы эксплуатации счетчика К155ИЕ5

1

Напряжение питания, В

Не более 6

2

Минимальное напряжение на входе, В

- 0.4

3

Максимальное напряжение на выходе, В

5.5

4

Минимальное напряжение на выходе, В

- 0.3

5

Рабочая температура К155ИЕ5, 0С

- 10…+70


Транзистор в данном устройстве усиливает выходной ток счетчика. Так как по техническим характеристикам на выходе из счетчика мы получаем значение силы тока равной приблизительно 1.25 мА. Исходя из технических характеристик транзисторной оптопары, нам необходимо увеличить силу тока до минимального значения входного тока оптопары, т.е. до 12 мА. Для этого необходимо установить кремниевый транзистор типа КТ3102, который повысит входной ток до необходимого уровня. Транзистор представлен на полной принципиальной схеме в приложении Б. Технические характеристики КТ3102А указаны в таблице 5.

Таблица 6. Технические характеристики кремниевого транзистора КТ3102А

1

IКmax, мА

100

2

UКБ0 max, В

50

3

UЭБ0max, В

5

4

Pmax, мВт

50

5

Tmax, °C

85


Для организации гальванической развязки между участками электрической цепи мы используем оптопару показанную на рисунке 8. Основными критериями при выборе оптопары были: малый входной ток и малое время включения. Исходя из этого, была выбрана транзисторная оптопара с высоким напряжением коммутации.

Оптопара состоит из кристаллов инфракрасного AsGaAl светодиода и кремниевого высоковольтного n-p-n фототранзистора. Кристаллы расположены «лицом к лицу», что обеспечивает высокий коэффициент оптической связи. Благодаря специальной конструкции фототранзистора оптопара имеет высокое быстродействие в ключевом режиме работы при RH=5 кОм.

Рисунок 8. Условно-графическое обозначение транзисторной оптопары

Таблица 7. Особенности оптопары КР249КН5А

Параметр

Значение

Предельное значение UК-Э, В

200

Напряжение изоляции UИЗ, В

5000

Коэффициент передачи, %

не менее 20


Таблица 8. Предельно-допустимые режимы эксплуатации оптопары КР249КН5А

Параметр

Обозн.

Ед. изм.

Мин.

Макс.

Примечание

Коммутируемое напряжение

Uком

В

-

200

-

Входной ток

Iвх

мА

12

15

-

Импульсный входной ток

Iвх.и.

мА

-

20

Q=2, tи<10 мс

Коммутируемый ток

Iком

мА

-

4

-

Рассеиваемая мощность

Ррас

мВт

-

50

-

Температура окружающей среды

То

оС

45

70

-


Таблица 9. Электрические параметры оптопары КР249КН5А

Параметр

Обознач.

Ед. изм.

Мин.

Тип

Макс.

Режим измерения

Выходное остаточное напряжение

Uвых.ост.

В

-

-

0.8

Iвх=10 мА, Iком=2 мА

Входное напряжение

Uвх

В

-

-

1.8

Iвх=10 мА

Ток утечки на выходе

Iут.вых.

мкА

-

-

10

Uком=200 В

Коэффициент передачи по току

Ki

%

20

-

-

Uком=10 В, Iвх=10 мА

Время зад. распр. при включении

tзд.р.

мкс

-

-

5

Rн=5 кОм, Uком=10 В, Iвх=10мА

Время зад. распр.ь при выключении

tзд.р.

мкс

-

-

5

Rн=5 кОм, Uком=10 В, Iвх=10 мА

Сопротивление изоляции

Rиз

Ом

1012

-

-

Uиз=500 В

Проходная емкость

Спр

пФ

-

-

5

-


Основными критериями при выборе операционных усилителей были малое напряжение смещения, малый входной ток, высокое входное сопротивление, наличие защиты выходов от короткого замыкания и невысокая стоимость. Исходя из этого, был выбран операционный усилитель 140УД8, его характеристики приведены в таблице 9.

Таблица 10. Технические характеристики операционного усилителя 140УД8

Смещение нуля, мВ

Дрейф напряжения смещения, мкВ/град

200

Uпит., В

15±10%

Rн, кОм

1

Tок потребления, мА

не более 5

Малый входной ток, нА

не более 0.2

 

.2 Расчет однополярного блока питания для счетчика на 5 В


Исходя из таблицы 4,  - требуемое напряжение нагрузки, =7 мА - максимальный ток нагрузки,  - входное напряжение блока питания, частота входного напряжения , допустимое отклонение питающего напряжения, т.е. ±5%.

Выбираем функциональную схему источника питания, получающего энергию от промышленной сети частотой 50 Гц изображенную на рисунке 9.

Рисунок 9. Функциональная схема блока питания с напряжением на выходе 5 В

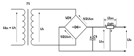
Для питания радиоаппаратуры часто используется схема стабилизатора напряжения на базе интегральной микросхемы , двухполупериодного мостового выпрямителя , сглаживающего конденсатора  и понижающего сетевого трансформатора . (см. рисунок 10, где -напряжение первичной обмотки, -напряжение вторичной обмотки, -падение напряжения на диодном мосте, -напряжение на конденсаторе С1, -падение напряжение на микросхеме DA1). Расчет источников вторичного электропитания будет производиться по методике, указанной в методическом пособии Чурсина Ю.А. [6].

Рисунок 10. Принципиальная схема линейного источника вторичного электропитания

Исходя из рисунка 10, следует то, что характеристики данной микросхемы должны удовлетворять следующим условиям:

,(2)

.(3)

Выбираем в качестве DA1 микросхему типа КР142ЕН5А, которая обладает следующими параметрами [1]:

Таблица 11. Параметры микросхемы KP142EH5A

Параметр

Ед. изм.

Значение

Выходное напряжение микросхемы (фиксированное)

В

5

Предельный ток нагрузки

А

2

Разность напряжений вход-выход

В

2.5

Предельная рассеиваемая мощность (без радиатора)

Вт

2

Максимальное входное напряжение

В

15


Данная микросхема удовлетворяет условию (2): 5 В = 5 В и условию (3): 2 А≥7 мА.

Рассчитываем минимально необходимую величину постоянного напряжения, которая требуется для работы :

(4)

таким образом, напряжение на конденсаторе  никогда не должно падать ниже уровня 7.5 В. Напряжение на обкладках конденсатора  имеет вид, представленный на рисунке 11.

Рисунок 11. Форма колебаний напряжения на обкладках конденсатора

Рассчитаем допустимую величину отклонения питающего напряжения  на обкладках конденсатора C1:

 .

Конденсатор  можно рассчитать по следующей формуле:

,(5)

186.6 мкФ.

При этом минимально необходимое амплитудное значение напряжение на конденсаторе UC1 составит:

(6)

Рассчитаем минимальное амплитудное значение напряжения вторичной обмотки трансформатора T1:

(7)

где  - падение напряжения на диодном мосте , оно рассчитывается как сумма падения напряжений на двух открытых диодах и равна 0.7·2=1.4 В.

Рассчитаем минимальное действующее значение на вторичной обмотке:

(8)

Рассчитаем номинальное действующее значение напряжения на вторичной обмотке, т.е. при Uвх=220 В:

 (9)

В данной схеме к трансформатору предъявляются следующие требования:

,(10)

.(11)

Выбираем трансформатор T1 типа ТПК-2-9В обладающий следующими характеристиками:

Таблица 12. Характеристики трансформатора T1 типа ТПК-2-9В

Параметр

Ед. изм.

Значение

Выходное напряжение

В

9

Допустимый ток нагрузки

А

0.28

Напряжение вторичных обмоток, в режиме номинальной нагрузки

В

9



Для трансформатора выбранного типа условия (10) и (11) выполняются:, .

С учетом параметров выбранного трансформатора рассчитываем максимальное амплитудное значение напряжения на конденсаторе C1 по формуле (12):

. (12)

 

Напряжение  не превышает 15 В - максимально возможного входного напряжения стабилизатора DA1. Кроме того, зная точно ,определяем тип конденсатора : выбираем алюминиевый конденсатор радиального типа марки К50-35, максимальное напряжение 16 В, 220 емкость мкФ.

Рассчитаем мощность, выделяемую на микросхеме DA1

(13)

Мощность PDA1 не превышает предельной мощности для выбранного типа микросхемы значения - 2 Вт.

Данный диодный мост должен удовлетворять следующим условиям:

обратное напряжение моста ;

средний выпрямленный ток моста .

Выбираем диодный мост типа КЦ405Е: обратное напряжение 100 В, средний выпрямленный ток 1 А. Очевидно, что условия выполняются:

(14)

В >> 13.36 В, 1 А > 0.007 А.

3.3 Расчет второго однополярного блока питания 15 В


Исходя из таблицы 10,  - требуемое напряжение нагрузки, - максимальный ток нагрузки,  - входное напряжение блока питания, частота входного напряжения , допустимое отклонение питающего напряжения , т.е. ±10%.

Для питания радиоаппаратуры часто используется схема стабилизатора напряжения на базе интегральной микросхемы DA2, двухполупериодного мостового выпрямителя VD2, сглаживающего конденсатора C2 и понижающего сетевого трансформатора T2.

Характеристики данной микросхемы должны удовлетворять условиям (2) (3).

Выбираем в качестве DA2 микросхему типа KP142EH8В, которая обладает следующими параметрами:

Таблица 13. Параметры микросхемы KP142EH8В

Параметр

Ед. изм.

Значение

Выходное напряжение микросхемы (фиксированное)

В

15

Предельный ток нагрузки

А

2

Разность напряжений вход-выход

В

2.5

Рабочая температура

Град.

45...+70

Максимальное входное напряжение

В

35


Данная микросхема удовлетворяет условию (3): 15 В = 15 В и условию (4): 2 А ≥ 7 мА.

Рассчитаем минимально необходимую величину постоянного напряжения UC2 по формуле (4), которая требуется для работы DA2:

.

Таким образом, напряжение на конденсаторе C2 никогда не должно падать ниже уровня 17.5 В.

Рассчитаем допустимую величину отклонения питающего напряжения  на обкладках конденсатора C1:

 .

Рассчитаем емкость конденсатора C2 по формуле (5). C2 = 28.6 мкФ. При этом минимально необходимое амплитудное значение напряжение на конденсаторе вычислим по формуле (6) и составляет = 19.25 В.

Рассчитываем минимальное амплитудное значение напряжения вторичной обмотки трансформатора T2 по формуле (7):

Рассчитаем минимальное действующее значение на вторичной обмотке по формуле (8):

.

Рассчитываем номинальное действующее значение напряжения на вторичной обмотке по формуле (9), т.е. при :

В данной схеме к трансформатору предъявляются требования (10), (11).

Выбираем трансформатор T2 типа ТПК-2-18В обладающий следующими характеристиками:

Таблица 14. Характеристики трансформатора Т2 типа ТПК-2-18В

Параметр

Ед. изм.

Значение

Выходное напряжение

В

18

Допустимый ток нагрузки

А

0.14

Мощность

Вт

2



Для трансформатора выбранного типа условия (10) и (11) выполняются:

,

.14 А5 мА.

С учетом параметров выбранного трансформатора рассчитываем максимальное амплитудное значение напряжения на конденсаторе С2 по формуле (12):

Напряжение  не превышает 35 В - максимально возможного входного напряжения стабилизатора DA2. Кроме того, зная точно , определяем тип конденсатора C2: выбираем алюминиевый конденсатор радиального типа марки К50-35, максимальное напряжение 160 В, емкость 33 мкФ. Рассчитываем мощность, выделяемую на микросхеме DA2 по формуле (13):

Мощность  не превышает предельного для выбранного типа микросхемы значения - 2 Вт.

Диодный мост должен удовлетворять следующим условиям:

обратное напряжение моста ;

средний выпрямленный ток моста .

Выбираем диодный мост типа КЦ405Е: обратное напряжение 100 В, средний выпрямленный ток 1 А. Очевидно, что условия выполняются:

;

В >> В;

А > 0.005 А.

Заключение

В результате выполнения данного курсового проекта был спроектирован делитель частоты с коэффициентом деления равным 2. В ходе выполнения курсового проекта были рассмотрены различные типы построения микросхем. Ход работы был разделен на создание функциональной, принципиальной схем. Питание устройства осуществляется от сети 220 В 50 Гц, для чего был спроектирован источник питания с выходным напряжением, равным плюс 5 В и плюс 15 В.

Список литературы


1   Новиков Ю.В. Основы цифровой схемотехники. Базовые элементы и схемы. Методы проектирования. - М.: Мир, 2001. - 379с.

2   Гусев В.Г., Гусев Ю.М. Электроника и микропроцессорная техника. - М.: Высш. шк., 2008. - 798с.

3   Ризкин И.Х. Делители и умножители частоты. - М.: МЭИ, 1992. - 326с.

4   Джонс М.Х. Электроника - практический курс. - М.: Техносфера, 2006. 512с.

5   Лейнов М.Л., Качалуба В.С., Рыжков А.В. Цифровые делители частоты на логических элементах. - М.: Энергия, 1975. - 126с.

6   Чурсин Ю.А. Основы схемотехники. - Томск: Изд-во ТПУ, 2008. - 124с.

Похожие работы на - Проектирование делителя частоты цифровых сигналов с постоянным коэффициентом деления

 

Не нашли материал для своей работы?
Поможем написать уникальную работу
Без плагиата!
Без нейросетей!