Бортовые цифровые вычислительные машины
1. Разработка структурной схемы часов
1.1
Построение структурной схемы устройства
Частота задающего генератора 16384 Гц. Устройство должно обеспечить
отсчет времени с точностью 1 с. в диапазоне от 0 до 27 часов 59 минут 59
секунд. Делитель частоты должен понизить частоту генератора для получения
сигналов с частотой 1 Гц.
Пуск и останов отсчета времени осуществляется с помощью входного
логического элемента И, на который поданы счетные импульсы частоты 1 Гц и
управляющий сигнал от кнопки "Пуск - останов". На вход элемента И
должны быть поданы запрещающие сигналы при установке времени и сигнал с выхода
устройства для прекращения отсчета времени.
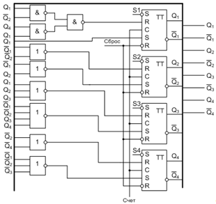
Для обеспечения индикации и установки времени 27 часов 59 минут 59 секунд
необходим шестиразрядный цифровой дисплей, шесть счетчиков-делителей времени,
шесть преобразователей внутреннего кода счетчика в код цифрового индикатора
дисплея. На схеме указываются десятичные счетчики единиц секунд, единиц минут,
счетчики с коэффициентом счета 6 для десятков секунд, десятков минут и единиц
часов.
Установка и набор времени осуществляется при помощи клавиатуры и кнопки
"Выбор разряда". Однократное нажатие кнопки включает установку
времени в разряде единиц секунд, второе - в разряде десятков секунд и т.д.
Последнее нажатие кнопки выводит устройство из режима установки времени.
Сигналы выбора соответствующих разрядов устройства формируются схемой
управления установкой времени, которая должна иметь элементы памяти для
запоминания каждого нажатия кнопки "Выбор разряда".
Клавиатура состоит из 10 клавиш (кнопок) с номерами 0,1,…9. При нажатии
клавиши клавиатуры формируется с помощью шифратора двоично-десятичный код,
соответствующий нажатой цифре, и записывается в счетчик выбранного разряда
устройства. Запись кода в счетчики осуществляется только при нажатии клавиш
1…9. При нажатии клавиши 0 производится сброс выбранного разряда часов в 0.
1.2 Работа
часов по структурной схеме
часы генератор импульс преобразователь
После включения питания кнопкой "Сброс" производится перевод
элементов схемы в исходное состояние. При нажатии кнопки "Пуск" через
элемент управления И на вход устройства поступают счетные импульсы с частотой 1
Гц.
Если исходное значение счетчиков времени не устанавливается, то отсчет
текущего времени начинается с нуля. При поступлении 9-ти импульсов на первый
счетчик единиц секунд СТR10
(1,0с) он переходит в состояние, определяемое заданным внутренним кодом.
Сформированный код обеспечивает прохождение десятого импульса через схему
формирования переносов СхФП на вход счетчика десятков секунд СТR6 (10с). Одновременно с этим счетчик
СТR10 (1,0с) сбрасывается в нуль. Таким
образом, каждый десятый импульс будет поступать на вход СТR6(10с). Аналогично работает счетчик
единиц минут СТR10 (1,0м).
Счетчик десятков секунд СТR6
(10с) обеспечивает формирование импульса переноса при поступлении на его вход 6
импульсов с одновременным сбросом в нуль. Счетчик десятков минут работает по
такому же алгоритму. Счетчик единиц часов работает как счетчики десятков секунд
и минут, с приходом 6-го импульса сбрасывается в нуль. Следующий импульс
частоты 1 Гц последовательно сбрасывает все счетчики электронных часов в нуль и
обеспечивает формирование выходного сигнала. Сигнал со схемы формирования
выходного сигнала блокирует поступление новых счетных импульсов с генератора
частоты (делителя частоты) и может быть использован как управляющий сигнал в
бортовых системах.
Отсчет времени часов может начинаться с любого значения, установленного с
помощью цифровой клавиатуры (Кн0-Кн9). Перед установкой времени нажатием кнопки
"Сброс" устройство переводится в исходное состояние. При однократном
нажатии кнопки "Выбор разряда" на преобразователь кодов единиц минут
одновременно с импульсами 1 Гц поступает и сигнал выборки разряда,
вырабатываемый схемой управления установкой времени СУУВ, в результате чего
обеспечивается мерцание индикатора единиц минут. Кроме того, сигнал выборки
разряда подключает выход шифратора клавиатуры к входным цепям СТR (1,0с). Нажатием соответствующей
кнопки клавиатуры в счетчике устанавливается необходимое количество секунд. При
установке времени поступление счетных импульсов на вход устройства блокируется
сигналом с СУУВ. Установка и индикация установки других разрядов часов
осуществляется аналогичным образом.
2. Синтез
элементов структурной схемы устройства
2.1 Выбор
генератора импульсов
В соответствии с условием задания. Выбираем кварцевый генератор с
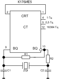
резонатором на 16384 Гц на микросхемах 176 серии К176ИЕ5 (рис. 2.1.1).
Рис. 2.1.1
Микросхема служит генератором секундных импульсов для электронных часов,
представляет собой счетчик с выходами 9 и 10 для подключения кварцевого
резонатора или внешнего генератора эталонной частоты. Схема содержит делитель
частоты с коэффициентом деления 214 , обеспечивающим при
соответствующей коммутации получение частоты 1 Гц на выходе 4, при подключении
кварцевого резонатора 16384 Гц.
2.2 Выбор
индикатора и схемы управления индикатором
Индикаторы, применяемые в бортовых устройствах, должны обеспечивать
уверенное считывание информации в условиях сильной и слабой освещенности,
обладать высокой яркостью, иметь высокую чувствительность к управляющим
сигналам, малую потребляемую мощность, высокую долговечность и надежность.
К числу таких индикаторов относятся электронные индикаторы, преобразующие
электрические сигналы в видимые изображения букв или цифр. К ним относятся
полупроводниковые знакосинтезирующие индикаторы (ПЗСИ) и светодиоды.
Промышленностью выпускаются светодиоды красного, желто-зеленого и
оранжевого цветов свечения, обеспечивающих различную силу света. Они
изготавливаются с направленным и рассеивающим излучением.
Управление включением светодиодов осуществляется логическими элементами.
При этом чаще всего применяются логические элементы с открытым коллектором и
повышенной нагрузочной способностью. Для ограничения прямого тока через
светодиод последовательно с ним включается ограничительное сопротивление. Схема
включения светодиода показана на рис. 2.2.2.
2.3 Синтез
счетчиков - делителей частоты
Синтез двоично-десятичного суммирующего счетчика с
коэффициентом счета Ксч = 10
· Построение таблицы кодирования десятичных цифр в двоично-десятичном коде
6-3-2-1.
Таблица 2.3.1
|
Десятичная цифра
|
Цифры кода 6321
|
|
0
|
0000
|
|
1
|
0001
|
|
2
|
0010
|
|
3
|
0011
|
|
4
|
0101
|
|
5
|
0110
|
|
6
|
0111
|
|
7
|
1001
|
|
8
|
1010
|
|
9
|
1011
|
|
Неиспользуемые коды
|
1101
|
|
1110
|
|
1111
|
· Построение таблицы переходов счетчика.
Таблица 2.3.2
|
t
|
Q
|
Номера состояний счетчика
|
|
|
0
|
1
|
2
|
3
|
4
|
5
|
6
|
7
|
8
|
9
|
|
t
|
Q1
|
0
|
1
|
0
|
1
|
1
|
0
|
1
|
1
|
0
|
1
|
|
Q2
|
0
|
0
|
1
|
1
|
0
|
1
|
1
|
0
|
1
|
1
|
|
Q3
|
0
|
0
|
0
|
0
|
1
|
1
|
1
|
0
|
0
|
0
|
|
Q4
|
0
|
0
|
0
|
0
|
0
|
0
|
0
|
1
|
1
|
1
|
|
t+1
|
Q1
|
1
|
0
|
1
|
1
|
0
|
1
|
1
|
0
|
1
|
0
|
|
Q2
|
0
|
1
|
1
|
0
|
1
|
1
|
0
|
1
|
1
|
0
|
|
Q3
|
0
|
0
|
0
|
1
|
1
|
1
|
0
|
0
|
0
|
0
|
|
Q4
|
0
|
0
|
0
|
0
|
0
|
0
|
1
|
1
|
1
|
0
|
· Построение карт Карно, описывающих логику каждого разряда счетчика в
новом такте. Карты Карно строятся для каждого
разряда счетчика и описывают логику переключения этого разряда в каждом такте с
приходом очередного импульса. Карты заполняются на основании таблицы 2.3.2.
Рис. 2.3.1
Рис. 2.3.2
· Построение карт Карно, описывающих логику формирования управляющих
сигналов на входах каждого разряда счетчика
Переходы триггеров из одного состояния в другое осуществляются под
воздействием сигналов на управляющих входах J и K.
Получим систему логических уравнений для каждого входа всех разрядов.
Для этого используем характеристическую таблицу JK-триггера:
Таблица 2.3.3
|
Состояние триггера
|
Управляющие сигналы
|
|
Текущее
|
Следующее
|
Вход R
|
Вход S
|
|
0
|
0
|
*
|
0
|
|
0
|
1
|
0
|
1
|
|
1
|
0
|
1
|
0
|
|
1
|
1
|
0
|
*
|
Подставляя вместо переходов 00, 01, 10 и 11 значение соответствующих
входных сигналов J и K, получим карты Карно для каждого
триггера (рис. 2.3.3).
Рис. 2.3.3
· Минимизация логических функций, описывающих логику формирования управляющих
сигналов на входах каждого разряда счетчика.
В результате минимизации для суммирующего счетчика можно получить
следующие уравнения:
По правилу де Моргана преобразуем уравнения к базису ИЛИ-НЕ:
На основе этих уравнений строится функциональная схема
двоично-десятичного счетчика (рис. 2.3.4). На рисунке 2.3.5 изображено условное
графическое изображение (УГО) синтезированного счетчика и функциональное
назначение входов и выходов.
Рис. 2.3.4 Функциональная схема двоично-десятичного счетчика
Рис. 2.3.5
Синтез двоично-десятичного суммирующего счетчика с
коэффициентом счета Ксч = 6
· Построение таблицы кодирования десятичных цифр в двоично-десятичном коде
6-3-2-1.
Таблица 2.3.4
|
Десятичная цифра
|
Цифры кода 6321
|
|
0
|
0000
|
|
1
|
0001
|
|
2
|
0010
|
|
3
|
0011
|
|
4
|
0101
|
|
5
|
0110
|
|
6
|
0111
|
|
Неиспользуемые коды
|
1001
|
|
1010
|
|
1011
|
|
1110
|
|
1111
|
· Построение таблицы переходов счетчика
Таблица 2.3.5
|
t
|
Q
|
|
|
|
0
|
1
|
2
|
3
|
4
|
5
|
6
|
|
t
|
Q1
|
0
|
1
|
0
|
1
|
1
|
0
|
0
|
|
Q2
|
0
|
0
|
1
|
1
|
0
|
1
|
0
|
|
Q3
|
0
|
0
|
0
|
0
|
1
|
1
|
0
|
|
t+1
|
Q1
|
1
|
0
|
1
|
1
|
0
|
0
|
0
|
|
Q2
|
0
|
1
|
1
|
0
|
1
|
0
|
0
|
|
Q3
|
0
|
0
|
0
|
0
|
1
|
0
|
0
|
· Построение карт Карно, описывающих логику каждого разряда счетчика в
новом такте.
Рис. 2.3.6
Рис. 2.3.7
· Построение карт Карно, описывающих логику формирования управляющих
сигналов на входах каждого разряда счетчика.
Рис. 2.3.8
· Минимизация логических функций, описывающих логику формирования
управляющих сигналов на входах каждого разряда счетчика.
Получить следующие уравнения:
По правилу де Моргана преобразуем уравнения к базису ИЛИ-НЕ:
На основе этих уравнений строится функциональная схема
двоично-десятичного счетчика (рис. 2.3.9). На рисунке 2.3.10 изображено
условное графическое изображение (УГО) синтезированного счетчика и
функциональное назначение входов и выходов.
Рис. 2.3.9 Функциональная схема двоично-десятичного счетчика
Рис. 2.3.10
· Минимизация логических функций, описывающих логику формирования
управляющих сигналов на входах каждого разряда счетчика.
В результате минимизации для суммирующего счетчика можно получить
следующие уравнения:
По правилу де Моргана преобразуем уравнения к базису ИЛИ-НЕ:
На основе этих уравнений строится функциональная схема
двоично-десятичного счетчика (рис. 2.3.11). На рисунке 2.3.12 изображено
условное графическое изображение (УГО) синтезированного счетчика и
функциональное назначение входов и выходов.
Рис. 2.3.11 Функциональная схема двоично-десятичного счетчика
Рис. 2.3.12
2.4 Синтез
преобразователей кодов
Преобразователи кодов предназначены для преобразования внутреннего кода
счетчика, формируемого в процессе поступления счетных импульсов, в код
цифрового индикатора. Вид логической схемы преобразователя кода зависит от типа
заданного кода и принятой структуры цифрового индикатора. В нашем случае
цифровой индикатор собран из 20 светодиодов (рис. 2.2.1), а внутренний счетчик
соответствует коду 6-3-2-1.
Синтез преобразователей кода двоично-десятичного счетчика с Ксч
= 10 в 13-ти разрядный код цифрового индикатора
· Составим таблицу истинности.
Таблица 2.4.1
|
Десятичные цифры
|
Цифры кода 6-3-2-1
|
Сегменты цифрового индикатора
|
|
Q1Q2Q3Q4
|
S1
|
S2
|
S3
|
S4
|
S5
|
S6
|
S7
|
S8
|
S9
|
S10
|
S11
|
S12
|
S13
|
|
0
|
0000
|
0
|
1
|
0
|
1
|
1
|
1
|
0
|
1
|
1
|
1
|
0
|
1
|
0
|
0001
|
0
|
0
|
1
|
0
|
1
|
0
|
0
|
1
|
0
|
1
|
0
|
0
|
1
|
|
2
|
0010
|
1
|
1
|
0
|
0
|
1
|
0
|
1
|
0
|
1
|
0
|
0
|
1
|
1
|
|
3
|
0011
|
1
|
1
|
0
|
0
|
1
|
1
|
1
|
0
|
0
|
1
|
1
|
1
|
0
|
|
4
|
0101
|
1
|
0
|
1
|
1
|
1
|
1
|
1
|
1
|
0
|
1
|
0
|
0
|
1
|
|
5
|
0110
|
1
|
1
|
1
|
1
|
0
|
0
|
1
|
0
|
0
|
1
|
1
|
1
|
0
|
|
6
|
0111
|
0
|
1
|
1
|
1
|
0
|
1
|
1
|
0
|
1
|
1
|
0
|
1
|
0
|
|
7
|
1001
|
1
|
1
|
1
|
0
|
1
|
0
|
0
|
1
|
0
|
1
|
0
|
0
|
1
|
|
8
|
1010
|
0
|
1
|
0
|
1
|
1
|
0
|
1
|
0
|
1
|
1
|
0
|
1
|
0
|
|
9
|
1011
|
0
|
1
|
0
|
1
|
1
|
0
|
1
|
1
|
0
|
1
|
1
|
1
|
0
|
|
Неиспользуемые коды
|
1101
|
-
|
-
|
-
|
-
|
-
|
-
|
-
|
-
|
-
|
-
|
-
|
-
|
-
|
|
1110
|
-
|
-
|
-
|
-
|
-
|
-
|
-
|
-
|
-
|
-
|
-
|
-
|
-
|
|
1111
|
-
|
-
|
-
|
-
|
-
|
-
|
-
|
-
|
-
|
-
|
-
|
-
|
-
|
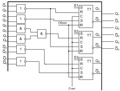
· Запись системы логических функций.
Логическая функция записывается в виде Si = fi(Q1Q2Q3Q4).
· Минимизация функций.
Полученные функции представляют собой запись в дизъюнктивной нормальной
форме и подлежат упрощению. Для минимизации функций воспользуемся картами
Карно. Неиспользуемые наборы отметим *.
Рис. 2.4.1 Эталонная карта
Рис. 2.4.2 Карты Карно для функций Si
После минимизации функции примут вид:
Преобразуем эти уравнения к базису "И-НЕ" по правилу де
Моргана:
Функциональная схема, построенная по этим уравнениям показана на рис.
2.4.3.
Условное графическое обозначение преобразователя кодов, предназначенного
для преобразования кода 6-3-2-1 в 13-ти разрядный код цифрового индикатора,
изображено на рисунке 2.4.4.
Рис. 2.4.3
Рис. 2.4.4
Синтез преобразователей кода двоично-десятичного счетчика с Ксч
= 6 в 13-ти разрядный код цифрового индикатора
· Составим таблицу истинности.
Таблица 2.4.1
|
Десятичные цифры
|
Цифры кода 6-3-2-1
|
Сегменты цифрового индикатора
|
|
Q1Q2Q3Q4
|
S1
|
S2
|
S3
|
S4
|
S5
|
S6
|
S7
|
S8
|
S9
|
S10
|
S11
|
S12
|
S13
|
|
0
|
0000
|
0
|
1
|
0
|
1
|
1
|
1
|
0
|
1
|
1
|
1
|
0
|
1
|
0
|
|
1
|
0001
|
0
|
0
|
1
|
0
|
1
|
0
|
0
|
1
|
0
|
1
|
0
|
0
|
1
|
|
2
|
0010
|
1
|
1
|
0
|
0
|
1
|
0
|
1
|
0
|
1
|
0
|
0
|
1
|
1
|
|
3
|
0011
|
1
|
1
|
0
|
0
|
1
|
1
|
1
|
0
|
0
|
1
|
1
|
1
|
0
|
|
4
|
0101
|
1
|
0
|
1
|
1
|
1
|
1
|
1
|
1
|
0
|
1
|
0
|
0
|
1
|
|
5
|
0110
|
1
|
1
|
1
|
1
|
0
|
0
|
1
|
0
|
0
|
1
|
1
|
1
|
0
|
|
Неиспользуемые коды
|
0111
|
-
|
-
|
-
|
-
|
-
|
-
|
-
|
-
|
-
|
-
|
-
|
-
|
-
|
|
1010
|
-
|
-
|
-
|
-
|
-
|
-
|
-
|
-
|
-
|
-
|
-
|
-
|
-
|
|
1011
|
-
|
-
|
-
|
-
|
-
|
-
|
-
|
-
|
-
|
-
|
-
|
-
|
-
|
-
|
-
|
-
|
-
|
-
|
-
|
-
|
-
|
-
|
-
|
-
|
-
|
-
|
|
1110
|
-
|
-
|
-
|
-
|
-
|
-
|
-
|
-
|
-
|
-
|
-
|
-
|
-
|
|
1111
|
-
|
-
|
-
|
-
|
-
|
-
|
-
|
-
|
-
|
-
|
-
|
-
|
-
|
· Запись системы логических функций.
· Минимизация функций.
Рис. 2.4.5
Рис. 2.4.6
После минимизации функции примут вид:
Преобразуем эти уравнения к базису "И-НЕ" по правилу де
Моргана:
Функциональная схема, построенная по этим уравнениям представлена на рис.
2.4.7.
Рис. 2.4.7
2.5 Синтез
шифратора клавиатуры
Клавиатура и шифратор клавиатуры предназначены для предварительной
установки необходимого времени. Установка осуществляется путем выбора
соответствующего разряда таймера (часов) и ввода требуемого значения времени.
Клавиатура содержит 10 кнопок по количеству вводимых цифр. При нажатии кнопки
вводится значение цифры в выбранный разряд. Выбор разряда таймера производится
схемой управления установкой времени СУУВ. Шифратор преобразует сигнал,
формируемый при нажатии кнопки, в цифровой код счетчика таймера. Для синтеза
шифратора строится таблица истинности, из которой выписываются уравнения выходов.
Таблица истинности, описывающая работу шифратора
Таблица 2.5.1
|
№ кнопки
|
К0
|
К1
|
К2
|
К3
|
К4
|
К5
|
К6
|
К7
|
К8
|
К9
|
|
Код
|
Q1
|
0
|
1
|
0
|
1
|
0
|
1
|
0
|
1
|
0
|
1
|
|
Q2
|
0
|
0
|
1
|
1
|
0
|
0
|
1
|
1
|
0
|
0
|
|
Q3
|
0
|
0
|
0
|
0
|
1
|
1
|
1
|
0
|
1
|
1
|
|
Q4
|
0
|
0
|
0
|
0
|
0
|
0
|
0
|
1
|
1
|
1
|
Из таблицы выпишем уравнения
Функциональная схема представлена на рисунке 2.5.1.
Рис. 2.5.1
Функциональная схема клавиатуры с шифратором в виде УГО приведена на
рисунке 2.5.2.
Рис. 2.5.2
2.6
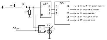
Построение схемы управления установкой времени
Схема управления установкой времени обеспечивает выбор соответствующего
разряда устройства для предварительного ввода в избранный разряд с помощью
клавиатуры цифрового кода. Выбор разряда сопровождается подачей на
соответствующий преобразователь кода импульса частотой 1 Гц для обеспечения
"мерцания" индикатора. Простейший способ выбора разряда состоит в
формировании импульса путем нажатия кнопки, подачи этого импульса на
распределитель сигналов, в формировании на выходах распределителя высокого
уровня сигнала и подачи его на вентильные группы избранного разряда.
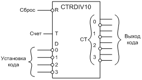
Распределитель импульсов может быть выполнен на счетчике со счетным входом и
дешифраторе. При установке времени должно быть заблокировано поступление
счетных импульсов на счетчики часов. Функциональная схема такого блока показана
на рисунке 2.6.1.
2.7
Построение схемы выходного сигнала
Схема формирования выходного сигнала обеспечивает появление на выходе
устройства сигнала высокого уровня, который может быть использован для
включения исполнительного элемента бортового оборудования. Формирователем
сигнала может служить обычный триггер. В единичное состояние триггер
устанавливается импульсом сброса часов при переполнении. Схема управления
установкой выходного триггера приведена на рисунке 2.7.1.
2.8 Синтез
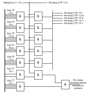
схем формирования переносов часов
Схемы формирования переносов предназначены для формирования сигналов,
обеспечивающих организацию межразрядных переносов счетчиков, установку разрядов
счетчика в "0", установку разряда часов в состояние "6",
для сброса часов в "0" и для формирования общего выходного сигнала
при обнулении всех разрядов устройства.
В часах отсчет времени, если предварительно не установлено какое-нибудь
значение, начинается с "0". С каждым счетным импульсом значение
времени возрастает до тех пор, пока не будет исчерпана емкость часов,
соответствующая 5 часам 59 минутам, 59 секундам. Очередной счетный импульс
переведет все разряды часов в нулевое состояние. Выходной импульс формируется
при сбросе разряда часов в нуль. Функциональная схема приведена на рис. 2.8.1.
Основная
и вспомогательная литература и справочники
1. Интегральные микросхемы:
Справочник. Под ред. Тарабрина В.Б. - М.: Радио и связь, 1984 - 528с.
2. Бирюков С.А. Цифровые
устройства на МОП - интегральных микросхемах. - М: Радио и связь, 1990. - 128с.
3. Пухальский Г.И.,
Новосельцева Т.Я. Проектирование дискретных устройств на интегральных
микросхемах. Справочник: - М: Радио и связь, 1990.
4. Шило В.Л. Популярные
цифровые микросхемы. Справочник. - М.: Радио и связь 1987. - 352 с.
Приложение