|
Входное слово
преобразователя кода
|
Выходное слово
|
|
№ такта
|
Символ
|
X5 16
|
X4 8
|
X3 4
|
X2 2
|
X1 1
|
№ кода буквы
|
Y4
|
Y3
|
Y2
|
Y1
|
|
0
|
0000000000
|
|
|
|
|
|
|
|
|
|
|
|
1
|
М
|
0
|
0
|
0
|
0
|
1
|
1
|
0
|
0
|
0
|
1
|
|
2
|
Е
|
0
|
0
|
0
|
1
|
0
|
2
|
0
|
0
|
1
|
0
|
|
3
|
Х
|
0
|
0
|
0
|
1
|
1
|
3
|
0
|
0
|
1
|
1
|
|
4
|
О
|
0
|
0
|
1
|
0
|
0
|
4
|
0
|
1
|
0
|
0
|
|
5
|
В
|
0
|
0
|
1
|
0
|
1
|
5
|
0
|
1
|
0
|
1
|
|
6
|
0011000000
|
|
|
|
|
|
|
|
|
|
|
|
7
|
М
|
0
|
0
|
1
|
1
|
1
|
1
|
0
|
0
|
0
|
1
|
|
8
|
А
|
0
|
1
|
0
|
0
|
0
|
6
|
0
|
1
|
1
|
0
|
|
9
|
К
|
0
|
1
|
0
|
0
|
1
|
7
|
0
|
1
|
1
|
1
|
|
10
|
С
|
0
|
1
|
0
|
1
|
0
|
8
|
1
|
0
|
0
|
0
|
|
11
|
И
|
0
|
1
|
0
|
1
|
1
|
9
|
1
|
0
|
0
|
1
|
|
12
|
М
|
0
|
1
|
1
|
0
|
0
|
1
|
0
|
0
|
0
|
1
|
|
13
|
0110100000
|
|
|
|
|
|
|
|
|
|
|
|
14
|
Г
|
0
|
1
|
1
|
1
|
0
|
10
|
1
|
0
|
1
|
0
|
|
15
|
Е
|
0
|
1
|
1
|
1
|
1
|
2
|
0
|
0
|
1
|
0
|
|
16
|
Н
|
1
|
0
|
0
|
0
|
0
|
11
|
1
|
0
|
1
|
1
|
|
17
|
Н
|
1
|
0
|
0
|
0
|
1
|
11
|
1
|
0
|
1
|
1
|
|
18
|
А
|
1
|
0
|
0
|
1
|
0
|
6
|
0
|
1
|
1
|
0
|
|
19
|
Д
|
1
|
0
|
0
|
1
|
1
|
12
|
1
|
1
|
0
|
0
|
|
20
|
Ь
|
1
|
0
|
1
|
0
|
0
|
13
|
1
|
1
|
0
|
1
|
|
21
|
Е
|
1
|
0
|
1
|
0
|
1
|
2
|
0
|
0
|
1
|
0
|
|
22
|
В
|
1
|
0
|
1
|
1
|
0
|
5
|
0
|
1
|
0
|
1
|
|
23
|
И
|
1
|
0
|
1
|
1
|
1
|
9
|
1
|
0
|
0
|
1
|
|
24
|
Ч
|
1
|
1
|
0
|
0
|
0
|
14
|
1
|
1
|
1
|
|
25
|
11001~~~~~
|
|
|
|
|
|
|
|
|
|
|
|
26
|
11010~~~~~
|
|
|
|
|
|
|
|
|
|
|
|
27
|
11011~~~~~
|
|
|
|
|
|
|
|
|
|
|
|
28
|
11100~~~~~
|
|
|
|
|
|
|
|
|
|
|
|
29
|
11101~~~~~
|
|
|
|
|
|
|
|
|
|
|
|
30
|
11110~~~~~
|
|
|
|
|
|
|
|
|
|
|
|
31
|
11111~~~~~
|
|
|
|
|
|
|
|
|
|
|
|
32
|
СБРОС
|
0
|
0
|
0
|
0
|
0
|
~
|
~
|
~
|
~
|
~
|
|
0
|
0000000000
|
|
|
|
|
|
|
|
|
|
|
|
1
|
М
|
0
|
0
|
0
|
0
|
1
|
1
|
0
|
0
|
0
|
1
|
|
Циклически повторяется
|
Таблица имеет продолжение до 32 комбинации, но с такта номер 25
включительно и до конца кодовая комбинация выходного слова безразлична, потому
что этих комбинаций никогда не будет за счёт асинхронного сброса в нуль
входного слова.
Минимизируем методом Карно-Вейча. Строим карту Карно для пятиразрядного
входного слова. Шаблон карты Карно показан на рисунке 3.1.
Рисунок 3 - Шаблон карты Карно
Запишем выходные функции в минимальной дизъюнктивной нормальной форме:
Рисунок 4 - Карта Карно для функции Y1
(9)
Рисунок 5 - Карта Карно для функции Y2
(10)
Рисунок 6 - Карта Карно для функции Y3
Рисунок 7 - Карта Карно для функции Y4
Приведем выше полученные функцию к базису И - НЕ по правилу де Моргана:
3.2
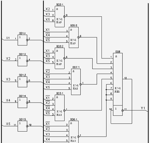
Преобразователь кода Ф.И.О
Преобразователь кода реализован на элементах И-НЕ (К561ЛИ1, К561ЛА7
,К561ЛА8, К561ЛА9) и выполняет функции (9), (10), (11), (12).
Схема преобразователя кода Ф.И.О. приведена на рисунках 8 и 9.
Рисунок 8 - Схема преобразователя кода Ф.И.О. (начало)
Рисунок 9 - Схема преобразователя кода Ф.И.О. (продолжение)
4.
Функциональные узлы схемы
.1
Задающий генератор и делитель частоты
Накопленный к настоящему времени опыт показал, что в устройствах
железнодорожной автоматики и телемеханики применение цифровых интегральных
микросхем целесообразно не только в узлах цифровой обработки сигналов
(разнообразные логические схемы, регистры, шифраторы), но и в таких традиционно
аналоговых узлах, как генераторы. Использование микросхем при построении
автогенераторов позволяет унифицировать технические решения, обеспечивающие
высокую стабильность генерируемых частот, создать единообразие конструктивного
оформления, снизить номенклатуру комплектующих изделий. Кроме того, такие решения
дают возможность отказаться от применения намоточных изделий, отличающихся
низкой технологичностью.
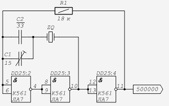
Задающий кварцевый генератор импульсов (мультивибратор) (Рисунок 10)
служит для формирования периодических импульсных сигналов в узлах автоматики и
связи и является основой для получения необходимого набора высокостабильных
рабочих частот. Схема построена с использованием двух инверторов D25.2 и D25.3, в цепь обратной связи которых включен кварцевый
резонатор ZQ. Спад напряжения с выхода элемента DD25.3, поступая на вход элемента DD25.2 через конденсатор С2
ограничивается входным диодом элемента на уровне, после чего начинается заряд
конденсатора через резистор R1,
повышающий напряжение на левой обкладке конденсатора. Лавинообразный процесс
переключения элементов приведет к передаче с выхода элемента DD25.3 на вход элемента DD25.2 положительного перепада
напряжения с амплитудой, равной напряжению питания. Подстроечный конденсатор С1
нужен для настройки генератора на частоту возбуждения кварца. Расчет номиналов
схемы производится из условия возбуждения мультивибратора на частоте кварцевого
резонатора.
Значение
емкости конденсатора
примем равной 33 пФ, а подстроечного конденсатора С1
- 15 пФ. Величину сопротивления найдем из следующего выражения:
где
.
Тогда
искомое значение сопротивления определится:
В
итоге для схемы задающего генератора:
; (15)
Ом.
По
номинальному ряду Е24 выбираем номинал
кОм.
Рисунок
10 - Схема задающего генератора
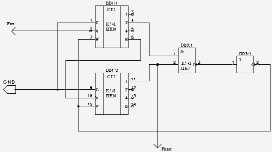
Разработаем
схему делителя частоты. В подпункте 1.2 был определен коэффициент деления
. Построим схему на микросхеме К561ИЕ10. Для получения
заданного коэффициента деления необходимо сбросить счетчик при появлении на
выходах комбинации, соответствующей числу 18. Запишем выражение для функции
сброса:
. (16)
Веса
разрядов:
.
Рисунок
- 11 Принципиальная схема делителя частоты
Делитель
частоты собран на двоичных счетчиках К561ИЕ10, которые для увеличения
разрядности соединены последовательно. На входы этих микросхем поступают
прямоугольные импульсы с кварцевого генератора. Формирование выходного импульса
закончится в тот момент, когда счетчик разделит входную частоту 500 кГц на 18.
4.2
Преобразователь параллельного кода в последовательный
Разрядность параллельного кода определяется количеством двоичных букв
выходного слова символа посылки (таблица 1). Для нашего примера код равен
четырем разрядам (Y4, Y3, Y2, Y1).
Принцип преобразования заключается в поочередном подключении (в порядке
возрастания номера такта) кодированного символа к схеме согласования с каналом
связи. Очередность подключения разрядов символа обычно оговаривается протоколом
обмена, для нашего примера - значения не имеет.
Выходы преобразователя кода подключаются к параллельной шине данных
регистра (Рисунок 13). Сигнал PS -
режим работы параллельный - последовательный, С - импульсы синхронизации, R - асинхронный сброс регистра
(независимо от входных воздействий на выводах Q будут нули пока R равно единице).
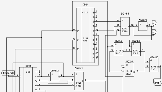
4.3 Формирователь стартовых импульсов
Передатчик информации может работать вообще без каких-либо
синхронизирующих импульсов, конечно, если нет цели принять, а затем
декодировать поступившую информацию. В современных модемах алгоритм
синхронизации может быть довольно сложным, но в любом случае длинную посылку
делят на части. Отдельные последовательные части могут объединяться в более
крупные, которые называют кадрами. Для упрощения декодирования размеры кадров в
одной посылке стараются сделать одинаковыми. В состав кадра обязательно должны
входить стартовые (для определения начала) и стоповые (для определения конца)
импульсы, кроме этого могут добавляться другие служебные импульсы (адрес и имя
посылки, контрольные суммы, информация для восстановления данных в случае
искажения кода из-за помех), импульсы данных. Из общего размера кадра служебные
импульсы могут занимать до 50%.
Сложное кодирование осуществляется программным способом на
микроконтроллерах. В данном курсовом проекте ограничимся только стартовыми и
стоповыми импульсами. Стартовая комбинация должна выглядеть не проще чем 00101,
а стоповая - 00000 00000 00000.
Функция зависит от времени, схема должна выдать синхронизирующий код один
раз за цикл в начале посылки на месте нулевой комбинации. Формирователь удобно
построить на микросхеме десятичного счетчика с дешифратором на выходе К561ИЕ8.
. (17)
Преобразовав формулу (17) к базису К561 серии получим функцию (формула
18) для построения принципиальной схемы.
. (18)
Схема формирования стартовых импульсов показана на рисунке 13,
где С - тактовая частота;
R -
импульс сброса автомата в исходное состояние;
- запрет
счета по входу С.
4.4
Фазовый модулятор
В соответствии с заданием канал связи не обеспечивает передачу нулевой
частоты, поэтому без модулирования сигнала не обойтись. В общем случае возможны
три варианта построения схемы согласования по видам модуляции:
фазовая модуляция (ФМ);
частотная модуляция (ЧМ);
амплитудная модуляция (АМ).
Выбираем фазовую модуляцию.
Фазовая модуляция - наиболее защищенная от помех, которая дает
возможность реализации максимальной скорости передачи. Основным недостатком ФМ
является сложный алгоритм приема, но при наличии процессора на приемном конце
качество декодирования в основном определяется программным обеспечением, что
активно используется в современных компьютерных модемах. В условиях повышенных
помех нужно предусмотреть более гибкий алгоритм ФМ (изменение несущей частоты (C), переменное отношение несущей к
входному алфавиту (D) модулятора C/D и их фазы). В данном курсовом проекте эти вопросы не
рассматриваем. Модуляцию заменяем манипуляцией со сдвигом фаз на 180°.
Уровень, мощность, скорость передачи сигнала должны соответствовать
параметрам канала связи, кроме этого выходные параметры автомата должны регулироваться
в необходимых пределах.
После модулирования в пределе количество единичных и нулевых импульсов
должно быть одинаковым, то есть постоянная составляющая в спектральном
разложении сигнала должна равняться нулю.
Схемную реализацию получаем при помощи Булевых функций:
, (19)
где Х1 - входной алфавит (D);
Х2 - несущая частота (C).
Адаптируем формулу (19) к нашей схеме и приведем к базису серии К561:
. (20)
Из
временной диаграммы (Рисунок 12) видно, что на один бит данных D
приходится как минимум один период несущей частоты С, а при смене фазы
появляется частота равная
, следовательно, в спектре полезного сигнала будут
присутствовать первые гармоники двух частот С и
. Другие
нечетные гармоники полезной информации не несут и их нужно отфильтровать.
Принципиальная
схема фазового модулятора приведена вместе с принципиальной схемой управления
преобразователем кода на рисунке 13.
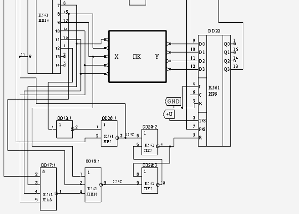
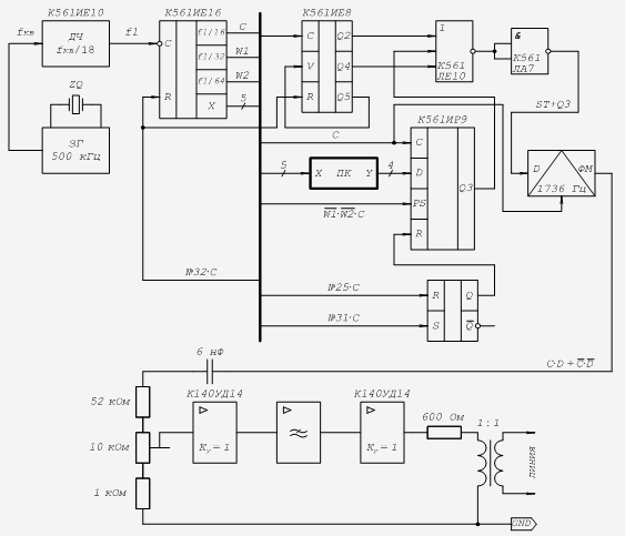
5. Временная
диаграмма функционирования автомата
Основные параметры автомата определены. Далее следует составление
диаграммы функционирования автомата с целью определения и схемного решения
функций других узлов и увязки уже определенных частей передатчика.
Временная диаграмма работы автомата строится с учетом выбранной
элементной базы. В данном примере сигналы:
счетчика К561ИЕ16 (С, W1, W2, X1, X2, X3, X4, X5, R);
регистра К561ИР9 (PS -
сигнал, при помощи которого параллельный код преобразуется в последовательный, Q0, Q1, Q2, Q3 - выходные параллельные данные, RR - сигнал сброс регистра);
счетчика К561ИЕ8 (Q0, Q1, Q2, Q3, Q4, Q5 - десятичный выход, С - синхронизирующий вход);
ST -
стартовый импульс;
R -
сброс всей схемы в исходное состояние (вырабатывается специальной схемой);
D -
последовательный выходной код данных;
ФМ - фазоманипулированный выходной сигнал.
Временная диаграмма функционирования автомата показана на рисунке 5.1.
Из диаграммы работы автомата запишем функции дополнительных схем,
необходимых для обеспечения работы, выбранных интегральных микросхем:
;
(RS-триггер)
В результате проведенных операций получим схему управления
преобразователем кода (СС, ПП, СИ, ССКС и ДЧ из структурной схемы), которая
показана на рисунке 13.
Рисунок 12 - Временная диаграмма функционирования автомата
Рисунок 13 - Схема управления преобразователем кода
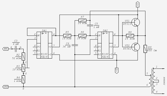
Схема согласования с каналом связи
Рисунок 14 - Схема согласования с каналом связи
Для данной схемы справедливы следующие соотношения.
Усиление на нулевой частоте ФНЧ:
Частота квазирезонанса:
Добротность контура:
Произведем расчет значений элементов схемы согласования.
Примем
добротность контура, равную
. Выберем
нФ.
Пусть
, тогда
.
Обозначим
через R сопротивления
. Тогда
уравнение для добротности (28) запишется в следующем виде:
;
Из
полученной формулы выразим С4:
;
Подставляем
численные значения:
.
По
номинальному ряду Е24 выбираем
.
Частота
полюса квазирезонанса:
; (29)
Гц.
Тогда
из выражения (27) найдем
:
(30)
,
откуда
.
По
номинальному ряду Е24 выбираем
.
Согласно
заданию входной уровень сигнала лежит в пределах от
Нп до 0 Нп, т.е.
В и
В.
Амплитуда
сигнала, подаваемого на вход схемы, составляет 9 В. Разделительный конденсатор
С3 не пропускает постоянную составляющую. Следовательно, на входе схемы
присутствует сигнал амплитудой 4,5 В.
Падение
напряжения на конденсаторе не должно превышать 3 %. Следовательно, потенциал в
точке B между C3 и R2:
В.
Очевидно,
что
В и
В.
Падение
напряжения на резисторе R3:
В.
Тогда
ток в цепи делителя напряжения, положив, что
кОм:
; (31)
А.
Поскольку
имеем последовательное соединение элементов, то ток в цепи делителя постоянен и
равен
мА.
Далее
находим
(32)
Ом;
(33)
Ом.
По
номинальному ряду сопротивлений Е24 находим
кОм,
кОм.
Сопротивление
положим равным 24 кОм.
Рассчитать
значение С3 можно через реактивное сопротивление на частоте среза ФВЧ на уровне
70 % от уровня на бесконечной частоте.
Емкостное
сопротивление:
. (33)
Реактивное
сопротивление выразим из выражения:
,
. (34)
Подставим
численные значения
Ом.
(35)
Ф.
Выбираем
номинальную емкость по ряду Е24
нФ.
Сопротивление
R9 берем равным волновому сопротивлению
Ом с тем, чтобы при коротком замыкании выходной
каскад оставался нагруженным на волновое сопротивление.
Источник
питания
Рисунок
15 - Схема источника питания
В принципиальную схему источника питания входят: понижающий
трансформатор, диодный мост, фильтрующие конденсаторы, балластные резисторы и
стабилитроны. Для питания автомата будет рационально применить стабилизаторы на
стабилитронах (параметрические), так как применяемая серия логических микросхем
не требует высокой стабильности питающего напряжения. Схема выпрямления
представляет собой двухполупериодный выпрямитель с заземлённой средней точкой.
Конденсатор фильтра берётся довольно большой ёмкости, чтобы уменьшить амплитуду
пульсаций до приемлемого значения, и его нужно рассчитать на достаточное
напряжение, чтобы выдержать худший вариант ¾ отсутствие нагрузки и максимальное напряжение сети.
В состав блока питания входит трансформатор, на вторичной обмотке
которого получаем напряжение 20 В. Нам необходимо получить напряжение для
питания цифровых микросхем 9 В, а также ±15 В для питания операционных усилителей. Частота сети 50 Гц.
Потребляемый ток микросхем примем равным I1=I2=I3=10 мА.
Выбранная серия микросхем не требует высокой стабильности питающего
напряжения. Выбираем параметрический стабилизатор на стабилитроне.
Произведем расчет положительнойветви схемы блока питания:
Выберем стабилитрон КС191Ж для стабилизации напряжения +9 В, и
стабилитрон КС215Ж для стабилизации напряжения +15 В.
Выберем
стабилитрон КС191Ж (
В,
мА,
мА).
Общее
сопротивление цепи:
(36)
Ом.
Сопротивление
балластного резистора:
(37)
Ом.
По
номинальному ряду выбираем
Ом.
Мощность
резистора рассчитывается для наихудшего варианта (короткое замыкание):
(38)
Вт.
Выбираем
Вт.
Сопротивление
конденсатора не должно превышать 5 % от общего сопротивления цепи, т.е.
Ом. Величина емкости:
(39)
Ф.
Выбираем
мкФ.
Поставим
нФ из расчета по 100 нФ на 10 корпусов (27 корпусов).
Емкость
при разводки схемы разбивается на несколько конденсаторов,
которые равномерно распределяются по печатной плате устройства. Следовательно,
номинал емкости
мы не выбираем.
Расчет
пятнадцати вольтовых цепей проводится аналогично.
Выберем
стабилитрон КС215Ж (
В,
мА,
мА).
Общее
сопротивление цепи:
(40)
Ом.
(41)
Ом.
Выбираем
Ом.
Мощность
резистора:
(42)
Вт.
Емкостное
сопротивление
Ом.
(43)
Ф.
Выбираем
мкФ.
Поставим
нФ из расчета по 100 нФ на 10 корпусов (2 корпуса).
8. Описание элементной базы
8.1 Микросхема К561ЛА7
Выполняет логическую функцию 2И-НЕ. Содержит четыре логических элемента.
Цоколевка микросхемы и её условное обозначение приведены на рисунке 16.
Рисунок 16 - Микросхема К561ЛА7
8.2 Микросхема К561ЛА8
Выполняет логическую операцию 4И-НЕ. Содержит два логических элемента.
Цоколевка микросхемы и ее условное обозначение приведены на рисунке 17.
Рисунок
17 - Микросхема К561ЛА8
8.3 Микросхема К561ЛА9
Выполняет логическую операцию 3И-НЕ. Содержит три логических элемента.
Цоколевка микросхемы и ее условное обозначение приведены на рисунке 18.
Рисунок 18 - Микросхема К561ЛА9
.4 Микросхема К561ЛЕ5
Выполняет логическую операцию 2ИЛИ-НЕ. Содержит четыре логических
элемента. Цоколевка микросхемы и ее условное обозначение приведены на рисунке
19.
Рисунок
19 - Микросхема К561ЛЕ5
Микросхема К561ЛЕ10
Выполняет логическую функцию 3ИЛИ-НЕ. Содержит три интегральных элемента.
Цоколевка микросхемы и ее условное обозначение приведены на рисунке 20.
Рисунок
20 - Микросхема К561ЛЕ10
Микросхема К561ЛИ1
Микросхема реализует функцию 9И, имеется также инвертор. Цоколевка
микросхемы и ее условное обозначение приведены на рисунке 21.
Рисунок
21 - Микросхема К561ЛИ1
Микросхема К561ИЕ8
Микросхема представляет собой счетчик по модулю 10 с дешифратором. Она
выполнена на основе пятикаскадного высокоскоростного счетчика Джонсона и
дешифратора, преобразующего двоичный код в сигнал на одном из десяти выводов.
Если на входе разрешения счета V присутствует низкий уровень, счетчик
осуществляет счет синхронно с положительным фронтом на тактовом входе С. При
высоком уровне на входе V действие входа С запрещается и счет останавливается.
Сброс счетчика осуществляется подачей высокого уровня на вход R. Счетчик имеет
выход переноса Р. Положительный фронт выходного сигнала переноса появляется
через 10 импульсов на входе С и используется как входной сигнал для счетчика
следующей декады. Структурная схема счетчика К561ИЕ8 и его условное обозначение
приведены на рисунке 22.
Рисунок 22 - Микросхема К561ИЕ8
Микросхема К561ИЕ10
Микросхема содержит два независимых четырехразрядных двоичных счетчика с
параллельным выходом. Для повышения быстродействия в ИС применен параллельный
перенос во все разряды. Подача счетных импульсов может производиться либо в
положительной полярности (высоким уровнем) на вход С, либо в отрицательной
полярности (низким уровнем) на вход V. В первом случае разрешение счета
устанавливается высоким уровнем на входе V, а во втором случае - низким уровнем
на входе С.
Структурная схема и условное обозначение счетчиков типа ИЕ10 приведены на
рисунке 22.
При построении многоразрядных счетчиков с числом разрядов более четырех
соединение между собой ИС ИЕ10 может производиться с последовательным или
параллельным формированием переноса. В первом случае на входе (вывод 1 или 9)
следующего каскада счетчика подается высокий уровень с выхода Q4 (выводы 6 или
14) предыдущего каскада.
Рисунок
22 - Микросхема К561ИЕ10
Микросхема К561ИЕ16
Микросхема содержат четырнадцатиразрядный асинхронный счетчик с
последовательным переносом. Сброс счетчика в нуль осуществляется импульсом
положительной полярности длительностью не менее 550 нс. по входу R. Содержимое
счетчика увеличивается по отрицательному перепаду (срезу) импульса по входу С.
Максимальная частота входных импульсов при Uн.п.=10 В достигает 4 МГц.
Устройство имеет выходы от 1,4...14 разрядов. Условное обозначение ИС приведено
на рисунке 23.
Рисунок
23 - Микросхема К561ИЕ16
Микросхема К561ИР9
Микросхема содержит четырехразрядный последовательно-параллельные
регистры сдвига. Условное обозначение и цоколевка - приведены на рисунке 24.
Регистр сдвига типа ИР9 содержит два последовательных входа J и К. Если их
соединить вместе, то получим простой D-вход. Высокий уровень на входе P/S
(переключатель «параллельный режим ввода - последовательный режим ввода»)
определяет режим параллельного ввода информации с входов D0...D3. Параллельная
запись осуществляется асинхронно.
Если на входе P/S установлен низкий уровень, то установлен режим
последовательного ввода с входов J и К и сдвига информации по фронту
(положительному перепаду) синхроимпульсов на входе С. Установка всех триггеров
регистра в нулевое состояние осуществляется асинхронно высоким уровнем на входе
R. С помощью входа Т/С можно устанавливать на выходах Q0...Q3 прямой код
(высокий уровень на входе Т/С) или дополнительный код (низкий уровень на входе
Т/С).
Рисунок
24 - Микросхема К561ИР9
Операционные усилители К140УД14А, К140УД14Б, К140УД14В
Прецизионные операционные усилители с малыми входными токами и малой
потребляемой мощностью с защитой выхода при коротком замыкании на корпус или на
источник питания. Коррекция АЧХ осуществляется внешними цепями коррекции,
подключаемыми к выводам 1 и 8. Микросхемы конструктивно оформлены в корпусе
типа 301.8-2.
Рисунок
25 - Операционный усилитель типа К140УД14
Основные параметры при температуре 25±5°С операционных усилителей
приведены в таблице 2
Таблица 2 - Основные параметры операционных усилителей
|
,В ,В ,мА ,нА ,нА ,мВ
|
|
|
|
|
|
|
+15±1.5
|
-15±1.5
|
0.6
|
2
|
0.2
|
±2
|
|
,В ,В ,дБ ,МОм ,МГц
|
|
|
|
|
|
|
13
|
-13
|
50000
|
85
|
302
|
0.33
|
Заключение
В результате проделанной работы была построена схема для передачи
сообщения «МЕХОВ МАКСИМ ГЕННАДЬЕВИЧ» по каналу связи. При проектировании был
разработан задающий генератор, делитель частоты, преобразователь кода,
согласующее устройство с каналом связи, блок питания.
Выполнение настоящей курсовой работы способствовало закреплению
теоретических знаний по разделам курса теоретических основ железнодорожной
автоматики, телемеханики и связи, появлению практических навыков, необходимых
при эксплуатации, проектировании, разработке и усовершенствовании устройств
автоматики. В процессе работы были получены навыки проектирования цифровых
устройств на логических элементах серии К561.
цифровой устройство автомат связь
Библиографический список
1.Сушков, С.
А. Теоретические основы железнодорожной автоматики телемеханики и связи / С. А.
Сушков, Ю. И. Слюзов: Омск, 2002.
.Слюзов, Ю.
И. Синтез дискретных устройств железнодорожной автоматики и телемеханики / Ю.
И. Слюзов, В. Я. Требин: Омск, 1996.
.Нефедов, А.
В. Справочник: интегральные микросхемы и их зарубежные аналоги, серии К544-К564
/ А. В. Нефедов: Москва, 1997.
.СТП
ОмГУПС-1.2-2005