Задачи синтеза систем регулирования
Федеральное
агентство по образованию
Московский
государственный открытый университет
Чебоксарский
политехнический институт
Кафедра
Управления и информатики в технических системах
Контрольная
работа
по курсу
«Локальные системы управления»
Выполнил студент: Кравченко Р.Ю.
Проверила: Изосимова Т.А.
год
Содержание
1. Постановка
задачи синтеза систем регулирования
. Анализ
ПИД-регулятора
. Качество
процессов регулирования
. Практическая
часть
1. Постановка задачи синтеза систем регулирования
Одной из центральных задач теории автоматического управления является
задача синтеза систем, в результате решения которой определяется состав,
структура САУ и параметры всех ее устройств из условия удовлетворения заданному
комплексу технических требований: обеспечение устойчивости {стабилизация) и
качества переходных процессов (увеличение быстродействия, недопустимость
больших перерегулирований и др.)\ повышение точности управления в
установившихся режимах и др.
Далее под методами синтеза САУ по заданным показателям качества
понимаются методы решения задачи синтеза регуляторов {корректирующих
устройств), позволяющие определить место его включения, структуру и параметры,
исходя из требований к качеству процессов управления.
Основные этапы решения задачи синтеза регуляторов в классе линейных
стационарных систем.
Изложим основные этапы решения задачи синтеза регуляторов, определяющие
содержание этой сложной проблемы.
-й этап. Постановка технической задачи. На этом этапе постановка задачи
делается в содержательных терминах. Ведется обсуждение с использованием таких
понятий, как возможные режимы работы системы (установившийся или переходный),
необходимая точность, ограничения, ориентировочное время работы системы и др.
Формируется функциональная схема системы, рассматриваются энергетические
вопросы, обсуждаются вопросы выбора типа исполнительных элементов и
усилительных устройств и т.д.
-й этап. Математическое описание технической задачи и ее постановка. На
этом этапе строятся математические модели всех элементов, входящих в систему.
выбирается структура регулятора и место его включения. Задается эталонная
система или эталонный выходной сигнал. Выбирается критерий приближения к
эталону.
Для систем, работающих в переходном режиме, эталонный выходной сигнал
может быть задан в виде переходной характеристики, определяемой параметрами:
время регулирования tр, перерегулирование σ
%, частота колебаний ω=
2π/T. Часто эталонная переходная
характеристика задается в виде апериодического переходного процесса.
Требования к системе могут быть определены заданием эталонного оператора
системы (эталонной системы). Эталонный оператор системы определяет качество
системы как в переходном, так и в установившемся режимах.
Для систем, работающих в установившемся режиме, информация о точности
задается с помощью допустимых значений коэффициентов ошибок Типовая постановка
задачи может быть сформулирована так: произвести синтез регулятора, который
обеспечил бы следующее:
) нулевую установившуюся ошибку при подаче на вход сигнала вида y(t) = 1(t);
) перерегулирование σmax% в системе не должно превышать σдоп%;
) время переходного процесса tр не должно
превышать tр доп;
) максимальное ускорение выходной переменной при заданных условиях не
должно превышать допустимого значения.
Часто говорят, что переходная характеристика должна находиться в
«коробочке» В.В. Солодовникова.
синтез
регулятор автоматизированнный передаточный
Рис. Область допустимых значений переходной функции («коробочка»
В.В.Солодовникова)
На этом этапе выбираются (если они известны) или строятся (если они
неизвестны) математические модели всех элементов, входящих в систему.
Выбирается структура и место включения регулятора. Этот этап является наиболее
сложным в том смысле, что менее всего поддается формализации.
-й этап. Синтез регулятора. На 2-ом этапе была выбрана возможная
структура регулятора. На 3-ем этапе решается задача синтеза регулятора,
состоящая в расчете его параметров.
Методы синтеза можно условно разбить на две группы. Первая группа
включает методы, в которых эталоном является выходной сигнал. При использовании
этого подхода в качестве эталона чаще всего задается желаемая переходная
характеристика, а параметры регулятора выбираются из следующего условия:
реальная переходная характеристика системы должна возможно меньше, в известном
смысле, отличаться от эталонной. Вторая группа методов использует понятие
эталонного оператора. При этом подходе задача ставится так: надо подобрать
параметры регулятора таким образом, чтобы оператор системы возможно меньше, в
известном смысле, отличался от эталонного оператора.
-й этап. Анализ полученного решения. Полученные на предыдущем этапе
значения параметров регулятора подставляются в уравнения системы, и проводится
ее анализ на предмет устойчивости. Если система устойчива, то строится ее
переходная функция и другие характеристики, по которым проверяется соответствие
скорректированной системы требованиям, сформулированным в техническом задании.
Если система не удовлетворяет предъявленным требованиям, то необходимо
вернуться ко второму и третьему этапам.
-й этап. Аппаратная реализация регулятора. Результатом реализации этого
этапа является принципиальная схема регулятора, построенная в соответствии с
выбранной структурой и рассчитанными параметрами. Если предполагается
реализация регулятора на базе специализированной ЭВМ, то формируются требования
к ЭВМ, работающей в контуре САУ в реальном масштабе времени; строится
алгоритмическое и программное обеспечение ЭВМ.
-й этап. Испытания системы.
. Анализ ПИД-регулятора
Пропорционально-интегральо-дифференциальным, или ПИД-регулятором,
называется регулятор, производящий перемещение регулирующего органа
пропорционально отклонению, интегралу от отклонения и скорости изменения
регулируемой величины, то есть ПИД-регулятор вводит в закон регулирования
интеграл и производную от регулируемой величины.
Запишем передаточную функцию для ПИД-регулятора:
и
- ПИД-регулятор с общим коэффициентом усиления для различных составляющих
закона управления.
При скачкообразном изменении регулируемой величины идеальный
ПИД-регулятор в начальный момент времени оказывает мгновенное бесконечно
большое воздействие на объект регулирования, затем величина воздействия
мгновенно падает до значения, определяемого пропорциональной частью регулятора,
после чего, как и в ПИ-регуляторе, постепенно начинает оказывать свое влияния
астатическая часть регулятора.
К, Ти и Кд - параметры настройки ПИД-регулятора.
ПИД-регулятор по своим возможностям является более универсальным по
сравнению с другими регуляторами. С его помощью можно осуществлять различные
законы управления.
Характеристики типового ПИД-регулятора приведены в таблице.
3. Качество процессов регулирования
К системам автоматического регулирования (САР) предъявляются требования
не только устойчивости процессов регулирования. Для работоспособности системы
не менее необходимо, чтобы процесс автоматического регулирования осуществлялся
при обеспечении определенных показателей качества процесса управления.
Если исследуемая САР является устойчивой, возникает вопрос о том,
насколько качественно происходит регулирование в этой системе и удовлетворяет
ли оно технологическим требованиям объекта управления. На практике качество
регулирования определяется визуально по графику переходной характеристики.
На рисунке изображены кривые переходных процессов в АСР при скачкообразном
изменении задания регулятора (а), внешнего возмущения (б).
Степень затухания - есть отношение разности двух соседних положительных
амплитуд колебаний выходной величины к первой из них:
При незатухающих колебаниях ψ=0. Чем больше ψ,
тем быстрее затухает
переходной процесс.
Перерегулированием (при изменении задания регулятору) называется
отношение разности между максимальным динамическим отклонением и установившемся
значением регулируемой величины к установившемуся значению регулируемой
величины:
Перерегулирование измеряется в процентах от установившегося значения. При
рассмотрении переходных процессов, вызванных действием внешних возмущений оно
определяется по формуле:
Где
- амплитуда скачкообразного возмущения, вызвавшего
рассматриваемый переходный процесс.
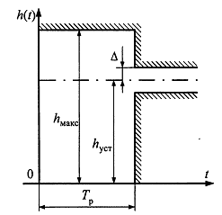
Время регулирования tp есть промежуток времени, в течение которого отклонение регулируемой
величины от заданного значения делается меньше определенной наперед заданной
величины.
Частота колебаний - ω=2π/Т
Число колебаний n -
которое имеет переходная характеристика за время управления.
Показатель колебательности M характеризует величину максимума модуля
частотной передаточной функции замкнутой системы (на частоте резонанса) и, тем
самым, характеризует колебательные свойства системы.
. Практическая часть
Задание на контрольную работу.
|
№ варианта
|
Закон регулирования
|
Критерий качества регулирования
|
|
52
|
ПИД
|
Критерий (апериодический с
минимумом , мин)
|
1. Для ПИД - закон регулирования

2. Выбрать кривую разгона согласно варианту задания (рис.1).
3. Аппроксимировать
кривую разгона апериодическим звеном первого порядка с запаздыванием.
Определить соотношение угла наклона
.
4. Найти
оптимальные настройки регулятора (метод Копеловича).
. Найти
передаточную функцию замкнутой системы.
. Определить
выражение замкнутой ВЧХ
.
. Методом
трапеций найти переходной процесс соответствующим регулятором.
. Смоделировать
АСР с использованием программы 20-sim.
. Произвести
сравнительный анализ полученной системы.
Решение.
1. Выберем кривую разгона согласно варианту задания.
Рис.1
2.
Аппроксимируем кривую разгона апериодическим звеном первого порядка с
запаздыванием. Определим соотношение угла наклона
,
.
Воспользуемся
простейшим методом аппроксимации переходных функций.
Проведем
к кривой разгона (рис.2.) через точку перегиба касательную и обозначим отрезок,
отсекаемый касательной на оси абсцисс, буквой
, а
отрезок от точки пересечения касательной с линией нового установившегося
состояния до
буквой
.
Рис.2
Из
рисунка определим:
Соотношение
угла наклона:
Угол
наклона не превышает установленного диапазона (0.1- 0.2), следовательно,
найденные параметры будут приемлемыми для данной переходной характеристики.
.
Найдем оптимальные настройки регулятора с помощью метода Копеловича.
Чтобы
найти динамические настройки ПИД-регулятора для апериодического критерия с
минимумом
, можно воспользоваться приближенными формулами А. П.
Копеловича:
где
- коэффициент усиления объекта,
-
транспортное запаздывание,
-
постоянная времени объекта регулирования.
4.
Найдем передаточную функцию замкнутой системы
.
Передаточная функция ПИД-регулятора имеет вид:
,
тогда
передаточная функция разомкнутой системы:
и
тогда передаточная функция замкнутой системы:
или
Произведем
замену
, тогда передаточная функция примет вид:
.
Определим выражение замкнутой ВЧХ
.
По
условию для ПИД - закона регулирования
Подставим
наши найденные значения и вычислим выражение замкнутой ВЧХ
:
.
Методом трапеций найдем переходный процесс соответствующего регулятора.
Построим
график ВЧХ
:
Рис.3
График Р(w) разобьем на трапеции 1, 2, 3, 4, для каждой из которых
определим ее параметры Рi(0), wdi, wki (рис. 4.).
Значения Рi(0) вычислим с помощью пакета Maple
|
P1(0)=
|
0,0354
|
|
P2(0)=
|
0,37
|
|
P3(0)=
|
0,212
|
|
Трапеция 1
|
Трапеция 2
|
Трапеция 3
|
|
Р1(0)
|
0,039
|
Р2(0)
|
0,37
|
Р3(0)
|
0,21
|
|
ωd1
|
0,005
|
ωd2
|
0,088
|
ωd3
|
0,238
|
|
ωk1
|
0,058
|
ωk2
|
0,221
|
ωk3
|
0,3
|
|
χ1=
ωd1/ωk1
|
0,086
|
χ 2=
ωd2/ωk2
|
0,398
|
χ 3=
ωd3/ωk3
|
0,793
|
Рис.4
Для каждой из этих трапеций при помощи таблицы h-функций построим график
hi(t), при этом относительное время τ пересчитаем в натуральное ti
= τ / wki.
|
Трапеция 1
|
Трапеция 2
|
Трапеция 3
|
|
τ
|
h(τ)
|
t
= τ/ωk1
|
h1(t) = P1(0)∙h(τ)
|
τ
|
h(τ)
|
t
= τ/ωk2
|
h2(t) = P2(0)∙h(τ)
|
τ
|
h(τ)
|
t
= τ/ωk3
|
h3(t) = P3(0)∙h(τ)
|
|
0
|
0
|
0
|
0
|
0
|
0
|
0
|
0
|
0
|
0
|
0
|
0
|
|
0,5
|
0,176
|
8,62069
|
0,0062304
|
0,5
|
0,223
|
2,262443
|
0,08251
|
0,5
|
0,282
|
1,666667
|
0,059784
|
|
1
|
0,34
|
17,24138
|
0,012036
|
1
|
0,432
|
4,524887
|
0,15984
|
1
|
0,547
|
3,333333
|
0,115964
|
|
1,5
|
0,494
|
25,86207
|
0,0174876
|
1,5
|
0,617
|
6,78733
|
0,22829
|
1,5
|
0,776
|
5
|
0,164512
|
|
2
|
0,628
|
34,48276
|
0,0222312
|
2
|
0,786
|
9,049774
|
0,29082
|
2
|
0,956
|
6,666667
|
0,202672
|
|
2,5
|
0,739
|
43,10345
|
0,0261606
|
2,5
|
0,917
|
11,31222
|
0,33929
|
2,5
|
1,084
|
8,333333
|
0,229808
|
|
3
|
0,828
|
51,72414
|
0,0293112
|
3
|
1,013
|
13,57466
|
0,37481
|
3
|
1,154
|
10
|
0,244648
|
|
3,5
|
0,892
|
60,34483
|
0,0315768
|
3,5
|
1,074
|
15,8371
|
0,39738
|
3,5
|
1,171
|
11,66667
|
0,248252
|
|
4
|
0,938
|
68,96552
|
0,0332052
|
4
|
1,107
|
18,09955
|
0,40959
|
4
|
1,156
|
13,33333
|
0,245072
|
|
4,5
|
0,96
|
77,58621
|
0,033984
|
4,5
|
1,115
|
20,36199
|
0,41255
|
4,5
|
1,111
|
15
|
0,235532
|
|
5
|
0,978
|
86,2069
|
0,0346212
|
5
|
1,112
|
22,62443
|
0,41144
|
5
|
1,053
|
16,66667
|
0,223236
|
|
5,5
|
0,986
|
94,82759
|
0,0349044
|
5,5
|
1,095
|
24,88688
|
0,40515
|
5,5
|
0,994
|
18,33333
|
0,210728
|
|
6
|
0,982
|
103,4483
|
0,0347628
|
6
|
1,068
|
27,14932
|
0,39516
|
6
|
0,949
|
20
|
0,201188
|
|
6,5
|
0,98
|
112,069
|
0,034692
|
6,5
|
29,41176
|
0,38591
|
6,5
|
0,92
|
21,66667
|
0,19504
|
|
7
|
0,979
|
120,6897
|
0,0346566
|
7
|
1,023
|
31,67421
|
0,37851
|
7
|
0,911
|
23,33333
|
0,193132
|
|
7,5
|
0,98
|
129,3103
|
0,034692
|
7,5
|
1,005
|
33,93665
|
0,37185
|
7,5
|
0,92
|
25
|
0,19504
|
|
8
|
0,985
|
137,931
|
0,034869
|
8
|
0,995
|
36,1991
|
0,36815
|
8
|
0,944
|
26,66667
|
0,200128
|
|
8,5
|
0,989
|
146,5517
|
0,0350106
|
8,5
|
0,992
|
38,46154
|
0,36704
|
8,5
|
0,971
|
28,33333
|
0,205852
|
|
9
|
0,997
|
155,1724
|
0,0352938
|
9
|
0,992
|
40,72398
|
0,36704
|
9
|
1,006
|
30
|
0,213272
|
|
9,5
|
1,004
|
163,7931
|
0,0355416
|
9,5
|
0,993
|
42,98643
|
0,36741
|
9,5
|
1,033
|
31,66667
|
0,218996
|
|
10
|
1,009
|
172,4138
|
0,0357186
|
10
|
0,993
|
45,24887
|
0,36741
|
10
|
1,049
|
33,33333
|
0,222388
|
|
10,5
|
1,013
|
181,0345
|
0,0358602
|
10,5
|
0,993
|
47,51131
|
0,36741
|
10,5
|
1,054
|
35
|
0,223448
|
|
11
|
1,015
|
189,6552
|
0,035931
|
11
|
0,993
|
49,77376
|
0,36741
|
11
|
1,048
|
36,66667
|
0,222176
|
|
11,5
|
1,016
|
198,2759
|
0,0359664
|
11,5
|
0,991
|
52,0362
|
0,36667
|
11,5
|
1,034
|
38,33333
|
0,219208
|
|
12
|
1,015
|
206,8966
|
0,035931
|
12
|
0,988
|
54,29864
|
0,36556
|
12
|
1,015
|
40
|
0,21518
|
|
12,5
|
1,013
|
215,5172
|
0,0358602
|
12,5
|
0,986
|
56,56109
|
0,36482
|
12,5
|
0,995
|
41,66667
|
0,21094
|
|
13
|
1,012
|
224,1379
|
0,0358248
|
13
|
0,985
|
58,82353
|
0,36445
|
13
|
0,98
|
43,33333
|
0,20776
|
|
13,5
|
1,011
|
232,7586
|
0,0357894
|
13,5
|
0,984
|
61,08597
|
0,36408
|
13,5
|
0,968
|
45
|
0,205216
|
|
14
|
1,011
|
241,3793
|
0,0357894
|
14
|
0,985
|
63,34842
|
0,36445
|
14
|
0,965
|
46,66667
|
0,20458
|
|
14,5
|
1,012
|
250
|
0,0358248
|
14,5
|
0,988
|
65,61086
|
0,36556
|
14,5
|
0,969
|
48,33333
|
0,205428
|
|
15
|
1,142
|
258,6207
|
0,0404268
|
15
|
0,991
|
67,8733
|
0,36667
|
15
|
0,978
|
50
|
0,207336
|
|
15,5
|
1,014
|
267,2414
|
0,0358956
|
15,5
|
0,996
|
70,13575
|
0,36852
|
15,5
|
0,991
|
51,66667
|
0,210092
|
|
16
|
1,015
|
275,8621
|
0,035931
|
16
|
0,998
|
72,39819
|
0,36926
|
16
|
1,003
|
53,33333
|
0,212636
|
|
16,5
|
1,016
|
284,4828
|
0,0359664
|
16,5
|
1,002
|
74,66063
|
0,37074
|
16,5
|
1,014
|
55
|
0,214968
|
|
17
|
1,016
|
293,1034
|
0,0359664
|
17
|
1,005
|
76,92308
|
0,37185
|
17
|
1,02
|
56,66667
|
0,21624
|
|
17,5
|
1,015
|
301,7241
|
0,035931
|
17,5
|
1,006
|
79,18552
|
0,37222
|
17,5
|
1,023
|
58,33333
|
0,216876
|
|
18
|
1,015
|
310,3448
|
0,035931
|
18
|
1,008
|
81,44796
|
0,37296
|
18
|
1,02
|
60
|
0,21624
|
|
18,5
|
1,015
|
318,9655
|
0,035931
|
18,5
|
1,007
|
83,71041
|
0,37259
|
18,5
|
1,014
|
61,66667
|
0,214968
|
|
19
|
1,015
|
327,5862
|
0,035931
|
19
|
1,006
|
85,97285
|
0,37222
|
19
|
1,006
|
63,33333
|
0,213272
|
|
19,5
|
1,014
|
336,2069
|
0,0358956
|
19,5
|
1,005
|
88,23529
|
0,37185
|
19,5
|
0,998
|
65
|
0,211576
|
|
20
|
1,013
|
344,8276
|
0,0358602
|
20
|
1,005
|
90,49774
|
0,37185
|
20
|
0,991
|
66,66667
|
0,210092
|
|
20,5
|
1,012
|
353,4483
|
0,0358248
|
20,5
|
1,004
|
92,76018
|
0,37148
|
20,5
|
0,986
|
68,33333
|
0,209032
|
|
21
|
1,011
|
362,069
|
0,0357894
|
21
|
1,004
|
95,02262
|
0,37148
|
0,983
|
70
|
0,208396
|
|
21,5
|
1,011
|
370,6897
|
0,0357894
|
21,5
|
1,004
|
97,28507
|
0,37148
|
21,5
|
0,986
|
71,66667
|
0,209032
|
|
22
|
1,011
|
379,3103
|
0,0357894
|
22
|
1,004
|
99,54751
|
0,37148
|
22
|
0,991
|
73,33333
|
0,210092
|
|
22,5
|
1,011
|
387,931
|
0,0357894
|
22,5
|
1,004
|
101,81
|
0,37148
|
22,5
|
0,998
|
75
|
0,211576
|
|
23
|
1,011
|
396,5517
|
0,0357894
|
23
|
1,003
|
104,0724
|
0,37111
|
23
|
1,002
|
76,66667
|
0,212424
|
|
23,5
|
1,01
|
405,1724
|
0,035754
|
23,5
|
1,003
|
106,3348
|
0,37111
|
23,5
|
1,007
|
78,33333
|
0,213484
|
|
24
|
1,01
|
413,7931
|
0,035754
|
24
|
1,002
|
108,5973
|
0,37074
|
24
|
1,008
|
80
|
0,213696
|
|
24,5
|
1,009
|
422,4138
|
0,0357186
|
24,5
|
1,001
|
110,8597
|
0,37037
|
24,5
|
1,008
|
81,66667
|
0,213696
|
|
25
|
1,008
|
431,0345
|
0,0356832
|
25
|
1
|
113,1222
|
0,37
|
25
|
1,005
|
83,33333
|
0,21306
|
|
25,5
|
1,008
|
439,6552
|
0,0356832
|
25,5
|
0,998
|
115,3846
|
0,36926
|
25,5
|
1,004
|
85
|
0,212848
|
|
26
|
1,007
|
448,2759
|
0,0356478
|
26
|
0,997
|
117,6471
|
0,36889
|
26
|
1,002
|
86,66667
|
0,212424
|
|
Р(0)=Р1(0)+Р2(0)+Р3(00+Р4(0)
|
|
0,148524
|
|
0,28784
|
|
0,41029
|
|
0,515723
|
|
0,595259
|
|
0,648769
|
|
0,677209
|
|
0,687867
|
|
0,682066
|
|
0,669297
|
|
0,650782
|
|
0,631111
|
|
0,615642
|
|
0,606299
|
|
0,601582
|
|
0,603147
|
|
0,607903
|
|
0,615606
|
|
0,621948
|
|
0,625517
|
|
0,626718
|
|
0,625517
|
|
0,621844
|
|
0,616671
|
|
0,61162
|
|
0,608035
|
|
0,605085
|
|
0,604819
|
|
0,606813
|
|
0,614433
|
|
0,614508
|
|
0,617827
|
|
0,621674
|
|
0,624056
|
|
0,625027
|
|
0,625131
|
|
0,623489
|
|
0,621423
|
|
0,619322
|
|
0,617802
|
|
0,616337
|
|
0,615665
|
|
0,616301
|
|
0,617361
|
|
0,618845
|
|
0,619323
|
|
0,620348
|
|
0,62019
|
|
0,619785
|
|
0,618743
|
|
0,617791
|
|
0,616962
|
|
0,148524
|
|
Искомую переходную функцию находят путем алгебраического суммирования
ординат переходных функций, соответствующих каждой трапеции (рис. 5.)
Рис.5
. Смоделируем АСР с использованием программы 20-sim
Составим структурную схему нашей системы (рис. 6.) и занесем найденные
нами параметры (рис. 7.).
Рис.6
Рис.7
Получим переходный процесс (рис. 8.):
Рис. 8
. Оценим качество регулирования.
На практике используются такие оценки качества регулирования АСР:
ψ - степень затухания - это отношение
разности двух соседних положительных амплитуд колебаний выходной величины к
первой из них:
.
хвых.макс.
- максимальная величина динамического отклонения.
σ - перерегулирование - отношение разности между максимальным динамическим
отклонением и установившимся значением регулируемой величины к установившемуся
значению регулируемой величины:
%.
tp -
время регулирования - промежуток времени, в течение которого отклонение
регулируемой величины от заданного значения делается меньшей определенной
наперед заданной величины ∆х.
- частота
колебаний -
,
где
T - период.
n - количество
полуволн (число колебаний).
D - декремент
затухания, равный отношению модулей двух смежных перерегулирований .
Определим
параметры для нашего переходного процесса h(t)
(рис. 5) и для модели, построенной в 20-sim (рис. 8.).
|
Параметры
|
h(t)
|
20-sim
|
|
хвых.макс 1
|
0,688
|
1,75
|
|
хвых.макс 2
|
0,626
|
1,21
|
|
хвых.1
|
0,072
|
0,75
|
|
хвых.3
|
0,01
|
0,21
|
|
Хвых(∞)
|
0,616
|
1
|
|
σ
|
11% 75%
|
|
|
tp
|
|
143
|
|
ψ
|
0,86
|
0,72
|
|
0,17
|
|
|
|
n
|
6
|
8
|
|
D
|
0,14
|
0,28
|
Метод, основанный на приближенном интегрировании ВЧХ замкнутой системы с
помощью трапецеидальных характеристик, связан с большим количеством вычислений
и использованием специальных таблиц h-функции. Переходная характеристика,
построенная с помощью этого метода, позволяет судить об устойчивости САР, но не
дает возможности точного определения прямых показателей качества системы.
Список использованной литературы
1. Яковлев
Ю. С. Локальные системы автоматики: Текст лекций: Изд-во Чуваш. Ун-та, 1993.