|
№ вар.
|
Кп
|
Тп
|
Кэ
|
Тэ
|
Тм
|
Крд
|
Кдп
|
Кдт
|
Кдс
|
Тдс
|
|
20
|
6,4
|
0,065
|
6,92
|
0,087
|
0,45
|
0,0075
|
5,23
|
5,78
|
0,048
|
0,065
|
АННОТАЦИЯ
система автоматическое регулирование электропривод
Система автоматического управления электроприводом состоит из объекта
управления и регулятора. Объект регулирования - электродвигатель постоянного
тока с независимым возбуждением, питаемый от вентильного преобразователя
напряжения. Управляющее воздействие U(t) на входе электродвигателя
формируется с помощью усилителя У и вентильного преобразователя П.
Электропривод включает: электродвигатель М и редуктор Р. Редуктор обеспечивает
преобразование частоты вращения вала двигателя в угол поворота. Все это
относится к объекту регулирования.
Необходимо выбрать и рассчитать регуляторы системы управления. Выбор
типов регуляторов осуществляется при помощи следующих методов синтеза:
модального оптимума, симметричного оптимума, поконтурной оптимизации.
Моделирование системы управления и объекта управления осуществляется при
помощи программного пакета Simulink в Matlab.
ВВЕДЕНИЕ
Современная теория автоматического регулирования является основной частью
теории управления. Система автоматического регулирования состоит из
регулируемого объекта и элементов управления, которые воздействуют на объект
при изменении одной или нескольких регулируемых переменных. Под влиянием
входных сигналов (управления или возмущения), изменяются регулируемые
переменные. Цель же регулирования заключается в формировании таких законов, при
которых выходные регулируемые переменные мало отличались бы от требуемых
значений. Решение данной задачи во многих случаях осложняется наличием
случайных возмущений (помех). При этом необходимо выбирать такой закон
регулирования, при котором сигналы управления проходили бы через систему с
малыми искажениями, а сигналы шума практически не пропускались.
Теория автоматического регулирования прошла значительный путь своего развития.
На начальном этапе были созданы методы анализа устойчивости, качества и
точности регулирования непрерывных линейных систем. Затем получили развитие
методы анализа дискретных и дискретно-непрерывных систем.
Синтезом - называют процедуру определения структуры системы регулирования
и ее параметров на основе требований к качеству. Синтез лишь один из этапов
проектирования СР. Синтезу предшествуют два этапа:
1. Исследование объекта регулирования с целью получения его
математической модели
2. Составление требований к качеству регулирования (выбор критерия
качества или критерия оптимизации)
После синтеза выполняются следующие этапы проектирования:
. Выбор технических средств
. Энергетический и конструктивный расчет
. Согласование характеристик
В качестве критериев оптимизации при синтезе СР могут быть использованы:
1) Прямые показатели качества
2) Косвенные оценки качества:
a) Желаемые косвенные показатели качества
b) Желаемые характеристики
Сейчас в ТАУ разработано большое число методов синтеза, что объясняется
разнообразием исходных данных и требований. При синтезе непрерывной системы,
как правило, основная структура уже задана. Можно выделить две постановки
задачи синтеза:
. структурный синтез
. параметрический синтез
- Структурный синтез - это вывод структуры СР в целом, а уже затем
или одновременно параметрический синтез.
Замечания:
Отметим, что задача синтеза, как правило, не имеет однозначного решения,
поэтому обычно рассматривают несколько вариантов, а затем уже выбирается
лучший.
В ТАУ разработан ряд методов синтеза системы. Можно разделить на две
группы:
) Методы синтеза корректирующих устройств.
Эти методы позволяют выбрать как структуру корректирующего устройства,
так и значения параметров его настройки.
) Методы параметрического синтеза
Они позволят определять значения параметров корректирующих устройств
заданной структуры.
Отметим, что все методы синтеза не обеспечивают высокой точности
результата. Это в первую очередь объясняется приближенностью математической
модели объекта и модели системы. В свою очередь и сами моменты синтеза содержат
некоторые приближения и допущения.
Заключительным этапом синтеза системы д.б. ее анализ, т.е. определение
показателей качества регулирования.
- Параметрический синтез - это выбор значений параметров
корректирующих устройств при задании структуры СУ.
Такая постановка задачи синтеза характерна для промышленных СР с типовыми
системами регулирования.
1) Одноконтурная СР
2) Двухконтурная СР (каскадная)
3) Система с опережающим скоростным сигналом (система с дифференцированием
вспомогательной регулируемой величины)
1.2 Постановка задачи анализа АСР
Основной задачей проектирования является построение систем управления
электроприводами, предназначенных для формирования процессов, обладающих
заданными свойствами в статике и динамике. К этим системам предъявляются
требования обеспечения максимальной производительности производственного
механизма. Поэтому в качестве в качестве главного критерия оптимальности САУ
должно быть принято быстродействие. В некоторых случаях может быть учтено
условие минимума потерь энергии за цикл работы электропривода.
Под анализом понимают состав объекта управления, его математическую
модель и параметры.
Математическая модель объекта может быть представлена дифференциальными
(операторными) уравнениями либо структурной схемой.
Перед анализом структуры системы управления, необходимо определить:
1. Что является выходной величиной
2. Как воздействовать на объект, чтобы управлять этой величиной в заданных
пределах
3. Как получить информацию о значениях выходной величины
4. Каковы возмущающие и задающие воздействия
Во многих случаях задающее воздействие формируется как программное
управление с учётом критериев оптимальности, а правильный выбор структуры
системы и параметров управления обеспечивает точное воспроизведение этого
воздействия.
Задачей анализа является: по заранее выбранной структуре системы, путем
расчёта или моделирования, определить её параметры.
2.СИНТЕЗ СИСТЕМЫ РЕГУЛИРОВАНИЯ МЕТОДАМИ МОДАЛЬНОГО И СИММЕТРИЧНОГО
ОПТИМУМА
.1 Основные положения синтеза систем методом модального
оптимума
Практически для любой системы регулирования, а особенно для следящих
систем и систем программного управления желательно, чтобы переходные процессы в
системе при отработке задающих воздействий имели малое время регулирования tp и
небольшое пере регулирование DY.
В связи с этим возникает задача - подобрать для объекта регулирования,
заданного передаточной функцией регулятор наиболее подходящего типа и
определить значения параметров его настройки с тем, чтобы обеспечить
сформулированные выше требования к качеству переходных процессов.
С учетом сказанного в качестве критерия оптимальности можно выбрать
критерий оптимального модуля.
Этот формулируется следующим образом - амплитудная частотная
характеристика (АЧХ) замкнутой системы должна удовлетворять следующим
требованиям :
) полоса пропускания системы для полезного сигнала должна быть возможно
более широкой;
) АЧХ не должна иметь резонансного пика, а быть по возможности монотонной
и убывающей.
Таким образом желаемая амплитудная характеристика замкнутой системы
регулирования должна иметь вид представленный на рис.2.1.
Рис.2.1.
Здесь Ф(p) - основная передаточная функция замкнутой системы по
регулируемой величине Y(t) относительно задающего воздействия U(t).
Переходные процессы в системе, синтезированной с использованием критерия
оптимального модуля, отличаются малым временем регулирования и небольшим пере
регулированием.
.1.1 Критерий оптимизации
Критерий использует информацию, содержащуюся как в числителе, так и в
знаменателе, передаточной функции з.с. Он обеспечивает выбор параметров
настройки регуляторов на основании следующих требований:
- полоса пропускания системы для полезного сигнала должна быть более
широкой.
- АЧХ з.с. не должна иметь резонансного пика, а быть монотонна убывающей.
Переходные процессы в СР синтезируемой с использованием этого критерия
отличается маленьким временем регулирования и малым перерегулированием.
.1.2 Вывод условий оптимизации
Анализ основных передаточных функций АСР показывает, что, как правило, мы
будем иметь дело с передаточной функцией вида:
Выражение
для АЧХ, соответствующее передаточной функции имеет следующий вид:
Из
анализа АЧХ з.с. следует условие при выполнении которого график АЧХ будет
близок на низких частотах включая 0-вую частоту к 1. Так как СР является ФНЧ то
чем выше степень частоты, тем меньше влияние ее на график. Значит
можно пренебречь
-
условием оптимизации.
Очевидно,
что выполнение условия оптимизации обеспечивает равенство 1 амплитуды лишь по
0-вой частоте, но при НЧ имеет место хорошее приближение амплитудной
характеристики.
2.1.3 Вывод формул для расчета параметров настройки регуляторов в
соответствии с методом модального оптимума
2.1.3.1 Объект регулирования включает "n"
инерционных звеньев с малыми постоянными времени.
Передаточная функция объекта имеет следующий вид :
где
В
этом случае целесообразно использовать интегральный (И-регулятор с передаточной
функцией вида)
(1)
где
Ти - постоянная времени интегрирования (параметр настройки).
Определим
передаточную функцию разомкнутой системы:
Тогда
основная передаточная функция замкнутой системы Фy, u(p) равна
Для
вывода формулы расчета значения постоянной времени интегрирования регулятора
используем условие оптимизации. С учетом того, что
,
,
получим
(2)
Подставив
(1) в выражение для Фy, u(p) , получим
(3)
Передаточная
функция вида (3) является стандартной для АСР настроенной методом модального
оптимума и показывает, что она полностью определяется только суммой малых
постоянных времени.
Стандартной
для метода модального оптимума передаточной функции (3) соответствует
стандартный переходной процесс со следующими показателями качества:
время
регулирования tн=4.7
время
регулирования tp=8.4
перерегулирование
DY=4.3%.
.1.3.2 Объект регулирования включает "n"
инерционных звеньев с одной большой постоянной времени.
Передаточная функция объекта регулирования задана следующей передаточной
функцией
где
В
этом случае целесообразно использовать пропорционально-интегральный (ПИ-)
регулятор с передаточной функцией вида:
где
Кр и Ти - коэффициент усиления и постоянная интегрирования соответственно
(параметры настройки ПИ-регулятора).
Влияние
большей инерционности можно компенсировать, положив
Ти=
Т1
С
учетом этого передаточная функция разомкнутой системы
и,
соответственно, основная передаточная функция замкнутой системы
Отсюда,
использовав 1-е условие оптимизации, и с учетом того, что
,
и
, получим
2.1.3.3 Объект регулирования включает "n"
инерционных звеньев с двумя большими постоянными времени
Передаточная функция объекта регулирования:
где
T1>T2>
В
этом случае желательно компенсировать обе больших постоянных времени и,
следовательно, целесообразно использовать ПИД-регулятор с передаточной функцией
вида:
где
Kp - коэффициент усиления, Ти и Тд - постоянные интегрирования и
дифференцирования соответственно.
Передаточная
функция разомкнутой системы с учетом условий компенсации:
приводится
к виду:
Если
выполняются эти условия, то передаточная функция замкнутого контура приобретает
стандартный вид (3).
Замечание:
следует отметить, что большую из двух постоянных времени Т1 и Т2 необходимо
всегда компенсировать временем интегрирования Ти, а меньшую - временем
дифференцирования Тд.
2.2 Основные положения синтеза систем методом симметричного
оптимума
.2.1 Критерий оптимизации
В состав объекта регулирования могут входить не только инерционные звенья
1-го
порядка, пропорциональные звенья, но и звенья интегрирующего характера. В
последнем случае компенсация наибольшей инерционности или двух самых больших
инерционностей 1-го порядка уже не может дать необходимого результата, так как
интегральному звену объекта противопоставляется интегральный характер
регулятора. Это приводит к синусоидальным колебаниям регулируемой величины.
В связи с этим, синтез системы с объектом, содержащим интегрирующее
звено, необходимо осуществлять не методом модального оптимума, а методом
симметричного оптимума.
В основе метода симметричного оптимума положен тот же критерий
оптимальности, что и в методе модального оптимума, а именно критерий
оптимального модуля [см. п. 2.1.1.]. Однако значение постоянной времени
интегрирования Ти определяется, исходя из нового условия оптимизации.
2.2.2 Вывод условий оптимизации
Анализ основных передаточных функций АСР показывает, что, как правило, мы
будем иметь дело с передаточной функцией вида:
Выражение
для АЧХ, соответствующее передаточной функции имеет следующий вид:
Для
обеспечения близости АЧХ к единице в этом случае необходимо выполнение
потребовать выполнения двух условий :
;
;
Это
условие можно назвать 2-м условием оптимизации.
.2.3 Вывод формул для расчета параметров настройки регуляторов в
соответствии с методом симметричного оптимума
2.2.3.1 Объект регулирования включает одно интегрирующее
звено и "n" инерционных звеньев 1-го порядка с малыми постоянными
времени.
Передаточная функция объекта регулирования имеет следующий вид:
где
- постоянная интегрирования;
.
В
этом случае целесообразно применить ПИ-регулятор.
Передаточная
функция разомкнутой системы имеет вид:
Тогда
основная передаточная функция замкнутой системы примет следующий вид:
(1)
Для
обеспечения близости амплитудно-частотной характеристики (АЧХ) к единице
необходимо потребовать выполнения следующих условий оптимизации:
С
учетом того, что
,
,
и
получим:
(2)
Подставив
выражение для Ф(р), получим стандартную передаточную функцию для симметричного
оптимума :
Стандартный
переходной процесс в АСР синтезированной методом симметричного оптимума имеет
следующие прямые показатели качества:
время
нарастания tн=3,1
;
время
регулирования tр=16,5
;
перерегулирование
DY=43,4%.
2.2.2.2 Объект регулирования включает интегрирующее звено и
"n" инерционных звеньев 1-го порядка с одной большой постоянной
времени.
Передаточная функция объекта регулирования задана следующей передаточной
функцией:

В
этом случае имеет смысл для повышения быстродействия системы принять меры для
компенсации инерционности Т1.
Необходимость
компенсации большей инерционности и наличие интегрирующего звена в составе
объекта требует применения ПИД-регулятора.
Тогда
из уравнения разомкнутой системы:
с
учетом условия компенсации:
Tд=T1
Формула
(2) расчета параметров Ти и Кp становятся справедливыми и для ПИД-регулятора.
Поэтому основная передаточная функция системы и в этом случае соответствует
стандартному выражению (1)
.2.2.3 Объект регулирования включает только "n"
инерционных звеньев 1-го порядка.
Если
в составе объекта имеется инерционное звено 1-го порядка с постоянной времени
, то это звено в первом приближении можно
рассматривать как интегрирующее звено.
При
таком представлении ПИ-регулятор можно настраивать методом симметричного
оптимума с использованием формул (2):
В
этом случае время нарастания будет несколько большим, а перерегулирование -
меньшим, чем в стандартном варианте, когда объект содержит интегрирующее звено.
Замечание:
При Т1=4
переходной процесс в системе регулирования
соответствует стандартному для метода модального оптимума.
3.ИССЛЕДОВАНИЯ ОБЪЕКТА РЕГУЛИРОВАНИЯ
.1 Построение переходных характеристик объекта регулирования по основной
(угол поворота вала редуктора) и вспомогательным регулируемым величинам
(скорость вращения вала и ток якоря электродвигателя)
Структурная схема обобщенного объекта управления изображена на рисунке
3.1:
Рис. 3.1. Структурная схема обобщенного объекта управления
С помощью программного пакета Simulink построим структурную схему объекта
регулирования и построим переходные характеристики по основным и
вспомогательным величинам.
Рис.3.2. Структурная схема обобщенного объекта управления с
вышеприведенными передаточными функциями в программном пакете Simulink
Рис.3.3. Переходная характеристика по основной величине (угол поворота
вала редуктора)
Рис. 3.4. Временные характеристики по вспомогательным величинам
.2 Построение амплитудной и амплитудно-фазовой частотных характеристик
объекта регулирования по основной регулируемой величине
Для построения АЧХ и ФЧХ по основной регулированной величине, т.е. углу
поворота вала редуктора, достаточно построить схему, изображенную на Рис.3.5. и
провести линейный анализ.
Рис. 3.5. Структурная схема
Рис. 3.6. АЧХ и ФЧХ объекта регулирования по основной величине
Найдем эквивалентную передаточную функцию
Для этого мы должны преобразовать структурную схему изображенную на
Рис.3.2.
Сначала мы преобразуем звенья соединенные последовательно:
Затем, используем правило преобразования звена, охваченного обратной
связью:
И теперь вновь преобразуем последовательно соединенные звенья:
4. ИССЛЕДОВАНИЕ НЕСКОРРЕКТИРОВАННОЙ СИСТЕМЫ РЕГУЛИРОВАНИЯ ЭЛЕКТРОПРИВОДА
4.1 Анализ устойчивости системы
Устойчивость САУ является одним из основных условий ее работоспособности
и включает требование затухания во времени переходных процессов.
Система является устойчивой, если при ограниченном входном сигнале её
выходной сигнал также является ограниченным. Если система устойчива, то она
противостоит внешним воздействиям, а выведенная из состояния равновесия
возвращается снова к нему. Система с расходящимся переходным процессом будет
неустойчивой и неработоспособной.
Впервые свойства устойчивости были исследованы русским ученым А. М.
Ляпуновым в 1892 г. в работе «Общая задача об устойчивости движения».
Необходимое и достаточное условие устойчивости заключается в том, чтобы все
корни характеристического уравнения (полюсы передаточной функции системы) имели
отрицательные вещественные части. Иначе говоря, условием устойчивости системы
является расположение всех полюсов в левой комплексной полуплоскости. Тогда все
полюсы будут давать затухающую реакцию.
В конце XIX и первой половине XX в. задача вычисления корней
характеристического уравнения высокого порядка вызывала большие проблемы.
Поэтому были предложены несколько косвенных методов оценки устойчивости,
позволяющих обойтись без вычисления корней - по значениям коэффициентов
характеристического уравнения.
Критерии устойчивости разделяют на алгебраические и частотные. В
частности, к алгебраическим критериям относится критерий Гурвица, к частотным
критериям - критерий Найквиста и критерий Михайлова.
4.1.1 Анализ устойчивости с использованием алгебраического критерия
устойчивости
Критерии - это правила, по которым можно установить, устойчива система
или нет и влияние тех или позволяющие анализировать устойчивость системы без
решения ее характеристического
Алгебраический критерий или критерий Гурвица применяется к коэффициентам
характеристического уравнения замкнутой системы.
Пусть имеется характеристическое уравнение замкнутой системы:
Из коэффициентов характеристического уравнения составляют матрицу по
правилу:
) По диагонали записываются коэффициенты от аn-1 до а0.
) Каждая строка дополняется коэффициентами с возрастающими индексами
слева направо так, чтобы чередовались строки с нечетными и четными индексами.
) В случае отсутствия индекса, а также, если он меньше 0 или больше n, на
его место пишется 0. Определитель Гурвица может быть составлен для уравнения
любого порядка. По главной диагонали слева направо выписываются все
коэффициенты уравнения, начиная с аn-1 . при втором члене и кончая
коэффициентом а1. при предпоследнем члене. Столбцы от диагонали
вверх дополняются коэффициентами с индексами, последовательно убывающими на
единицу, а столбцы от диагонали вниз дополняются коэффициентами с возрастающими
индексами. Все места, которые должны были бы заполниться коэффициентами ниже аn и выше a0 заменяются нулями.
Таким образом, матрица Гурвица приобретает вид изображенный на рис.4.1.
Рис. 4.1. Матрица Гурвица
Критерий устойчивости Гурвица:
для того, чтобы система была устойчива, необходимо чтобы все определители
Гурвица имели знаки, одинаковые со знаком первого коэффициента
характеристического уравнения а0 , т.е. при а0>0 были
положительны.
Передаточная функция разомкнутой системы:
Посчитаем передаточную функцию замкнутой системы:
Построим матрицу Гурвица в Matlab
и найдем ее определители:
a =
.0025 1.0520 0.3320 0
0.0740 7.9200 0
0.0025 1.0520 0.3320
>> det(a)= 0.1520=
.0740 7.9200 0
.0025 1.0520 0.3320
0.0740 7.9200
>> det(a1)= 0.4579
>> a2=a(1:2, 1:2)=
.0740 7.9200
.0025 1.0520
>> det(a2) = 0.0580
det(a3)
ans=0.074
Так как а0=0.0025 и все диагональные определители Гурвица
положительные то данная система является устойчивой.
.1.2 Анализ устойчивости с использованием частотного критерия
Найквиста
Критерий устойчивости Найквиста основан на использовании частотных
характеристик разомкнутой системы. Физический смысл критерия
устойчивости Найквиста заключается в том, что система будет неустойчива, если
фаза выходного сигнала противоположна фазе входного сигнала, а коэффициент
усиления > 1.
Критерий устойчивости Найквиста:
- если разомкнутая система устойчива или находится на границе
устойчивости, то для того чтобы замкнутая система была устойчива, необходимо и
достаточно, чтобы АФЧХ разомкнутой системы при изменении частоты ω
от 0 до ∞ не
охватывала точку с координатами (-1, j0).
- если разомкнутая система неустойчива, а ее передаточная функция имеет m
полюсов справа от мнимой оси на комплексной плоскости, то для устойчивости
замкнутой системы необходимо и достаточно, чтобы АФЧХ разомкнутой системы при
изменении частоты ω от - ∞ до + ∞ охватывала m раз точку с
координатами (-1, j0).
Построить АФЧХ разомкнутой функции можно с помощью команды nuquist() в Matlab или в программном пакете simulink.
Рис. 4.2.Годограф Найквиста
Так, как АФЧХ (годограф Найквиста) не охватывает точку с координатами
(-1, j0), то система является устойчивой.
4.1.3 Определение запасов устойчивости системы по модулю и по
фазе
Для устойчивой системы можно рассматривать на ЛФЧХ запас устойчивости по
фазе (расстояние от значения фазы на частоте среза до уровня -π), и запас устойчивости по амплитуде
(расстояние от оси частот ЛАЧХ до значения усиления на частоте, где фаза
становится равной -π).
В Matlab определить запас устойчивости по
фазе и амплитуде можно с помощью функции
>>margin()
Рис 4.3. Определение запасов устойчивости по амплитуде и по фазе.
.2 Анализ результатов исследования устойчивости
Проанализировав устойчивость системы двумя методами мы пришли к выводу,
что система является устойчивой.
4.3 Построение амплитудной частотной характеристики замкнутой
нескорректированной системы
Построим АЧХ нескорректированной замкнутой системы.
Рис.4.4. Структурная схема замкнутой нескорректированной системы
Рис 4.5. АЧХ замкнутой нескорректированной системы
4.4 Построение переходных процессов в замкнутой
нескорректированной системе по основной и вспомогательным регулируемым
величинам при отработке задающего воздействия
Построим график переходного процесса замкнутой нескорректированной
системы:
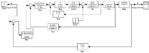
Рис.4.6. Структурная схема замкнутой нескорректированной системы
Рис. 4.7. График переходного процесса замкнутой нескорректированной
системы
5. СИНТЕЗ СИСТЕМЫ РЕГУЛИРОВАНИЯ ЭЛЕКТРОПРИВОДА ПРОМЫШЛЕННОГО РОБОТА
5.1 Синтез контура регулирования тока
Построим структурную схему контура регулирования тока:
Рис.5.1. Схема контура регулирования тока
.1.1 Расчетная модель объекта в контуре тока
Рис 5.2. Расчетная модель объекта в контуре тока
Посчитаем передаточную функцию объекта
где

5.1.2 Выбор метода синтеза и расчет параметров настройки регулятора тока
Так как контур не содержит интегральных звеньев, то для расчетов будем
использовать метод модального оптимума.
Постоянные времени ТП и ТЭ соизмеримы значит
необходимо применять интегральный регулятор:
Рис. 5.3. Упрощенная схема
Напишем передаточные функции разомкнутой и замкнутой системы:
Здесь

Воспользуемся
условием оптимизации и определим Tи:
Найдем
передаточную функцию регулятора тока:
5.1.3 Вывод эквивалентной передаточной функции контура тока
Посчитаем передаточную функцию замкнутой системы:
Найдем эквивалентную передаточную функцию контура тока 1-го порядка:
.1.4 Построение переходных процессов в контуре тока и
эквивалентном контуре тока при отработке задающего воздействия
Для построения переходных процессов в контуре тока и эквивалентном
контуре воспользуемся Simulink Matlab.
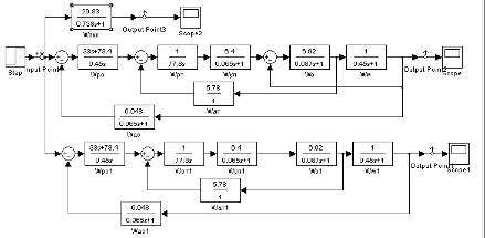
Рис. 5.4. Структурная схема контура тока и эквивалентного контура тока
Рис. 5.5. Переходной процесс в контуре тока и в эквивалентном контуре
тока
5.1.5 Определение прямых показателей качества переходных
процессов
Определим прямые оценки качества для переходного процесса основной
регулируемой величины It) в Simulink:
Рис. 5.6. Переходной процесс в контуре тока
1. Перерегулирование

переходного
процесса системы:
. Времени регулирования находим из графика:
tp=0,793с.
3. Время нарастания:
tн=0,652
c.
5.2 Синтез контура скорости
Рис. 5.7. Контур регулирования скорости
.2.1Расчетная модель объекта в контуре скорости без учета
внутренней обратной связи
Рис 5.8. Расчетная модель объекта в контуре скорости
Посчитаем передаточную функцию объекта
где

5.2.2 Выбор метода синтеза и расчет параметров настройки
регулятора скорости
Так как контур не содержит интегральных звеньев, то для расчетов будем
использовать метод модального оптимума.
Объект включает n
инерционных звеньев, одно из которых имеет существенно большую постоянную
времени.
В данном случае мы будем использовать пропорционально интегральный
регулятор с передаточной функцией:
Возьмем ТИ=Т1=ТМ
Рис. 5.9. Упрощенная схема
Найдем передаточные функции разомкнутой и замкнутой системы:
Здесь

Воспользуемся
условием оптимизации и определим Tм:
2
Найдем
передаточную функцию регулятора тока:
.2.3 Вывод эквивалентной передаточной функции контура
скорости
Посчитаем передаточную функцию замкнутой системы:
Найдем эквивалентную передаточную функцию контура скорости 1-го порядка:
5.2.4 Построение переходных процессов в контуре скорости без
учета внутренней обратной связи, с учетом внутренней обратной связи и
эквивалентном контуре при отработке задающего воздействия
Для построения переходных процессов в контуре скорости и эквивалентном
контуре воспользуемся Simulink.
Рис. 5.10.Структурная схема контура скорости без учета внутренней
обратной связи, с учетом внутренней обратной связи и эквивалентного контура
скорости.
Рис. 5.11. Переходные процессы в контуре скорости без учета внутренней
обратной связи, с учетом внутренней обратной связи и эквивалентном контуре
скорости.
5.2.5 Определение прямых показателей качества переходных процессов
Определим прямые оценки качества для переходного процесса без внутренней
обратной связи основной регулируемой величины t):
Рис. 5.12. Переходной процесс в контуре скорости без учета обратной связи
1. Перерегулирование

переходного
процесса системы:
. Времени регулирования находим из графика:
tp=1.59с.
3. Время нарастания:
tн=1.29c.
5.3 Синтез контура положения (угловое перемещение)
Рис. 5.13. Контур регулирования положения
5.3.1 Расчетная модель объекта в контуре положения
Рис 5.14. Расчетная модель объекта в контуре тока
Посчитаем передаточную функцию объекта

=

где 
5.3.2 Выбор метода синтеза и расчет параметров настройки
регулятора положения
Так как контур содержит интегральное звено, то для расчетов будем
использовать метод симметричного оптимума.
Используем ПИ - регулятор.
Рис. 5.15. Упрощенная схема
Найдем передаточные функции разомкнутой и замкнутой системы:
Здесь

=

Подставим
полученные значения в передаточную функцию замкнутой системы.
Данная передаточная функция АСР.
.3.3 Построение переходных процессов в синтезированной
системе углового перемещения при отработке задающего и возмущающего воздействий
Построим график переходного процесса в системе при отработке задающего
воздействия:
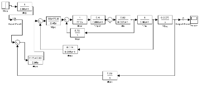
Рис. 5.16.Структурная схема
Рис. 5.17. Переходной процесс при отработке задающего воздействия
Далее построим график передаточной функции при отработке задающего и
возмущающего воздействий
Рис. 5.18.Структурная схема
Рис. 5.19. Переходной процесс при отработке задающего и возмущающего
воздействий
5.3.4 Определение прямых показателей качества переходных
процессов
Определим прямые показатели качества с помощью переходного процесса при
отработке только задающего воздействия:
Рис. 5.20. Переходной процесс при отработке задающего воздействия
Синтезируемая система имеет большое время перерегулирования. Для того
чтоб уменьшить его необходимо поставить фильтр, который будет сглаживать
задающее воздействие.
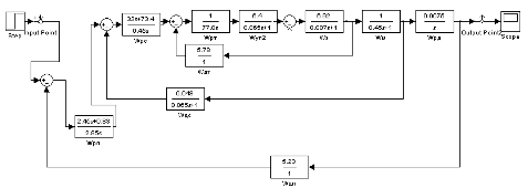
Рис. 5.21. Структурная схема системы с фильтром
Рис. 5.22. Переходной процесс системы с фильтром
Найдем перерегулирование в системе с установленным фильтром:
1. Перерегулирование

переходного
процесса системы:
. Времени регулирования находим из графика:
tp=6.62с.
3. Время нарастания:
tн=5.58c.
6. СРАВНИТЕЛЬНЫЙ АНАЛИЗ КАЧЕСТВА СИНТЕЗИРОВАННОЙ И НЕСКОРРЕКТИРОВАННОЙ
СИСТЕМ РЕГУЛИРОВАНИЯ ЭЛЕКТРОПРИВОДА
В данной работе мы определили двумя методам, что нескорректированная
система является устойчивой и определили ее запас устойчивости по фазе и
амплитуде.
Используя метод поконтурной оптимизации, мы выбрали и обосновали типы
регулятора положения, скорости и тока АСР, а также рассчитали параметры
настройки этих регуляторов. Синтезировали АСР методами модального и
симметричного оптимумов. Определили прямые показатели качества для переходных
процессов. Для уменьшения перерегулирования при отработке задающего воздействия
мы установили фильтр.
Скорректированная
АСР имеет прямые показатели качества (время нарастания (tн=5.58c),
время регулирования (tp=6.62с), перерегулирование (
))
соответствующие СР высокого качества.
Литература
1. Методическое
пособие к лабораторным работам по курсу «ТАУ»
2. Анхимюк
В.Л., Опейко О.Ф., Михеев Н.Н.. Теория автоматического управления. Мн.: Дизайн
ПРО, 2000. - 352.: ил.
. Конспект
лекций по курсу «ТАУ»
. Анхимюк
В.Л., Опейко О.Ф., Михеев Н.Н.. Проектирование систем автоматического
управления электроприводами. - Мн.: Выш. Шк., 1986. - 143 с.: ил.