Анализ переходных процессов в линейной электрической цепи

  • Вид работы:
    Курсовая работа (т)
  • Предмет:
    Физика
  • Язык:
    Русский
    ,
    Формат файла:
    MS Word
    81,13 Кб
  • Опубликовано:
    2012-08-14
Вы можете узнать стоимость помощи в написании студенческой работы.
Помощь в написании работы, которую точно примут!

Анализ переходных процессов в линейной электрической цепи

1.Анализ переходных процессов в линейной электрической цепи

.1 Классический метод.

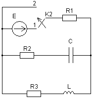
Задание: Классическим методом определить ток переходного процесса в ветви с индуктивностью и переходного напряжения на конденсаторе при следующих условиях:

a)      Ключ К2 находится в положении 1;

b)      В цепи действует e(t)=100sin104t(В);)    Переходной процесс возникает в результате размыкания ключа К1;)        Построить график найденных зависимостей.

рис. 1.10

Исходные данные


С, мкФ

L, мГ

R1, Ом

R2, Ом

R3, Ом

0.7

13

100

22

23

таблица 1.1

Расчёт:

) Определяем начальные независимые значения. К ним относятся ток через катушку и напряжение на конденсаторе в момент времени t=0+, т.е. i3(0+),Uс(0+).

Так как в схеме до коммутации конденсатор был закорочен ключом К1, то

(0-)=U(0+)=0

В схеме до коммутации определяем Z(jw)-эквивалентное сопротивление относительно зажимов источника.

рис. 1.12

Zэкв1 21.11ej9+100 = 120.9+j3.3 = =121ej1..56(Ом)m- =  (А)m- =  (А)(t-) = 0.132sin(104t-72.56º ) (A)3(0-)= 0.132sin(-72.56º ) = -0.126 (A)

Начальные независимые условия:

iL(0-) = iL(0+) = -0.126 (A)(0-) = Uc(0+) = 0 (B)

2) Определяем установившиеся значения тока через индуктивность и напряжение на конденсаторе в момент времени t в схеме после коммутации.

рис. 1.13

Определяем эквивалентное сопротивление относительно зажимов источника:

Zэкв2 = R1 +  (Ом)

I1mу =  (А)

I2mу =  (А)mу = I1mу-I2my = 0.194-j0.0041+0.057+j0.551 = 0.137-j0.6 = 0.615e-j77.2 (А)сmу =  (B)

Принужденные составляющиеся:

Ucу = 79.74sin(104t-5.86) (B)у=0.615sin(104t-77.2) (A)

3) Определяем свободные составляющие тока через катушку и напряжение на конденсаторе. Для после коммутационной схемы (рис. 1.12) записываем эквивалентные сопротивления относительно зажимов источника


Заменяем j на p, получим:


1,2 =

По виду корней характеристического уравнения записываем вид свободной составляющей: i3с(t)=Ae-7414.3tsin(7452t+)

Найдём неизвестные коэффициенты A,

Полная составляющая тока имеет вид:

(t)=iу(t)+iс(t)(t)= 0.615sin(104t-77.8)+Ae-7414.3tsin(7452t+)

Продифференцируем ток i3(t) по времени:

= -7434.3Ae-j7434.3tsin(7452t+)+7452Ae-j7434,3tcos(7452t+)+6150cos(104t-77,8º)

В момент времени t=0+

iL(0+) = 0.615sin(-77.8) + Asin()

 = -7434.3Asin+7452Acos+6150cos(-77,8º)

(t) - является начальным независимым условием, а  - начальным зависимым условием.

Для определения  необходимо составить систему уравнений по 1 и 2 законам Кирхгофа для момента времени t=0+ в схеме после коммутации(рис. 1.2)


Тогда полный ток iL(t) равен:

 (A)

Найдем Uc(t):


Тогда полное напряжение Uc(t):

 (B)

Графики найденных зависимостей:





1.2 Операторный метод

Задание: Операторным методом рассчитать переходной ток через катушку и напряжение на конденсаторе при условии:

a)      в цепи действует постоянная ЭДС Е=100 В

b)      ключ К1 разомкнут)    ключ K2 переводится из положения 1 в положении 2;

рис. 1.20

Расчёт: В результате коммутации ЭДС отключается, и токи идут за счёт запаса энергии в электрическом поле конденсатора и магнитном поле катушки.

Исходные данные


С, мкФ

L, мГ

R1, Ом

R2, Ом

R3, Ом

0.55

34

100

22

23

таблица 1.20

1)      Определим начальные независимые значения, К ним относятся тое через катушку i3(0+) и напряжение на конденсаторе Uc(0+).

В цепи постоянного тока конденсатор представляет собой разрыв цепи, а катушка - короткое замыкание.

 = 18.7 (B)

= 0.813 (A)

По законам коммутации

3(0+)=i3(0-)=0.813(A)

Uc(0+)=Uc(0-)=18.7(B)

2)      Составляем операторную схему. При составлении операторной схемы, все элементы исходной схемы заменяются операторными эквивалентами. Начальные независимые значения при переходе к операторной схеме представляют собой внутренние ЭДС.

рис. 1.21 Операторная схема

)        Определяем искомые токи и напряжения в операторной схеме.

Определим Uab методом двух узлов:



Зная напряжение между узлами, найдем IL(p) и Uc(p):

=



Приравняв знаменатель к нулю, находим корни уравнения:

=0

D=(668.242)2-4=75489.673

p1= = -11366.871

 = -4743.1048

Подставим p1 и p2 в формулу , получим:

 (A)

 (B)

Графики найденных зависимостей:




Похожие работы на - Анализ переходных процессов в линейной электрической цепи

 

Не нашли материал для своей работы?
Поможем написать уникальную работу
Без плагиата!
Без нейросетей!