Конструирование и расчет каркаса промышленного здания
Министерство образования и науки
Российской Федерации
Федеральное государственное бюджетное
образовательное учреждение высшего профессионального образования
Санкт-Петербургский государственный
политехнический университет
Инженерно-строительный институт
Кафедра строительных конструкций и
материалов
Пояснительная записка к курсовому
проекту
по дисциплине «Железобетонные
конструкции»
на тему:
Конструирование и расчет каркаса
промышленного здания
СОДЕРЖАНИЕ
Введение
. Исходные
данные
.
Предварительное назначение размеров
2.1
Назначение размеров колонны
.2 Назначение
размеров ригеля
3.
Определение нагрузок и воздействий
3.1
Собственный вес конструкции
3.1.1 Кровля
.1.2 Ригель
.1.3 Колонна
3.2 Снеговая
нагрузка. Ветровая нагрузка
4. Расчет
прочности ж/б колонн работающих на внецентренное сжатие, подбор арматуры и
составление схемы армирования колонны
4.1
Назначение размеров предварительно напряженного ригеля
.2
Определение нормальных напряжений в бетоне от предварительного напряжения в
арматуре
.3 Определение
потерь предварительного напряжения
.4 Расчет
ригеля на прочность по нормальным сечениям
.5 Расчет
прочности наклонных сечений на действие поперечных сил
.6 Расчет по
образованию трещин
.7 Расчет по
раскрытию трещин
. Расчет и
проектирование фундамента стаканного типа
.1
Определение габаритных размеров фундамента
.2 Расчет
прочности фундамента
ВВЕДЕНИЕ
Настоящий проект сборной железобетонной конструкции рамного типа в виде
несущего каркаса одноэтажного однопролетного промышленного здания выполнен в соответствии
с заданием на проектирование и действующими СНиП.
1.
Исходные данные
высота колонны от пола до низа ригеля: Н = 13 м;
пролет рамы: Lp
= 18 м;
шаг рамы в продольном направлении здания: D = 7 м;
ветровой район: VI;
снеговой район: III;
класс бетона колонн В25.
2.
Предварительное назначение размеров
2.1 Назначение размеров колонны
Высота поперечного сечения колонны hk:
м; принимаем hk= 0,75 м.
Ширина поперечного сечения колонны bk:
м
м
Принимаем ширину поперечного сечения колонны bk = 0,4 м.
2.2 Назначение размеров ригеля
Высота ригеля в коньке hp:
м,
где
- расчетная длина ригеля
где
- высота ригеля на опоре,
;
Принимаем hp=1,5 м.
3.
Определение
нагрузок и воздействий
3.1 Собственный вес конструкции
3.1.1 Кровля
Вес одного квадратного метра кровли определен по табл. 3.1.
Таблица 3.1
|
Элемент покрытия
|
,
|
|
,
|
|
2-3 слоя рубероида по
пергамину
|
10
|
1,3
|
13,0
|
|
цементно-песчаная стяжка, δ=20 мм,
γ=2200
кгс/м3
|
44
|
1,3
|
57,2
|
|
утеплитель, δ=100 мм,
γ=600
кгс/м3
|
60
|
1,3
|
78
|
|
ребристые железобетонные
плиты
|
150
|
1,1
|
165
|
|
Всего:
|
264
|
|
313,2
|
Нормативная погонная нагрузка от кровли на ригель:
Расчетная погонная нагрузка от кровли на ригель:
3.1.2 Ригель
Нагрузка от собственного веса ригеля на погонный метр его пролета:
,
где
- площадь сечения ригеля;
- объемный вес железобетона;
- коэффициент надежности по нагрузке.
Площадь сечения ригеля:
Примем
, тогда
Общий вес покрытия, приходящийся на 1 колонну и приложенный в центре
торца колонны:
3.1.3 Колонна
Вес колонны:
3.2 Снеговая
нагрузка
Расчетная снеговая нагрузка на погонный метр длины ригеля:
где с - коэффициент, учитывающий уклон кровли, принимаем с = 1;
р - вес снегового покрова на горизонтальной поверхности, принимаемый по
СНиП 2.01.07-85* (для III
снегового района р=180 кгс/м2).
Расчетная снеговая нагрузка:
Ветровая
нагрузка
Распределенная ветровая нагрузка, действующая по всей длине колонны с
наветренной стороны:
где
- ветровое давление на 1 м2, для VI ветрового района q0 = 73 кгс/м2;
- коэффициент, учитывающий изменение скоростного напора по
высоте;
- аэродинамический коэффициент (принимается 0,8 и 0,6
соответственно для наветренной и подветренной стороны здания).
Распределенная ветровая нагрузка, действующая по всей длине колонны с
подветренной стороны:
Сосредоточенная сила, учитывающая ветровое давление на поперечную раму в
пределах опорной части ригеля и парапетов с наветренной стороны:
Сосредоточенная сила, учитывающая ветровое давление на поперечную раму в
пределах опорной части ригеля и парапетов с подветренной стороны:
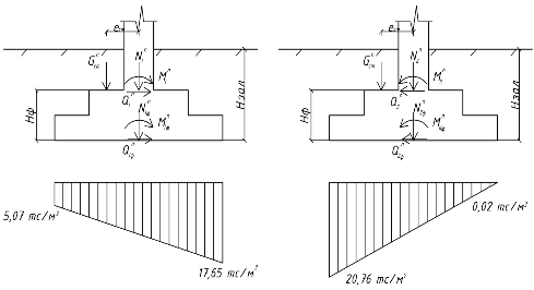
Усилия, возникающие в колонне:
Для левой колонны:
|
Х,м
|
0,2Нк
|
0,4Нк
|
0,5Нк
|
0,6Нк
|
Нк
|
|
Х,м
|
2,8
|
5,6
|
7
|
8,4
|
14
|
|
Мх,тс∙м
|
3,72
|
11,91
|
17,71
|
24,61
|
63,45
|
Для правой колонны:
|
Х,м
|
0,2Нк
|
0,4Нк
|
0,5Нк
|
0,6Нк
|
Нк
|
|
Х,м
|
2,8
|
5,6
|
7
|
8,4
|
14
|
|
Мх,тс∙м
|
5,26
|
13,89
|
19,46
|
25,88
|
59,95
|
Построение эпюры N:
Для сечения 1-1:
Без учета снеговой нагрузки:
N =
+
= 28,3 + 11,6 = 39,9 тс
С учетом снеговой нагрузки:
N =
+
+Pcн=28,3 + 11,6 + 11,8 = 51,7 тс.
Для сечения 2-2:
Без учета снеговой нагрузки:
N=
+
/2 =28,3 + 11,6/2 =34,1 тс
С учетом снеговой нагрузки:=
+
/2+Pcн=28,3 + 11,6/2+ 11,8
= 45,9 тс
Для сечения 3-3:
Без учета снеговой нагрузки:
N=
=28,3 тс
С учетом снеговой нагрузки:
N=
+Pcн=28,3 + 11,8 = 40,1 тс
Распределение усилий по высоте колонны:

4. Расчет
прочности ж/б колонн работающих на внецентренное сжатие, подбор арматуры и
составление схемы армирования колонны
В курсовом проекте для изготовления сварных
железобетонных колонн здания промышленного типа принят бетон класса В30.
Для расчета армирования при проектировании известны размеры
поперечного сечения колонны:
b = 0,40 м;
h = 0,75 м;
а = а' = 5 см;
ho = 0,7 м.
А также расчетные сопротивления бетона на сжатие и
растяжение:
Rb = 1450 тс/м2;
Rbt = 105 тс/м2;
и модуль деформации бетона:
Еb
= 3∙106 тс/м2.
Назначим рабочую продольную арматуру класса A-III с расчетным сопротивлением на сжатие:
Rsc = Rs = 35500 тс/м2;
и модулем деформации
Es = 2∙107 тс/м2;
Расчетная длина элемента: Lo = 1,5 ∙ Нк = 21 м.
Для определения количества арматуры в каждом из
намеченных сечений колонны (1-1; 2-2; 3-3) выполним расчет при двух комбинациях
усилий: MI и NI; MII и NII
Таким образом для сечения 1-1:
) MI = 63,45 тс и NI =
39,9 тс;
) MII = 63,45 тс и NII = 51,7 тс.
Все сечения колонны находятся в состоянии
внецентренного сжатия.
Предварительно вычисляем:
|MI| - 0,3∙h0∙|NI| = 63,45 - 0,3∙0,7∙39,9
= 55,1 тс∙м;
||MII| - 0,3∙h0∙|NII| = 63,45 - 0,3∙0,7∙51,7=
52,6 тс∙м;
Начинаем расчет с первой комбинации.
Эксцентриситет сжимающей силы принимается равным
,
но не менее случайного эксцентриситета еа,
который принимают:
еа ≥
;
еа ≥
;
еа ≥
;
Далее ведем расчет при е0=1,6 м.
- коэффициент приведения,
Получаем:
Находим относительный коэффициент начального эксцентриситета по формуле:
поэтому принимаем
.
Задаваясь коэффициентом армирования µ= 0,01 и
коэффициентом длительности
φl = 1,75, определяем жесткость
элемента в предельной стадии, критическую силу и поправочный коэффициент η увеличения начального
эксцентриситета за счет прогиба колонн:


Где N - сжимающая сила, в рассматриваемой
комбинации усилий.
- коэффициент, учитывающий
возможность продольного изгиба колонны, который приводит к увеличению
начального эксцентриситета (потеря устойчивости колонны)
При расчете железобетонных элементов различают два
характерных случая внецентренного сжатия: случай больших эксцентриситетов и
случай малых эксцентриситетов.
Приведенный эксцентриситет (с учетом прогиба):
Расчет ведем по первому случаю, который
характеризуется тем, что к моменту исчерпания несущей способности элемента
напряжение в растянутой арматуре As и растянутой арматуре A's, достигают расчетных сопротивлений Rsc и Rs, а в бетоне сжатой зоны - Rb. Разрушение начинается с растянутой
зоны.
Проверяем необходимость постановки арматуры A's:
Площадь сжатой арматуры рассчитывается по формуле:

, то
Для определения действительной высоты сжатой зоны
воспользуемся зависимостью:

По таблице определяем ξ = 0,38, т.к.
Х = ξ∙h0=0,38∙0,7 = 0,266 м > 2а’=2∙0,05 = 0,1 м,
то

Расчет симметричной арматуры:
;
Т.к.
, то пренебрегаем высотой сжатой зоны бетона.
Тогда
;
где
.
Переходим к расчету второго
сочетания: MII =
63,45 тс и NII = 51,7 тс.
Эксцентриситет сжимающей силы принимается равным
,
но не менее случайного эксцентриситета еа,
который принимают:
еа ≥
;
еа ≥
;
еа ≥
;
Далее ведем расчет при е0=1,23 м.
- коэффициент приведения,
Получаем:
Находим относительный коэффициент начального эксцентриситета по формуле:
поэтому принимаемое
.


Приведенный эксцентриситет (с учетом прогиба):
Следовательно имеет место первый случай внецентренного сжатия. Проверяем
необходимость постановки расчетной арматуры A’s:

, то
Для определения действительной высоты сжатой зоны
воспользуемся зависимостью:

По таблице определяем ξ = 0,46, т.к.
Х = ξ∙h0=0,46∙0,7=0,322 м > 2а’=2∙0,05=0,1 м, то

Расчет симметричной арматуры:
;
Т.к.
, то пренебрегаем высотой сжатой зоны бетона.
Тогда
; где
;
Для сечения 2-2:
1) MI = 19,46 тс и NI =
34,1 тс;
) MII = 19,46 тс и NII = 45,9 тс.
Все сечения колонны находятся в состоянии
внецентренного сжатия.
Предварительно вычисляем:
|MI| - 0,3∙h0∙|NI| = 19,46 - 0,3∙0,7∙34,1
= 12,3 тс∙м;
||MII| - 0,3∙h0∙|NII| = 19,46 - 0,3∙0,7∙45,9
= 9,82 тс∙м;
Начинаем расчет с первой комбинации:
MI = 19,46 тс;
NI = 34,1 тс;
Эксцентриситет сжимающей силы принимается равным
,
но не менее случайного эксцентриситета еа,
который принимают:
еа ≥
;
еа ≥
;
еа ≥
;
Далее ведем расчет при е0=0,57 м.
- коэффициент приведения,
Получаем:
Находим относительный коэффициент начального эксцентриситета по формуле:
поэтому принимаем
.
Задаваясь коэффициентом армирования µ= 0,01 и
коэффициентом длительности
φl = 1,75, определяем жесткость
элемента в предельной стадии, критическую силу и поправочный коэффициент η,
увеличения начального
эксцентриситета за счет прогиба колонн:


Где N - сжимающая сила, в рассматриваемой
комбинации усилий.
- коэффициент, учитывающий
возможность продольного изгиба колонны, который приводит к увеличению
начального эксцентриситета (потеря устойчивости колонны)
При расчете железобетонных элементов различают два
характерных случая внецентренного сжатия: случай больших эксцентриситетов и
случай малых эксцентриситетов.
Приведенный эксцентриситет (с учетом прогиба):
Расчет ведем по первому случаю, который
характеризуется тем, что к моменту исчерпания несущей способности элемента
напряжение в растянутой арматуре As и растянутой арматуре A's, достигают расчетных сопротивлений Rsc и Rs, а в бетоне сжатой зоны - Rb. Разрушение начинается с растянутой
зоны.
Проверяем необходимость постановки арматуры A's:
Площадь сжатой арматуры рассчитывается по формуле:

, то
Для определения действительной высоты сжатой зоны
воспользуемся зависимостью:

По таблице определяем ξ = 0,07, т.к.
Х = ξ∙h0 = 0,07∙0,7 = 0,049 м < 2а’ = 0,1 м,
условие не выполняется.
В этом случае пренебрегают сжатой зоной бетона и
определяют Аs из
уравнения моментов относительно оси, проходящей через А’s:
Тогда:

.
Расчет симметричной арматуры:
;
Т.к.
, то пренебрегаем высотой сжатой зоны бетона.
Тогда
; где
;
.
Минимальная площадь арматуры
.
MII = 19,46 тс, NII = 45,9 тс.
Эксцентриситет сжимающей силы принимается равным
,
но не менее случайного эксцентриситета еа,
который принимают:
еа ≥
;
еа ≥
;
еа ≥
;
Далее ведем расчет при е0=0,42 м.
- коэффициент приведения,
Получаем:
Находим относительный коэффициент начального эксцентриситета по формуле:
поэтому принимаем
Задаваясь коэффициентом армирования µ= 0,01 и
коэффициентом длительности
φl = 1,75, определяем жесткость
элемента в предельной стадии, критическую силу и поправочный коэффициент η,
увеличения начального
эксцентриситета за счет прогиба колонн:


Где N - сжимающая сила, в рассматриваемой
комбинации усилий.
- коэффициент, учитывающий возможность продольного изгиба
колонны, который приводит к увеличению начального эксцентриситета (потеря
устойчивости колонны)
При расчете железобетонных элементов различают два
характерных случая внецентренного сжатия: случай больших эксцентриситетов и
случай малых эксцентриситетов.
Приведенный эксцентриситет (с учетом прогиба):
Расчет ведем по первому случаю, который
характеризуется тем, что к моменту исчерпания несущей способности элемента
напряжение в растянутой арматуре As и растянутой арматуре A's, достигают расчетных сопротивлений Rsc и Rs, а в бетоне сжатой зоны - Rb. Разрушение начинается с растянутой
зоны.
Проверяем необходимость постановки арматуры A's:
Площадь сжатой арматуры рассчитывается по формуле:

, то
Для определения действительной высоты сжатой зоны
воспользуемся зависимостью:

По таблице определяем ξ = 0,09, т.к.
Х = ξ∙h0 = 0,09∙0,7 = 0,063 м < 2а’ = 0,1 м, условие не
выполняется.
В этом случае пренебрегают сжатой зоной бетона и
определяют Аs из
уравнения моментов относительно оси, проходящей через А’s:
Тогда:

.
Расчет симметричной арматуры:
;
Т.к.
, то пренебрегаем высотой сжатой зоны бетона.
Тогда
;
где
;
.
Минимальная площадь арматуры
.
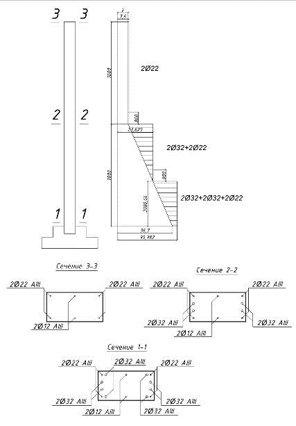
Армирование колонны
Проектирование предварительно-напряженного железобетонного ригеля
балочного типа
4.1
Назначение размеров
предварительно напряженного ригеля
Определяем усилия в ригеле
;
Тогда
Плечо внутренней пары z принимаем:
Усилия в поясах ригеля
:
Площадь верхнего пояса
:
Ширина верхнего пояса
;
Принимаем
см2;
Из конструктивных соображений
и
;
см2;
Принимаем
.
Принята напрягаемая арматура семипроволочные канаты из проволоки К1400
диаметром 5мм:
мм;
Предварительное напряжение:
тс/см2
см2;
см2;
Принимаем ненапрягаемую арматуру класса А-II.
Фактическая площадь преднапряженной арматуры в нижнем поясе
, что соответствует 10 канатам. В
верхнем поясе ставим два каната с площадью
4.2 Определение
нормальных напряжений в бетоне от предварительного напряжения в арматуре
железобетонный однопролетный промышленный каркас
Нормальные напряжения в бетоне, обусловленные воздействием
предварительного напряжения, определяются в предположении справедливости закона
Гука и гипотизы плоских сечений. При этом полагают, что элемент находится под
действием некоторых условных сил - сил обжатия, эквивалентных по своему
действию на бетон внутренним усилиям в арматуре. Величина силы обжатия:
Сила обжатия, создаваемая
:
Внешние силы, обусловленные воздействием
,
:
=
= 0
Равнодействующая сил обжатия:
Сила Р в общем случае приложена внецентренно, ее эксцентриситет относительно
центра тяжести сечения определяется следующим образом:
;
Где
- расстояния от центра тяжести
приведенного сечения до линии действия соответствующих усилий в арматуре.
Нормальные напряжения в бетоне определяются в предположении
справедливости закона Гука и закона плоских сечений по приведенным
геометрическим характеристикам.
Приведенное сечение включает сечение бетона и сечение всей продольной
арматуры, замененной эквивалентной площадью сечения бетона. Исходя из равенства
деформаций бетона и арматуры при совместной работе, приведение арматуры к
бетону выполняют посредством коэффициента приведения
Площадь приведенного сечения:
Статический момент площади приведенного сечения относительно растянутой
грани сечения:
.
Для упрощения можно принять:
,
S - статический
момент бетонной части сечения относительно оси О-О:
;
Расстояние от растянутой грани до центра тяжести приведенного сечения:
;

Момент инерции приведенного сечения:
,
где I - момент инерции бетона.
, где
расстояние
от центральной оси до оси, проходящей через центр тяжести всего сечения.
Момент инерции нижнего пояса:
Момент инерции верхнего пояса:
;
Момент инерции стенки:
;
Нормальные напряжения для усилий обжатия от внецентренно сжатого
элемента:
,
где y - расстояние от центра тяжести
приведенного сечения до точки, в которой определяются напряжения.
Напряжения в сечении 1:
Напряжения в сечении 2:
.
Напряжения в сечении 3:
.
Напряжения в сечении 4:
.
Отрицательные значения
свидетельствуют о растяжении, а положительные - о сжатии.
Максимальное значение растягивающих напряжений
меньше, чем предельные допустимые
равные 10,5 кгс/см2.
Вид эпюры нормальных напряжений от усилия обжатия:
4.3 Определение
потерь предварительного напряжения
Предварительное
напряжение в арматуре с течением времени постепенно уменьшается на величину
потерь, вследствие постепенного уменьшения начального удлинения арматуры.
Потери предварительного напряжения подразделяют на две группы:
-
первые потери, происходящие до и во время обжатия бетона,
-
вторые потери, происходящие после обжатия.
Во всех случаях величину полных потерь
принимают не менее 100 МПа.
1) Потери от релаксации напряжений в проволочной арматуре при
механическом способе натяжения, обусловленные ползучестью стали:
2) Потери от деформации анкеров, расположенных у натяжных устройств:
,
где
- при обжатии опрессованных шайб, смятии высаженных головок
принимается равным 2 мм,
длина натягиваемого стержня в мм (длина ригеля)
3) Потери от деформации стальной формы при изготовлении конструкции
принимаются равными 30 МПа.
4) Потери, вызванные усадкой бетона для тяжелых бетонов класса ниже
В35 принимаются равными 40 МПа.
) Потери от ползучести бетона
Напряжения на уровне арматуры
и
равны соответственно:
,
.
,
Rвр - передаточная прочность бетона.
Потери от ползучести бетона в
будут равны:
,
где
- для бетона естественного твердения.
Потери от ползучести бетона в
:
Суммарные потери в арматуре
:
Суммарные потери в арматуре
:
.
Предварительное напряжение в арматуре после проявления всех потерь
составляет:
.
4.4 Расчет
ригеля на прочность по нормальным сечениям
Предварительное напряжение существенно увеличивает
трещиностойкость железобетонных конструкции, однако практически не влияет на
несущую способность элемента. Поэтому расчет прочности преднапряженных
конструкций осуществляет также, как обычных.
При расчете учтем следующие предпосылки:
- сопротивление бетона растяжению принимается равным
нулю.
- сопротивление бетона сжатию
принимается равным Rb, а
криволинейная эпюра напряжений в сжатой зоне заменяется прямоугольной.
Растягивающие напряжения в арматуре
принимаются равным
, в арматуре As - Ra, сжимающие напряжения в арматуре А's -
.
Напряжения в арматуре A'sp принимаются равными:
;
где
- сжимающие напряжения в арматуре при достижении предельной
сжимаемости бетона, которые определяются как:
- коэффициент точности натяжения
арматуры (
).
- растяжение
При расчете тавровых и двутавровых балок могут иметь
место два случая - либо нейтральная ось проходит в полке, либо пересекает
ребро. Определяем положение нейтральной оси:
Asp∙ Rsp + As∙ Rs = 13,7∙11,7+2,6∙2,8
=167,57 тс;
Т.к. 167,57 тс > 150,3 тс, нейтральная линия
проходит в ребре.
Тогда высота сжатой зоны определяется из условия:
Условие прочности принимаем вид:
Полезная высота сечения:
.
Относительная высота сжатой зоны:
;
Граничная относительная высота сжатой зоны
:
;
где
- предельная деформация стали;
- предельная деформация сжатого
бетона, (
);
Получаем, что 
, значит элемент не переармирован. Проверяем условие
прочности.
.
Условие выполняется.
4.5 Расчет
прочности наклонных сечений на действие поперечных сил
Распределенная нагрузка на ригель:
Сопротивление класса бетона В35 растяжению
.
1) Определяем полезную высоту сечения у опоры:
2) Проверяем условие прочности по полосе между наклонными сечениями на
действие главных сжимающих напряжений
.
Qmax ≤ 0,3∙ b∙ho∙Rb;
Если условие не проходит, следует увеличить размеры
сечения или назначить более высокий класс бетона.
Исходя из этого,
Условие выполняется.
3) Назначаем шаг хомутов, руководствуясь следующими
ограничениями:
S ≤ 0,5∙h0;≤
30 см;≤ b∙ho2∙Rbt/
Qmax.
Подставляя известные значения, получаем:
S ≤ 0,5∙85,5 = 42,75 см;
S ≤ 30 см;
S ≤ 29∙85,52∙13/43030 = 64,05 см.
Принимаем S = 30 см.
4) Назначаем диаметр хомутов и определяем усилия в хомутах на единицу
длины элемента.
Назначаем 2 хомута диаметром 10 мм, класс стали А-III.
;
где:
- число хомутов в поперечном сечении,
- площадь одного хомута, диаметром
- расчетное сопротивление арматуры A-III растяжению,
Тогда
При этом должно выполняться следующее условие:
qsw > 0,25∙Rbt∙b;
qsw = 14,92 тс/м > 0,25∙13∙29
= 94,25 кгс/см = 9,425 тс/м;
Принимаем
5) Проверка прочности по наклонным сечениям.
Определяем параметр Мв:
Мв = 1,5∙b∙ho2∙Rbt;
Тогда, Мв = 1,5∙0,29∙0,8552∙130
= 41,34 тс∙м
Проверяем выполнение следующего условия, при котором
предельная поперечная сила на опоре, воспринимаемая ригелем должна быть больше
поперечной силы в нормальном сечении элемента:
;
Подставляя ранее найденные значения, получаем:
Так как
, то окончательно принимаем хомуты 2 Ø10 А- III шагом s = 30 cm.
6) Назначаем шаг хомутов в средней трети пролета
В средней трети пролёта можно поставить хомуты с более
редким шагом:
S2 ≤ 0,75∙h0;2
≤ 50 см;2 ≤ 0,75∙85,5=64,13
см;2 ≤ 50 см;
Принимаем s = 50 см
4.6 Расчет по
образованию трещин
Определяем момент внешних сил Mr с осредненным коэффициентом надежности по нагрузке
Тогда:
Вычисляем напряжения от внешней нагрузки σbm и от сил обжатия σbp для нижней кромки сечения.
Предварительное напряжение в арматуре после проявления всех потерь
составляет:
.
Величина силы обжатия с учетом потерь:
Сила обжатия с учетом потерь, создаваемая
Равнодействующая сил обжатия:
Определяем эксцентриситет силы обжатия с учетом всех потерь Р относительно
центра тяжести сечения.
;
Где
расстояния от центра тяжести
приведенного сечения до линии действия соответствующих усилий в арматуре.
Силу Р вводим в расчет с коэффициентом точности натяжения
, так как влияние обжатия на
трещиностойкость благоприятно.
Проверим условие образования трещин:
;
- коэффициент, учитывающий пластические свойства бетона;
Условие не выполняется. Следовательно, трещины образуются.
4.7 Расчет по
раскрытию трещин
В работе ширина раскрытия трещин ограничивается условием сохранности
арматуры.
При продолжительном действии нагрузки предельная максимальная ширина
раскрытия трещин
.
Ширина раскрытия трещин определяется по формуле:
;
Где
= 1,4 - коэффициент продолжительности
действия;
= 0,5 - коэффициент, принимаемый для проволоки и стержней
периодического профиля;
= 1,0 - коэффициент, принимаемый для изгибаемых элементов;
- коэффициент, зависящий от напряжения в арматуре в момент
образования трещин.
- расстояние между трещинами, принимается не более 40ds (40∙15 = 600 мм) и не более 400 мм.
где
- площадь растянутой зоны бетона (принимаем равной площади
нижнего пояса).
м;
;
Предельный момент перед образованием трещин:
;
;
;
;
;
;
;
Тогда ширина раскрытия трещин:

.
Условие проходит.
5. Расчет
и проектирование фундамента стаканного типа
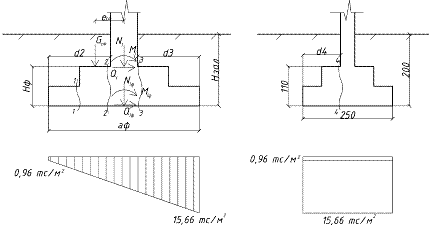
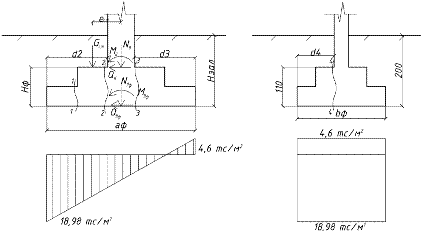
5.1 Определение габаритных размеров фундамента
Принят бетон В15:
;
Принята арматура АIII:
кгс/см2.
Фундамент стаканного типа обеспечивает жесткое защемление сборной
колонны. Жесткое сопряжение колонны с фундаментом обеспечивает общую
пространственную жесткость рамных конструкций.
На фундамент действует вертикальная сила, момент и горизонтальная
(поперечная) сила, передаваемые от стоек в месте сопряжения с фундаментом. В
большинстве случаев фундамент колонн каркасов зданий делают ступенчатыми и с
прямоугольной подошвой, вытянутой в плоскости действия момента. Фундаменты
считают абсолютно жестким, а давление на грунт условно принимают меняющимся по
линейному закону.
Назначаем глубину заложения фундамента:
Назначаю размеры плиты фундамента: aф = 4,2 м, bф = 2,5 м.
Тогда площадь фундамента:
Момент сопротивления сечения:
Определяем высоту фундамента:
Вычислим напряжения р по контакту фундамента и грунта и определим


;
Эксцентриситет для веса стены:
Тогда усилия в фундаменте:
комбинация загружения:
;
Усилия в фундаменте:
Расчет по I комбинации:
Расчет по II комбинации:
Напряжения должны удовлетворять следующим критериям:
Условия выполняются.
Принимаем,
5.2 Расчет
прочности фундамента
Определяем давление по подошве фундамента от расчетных усилий но без
учета веса фундамента и грунта на уступах фундамента. Приводим все силы к
центру подошвы фундамента.
Расчет
по I комбинации:
Расчет
по II комбинации:
Схема
для определения поперечных сил, изгибающих моментов и площади арматуры:
Проверяем
достаточность размеров, т.к. может произойти разрушение по наклонным сечениям
от действия поперечных сил.
Сечение
2-2
Определяем
приведенную равномерно-распределенную нагрузку для сечения 2-2:
Мв
=1,5
b
ho2
Rbt;
Тогда,
Мв = 1,5
1,45
1,042
75 = 176,44 тс
м;
Т.о.
при принятых размерах прочность фундамента по наклонным сечениям обеспечена без
установки поперечной арматуры.
Определяем
значение изгибающего момента в сечении:
Определяем
площадь сечения арматуры:
Сечение
3-3
Определяем
приведенную равномерно-распределенную нагрузку для сечения 3-3:
Мв
=1,5
b
ho2
Rbt;
Мв
= 1,5
1,45
1,042
75 = 176,44 тс
м;
Т.о.
при принятых размерах прочность фундамента по наклонным сечениям обеспечена без
установки поперечной арматуры.
Определяем
значение изгибающего момента в сечении:
Определяем
площадь сечения арматуры:
Сечение
4-4
Определяем
значение изгибающего момента в сечении:
Определяем
площадь сечения арматуры:
Принимаем
нижнюю арматуру 9Ø18
с шагом 300 мм
.
Верхняя
арматура 15Ø10
с шагом 300 мм
Армирование
фундамента: