Исследование цифрового рекурсивного фильтра
Реферат
Исследование
цифрового рекурсивного фильтра
Введение
Цели реферативной работы:
· Дать представление
о дополнительном двоичном коде.
· Изучить назначение и некоторые
характеристики аналого-цифрового преобразователя (АЦП).
· Изучить и
экспериментально исследовать выполнение основных операций в цифровом фильтре
(ЦФ).
В ЦФ сигнал представлен в цифровом виде вместе с
тем, большинство сигналов, с которыми приходится иметь дело в радиотехнике,
являются непрерывными. Ведь сигнал отображает некоторый физический процесс, а
почти все физические процессы непрерывны по своей природе. В то же время
цифровой сигнал является дискретным и по времени, и по величине. Преобразование
непрерывного сигнала в последовательность чисел, называемое аналого-цифровым
преобразованием должно осуществляться без потери информации.
Представление чисел в
дополнительном двоичном коде
Всем знакомая десятичная система
счисления не единственная из тех, которые можно определить. На самом деле это
лишь одна из немногих позиционных систем счисления по основанию. Она для
изображения чисел использует 10 цифровых символов, её основание равно десяти.
Например, число 536,4 можно считать сокращенным изображением полинома
. Видно, что
при сокращенной записи весовой коэффициент при каждой цифре зависит от её
положения (позиции), отсюда и название подобных систем счисления. В общем виде
в любой позиционной системе счисления по некоторому основанию b число
можно считать обозначением полинома

В цифровых устройствах чаще всего
для изображения чисел используют двоичный код, где любое число записывается
цепочкой из 0 и 1. Объясняется это, как известно, простотой физического
представления всего лишь двух символов, обычно "0" соответствует
наличие тока, высокий потенциал или замкнутое состояние ключа, а "1"
- напротив, отсутствие тока, низкий потенциал или разомкнутый ключ. Итак,
двоичный код
, где x = 0 или 1,
соответствует десятичному числу
Как и в десятичной системе,
старшинство (вес) разрядов возрастает справа налево. Во избежание ошибок в
изображении числа с помощью индекса обычно указывают основание системы
счисления. Как, например, в этом равенстве
. При работе с цифровыми
устройствами часто приходится переводить числа из одной системы счисления в
другую. В случае необходимости преобразовать некоторое число из системы с
некоторым основанием
в систему с
другим основанием
можно
применить следующую процедуру: сначала преобразовать число из системы
в
десятичную систему, а затем из десятичной в систему
. Перевод в
систему с основанием 10 выполняется в соответствии с выражением
, дальнейший
переход к системе с основанием
чуть более сложен. Поясним его.
Поскольку задача сводится к отысканию коэффициентов
при
различных степенях
, запишем
преобразуемое число в виде полинома
Разделим обе части предыдущего
выражения на
. Получим
целое частное
Таким образом, остаток равен младшей
цифре числа в системе с основанием
т.е.
. Если процесс деления повторить для
целого частного , получим новое целое частное
соответствующий следующей слева
цифре числа с основанием системы
. Повторяя описанный процесс вплоть
до нулевого частного, получим все цифры искомого числа
.
Поясним процедуру на примере
перевода десятичного числа 52 в эквивалентную двоичную форму
остаток
2 0=
20 =
21 =
2
3 2 1 =
1 2 1 =
0
Следовательно, 5210 =
.
Рассмотрение чисел до сих пор велось
без учета их знака, т.е. число предполагалось положительным. Но очевидно, что при
вычислениях не обойтись без отрицательных чисел. Поскольку вся информация в
компьютере представляется в виде нулей и единиц, эти же символы используются
для изображения знака числа. Напрашивающийся вариант - зарезервировать один
разряд (старший) в качестве знакового и считать, что 0 соответствует
положительным, а 1 -отрицательным числам, остальные же разряды использовать для
представления абсолютной величины числа в двоичной системе. Несмотря на
естественность получившегося так называемого прямого кода, он редко применяется
в цифровых устройствах. Чаще используется дополнительный код. В таблице 1
приведены в качестве примера десятичные числа со знаком и их представления в
четырехразрядном прямом и дополнительных кодах. Старший разряд знаковый. Точка,
отделяющая знаковый разряд, введена только для наглядности и не является частью
кода.
Положительные числа (0 в знаковом
разряде) в дополнительном коде выглядят также, как и в прямом. Формирование
дополнительного кода некоторого отрицательного числа можно представить как
обращение кода соответствующего положительного числа. Для выполнения обращения
необходимо заменить 0 и 1 в коде соответственно на 1 и 0 и затем прибавить к
результату 1. Поясним процедуру обращения на примере получения дополнительного
кода числа (-6): код соответствующего положительного числа (+6) имеет вид
0.110. После замены 0 и 1 (это называется инвертированием кода) получается код
1.001. Добавление 1 приводит к коду, коду 1.010, изображающему (см. таблицу)
десятичное число (-6). Заметим, что применив обращение к числу (-6), получим
двоичный код числа (+6). Преимущество дополнительного кода станет ясным при
рассмотрении арифметических операций в ЦФ, чему посвящен следующий раздел.
Таблица 1 Прямой и дополнительный
код для десятичного числа
|
Десятич.
число
|
Прямой
код
|
Дополн.
код
|
|
+7
|
0.111
|
0.111
|
|
+6
|
0.110
|
0.110
|
|
+5
|
0.101
|
0.101
|
|
+4
|
0.100
|
0.100
|
|
+3
|
0.011
|
0.011
|
|
+2
|
0.010
|
0.010
|
|
+1
|
0.001
|
0.001
|
|
0
|
0.000
|
0.000
|
|
1.000
|
|
|
-1
|
1.001
|
1.111
|
|
-2
|
1.010
|
|
-3
|
1.011
|
1.101
|
|
-4
|
1.100
|
1.100
|
|
-5
|
1.101
|
1.011
|
|
-6
|
1.110
|
1.010
|
|
-7
|
1.111
|
1.001
|
|
-8
|
----
|
1.000
|
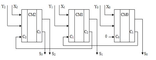
Двоичная арифметика
Номенклатура арифметических
операций в ЦФ ограничена: сложение, вычитание и умножение. В таблице 2 даны
правила сложения двух двоичных цифр, технически такое сложение выполняется уже
знакомым одноразрядным полным сумматором (условное изображение дано на рисунке
1). Заметим, что при двоичном сложении 1+1 возникает бит переноса и что бит
суммы при этом равен 0. Чтобы сложить пару многоразрядных двоичных чисел
необходимо применить правило таблице 2 многократно, отправляясь от пары младших
разрядов, так, как это делается при десятичном сложении. После сложения пары
младших цифр и получения значения младшего разряда суммы S0
складывается следующая пара цифр (X1
и X2) с учетом
переноса из младшего разряда. При этом получается значение следующего разряда
суммы (S1) и, возможно,
перенос С2. Описанный процесс повторяется нужное число раз. Пример поясняет
сказанное, а рисунок 2 - устройство трехразрядного сумматора. Сложение чисел со
знаками при использовании дополнительного кода реализуется просто сложением их
кодов как положительных чисел, как только что рассмотрено. Возможный перенос из
старшего разряда отбрасывается. В результате получается правильный результат
(см. примеры ниже), т.е. правильное представление в дополнительном коде
алгебраической суммы чисел, коды которых суммировались.
Вычитание в дополнительном коде
заменяется сложением на основании очевидного соотношения
. Необходимо
только независимо от знака вычитаемого произвести обращение его кода, а затем
сложить с вычитаемым с помощью того же многоразрядного сумматора (рисунок 2).
Таким образом, в отличие от прямого кода нет необходимости в различных схемах
для выполнения суммирования и вычитания.
Пример (+6)= 0.110 =0.110
(+3)=-0.011 обращение =+1.101
.011=(+3)
перенос игнорируется
Таблица 2 Правило сложения двух
двоичных чисел X и Y
|
|
Х
|
|
|
0
|
1
|
|
Y
|
0
|
0
|
1
|
|
1
|
1
|
0
(формируется перенос)
|
Рисунок 1 - Одноразрядный
сумматор
Рисунок 2 - Трехразрядный
сумматор
Аналого-цифровое преобразование
Превращение некоторого непрерывного
сигнала
(пусть это
будет, напряжение, например) в достаточно точно соответствующую ему
последовательность чисел поясняет блок схема АЦП и временные диаграммы на
рисунке 3. Преобразование выполняется в два этапа. Сначала сигнал
подвергается
дискретизации по времени с помощью электронного ключа (рисунок 3а),
замыкающегося через интервалы времени Т на очень короткое время
<<Т.
Сигнал на выходе дискретизатора имеет вид последовательности тонких импульсов
(рисунок 3в), амплитуда которых равна величине непрерывного сигнала в моменты
времени nТ (n=
0,1,2,3,..) . Эти импульсы называются выборками (отсчетами) сигнала
a F=l/T называется
частотой дискретизации. Согласно теореме Котельникова, дискретизированный
сигнал
полностью
определяет непрерывный сигнал
, если частота дискретизации
удовлетворяет
F=
,
где
- граничная частота спектра сигнала.
Она определяет максимальную скорость изменения сигнала. Обычно F выбирают
лишь незначительно выше величины
. Более высокие значения частоты
дискретизации допустимы, но бесполезны с точки зрения повышения точности
преобразования.
На втором этапе отсчеты квантуются
по величине: точное значение каждого отсчета заменяется величиной ближайшего
меньшего уровня. Эти уровни с равномерным расстоянием между ними
, называемым
шагом квантования, заполняют весь диапазон допустимых значений уровня входного
сигнала от
до
. Величина
некоторого уровня равна
где
- номер
уровня. Общее число уровней обычно равно
, и для кодирования номеров уровней
используются r-разрядные
двоичные числа.
Рисунок 3 - Преобразование
аналогового сигнала в цифровой
Чаще применяют пропорциональное кодирование,
когда более высокому уровню присваивают больший номер. Двоичный код номера
уровня, соответствующего данному отсчету, и является конечным продуктом АЦ
преобразования. АЦП - сложное электронное устройство, оно характеризуется
большим количеством параметров. Их разделяют на статические и динамические.
Последние (в данной работе они не рассматриваются) касаются работы АЦП при
изменяющемся во времени входном сигнале. Основной статической характеристикой
является характеристика квантования (рисунок 4) - зависимость входного кода от
величины входного сигнала. Обычно она имеет вид равномерной
"лестницы". Из характеристики квантования можно определить такие
статистические параметры:
· шаг квантования
или минимальное изменение входного
сигнала, при котором входной код изменяется на единицу младшего разряда. Шаг
квантования
определяет
абсолютную погрешность АЦ - преобразования.
· разрядность r,
определяемая как двоичный логарифм от общего числа уровней квантования, важный
параметр для согласования АЦП с вычислительным устройством: разрядность
последнего должна быть не меньше, чем у преобразователя. Характеристика
квантования на рисунке 4 соответствует 4-разрядному АЦП.
· вид кода (в приведенном примере это
дополнительный код) и возможность работы с отрицательными значениями входного
сигнала.
· относительная погрешность преобразования равна
1/2r, т.е. ~6%
для 4-разрядного АЦП. Современные интегральные АЦП имеют до 12 разрядов ( или
соответственно 4096 уровней квантования), т.е. относительную погрешность ~0.05%.
Заметим, что величина l/2r определяет
минимальную относительную погрешность, реализуемую при максимально допустимом
уровне входного сигнала.
· допустимый диапазон изменений входного сигнала
. Он равен,
очевидно,
. При выходе
за пределы этого диапазона выходной код перестает изменяться при изменении
величины входного сигнала. В результате погрешность преобразования возрастает.
Рисунок 4 - Характеристика
квантования для 4-х разрядного ЦАП
Элементы задержки в ЦФ
Числовая информация поступает
на вход фильтра с задержкой T.
С такой же задержкой на его выходе появляются числа - отсчеты входного сигнала.
Особенность работы ЦФ заключается в том, что отсчет входного сигнала в любой
данный момент Т зависит не только от входного отсчета в этот же момент. Он
определяется также значениями некоторого количества предшествующих входных и
выходных отсчетов. Количество предшествующих отсчетов определяет порядок
фильтра. Так, в фильтре 1-го порядка, кроме текущего, учитывается один
предшествующий отсчет, в фильтре 2-го порядка - два, и т.д. Поэтому в состав ЦФ
обязательно входят элементы кратковременной - на несколько тактов Т - задержки
(запоминания) цифровой информации. Обычно это так называемый параллельный
регистр на тактируемых фронтом D-триггерах
(рисунок 5). Каждый разряд некоторого двоичного числа поступает на отдельный
триггер, записывается в него в момент очередного тактового импульса и
сохраняется до прихода следующего.
Рисунок 5 - Параллельный
регистр на тактируемых D-триггерах
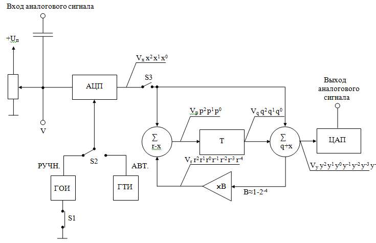
Описание лабораторного макета
Лабораторный макет (функциональная
схема на рисунке 10) состоит из 4-х разрядных АЦП и ЦАП и рекурсивного ЦФ
верхних частот 1-го порядка. Для синхронизации работы схем в макет встроен
генератор тактовых импульсов ГТИ с частотой
. Для проверки работоспособности и
измерения некоторых характеристик ЦФ предусмотрена возможность имитации
синхронизирующих импульсов в ручном режиме работы. Их вырабатывает в момент
нажатия кнопки "ПУСК ГОИ" (в режиме "ручн.") генератор
одиночных импульсов - ГОИ. Кн. "СБРОС" предназначена для
первоначальной очистки памяти ЦФ. На гнезда коммутатора выведены контрольные
точки схемы ЦФ. В этих точках можно "прочитать" величину 4-х
разрядного числа в дополнительном двоичном коде. Символом V помечен
старший (знаковый) разряд. Для визуальной проверки работы ЦФ в режиме ручного
запуска в макете имеется 4-разрядный светодиодный регистр-индикатор. Входы его
разрядов, выведенные на гнезда коммутатора, с помощью гибких перемычек можно
подсоединять к контрольным точкам. АЦП и ЦАП выполнены на микросхемах
КМОП-технологии серии К176. ЦФ собран на микросхемах ТТЛ-технологии серии К155.
В режиме автоматической работы ЦФ имеет следующие параметры:
· частота
дискретизации -18 кГц;
· граничная частота
-180 Гц;
· диапазон изменения
входного напряжения - 4В + 4В;
· пределы регулировки
постоянного смещения на входе АЦП - 4В +4В. Питается макет от источника
постоянного напряжения: +5В, -12В, +12В.
Исследование цифрового рекурсивного фильтра
В последнее время все чаще
предпочитают проводить обработку сигналов не в аналоговой форме, а в цифровой.
В ЦФ вместо аналогового сигнала
обрабатывается (фильтруется)
дискретный во времени сигнал , где
- период дискретизации. При переходе
от аналоговых фильтров к цифровым необходимо решить два вопроса:
как без потери информации
представить непрерывный входной сигнал
числовой последовательностью
. В данной
работе предполагается наличие первоначального знакомства с работой
аналого-цифровых преобразователей (АЦП);
каким образом необходимо
преобразовать входную числовую последовательность, чтобы добиться реализации
требуемой характеристики фильтра. Это так называемая задача синтеза ЦФ с
заданной характеристикой. Задача синтеза гораздо сложнее задачи анализа работы
ЦФ с известной схемой, которая, собственно, и решается в данной работе на
примере рекурсивного фильтра 1-го порядка. Синтез же фильтров более высоких
порядков, обеспечивающих более качественные характеристики, например, большую
крутизну скатов АЧХ, на практике осуществляется путем последовательного или
параллельного соединения фильтров первого и второго порядков.
Теория исследуемого цифрового
фильтра
Пусть в результате дискретизации
непрерывного сигнала
получена
последовательность равноотстоящих отсчетов его мгновенных значений
. Для
сокращения записи в последующих выражениях
опустим. Будем также считать, что в
точках отсчета
.
Будем рассматривать цифровую
фильтрацию как линейное преобразование входной дискретной последовательности
в выходную
.
Введем вспомогательный так
называемый единичный импульс, определив его следующим образом:
С помощью такого сигнала вводится
важнейшая характеристика - импульсная характеристика фильтра. Импульсная
характеристика
- это отклик
фильтра на единичный импульс
. По известному входному сигналу
и известной
характеристике
можно найти
выходной сигнал
. Поясним
это на примере. Дан сигнал
и фильтр с импульсной
характеристикой
.
Первоначально найдем реакцию фильтра в момент времени
на
-ю выборку.
Эту выборку можно представить как произведение единичного импульса, удаленного
от момента
на
на
.
Реакция фильтра на эту выборку:
Выходное напряжение фильтра в момент
равно сумме
воздействий всех предшествующих выборок:
Простая замена переменных приводит
к:
Таким образом, выходной сигнал
определяется как дискретная свертка входного сигнала и импульсной
характеристики фильтра. Фильтры, работающие по такому алгоритму, называют
простыми или нерекурсивными. Значения
являются постоянными для данного
фильтра и их можно рассматривать как весовые коэффициенты
. В моменты
каждого отсчета ЦФ проводит операцию взвешенного суммирования всех предыдущих
значений входного сигнала, причем роль последовательности весовых коэффициентов
играют отсчеты импульсной характеристики.
В формировании выходного напряжения
в момент
могут также
участвовать значения выходного напряжения, полученные до момента
. В этом
случае алгоритм выглядит следующим образом:
Фильтр, работающий по этому
алгоритму, называется рекурсивным. Именно такого типа фильтр исследуется в
настоящей работе. Блок-схема фильтра приведена на рисунке 6а. Он содержит два
сумматора, элемент задержки на время
и умножитель на некоторый
постоянный коэффициент
в цепи
обратной связи. Это фильтр 1-го порядка, т.к. порядок определяется числом
элементов задержки на время
.
Для определения импульсной
характеристики исследуемого фильтра, подадим на его вход единичный импульс. В
тот же момент
через
правый сумматор этот импульс без изменения величины проходит на выход фильтра.
Одновременно на выходе левого сумматора формируется импульс
т.к.
то
. Этот
импульс, пройдя элемент задержки
, появится на выходе правого
сумматора в момент
когда
входной сигнал фильтра равен 0 . Поэтому
. Дальнейшие отсчеты выходного
сигнала (рисунок 6б) определяются его циклическим обращением по цепи обратной
связи с уменьшением после каждого оборота в результате умножения на коэффициент
. Бесконечная
импульсная характеристика имеет аналитическое выражение:
В частотной области фильтр
однозначно характеризуется комплексным коэффициентом передачи
. Связь
между импульсной характеристикой и
задается выражением:
Для исследуемого фильтра:
Учитывая
и используя
формулу для суммы геометрической прогрессии, это выражение приводится к виду:
Амплитудно-частотная характеристика
фильтра - модуль
, равен:
АЧХ для
приведена
на рисунке 7. Она имеет характерную для ЦФ периодичность по частоте, равную
. Поведение
АЧХ на интервале
(что
соответствует
позволяет
заключить, что это фильтр верхних частот.
Рисунок 6 - Блок схема
рекурсивного фильтра и его импульсная характеристика
Рисунок 7- АЧХ рекурсивного
фильтра
До сих пор полагалось, что
входные отсчеты представляются с неограниченной точностью. Однако в реальных
фильтрах необходимо, как минимум, учитывать шумы (погрешности) АЦ-
преобразования.
Как уже отмечалось (см. часть 1
данной работы), в результате квантования по уровню точное значение отсчета
аналогового сигнала заменяется значением некоторого квантованного уровня.
Обычно используется значение ближайшего меньшего уровня. Такая операция
называется усечением или округлением, а возникающая погрешность
- погрешностью
усечения. Последовательность
имеет случайный характер с
равномерным распределением плотности вероятности. При шаге квантования
среднее
значение ошибки равно
, а
дисперсия
.
Можно считать, что каждый отсчет
входного сигнала на входе фильтра равен сумме квантованного сигнала и ошибки
квантования:
Пользуясь свойством линейности
системы, представим выходной сигнал в следующем виде:
Здесь * - символ свертки.
Вклад ошибки квантования принято
оценивать отношением мощности сигнала к мощности шума квантования, равной его
дисперсии
. Дисперсия
шума на выходе фильтра связана с дисперсией на входе соотношением:
где
Для исследуемого фильтра
.
При выбранном для этого фильтра
значения
шум
практически без изменения передается на выход фильтра.
Сделаем еще одно замечание.
Очевидно, что величину шума квантования можно уменьшить за счет увеличения
разрядности АЦП. Однако необходимо учитывать следующее. Любые аналоговые
сигналы всегда сопровождаются шумом, т.е. входной сигнал АЦП уже имеет конечное
отношение сигнал-шум. Это означает, что никакое увеличение разрядности не
позволит получить на его выходе отношение сигнал - шум большее, чем в исходном
аналоговом сигнале.
Действительно, если
значительно
меньше амплитуды сигнала, младшие разряды последовательности отсчетов будут
всего лишь более точно описывать шум, сопровождающий аналоговый сигнал. А
потому увеличение числа разрядов АЦП сверх некоторой величины приводит лишь к
увеличению точности представления входного шума.
После преобразования в ЦФ выходной
сигнал
, как
правило, вновь превращается в аналоговый
помощью цифро-аналогового
преобразователя (ЦАП). Хотя такое преобразование непосредственно не является
составной частью алгоритма ЦФ, понимание природы погрешностей, вносимых им,
совершенно необходимо при анализе и синтезе ЦФ. Во временной области ЦАП
описывается импульсной характеристикой
Наиболее просто реализовать ЦАП с
импульсной характеристикой в виде прямоугольного импульса длительностью Т. На
рисунке 8 в качестве примера изображены последовательность
представляющая
дискретную синусоиду, и соответствующий ей аналоговый сигнал
на выходе
такого ЦАП. Видно, что выходное аналоговое колебание
содержит
большое количество нежелательных высокочастотных составляющих. Для их
подавления после ЦАП включают аналоговый фильтр НЧ с частотой среза
. Однако это
не устраняет искажения частотной характеристики ЦФ, вносимого ЦАП. Дело в том,
что ЦАП с прямоугольной импульсной характеристикой имеет АЧХ, описываемую
выражением:
График АЧХ представлен на рисунке 9.
В результате понижение АЧХ системы ЦФ + ЦАП с ростом частоты достигает ~3 дБ
при
Для компенсации возникающих
искажений сигнала последовательность
можно предварительно пропустить
через ЦФ, амплитудная характеристика которого аппроксимируется функцией:
Последовательное включение ЦФ с
такой АЧХ обеспечит в целом равномерную характеристику системы компенсирующей
ЦФ + ЦАП.
Рисунок 8 - Сигнал на входе y(n)
и выходе y(t)
ЦАП
Рисунок 9 -АЧХ ЦАП
Литература
1. Рабинер
Л., Гоулд Б. Теория и применение цифровой обработки сигналов. Пер. с англ.
-М.:Мир, 1978. -848с.
. Каппелин
В., Константинидис А.Дж., Эмилиани П. Цифровые фильтры и их применение. Пер. с
англ. -М.: Энергоатомиздат,1983. -360с.
. Брюханов
Ю.А., Приоров А.Л. Цифровые фильтры: Учеб. Пособие. Ярославль: Яросл. гос.
ун-т., 2012. -288с.
. Отнес
Р., Эноксон Л. Прикладной анализ временных рядов. Основные методы. -М.:Мир,
1982. -428с.
. Баскаков
С.И. Радиотехнические цепи и сигналы. -М.:Высшая школа, 2010. -462с.
. Зюко
А.Г., Кловский Д.Д., Коржик В.И., Назаров М.В. Теория электрической связи:
Учебник для вузов / Под ред. Д.Д. Кловского. -М.:Радио и связь, 2009. -432с.
. Солонина
А.И., Улахович Д.А., Арбузов С.М., Соловьева Е.Б. Основы цифровой обработки
сигналов: Курс лекций. -СПб:БХВ-Петербург, 2005. -768с.
. Воробьев
В.И., Грибунин В.Г. Теория и практика вейвлет-преобразования. СПб.:ВУС,
1999.-203с.
. С.Н.Кей,
С.Л.Марпл Современные методы спектрального анализа. Обзор. //ТИИЭР, т.69, №11,
1981. С.5-51.
. Хемминг
Р.В. Цифровые фильтры. - М.: Недра, 1987. - 221 с.
. Оппенгейм
А.В., Шафер Р.В. Цифровая обработка сигналов. - М.: Связь, 1979. - 416 с.
. Гутников
В.С. Фильтрация измерительных сигналов. - Л.: Энергоатомиздат, 1990. - 192 с.
. Бендат
Дж., Пирсол А. Прикладной анализ случайных данных. - М.: Мир, 1989. - 540 с.
.
В.Г. Карташов "Основы теории дискретных сигналов и цифровых фильтров.
" М., "ВШ", 1982, с.7-22,28-33,55-68.
.
У. Титце, К. Шенк "Полупроводниковая схемотехника." М.,
"Мир", 1982, с.418-420,425-426,427-431
Приложение
Рисунок 10 - Блок-схема лабораторного макета