Расчет и исследование нерекурсивных и рекурсивных цифровых фильтров
МИНОБРНАУКИ
РОССИИ ГОУ ВПО
Пензенская
государственная технологическая академия
Факультет
«ИПЭИС»
Кафедра
«Информационные технологии и системы»
Контрольная
работа
Дисциплина:
«Цифровая обработка сигналов»
Тема:
«Расчет и исследование нерекурсивных и рекурсивных цифровых фильтров»
Пенза 2012
1. Задание на работу
|
Вар.
|
Ф-тр
|
N
|
 Окно
|
|
|
|
|
6
|
ФНЧ1
|
5
|
2700
|
225
|
|
Треугольное
|
|
ФНЧ2
|
5
|
2700
|
300
|
|
Треугольное
|
2. Ход работы
Расчет и исследование нерекурсивных фильтров
Перечень решаемых задач:
расчет и исследование НЧ-фильтров;
расчет и исследование полосового фильтра.
. Расчет и исследование НЧ-фильтров.
ФНЧ1
коэффициенты фильтра рассчитываются
по формулам
:
Таким образом, коэффициент ak
(k=0,...,N) зависит от отношения частоты среза к частоте дискретизации. Поэтому
при расчетах удобно использовать относительную частоту среза:
;
.
Рассчитаем коэффициенты фильтра
в
соответствии с вариантом задания:

,
;
.
уравнение фильтра:
аналитическое выражение частотной
характеристики фильтра
:
Нд(w)=а0+2 ∑ak cos(w к Тд)
Нд(w)=0.1666+2[0,1326*cos(w
Т)+0,0919*cos(w Т)+0,0531*cos(w Т)+ 0,0230* cos(w Т)+0,0053* cos(w Т)]
С помощью программы Matlab вычислить
коэффициенты нерекурсивного фильтра нижних частот. Сопоставить (в табличной
форме) расчетные и вычисленные с помощью программы Matlab коэффициенты фильтра,
построить графики импульсного отклика, АЧХ и ФЧХ фильтра.
Рисунок 1 - Расчет коэффициентов
фильтра с помощью Matlab
Рисунок 2 - Амплитудно- и
фазово-частотная характеристики фильтра
Рисунок 3 - Импульсная
характеристика фильтра
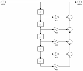
Рисунок 4 - Структурная схема
фильтра
Приведем в таблице коэффициенты
фильтра расчетные и вычисленные в Matlab.
Таблица 1 - Коэффициенты фильтра
|
Коэффициенты
фильтра
|
Расчётные
|
Вычисленные
|
|
а0
|
0.1666
|
0.16666
|
|
а1
|
0.1326
|
0.13263
|
|
а2
|
0.0919
|
0.09188
|
|
а3
|
0.0531
|
|
а4
|
0.0230
|
0.02297
|
|
а5
|
0.0053
|
0.00531
|
ФНЧ2:
коэффициенты фильтра
:
а0=0,2222, а1=0,1705, а2=0,1045,
а3=0,0459, а4=0091, а5=-0,0036
уравнение фильтра:
Аналитическое выражение частотной
характеристики фильтра
:
Нд(w)=а0+2 ∑ak cos(w к Тд)
Нд(w)=0.2222+2[0,1705*cos(w
Т)+0,1045*cos(w Т)+0,0459*cos(w Т)+ 0,0091* cos(w Т)-0,0036* cos(w Т)]
С помощью программы Matlab вычислить
коэффициенты нерекурсивного фильтра нижних частот. Сопоставить (в табличной
форме) расчетные и вычисленные с помощью программы Matlab коэффициенты фильтра,
построить графики импульсного отклика, АЧХ и ФЧХ фильтра.
Рисунок 5 - Расчет коэффициентов
фильтра с помощью Matlab
Рисунок 6 - Амплитудно- и
фазово-частотная характеристики фильтра
Рисунок 7 - Импульсная
характеристика фильтра
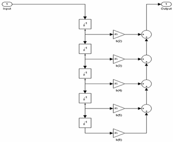
Рисунок 8 - Структурная схема
фильтра
Приведем в таблице коэффициенты
фильтра расчетные и вычисленные в Matlab.
Таблица 2 - Коэффициенты фильтра
|
Коэффициенты
фильтра
|
Расчётные
|
Вычисленные
в Matlab
|
|
а0
|
0,2222
|
0,22222
|
|
а1
|
0,1705
|
0,17050
|
|
а2
|
0,1045
|
0,10449
|
|
а3
|
0,0459
|
0,04594
|
|
а4
|
0,0091
|
0,00907
|
|
а5
|
-0,0036
|
-0,00363
|
По результатам расчета ФНЧ1 и ФНЧ2 рассчитать
(без компьютера) коэффициенты полосового фильтра с частотами среза f c1 и fc2
(f c1 < fc2).
За основу берется ФНЧ с частотой среза wв,
которая соответствует верхней частоте среза искомого ПФ. Из спектра этого ФНЧ
вычитается спектр другого ФНЧ с меньшей (нижней) частотой среза wн.
В результате останется спектр полосового фильтра с зоной прозрачности
(пропускания) между wн и wв. Искомые
коэффициенты ПФ рассчитываются по формуле:
ак,ПФ = ак,ФНЧ(в) - ак,ФНЧ(н)
Таким образом, коэффициенты полосового фильтра:
а0=0,2222-0,1666=0,056
а1=0,1705-0,1326=0,038
а2=0,1045-0,0919=0,013
а3=0,0459-0,0531=-0,007
а4=0,0091-0,0230=-0,014
а5=-0,0036-0,0053=-0,009
С помощью программы Matlab произвести расчет
коэффициентов этого же полосового цифрового фильтра и построить графики его
импульсной и частотной характеристик. Сопоставить (в табличной форме) расчетные
и вычисленные с помощью программы Matlab коэффициенты полосового фильтра.
Рисунок 9 - Расчет коэффициентов фильтра с
помощью Matlab
Рисунок 10 - Амплитудно- и фазово-частотная
характеристики фильтра
Рисунок 11 - Импульсная характеристика фильтра
Рисунок 12 - Структурная схема фильтра
Приведем в таблице коэффициенты фильтра
расчетные и вычисленные в Matlab.
Таблица 3 - Коэффициенты фильтра
|
Коэффициенты
фильтрарасчётныеВычисленные в Matlab
|
|
|
|
а0
|
0,056
|
|
а1
|
0,038
|
0,038
|
|
а2
|
0,013
|
0,013
|
|
а3
|
-0,007
|
-0,007
|
|
а4
|
-0,014
|
-0,014
|
|
а5
|
-0,009
|
-0,009
|
Синтезировать входной сигнал в виде
аддитивной смеси гармонического сигнала с шумом. Частота гармонического сигнала
, амплитуда
A=1, длительность
. Шум - с
нормальным распределением, нулевым средним значением и единичным стандартным отклонением.
Произвести фильтрацию смеси сигнала с шумом, рассчитанным полосовым фильтром.
Построить графики фильтруемой смеси и результата фильтрации.
Рисунок 13 - Simulink-модель
фильтрации смеси сигнала с шумом
Рисунок 14 - Отфильтрованный сигнал
Сгенерировать и профильтровать
(рассчитанным полосовым фильтром) сигнал в виде последовательности
знакоположительных прямоугольных импульсов амплитудой A=1, длительностью
, следующих
с частотой
.
Относительная длительность импульсов
. Построить графики фильтруемой
смеси и результата фильтрации.
Рисунок 15 - Simulink-модель
фильтрации сигнала с шумом
Рисунок 16 - Отфильтрованный сигнал
Что называется нерекурсивным
цифровым фильтром?
Нерукурсивный цифровой фильтра - это
фильтр, который не имеет обратной связи.
Что является отличительной
особенностью НЦФ?
Отличительной особенностью НЦФ
является зависимость выходного сигнала y(n) только от входных сигналов в
настоящий момент времени x(n) и предыдущие моменты x(n-k).
Что характеризует порядок НЦФ?
Его характеризует число задержек.
Чем обусловлена задержка выходного
сигнала в НЦФ?
Тем, что выходной сигнал в момент
времени n можно вычислить только тогда, когда станут известными “будущие”
входные отсчеты. Это означает необходимость задержки выходного сигнала фильтра
относительно входного.
Почему НЦФ называют фильтром с
конечной импульсной характеристикой (КИХ - или FIR- фильтром)?
Последовательность отсчетов,
соответствующих весовым коэффициентам фильтра ak , конечна, поэтому НЦФ имеет
конечный импульсный отклик и называется фильтром с конечной импульсной
характеристикой (КИХ-фильтром или FIR (finite impulse response filtre)
фильтром).
Что называется относительной
частотой среза?
Относительная частота среза - это
отношение верхней частоты (частоты среза) спектра аналогового сигнала к частота
дискретизации сигнала, выраженное в радианах.
Что называется всечастотным
фильтром?
Всечастотный фильтр (ВФ) - это
фильтр, который пропускает без ослабления все частоты.
. Расчет и исследование
нерекурсивных фильтров
Перечень решаемых задач:
расчет и исследование НЧ-фильтров
Баттерворта 2-го порядка;
расчет и исследование полосового
фильтра Баттерворта 2-го порядка.
Порядок выполнения работы:
Произвести расчет ФНЧ1, ФНЧ2 и
полосового рекурсивных фильтров по тем же исходным данным, что и для
нерекурсивных фильтров (т.е. частоты среза и частоту дискретизации брать из
таблицы 1), с теми лишь отличиями, что:
для всех вариантов принимать порядок
фильтра N=2;
тип фильтра выбирать во всех случаях
одинаковый - Баттерворта;
ручной расчет коэффициентов фильтра
и
не
производить;
синтез фильтров производить только с
помощью программы Matlab, по результатам синтеза записать аналитические
выражения для импульсной и комплексной частотной характеристик всех
синтезированных фильтров;
Рисунок 17 - Расчет коэффициентов
фильтра с помощью Matlab
Рисунок 18 - Амплитудно- и
фазово-частотная характеристики фильтра
Рисунок 19 - Импульсная
характеристика фильтра
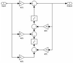
Рисунок 20 - Структурная схема фильтра
Аналитическое выражение для
импульсной характеристики:
Аналитическое выражение для
комплексной частотной характеристики:
Рисунок 21 - Расчет коэффициентов
фильтра с помощью Matlab
Рисунок 22 - Амплитудно- и
фазово-частотная характеристики фильтра
Рисунок 23 - Импульсная
характеристика фильтра
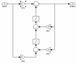
Рисунок 24 - Структурная схема
фильтра
Аналитическое выражение для
импульсной характеристики:
Аналитическое выражение для
комплексной частотной характеристики:
Рисунок 25 - Расчет коэффициентов
фильтра с помощью Matlab
Рисунок 26 - Амплитудно- и
фазово-частотная характеристики фильтра
Рисунок 27 - Импульсная
характеристика фильтра
Рисунок 28 - Структурная схема
фильтра
Аналитическое выражение для
импульсной характеристики:
Аналитическое выражение для
комплексной частотной характеристики:
произвести фильтрацию сигналов
полосовым фильтром с помощью программы Matlab.
Рисунок 29 - Simulink-модель
фильтрации смеси сигнала с шумом
Рисунок 30 - Отфильтрованный сигнал
Рисунок 31 - Simulink-модель
фильтрации сигнала с шумом
Рисунок 32 - Отфильтрованный сигнал
Выходной сигнал рекурсивного ЦФ в
каждый момент времени зависит не только от входных сигналов, но и от выходных в
предшествующие моменты времени.
Как влияет порядок фильтра на его
характеристики (крутизну подъема или спада АЧХ, величину пульсаций)?
Порядок фильтра влияет на
выраженность пика и величину вторичных "волн" проходной
характеристики.
Как понять термин “бесконечная
импульсная характеристика” фильтра?
Выходной сигнал РЦФ зависит и от
выходных сигналов в предшествующие моменты времени. Поэтому импульсная
характеристика такого фильтра является бесконечной.
Почему фильтры Баттерворта называют
фильтрами с “максимально гладкой характеристикой”?
Потому что фильтры Баттерфорда
обеспечивают максимально плоскую характеристику в зоне пропускания. Он имеет
монотонную гладкую АЧХ во всем частотном диапазоне.
В чем смысл и полезность
Z-преобразования для анализа и расчета цифровых фильтров?
В трансформации передаточной
характеристики
некоего
ФНЧ, именуемого «ФНЧ-прототип», в передаточную характеристику
нужного
фильтра (НЧ, ВЧ, полосового), с последующей заменой
.
Выводы
фильтр сигнал шум мatlab
В результате проведения работы были
синтезированы и рассчитаны рекурсивные и нерекурсивные фильтры низких частот. В
результате работы, рассчитанные вручную коэффициенты совпадают с полученными с
помощью компьютера. Дискретное преобразование Фурье, используемое во всех
непараметрических методах спектрального оценивания, подразумевает периодическое
продолжение анализируемого фрагмента сигнала. При этом на стыках фрагментов
могут возникать скачки, приводящие к появлению боковых лепестков значительного
уровня в спектральной области. Для ослабления этого эффекта сигнал перед
выполнением ДПФ умножают на спадающую от центра к краям весовую функцию (окно).
В результате величина скачков на стыках сегментов уменьшается, меньше
становится и уровень нежелательных боковых лепестков спектра - платой за это
является некоторое расширение спектральных пиков. Помимо спектрального анализа
весовые функции применяются при синтезе нерекурсивных фильтров путем обратного
преобразования Фурье желаемой частотной характеристики. В этом случае они
позволяют увеличить подавление сигнала в полосе задерживания фильтра за счет
некоторого расширения полосы пропускания.