Проект каркаса здания
Содержание
1.
Расчет поперечной рамы каркаса
.1
Исходные данные для расчета
.2
Выбор варианта конструктивного решения здания с шагом колонн 6 и 12 м
.3
Статический расчет поперечной рамы
.3.1
Определение нагрузок
.3.2
Определение усилий в стойках рамы
.3.3
Сочетания нагрузок и соответствующие им усилия в сечениях колонны
.
Расчет колонн
.1
Подбор площади сечения арматуры для колонны по оси А
.1.1
Исходные данные для расчета
.1.2
Надкрановая часть колонны
.1.3
Подкрановая часть колонны
.1.4
Расчет на усилия, возникающие при транспортировании и монтаже
.1.5
Расчет подкрановой консоли
.2
Подбор площади сечения арматуры для двухветвевой колонны по оси Б
.2.1
Исходные данные для расчета
.2.2
Надкрановая часть колонны
.2.3
Подкрановая часть колонны
.2.4
Расчет на усилия, возникающие при транспортировании и монтаже
.2.5
Расчет подкрановой консоли
.
Расчет фундамента под колонну по оси А
.1
Определение усилий
.2
Определение размеров подошвы фундамента
.3
Расчет прочности тела фундамента
.3.1
Расчет нa продавливание плитной части фундамента при стаканном сопряжении
сборной колонны
.3.2
Определение площади сечения арматуры подошвы фундамента
.3.3
Расчет стаканной части фундамента (подколонника)
.
Расчет предварительно напряженной балки покрытия
.1
Исходные данные для расчета
.2
Определение нагрузок
.3
Расчет по первой группе предельных состояний
.3.1
Расчет прочности по нормальным сечениям
.3.2
Расчет прочности по наклонным сечениям
.4
Расчет по второй группе предельных состояний
.4.1
Определения величины момента образования трещин
.4.2
Определение ширины раскрытия трещин, нормальных к продольной оси балки
Список
литературы
. Расчет поперечной рамы каркаса
1.1 Исходные данные для расчета
Схема 1
Рис. 1. Схема поперечника здания
ü Ремонтно-механический цех;
ü Район строительства по весу
снегового покрова - III,
по скоростному напору ветра - II;
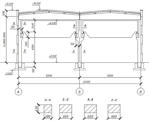
ü Общая длина здания - L
= 84 м;
ü Размеры пролетов - l1
= 12 м;
ü Грузоподъемность кранов - Q
= 100 кН = 10 т (в каждом пролете по 2 крана среднего режима работы);
ü Отметка головки рельса подкранового
пути - hгр
= 6,0 м;
ü Геологические и гидрогеологические
данные - R = 0,2 МПа = 200
кН/м2.
1.2 Выбор варианта конструктивного решения здания
Из трех основных объемно-планировочных
параметров здания (пролет, шаг колонн, высота этажа) два определены заданием, и
мы можем варьировать только шаг колонн вдоль здания. В одноэтажных
производственных зданиях с кранами, как правило, выбирают унифицированный шаг
колонн 6 или 12 м, поскольку при большем шаге подкрановые балки получаются
чрезмерно тяжелыми.
Рассмотрим варианты конструктивного решения
здания с шагом колонн 6 и 12 м.
Рис. 2. Эскиз поперечника здания при шаге колонн
6 м
При выборе несущих конструкций здания
руководствуюсь основными рекомендациями методических указаний и справочной
литературой, в которых приведены типовые железобетонные конструкции зданий и
сооружений для промышленного строительства.
Сравнение вариантов производится по расходу
материалов на 1 м2 площади пола цеха и стоимости конструкции в
табличной форме (таблица 1).
Исходя из расхода материалов и стоимости на
основании технологических требований, а также учитывая число пролетов рамы,
принимаем для детального расчета вариант конструктивного решения с шагом
крайних и средних колонн 12 м.
Использование шага 12 м для крайних и средних
колонн будет целесообразнее, так как существует еще целый ряд факторов,
например, затраты на работу механизмов, труд рабочих и т.д., и они будут
значительно выше при увеличении количества элементов.
Кровля рулонная, утеплитель из пенобетона γ
= 400 кг/м3 = 4 кН/м3, толщиной 10 см.
Рис. 3. Эскиз поперечника здания при шаге колонн
12 м
Покрытие из плит размером 3х12 м
марки
.
В качестве ригеля рамы принимаем
железобетонную двускатную балку покрытия 1Б8-12-4.
Железобетонная предварительно
напряженная подкрановая балка БКНВ-12-2 высотой 1,4 м.
Крайние колонны сплошные
прямоугольного сечения марки 4КК84, привязка крайних колонн к разбивочным осям
составляет 250 мм.
Средние колонны марки 8КК84.
Фундаменты под колонны стаканного
типа.
Стеновые панели длиной 12 м и
опираются на фундаментные балки.
В связи с тем, что длина здания
составляет 84 м, назначаем один температурно-усадочный шов. В середине
температурных блоков устанавливаем продольные вертикальные связи по колоннам.
Таблица 1
|
Шаг
колонн, м
|
Марка
элемента и его наименование
|
Расход
на 1 элемент
|
Количество
элементов, шт.
|
Расход
|
Расход
на единицу площади пола
|
Стоимость
|
|
|
|
|
на
все элементы
|
|
|
|
|
бетона,
м3
|
стали,
кг
|
|
бетона,
м3
|
стали,
кг
|
бетона,
м3/м2
|
стали,
кг/м2
|
руб./м3
|
общая,
р.
|
|
6
|
Колонны
крайние 2КК84
|
2,00
|
211,00
|
32
|
64,00
|
6752
|
0,03
|
3,35
|
2830,00
|
181120
|
|
Колонны
средние 6 кк84
|
2,80
|
259,70
|
16
|
44,80
|
4155,20
|
0,02
|
2,06
|
2830,00
|
126784
|
|
Колонны
фахверковые
|
1,49
|
102,00
|
10
|
14,90
|
1020,00
|
0,01
|
0,51
|
2830,00
|
42167,00
|
|
Балка
1Б 8-12-4
|
1,86
|
348,00
|
32
|
59,52
|
11136,00
|
0,03
|
5,52
|
2720,00
|
161894,40
|
|
Подкрановые
балки
|
1,32
|
191,70
|
56
|
73,92
|
10735,20
|
0,04
|
5,33
|
2830,00
|
209193,60
|
|
Панели
покрытия ПIА-V 3х6
|
1,07
|
64,10
|
112,00
|
119,84
|
7179,20
|
0,06
|
3,56
|
2720,00
|
304640
|
|
Стеновые
панели ПС600.18-Т-11 ПС600.12-Т-11
|
0,75
0,49
|
81,20
61,30
|
124
36
|
110,64
|
12275,60
|
0,05
|
6,09
|
2560,00
|
317440
|
|
Итого
при шаге 6 м
|
|
|
|
487,62
|
53253,20
|
0,24
|
26,42
|
|
1343239
|
|
12
|
Колонны
крайние 4КК84
|
2,70
|
284
|
18,00
|
48,60
|
5112,00
|
0,02
|
2,54
|
2830,00
|
137538
|
|
Колонны
средние 8 кк84
|
3,00
|
249,70
|
9,00
|
27,00
|
2247,30
|
0,01
|
1,11
|
2830,00
|
76410
|
|
Колонны
фахверковые
|
1,49
|
102
|
4,00
|
5,96
|
408,00
|
0,00
|
0,20
|
2830,00
|
16866,80
|
|
Балка
1Б 8-12-4
|
1,86
|
348
|
18,00
|
33,48
|
6264,00
|
0,02
|
3,11
|
2720,00
|
91065,60
|
|
Подкрановые
балки
|
4,10
|
802
|
28,00
|
114,80
|
22456,00
|
0,06
|
11,14
|
2830,00
|
324884
|
|
Панели
покрытия ПIА-V 3х12
|
2,50
|
173,70
|
56,00
|
140,00
|
9727,20
|
0,07
|
4,83
|
2720,00
|
152320
|
|
Стеновые
панели ПСЖВ-1-3 1,8х12 ПСЖВ-1-2 1,2х12
|
1,49
1,22
|
109,50
101,20
|
62
18
|
114,34
|
8610,60
|
0,06
|
4,27
|
2560,00
|
158720
|
|
Итого
при шаге 12 м
|
|
|
|
484,18
|
54825,10
|
0,24
|
27,19
|
|
957804,40
|
.3 Статический расчет поперечной
рамы
1.3.1 Определение нагрузок
Постоянные нагрузки:
а) Собственный вес 1 м2 покрытия:
Таблица
2
|
Наименование
элементов конструкции
|
Нормативная
нагрузка qn,
Н/м2
|
Коэффициент
надежности по нагрузке gf
|
Расчетная
нагрузка q, Н/м2
|
|
Железобетонные
крупнопанельные плиты покрытия с заливкой швов
|
2020
|
1,1
|
2222
|
|
Обмазочная
пароизоляция
|
50
|
1,3
|
65
|
|
Утеплитель
0,1´400
|
400
|
1,3
|
520
|
|
Асфальтовая
стяжка 2 см
|
350
|
1,3
|
455
|
|
Рулонный
ковер
|
150
|
1,3
|
195
|
|
Итого
|
2970
|
|
3457
|
б) Расчетная нагрузка, передаваемая фермой
покрытия на крайнюю колонну:
,
где Gbn = 4,7 т*9,81
= 46,11 кН - собственный вес фермы;
γn = 0,95 -
коэффициент надежности по назначению (СНиП 2.01.07-85 табл.1);
l1 = 12 м -
пролет поперечной рамы;
l2 = 12 м -
шаг колонн.
.
Расчетная нагрузка, передаваемая
балками покрытия на среднюю колонну:
в) Расчетная нагрузка от
собственного веса подкрановой балки и веса подкранового пути на колонну:
кН,
где Gcb,n = 107 кН -
собственный вес подкрановой балки;
,5 кН/ м - вес подкранового пути.
= 1,1 - коэффициент надежности по
нагрузке (СНиП 2.01.07-85 табл. 1);
г) Расчетная нагрузка
от собственного веса колонн:
Крайняя колонна, надкрановая часть:
кН;
где bh1 = 0,5х0,6 м
- сечение верхней части колонны;
H1 = 3,9 м -
высота надкрановой части колонны;
γ = 25 кН/ м3
- удельный вес железобетона;
Крайняя колонна, подкрановая часть:
кН,
где h2 = 0,7 м
Н2 = 4,65 м;
γ = 25 кН/ м3
- удельный вес железобетона;
Средняя колонна, надкрановая часть:
Средняя колонна, подкрановая часть:
д) Нагрузка от собственного веса
самонесущих стен передается в данном случае через фундаментные балки на
фундаменты, не оказывая существенного влияния на колонны.
Временные (кратковременно
действующие) нагрузки:
а) Снеговая нагрузка:
Для расчета колонн распределение
снеговой нагрузки по покрытию принимается равномерным. Расчетная снеговая нагрузка
на 1 м2 площади покрытия
кН/м2,
где
= 1,8 кН/м2 - вес
снегового покрова для III района строительства;
= 1 - коэффициент.
Расчетная нагрузка от снега:
на крайнюю колонну
кН;
на среднюю колонну
кН
б) Вертикальная нагрузка от кранов:
Для заданного мостового электрического крана
грузоподъемностью Q = 100 (ГОСТ
3332-54) пролет крана L
= 11 м, ширина крана B
= 6,3 м, база крана k = 4,4 м,
наибольшее нормативное давление колеса на подкрановый рельс Nn,max
= 115 кН, общий вес крана G
= 175 кН, вес тележки Gt
= 40 кН.
кН,
Где m = 2 - число
колес на одной стороне крана.
Расчетные максимальное и минимальное
давления на колонну от двух сближенных кранов определяются по линии влияния
давления на колонну (рис. 4):
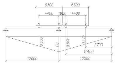
Рис. 4. Определение усилий от кранов по линиям
влияния
кН
y
= 0,85 - коэффициент сочетания для двух сближенных кранов среднего режима
работы.
Расчетная горизонтальная нагрузка от
поперечного торможения крана с гибким подвесом груза:
кН,
Где 0,05 - коэффициент для кранов с
гибким подвесом груза (СНиП 2.01.07-85 п.4,4);
Gт = 40 кН -
вес тележки крана.
Горизонтальная нагрузка на колонну
от поперечного торможения двух сближенных кранов:
кН
г) Горизонтальная ветровая нагрузка:
Нормативное значение статической
составляющей ветровой нагрузки рассчитывается по уравнению
,
где
- скоростной напор, принимаемый для
II района
строительства, равный 30 кгс/м2 = 300 Н/м2;
с - аэродинамический коэффициент,
принимаемый с наветренной стороны
, с подветренной, в зависимости от
отношений
и
, значение с
принимается равным
, где b - длина
здания; l - ширина; h -высота
вертикальной части стены);
k -
коэффициент, учитывающий изменение ветрового давления по высоте. Для типа
местности А на высоте 5 м k = 0,75, на высоте 10 м - k = 1,0, на
высоте 20 м - k = 1,25; для
промежуточных высот значение k определяется линейной
интерполяцией.
В учебном проекте можно принять
некоторые упрощения: до 10 м значение коэффициента k принимается
равным средней линии трапеции, основаниями которой являются коэффициенты от
уровня поверхности земли и до высоты 10 м.
Таким образом, от земли и до высоты
10 м
, что даст
погрешность в пределах 3 %.
В моем случае высота здания +10.2 м,
а отметка верха колонны +8.4 м.
Среднее значение увеличения нагрузок
на участке высотой 10.2 - 10 м
Расчетная ветровая нагрузка на
каждую из колонн крайнего ряда, расположенных с шагом 12 м, с наветренной
стороны:
1) Равномерно распределенная в пределах высоты
колонны:
Н/м
2) Сосредоточенная ветровая нагрузка,
действующая на стену выше верха колонны на участке от 8,4 м до 10 м
3) Сосредоточенная ветровая нагрузка,
действующая на стену выше верха колонны на участке от 10 м до 10,2 м:
Суммарная сосредоточенная ветровая
нагрузка в уровне верха колонн:
W1 = W1/+ W/,
С заветренной стороны:
1) Равномерно распределенная нагрузка в пределах
высоты колонны:
2) Суммарная сосредоточенная ветровая нагрузка
на уровне верха колонны:
кН
Учитывая, что в поперечной раме
ригель в продольном направлении условно принимается абсолютно жестким, можно
действие сосредоточенных сил с наветренной и заветренной сторон здания принять
как действие суммы этих сил, приложенных с наветренной стороны
кН
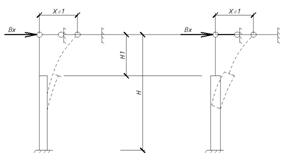
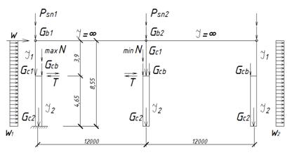
.3.2 Определение усилий в стойках
рамы
При определении усилий
рассматривается поперечный ряд колонн (стоек), соединенных шарнирно с балками
(фермами, арками) и жестко защемленных в уровне обреза фундамента. Стропильные
балки (фермы, арки) являются ригелями рамы, которые ввиду большой продольной
жесткости создают равные перемещения всех стоек рамы при любых воздействиях
внешней нагрузки.
Расчетная схема рамы приведена на
рис. 5. Для каждого вида загружения составляется каноническое уравнение метода
перемещений, из которого находится величина перемещения D, после чего определяется
значение упругой реакции на уровне верха каждой стойки.
Каноническое уравнение, отрицающее
наличие реакции в горизонтальном стержне фиктивной связи, имеет следующий вид:
(1)
где
- сумма реакций верха всех колонн от
данного вида загружения рамы;
Х - искомое горизонтальное
перемещение рамы на уровне верха колонны;
r11 = 2Bx - сумма
рекций верха всех колонн от перемещения Х = 1;
ξ - коэффициент, учитывающий
пространственную работу рамы при воздействии крановой нагрузки (ξ = 3,4 при
шаге рам 12 м).
Из уравнения (1) находим величину Х
для каждого вида загружения, после чего определяем значение упругой реакции на
уровне верха каждой стойки по формуле
(2)
Рис. 5. Схема приложения нагрузок и
расчетная схема поперечной рамы
кН;
кН;
кН;
кН;
кН;
кН;
кН;
кН;
кН;
кН;
Т = 9,2 кН; Т = 9,2 кН;
кН;
кН/м;
кН/м; Nmax = 301,2 кН;
Nmin = 58,94 кН.
Далее прикладываем к стойке нагрузку
и реакцию B1l от этой
нагрузки, находим внутренние усилия в сечениях стойки, как в консольной балке.
Принимаем четыре расчетных сечения
по длине колонны:
I-I у верха
колонны;
II-II -
непосредственно над крановой консолью;
III-III -
непосредственно под крановой консолью;
IV-IV - у
верхнего обреза фундамента.
При расчете рамы принимаем следующие
правила знаков:
· силовая реакция, направленная вправо,
положительна;
· изгибающий момент, вызывающий
растягивающие усилия в левых волокнах стоек, положительный;
· поперечная сила положительна, если
она будет вращать стойки у заделки с однозначной эпюрой изгибающего момента,
принимаемого за нагрузку.
Определение реакций верха колонн от единичного
смещения Х = 1. Для крайней стойки реакцию Вх от смещения Х находим по формуле:
(3)
где
(4)
Рис. 6. Схема усилий в стойках рамы
Eb - начальный
модуль упругости бетона стоек;
H - высота
стойки от уровня верха фундамента;
α = H1/H - отношение
длины надкрановой части колонны к полной высоте;
I1 и I2 - моменты
инерции соответственно надкрановой и подкрановой частей колонны.
Для крайнего ряда (см. рис.3, 5)
H1
= 3,9
м;
H = 8,55 м;
α = 3,9/8,55 = 0,456;
α3 = 0,0948;
Считая условно, что жесткость
надкрановой части колонны
, будем
иметь приведенную жесткость подкрановой части
= 1,59.
По формуле (3) реакция Вх, условно
уменьшенная в
раз, будет
Для средней стойки реакция Вх и
значение коэффициента от смещения Х = 1 определяется также.
H1
= 3,9
м;
H = 8,55 м;
α = 3,9/8,55 = 0,456;
α3 = 0,0948;
.
Суммарная реакция
.
С учетом пространственной работы
каркаса здания при действии крановых нагрузок
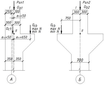
Определение расчетных усилий в
сечениях колонны от постоянной и временной нагрузок
Определение расчетных усилий в
сечениях колонн от постоянной нагрузки Gb1, Gb2, Gcb.
Изгибающий момент от эксцентричного
приложения нагрузки в колонне крайнего ряда (по оси А) в точке I.
То же в точке II
В колонне среднего ряда (по оси Б)
изгибающие моменты от постоянной и снеговой нагрузок не возникают вследствие
симметричности поперечной рамы.
Упругие реакции на уровне верха
колонн:
) от изгибающего момента
Для колонны по оси А реакция
верхнего
конца колонны сплошного сечения определяется по формуле (2)
Для колонны по оси В
. Колонна по
оси Б загружена центрально и для нее
0. Суммарная реакция связей в
основной системе
Окончательно из уравнения (2)
упругая реакция
, где знак
«-» для колонны по оси А, знак «+» для колонны по оси В.
) От изгибающего момента
Реакция
верхнего
конца колонны по осям А и В определяется по формуле (3):
а б
Рис. 7. Схема приложения вертикальных нагрузок:
а - на колонну по оси А, б - на колонну по оси Б
Для колонны по оси В
Упругая реакция
. Суммарная
упругая реакция верха крайней колонны от воздействия М1 и М2.
.
Расчетные усилия от постоянной
нагрузки
В сечениях колонны по оси А
;
;
;
;
;
;
;
;
(для всех сечений колонны).
В сечениях колонны по оси Б
;
;
;
;
;
Определение расчетных усилий в
сечениях колонны от снеговой нагрузки Psn.
Изгибающий момент от эксцентричного
приложения нагрузки в колонне крайнего ряда (по оси А) в точке I (см. рис.
7).
В точке II
В колонне по оси Б моменты равны 0.
Упругие реакции на уровне верха
колонн. Усилия на колонну от снеговой нагрузки передаются в той же точке, что и
усилия от постоянной нагрузки (при самонесущих стенах), поэтому упругую реакцию
можно определить из соотношения моментов
.
Расчетные усилия от снеговой
нагрузки Psn (см. рис.
5).
В сечениях колонны по оси А
;
;
;
;
;
В сечениях колонны по оси Б
;
Определение расчетных усилий в
сечениях колонны от вертикальных крановых нагрузок Nmax, Nmin.
В колонне по оси А.
В колонне по оси Б при расположении
кранов в одном левом пролете.
1) Упругие реакции на уровне верха колонн.
На колонне по оси А.
На колонне по оси Б
Для колонны по оси А
определяется
по формуле (3) прил.2:
Для колонны по оси Б (формула 3
прил.2 )
Суммарная реакция в основной системе
С учетом пространственной работы
каркаса каноническое уравнение имеет вид
,07344Х-20 = 0;
Х = 20/0,07344 = 272,3кН.
Упругая реакция колонны по оси А
Упругая реакция колонны по оси Б
Упругая реакция колонны по оси В
Расчетные усилия от вертикальной
крановой нагрузки (см.рис.5).
В сечениях колонны по оси А
;
;
;
;
;
(во всех сечениях колонны).
В сечениях колонны по оси Б
;
;
;
;
;
(во всех сечениях колонны).
В сечениях колонны по оси В
;
;
;
;
2) На колонне по оси А.
На колонне по оси Б
Для колонны по оси А
Для колонны по оси Б
Суммарная реакция в основной системе
С учетом пространственной работы
каркаса каноническое уравнение имеет вид
,07344Х+24,7 = 0;
Х = - 24,7/0,07344 = - 336,3кН
Упругая реакция колонны по оси А
Упругая реакция колонны по оси Б
Упругая реакция колонны по оси В
Расчетные усилия от вертикальной
крановой нагрузки (см. рис. 5)
В сечениях колонны по оси А
;
;
;
;
;
В сечениях колонны по оси Б
;
;
;
;
;
В сечениях колонны по оси В
;
;
;
;
(во всех сечениях колонны).
Определение усилий в сечениях колонн
от горизонтальных крановых нагрузок Т.
Тормозная сила действует на колонны
по осям А и Б:
А) тормозная сила Т = 9,2 кН
приложена к колонне по оси А.
Опорная реакция Bt для колонны
по оси А вычисляется по формуле (5) прил.2, при этом Bt = B1n.
С учетом пространственной работы
каркаса каноническое уравнение имеет вид
,07344Х+4,7 = 0;
Х = - 4,7/0,07344 = - 64,0 кН
Упругая реакция колонны по оси А
Упругая реакция колонны по оси Б
Упругая реакция колонны по оси В
Расчетные усилия от горизонтальной
крановой нагрузки (см. рис. 5)
В сечениях колонны по оси А
;
;
;
;
В сечениях колонны по оси Б
;
;
;
;
(во всех сечениях).
Б) тормозная сила Т = 9,2кН
приложена к колонне по оси Б.
Опорная реакция Bt для колонны
по оси Б вычисляется по формуле (5) прил.2, при этом Bt = B1n.
С учетом пространственной работы
каркаса каноническое уравнение имеет вид
,07344Х-4,7 = 0;
Х = 4,7/0,07344 = 64,0 кН .
Упругая реакция колонны по оси Б
Упругая реакция колонны по осям А и
В
Расчетные усилия от горизонтальной
крановой нагрузки (см. рис. 5)
В сечениях колонны по осям А и В
;
;
;
;
.
В сечениях колонны по оси Б
;
;
;
;
.
Определение расчетных усилий в
сечениях колонн от ветровой нагрузки.
Ветровая нагрузка действует слева
направо:
кН/м;
кН/м;
W = 2,443 кН
Реакция колонны по оси А от
равномерно распределенной нагрузки ω1 определяется
по формуле (4) прил.2
Реакция колонны по оси В от
равномерно распределенной нагрузки ω2
Реакция связи от сосредоточенной
силы W = 2,443 кН.
Суммарная реакция в основной системе
Каноническое уравнение имеет вид
,0216Х-10 = 0
Х = 10/0,0216 = 463кН.
Результирующее упругое давление на
уровне верха колонны по оси А
Результирующее упругое давление на
уровне верха колонны по оси В
Результирующее упругое давление на
уровне верха колонны по оси Б
Расчетные усилия от ветровой
нагрузки
В сечениях колонны по оси А
;
;
;
;
.
В сечениях колонны по оси Б
;
;
;
;
В сечениях колонны по оси В
;
;
;
;
При действии ветровой нагрузки
справа налево усилия в стойках по осям А, Б, В равны соответственно усилиям в
стойках по осям В, Б, А с отрицательным знаком.
1.3.3 Сочетания нагрузок и
соответствующие им усилия в сечениях колонны
Расчетные усилия воздействия
различных нагрузок в сечениях колонны поперечной рамы сводим в табл. 3 и
определяем основные сочетания нагрузок I и II групп.
В основное сочетание нагрузок I группы
включаем постоянную нагрузку (загружение 1) и одну из кратковременных, величину
которой принимаем без снижения (γс = 1). Вертикальные и
горизонтадбные крановые нагрузки считаем за одну кратковременную.
Для колонны по оси Б предусматриваем
одновременное кратковременное воздействие четырех кранов (два в левом пролете,
два - в правом пролете), для чего полученные расчетные усилия от двух
сближенных кранов удваиваем и умножаем на усредненный коэффициент сочетаний
(ранее в п. 1.2.1 мы учитывали γс = 0,85 для
двух кранов легкого и среднего режима работы; при учете четырех таких кранов
принимается γс = 0,7).
В основное сочетание нагрузок II группы
включаем постоянную нагрузку и две или более кратковременные нагрузки, величины
которых умножаем на γс = 0,9. В
таблице 3 для колонны по оси Б верхние знаки отвечают загружению левого
пролета, нижние - правого.
Исходя из сочетаний нагрузок табл.3
для расчета колонн выбираем невыгодные комбинации усилий в каждом сечении: 1-ю
комбинацию усилий - наибольший положительный изгибающий момент и соответсвующую
ему продольную силу; 2-ю комбинацию усилий - Мmin и
соответствующую N; 3-ю комбинацию усилий - Nmax и
соответствующий M.
конструктивный каркас
нагрузка фундамент
Таблица
3
Сочетания нагрузок и соответствующие им усилия М
(кН×м),
N (кН), Q
(кН)
|
Номер
нагружения
|
Вид
нагрузки
|
Эпюры
моментов
|
Усилия
в сечениях колонны по оси А
|
Усилия
в сечениях колонны по оси Б
|
|
|
|
I-I
|
II-II
|
III-III
|
IV-IV
|
I-I
|
II-II
|
III-III
|
IV-IV
|
|
|
|
M
|
N
|
M
|
N
|
M
|
N
|
M
|
N
|
Q
|
M
|
M
|
N
|
M
|
N
|
Q
|
M
|
N
|
Q
|
|
1
|
Постоянная
|
|
12,9
|
258,4
|
-
32,7
|
289
|
37,7
|
419,6
|
-
16,7
|
466,5
|
-
11,71
|
0
|
516,8
|
0
|
547,4
|
0
|
808,6
|
0
|
0
|
859,1
|
0
|
|
2
|
Снеговая
|
|
6,2
|
123,1
|
4,8
|
123,1
|
-
1,4
|
123,1
|
-
3,1
|
123,1
|
-
0,36
|
0
|
246,2
|
0
|
246,2
|
0
|
246,2
|
0
|
0
|
246,2
|
0
|
|
3
|
Крановая
|
Nmax
по
оси А
|
|
0
|
0
|
-
92,8
|
0
|
103
|
301,2
|
-
7,7
|
301,2
|
-
23,8
|
0
|
0
|
±
30,4
|
0
|
13,8
|
58,9
|
7,8
|
±
22,5
|
58,9
|
±
7,8
|
|
4
|
|
Nmax
по
оси Б
|
|
0
|
0
|
-
28,9
|
0
|
9,4
|
58,9
|
-
25
|
58,9
|
-
7,4
|
0
|
0
|
±
106,5
|
0
|
119,4
|
301,2
|
±
27,3
|
7,5
|
301,2
|
±
27,3
|
|
5
|
|
Т
на колонне по оси А
|
|
0
|
0
|
±
6,3
|
0
|
±
6,3
|
0
|
17
|
0
|
5,0
|
0
|
0
|
1,8
|
0
|
1,8
|
0
|
0,46
|
3,9
|
0
|
0,46
|
|
6
|
|
Т
на колонне по оси Б
|
|
0
|
0
|
1,8
|
0
|
1,8
|
0
|
3,9
|
0
|
0,46
|
0
|
0
|
6,3
|
0
|
6,3
|
0
|
±
5,0
|
±
17
|
0
|
±
5,0
|
|
7
|
Ветровая
|
Ветер
слева
|
|
0
|
0
|
6,0
|
0
|
6,0
|
0
|
43
|
0
|
11,5
|
0
|
0
|
12,9
|
0
|
12,9
|
0
|
3,3
|
28,2
|
0
|
3,3
|
|
8
|
|
Ветер
справа
|
|
0
|
0
|
-
3,6
|
0
|
-
3,6
|
0
|
-
30,3
|
0
|
-
7,1
|
0
|
0
|
-
-12,9
|
0
|
-
12,9
|
0
|
-
3,3
|
-
28,2
|
0
|
-
3,3
|
|
Основные
сочетания I группы
|
|
Mmax и
соответствующие N
и Q
|
1+219,1
|
381,5
|
1+2 -27,9
|
412,1
|
1+3+5 147
|
720,8
|
1+7 26,3
|
466,5
|
-0,21
|
|
|
1+4+6
112,8
|
547,4
|
1+4+6125,7
|
1109,8
|
32,3
|
1+4+624,5
|
1160,3
|
32,3
|
|
|
Mmin и
соответствующие N
и Q
|
|
|
1+3+5-
131,8
|
289
|
|
|
1+8
- 20,7
|
466,5
|
0,21
|
|
|
1+4+6
-112,8
|
547,4
|
1+4+6-125,7
|
1109,8
|
-32,3
|
1+4+6-24,5
|
1160,3
|
-
32,3
|
|
|
Nmax и
соответствующие M
и Q
|
|
|
|
|
|
|
-
41,4
|
1+3+5 767,7
|
-
40,51
|
|
|
|
|
|
|
|
|
|
|
|
|
|
|
|
|
|
|
|
|
|
|
|
|
|
|
|
|
|
|
|
|
|
|
|
|
Номер
нагружения
|
Вид
нагрузки
|
Усилия
в сечениях колонны по оси А
|
Усилия
в сечениях колонны по оси Б
|
|
|
I-I
|
II-II
|
III-III
|
IV-IV
|
I-I
|
II-II
|
III-III
|
IV-IV
|
|
|
M
|
N
|
M
|
N
|
M
|
N
|
M
|
N
|
Q
|
M
|
N
|
M
|
N
|
M
|
N
|
Q
|
M
|
N
|
Q
|
|
Основные
сочетания II группы
|
Mmax
и соответствующие
|
|
|
1+(2+7)
0,9
|
1+(3+5+7)
0,9
|
1+(3+5+7)
0,9
|
|
|
1+(4+6+7)
0,9
|
1+(4+6+7)
0,9
|
1+(4+6+7)
0,9
|
|
N
и Q
|
|
|
-23,0
|
399,8
|
141,5
|
690,7
|
30,4
|
737,6
|
-
27,3
|
|
|
113,1
|
547,4
|
124,7
|
1079,7
|
32,0
|
47,4
|
1130,2
|
32,0
|
|
Mmin
и соответствующие
|
|
|
1+(3+5+8)
0,9
|
|
|
|
|
|
|
|
1+(4+6+8)
0,9
|
1+(4+6+8)
0,9
|
1+(4+6+8)
0,9
|
|
N
и Q
|
|
|
-
147,3
|
289
|
|
|
|
|
|
|
|
-
113,1
|
547,4
|
-
124,7
|
1079,7
|
-
32,0
|
-
47,4
|
1130,2
|
-
32,0
|
|
Nmax
и соответствующие
|
|
|
|
|
1+(2+3+5+7)
0,9
|
1+(2+3+5+8)
0,9
|
|
|
1+(2+4+6+8)
0,9
|
1+[2+(4+4+6+6)
×0,832+7(8)]
0,9
|
|
M
и Q
|
|
|
|
|
140,3
|
801,5
|
-
69,0
|
848,4
|
-
44,3
|
|
|
±
113,1
|
769,0
|
197,8
|
1476,4
|
50,8
|
±
61,7
|
1526,9
|
±50,8
|
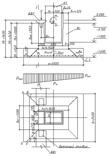
. Расчет колонн
.1 Подбор площади сечения арматуры
для колонны по оси А
Колонна К1 по оси А имеет прямоугольный профиль
и сплошное сечение.
2.1.1 Исходные данные для расчета
Бетон тяжелый класса В15, подвергнутый тепловой
обработке при атмосферном давлении
МПа;
МПа (СНиП 2.03.01-84, табл.13);
МПа (СНиП 2.03.01-84, табл.18)
Арматура класса А400 d> 10 мм:
Rs = Rsc = 365 МПа
(СНиП 2.03.01-84, табл.22),
Еs = 20
104 МПа (СНиП
2.03.01-84, табл.29).
.1.2 Надкрановая часть колонны
Ширина сечения b = 50 см,
высота h = 60 см,
а = а/ = 4 см,
полезная высота сечения: h0 = h- a = 60- 4 =
56 см.
Подбор сечения арматуры произведу по
наибольшим расчетным усилиям в сечении II - II, в котором
наиболее опасными являются комбинации усилий, приведенные в таблице 4 :
Таблица
4
|
Усилия
|
Комбинации
усилий
|
|
II (Mmin)
|
III (Nmax)
|
|
М,
кН м
|
-147,3
|
-27,9
|
|
N, кН
|
289
|
412,1
|
Комбинация усилий IIa
(Mmin)
Расчетная длина надкрановой части колонны:
l0 = 2 H1 = 2
3,9 = 7,8 м (СНиП 2.03.01-84,
табл.32).
В комбинации расчетных усилий
учитывается крановая нагрузка:
i = √h2/
12 = √602/ 12 = 17,32 см;
λ = l0/
i = 780/ 17,32 = 45,03> 14 (СНиП 2.03.01-84, п.3.3),
следовательно, необходимо учесть
влияние прогиба элемента на его прочность.
Условная критическая сила:
(СНиП 2.03.01-84, ф.58)
Рис. 8. Схема усилий в надкрановой
части колонны
Ориентировочно назначаю коэффициент
армирования μ = 0,004.
Эксцентриситет центра тяжести
приведенного сечения:
,
(СНиП 2.03.01-84, п.3.2, 1.21),
следовательно, случайный
эксцентриситет в расчете не учитываю.
(СНиП 2.03.01-84, 1.21), где
β = 1 - коэффициент,
принимаемый по табл. 30 СНиП 2.03.01-84;
момент относительно растянутой или
наименее сжатой грани сечения, создаваемый длительно действующей частью силы N от
постоянных и временных длительных нагрузок;
- момент относительно растянутой
или наименее сжатой грани сечения, создаваемый силой N;
δe
= е0/ h = 51/ 60 =
0,85 (СНиП 2.03.01-84, п.3.6), но не менее
δe.min
= 0,5- 0,01* (l0/ h)- 0,01* Rb* γb2
=
= 0,5- 0,01* (780/ 60)- 0,01* 8,5*
1,1 = 0,28.
Принимаю
δe
= 0,85.
φp = 1 -
коэффициент, учитывающий влияние предварительного напряжения арматуры на
жесткость элемента;
Коэффициент, учитывающий влияние
прогиба на значение эксцентриситета продольного усилия:
(СНиП
2.03.01-84, ф.19).
Расстояние от точки приложения
продольной силы до равнодействующей усилия растянутой арматуре:
е = е0
η+ 0,5
h- a = 51,0
1,05+ 0,5
60- 4 = 79,6см.
При условии, что Аs = As/, высота
сжатой зоны:
X = N/ (γb2
Rb
b) = 289
1000/ (1,1
8,5
100
50) = 6,2 см.
Относительная высота сжатой зоны:
ξ = X/
h0
= 6,2/ 56 = 0,11
(СНиП 2.03.01-84, п.3.16).
Граничное значение относительной высоты сжатой
зоны бетона:
(СНиП 2.03.01-84, ф.25),
где ω - характеристика
сжатой зоны бетона,
ω = α- 0,008
Rb = 0,85-
0,008
8,5 = 0,782 (СНиП 2.03.01-84,
ф.26);
σsc.u = 400 МПа;
σsR = Rs = 365 МПа;
ξ = 0,11< ξR = 0,62
(СНиП 2.03.01-84, п.3.20);
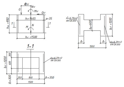
Принимаю 3Ø16 с Аs = 6,03 см2.
Поперечная арматура
мм,
мм.
.1.3 Подкрановая часть колонны
Подбор сечения арматуры буду
производить по наибольшим расчетным усилиям в сечении IV - IV.
Размеры подкрановой части колонны:
b = 50 см; h = 70 см; а
= а/ = 4 см; h0 = 66 см.
В сечении IV-IV действуют
комбинации усилий, представленные в таблице:
Таблица
5
|
Усилия
|
Комбинации
усилий
|
|
Iа (Mmax)
|
IIa (Mmin)
|
IIIa (Nmax)
|
|
М,
кН
м
|
30,4
|
-69
|
-69
|
|
N, кН
|
737,6
|
848,4
|
848,4
|
Во все комбинации усилий входит крановая
нагрузка, поэтому Rb
берется с коэффициентом γb2
= 1,1.
Усилия от длительно действующей нагрузки:
Ml
= -16,7 кН м;
Nl
= 466,5 кН.
Расчетная длина подкрановой части колонны:
l0 = 1,5* H1 = 1,5
4,65 = 6,975 м (СНиП
2.03.01-84, табл.32).
i = √h2/
12 = √702/ 12 = 20,21 см;
λ = l0/
i = 697,5/ 20,21 = 34,5 > 14 (СНиП 2.03.01-84,
п.3.3),
следовательно, необходимо учесть
влияние прогиба элемента на его прочность.
Условная критическая сила:
(СНиП 2.03.01-84, ф.58).
Ориентировочно назначаю коэффициент
армирования μ = 0,004.
Эксцентриситет центра тяжести приведенного
сечения:
,
(СНиП 2.03.01-84, п.3.2, 1.21),
следовательно, случайный
эксцентриситет в расчете не учитываю.
(СНиП 2.03.01-84, 1.21), где
β = 1 - коэффициент,
принимаемый по табл. 30 СНиП 2.03.01-84;
момент относительно растянутой или
наименее сжатой грани сечения, создаваемый длительно действующей частью силы N от
постоянных и временных длительных нагрузок;
- момент относительно растянутой
или наименее сжатой грани сечения, создаваемый силой N;
δe = е0/
h = 8/ 70 = 0,11
(СНиП 2.03.01-84, п.3.6), но не менее
δe.min = 0,5-
0,01* (е0/ h)- 0,01* Rb* γb2 =
= 0,5- 0,01* (8/ 70)- 0,01* 8,5* 1,1
= 0,5.
Принимаю
δe
= 0,5.
φp = 1 -
коэффициент, учитывающий влияние предварительного напряжения арматуры на
жесткость элемента;
Коэффициент, учитывающий влияние
прогиба на значение эксцентриситета продольного усилия:
(СНиП 2.03.01-84,
ф.19).
Расстояние от точки приложения
продольной силы до равнодействующей усилия растянутой арматуре:
е = е0
η+ 0,5
h- a = 8
1,08+ 0,5
70- 4 = 39,6 см.
При условии, что Аs = As/, высота
сжатой зоны:
X = N/ (γb2
Rb
b) = 848,4
1000/ (1,1
8,5
100
50) = 18,15 см.
Относительная высота сжатой зоны:
ξ = X/ h0 = 18,15/ 66
= 0,27 (СНиП 2.03.01-84, п.3.16).
Граничное значение относительной
высоты сжатой зоны бетона:
(СНиП 2.03.01-84, ф.25),
где ω - характеристика
сжатой зоны бетона,
ω = α- 0,008
Rb = 0,85-
0,008
8,5 = 0,782 (СНиП 2.03.01-84,
ф.26);
σsc.u = 400 МПа;
σsR = Rs = 365 МПа;
ξ = 0,27< ξR = 0,62
(СНиП 2.03.01-84, п.3.20);
Принимаю 3Ø18 А400 с Аs = 7,63 см2.
Поперечная арматура
мм,
мм.
Расчет колонны в плоскости,
перпендикулярной к плоскости изгиба, не производим, так как
,
где
.
2.1.4 Расчет на усилия, возникающие
при транспортировании и монтаже
Под влиянием собственного веса и сил
инерции в момент подъема колонны при монтаже и транспортировке в ней возникают
изгибающие моменты.
Изгибающий момент в опасном сечении
а - а:
,
где γ = 25 кН/ м3
- удельный вес железобетона;
kдин = 1,6 -
коэффициент динамичности (СНиП 2.03.01-84, п.1.13);
Рис. 9. Эпюра изгибающих моментов
при монтаже колонны
Требуемое количество арматуры в
сечении II-II при изгибе
в плоскости грани h (при γb2 = 0,9)
(СНиП 2.03.01-84, табл. 15)
X = N/ (γb2
Rb
b) = 289
1000/ (0,9
8,5
100
50) = 7,6 см
Относительная высота сжатой зоны:
ξ = X/ h0 = 7,6/ 56 =
0,14 (СНиП 2.03.01-84, п.3.16)
η = 0,93;
Принимаю 3Ø16А400 с Аs = 6,03 см2
2.1.5 Расчет подкрановой консоли
Размеры консоли показаны на рисунке
10.
Достаточность этих размеров
проверяем из условия:
Qc≤ 0,8φω2
Rb
b
lb
sinθ (СНиП
2.03.01-84, ф. 85);
lb
= lsup
sinθ (СНиП
2.03.01-84, ф.
85).c
= 0,85
Nmax+ Gcb = 0,85
301,2+130,6 = 386,62кН.
Размеры консоли:
h = 1 м; h0 = 0,95 м; h1 = 0,4 м;
l1 = 0,6 м; bb = 0,34 м; а
= 0,3 м; α = 45°.
Проверяем возможность смятия бетона
в месте передачи нагрузки на консоль:
lsup
= Qc/ (γb2
Rb
bb)
= 386,62
103/
(0,9
8,5
106
0,34) = 0,15
м;
σloc
= Qc/ (b
lsup)
= 386,62/ (0,5
0,15) = 5155
кПа
= 5,16 МПа<
8,5 МПа.
Следовательно, прочность бетона на
смятие обеспечена.
Проверяем условие
Q< 3,5
Rbt
b
h0;
,62 кН< 3,5
0,75
50
95 = 12469 кН, т.е. размеры
сечения консоли удовлетворяют условиям прочности на действие поперечной силы.
Проверяем условие
Qc≤ 0,8
φω2
Rb
b
lb
sinθ,
где φω2 = 1+5
α
μω1 = 1+5
8,3
0,006 = 1,25 - коэффициент,
учитывающий влияние хомутов, распложенных по высоте консоли;
b
= lsup
sinθ
= 0,15
0,93 = 0,14 м
= 14см;
tgθ
= h0/ (a+ ½
lsup) = 95/
(30+ ½
15) = 2,5; sinθ
= 0,93;c
= 386,62 кН< 0,8
1,25
8,5
50
14
0,93 = 5533,5кН.
Определяем площадь сечения
продольной рабочей арматуры Аs из условия
прочности на действие изгибающего момента по грани примыкания консоли к
колонне:
Мc = 1,25Qc(а+ 0,8-
0,6) = 1,25
386,62
0,5 = 241,6 кН
м
Принимая во внимание, что в сжатой
зоне консоли имеется большое количество сжатой арматуры, определяю площадь
растянутой арматуры:
Аs = Мс/
(Rs
(h0- а/))
= 241,6
105/ (365
100
(95- 5)) = 7,4см2;
из конструктивного минимума имеем:
Аs = 0,002
bc
h0 = 0,002
50
95 = 9,5 см2.
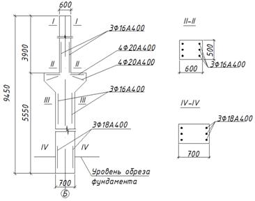
Принимаем продольную арматуру 4Ø18А400 с
фактической Аs = 10,18 см2.
Суммарная площадь отогнутых стержней
и наклонных хомутов, пересекающих верхнюю половину линии длиной l,
соединяющей точки приложения силы Qc и
сопряжение нижней грани консоли и колонны, должна быть не менее:
Аinc, min
= 0,002
bc
h0
= 0,002
50
95 = 9,5 см2.
Принимаем 4Ø18А400 с Аs = 10,18 см2.
Поперечная арматура
мм,
мм.
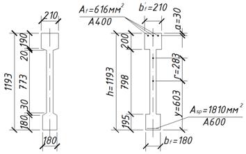
Рис. 10. Схема армирования консоли
Рис. 11. Схема армирования колонны
по оси А
2.2 Подбор площади сечения арматуры
для колонны по оси Б
Колонна К1 по оси Б имеет
прямоугольный профиль и сплошное сечение.
2.2.1 Исходные данные для расчета
Бетон тяжелый класса В15,
подвергнутый тепловой обработке при атмосферном давлении:
Rb = 8,5 МПа,
Rbt = 0,75 МПа
(СНиП 2.03.01-84, табл.13),
Еb = 24
103 МПа (СНиП
2.03.01-84, табл.18).
Арматура класса А400 d> 10 мм:
Rs = Rsc = 365 МПа
(СНиП 2.03.01-84, табл.22),
Еs = 20
104 МПа (СНиП
2.03.01-84, табл.29).
.2.2 Надкрановая часть колонны
Ширина сечения b = 50 см,
Высота h = 60 см,
а = а/ = 4 см,
полезная высота сечения: h0 = h- a = 60- 4 =
56 см.
Подбор сечения арматуры произведу по
наибольшим расчетным усилиям в сечении II-II, в котором
наиболее опасными являются комбинации усилий, приведенные в таблице 4:
Таблица
6
|
Усилия
|
Комбинации
усилий
|
|
IIIа
(Mmin)
|
IIIа
(Nmax)
|
|
М,
кН м
|
-113,1
|
±113,1
|
|
N, кН
|
769
|
769
|
Усилия от длительно действующей нагрузки:
Ml
= 0;
Nl
= 547,4 кН.
Расчетная длина надкрановой части колонны:
l0 = 2 H1 = 2
3,9 = 7,8 м (СНиП 2.03.01-84,
табл. 32)
В комбинации расчетных усилий
учитывается крановая нагрузка:
i = √h2/ 12 = √602/
12 = 17,32 см;
λ = l0/ i = 780/
17,32 = 45,03> 14 (СНиП 2.03.01-84, п.3.3),
следовательно, необходимо учесть
влияние прогиба элемента на его прочность.
Условная критическая сила:
(СНиП 2.03.01-84, ф.58).
Ориентировочно назначаю коэффициент армирования μ
= 0,004.
Эксцентриситет центра тяжести
приведенного сечения:
, (СНиП 2.03.01-84, п.3.2, 1.21),
следовательно, случайный
эксцентриситет в расчете не учитываю.
(СНиП 2.03.01-84, 1.21), где
β = 1 - коэффициент,
принимаемый по табл. 30 СНиП 2.03.01-84;
момент относительно растянутой или
наименее сжатой грани сечения, создаваемый длительно действующей частью силы N от
постоянных и временных длительных нагрузок;
- момент относительно растянутой
или наименее сжатой грани сечения, создаваемый силой N;
δe = е0/
h = 15/ 60 =
0,25 (СНиП 2.03.01-84, п.3.6), но не менее
δe.min
= 0,5- 0,01
(l0/
h)- 0,01
Rb
γb2
= 0,5- 0,01
15/ 60- 0,01
8,5
1,1 = 0,5.
Принимаю δe
= 0,5.
φp = 1 -
коэффициент, учитывающий влияние предварительного напряжения арматуры на
жесткость элемента;
Коэффициент, учитывающий влияние
прогиба на значение эксцентриситета продольного усилия:
(СНиП
2.03.01-84, ф.19).
Расстояние от точки приложения
продольной силы до равнодействующей усилия растянутой арматуре:
е = е0
η+ 0,5
h- a = 15
1,15+ 0,5
60- 4 = 43,3 см.
При условии, что Аs = As/, высота
сжатой зоны:
X = N/ (γb2
Rb
b) = 769
1000/ (1,1
8,5
100
50) = 16,4 см.
Относительная высота сжатой зоны:
ξ = X/ h0 = 16,4/ 56
= 0,29 (СНиП 2.03.01-84, п.3.16).
Граничное значение относительной
высоты сжатой зоны бетона:
(СНиП 2.03.01-84, ф.25),
где ω - характеристика
сжатой зоны бетона,
ω = α- 0,008
Rb = 0,85-
0,008
8,5 = 0,782 (СНиП 2.03.01-84,
ф.26);
σsc.u = 400 МПа;
σsR = Rs = 365 МПа;
ξ = 0,28< ξR = 0,62
(СНиП 2.03.01-84, п.3.20);
Принимаю 3Ø16 А400 с Аs = 6,03см2.
Поперечная арматура
мм,
мм.
2.2.3 Подкрановая часть колонны
Подбор сечения арматуры буду
производить по наибольшим расчетным усилиям в сечении IV-IV. Размеры
подкрановой части колонны:
b = 50 см; h = 70 см; а
= а/ = 4 см; h0 = 66 см.
В сечении IV-IV действуют
комбинации усилий, представленные в таблице:
Таблица
7
|
Усилия
|
Комбинации
усилий
|
|
IIIа (Mmax)
|
IIa (Mmin)
|
III (Nmax)
|
|
М,
кН
м
|
61,7
|
--61,7
|
±61,7
|
|
N, кН
|
1526,9
|
1526,9
|
1526,9
|
Усилия от длительно действующей нагрузки:
Ml
= 0 кН м;
Nl
= 859,1 кН.
Расчетная длина подкрановой части колонны:
l0 = 1,5
H1 = 1,5
4,65 = 6,975 м (СНиП
2.03.01-84, табл.32).
i = √h2/
12 = √702/ 12 = 20,21 см;
λ = l0/
i = 697,5/ 20,21 = 34,5 > 14 (СНиП 2.03.01-84,
п.3.3),
следовательно, необходимо учесть влияние
прогиба элемента на его прочность.
Условная критическая сила:
(СНиП 2.03.01-84, ф.58).
Ориентировочно назначаю коэффициент
армирования μ = 0,004.
Эксцентриситет центра тяжести
приведенного сечения:
,
(СНиП 2.03.01-84, п.3.2, 1.21),
следовательно, случайный
эксцентриситет в расчете не учитываю.
(СНиП 2.03.01-84, 1.21), где
β = 1 - коэффициент,
принимаемый по табл. 30 СНиП 2.03.01-84;
момент относительно растянутой или
наименее сжатой грани сечения, создаваемый длительно действующей частью силы N от
постоянных и временных длительных нагрузок;
- момент относительно растянутой
или наименее сжатой грани сечения, создаваемый силой N;
δe = е0/
h = 4/ 70 =
0,06 (СНиП 2.03.01-84, п.3.6), но не менее
δe.min = 0,5-
0,01* (е0/ h)- 0,01* Rb* γb2 =
= 0,5- 0,01* (4/ 70)- 0,01* 8,5* 1,1
= -0,04.
Принимаю δe
= 0,06.
φp = 1 -
коэффициент, учитывающий влияние предварительного напряжения арматуры на
жесткость элемента;
Коэффициент, учитывающий влияние
прогиба на значение эксцентриситета продольного усилия:
(СНиП
2.03.01-84, ф.19).
Расстояние от точки приложения
продольной силы до равнодействующей усилия растянутой арматуре:
е = е0
η+ 0,5
h- a = 4
1,06+ 0,5
70- 4 = 32,1 см.
При условии, что Аs = As/, высота
сжатой зоны:
X = N/ (γb2
Rb
b) = 1526,9
1000/ (1,1
8,5
100
50) = 32,7 см.
Относительная высота сжатой зоны:
ξ = X/ h0 = 32,7/ 66
= 0,5 (СНиП 2.03.01-84, п.3.16).
Граничное значение относительной
высоты сжатой зоны бетона:
(СНиП 2.03.01-84, ф.25),
где ω - характеристика
сжатой зоны бетона,
ω = α- 0,008
Rb = 0,85-
0,008
8,5 = 0,782 (СНиП 2.03.01-84,
ф.26);
σsc.u = 400 МПа;
σsR = Rs = 365 МПа;
ξ = 0,45< ξR = 0,62
(СНиП 2.03.01-84, п.3.20);
Следовательно, арматура по расчету
не требуется и берем ее по конструктивным требованиям
Принимаю 3Ø18 А400 с Аs = 7,63 см2.
Поперечная арматура
мм,
мм.
Расчет колонны в плоскости,
перпендикулярной к плоскости изгиба, не производим, так как
,
где
2.2.4 Расчет на усилия, возникающие
при транспортировании и монтаже
Под влиянием собственного веса и сил
инерции в момент подъема колонны при монтаже и транспортировке в ней возникают
изгибающие моменты.
Изгибающий момент в опасном сечении
а - а:
,
где γ = 25 кН/ м3
- удельный вес железобетона;
kдин = 1,6 -
коэффициент динамичности (СНиП 2.03.01-84, п.1.13);
Требуемое количество арматуры в
сечении II - II при изгибе
в плоскости грани h (при γb2 = 0,9)
(СНиП 2.03.01-84, табл. 15).
X = N/ (γb2
Rb
b) = 742,02
1000/ (0,9
8,5
100
50) = 19,4 см.
Относительная высота сжатой зоны:
ξ = X/ h0 = 19,4/ 56
= 0,35 (СНиП 2.03.01-84, п.3.16).
η = 0,825;
Принимаем 3Ø16А400 с Аs = 6,03 см2.
2.2.5 Расчет подкрановой консоли
Достаточность размеров консоли
проверяем из условия:
Qc≤ 0,8φω2
Rb
b
lb
sinθ (СНиП
2.03.01-84, ф. 85);
lb
= lsup
sinθ (СНиП
2.03.01-84, ф.
85).c
= 0,85
Nmax+ Gcb = 0,85
301,2+130,6 = 368,62кН.
Размеры консоли:
h = 1,1м; h0 = 1,05 м; h1 = 0,4 м;
l1 = 0,7 м; bb = 0,34 м; а
= 0,4 м; α = 45°.
Проверяем возможность смятия бетона
в месте передачи нагрузки на консоль:
lsup
= Qc/ (γb2
Rb
bb)
= 368,62
103/
(0,9
8,5
106
0,34) = 0,15
м;
σloc
= Qc/ (b
lsup)
= 368,62/ (0,5
0,15) = 4915
кПа
= 4,92МПа<
8,5 МПа.
Следовательно, прочность бетона на
смятие обеспечена.
Проверяем условие
Q< 3,5
Rbt
b
h0;
,62 кН< 3,5
0,75
50
77 = 10106,25 кН, т.е.
размеры сечения консоли удовлетворяют условиям прочности на действие поперечной
силы.
Проверяем условие
Qc≤ 0,8
φω2
Rb
b
lb
sinθ,
где φω2 = 1+5
α
μω1 = 1+5
8,3
0,006 = 1,25 - коэффициент,
учитывающий влияние хомутов, распложенных по высоте консоли;

tgθ
= h0/ (a+ ½
lsup) = 105/
(40+ ½
15) = 2,21;
sinθ
= 0,91;c
= 368,62 кН< 0,8
1,25
8,5
50
14
0,91 = 5414,5кН.
Определяем площадь сечения
продольной рабочей арматуры Аs из условия
прочности на действие изгибающего момента по грани примыкания консоли к
колонне:
Мc = 1,25Qc(а+ 0,8-
0,6) = 1,25
368,62
0,6 = 276,5 кН
м
Принимая во внимание, что в сжатой
зоне консоли имеется большое количество сжатой арматуры, определяю площадь
растянутой арматуры:
Аs = Мс/
(Rs
(h0- а/))
= 276,5
105/ (365
100
(105- 5)) = 7,6 см2;
из конструктивного минимума имеем:
Аs = 0,002
bc
h0 = 0,002
50
105 = 10,5 см2.
Принимаем продольную арматуру 4Ø20А400 с
фактической Аs = 12,56 см2.
Суммарная площадь отогнутых стержней
и наклонных хомутов, пересекающих верхнюю половину линии длиной l,
соединяющей точки приложения силы Qc и
сопряжение нижней грани консоли и колонны, должна быть не менее:
Аinc, min = 0,002
bc
h0 = 0,002
50
105 = 10,5 см2
Принимаем 4Ø20А400 с Аs = 12,56 см2.
Поперечная арматура
мм,
мм.
Рис. 12. Схема армирования консоли
колонны по оси Б
Рис. 13. Схема армирования колонны
по оси Б
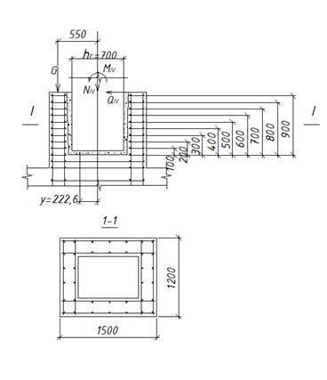
3. Расчет фундамента под колонну по
оси А
3.1 Определение усилий
Фундамент выполнен из тяжелого бетона класса
В15, Rb
=
8,5 МПа, Rbt
=
0,75 МПа, арматура - из горячекатаной стали класса А300 с Rс
=
270 МПа.
На фундамент передаются усилия от колонны
(сечение IV - IV),
веса стены и фундаментной балки, веса фундамента и грунта на его обрезах.
Стеновые панели из легкого бетона размерами
· 1,8×0,3×12,0 весят
60 кН;
· 1,2×0,3×12,0 весят
40 кН.
До отметки +10.200 м укладываются 5 панелей
высотой 1,8 м и 1 панель высотой 1,2 м.
Суммарная высота двух оконных проемов 3,6 м (0,5
кН/ м2). Вес фундаментной балки 51 кН. Нормативная нагрузка от веса
стены:
Gn = 60
5+40
1+51+ 3,6
12
0,5 = 412,6 кН
Расчетная нагрузка:
G = 412,6
1,1 = 454 кН
е01 = 0,5
(0,3+ 0,8) = 0,55 м
Усилия, действующие на уровне
подошвы фундамента:
где MIV, QIV и NIV - усилия от
колонн в сечении IV-IV на уровне
обреза фундамента. Hf = 1,45 (высота фундамента
назначается на стадии эскизного проектирования).
Нормативные усилия получаю путем
деления расчетных усилий на усредненный коэффициент перегрузки γ = 1,15.
Таблица
8
|
Основные
сочетания нагрузок
|
Комбинация
усилий
|
Усилия
в сечении IV-IV
колонны по оси А, кН×м; кН
|
Усилия
от стены, кН×м; кН
|
Суммарные
усилия на уровне подошвы фундамента, кН×м; кН
|
|
|
M
|
N
|
Q
|
QHf
|
G
|
Ge01
|
Mtot
|
Ntot
|
|
Расчетные
значения (табл. 2.3)
|
1
|
-41,4
|
767,7
|
-40,51
|
-58,7
|
412,6
|
-226,9
|
-100,1
|
1180,3
|
|
2
|
-69,0
|
848,4
|
-44,3
|
-64,2
|
|
|
-133,2
|
1261,0
|
|
Нормативные
значения
|
3
|
-36,0
|
667,6
|
-35,2
|
-51,0
|
358,8
|
-197,3
|
-87,0
|
1026,4
|
|
4
|
-60,0
|
737,7
|
-38,5
|
-55,8
|
|
|
-115,8
|
1096,5
|
3.2 Определение размеров подошвы фундамента
Размеры подошвы фундамента определяю по
наибольшему усилию для расчета по II
группе предельных состояний (комбинация 6) по формуле:
,
Где 1,05 - коэффициент, учитывающий
влияние момента;
R0 = 200 кН/ м2
- условное расчетное давление на грунт основания;
γm = 20 кН/ м3
- вес единицы объема материала фундамента и грунта на его обрезах;
H1 = 1,6 м -
глубина заложения фундамента.
Задаемся соотношением сторон подошвы
фундамента:
a/ b = 0,8;
а = √ 6,9/ 0,8 = 2,94 м.
Размеры подошвы фундамента в плане
рекомендуется брать кратными 300 мм, в связи с чем принимаю размеры фундамента
а = 3,0 м, тогда b = 0,8
3,0 = 2,4, с условием кратности 300
мм принимаю b = 2,4м.
Фактическая площадь подошвы
фундамента:
Af = 3,0
2,4 = 7,2 м2
Принятые размеры подошвы фундамента
проверяю на действие комбинаций усилий для расчета по II группе
предельных состояний из следующих условий:
max Pser<
1,2 R,Pser> 0,ser≤ R.
Комбинация усилий 3.
Эксцентриситет силы Мser, веса
фундамента и грунта на его уступах:
Следовательно, сила лежит в пределах
ядра сечения.
Вычисляем краевые значения давления
на грунт:
Комбинация усилий 4.
Эксцентриситет:
Таким образом, принятые размеры
фундаментов достаточны.
3.3 Расчет прочности тела
фундамента
Фундамент выполнен из тяжелого бетона класса
В15, Rb
=
8,5 МПа, Rbt
=
0,75 МПа, арматура - из горячекатаной стали класса А300 с Rс
=
270 МПа.
.3.1 Расчет на продавливание
плитной части фундамента при стаканном сопряжении сборной колонны
Определяем высоту плитной части фундамента из
расчета на продавливание от нижнего обреза подколонника для случая монолитного
его сопряжения с плитой.
Назначаем размеры подколонника:
,
где δ = 0,075 -
зазор между колонной и стенкой подколонника;
δcf = 0,2 -
минимальная толщина стенки.
Принимаем размеры стакана hcf = 1,5 м и bcf = 1,2 м.
Вычисляем наибольшее давление на
грунт от расчетной нагрузки без учета веса фундамента и грунта на его уступах
на усилия комбинаций 1, 2.
Комбинация 1.
Комбинация 2.
Для расчета принимаем максимальное
краевое давление max P = 212,1 кН/
м2.
С учетом защитного слоя арматуры,
равного 7 см, и рекомендаций принимаем плиту фундамента h1 = 45 см; h0 = 45- 7 =
38 см.
Высота подколонной части:
При Hcf = 1,0 м>
(hcf- bcf)/ 2 = (1,5-
1,2)/ 2 = 0,15.
Проверку крайней грани на
продавливание следует производить от нижнего обреза подколонника, для чего
вычисляем:
среднее арифметическое величины
периметров верхнего и нижнего основания пирамиды продавливания:
u = bcf+ h0 = (1,2+
0,38) = 1,58 м;
площадь многоугольника ABCDG, на которую
действует продавливающая сила:
Расчетная продавливающая сила,
действующая на рассматриваемую грань:
F = А0
max P = 0,84
212,1 = 178,2 кН.
Прочность сечения:
Н = 450,3 кН > F = 178,2 кН,
т.е. прочность рассматриваемой грани
обеспечена.
Для проверки прочности плиты на
поперечную силу вычисляем длину проекции наклонного сечения
м.
Проверка прочности нижней ступени по
наклонному сечению выполняется по зависимости для единицы ширины сечения:
кН
кН
Здесь
МПа = 750 кН/м2
Следовательно, прочность плиты на
действие поперечной силы обеспечена.
3.3.2 Определение площади сечения
арматуры подошвы фундамента
Сечение арматуры, укладываемой параллельно
стороне а, определяю по изгибающему моменту в сечении I
- I:
где
кН/м2.
Принимаю в продольном направлении 16
стержней Ø12
мм
с шагом 150 мм и Аs = 18,1 см2>
Аs1 = 15,053.
Рис. 14. Схема усилий в конструкции фундамента
Сечение арматуры, укладываемой параллельно
стороне b, определяем по
изгибающему моменту в сечении II
- II:
где
кН/м2.
Принимаем 20 стержней Ø10 мм А300 с
шагом 150 мм и
Аs = 15,7 см2>
АsII = 10,25 см2.
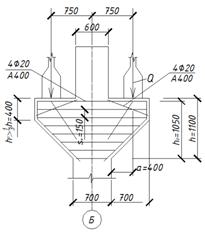
3.3.3 Расчет стаканной части
фундамента (подколонника).
Отношение
,
следовательно, стаканная часть фундамента рассчитывается как железобетонный
элемент и армируется продольной и поперечной арматурой.
Принимаю глубину стакана колонны h = 95 см,
что удовлетворяет условию анкеровки арматуры колонны hс≥ 25
d+ δ = 25
1,8+ 5 = 50 см (d - диаметр
продольной арматуры колонны К1) и условию заделки колонны h≥ hc = 70 см.
Площадь сечения продольной арматуры
определяем из расчета на внецентренное сжатие коробчатого сечения на уровне дна
стакана(рис. 15).
Усилия на уровне дна стакана
(сечение IV - IV):
МIV = -69 кН м;
NIV = 848,4 кН;
QIV = -44,3кН;
G = 412,6 кН;
Gе01
= -226,9 кН м;
е01 = 0,55 м.
Рис. 15. Схема усилий в сечении
стаканного сопряжения колонны с фундаментом
эксцентриситет усилия относительно
центра тяжести растянутой арматуры:
м >
м.
Значение изгибающего момента не
корректируется.
Привожу коробчатое сечение к
двутавровому.
Проверка условия:
Н = 3570 кН > N = 1261 кН
выполняется, следовательно, граница
сжатой зоны проходит в полке и расчет выполняется для прямоугольного сечения
шириной
;
мм
Здесь
По расчету арматура не требуется и
назначается конструктивно. Принимаем минимальный процент армирования
от площади
поперечного сечения стакана
мм2.
Устанавливаем с каждой стороны
сечения стакана по 6Æ12А300
мм2
Поперечную арматуру определяем из
расчета на изгибающий момент по наклонному сечению, проходящему через верхнее
ребро стакана, и условную ось поворота колонны внизу.
Местоположение оси поворота
определяется в зависимости от величины эксцентриситета от нагрузки по верхнему
обрезу фундамента с учетом случайного эксцентриситета.
Эксцентриситет усилия
см <
см,
но так как
то
расстояние y от оси
колонны до точки, через которую проходит ось поворота,
см
Поперечное армирование должно
воспринять полную величину момента от внешней нагрузки.
В качестве поперечного армирования
принимаем сварные сетки из арматуры класса А240 (
МПа). Шаг сеток 10 см по всей
высоте стакана.
Площадь сечения поперечных стержней
одной сетки в направлении действия изгибающего момента определяем по формуле
мм2
100 + 200 + 300 + 400 + 500 + 600 +
700 + 800 + 900 = 4500 мм
Необходимое сечение одного стержня
сетки
мм2
Принимаем диаметр стержня 10 мм с
мм2
Проверяем прочность стакана на
местное сжатие при осевом положении силы
кН.
Площадь смятия
см2
Рабочая площадь
см2
< 2,5
МПа
N = 848,4 кН
<
5150 кН,
где
= 1 при равномерном распределении
нагрузки. Прочность бетона на местное сжатие обеспечена, косвенного армирования
не требуется.
Рис. 16. Расчет фундамента на
поперечную силу
4. Расчет предварительно напряженной
балки покрытия
В качестве варианта несущей
конструкции покрытия в проекте принята предварительно напряженная двускатная
балка марки 1Б8-12-4 пролетом 12 м. Шаг балок в учебных целях принят 12 м.
Расчетный пролет балки
м
Рис. 17. К расчету предварительно
напряженной балки покрытия
В курсовом проекте требуется
произвести расчет балки по I и II группам
предельных состояний.
4.1 Исходные данные для расчета
Балка изготавливается из бетона
класса В30, подвергнутого тепловой обработке, для которого
МПа,
МПа,
МПа,
МПа,
МПа.
Передаточная прочность бетона
МПа
Напрягаемая арматура класса А600 с
натяжением на упоры механическим способом имеет:
МПа;
МПа;
МПа;
ненапрягаемая продольная и
поперечная арматура класса А400:
МПа
МПа;
МПа;
МПа;
МПа.
В сжатой зоне (верхней полке)
установлена сжатая арматура 4Æ14А400
с
см2.
.2 Определение нагрузок
Нормативные нагрузки:
а) постоянная:
от веса покрытия (см. п. 1.3.1)
кН/м,
от собственного веса балки 4,1 тх9,8
= 40,2 кН
кН/м.
Итого 36,64 + 3,35 = 39,69 кН/м;
б) кратковременная (снеговая)
кН/м.
Суммарная нормативная нагрузка
кН/м.
Расчетные нагрузки:
а) постоянная:
от веса покрытия (см. п. 1.3.1)
кН/м,
от собственного веса балки
кН/м (3,75 кН - собственный вес 1,0
м балки).
Итого
45,2 кН/м;
б) кратковременная (снеговая)
кН/м.
Суммарная расчетная нагрузка
кН/м
4.3 Расчет по первой группе
предельных состояний
.3.1 Расчет прочности по нормальным
сечениям
Наиболее опасным для двускатных
балок является сечение III-III,
находящееся на расстоянии
от опоры:
см,
где
см - полезная высота сечения на
опоре;
- уклон
верхнего пояса балки;
- пролет балки, равный 1200 см.
Изгибающий момент от расчетной
нагрузки в сечении III-III
кН×м
Высота балки в сечении III-III (на
расстоянии 469 см от опоры или на расстоянии 484 см от торца балки)
Сечение III-III Расчетное
сечение
Рис. 18 Сечение III-III и расчетное
сечение
Полезная высота сечения
см
Величина предельного напряжения
арматуры с учетом точности ее натяжения
МПа
Относительная деформация в
растянутой от внешней нагрузки арматуре при достижении в ней напряжения,
равного расчетному сопротивлению (для арматуры с условным пределом текучести)
Предельная относительная деформация
бетона
Граничное значение относительной
высоты сжатой зоны бетона по формуле
Проверяем положение границы сжатой
зоны:
т.е. граница сжатой зоны проходит в
ребре, поэтому расчет следует производить следующим образом:
Относительная высота сжатой зоны
бетона
Коэффициент условий работы определяется
по формуле:
мм2
Принимается 9Æ16А600с
мм2
Далее следует проверить прочность
сечения балки по середине пролета (сечение IV-IV).
Изгибающий момент в этом сечении от
расчетной нагрузки
кН×м
Полезная высота сечения
см.
Определяем значение
при
:
Так как
, расчет
ведем с учетом коэффициента
:
Высота сжатой зоны
Проверяем условие
т.е. прочность сечения обеспечена.
4.3.2 Расчет прочности по наклонным
сечениям
Расчет на поперечную силу необходимо
производить в сечениях, где осуществляется переход опорного ребра балки в
стенку, начинается уширение стенки, происходит смена шага поперечных стержней.
Для двускатной балки расчет производим как для элемента, сжатая грань которого
наклонена под углом
к
продольной оси, а растянутая - параллельна ей. Вначале определяем по наибольшей
поперечной силе в сечении I-I
интенсивность поперечного армирования (шаг хомутов) на участке длиной
от опоры,
затем увеличиваем шаг поперечных стержней на участке
. В средней
части на участке
шаг
поперечного армирования назначаем по конструктивным требованиям. При расчете по
наклонному стеканию целесообразно рассматривать фактическое загружение балки.
Рис. 19. Схема нагружения балки и
эпюра поперечных сил
Сосредоточенная нагрузка от плит
покрытия на балку
кН,
где
= 3,0 м - номинальная ширина плиты
покрытия;
= 0,95 - коэффициент надежности по
назначению здания.
Поперечные силы в сечениях балки
равны:
на опоре (см. рис. 18):
кН
В сечении под первым грузом
кН;
кН
В сечении под вторым грузом:
кН;
кН
Для учета положительного влияния
предварительного напряжения на несущую способность бетона по поперечной силе
(коэффициент
) необходимо
определить величину усилия предварительного обжатия Р с учетом потерь
предварительного напряжения в арматуре.
Первые потери:
а) от релаксации напряжений арматуры
при электротермическом способе натяжения
МПа;
б) от температурного перепада

МПа;
в) от деформации анкеров
, так как они должны быть учтены при
определении значений полного удлинения арматуры.
Сумма первых потерь равна
МПа.
Вторые потери:
а) от усадки бетона класса В30
МПа;
б) от ползучести бетона
Так как передаточная прочность
бетона
принята
равной 70 % от класса бетона, то значения коэффициента ползучести
и
начального модуля упругости
принимаются для бетона класса В30.
Геометрические характеристики
приведенного сечения :
Для упрощения расчета высота свесов
полок усредняется (см. рис. 17).
Площадь сечения бетона
мм2
Площадь приведенного сечения
Статический момент приведенного
сечения относительно нижней грани балки
мм3
Расстояние от центра тяжести
приведенного сечения до нижней грани балки
мм.
Момент инерции приведенного сечения
относительно центра тяжести
Усилие обжатия с учетом первых
потерь равно
Н
Так как в верхней зоне напрягаемая
арматура отсутствует (
), то
мм
Вычислим изгибающий момент в
середине пролета балки от собственного веса балки, возникающий при ее
изготовлении балки в вертикальном положении:
кН×м
Напряжение обжатия бетона на уровне
центра тяжести напрягаемой арматуры
МПа
Напряжение бетона на уровне арматуры
при
мм;
< 0
Расстояние между центрами тяжести
напрягаемой арматуры и приведенного поперечного сечения
мм
Коэффициент армирования
МПа
Вторые потери предварительного
напряжения
=
+
= 40 + 62,6 = 100,6 МПа
Суммарная величина потерь напряжения
97,4 + 100,6 = 198 МПа > 100 МПа
Напряжение
с учетом
всех потерь равно
= 540 - 198 = 342 МПа
Усилие обжатия с учетом всех потерь
напряжений Р определяется при значении напряжений в ненапрягаемой арматуре,
равных
, условно
принимаемых равными вторым потерям, т. е.
=
= 100,6 МПа, а поскольку
, напряжение
:
Н = 614 кН
Предварительно принимаем поперечную
арматуру диаметром 12 мм, класса А400 (
МПа) в двух каркасах (n = 2), шаг
поперечных стержней в приопорной зоне
мм. Проверим прочность наклонного
сечения с длиной проекции, равной расстоянию от опоры до первого груза
м.
Высота поперечного сечения в конце
наклонного сечения равна
мм
Площадь поперечного сечения балки
без учета
свесов сжатой полки будет
мм2
Отношение
Значения
для этого
сечения:
Н/мм.
Полезная высота опорного сечения
равна
мм
Невыгоднейшее значение
вычисляем
по формуле (3.68) [6]
мм <
= 1850 мм
Принимаем
= 448 мм.
Полная и рабочая высота поперечного
сечения на расстоянии
= 1528 мм
от опоры следующая:
мм;
мм
Значение
для этого
сечения
= 1 + 1,6 × 0,34 - 1,16
× 0,342 =
1,41
при
мм2;
Поперечная сила, воспринимаемая
бетоном
Н.
Принимается
=
= 1528 мм
< 2
.
Н.
Значение поперечной силы на
расстоянии 464 мм от опоры
кН;
кН
кН,
т.е. прочность наклонного сечения на
44 % ниже расчетной поперечной силы в этом сечении.
При реальном проектировании
целесообразно повысить класс бетона до В35, тогда
кН
кН
Проверяется прочность наклонного
сечения с длиной проекции, равной расстоянию от опоры до второго груза
м.
Полная и рабочая высоты поперечного
сечения на расстоянии 5,85 м от опоры:
мм;
мм.
Поскольку
<
= 3850 мм,
принимается
= 3063 мм.
Полная и полезная высоты поперечного
сечения на расстоянии
= 3063 мм
от опоры:
мм;
мм.
Значение
для этого
сечения без учета сжатых свесов
= 1 + 1,6 × 0,29 - 1,16 × 0,292 = 1,37
при
мм2;
Поперечная сила, воспринимаемая
бетоном,
Н.
Так как
> 2
= 2 × 955,3 =
1910,6 мм, длина проекции наклонной трещины принимается равной
= 1910,6
мм.
Тогда
Н
56,3 + 923 = 979,3кН > 274 кН
Так как запас прочности велик,
возможно увеличить шаг поперечных стержней.
Таким образом, шаг поперечных
стержней
мм
принимается на участке от опоры до первого груза равным
мм. В
средней части балки шаг поперечной арматуры
мм (
мм).
Интенсивность поперечного
армирования при шаге хомутов 300 мм равна
Н/мм2 > 0,25
Поскольку
мм <
мм,
значение
определяется
по формуле
Qsw
= 0,75[qsw1c0 - (qsw1 - qsw2)(c - l1)]
Н = 307,01 кН
Следовательно,
56,3 + 307,01 = 363,31 кН >
288,6 кН
Рис. 20. К расчету поперечной
арматуры
4.4 Расчет по второй группе
предельных состояний
.4.1 Определение величины момента
образования трещин
Приведенный момент сопротивления по
растянутой грани
мм3.
Расстояние до верхней ядровой точки
мм.
Момент образования трещин
Н×мм
Значения
см. в п.
4.3.2.
Коэффициент
при
и
Момент от нормативной нагрузки в
сечении III-III
Следовательно, в сечении III-III
образуются трещины, нормальные к продольной оси балки, и необходимо выполнить
расчет по определению ширины раскрытия трещин.
4.4.2 Определение ширины раскрытия
трещин, нормальных к продольной оси балки
Ширина раскрытия нормальных трещин
определяется по формуле
где
- коэффициент, учитывающий
продолжительность действия нагрузки и принимаемый равным:
,0 - при непродолжительном действии
нагрузки;
,4 - при продолжительном действии
нагрузки;
0,5 - учитывает профиль арматуры;
1,2 - для растянутых элементов;
вычисляются при расчетном усилии для второй группы предельных состояний и
1 - для изгибаемых.
- коэффициент, учитывающий
неравномерное распределение относительных деформаций растянутой арматуры между
трещинами. Допускается принимать
, если соблюдаются условия:
.
В противном случае
определяется
по формуле
где
;
кН×м.
Так как
-
эксцентриситет обжимающего усилия Р относительно центра тяжести растянутой
арматуры, то
м.
Коэффициент приведения
тогда
.
При
,
и
находим
Для определения напряжения в
арматуре определим плечо пары внутренних сил:
мм,
МПа;
= 173,9 МПа <
МПа.
Определим приращение напряжений в
арматуре при действии постоянных и длительных нагрузок (при
)
кН/м;
после чего найдем
кНм;
МПа.
Приращение напряжений в арматуре при
образовании трещин
МПа.
Так как
< 0,68,
следовательно, проверяется только
непродолжительное раскрытие трещин.
Коэффициент, учитывающий
неравномерное распределение относительных деформаций растянутой арматуры между
трещинами, равен:
Базовое расстояние между трещинами
мм
Высота зоны растянутого бетона может
быть определена для двутавровых сечений следующим образом:
мм3.
Далее определяем расстояние от
растянутой грани сечения балки до ее центра тяжести:
мм;
с учетом неупругих деформаций
определяем высоту растянутой зоны сечения балки
мм < 2a = 2 × 90 = 180 мм.
Площадь растянутой зоны сечения
балки определяется из формулы
мм2.
Таким образом, в результате расчетов
ширина раскрытия трещин:
мм;
мм <
= 0,4 мм
Используемая литература
1. Железобетонные
конструкции. Проектирование одноэтажного производственного здания с крановыми
нагрузками: учеб. пособие / СПб Гос. архит.-строит. ун-т. Шоршнев Г.Н., Ерохин
М.П., Конев Ю.С.- СПб, 2009. - с.
2. Железобетонные
конструкции. Проектирование одноэтажного производственного здания с крановыми
нагрузками: учеб. пособие / Шоршнев Г.Н., Конев Ю.С., Г.П. Яковленко.
Санкт-Петербургский государственный архитектурно-строительный университет, СПб,
1993. - 83 с.
. Пособие
по проектированию предварительно напряженных конструкций. Железобетонные
конструкции из тяжелого бетона (к СП52-102-2003). - М., 2005
. Примеры
расчета железобетонных и каменных конструкций / В. М. Бондаренко, В.И. Римшин.
- М.: Высшая школа, 2006.
. Примеры
расчета железобетонных конструкций/ Учебное пособие для строительных техникумов
по спец. «Промышленное и гражданское стр-во». А.П. Мандриков. - М.: Стройиздат,
1979 - 419 с., ил.
. Проектирование
железобетонных конструкций: Справочное пособие/ А.Б. Голышев, В.Я. Бачинский,
В.П. Полищук и др.; Под. Ред. А.Б. Голышева. - К.:Будiвельник. 1985. - 496 с.
. Типовые
железобетонные конструкции зданий и сооружений для промышленного строительства
/ В.Н. Спиридонов, В.Т. Ильин, И.С. Приходько и др.; Под общ. ред. / Г.И.
Бердичевского. - М.: Стройиздат, 1981. - 488 с. (Справочник проектировщика).
. ГОСТ
25628-90 Колонны железобетонные для одноэтажных зданий предприятий.
. ГОСТ
3332-54 Краны мостовые электрические общего назначения грузоподъемностью от 5
до 50 т среднего и тяжелого режимов работы. Основные размеры и параметры.
. СНиП
2.03.01-84. Бетонные и железобетонные конструкции. М. Стройиздат. 1985.
. СНиП2.01.07-85*.
Нагрузки воздействия. - М., 2004.
. СНиП
2.02.01-84. Основания зданий и сооружений. М. Стройиздат.,1984.