Стальной каркас промышленного здания
Министерство образования и науки
Российской Федерации
Федеральное агентство по образованию
Государственное образовательное
учреждение высшего профессионального образования
РОСТОВСКИЙ ГОСУДАРСТВЕННЫЙ
СТРОИТЕЛЬНЫЙ УНИВЕРСИТЕТ
Кафедра металлических деревянных и
пластмассовых конструкций
ПОЯСНИТЕЛЬНАЯ ЗАПИСКА
к курсовому проекту на тему:
«Стальной каркас промышленного
здания»
Выполнил:
студент гр. П-425
Бойков Е.И.
Проверил:
Сеферов Г.Г.
г. Ростов - на - Дону
г.
Содержание
Задание
на проектирование
Расчет поперечной рамы
.1 Компоновка рамы
.2 Сбор нагрузок
.3 Статический расчет рамы
.4 Составление сочетаний нагрузок
.5 Выбор невыгодных сочетаний усилий
Расчет стропильной фермы
.1 Определение усилий в элементах фермы
.2 Подбор сечений центрально растянутых элементов
.3 Подбор сечений центрально сжатых элементов
.4 Расчет узлов
Расчет колонны
.1 Расчетные длины колонны
.2 Подбор сечения верхней части колонны
.3 Подбор сечения нижней части колонн
.4 Расчет базы колонны
Литература
Задание на проектирование
Необходимо запроектировать стальные конструкции промышленного здания
пролетом 36м. и длинной 78 м. Место строительства - город Луганск . Продольный
шаг колонн здания принять 6 метров. Покрытие холодное. Колонны здания принять
ступенчатыми с верхней сплошной и нижней сквозной частями. Соединение ветвей
нижней части колонны выполнить при помощи решетки из равнополочных уголков.
Здание оборудовано двумя электромостовыми кранами грузоподъемностью 160/32 тс.
Отметка головки кранового рельса 8.7м . Сопряжение колонны с фермой выполнить
шарнирным. Класс бетона для фундаментов принять по СНИП . Стены здания
самонесущие.
1 Расчет поперечной рамы
.1 Компоновка рамы
каркас здание колонна
нагрузка
Поперечная рама промышленного здания состоит из колонн, жестко заделанных
в фундамент и шарнирно опирающегося ригеля (фермы). Колонны предусматривают
ступенчатого типа. Определим размеры по вертикали:
где
- высота крана в зависимости от пролета здания, при
пролете здания 36м высоту крана принимаем равной 4.8м;
- прогиб
фермы и связей под нагрузкой в зависимости от пролета здания, при пролете
здания 36м величину прогиба принимаем равной 200мм
По
требованиям унификации размер Н2 увеличиваем в большую сторону до кратности 200
мм , Н2 = 5200 мм.
где
- высота рельса, принимаем равной 120мм;
- высота
подкрановой балки в зависимости от шага колонн, при шаге колонн 6м высоту
подкрановой балки принимаем равной 1050мм
, кратно
0.6м
Окончательно
принимаем
Уточним
размер
Определим
размеры по горизонтали:
- привязка
наружной части колонны
;
- привязка
внутренней части колонны
;
- ширина
верхней части колонны
;
- ширина нижней
части колонны
принимаем
Привязка
наружной части колонны
, кратно
250мм в пределах 500 - 1500мм
где
Окончательно
принимаем
Определим
эксцентриситеты приложения крановой нагрузки и смещение осей верхней и нижней
части колонны
.2
Сбор нагрузок
Сбор нагрузок
на поперечную раму выполним в табличной форме
Наименование
нагрузки Нормативная нагрузка
Коэффициент надежности по нагрузке
Расчетная нагрузка
|
|
|
|
|
|
Постоянные: 1.
крупнопанельный ж/б настил; 2. водоизоляционный ковер 4 слоя рубероида; 3.
выравнивающий слой из цемента 1.5 см 4. Стропильные фермы 5. связи покрытия
Итого
|
1.45 0.15 0.4 0.25 0.05
2.35
|
1.1 1.3 1.3 1.05 1.05
|
1.595 0.195 0.52 0.262
0.459 2.68
|
Погонная расчетная нагрузка на ригель.
g =
кн/м
Снеговая
нагрузка.
кн/м
Ветровые нагрузки
Расчетная
схема для определения ветровых нагрузок
Ветровые нагрузки определим в соответствии с требованиями СНиП
2.01.07-85*
где
- нормативное значение ветрового давления, в
соответствии со СНиП 2.01.07-85* в зависимости от ветрового района (II ветровой
район) равно 0.3 Кпа ;
-
аэродинамический коэффициент (активная составляющая - 0.8, пассивная - 0.6);
-
коэффициент учитывающий изменение ветрового давления по высоте здания,
принимается в соответствии со СНиП 2.01.07-85* (тип местности А) к10 = 1;
-
продольный шаг колонн;
-
коэффициент надежности по нагрузке, равный 1.4;
-
коэффициент надежности по назначению, равный 0.95
Активная
составляющая ветровой нагрузки:
.
на высоте H=10м
кэ
= к10 + ∆кэ = 1+0.005=1.005 для Н=15.4м
кн/м
Пассивная
составляющая ветровой нагрузки:
кн/м
Определим
ветровую нагрузку на шатер здания.
Ордината
фактической эпюры давления в уровне низа стропильной фермы.
q(14.4)=1.915+0.211=2.126
кн/м
Тоже
в уровне верха фермы
q(17.8)=1.915+0.374=2.289 кн/м
Активная
составляющая ветровой нагрузки:
Пассивная
составляющая ветровой нагрузки:
Крановые
нагрузки
Расчетная схема для определения крановых нагрузок
Определим
наибольшие нормативное давление колеса на подкрановой рельс
Определим
наименьшее нормативное давление колеса на подкрановой рельс
где
- вес крана с тележкой в зависимости от пролета
здания, при пролете здания 36м вес крана с тележкой принимаем равным 2200кН;
-
грузоподъемность крана (
);
-
количество колес крана (
);
-
наибольшие нормативное давление колеса на подкрановой рельс
Определим
вертикальное давление крана на колонну. Расчетное значение
найдем, построив линию влияния опорных реакций
однопролетных подкрановых балок
где
- наибольшие нормативное давление колеса на
подкрановой рельс;
-
нормативная нагрузка от собственного веса подкрановой балки, которая условно
включена во временную крановую нагрузку,
-
коэффициент надежности по нагрузке, равный 1.1;
-
коэффициент надежности по назначению, равный 0.95;
-
коэффициент сочетания нагрузок, принимается в зависимости от грузоподъемности и
режимов работы крана, равный 0.85
-
коэффициент надежности для постоянной нагрузки от собственного веса подкрановых
конструкций ,равен 1.05
где
- наименьшие нормативное давление колеса на
подкрановой рельс
Определим
нормативное значение горизонтальной силы на одно колесо от поперечного
торможения
где
- вес тележки, принимаем равной 650кН;
-
грузоподъемность крана (
);
-
количество колес крана (
);
-
коэффициент в зависимости от способа подвески груза. Т.к. гибкий подвес груза k=0.05
Расчетное
значение силы от торможения крановой тележки
где
- нормативное значение горизонтальной силы на одно
колесо от поперечного торможения;
-
коэффициент надежности по нагрузке, равный 1.1;
-
коэффициент надежности по назначению, равный 0.95;
-
коэффициент сочетания нагрузок, принимается в зависимости от грузоподъемности и
режимов работы крана, равный 0.85
1.3
Статический расчет рамы
Статический
расчет рамы выполняем на ЭВМ см. лист
.4 Составление сочетаний нагрузок
см. лист
.5 Выбор невыгодных сочетаний усилий
Сечение Cb надкрановая ветвь
неблагоприятное
сочетание
Шатровая
ветвь
Сечение
Ca, A
неблагоприятное
сочетание
Подкрановая
ветвь
Сечение
Ca, A
неблагоприятное
сочетание
2 Расчет
стропильной фермы
На регель
действуют равномерно-распределенные постоянная нагрузка от собственного веса
конструкций покрытия g = 15.3 Кн/м , и временная снеговая нагрузка S= 4.56
Кн/м. Коэффициент сочетания нагрузок ψ=1
То же , от
снеговой нагрузки:
Расчетная
узловая нагрузка на промежуточные узлы
.1
Определение усилий в элементах фермы
Усилия в
элементах фермы
|
Стержень
|
Усилия, кН
|
|
При Р = 1
|
При Р = 59,58
|
|
1-2 2-3 3-4 4-5 5-6 6-7 7-8
8-9 9-10 10-11 12-13 13-14 14-15 15-16 16-17 17-18 1-12 1-13 2-13 3-13 3-14
4-14 5-14 5-15 6-15 7-15 7-16 8-16 9-16 9-17 10-17 11-17 11-18
|
-10 -10 -16 -16 -18 -18 -16
-16 -10 -10 5.5 13.5 17.5 17.5 13.5 5.5 -7.778 6.364 -1 -4.95 3.536 -1 -2.121
0.707 -1 0.707 -2.121 -1 3.536 -4.950 -1 6.364 -7.778
|
-595.8 -595.8 -953.28
-953.28 -1072.44 -1072.44 -953.28 -953.28 -595.8 -595.8 327.69 804.33 1042.65
1042.65 804.33 327.69 -463.41 379.17 -59.58 -294.92 210.675 -59.58 -126.37
42.12 -59.58 42.12 -126.37 -59.58 210.675 -294.92 -59.58 379.17 -463.41
|
2.2. Подбор
сечений центрально растянутых элементов
Нижний пояс
Расчет будем
производить исходя из условия прочности согласно формуле 5 СНиП II-23-81*
где
- внутренние усилие в элементе фермы;
-
поперечная площадь сечения элемента фермы;
-
расчетное сопротивление стали по пределу текучести, равное для стали С245 -
;
-
коэффициент условия работы, равный 0.95
Из
сортамента выбираем широкополочный тавр с площадью поперечного сечения больше,
чем
. Выбираем тавр 17.5ШТ1 со следующими
характеристиками:
-
;
-
;
-
Определим гибкость элементов:
где
- гибкость элементов соответственно в плоскости и из
плоскости фермы;
-
расчетная длинна элементов;
- радиус
инерции сечения элементов соответственно в плоскости и из плоскости фермы;
-
предельная гибкость растянутых элементов, принимаем по таблице 20 СНиП II-23-81*
в зависимости от вида нагрузки и элемента конструкции
Т.к.
вычисленные значения гибкости элементов, соответственно в плоскости и из
плоскости фермы, меньше предельной гибкости растянутых элементов,
следовательно, тавр подобран правильно.
Напряжение
в элементе
Растянутые
элементы решетки
Раскос 1-13
Расчет будем
производить исходя из условия прочности согласно формуле 5 СНиП II-23-81*
где
- внутренние усилие в элементе фермы;
-
поперечная площадь сечения элемента фермы;
-
расчетное сопротивление стали по пределу текучести, равное для стали С245 -
;
-
коэффициент условия работы, равный 0.95
Из
сортамента выбираем равнополочный уголок с площадью поперечного сечения больше,
чем
. Выбираем ∟80x5 со следующими
характеристиками:
-
;
-
;
-
;
-
Определим гибкость элементов:
где
- гибкость элементов соответственно в плоскости и из
плоскости фермы;
-
расчетная длина элементов;
- радиус
инерции сечения элементов соответственно в плоскости и из плоскости фермы;
- предельная
гибкость растянутых элементов, принимаем по таблице 20 СНиП II-23-81*
в зависимости от вида нагрузки и элемента конструкции
где
- толщина фасонки, принимается в соответствии с
максимальным усилием, возникающим в элементах решетки. Толщину фасонки
принимаем равной 10мм
Т.к.
вычисленные значения гибкости элементов, соответственно в плоскости и из
плоскости фермы, меньше предельной гибкости растянутых элементов,
следовательно, уголок подобран правильно.
Раскос
3-14
Расчет будем
производить исходя из условия прочности согласно формуле 5 СНиП II-23-81*
где
- внутренние усилие в элементе фермы;
-
поперечная площадь сечения элемента фермы;
-
расчетное сопротивление стали по пределу текучести, равное для стали С245 -
;
-
коэффициент условия работы, равный 0.95
Из
сортамента выбираем равнополочный уголок с площадью поперечного сечения больше,
чем
. Выбираем ∟80x5 со следующими
характеристиками:
-
;
-
;
-
;
-
Определим гибкость элементов:
где
- гибкость элементов соответственно в плоскости и из
плоскости фермы;
-
расчетная длина элементов;
- радиус
инерции сечения элементов соответственно в плоскости и из плоскости фермы;
-
предельная гибкость растянутых элементов, принимаем по таблице 20 СНиП II-23-81*
в зависимости от вида нагрузки и элемента конструкции
где
- толщина фасонки, принимается в соответствии с
максимальным усилием, возникающим в элементах решетки. Толщину фасонки
принимаем равной 8мм
Т.к.
вычисленные значения гибкости элементов, соответственно в плоскости и из
плоскости фермы, меньше предельной гибкости растянутых элементов,
следовательно, уголок подобран правильно.
Раскос
5-15
Расчет будем
производить исходя из условия прочности согласно формуле 5 СНиП II-23-81*
где
- внутренние усилие в элементе фермы;
-
поперечная площадь сечения элемента фермы;
-
расчетное сопротивление стали по пределу текучести, равное для стали С245 -
;
-
коэффициент условия работы, равный 0.95
Из
сортамента выбираем равнополочный уголок с площадью поперечного сечения больше,
чем
. Выбираем ∟80x5 со следующими
характеристиками:
-
;
-
;
-
;
-
Определим гибкость элементов:
где
- гибкость элементов соответственно в плоскости и из
плоскости фермы;
-
расчетная длина элементов;
- радиус
инерции сечения элементов соответственно в плоскости и из плоскости фермы;
-
предельная гибкость растянутых элементов, принимаем по таблице 20 СНиП II-23-81*
в зависимости от вида нагрузки и элемента конструкции
где
- толщина фасонки, принимается в соответствии с
максимальным усилием, возникающим в элементах решетки. Толщину фасонки
принимаем равной 8мм
Т.к.
вычисленные значения гибкости элементов, соответственно в плоскости и из
плоскости фермы, меньше предельной гибкости растянутых элементов,
следовательно, уголок подобран правильно.
2.3 Подбор
сечений центрально сжатых элементов верхний пояс
Расчет будем
производить исходя из условия устойчивости согласно формуле 7 СНиП II-23-81*
где
- внутренние усилие в элементе фермы;
-
коэффициент продольного изгиба, принимаемый в соответствии с таблицей 72 СНиП II-23-81*;
-
поперечная площадь сечения элемента фермы;
-
расчетное сопротивление стали по пределу текучести, равное для стали С245 -
;
-
коэффициент условия работы, равный 0.95
Зададимся ориентировочным значением гибкости и для него вычислим значение
коэффициента продольного изгиба
Из
сортамента выбираем широкополочный тавр с площадью поперечного сечения больше,
чем
. Выбираем тавр 30ШТ1 со следующими характеристиками:
-
;
-
;
-
Определим гибкость элементов:
где
- гибкость элементов соответственно в плоскости и из
плоскости фермы;
-
расчетные длины элементов;
- радиус
инерции сечения элементов соответственно в плоскости и из плоскости фермы;
-
предельная гибкость сжатых элементов, принимаем по таблице 19 СНиП II-23-81*
в зависимости от элемента конструкции
Выбираем
максимальное значение гибкости и в соответствии с таблицей 72 СНиП II-23-81*
вычисляем значение коэффициента продольного изгиба
Выполним
проверку
Проверка выполняется
Опорный
раскос
Расчет будем
производить исходя из условия устойчивости согласно формуле 7 СНиП II-23-81*
где
- внутренние усилие в элементе фермы;
-
коэффициент продольного изгиба, принимаемый в соответствии с таблицей 72 СНиП II-23-81*;
-
поперечная площадь сечения элемента фермы;
-
расчетное сопротивление стали по пределу текучести, равное для стали С245 -
;
-
коэффициент условия работы, равный 0.95
Зададимся ориентировочным значением гибкости и для него вычислим значение
коэффициента продольного изгиба
Из
сортамента выбираем равнополочный уголок с площадью поперечного сечения больше,
чем
. Выбираем ∟80x10 со
следующими характеристиками:
-
;
-
;
-
;
-
Определим гибкость элементов:
где
- гибкость элементов соответственно в плоскости и из
плоскости фермы;
-
расчетная длина элементов;
- радиус
инерции сечения элементов соответственно в плоскости и из плоскости фермы;
-
предельная гибкость сжатых элементов, принимаем по таблице 19 СНиП II-23-81*
в зависимости от элемента конструкции
Проверка не выполняется, выбираем другой уголок ∟120x8 со следующими характеристиками:
-
;
-
;
-
;
-
Выполним
проверку на прочность

Сжатые
элементы решетки
раскос 3-13
Расчет будем
производть исходя из условия устойчивости согласно формуле 7 СНиП II-23-81*
где
- внутренние усилие в элементе фермы;
-
коэффициент продольного изгиба, принимаемый в соответствии с таблицей 72 СНиП II-23-81*;
-
поперечная площадь сечения элемента фермы;
-
расчетное сопротивление стали по пределу текучести, равное для стали С245 -
;
-
коэффициент условия работы, равный 0.8
Зададимся ориентировочным значением гибкости и для него вычислим значение
коэффициента продольного изгиба
Из
сортамента выбираем равнополочный уголок с площадью поперечного сечения больше,
чем
. Выбираем ∟120x8 со следующими
характеристиками:
-
;
-
;
-
;
-
Определим гибкость элементов:
где
- гибкость элементов соответственно в плоскости и из
плоскости фермы;
-
расчетные длины элементов;
- радиус
инерции сечения элементов соответственно в плоскости и из плоскости фермы;
-
предельная гибкость сжатых элементов, принимаем по таблице 19 СНиП II-23-81*
в зависимости от элемента конструкции
где
- толщина фасонки, принимается в соответствии с
максимальным усилием, возникающим в элементах решетки. Толщину фасонки
принимаем равной 10мм
Выбираем
максимальное значение гибкости и в соответствии с таблицей 72 СНиП II-23-81*
вычисляем значение коэффициента продольного изгиба
Выполним
проверку
Проверка выполняется
раскос 5-14
Расчет будем
производить исходя из условия устойчивости согласно формуле 7 СНиП II-23-81*
где
- внутренние усилие в элементе фермы;
-
коэффициент продольного изгиба, принимаемый в соответствии с таблицей 72 СНиП II-23-81*;
-
поперечная площадь сечения элемента фермы;
-
расчетное сопротивление стали по пределу текучести, равное для стали С245 -
;
-
коэффициент условия работы, равный 0.8
Зададимся ориентировочным значением гибкости и для него вычислим значение
коэффициента продольного изгиба
Из
сортамента выбираем равнополочный уголок с площадью поперечного сечения больше,
чем
. Выбираем ∟120x8 со следующими
характеристиками:
-
;
-
;
-
;
-
Определим гибкость элементов:
где
- гибкость элементов соответственно в плоскости и из
плоскости фермы;
расчетные
длины элементов;
- радиус
инерции сечения элементов соответственно в плоскости и из плоскости фермы;
-
предельная гибкость сжатых элементов, принимаем по таблице 19 СНиП II-23-81*
в зависимости от элемента конструкции
где
- толщина фасонки, принимается в соответствии с
максимальным усилием, возникающим в элементах решетки. Толщину фасонки
принимаем равной 8мм
Выбираем
максимальное значение гибкости и в соответствии с таблицей 72 СНиП II-23-81*
вычисляем значение коэффициента продольного изгиба
Выполним
проверку
Проверка выполняется
Стойка 2-13
Расчет будем
производить исходя из условия устойчивости согласно формуле 7 СНиП II-23-81*
где
- внутренние усилие в элементе фермы;
-
коэффициент продольного изгиба, принимаемый в соответствии с таблицей 72 СНиП II-23-81*;
-
поперечная площадь сечения элемента фермы;
-
расчетное сопротивление стали по пределу текучести, равное для стали С245 -
;
-
коэффициент условия работы, равный 0.8
Зададимся ориентировочным значением гибкости и для него вычислим значение
коэффициента продольного изгиба
Из
сортамента выбираем равнополочный уголок с площадью поперечного сечения больше,
чем
. Выбираем ∟40x3 со следующими
характеристиками:
-
;
-
;
-
;
-
Определим гибкость элементов:
где
- гибкость элементов соответственно в плоскости и из
плоскости фермы;
-
расчетные длины элементов;
- радиус
инерции сечения элементов соответственно в плоскости и из плоскости фермы;
- предельная
гибкость сжатых элементов, принимаем по таблице 19 СНиП II-23-81*
в зависимости от элемента конструкции
Т.к.
вычисленное значение гибкости элементов, соответственно в плоскости ,больше
предельной гибкости сжатых элементов, необходимо увеличить площадь поперечного
сечения, выбираем ∟70x5 со следующими характеристиками:
-
;
-
;
-
;
-
Проверка
выполняется, сечение равнополочного уголка удовлетворяет условию устойчивости
1. Результаты расчета элементов фермы сведены в таблицу 1 «Таблица
подбора поперечных сечений элементов стропильной фермы».
Таблица 1
Таблица подбора поперечных сечений элементов стропильной фермы
|
Тип элем.
|
Обозначение
|
N, кН
|
Состав сечения
|
A, см2
|
Lef,x, см
|
Lef,y, см
|
ix
|
iy
|
λx
|
λy
|
φ
|
γc
|
σ
|
Ry γc, кН/см2
|
|
ВП
|
5-6
|
-1072.4
|
T 30ШТ1
|
90.1
|
300
|
300
|
8.28
|
7.19
|
36.23
|
41.72
|
0.887
|
0.95
|
13.42
|
22.8
|
|
НП
|
15-14
|
1042.65
|
T 17.5ШТ1
|
47.03
|
600
|
1200
|
4.52
|
5.86
|
132.7
|
204.7
|
-
|
0.95
|
21.95
|
22.8
|
|
Р
|
1-12
|
-463.4
|
2∟120х8
|
37.6
|
212
|
424
|
3.72
|
5.35
|
56.98
|
79.25
|
0.542
|
0.95
|
22.74
|
22.8
|
|
1-13
|
379.17
|
2∟80x5
|
17.26
|
339
|
424
|
2.47
|
3.63
|
137.2
|
116.8
|
-
|
0.95
|
22.6
|
22.8
|
|
3-13
|
-294.92
|
2∟120х8
|
37.6
|
339
|
424
|
3.72
|
5.28
|
91.12
|
80.76
|
0.534
|
0.8
|
14.67
|
19.2
|
|
3-14
|
210.67
|
2∟80х5
|
17.26
|
339
|
424
|
2.47
|
3.56
|
137.2
|
119.1
|
-
|
0.95
|
12.2
|
22.8
|
|
5-14
|
-126.37
|
2∟120х8
|
37.6
|
339
|
424
|
3.72
|
5.21
|
91.12
|
81.38
|
0.533
|
0.8
|
6.3
|
19.2
|
|
5-15
|
42.12
|
2∟80х5
|
17.26
|
339
|
424
|
2.47
|
3.56
|
137.2
|
119.1
|
-
|
0.95
|
2.44
|
22.8
|
|
С
|
2-13
|
-59.58
|
2∟70х5
|
13.72
|
240
|
300
|
2.16
|
3.15
|
111.1
|
95.24
|
0.456
|
0.8
|
9.51
|
19.2
|
.4 Расчет узлов
Опорное ребро фермы предназначено для передачи опорной реакции на
колонну. Толщину опорного ребра принимаем конструктивно t=12мм. Опорная реакция фермы: R=327.7кН
необходимая ширина ребра
где
- опорная реакция стропильной фермы;
;
Ребро
крепится болтами d=20мм к надколонной стойке. Из условия размещения
болтов принимаем ширину ребра b=20 см. Требуемая полная длина сварного шва , а значит
и высота ребра:
Окончательно
размер h устанавливаем при вычерчивании с учетом требуемых
длин сварных швов, прикрепляющих опорный раскос к узлу стропильной фермы.
Принимаем
полуавтоматическую сварку в углекислом газе проволокой Св-08Г2С по Гост
2246-70* диаметром 1.4….2мм
Сравнивая два последних произведения делаем вывод , что расчет будем
производить по границе сплавления , так как второе произведение меньше первого.
|
Обозначение элемента
решетки
|
Усилие , кН
|
Сечение
|
Шов
|
|
|
|
По перу
|
По обушку
|
|
|
|
Kf
|
L
|
Kf
|
L
|
|
1-12 1-13 2-13 3-13 3-14 4-14 5-15
|
-463.41 379.17 -59.58 -294.92 210.67 -59.58 42.12
|
120х8 80х5 70х5 120х8 80х5
70х5 80х5
|
0.6 0.5 0.5 0.5 0.5 0.5 0.5
|
8 8 5 6 5 5 5
|
0.8 0.7 0.7 0.7 0.7 0.7 0.7
|
14 13 5 10 7 5 5
|
3 Расчет колонны
.1 Расчетные длины колонны
Расчетные длины отдельных частей колонны следует определять в
соответствии с п. 6.8, 6.11 прил.6 СНиП 2-23-81*. При этом предполагается, что
верхний конец колонны свободен от всяких закреплений.
Коэффициент расчетной длины μ для нижнего участка одноступенчатой
колонны следует принимать в зависимости от следующих величин (рис. )
hв/hн= 6.37/9.03= 0.7 > 0,6
N1,
мах / N2, мах = 1754 /357 = 4.9 > 3
Оба условия не выполняются
Принимаем
Расчетная
длина верхней части колонны в плоскости рамы
м
для
нижней части соответственно имеем
м
Расчетные
длины верхней
и нижней
частей
колонны из плоскости рамы определяем в соответствии с рис.
Расчетная
длина нижней части колонны из плоскости рамы:
lнy = hн/2=9.03/2=4.515
(м)
верхней
части колонны
lвy = hв-hб
=6.37-1.05=5.32 (м).
.2
Подбор сечения верхней части колонны
Верхняя
часть колонны рассчитывается на устойчивость при внецентренном сжатии и
проектируется из прокатного двутавра. Проверка устойчивости выполняется как в
плоскости, так и из плоскости действия изгибающего момента. Предварительно
определяется требуемая площадь поперечного сечения двутавра, которая находится
из условия его устойчивости в плоскости рамы (в плоскости действия момента):
где
N - продольное усилие, приложенное с эксцентриситетом e;
φе - коэффициент устойчивости, принимаемый в зависимости от условной
гибкости стержня
и
приведенного относительного эксцентриситета
,
где
W - момент сопротивления сечения для наиболее сжатого
волокна;
η - коэффициент влияния формы сечения
Для
симметричного двутавра можно воспользоваться следующими приближенными
зависимостями:
тогда
Определив
условную гибкость и приведенный относительный эксцентриситет, находим
коэффициент устойчивости и вычисляем требуемую площадь поперечного сечения
двутавра. В рассматриваемом случае имеем:
м,
Коэффициент
устойчивости φе=0,16596, а требуемая площадь поперечного сечения
двутавра
.
Требуемые
радиусы инерции сечения, исходя из условия, что предельная гибкость стержня
равна 120
С
учетом назначенной выше величины bв=500мм, по сортаменту принимаем Ι60Б1, имеющий следующие характеристики: h=593мм,
А=135.26см2, Jx=78759.99см4, Wx=2656см3, ix=24.13см,
Jy=3154см4, iy=4.83см, b=230мм,
tf=15.5мм, tw=10.5мм.
Последовательно
вычисляем:
,
,
,
,
,
, φе=0,1835.
Проверяем
устойчивость верхней части колонны в плоскости действия момента:
(кН/см2)
(кН/см2).
Устойчивость
стержня обеспечена.
Предельная
гибкость
.
Фактическая
гибкость
.
Проверка
верхней части колонны из плоскости действия момента. выполняется по формуле:
где
с - коэффициент, вычисляемый согласно требованиям п. 5.31 СНиПа
,
=5
;α=0.55+0.05
=0.55+0.05*5=0.8
β=
, φс- значение при
Проверяем
устойчивость верхней части колонны из плоскости рамы
(кН/см2)
(кН/см2).
Устойчивость
верхней части колонны обеспечена. На этом расчет верхней части колонны
завершен.
.3
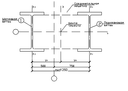
Подбор сечения нижней части колонны
Нижняя
часть колонны проектируется сквозной, симметричного строения, состоящей из двух
прокатных двутавров, соединенных друг с другом решеткой из прокатных
равнополочных уголков. Общий вид сечения нижней части колонны и расположение
осей показаны на рис. 1.9.
Определяем
усилия в ветвях по формуле
:
шатровая
ветвь
(кН);
Сечение
нижней части колонны
Отдельные
ветви работают на центральное сжатие и рассчитываются на устойчивость.
Поскольку обе ветви по проекту имеют одинаковое сечение, их требуемую площадь
определяем по максимальному усилию, принимая предварительно коэффициент
продольного изгиба φ=0,5:
(см2).
Требуемый
радиус инерции сечения ветви относительно оси Y (из плоскости
рамы):
(см).
По
сортаменту принимаем принимаем Ι50Ш2,
имеющий следующие характеристики: h=489мм, А=176.6см2, Jy=72529.99см4,
Wy=2967см3, iy=20.26см, Jx1=7899.99см4,
ix1=6.69см, b=300мм, tf=17.5мм, tw=14,5мм.
Проверяем
устойчивость ветви из плоскости рамы:
;
(кН/см2)
(кН/см2).
Из
условия равноустойчивости ветви в плоскости и из плоскости рамы определяем
максимальное расстояние между узлами решетки:
(см).
Принимаем
lв1=129, разделив нижнюю часть колонны на целое число
панелей и расположив раскосы решетки по отношению к ветви под углом около 450.
Проверяем устойчивость ветвей в плоскости рамы:
;
(кН/см2)
(кН/см2).
Для
расчета соединительной решетки подкрановой части колонны. необходимо выбрать
максимальную из фактически действующей и условной поперечных сил. Фактическая
поперечная сила Q определена при выполнении статического расчета
поперечной рамы - Q=137.1кН. Условная поперечная сила Qfic
определяется по формуле: при Ry=240МПа - Qfic=0,26А=0,26·2·176.6=91.83(кН).
Сравнивая
Qfic и Q, принимаем для расчета большее значение 137.1кН.
Раскосы
решетки расположены под углом α к
ветви, а
.
Усилие
сжатия в раскосе
(кН).
Требуемая
площадь раскоса решетки
(см2),
где
γс=0,75
Принимаем
уголок 80х8 с Ар=12.3см2 и минимальным радиусом инерции imin=2.44см.
Длина раскоса
(см); гибкость
;
коэффициент продольного изгиба φ=0,73;
напряжения в раскосе
(кН/см2)
(кН/см2).
Проверяем
устойчивость нижней части колонны как единого стержня в плоскости действия
момента. Для этого определяем геометрические характеристики всего сечения:
(см2);
(см4);
(см).
Гибкость
стержня
; приведенная гибкость составного элемента с
соединением ветвей на решетке (табл. 7 [1]):
,
где
Ad=2Ap;
α1 - коэффициент, определяемый по формуле (глава 8 [1]);
Условная
приведенная гибкость
.
Для
комбинации усилий, догружающих подкрановую ветвь:
,
(кН/см2)
(кН/см2).
Устойчивость
сквозной колонны как единого стержня из плоскости действия момента проверять не
нужно, так как она обеспечена проверкой устойчивости отдельных ветвей.
.4
Расчет базы колонны
База
является опорной частью колонны и предназначена для передачи усилий от колонны
на фундамент, и в ее состав входят опорная плита, траверсы, ребра, анкерные
болты, а также устройства для их крепления (столики, анкерные плиты и т.д.).
Конструктивное решение базы зависит от типа колонны и способа сопряжения ее с
фундаментом (жесткое или шарнирное). Существует два типа баз: общая и
раздельная. Последний вариант базы принят в курсовом проекте. Для расчета базы
выбираем из таблицы сочетаний неблагоприятные комбинации усилий в нижнем
сечении «А» колонны. При выборе расчетной комбинации усилий для шатровой ветви
анализируются все варианты с положительным моментом, а для подкрановой ветви -
с отрицательным моментом.В нашем примере для случая шатровой ветви имеем:
Mmax = 595 кНм; Nсоот
= 1680 кН;
кН,
а для подкрановой ветви:
Mmax = -1208
кНм; Nсоот = 1680 кН;
кН.
В
связи с тем, что максимальное усилие возникает в подкрановой ветви, выполняем
далее именно ее расчет. Требуемая площадь опорной плиты:
где
Rb - призменная прочность бетона φb -
коэффициент увеличения Rb до Rb,loc в зависимости от соотношения площади верхнего обреза
фундамента Аf к рабочей площади опорной плиты
.
Принимаем
φb =
1,2, Rb,loc = 1,2×0,95=1,14 кН/см2,
.
При
назначении размеров опорной плиты следует учитывать следующие требования:
- центры тяжести ветви и опорной плиты должны совпадать;
- свесы плиты должны быть не менее 40мм;
толщину траверсы принимают равной 10-24мм.
Исходя из этих требований, назначаем размеры плиты - 600 х 420мм, а
толщину траверсы - 20мм (рис. 1.10).
Среднее фактическое напряжение под опорной плитой:
.
Определяем
изгибающие моменты на отдельных участках плиты Номера участков приняты по рис.
1.10:
Участок
1. (консольный свес с1 = 4,0см):
(кНсм).
Участок
2. Плита, опертая по трем сторонам:
,
где
а - меньшая сторона плиты;
т.к.
в2 /а2 =30/5,55=5,4>2, то рассчитываем этот участок, как консольный.
(кНсм).
База
ветви колонны
Участок
3. На участке 3 плита оперта по четырем сторонам:
;
т.к.
в3/а3 =45.4/14,27=3.18>2, то момент находим как в однопролетной балке
пролетом а3 = 14,27см.
(кНсм).
Требуемую
толщину плиты определяем по наибольшему моменту Мmax= 17.56 кНсм,
как для балки сечением
.
По
сортаменту [7] листовой горячекатаной стали С235, с учетом припуска на
фрезеровку -2 мм принимаем tпл = 20мм.
Высоту
траверсы hт определяем из условия размещения сварного шва
прикрепления траверсы к ветви колонны. В запас прочности считаем, что все
усилие в ветви передается через 4 угловых шва. Сварка полуавтоматическая,
проволокой марки Св-08А, d=1,4 … 2мм. Принимаем kf =8мм.
Требуемую
длину шва определяем из условия прочности по металлу шва:
, где
bf = 0,9; Rwf =
180 МПа = 18 кН/см2; gс =1; gwf =1;
.
Расчетная
длина флангового шва должна удовлетворять условию:
,83
< 85bf kf = 85×0,9×0,8 = 61,2 (см) (п. 12.8 [1]).
Принимаем
hт = 38см.
Проверяем
траверсу как однопролетную балку, шарнирно опирающуюся на полки ветви колонны.
Равномерно
распределенная нагрузка на траверсу (рис. 1.10):
,
Момент
в середине пролета:
Поперечная сила на опоре:
Геометрические характеристики траверсы:
Прочность траверсы по нормальным напряжениям:
(кН/см2)
(кН/см2).
Прочность
траверсы на срез у опоры:
(кН/см2)
(кН/см2),
где
Rs=0,58Ry - расчетное сопротивление стали сдвигу
Прочность
траверсы обеспечена.
Определяем
требуемый катет швов, прикрепляющих траверсы к опорной плите. Сварка ручная
электродами типа Э42А, bf =
0,7:
.
Принимаем
kf = 10мм.
Анкерные болты служат для передачи растягивающих усилий от колонны на
фундамент. Их рассчитывают на специальную комбинацию усилий. М=975.7 кНм; N=678.1 кН. Усилие отрыва от
фундамента, приходящееся на анкерные болты:
.
Требуемая площадь сечения анкерных болтов:
где
Rb=18,5 кН/см2 - расчетное сопротивление растяжению
фундаментных болтов, выполненных из стали ВСт3кп2 (табл. 60 [1]).
.
Диаметр анкеров назначается от 20 до 76мм, т.к. более толстые анкеры
сложны в изготовлении.
Принимаем анкер диаметром d=64мм
с площадью нетто
.
При размещении анкерных болтов необходимо соблюдать следующие требования:
- центр тяжести ветви и равнодействующая усилий в анкерах должны
лежать на одной оси;
- для того чтобы можно было свободно повернуть гайку при затяжке
болтов, минимальное расстояние от оси болта до траверсы желательно принимать
1,5d;
для обеспечения возможности сдвижки колонны во время монтажа по
фундаменту во все стороны, анкерные болты выносят за опорную плиту примерно на
20мм. Кол-во болтов 2
Последним рассчитываемым элементом базы колонны является анкерная плитка
(рис.). Ее рассчитывают как балку, свободно опертую на траверсы и нагруженную
сосредоточенной силой от анкера.
Усилие в одном анкере:
.
Изгибающий момент в среднем сечении плитки:
Из условия размещения анкерных болтов назначаем ширину плитки равной
300мм.
Анкерная плитка
Толщину анкерной плитки определяем из условия прочности по нормальным
напряжениям:
.
Момент
сопротивления ослабленного отверстием сечения:
(см).
Принимаем
t=50 мм.
Литература
1.
СНиП II-23-81*. Стальные
конструкции/Госстрой России.- М.: ГУП ЦПП, 2000.- 96 с.
.
СНиП 2.01.07-85*. Нагрузки и воздействия/Госстрой России.- М.: ГУП ЦПП, 1996.-
36 с.
3. СНиП 2.03.01-84*. Бетонные и железобетонные
конструкции/Минстрой России.- М.: ГУП ЦПП, 1996.- 77 с.
4.
Металлические конструкции. Общий курс: Учебник для вузов/Е.И. Беленя, В.А.
Балдин, Г.С. Ведеников и др.; Под общ. ред. Е.И. Беленя.- 6-е изд., перераб. и
доп.- М.: Стройиздат, 1986.- 560 с.
5. Металлические конструкции. В 3 т. Т.1. Элементы стальных
конструкций: Учебное пособие для строит. вузов/В.В. Горев, Б.Ю. Уваров, В.В.
Филиппов и др.; Под ред. В.В. Горева.- М.: Высш. шк., 1997.- 527 с.
6.
Мандриков А.П. Примеры расчета металлических конструкций: Учебное пособие для
техникумов.- 2-е изд., перераб. и доп.- М.: Стройиздат, 1991.- 431 с.
7. Сокращенный сортамент металлопроката для применения в
строительных стальных конструкциях: Методические указания/Д.Б. Демченко.-
Ростов н/Д: Рост. гос. строит. ун-т, 2005.- 24 с.