|
Состав покрытия
|
Нормативная
нагрузка gn, кН/м2
|
gg
|
Расчетная
нагрузка g, кН/м2
|
|
1. Защ. слой из
бит. мастики с втоплен. гравием g=21 кН/м3 h=10 мм
|
0,21
|
1,3
|
0,27
|
|
2.
Гидроизоляционный ковер 4 слоя
|
0,20
|
1,3
|
0,26
|
|
3. Асфальт.
стяжка h=20 мм g=18 кН/м3
|
0,36
|
1,2
|
0,43
|
|
4. Утеплитель
из пенопласта ФРП-1 h = 100 мм, g=0,5кН/м3
|
0,4
|
1,3
|
0,52
|
|
5. Стальная
панель с профилированным настилом, h =10
мм,
|
0,105
|
1,3
|
0,11
|
|
6.
Собствен.масса фермы
|
0,30
|
1,05
|
0,21
|
|
7. Связи
|
0,04
|
1,05
|
0,042
|
|
8. Прогоны
|
0,07
|
1,05
|
0,074
|
|
Итого
|
1,585
|
|
1,916
|
Расчетная равномерно распределенная линейная нагрузка на
ригель рамы:
qп = q × В = 1,916× 6 = 11,496 кН/м
Опорная реакция ригеля на раму:
RП =qп∙ l/2=11,496∙30/2=172,44
кН
Мп=RП∙l=172,44∙0,500=86,22 кН∙м;
Рисунок 4 - Схема рамы, загруженной постоянной нагрузкой
2.2 Снеговая нагрузка
Для расчёта рамы распределение снеговой нагрузки по покрытию
принимается равномерным. Расчетная снеговая нагрузка на покрытие (Sg - Расчетное значение веса
снегового покрова Sg на 1 м2 горизонтальной поверхности земли,
принимаемое по табл. 4 СНиП 2.01.07-85* для IV снегового района):
Рсн = S∙В = 2,4∙6=14,4 кН/м, где S=Sg∙μ=2,4∙1=2,4кН/м
RS=Pсн∙L/2=14,4∙30/2=216 кН
Мs = RS∙e=216∙0,5=108 кН
Рисунок 5 - Схема рамы, загруженной снеговой нагрузкой
2.3 Ветровая нагрузка
Значение напора ветра на определённой высоте от земли:
= W0×k×c×γw
где W0 - нормативное значение ветрового давления [1, табл. 5],
для 4 ветрового района W0 = 0,48 кН/м2;
с - аэродинамический коэффициент:
с = + 0,8 - с наветренной стороны;
с = - 0,6 - с подветренной стороны.
γw =1,4 - коэффициент надежности
В-шаг рам, 6 м.
Рисунок 6- К расчету ветровой нагрузки
q5 = 0,48×0,5×0,8×1,4×6 =
1,613 кН/м
q8,4 = 0,48×0,602×0,8×1,4×6= 1,941 кН/м
q10= 0,48×0,65×0,8×1,4×6= 2,100 кН/м
q12,1= 0,48×0,692×0,8×1,4×6= 2,232 кН/м
S5=1,613∙5=8,065 кН
S8,4 =
кН
Ветровая активная нагрузка:
Ветровая пассивная нагрузка:
Сосредоточенная ветровая нагрузка W' и W''
W' = (
)∙3,7/2=(1,941+2,100+2,232)∙3,7/2=11,61
кН
W'' = 11,61∙0,75 = 8,71 кН
Учитывая, что ригель в продольном направлении принимается
абсолютно жестким, действие сосредоточенных сил с наветренной и заветренной
сторон здания принимаем как действие суммы этих сил, приложенных с наветренной
стороны:
W = W′ + W″= 11,61+8,71= 20,32 кН
Рисунок 7 - Схема рамы, загруженной ветровой нагрузкой
3. Проектирование сквозного ригеля
Усилия в стержнях фермы рассчитаны в программе SCAD 11.5.
3.1 Подбор сечения элементов
Рисунок 8 - Трапециевидная ферма пролетом 30 м
Расчетные усилия в стержнях фермы
Расчетные длины в плоскости фермы (lx):
lx = lг - для опорных раскосов, опорных стоек, элементов
верхнего и нижнего поясов, (1, табл. 11);
lx = 0,8∙ lг - для прочих элементов
решетки, (1, табл. 11);
Расчетные длины из плоскости фермы (lу):
lу = l1;
где l1 - расстояние между узлами, закрепленными от
смещения из плоскости фермы.
Предельные гибкости элементов:
По (3, гл. 9, § 4, п. 2) принимаем предельные гибкости для
элементов:
[λ] = 250 - для растянутых поясов и
опорных раскосов;
[λ] = 350 - для прочих растянутых
элементов;
[λ] = 120 - для сжатых поясов,
опорных стоек и опорных раскосов;
[λ] = 150 - для прочих сжатых
элементов.
Подбор сечения:
Для растянутых элементов
Aтр =N/2Ry γс - требуемая площадь сечения 1 уголка
где γс=0,95 [1, табл. 6], Ry=23 кН/см2
λmax=lрасч./i ≤ [λ]
Для сжатых элементов
Aтр =N/2φRy
γс - требуемая площадь сечения 1 уголка
где γс=0,95 (1, табл. 6), Ry=27 кН/см2, задаемся λ=100,
при которой φ=0,6
λmax=lрасч./i ≤ [λ]
После назначения сечения определяем φmin при λmax и повторяем главную проверку напряжений.
Для растянутых элементов, для которых возможно сжимающее усилие
(соизмеримое с растягивающим) выполняются обе проверки. (В данной работе таких
элементов нет)
Уголки принимаем с полкой толщиной не менее 5 мм для обеспечения
возможности сварки по перу.
Таблица 2 - Подбор сечения элементов ригеля
Элемент Обозначение элемента Расчетное
усилие Состав сечения А, см2 Радиус инерции, см Расчетная
длина, см гибкость
|
[λ] 
|
|
|
|
|
|
|
|
|
|
    
|
|
|
|
|
|
|
|
|
|
|
ВП
|
2-3
|
103,60
|
┐┌
100x10
|
38,4
|
3,05
|
4,52
|
252
|
252
|
82,63
|
-
|
250
|
0,95×23 =21,85
|
2,69
|
|
3-5
|
-319,34
|
┐┌
100х10
|
38,4
|
3,05
|
4,52
|
604
|
604
|
198,1
|
133,6
|
0,768
|
120
|
21,85
|
10,82
|
|
5-7
|
-421,51
|
┐┌
100х10
|
38,4
|
3,05
|
4,52
|
604
|
604
|
198,1
|
133,6
|
0,710
|
120
|
|
15,46
|
|
НП
|
1-9
|
174,45
|
┐┌
50х5
|
9,60
|
1,53
|
2,45
|
575
|
575
|
375,8
|
234,6
|
0,710
|
120
|
|
22,59
|
|
9-8
|
386,92
|
┐┌
63х5
|
18,76
|
2,47
|
2,96
|
600
|
600
|
242,9
|
202,7
|
-
|
250
|
|
20,62
|
|
8-10
|
400,73
|
┐┌
63х5
|
18,76
|
2,47
|
2,96
|
600
|
600
|
242,9
|
202,7
|
-
|
250
|
|
Стойки
|
4-9
|
-43,49
|
┐┌
50х5
|
9,60
|
1,53
|
2,45
|
280
|
350
|
183,0
|
142,8
|
0,768
|
120
|
|
5,89
|
|
6-8
|
-43,49
|
┐┌
50х5
|
9,60
|
1,53
|
2,45
|
340
|
425
|
222,2
|
173,4
|
0,768
|
120
|
|
5,89
|
|
Раскосы
|
1-3
|
-310,51
|
┐┌
100х10
|
38,40
|
3,05
|
4,52
|
325
|
406
|
106,6
|
89,82
|
0,449
|
120
|
|
18,00
|
|
3-9
|
196,45
|
┐┌
50х5
|
9,60
|
1,53
|
2,45
|
391
|
490
|
255,5
|
200
|
-
|
250
|
|
20,46
|
|
9-5
|
-112,98
|
┐┌
75х6
|
17,56
|
2,30
|
3,44
|
431
|
540
|
187,3
|
156,9
|
0,710
|
120
|
|
9,06
|
|
5-8
|
42,27
|
┐┌
50х5
|
1,53
|
2,45
|
431
|
540
|
281,6
|
220,4
|
-
|
250
|
|
4,40
|
|
8-7
|
30,01
|
┐┌
50х5
|
9,60
|
1,53
|
2,45
|
476
|
595
|
311,1
|
242,8
|
0,710
|
120
|
|
4,40
|
3.2 Расчет и конструирование узлов
Принимаем толщину фасонки опорного узла
остальных узлов -
.
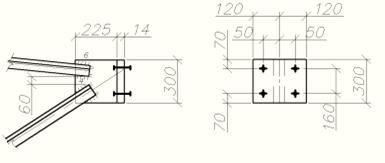
Верхний опорный узел:
Назначаем толщину швов крепления верхнего пояса 2-3 на обушке -6
мм, на пере - 4 мм.
Определение длины:
Размеры фасонки 300х225х12 мм
Определяем количество болтов крепления опорного фланца к колонне
(болты работают на растяжение).
Принимаем болты Ø16,
нормальной
точности, класса 4.8 из стали 40Х «Селект» с расчетным сопротивлением
растяжению Rbt=160Мпа (1, т. 58) и площадью нетто болта Ант=1,57см2
(1, т. 62).
Усилие, воспринимаемое 1 болтом:
принимаем 4 болта Ø16.
Принимаем опорный фланец верхнего пояса 300х240х14,
Определяем катет крепления фасонки к фланцу:
принимаем k=6 мм.
Проверка фланца на изгиб (продольное усилие проходит через центр
фланца):
Определяем момент во фланце:
.
Напряжение во фланце:
Рисунок 9 - Верхний опорный узел
Нижний опорный узел:
Назначаем толщину швов крепления нижнего пояса 1-9 на обушке - 8
мм, на пере - 6 мм.
Определение длины:

Назначаем толщину швов крепления стержня раскоса 1-3: на
обушке - 12 мм, на пере - 8 мм.
Определение длины:
Принимаем опорный фланец нижнего пояса 380х240х14 мм.
Проверка опорного фланца на торцевое смятие:
R - опорная реакция фермы; Rсм.т.=37кН/см2
- расчетное сопротивление стали С275 смятию торцевой поверхности.
Принимаем фасонку 380х300х12 мм.
Расчет швов крепления фасонки к опорному фланцу.
Принимаем катет шва крепления 10 мм:
Касательное напряжение в шве от вертикальной силы:
R - опорная реакция фермы
Нормальное напряжение от действия момента:
Нормальное напряжение от продольной силы по стержню 1-11
Определяем угловые швы крепления опорного столика:
Принимаем опорный столик 180х110х30 мм.
Опорный фланец крепят к полке колонны на болтах нормальной
точности Ø16 мм,
которые ставят в отверстия на 3-4 мм больше диаметра болтов, чтобы они не могли
воспринять опорную реакцию в случае неплотного опирания фланца на опорный
столик.
Рисунок 10 - Нижний опорный узел
Промежуточный узел:
Назначаем толщину швов крепления верхнего пояса 2-3 на обушке
- 6 мм, на пере - 4 мм:
Назначаем толщину швов крепления раскоса 1-3 на обушке - 8 мм, на
пере - 6 мм:
Назначаем толщину швов крепления
раскоса 9-3 на обушке - 7 мм, на пере - 5 мм:
Назначаем толщину швов крепления
верхнего пояса 3-5 на обушке - 8 мм, на пере - 6 мм:
Размеры фасонки 500х210х10 мм.
Рисунок 11 - Промежуточный узел
Верхний укрупнительный монтажный узел:
Назначаем толщину швов крепления верхнего пояса 5-7 на обушке
- 6 мм, на пере - 8 мм:
Определение длины швов:
Назначаем толщину швов крепления раскоса 8-7 на обушке - 6 мм, на
пере - 4 мм:
Определение длины швов:
Назначаем горизонтальную накладку 940х145х12 мм.
Сварные швы двух вертикальных стыковых накладок
рассчитываются на усилие:
N=N5-7+ N8-7·cosα=-421,51+30,01·cos 280=-395,01 кН
Принимаем катет сварного шва kш=10 мм, тогда требуемая
длина шва:
Назначаем размеры фасонки: 400х210х12 мм.
Принимаем вертикальную накладку 140х220х8 мм.
Рисунок 12 - Верхний укрупнительный узел
Нижний укрупнительный монтажный узел:
Назначаем толщину швов крепления нижнего пояса 9-8 на обушке
- 6 мм, на пере - 4 мм:
Назначаем толщину швов крепления раскоса 5-8 на обушке - 6
мм, на пере - 4 мм:
Назначаем толщину швов крепления
стойки 6-8 на обушке - 5 мм, на пере - 3 мм:
Назначаем толщину швов крепления
раскоса 7-8 на обушке - 6 мм, на пере - 4 мм:
Назначаем вертикальную накладку:
180х180х10 мм,
Назначаем горизонтальную накладку:
700х300х8 мм,
Размер фасонки: 640х300х10
мм.
Рисунок 13 - Нижний укрупнительный узел
Список
использованных источников
1. СНиП
2.01.07-85*. Нагрузки и воздействия / Госстрой СССР-М. Стройиздат, 1993 г.
2. СНиП
II-23-81*. Стальные
конструкции / Минстрой России. - М.: ГП ЦПП, 1996 г. - 96 с.
. Металлические
конструкции. Общий курс: Учебник для ВУЗов/ Е.И. Беленя, В.А. Балдин, Г.С.
Ведеников и др.; Под общ. ред. Е.И. Беленя. - 6-е изд., перераб. и доп. - М.:
Стройиздат, 1986. - 560 с., ил.