Стальной каркас одноэтажного производственного здания

  • Вид работы:
    Курсовая работа (т)
  • Предмет:
    Строительство
  • Язык:
    Русский
    ,
    Формат файла:
    MS Word
    214,78 Кб
  • Опубликовано:
    2014-07-24
Вы можете узнать стоимость помощи в написании студенческой работы.
Помощь в написании работы, которую точно примут!

Стальной каркас одноэтажного производственного здания

УО "Полоцкий государственный университет"

Инженерно-строительный факультет

Кафедра строительных конструкций










Курсовой проект

Стальной каркас одноэтажного производственного здания


Исполнитель:

студент 5 курса группы 03ПГС-1

Казаченко В.А.

Руководитель проекта:

Машковцев Георгий Денисович




Новополоцк 2007

Содержание

Введение

. Компоновка конструктивной схемы каркаса здания

.1 Тип ограждающих конструкций

.2 Выбор шага колонн

.3 Определение основных размеров поперечной рамы

.4 Выбор схемы связей

.5 Система фахверков

. Расчет поперечной схемы здания

.1 Расчетная схема рамы

.2 Сбор нагрузок на поперечную раму

.3 Статический расчет поперечной рамы

3. Расчет конструкций стропильной фермы

.1 Сбор нагрузок на ферму

.2 Определение усилий в стержнях фермы

. Расчет ступенчатой колонны производственного здания

.1 Определение расчетных длин колонны

.2 Подбор сечения верхней части колонны

.3 Подбор сечения нижней части колонны

.4 Расчет решетки подкрановой части колонны

.5 Расчет и конструирование узла сопряжения верхней и нижней частей колонны

.6 Расчет и конструирование базы колонны

5. Расчет и конструирование подкрановой балки

5.1 Нагрузки на подкрановую балку

.2 Подбор сечения балки

Список используемой литературы

Введение

каркас здание балка колонна

Металлические конструкции благодаря своим высоким технико-экономическим показателям применяются во всех отраслях народного хозяйства. Широкое использование в строительстве металлических конструкций позволяет проектировать сборные элементы зданий и сооружений сравнительно малой массы, организовывать поточное производство конструкций на заводах и поточно-блочный монтаж их на строительной площадке, ускорять ввод в эксплуатацию.

Целью данного курсового проекта является: научиться проектировать конструкции каркаса производственного здания, закрепить полученные теоретические знания, научиться анализировать и сравнивать варианты конструкций, сечений, узлов и т.д. с различных точек зрения (расход металла, удобство монтажа и транспортирования, возможности изготовления и др.), а также закрепить умение пользоваться нормативной литературой.

1. Компоновка конструктивной схемы каркаса здания

Исходные данные: механосборочный цех однопролетный, пролетом 30 м, оборудован двумя мостовыми кранами грузоподъемностью Q=125 т легкого режима. Длина здания 132 м, отметка головок рельса 16 м.

 

.1 Тип ограждающих конструкций

 

В качестве ограждающей конструкции для стен выбираем навесную панель из железобетона и утеплителя толщиной 300 мм и размером 1,2 х 12 м., для покрытия - стальную панель размером 3 х 12 м с плоским настилом толщиной 4 мм.

 

.2 Выбор шага колонн


Принимаем шаг колонн 12 м, привязка колонн а= 500 мм. Колонны по торцам здания имеют привязку 500 мм, для возможности использования типовых стеновых ограждений.

1.3 Определение основных размеров поперечной рамы


Вертикальные габариты здания зависят от технологических условий производства и определяются расстоянием от уровня пола до головки подкранового рельса h1, и расстоянием от головки подкранового рельса до низа несущих конструкций h2.

Вертикальные размеры:

Размер h2 диктуется высотой мостового крана

= (НК + 100) + f = (4000 + 100) + 120 = 4220 мм

где НК + 100 - расстояние от головки рельса до верхней точки тележки крана, плюс установленный по технике безопасности зазор между этой точкой и строительными конструкциями, равный 100мм, НК =4000мм - по прил. 1 [1];- размер, учитывающий прогиб конструкции покрытия (ферм, связей).

= L / n0=30000/250=120 мм.

Принимаем h2 = 4400 мм, кратно 200 мм.

Высота цеха от уровня пола до низа стропильных ферм

о ≥ h2 + h1 = 4400 +16000 = 20400 мм

- наименьшая отметка головки кранового рельса. Принимаем Но =21600 мм.

Определим размеры верхней части колонны hв, нижней части hн и высоту у опоры ферм hо:

в = (hп.б. + hр.) + h2 = (1800 + 170) + 4400 = 6370 мм=6400 (кратно 200),

где hп.б. - высота подкрановой балки;р. - высота кранового рельса, предварительно принимаем 170 мм.

При заглублении базы колонны на 1000 мм ниже пола

н = Hо - hВ + 1000 = 21600 - 6400 + 1000 = 16200 мм

Общая высота колонны от низа базы до низа фермы

Н = hн + hв = 16200 + 6400 = 22600 мм.

Высота части колонны в пределах фермы hо принимается равной 3150 мм при пролете 30 м.

Горизонтальные размеры:

Необходим проход в теле колонны, и поэтому привязка а = 500 мм. Высота сечения верхней части колонны h = 1000 мм (> hВ / 12 =6400/12=533,3). Высоту сечения колонны в пределах высоты фермы принимаем 700 мм (назначается с учетом унифицированных привязок наружных граней колонны к разбивочной оси, а также привязки ферм к разбивочной оси (500 + 200)).

Для того чтобы кран при движении не задевал колонну, расстояние от оси подкрановой балки до оси колонны должно быть не менее

≥ B1 + (bв - a) + 75 = 400 + (1000 - 500) + 75 = 975 мм;

где B1 - размер части кранового моста, выступающий за ось рельса, принимаем по прил. 1 [1];

мм - зазор между краном и колонной, по требованиям безопасности принимаемый по ГОСТу на краны.

Принимаем l1 = 1000 мм, кратным 250 мм (т. к. пролеты кранов LК имеют модуль 500 мм).

Т. к. ось подкрановой ветви колонны необходимо совместить с осью подкрановой балки, то высоту сечения нижней части колонны принимаем

н = l1 + а = 1000 + 500 = 1500 ммн ≥ 1/20 Н = 1130 мм

Пролет мостового крана

К = l - 2 l1 = 36000 - 2*1000 = 34000 мм

Верхнюю часть колонны принимаем сплошного сечения, нижнюю - составного сечения.

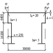
Рис. 1. Схема поперечной рамы

1.4 Выбор схемы связей

Связи между колоннами. Предельные размеры между вертикальными связями от торца блока до оси ближайшей вертикальной связи в отапливаемых цехах 90 м, в неотапливаемых и горячих 75 м. Принимаем размещение связей на расстоянии 60м, в центральном пролете.

Связи по покрытию. Для горизонтальных связей при шаге стропильных ферм 6м обычно применяют крестовую решетку, раскосы которой работают только на растяжение. При этом получается довольно экономичное решение, если стойки связевых ферм законструировать из двух уголков, а раскосы - из одиночных уголков.

1.5 Система фахверков

Фахверком называется система конструктивных элементов, служащих для поддержания стенового ограждения и восприятия (с последующей передачей на фундаменты и другие конструкции) ветровой нагрузки.

Принимаем сечение стоек фахверка, выполненное в виде прокатного двутавра. Стойки опираются на фундамент и с помощью листового шарнира, передающего горизонтальные усилия, но не стесняющего вертикальные перемещения ферм, - на связи по нижним поясам ферм.

Стойки фахверка устанавливаем в торцах здания. Для обеспечения устойчивости стоек фахверка в плоскости стен устраиваем распорки, которые крепятся к вертикальным связям.

В торцах здания необходимо предусмотреть также ворота для автомобильного и железнодорожного транспорта. Сверху, над воротами, предусматриваем надворотный ригель (ригель фахверка). Размеры ворот 3х3 м - для автомобильного транспорта, 4,7х5,6 м - для железнодорожного транспорта. Для устройства этих ворот необходимо разработать систему фахверков.

2. Расчет поперечной схемы здания

.1 Расчетная схема рамы

В соответствии с конструктивной схемой (рис.1) выбираем ее расчетную схему и основную систему (рис. 2). Расстояние между центрами тяжести верхнего и нижнего участков колонн

е0 = 0,55 (bн - bв) = 0,5(1500 - 1000) = 250 мм = 0,25 м

Соотношение моментов инерции: Iн / Iв = 5 (учитываем, что верхняя часть колонны с проходом); IР / Iн = 4; Если Iв = 1, Iн = 5, IР = 20. Сопряжение ригеля с колонной назначаем жестким.

Рис. 2 Расчетная схема рамы

.2 Сбор нагрузок на поперечную раму

Все нагрузки подсчитываются с учетом коэффициента надежности по назначению (γн = 0,95 для промышленного здания, стр. 34 [2]).

Постоянная нагрузка.

Нагрузку на 1 м2 кровли подсчитываем по таблице 1.

Таблица 1. Постоянная поверхностная распределенная нагрузка на покрытия

Состав покрытия

Нормативная, кПа

Коэффициент перегрузки

Расчетная, кПа

Защитный слой (битумная мастика с втопленным гравием) γ = 21 кН/м³ t = 20мм

0,42

1,3

0,55

Гидроизоляция (4 слоя рубероида)

0,2

1,3

0,26

Пароизоляция (1 слой рубероида)

0,04

1,3

0,05

Стальная панель с плоским настилом

0,57

1,05

0,6

Собственный вес металлических конструкций шатра (фермы, связи)

0,46

1,05

0,48

gнкр = 1,69 кПа gкр = 1,94кПа

Расчетная равномерно распределенная линейная нагрузка на ригель рамы

п = γн gкр bф / cosα = 0,95*1,94*12 /1 = 22,12 кН/м,

где bф - шаг стропильных ферм;

γn - коэффициент надежности по назначению, γn =0,95.

Опорная реакция ригеля рамы

= qп l/2 = 22,12*30 /2 = 331,8 кН.

Расчетный вес колонны. Верхняя часть (20% веса)

В = 0,95∙1,05∙0,2∙0,7∙12∙15= 25,14 кН

Нижняя часть (80% веса)

Н = 0,95∙1,05∙0,8∙0,7∙12∙15 = 100,55 кН

Поверхностная масса стен 200 кг/м³, переплетов с остеклением 35 кг/м³. В верхней части колонны (включая вес этой части колонны):

F1 = γn (1,2∙2∙(3,6+4,5)∙12 + 1,1∙0,35∙1,8∙12) + 25,14 = 254,66 кН

В нижней части колонны:

F2 = γn (1,2∙2∙(6+3,2)∙12 + 1,1∙0,35∙6∙12) + 100,55 = 378,60 кН

Постоянные нагрузки показаны на рис. 3.

Рис. 3. Постоянные нагрузки на раму

Снеговая нагрузка.

По прил. [4] вес снегового покрова р0 = 1,0 кПа. При gнкр / р0 = 1,69 / 1,0 = 1,69 коэффициент перегрузки n = 1,4. Линейная распределенная нагрузка от снега на ригель рамы

сн = γн ∙n∙c∙р0∙bф = 0,95∙1,4∙1∙1,0∙12 = 15,96 кН/м,

где с - коэффициент перехода от нагрузки на земле к нагрузке на 1 м2 проекции кровли, равный при уклоне до 25о единице.

Опорная реакция ригеля

= 15,96·30/ 2 = 239,4 кН

Рис. 4 Снеговая нагрузка на раму

Вертикальные усилия от мостовых кранов.

База крана (4,57 м) и расстояние между колесами двух кранов (3,18 м), а также нормативное усилие колеса - по приложению 1 (Fk1max = 520kH; Fk2max = 550kH).


Расчетное усилие, передаваемое на колонну колесами крана:

Dmax = γн (nnc∑ Fk max y + nGп + ngнbтb) =0,95(1,1∙0,85∙(520×2.443+550×2.441) + 1,05∙60 + 1,2∙1,5∙1,5∙12) = 2538,5 кН

, nc - коэффициенты перегрузки и сочетаний; Fk max - нормативное вертикальное усилие колеса; y - ордината линии влияния; Gп - нормативный вес подкрановых конструкций; gн - полезная нормативная нагрузка; bт - ширина тормозной площадки; b - шаг колонн.

Нормативные усилия, передаваемые колесами другой стороны крана:

FК = (9,8Q + QК) / n0 - FК max = (9,8∙125 +1550) / 4 - 550 = 143,75 кН

Dmin = γн (1,1∙0,85∙143,75×4,884+ 1,05·60 + 32,4) = 714,30 кН

Сосредоточенные моменты от вертикальных усилий Мmax, Мmin:

Определяем расстояние от оси подкрановой балки до оси, проходящей через центр тяжести нижней части колонны:

ек = 0,5hн = 0,5∙1500 = 0.75 м;

Мmax = ек Dmax = 0.75∙2538,5 = 1901,60 кНм;

Мmin = ек Dmin = 0.75∙714,3 =535,70 кНм.

Горизонтальная сила от мостовых кранов, передаваемая одним колесом:

Рис.5. Нагрузки от мостовых кранов

ТКн = 0,05(9,8Q + GТ)/n0 = 0,05(9,8∙125 + 430)/4 = 20,69 кН

Расчетная горизонтальная сила Т, передаваемая подкрановыми балками на колонну от сил ТК:

Т = γнnnc∑ Тkн y = 0,95∙1,1∙0,85∙20,69∙4,884 = 89,75кН

Считаем условно, что сила Т приложена в уступе колонны.

Ветровая нагрузка.

Нормативный скоростной напор ветра q 0 = 0,27 кПа. Тип местности - А. Коэффициенты k для 10м - 1; 20 м - 1,25; 30 м - 1,4.

Расчетная линейная ветровая нагрузка, передаваемая на стойку рамы:

- аэродинамический коэффициент;

с = 0,8 - с наветренной стороны; с = 0,6 - со стороны отсоса;- коэффициент перегрузки, n = 1,2;

В - ширина расчетного блока.

Линейная распределенная нагрузка при высоте:

до 10 м: 2,95∙1 = 2,95 кН/м;

м: 2,95∙1,25 = 3,69 кН/м;

м: 2,95∙1,4 = 4,13 кН/м.

,6 м: 3,79 кН/м;

,75 м : 3,94 кН/м.

Сосредоточенные силы от ветровой нагрузки:


Эквивалентные линейные нагрузки:



Рисунок 6 - ветровая нагрузка

2.3 Статический расчет поперечной рамы

Расчет на постоянные нагрузки. Основная система приведена на рис. 3, а, а схема нагрузки - на рис. 4,5. Сосредоточенный момент из-за смещения осей верхней и нижней частей колонны:

= - (331,8+254,66) ∙0,25 = -146,62 кН∙м

Параметры по табл.12.4 [1]:

=1/5=0,2;=6,4/22,6=0,28 ≈ 0,3

Каноническое уравнение левого узла


Моменты от поворота узлов на угол φ = 1(M1):


Моменты от нагрузки на стойках (Mр):

=0,353∙(-146,62)= - 51,76 кН∙м

= - 0,145∙(-146,62)=21,26 кН∙м

= - 0,695∙(-146,62)= 101,90 кН∙м

=( - 0,695+1) ∙(-146,62)= -44,72 кН∙м

Моменты на опорах ригеля (защемленная балка постоянного по длине сечения)

/12 = - 22,12∙302 /12 = - 1659 кН∙м

Коэффициенты канонического уравнения:


Угол поворота

=1680,26 / 7,085i = 237,16 / i.

Моменты от фактического угла поворота (М1φ):


Эпюра моментов  от постоянной нагрузки:


Проверкой правильности расчета служит равенство моментов в узле В (-228,9 =-228,9), равенство перепада эпюры моментов в точке С (156,7-10,04= 146,66), внешнему моменту (146,62 кН), а так же равенство поперечных сил на верхней и нижней частях колонны


Рис. 7. Эпюры усилий в раме от постоянной нагрузки

Расчет на нагрузку от снега.

Проводится аналогично расчету на постоянные нагрузки. Сосредоточенный момент на колонне:


Моменты от нагрузки:


Коэффициенты канонического уравнения:


Угол поворота

=1205,68 / 7,085i = 170,17 / i.

Момент от фактического угла поворота :


Рис. 8. Эпюры усилий в раме от снеговой нагрузки

= Qa = -(129,8+38,7)/16,2 = -10,4= Na = -239,4 kHриг = -10,4 kH

Расчет на вертикальную нагрузку от мостовых кранов.

Расчет проводится при расположении тележки крана у левой стойки. Основная система и схема нагрузки приведены на рисунке:

Рис. 9. К расчету рамы на вертикальную нагрузку от кранов.

Проверка возможности считать ригель абсолютно жестким:


Каноническое уравнение для определения смещения плоской рамы:


Моменты и реакции от смещения верхних узлов на ∆=1:


Моменты и реакции на левой стойке от нагрузки:


Усилия на правой стойке можно получить аналогично, или умножая усилия левой стойки на отношение:


Реакция верхних концов стоек:


Смещение плоской рамы:


Крановая нагрузка - местная, поэтому . При жесткой кровле по формуле:


- число рам в блоке;

 - расстояние между симметрично расположенными относительно середины блока рамами; (- вторыми от торцов);

- число колес кранов на одной нитке подкрановых балок;

- сумма ординат линии влияния реакции рассматриваемой рамы.

Смещение с учетом пространственной работы:


Эпюра моментов от фактического смещения рамы с учетом пространственной работы см. на (рис. 11, г), а суммарная  - на (рис. 11, д).

Эпюра Q (рис. 11, е), свидетельствует о правильном расчете (поперечные силы в верхних и нижних частях стоек рамы практически одинаковы).

Разница в значениях нормальной силы (рис. 11, ж) с левого и правого концов ригеля получилась за счет передачи горизонтальных сил на соседние рамы.

Расчет на горизонтальные воздействия мостовых кранов.

Основная система, эпюра , каноническое уравнение, коэффициент - такие же, как и при расчете на вертикальную нагрузку от мостовых кранов.

Момент и реакция в основной системе от силы Т:


Смещение верхних концов с учетом пространственной работы:


Эпюры М и Q показаны на рис. 12.

Рис. 12. Эпюры усилий от горизонтальных воздействий мостовых кранов.

Расчет на ветровую нагрузку.

Основная система и эпюра - как для крановых воздействий. Эпюра  на правой стойке (рис. 13.):


На левой стойке усилия получаются умножением на коэффициент:


Коэффициенты канонического уравнения:


Смещение рамы (ветровая нагрузка воздействует на все рамы блока и поэтому ):


Эпюра  показана на рис. 13, б.

Эпюра Q (рис. 2.9, в) на левой стойке:


На правой стойке:


Проверка (при правильном решении сумма поперечных сил внизу, должна быть равна сумме всех горизонтальных нагрузок):


Рис. 13. Эпюры усилий от ветровой нагрузки.

Таблица 2. Таблица расчётных усилий в сечениях левой стойки рамы (изгибающие моменты, кНм, нормальные и поперечные силы, кН)



3. Расчет конструкций стропильной фермы

Материал стержней фермы - сталь марки ВСт3пс6-1, Rу = 240МПа = 24 кН/см2, фасонок ВСт3сп5-1 по ТУ 14-1-3023-80; пояса и решетка из уголков.

.1 Сбор нагрузок на ферму

Постоянная нагрузка. Нагрузка от покрытия:

 ;

Узловые силы:

= Fi = , ()

Опорные реакции:

= RB = 4,5∙66,71 = 300,2 кН

Снеговая нагрузка.

Расчетная нагрузка:


Узловые силы от действия снеговой нагрузки:

р = Fiр =

Опорные реакции:

= RB = 47,88∙9 / 2 = 215,5 кН

Нагрузка от рамных моментов.

-ая комбинация:

 (соч. 1,2,3,4*(-),5).

-ая комбинация:


Нагрузка от распора рамы.

-ая комбинация:


-ая комбинация:


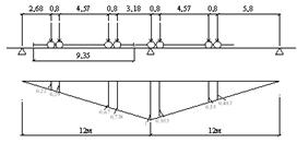
3.2 Определение усилий в стержнях фермы

Усилия в стержнях фермы определяем раздельно для каждой нагрузки с помощью построения диаграммы Максвелла - Кремоны.

Для симметричных нагрузок достаточно построить диаграммы усилий только для половины фермы.

Для определения усилий от опорных моментов строим диаграмму от единичного момента, приложенного к левой опоре; зеркальное отображение этих усилий даст значение усилий в стержнях ферм от единичного момента, приложенного к правой опоре.

Усилия от единичных моментов умножаются на соответствующие значения моментов и суммируются.

Для построения диаграммы Максвелла - Кремоны единичный момент заменяется парой сил с плечом, равным расчетной высоте фермы на опоре:


Значение вертикальных опорных реакций фермы:


Усилия от всех видов загружения сводим в таблицу расчётных усилий в стержнях фермы (табл. 3).

Диаграмма усилий от постоянной нагрузки.

Диаграмма усилий от единичного момента.

Элемент

№ стержня

Усилия от пост. нагрузки

Усилия от снеговой нагрузки

Усилия от распора рамы

Расчетные усилия




nc = 1

nc = 0.9

S1 от M1 = 1

S2 от M2 = 1

S1M1

S2M2


№ усилий

Растяжение

№ усилий

Сжатие



1



3

4

5





1

2

3

4

5

6

7

8

9

10

11

12

13

14

Верхний пояс

b1 - 1 b2 - 3 b3 - 4 b4 - 6 b5 - 7

0 -637 -637 -852.1 -852.1

0 -390.7 -390.7 -522.7 -522.7

0 -470.2 -470.2 -470.4 -470.4

-0.325 -0226 -0.226 -0.147 -0.147

0 -0,06 -0,06 -0,099 -0.099

161.9 112.5 112.5 73.2 73.2

0 25.1 25.1 41.5 41.5

- - - - -

3 - - - -

161.9 - - - -

- 1+2а 1+2а 1+2а 1+2a

- -1027.7 -1027.7 -1374.8 -1374.8

Нижний пояс

a - 2 a - 5 a - 8

356.4 789.3 828.4

218.6 484.1 508.1

196.7 435.7 457.3

0.275 0.183 0.115

0,03 0,081 0.115

-136.9 -91.13 -57.3

-12.6 -34 -48.2

-97 -87 -77

1+2а 1+2а 1+2а

574.9 1273.4 1336.5

1+3+4+5 - -

-109.8 - -

Раскосы

1 - 2 2 - 3 4 - 5 5 - 6 7- 8

-607,4 422,9 -261,1 -98,45 35,93

-371,5 259,4 -160,2 60,38 22,1

-334,4 233,5 -144,2 54,3 19,9

0,082 -0.076 -0.071 -0.061 0,058

-0,045 -0.041 -0.036 0.031 -0,029

-40,84 37,8 -35,4 30,4 28,9

18,9 -17,2 15,1 -12,9 12,2

- - - - -

- 1+2а - 1+2а -

- 682,3 - 158,8 -

1+2а - 1+2а - 1+2а

-978,9 - -421,3 - 58,3

Стойки

3 - 4 6 - 7

-109,3 -109,3

-67,04 -67,04

-60,4 -60,4

0 0

0 0

- -

- -

- -

- -

- -

1+2а 1+2а

-176,3 -176,3



Подбор и проверка сечений стержней фермы.

Сечение подбираем по формулам центрального сжатия или растяжения.

Для верхнего пояса Nmax = 1374,8 кН.

Требуемая площадь сечения уголков при и :

;

где R - расчетное сопротивление стали,

φ - коэффициент продольного изгиба (зависит от λ, которая задается: для сжатых элементов ; для растянутых элементов (поясов и опорных элементов решетки) ).

- коэффициент условий работы.

Из сортамента находим равнополочные уголки 180х11 с А = 38,8*2 = 77,6см2.

Фасонки принимаем толщиной t = 14мм в зависимости от усилий в опорном раскосе N = 978,9кН.

Тогда радиусы инерции сечения равны:

Гибкость:


lef - расчетная длина элементов (принимается в соответствии со СНиП).

По таблице 1 приложения 7 находим:

.

Тогда


Для нижнего пояса N = 1336.5кН. требуемая площадь сечения при :


Из сортамента находим равнополочные уголки 160х10 с А = 31,4*2 = 62,8см2.

Тогда радиусы инерции сечения равны:

Гибкость:


Тогда



Аналогично изложенному выполняем расчет других элементов фермы. Результаты заносим в таблицу 3.2.

Таблица 3.2

Элемент

№ стержня

Расчетное усилие, кН

Сечение

Площадь, А, см2

lx/ly, см

ix/iy, см

, см

[λ]

Проверка сечений



Растяжение

Сжатие









Прочность

Устойчивость

1

2

3

4

5

6

7

8

9

10

11

12

13

14

Верхн. пояс

b1 - 1 b2 - 3 b3 - 4

161,9 - -

-1027,7 -1027,7

160х10

62,8

250

-

0.95

16.4<22.8

-


b4 - 6

-

-1374,8

180х11

77,6

120

0,835

0,95

-

22,22<22.8

Нижний пояс

а - 2

574,9

-109.8

100х7

27.6

120

-

0.95

20.46<22.8

-


а - 5

1273,4

-

160х10

62,8

250

-

0.95

21.3<22.8

-


а - 8

1336,5

-

160х10

62,8

250

-

0.95

21.3<22.8

-

Раскосы

1 - 2

-

-978.9

180х11

77.6

120

0,85

0.95

-

14.85<22.8


2 - 3

682.3

-

100х7

27,6

300

-

0.95

21,93<22.8

-


4 - 5

-

-421.3

100х10

38,4

150

0,472

0.95

-

20,0 <22.8


5 - 6

158.8

-

50х5

9,6

300

-

0.95

12,6<22.8

-


7 - 8

-

-58.3

50х5

9,6

300

-

0.95

-

-12,6<22.8

Стойки

3 - 4 6 - 7

- -

-176,3 -176,3

70x5 70x5

13.72 13.72

150 150

0.470

0.95 0.95

-

22,5 <22.8



Расчет сварных швов прикрепления раскосов и стоек к фасонкам и поясам фермы.

Для сварки узлов фермы применяем полуавтоматическую сварку проволокой Св-08Г2С d = 1,4…2 мм; kшmax = 8 мм; ; ; ;

.

Несущая способность швов определяется прочностью по границе сплавления

.

Таблица расчета швов.

№ стержня

Сечение

[N], кН

Шов по обушку

Шов по перу




Nоб, кН

kш, см

lш, см

Nп, кН

kп, см

lп, см

a - 5

160х10

1339,62

938

0.8

35

402

0.8

16

b3 - 4

180х11

1436,5

1006

0.8

37

431

0.8

17

a - 2

100х7

136,8

96

0.6

6

41

0.4

5

1 - 2

125х10

760

532

0.8

20

228

0.6

4 - 5

100х10

363,15

254

0.8

10

109

0.6

7

5 - 6

50х5

121,05

85

0.6

5

36

0.4

5

6 - 6′

70x5

145,26

102

0.6

6

44

0.4

5


4. Расчет ступенчатой колонны производственного здания


Для верхней части колонны в сечении 1 -1 N = 547,3 kH; M = -849,5 kHм в сечении 2-2 при том же сочетании нагрузок М = 42 кНм; для нижней части колонны N1 = 3087,1 kH; M1 = -1469,3 kHм (изгибающий момент догружает подкрановую ветвь); N2 = 3465,2 kH; M2 = 1601,3 kHм (изгибающий момент догружает наружную ветвь); Qmax = -205,2 kH.

Соотношение жесткостей верхней и нижней частей колонн  материал колонны - сталь марки Вст3кп2, бетон фундамента марки М150.

.1 Определение расчетных длин колонны

Расчетные длины для верхней и нижней частей колонны в плоскости рамы определим по формулам:


Так как


значения  определим по таблице 14.1. [1]

В однопролетной раме с жестким сопряжением ригеля с колонной верхний конец колонны закреплен только от поворота;

Тогда для нижней части колонны:


для верхней:


Расчетные длины из плоскости рамы для нижней и верхней частей равны соответственно:


.2 Подбор сечения верхней части колонны

Сечение верхней части колонны принимаем в виде сварного двутавра высотой . Определим требуемую площадь сечения:


Для симметричного двутавра:


(для стали Вст3кп2 толщиной до 20 мм R=215 МПа = 21,5 кН/см²);


Значение коэффициента  определим по приложению 10. Примем в первом приближении, тогда


по приложению 8[1]:


Компоновка сечения: высота стенки


(принимаем предварительно ).

По таблице 14.2. при  из условия местной устойчивости


Поскольку сечение с такой толстой стенкой неэкономично, принимаем  и включаем в расчетную площадь сечения колонны два крайних участка стенки шириной по:


Требуемая площадь полки:



Из условия устойчивости верхней части колонны из плоскости действия момента, ширина полки: ; из условия устойчивости верхней части колонны из плоскости действия момента ширина полки


Принимаем:


Геометрические характеристики сечения

Полная площадь сечения:

расчетная площадь сечения с учетом только устойчивости части стенки:


Проверка устойчивости верхней части колонны в плоскости действия момента


Значение коэффициента h принимаем по приложению 10 [1]:

Для

;

Недонапряжение составляет:


Проверим устойчивость верхней части колонны из плоскости действия момента:

;

по приложению 7 [1]

Для определения mx найдем максимальный момент в средней трети расчетной длины стержня:


По модулю


При mx £ 5 коэффициент

.

Значения a и b определяются по приложению 11 [1].

;


Поскольку

,

то в расчетное сечение включаем только устойчивую часть стенки


Рисунок 3.1 - сечение верхней части колонны

.3 Подбор сечения нижней части колонны

Сечение нижней части колонны - сквозное, состоящее из 2-х ветвей, соединенных решеткой. Высота сечения hН = 1500мм. Подкрановую ветвь колонны принимаем из широкополочного двутавра, наружную - составного сварного сечения из 3-х листов. Определяем ориентировочное положение центра тяжести.

Принимаем

= 6см; h0 = h - Z0 = 150 - 6 = 144 см.


Определяем усилия в ветвях:

в подкрановой ветви:


в наружной ветви:


расстояния от центра тяжести сечения колонны до центра тяжести соответствующих ветвей.

Для подкрановой ветви

Задаемся

Определяем требуемую площадь ветвей и назначаем сечение нижней части колонны.


по сортаменту принимаем двутавр №70Б1; AB1 = 162 см2; iу = 27,9 см; iх = 5,31 см.

Для шатровой ветви:

 R=215МПа = 21,5кН/см2 (сталь Вст3кн2, листовой проат),


Для удобства прикрепления элементов решетки, просвет между внутренними гранями полок принимаем таким же, как в подкрановой ветви (663 мм).

Толщину стенки швеллера () принимаем равной 16 мм; высота стенки из условия размещения сварных швов - 710 мм.

Требуемая площадь полок:


из условий местной устойчивости полки швеллера:

Принимаем: tn = 16 мм; bn = 220 мм; Ап=35,2 см2


Геометрические характеристики ветви


Уточняем положение центра тяжести сечения колонны:

= hH - Z0 = 150 - 6 = 144 см


Отличие от первоначально принятых размеров мало, поэтому усилия в ветвях не пересчитываем.


Проверяем устойчивость ветвей:

из плоскости рамы (относительно оси у - у) ly = 1620 см.

Подкрановая ветвь:


Наружная ветвь:


Из условия равноустойчивости подкрановой ветви в плоскости и из плоскости рамы определяем требуемое расстояние между узлами решетки:


Принимаем lB1 = 300 см, разделив нижнюю часть колонны на целое число панелей.

Проверяем устойчивость ветвей в плоскости рамы (относительно осей х1 - х1 и х2 - х2)

Для подкрановой ветви:


Для наружной ветви:


.4 Расчет решетки подкрановой части колонны

Поперечная сила в сечении колонны Qmax = 205,2 кН;

Условная поперечная сила:

усл » 0.2A = 0,2(162 + 184) = 69,2 < Qmax = 205,2кН;

Расчет решетки проводим на Qmax.

Усилие сжатия в раскосе:

Задаемся

Требуемая площадь раскоса:

= 225 МПа = 22,5 кН/см2 (фасонный прокат из стали Вст3кп2); g = 0,75 (сжатый уголок, прикрепляемый одной полкой).

Принимаем уголок 110x8;

Ар = 17,2 см2;= 2,18см;

lmax = lp / imin = 212,2/2,18 = 100Þ j = 0,531


Напряжение в раскосе:


Проверка устойчивости колонны в плоскости действия момента как единого стержня

Геометрические характеристики всего сечения:

A = AB1 + AB2 = 162 + 184 = 346 см2= AB1y12 + AB2y22 = 162·772 + 184·672 = 1786474 см4


Приведенная гибкость:

- площадь сечения раскосов по 2-м граням сечения колонны.

Для комбинации усилий, догружающих наружную ветвь (сечение 4-4):=3465,2 кН; M2 = 1601,3 кНм;


Для комбинации усилий, догружающих подкрановую ветвь(сечение 3-3): N1 = 3087,1; M1 = 1469,3 кНм;


Устойчивость сквозной колонны как единого стержня их плоскости действия момента проверять не нужно, т.к. она обеспечена проверкой устойчивости отдельных ветвей.

4.5 Расчет и конструирование узла сопряжения верхней и нижней частей колонны

Расчетные комбинации усилий в сечении над уступом:

) М = 625,1 кНм; N = 587,0 кН;(1,3,4)

) M = -290,3 кНм; N = 802,5 кН;(1,2,5*)

Давление кранов Dmax = 2538,5 кН;

Прочность стыкового шва проверяем по нормальным напряжениям в крайних точках сечения надкрановой части. Площадь шва равна площади сечения верхней части колонны.

-ая комбинация М и N:

наружная полка:


внутренняя полка:


-ая комбинация М и N:

наружная полка:


внутренняя полка:


Толщину стенки траверсы определяем из условия смятия по формуле:


- ширина опорных ребер балок.

- толщина стенки траверсы и плиты.

- длина сминаемой поверхности.

Усилие во внутренней полке верхней части колонны (2-ая комбинация):


Длина шва крепления вертикального ребра траверсы к стенке траверсы (ш2):


Принимаем полуавтоматическую сварку проволокой марки Св-08А, d = 1.4…2 мм, bf = 0,9; bz = 1,05; Rwf=18 кН/см2; Rwz=16,5 кН/см2

Назначаем kf = 6 мм; gwf = gwz =1;

 < 85

В стенке подкрановой ветви делаем прорезь, в которую заводим стенку траверсы.

Для расчета шва крепления траверсы к подкрановой ветви составляем комбинацию усилий, дающую наибольшую опорную реакцию траверсы. Такой комбинацией будет сочетание 1,2,3,4(-),5*, при которой N=802,5 кН M=23 кНм


Принимаем катет шва 7 мм


Требуемая длина шва:


Из условия прочности стенки подкрановой ветви в месте крепления траверсы определим высоту траверсы:

Принимаем hтр = 105 см

Проверим прочность траверсы как балки, нагруженной усилиями N, M, Dmax. Нижний пояс траверсы принимаем конструктивно из листа 530х12 мм; верхние горизонтальные ребра из 2-х листов 180x12 мм.

Найдем геометрические характеристики траверсы:

Найдем положение центра тяжести траверсы:


Максимальный изгибающий момент возникает в траверсе при 2-ой комбинации усилий:

 

.6 Расчет и конструирование базы колонны


Ширина нижней части колонны превышает 1 м, поэтому проектируем базу раздельного типа.

Расчетные комбинации усилий в нижнем сечении колонны (сечение 4 - 4):

1)      M = +1601,3 кНм; N = 3465,2 кН (для наружной ветви);

2)      M = -462,8 кНм; N = 3249,8 кН (для подкрановой ветви);

Определяем усилия в ветвях колонны:


База наружной ветви. Требуемая площадь плиты:


По конструктивным соображениям свес плиты С2 должен быть не менее 4 см. Тогда:

В ≥ bн + 2С2 = 70 + 2*4 = 78 см

принимаем В = 80 см.


принимаем L = 40 см.

Аf.pl. = 40·80 = 3200 см2 > Аn.pl. = 2471 см2

Среднее напряжение в бетоне под плитой:


Из условия симметричного расположения траверс относительно центра тяжести ветви расстояние между траверсами в свету равно:

(bn + tw - Z0) = 2(25 + 1,4 - 6,6) = 39,6 см;

при толщине траверсы

мм c1 = (40 - 39,6 - 2·2,8)/2 = 2,8см

Определяем изгибающие моменты на отдельных участках плиты:

Участок 1: (консольный свес с = с1 = 2,8 см)


Участок 2: (консольный свес с = с2 = 5 см)


Участок 3: (плита опертая по контуру);

/a = 75,7/25 = 3,03 > 2; a = 0,125


Участок 4: (плита опертая по контуру);

/a = 75,7/13,2 = 5,7 > 2; a = 0,125


Принимаем для расчета Mmax = 78,1кН см;

Требуемая толщина плиты:


Принимаем tпл = 50 мм; (2 мм - припуск на фрезеровку)

Высоту траверсы определяем из условия размещения шва крепления траверсы к ветви колонны. В запас прочности всё усилие в ветви передаем на траверсы через 4 угловых шва. Сварка полуавтоматическая проволокой Св-08А. Принимаем катет шва kf = 10 мм. Требуемая длина шва определяется по формуле:


Принимаем hтр = 60 см.

Проверяем прочность швов


Крепление траверсы к плите принимаем угловыми швами kf=10 мм.


База подкрановой ветви.

Требуемая площадь плиты:


По конструктивным соображениям свес плиты С2 должен быть не менее 4см. Тогда:

В ≥ bк + 2С2 = 70 + 2·4 = 78см

принимаем В = 80см.


принимаем L =50 см.

Аf,pl = 80·50 = 4000 см2 > Аn,pl = 3435 см2

Среднее напряжение в бетоне под плитой:


Из условия симметричного расположения траверс относительно центра тяжести ветви расстояние между траверсами в свету равно bf =25 см

при толщине траверсы 28 мм

= (50 - 25 - 2·2,8)/2 = 10,1 см

Определяем изгибающие моменты на отдельных участках плиты:

Участок 1: (консольный свес с = с1 = 10,1 см)


Участок 2: (плита опирается по 3 сторонам b1/a1=0,244 β=0,06


Участок 3: (плита опертая по контуру);

/a =75,7/12,85=5,9 > 2; a = 0,125


Принимаем для расчета Mmax = 41,63 кНсм;

Требуемая толщина плиты:


Принимаем tpl = 36 мм; (1 мм - припуск на фрезеровку)

Высоту траверсы определяем из условия размещения шва крепления траверсы к ветви колонны. В запас прочности всё усилие в ветви передаем на траверсы через 4 угловых шва.

Сварка полуавтоматическая проволокой Св-08А. Принимаем катет шва kш = 10 мм. Требуемая длина шва определяется по формуле:


Принимаем hтр = 70 см.

Проверяем прочность швов


Крепление траверсы к плите принимаем угловыми швами kf=1 мм.


Приварку торцов колонны к плитам выполняем конструктивными швами kf =6 мм, так как эти швы в расчете не учитывались.

5. Расчет и конструирование подкрановой балки

.1 Нагрузки на подкрановую балку

Исходные данные. Подкрановая балка крайнего ряда пролётом 12 м под два крана грузоподъёмностью Q = 125 т. Режим работы кранов - легкий, цех механосборочный. Пролёт здания 30 м. Материал балки сталь Вст3Гпс5-1; R = 230 МПа = 23 кН/см2; Rср = 135МПа = 13.5 кН/см2.

Нагрузки на подкрановую балку. По приложению 1 [1] для крана Q = 125т наибольшее вертикальное усилие на колесе FkH = 550 кН; вес тележки GT = 430 кН; тип кранового рельса КР-120.

Схема крановой нагрузки.

Для кранов лёгкого режима работы поперечное горизонтальное усилие на колесе при расчете подкрановых балок:


Определяем расчетные значения усилий на колесе крана с учетом коэффициента надежности по назначению :


 (для легкого режима работы табл.15.1 /1/)

; .


.

Определение расчетных усилий.


Определение .

Максимальный момент возникает в сечении, близком к середине пролета. Загружаем линию влияния момента в среднем сечении, устанавливая кран невыгоднейшим образом.

Расчетный момент от вертикальной нагрузки:


где - ординаты линий влияния; - учитывает влияние собственного веса подкрановых конструкций и временной нагрузки на тормозной площадке.

Расчетный момент от горизонтальной нагрузки:



Определение

Для определения максимальной поперечной силы загружаем линию влияния поперечной силы на опоре.

Расчетные значения вертикальной и горизонтальной поперечных сил:


.2 Подбор сечения балки

Принимаем подкрановую балку симметричного сечения с тормозной конструкцией в виде листа из рифленой стали t = 6мм и швеллера №36.

Значение коэффициента β определим по формуле:

где .


Задаемся

.

Оптимальная высота балки:

.



момент от загружения балки одним краном при n = 1.

 - для кранов легкого режима работы.

Принимаем  (кратной 10см).

Задаемся толщиной полок ; тогда

.

Из условия среза стенки силой :

.

Принимаем стенку толщиной 1,6см;

.

Размеры поясных листов определим по формуле:

.

Принимаем пояс из листа сечения 20х480мм, Аf = 96 см2.

Устойчивость пояса обеспечена, так как:


По полученным данным компонуем сечение балки.


Проверка прочности сечения.

Определяем геометрические характеристики принятого сечения.

Относительно оси х-х:

;

.

Геометрические характеристики тормозной балки относительно оси у-у (в состав тормозной балки входят верхний пояс, тормозной лист и швеллер):

.

Проверим нормальные напряжения в верхнем поясе:


Прочность стенки на действие касательных напряжений на опоре обеспечена, так как принятая толщина стенки больше определенной из условия среза.

Жесткость балки также обеспечена, так как принятая высота балки .

Проверим прочность стенки балки от действия местных напряжений под колесом крана:


(при кранах легкого режима работы);

;

.

- момент инерции рельса КР-120 (прил. 14 /1/);

с = 3,25 - коэффициент податливости сопряжения пояса и стенки для сварных балок.

Список используемой литературы

1. Металлические конструкции. Общий курс: Учебник для вузов / Е.И. Беленя, В.А. Балдин, Г.С. Ведеников и др.; Под общ. ред. Е.И. Беленя, 6-е изд., перераб. и доп. - М.: Стройиздат, 1986. - 560 с., ил.

. А.П. Мандриков "Примеры расчета металлических конструкций" Учебное пособие для техникумов, 2-е изд., перераб. и доп. - М.: Стройиздат, 1991. - 431 с.: ил.

. СНиП II-23-81*. Стальные конструкции / Госстрой СССР. - М.: ЦИТП Госстроя СССР, 1990. - 96 с.

. СНиП 2.01.07-85. Нагрузки и воздействия / Госстрой СССР. - М.: ЦИТП Госстроя СССР, 1986. - 36с.

. Корженко А.П., Машковцев Г.Д. "Методические указания к выполнению курсового проекта №2 по курсу "Металлические конструкции" для студентов специальности 1202" - Новополоцк, 1984.

Похожие работы на - Стальной каркас одноэтажного производственного здания

 

Не нашли материал для своей работы?
Поможем написать уникальную работу
Без плагиата!
Без нейросетей!