|
Расход
стали
|
Ед.изм
|
Вариант
|
|
|
1
|
2
|
|
на
настил
|
94,2109,9
|
|
|
|
на
второстепенные балки
|
46,18745,36
|
|
|
|
Всего
|
140,38155,26
|
|
|
|
%
|
100
|
110
|
Согласно таблице расход стали в варианте I
меньше, следовательно, его и принимаем для дальнейших расчетов.
2.
Расчет и конструирование главной балки
Пролет балки L=15
м; Материал балки - сталь повышенной прочности С345 с Rу=
315 МПа(31,5 кН/см2 ) [4,таблица 51*].
Предельный относительный прогиб
Строительная высота перекрытия hстр£
1.5 м.
2.1 Компоновка
и подбор сечения главной балки
Нормативная нагрузка на балку:
где
n=
1,404 - нормативная нагрузка от настила и
второстепенных балок для первого варианта [табл.1].
Расчетная нагрузка на балку:
- расчетная
постоянная нагрузка;
Определяется максимальный расчетный изгибающий
момент пролета балки.
Определяется максимальная поперечная сила на
опоре:
Требуемый момент сопротивления:
где С1=1,12 - коэффициент учета
пластических деформаций;
- коэффициент учета условий работы.
Высота балки определяется исходя из следующих
условий:
) из условия заданных габаритов балка должна
иметь высоту h
£ 1.7 м;
) из условия обеспечения необходимой жесткости
минимальная высота балки определяется по формуле
) из условия экономии металла оптимальная высота
балки равна
где К = 1,15 - конструктивный коэффициент
сварной балки переменного по длине сечения;
В соответствии с сортаментом толщина стенки
,
а исходя из экономических соображений принимаем толщину стенки tw=12
мм.
Из сравнения высоты hopt с
минимальной высотой hmin видно, что hmin > hopt.
Следовательно, при h = hmin балка будет заведомо не оптимальной по
расходу материала. В этом случае наиболее выгодным вариантом является переход
на малоуглеродистую сталь обыкновенного качества с более низкими механическими
характеристиками. Принимаем сталь С245 с расчетным сопротивлением проката
листового широкополосного универсального Ry=240 МПа=24кН/см2
[4].
так как hmin
<
hopt , то
принимаем высоту балки равной
130 см.
Проверяем принятую толщину стенки из условия
работы на срез:
где Rs= 0.58
Ryn/gm= 0.58
24/1.025=13,58-
расчетное сопротивление стали сдвигу;
- коэффициент надежности по
материалу [5, табл.2*]уп=240 МПа = 24 универсального.
Полученная толщина отличается от принятой tW
= 12 мм менее, чем на 2мм.
Окончательная высота балки выбирается чуть
меньше оптимальной для уменьшения строительной высоты и с учетом имеющегося
сортамента на толстолистовую сталь.
Принимаем стенку из листа стального
горячекатаного по ГОСТ 19903-74, табл.1:
Чтобы не применять продольных ребер жесткости,
должно соблюдаться условие
Следовательно, продольных ребер жесткости не
применяем.
Для определения размеров полки определим
требуемый момент инерции сечения балки через требуемый момент сопротивления,
принимая толщину стенки 20мм:
Момент инерции стенки балки
Момент инерции, приходящийся на поясные листы
Требуемая площадь сечения поясов
определяется из приближенной формулы
, где пренебрегаем моментом инерции
пояса относительно их собственной оси в виду их малости:
- площадь сечения пояса,
где
Ширина полки пояса
Принимаем ширину полки
с
учетом сортамента на универсальную сталь.
На размеры полки накладываются следующие
условия:
.
В слишком широких полках напряжения по ширине
полки распределяются неравномерно и балка получается не оптимальной. Балки с
узкими полками получаются с малой жесткостью из плоскости, что неудобно при
транспортировке и монтаже.
Принимаем
Условие удовлетворения местной
устойчивости:
но не более
где bсв - ширина свеса
сжатого пояса;
Полка удовлетворяет всем условиям,
таким образом, подобранная балка имеет размеры: стенка 1300х12мм, полки
360х40мм.
Проверка балки на прочность:
1 Момент инерции сечения балки:
где Аf=36∙4=144 см2
- площадь сечения.
2 Момент сопротивления:
3 Наибольшие
нормальные напряжения в балке
Недонапряжение:
.
2.2 Изменение
сечения балки по длине
Подобранное по максимальному изгибающему моменту
сечение составной балки можно уменьшить в местах снижения моментов с целью
экономии металла. Но поскольку изменение сечения балки несколько увеличивает
трудоемкость изготовления, то оно целесообразно только для балок пролетом 10
... 12 м. и более.
В сварных балках чаще всего изменение сечения
производят за счет снижения площади поясов, путем уменьшения их ширины.
Определять ширину пояса и место этого изменения
по длине можно двумя путями. В первом случае задаются местом изменения сечения,
а затем определяют параметры измененного сечения, во втором - задавшись
размерами сечения, находят место изменения сечения.
При решении задачи первым способом в
однопролетных сварных балках при действии на них равномерной нагрузки
наивыгоднейшей по расчету стали места изменения сечения поясов находится на
расстоянии примерно 1/6 пролета балки от опоры (рис. 4).
Рис. 4 - Изменение сечения балки по
длине.
Порядок расчета в этом случае следующий:
Задаются расстоянием Х @
.
2. Определяют расчетный изгибающий момент М’х
и поперечную силу Q’х
в измененном сечении.
В случае действия равномерно распределенной
нагрузки:
По изгибающему моменту находят
требуемый момент сопротивления измененного сечения
, исходя из
прочности сварного стыкового шва, работающего на растяжение:
где
- при визуальном контроле качества
шва в измененном сечении поясных листов.
3 Определить
требуемый момент инерции измененного сечения:
5 Определяют
требуемый момент инерции поясов:
6 Определяется
требуемая площадь сечения поясов в измененном сечении:
7. Определяется ширина пояса в измененном
сечении:
Принимаем окончательно в
соответствии с ГОСТ 82-70 с изм. на универсальную сталь ширину пояса:
см. Вновь,
подобранная ширина пояса должна удовлетворять следующим условиям:
Принятая ширина пояса удовлетворяет
всем трем условиям.
После окончательного определения
размеров балки в измененном сечении производится проверка балки по нормальным и
касательным напряжениям.
Проверка нормальных напряжений
выполняется по формуле:
где
где
Проверку касательных напряжений
производят в месте максимальной поперечной силы, т. е. на опоре по формуле:
где
Кроме раздельной проверки, по
нормальным и касательным напряжениям, необходима проверка стенки балки, по
приведенным напряжениям, поскольку в измененном сечении одновременно действуют
большие нормальные напряжения от изгибающего момента
и
касательные напряжения от поперечной силы
.
Проверка приведенных напряжений производится по
формуле:
где
где
2.3 Проверка
местной устойчивости элементов балки
Принимаем расстояние между ребрами кратными шагу
балок настила
. Расстановка ребер
в балке показана на рисунке 5.
Рисунок 5 - Расстановка ребер в балке
Ширина парного симметричного ребра
где
- расчетная высота стенки, равная
полной высоте стенки.
Принимаем ширину ребра 85 мм;
Толщина ребра
Принимаем толщину ребра
мм.
При определении размеров ребер
следует следить за тем, чтобы ширина ребра была не больше свеса полки в самом
узком месте. Для пропуска поясных швов и снижения сварочных напряжений в ребрах
делаются вырезы, равные
C = 60 мм, d = 40 мм.
Конструкция парных ребер жесткости показана на рис. 6.
Рисунок 6 - Конструкция парных ребер
жесткости
После расстановки ребер жесткости определяют
потребность проверки местной устойчивости стенки. Устойчивость стенки может
быть обеспечена либо увеличением ее толщины, либо более частым расположением
поперечных ребер жесткости для уменьшения размеров отсеков стенки, что наиболее
экономично, поэтому устанавливаем ребра жесткости под каждой балкой настила.
Устойчивость проверяется по формуле
Выбираем для исследования второй отсек, в
котором и определяем средние значения М2 и Q2 под балкой
настила для определения напряжений σ и
τ.
Действующие напряжения:
Критические напряжения:
где μ - отношение большей стороны пластинки к меньшей.
где d - меньшая из сторон пластинки (hef
или a).
Нормальные критические напряжения
определяются по формуле:
где
- коэффициент, определяемый для
сварных балок в зависимости от коэффициента
, учитывающего степень защемления
стенки в полке балки, по табл.2.1. [2]
где
- коэффициент, принимаемый равным
для балок, несущих статическую нагрузку при непрерывном опирании плит
, в прочих
случаях
= 35
Проверка местной устойчивости
производится по формуле:
2.4 Расчет
поясных швов
В сварных балках сдвигающая сила воспринимается
непрерывными поясными швами, выполненными автоматической сваркой, и расчет
соединения сводится к определению необходимого катета углового шва при работе
его на срез, действующей на 1 см длины наиболее нагруженного участка шва у
опоры балки:
1 по
металлу шва:
1 по
металлу границы сплавления:
где
= 2 - количество расчетных швов;
- коэффициенты глубины провара шва,
табл. 34[4];
- расчетное сопротивление металла
шва, определяемое по табл. 56[4];
- расчетное сопротивление металла
границы сплавления, определяемое по табл. 3 [4];
- определяется по табл. 51[4];
- коэффициенты условий работы шва,
принимаемые согласно п.11.2[4];
- коэффициент условий работы табл.
6[4].
Определяется катет по металлу шва:
Определяется катет по металлу
границы сплавления:
По табл. 38[4] находим, что при
толщине более толстого элемента 
. Принимаем поясные швы
.
2.5
Расчет укрупнительного монтажного стыка балки
В последнее время широкое распространение
получили монтажные стыки на высокопрочных болтах, чтобы избежать сварки при
монтаже. При устройстве стыка на высокопрочных болтах необходимо выполнять два
условия:
площадь стыкуемых элементов должна быть не менее
площади соединяемого элемента;
шаг болтов в стыках для уменьшения размеров и
массы соединяющих элементов должен быть минимальным.
Схема размещения монтажных стыков по длине балки
показана на рисунке 7.
В таких стыках изгибающий момент MX
передается
через поясные накладки и накладки стенки, поперечная сила QX
через накладки стенки.
Рисунок 7 - Схема размещения монтажных стыков по
длине балки
Изгибающий момент распределяют между поясами и
стенкой пропорционально их моментам инерции, поэтому части момента,
приходящиеся на стенку и пояса соответственно равны

Стык поясов
Каждый пояс балки перекрывается тремя накладками
сечением 360х12 и 2х170х12 с общей площадью сечения
Усилие в поясе
Схема монтажного стыка сварной балки
на высокопрочных болтах показана на рис. 8.
Рисунок 8 - Схема монтажного стыка
сварной балки на высокопрочных болтах
Необходимое количество высокопрочных
болтов по одну сторону от оси стыка равно:
где
где
- расчетное сопротивление
растяжению высокопрочного болта;
- для болтов из стали 40Х
принимается по табл. 61, кН/см2[4];
- коэффициент трения при
газопламенной обработке поверхностей, определяемый по табл. 36[4];
- коэффициент надежности,
принимаемый по табл. 36[4] при регулировании натяжения болта по углу
закручивания;
Аbh =2,45 -
площадь сечения болта нетто d =20 мм, определяемая по табл. 62,
см2[4];
- коэффициент условий работы
соединения;
K = 2 -
количество поверхностей трения.
Итак, несущая способность одного
высокопрочного болта равна:
Контролируемое усилие натяжения
высокопрочных болтов:
Необходимое количество болтов:
Принимаем 14
болтов, их расположение согласно рис.8.
Стык стенки
Стенку перекрываем двумя вертикальными
накладками сечением 360х1250х12 мм. Толщину накладок на стенку обычно принимают
равной толщине стенки или на 2÷4 мм
меньше, но не менее 8 мм.
Принимаем расстояние между крайними по высоте
рядами болтов:
Находим коэффициент стыка
по формуле:
где
- число вертикальных рядов болтов
на полунакладке.
Из табл. 2,4 [2] находим количество
рядов болтов по вертикали K = 7 при
Принимаем 7 рядов с шагом 18,06 см.
Производим проверку стыка по
формуле:
где
Таким образом, усилие, возникающее в
крайних болтах, меньше предельной несущей способности высокопрочного болта.
Проверяем ослабление нижнего
растянутого пояса отверстиями под болты
(диаметр отверстия на 2 мм. больше
диаметра болта). По краю стыка пояс ослаблен 4 отверстиями:
Следовательно, ослабление пояса
можно не учитывать.
Проверяем ослабление накладок в
середине стыка четырьмя отверстиями:
Условие соблюдается, следовательно принимаем
ширину накладок 12мм.
2.6
Расчет опорного узла балки
Опорные узлы сварных балок укрепляют ребрами.
Наибольшее распространение получило конструктивное решение опорной части балки
с торцевым опорным ребром, схема которого показана на рисунке 9.
Рисунок 9- Опорная часть балки с торцевым
опорным ребром
В опорном узле рассчитываются опорные ребра на
смятие, опорная часть сечения балки на устойчивость и крепления опорных ребер к
стойке.
Площадь смятия торца ребра
F=Qmax=1555,21 кН
- расчетное сопротивление смятию
торцевой поверхности 4, табл.1*[4];
=37 кН/см [4, табл.51];
-
коэффициент надежности по материалу (табл.2* [4]).
Принимаем толщину ребра 1 см,
поскольку менее 10..12 мм не принимают.
Выступающая вниз часть торцевого
опорного ребра не должна превышать
. Нижняя кромка ребра фрезеруется.
Проверяем опорную стойку балки на
устойчивость из плоскости стенки относительно оси Z . В
расчетное сечение этой стойки включается сечение опорного ребра и полосы стенки
шириной
Расчетная длина стойки принимается равной высоте
стенки.
Проверка на устойчивость производится по формуле
где
- площадь опорной стойки;
где
- ширина опорного ребра балки
- коэффициент продольного изгиба,
определяемый в зависимости от гибкости
По табл.72[4]
Расчет крепления обычных ребер к
стенке балки сводится к определению необходимого катета углового по формуле
где
- количество расчетных угловых
швов; в расчет катета углового шва введена максимальная расчетная длина
углового шва, равная
Принимаем катет шва
и проверяем
длину рабочей части шва:
3.
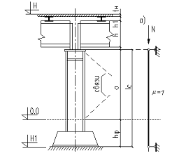
Расчет и конструирование центрально-сжатых колонн
Рисунок 10- Конструктивная и расчетная схема
колонны
.1 Определение
расчетной длины колонны и действующих нагрузок
Расчетная длина колонны
определяется
относительно главных осей по формулам:
где
- коэффициент расчетной длины,
применяемый в зависимости от условий закрепления концов колонны: оба конца
закреплены шарнирно, то
;
-
геометрическая длина колонны, определяемая по формуле:
Здесь H = 650(см) -
высота этажа;
= 1,2 (см) - толщина настила;
h = 138 (см)
- высота главной балки на опоре;
(см) - высота второстепенной балки;
(см) - выступ опорного ребра ниже
нижней полки;
(см) - глубина заделки колонны ниже
уровня чистого пола (обычно 50 ... 80 см).
Принимаем
, получим:
На колонну передается нагрузка от
главных балок балочной площадки. Поэтому продольную силу можно определить как
сумму опорных реакций главных балок, опирающихся на одну колонну:
,
где-
=
.2 Расчет колонны
Расчет сплошной колонны состоит из двух этапов:
подбор сечения и проверка подобранного сечения.
Подбор сечения сплошной колонны производится по
методу последовательных приближений и выполняется в следующей
последовательности
1 Задавшись
типом сечения (рис. 11), определяем требуемую площадь поперечного сечения по
формуле:
,
где N=3137,61 кН -
максимальная сила, действующая на колонну;
=1 - коэффициент условий работы;
где
- коэффициент продольного изгиба,
определяемый в зависимости от гибкости, которой задаются в пределах
70÷100 для сплошных
колонн с расчетной нагрузкой 1500 ÷ 2500 (кН) и длиной
5
÷ 6 (м).
Принимаем гибкость:
и
определяем, соответствующий ей, коэффициент:
по табл. 72 [4].
2 Определяется
требуемый радиус инерции:
Используют приближенную зависимость
между радиусом инерции и размером поперечного сечения
определяем
требуемую ширину сечения колонны:
Принимаем
.
Руководствуясь конструктивными
соображениями и возможностью выполнения сварных швов автоматами, обычно
принимают
Назначается толщина стенки
6 ... 20
(мм). Толщину стенки следует принимать, возможно, меньшей, т.к. сечение стенки,
не увеличивая практически
,
значительно увеличивает площадь A и, следовательно, уменьшает
, что увеличивает
гибкость
. В случае
прикрепления мощных балок стенка не должна быть чрезмерно тонкой, т.к. она
перенапряженной в месте прикрепления балок.
Принимаем толщину стенки
4 Определяется
толщина полок tf :
Принимаем
Рисунок 11. Сечение сплошной колонны
4 Производится
проверка колонны на устойчивость:
находится по
по
минимальному радиусу инерции, выбираемому из двух величин, определяемых по
приближенным формулам:
Уточняем наименьший радиус:
По табл. 72 [4] методом интерполяции
находим
.
Определяем напряжения:
4 Проверка
местной устойчивости стенки:
;
где
, если
;
, если
(табл.27[3]).
;
стенка устойчива.
Таким образом, и стенка устойчива.
4 Проверка
местной устойчивости полки:
по табл.
29[3];
где bef - свободный свес полки
колонны
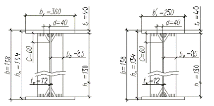
Рисунок 13- Сечение принятой колонны
полка устойчива.
3.3
Расчет базы колонны
Расчетными элементами базы являются опорная
плита и траверсы (рис. 13).
Рисунок 14- Конструкция базы центрально - сжатой
колонны
Расчет базы для колонны сплошного сечения
производится в следующем порядке.
1 Определяют
требуемую площадь опорной плиты
где N
= 3137,6 кН - расчетное усилие в колонне ;
RВ =
0,75 кН/см2 - прочность бетона на сжатие - для бетона класса В12.5;
-площадь верхнего обреза фундамента
.
Поскольку при расчете базы
соотношение
неизвестно
, то коэффициентом
задаются в
пределах 1,2 ... 1,5 . Задаемся для нашего случая
2 Определяется
ширина плиты
где
- расстояние между траверсами;
- толщина траверсы;
C = 5
см-ширина свеса плиты для наложения сварных швов, назначаемая в пределах
5...8см.
3 Определяется
длина плиты
Размеры B и L округляют
до удобных конструктивных размеров, кратных 2 см. Назначаем длину плиты L = 76 (см),
а В=37 (см).
.Определяется толщина плиты по
формуле
где
- наибольший изгибающий момент на
участках плиты.
Плита базы рассматривается состоящей
из нескольких независимых друг от друга пластинок , отличающихся условиям
опирания. Например, участок, опертый по четырем сторонам - 1, опертый на три
канта - 2 , и консольный участок - 3. На каждом из выделенных участков плиты
определяется изгибающий момент.
Участок 1.
Максимальный изгибающий момент в
середине участка находится по формуле
где
- напряжения под плитой базы;
табл.3.2 [2].
Участок 2.
Плита на этом участке закреплена по
трем сторонам. Наибольший момент в середине свободной стороны плиты будет равен
где
- коэффициент, зависящий от
отношения закрепленной стороны (
) к свободной (
),
принимаемый по [2] табл.3.3
Участок 3
Он не проверяется, поскольку он имеет меньший
консольный свес.
Определяется толщина плиты по максимальному
моменту на втором участке
Принимаем толщину плиты
.
5 Определяется
высота из условия прочности сварных швов, необходимых для передачи усилия со
стержня колонны на ребра .
где 4 - количество угловых швов;
= 1 - катет углового шва;
- коэффициент глубины провара шва ,
определяемого по табл.34[5].
- расчетное сопротивление углового
сварного шва, определяемого по табл.56[5].
Окончательно высота траверсы:
По сортаменту принимаем 560 (мм).
Находится максимально допустимая
длина углового сварного шва
Определяем катет угловых швов, прикрепляющий
траверсы к опорной плите
где
- суммарная длина сварных швов.
Принимаем

Проверку прочности траверсы
производится как для балки на двух опорах. Пролет траверсы lтр=36см.
Равномерно распределенная нагрузка:
Условие прочности траверсы имеет вид:
3.4
Расчет оголовка колонны
Наибольшее распространение получил оголовок,
изображенный на рис.15, который состоит из плиты и ребер , поддерживающих
опорную плиту оголовка и передающих нагрузку на стержень колонны.
Опорное давление передается с опорной плиты на
опорное ребро , затем на стенку колонны и далее равномерно распределяется по
сечению стержня . Порядок расчета оголовка колонны следующий.
Принимается толщина опорной плиты
оголовка в пределах 1.6 ... 2,5 см. Назначаем
1 Определяется
ширина опорных ребер оголовка
Поскольку в нашем случае в оголовке
два опорных ребра , то ширина каждого равна
3 Определяется
толщина опорных ребер оголовка
принимаем толщину ребер
где
- расчетное сопротивление смятию
торцевой поверхности,(см.п.2.6).
.Определяется высота оголовка
колонны из условия прочности сварных швов , прикрепляющих ребра к стенке
колонны . Предварительно назначается катет углового шва
где
- наименьшая толщина свариваемых
листов ( стенки и ребер ) .
По табл. 38[3] находим
. Принимаем
поясные швы
.
Назначаем
тогда
Назначаем высоту ребер ( оголовка )
с учетом
удобных конструктивных размеров , т.е. 46 см.
.Определяется катет сварных швов ,
прикрепляющих опорные ребра к плите оголовка,
Такая толщина сварного шва
превосходит максимально возможную толщину , равную
, поэтому
принимаем передачу усилий через фрезерованный торец , а сварные швы принимаем
конструктивно
6 Производится
проверка на срез по формуле
Библиографический
список
1. СНиП
2.01.07 - Нагрузки и воздействия.- М.Стройиздат, 1988 г.
2. МУ
к №1 Рабочая площадка промышленного здания от 15.09.2010 г.
. Металлические
конструкции: учебник для студ. высш. учеб. заведений / под редакцией Ю.И.
Кудишина.-8-е изд., перераб. и доп.-М.: Издательский центр «Академия», 2006.-
688с.
. СНиП
II-23-81*. Стальные
конструкции. Нормы проектирования. -М., Стройиздат , 1990 г. -93с., 1999 г. -
96 с.
. Металлические
конструкции. Общий курс: Учебник для вузов. Под ред. Е.И. Беленя. - 6-е
изд.-М., 1986.-560 с.