|
Обозначение
технического требования
|
Техническое
требование
|
Метод
выполнения требования
|
Средства
контроля
|
|
1
|
2
|
3
|
4
|
|
0,02
А
|
Допуск
перпендикулярности левого торца относительно базы А не более 0,02 мм
|
Достигается
при подрезке торца с использованием в качестве базы отверстие Ø 40 Н7
|
Контрольное
приспособление индикаторного типа
|
|
0,03
А
|
Допуск
радиального биения наружной поверхности зубьев относительно базы А не более
0,03 мм
|
Достигается
при чистовом точении конуса с использованием в качестве базы отверстие Ø 40 Н7
|
Контрольное
приспособление индикаторного типа
|
|
//
0,025 А
|
Допуск
параллельности боковых поверхностей шпоночного паза относительно базы А не
более 0,025 мм
|
Достигается
при протягивании шпоночного паза с использованием в качестве базы отверстие Ø 40 Н7
|
Контролируется
при помощи шаблона.
|
|
0,16
А
|
Допуск
симметричности боковых поверхностей шпоночного паза относительно базы А не
более 0,16 мм
|
|
|
|
248…293
НВ
|
Твердость
детали составляет 248…293 единиц по Бринеллю
|
Обеспечивается
при закаливании детали
|
Контролируется
на приборе по методу Бринелля
|
|
Н14;
h14; ± IT14/2;
|
Неуказанные
предельные отклонения размеров: отверстий - Н14; валов - h14;
остальных ± IT14/2
|
Достигается
при механической черновой обработке
|
Контролируется
при помощи штангенциркуля ШЦ-|||-500 - 0,1 ГОСТ 166 - 80
|
Технологический код детали 13.05.7277 - 002
«Колесо зубчатое коническое»
Структура кода классификационных группировок
основных технологических признаков
Размерная характеристика наибольший наружный
диаметр 183,44 мм код Д
длина 60,5 мм код
Б
диаметр центрального отверстия 40 мм код
7
Группа материала сталь конструкционная
легированная код 12
Вид обработки изготовление детали
резанием код 4
Вид исходной заготовки
штамповка объемная некалиброванная код 24
Квалитет наружной поверхности 14 код 1
внутренней поверхности 7
код 4
Шероховатость Ra
0,8 мкм код 4
Cтепень точности
6 код 4
Вид дополнительной обработки с термической
обработкой между м код 2,
твёрдость 248…293 НВ, без покрытия
Характеристика массы 6 кг
код Г
Полный конструкторско - технологический код
детали 722335. ДБ71242414442Г
2. ТЕХНОЛОГИЧЕСКИЙ РАЗДЕЛ
2.1 Выбор и характеристика
принятого типа производства
Исходя из массы детали 6 кг и годовой программы
выпуска N = 2500 шт., а
также планируемого оборудования и технологической оснастки, принимаем тип
производства серийный. /4, c.28/
Этот тип характеризуется ограниченной
номенклатурой изделий, изготавливаемых периодически повторяющимися партиями и сравнительно
большим объёмом выпуска продукции. Здесь используются универсальные станки,
оснащённые как специальными, так и универсально - сборными приспособлениями,
что позволяет снизить трудоёмкость и себестоимость изготовления детали.
Вследствие ограниченности номенклатуры изготавливаемых изделий и относительно
больших партий запуска должна быть реализована возможность тщательной отработки
операционной технологии, что повышает устойчивость протекания технологических
процессов. Подготовка УП должна вестись на ЭВМ верхнего уровня, а отладка - с
помощью оперативных систем с ЧПУ непосредственно в цеховых условиях. При
небольшой трудоёмкости обработки или недостаточно большой программе выпуска
изделий целесообразно обрабатывать заготовки партиями с последовательным
выполнением операций. Также применяется переменно - поточная форма организации
работ. В этом случае время обработки на станках согласуется. Движение заготовок
осуществляется непрерывно. Квалификация основных рабочих, занятых в
производстве средняя 4 -5 разряд.
При поточном производстве обрабатывается
несколько деталей различных наименований. Обработка таких деталей на линии
производится попеременно партиями одного наименования.
Количество деталей в партии по упрощенному
способу можно определить по формуле:= N ∙ t/Ф (1)
- годовой объем выпуска детали-представителя;
шт,
Ф - число рабочих дней в плановом периоде, дни;-
число дней на которые необходимо иметь запас деталей для бесперебойной работы
сборочного цеха.
-3 дня для крупных деталей;
-7 дня для средних деталей;
-10 дней для мелких деталей.= 5700∙5/247 =
112,3 шт
Принимается количество деталей в партии 112
штук.
2.2 Выбор вида и обоснование способа
получения заготовки
Подавляющее большинство зубчатых колёс
изготавливается из стальных кованных заготовок без предварительного
формирования зубьев.
При серийном производстве колёс принятый тип
заготовки должен обеспечить минимальные припуски на последующую механическую
обработку поверхностей, к которым конструкцией детали предъявляют специальные
технические требования, а так же возможность исключения механической обработки
остальных нерабочих поверхностей. Это сокращает расход металла, а так же
трудоёмкость механообработки.
Величину припусков на последующую механическую
обработку колёс должны учитывать возможность полного удаления с обрабатываемых
поверхностей слоя металла, имеющего дефектную структуру, образовавшуюся в
процессе формирования заготовки.
Для производства детали 13.05.7277 - 002 «Колесо
зубчатое коническое» выбираем заготовку штамповку на кривошипном
горячештамповочном прессе
( КГШП ) в открытом штампе класса точности Т4 по
ГОСТ 7505-89. Нагрев заготовки индукционный.
2.3 Выбор общих припусков и допусков
на механическую обработку. Расчет массы заготовки и коэффициента использования
материала
2.3.1 Расчёт общих припусков и
допусков на механическую обработку производим по ГОСТ 7505 - 89.
Деталь 13.05.7277 - 002 «Колесо зубчатое
коническое»
Штамповочное оборудование - КГШП.
Нагрев заготовок индукционный.
. Исходные данные по детали:
.1. Материал - сталь 40ХН2МА (по ГОСТ 4543-71)
0,37 - 0,44% С; 0,17 - 0,37% Si;
0,5 - 0,8% Mn; 0,9% Cr;
1,65% Ni.
.2. Масса детали - 6,0 кг.
. Исходные данные для расчета
.1 Масса поковки (расчетная) - 9,0 кг;
расчетный коэффициент КР = 1,5 /20,
прил. 3, с.31/ 6 · 1,5 = 9 кг
.2 Класс точности - Т4 /20, прил.1, с. 28/
.3 Группа стали - М2 /20, табл.1, с.8/
Суммарная массовая доля легирующих элементов
2,68%
.4 Степень сложности - С2 /20, прил.2, с.29/
Размеры описывающей поковку фигуры (цилиндр),
мм:
диаметр 193 (183,44 х 1,05)
высота 63 (60,5 х 1,05)
Масса описывающей фигуры (расчетная) - 14,4 кг;
GП:
GФ
= 9: 14,4 = 0,63
.5 Конфигурация поверхности разъёма штампа
- П - плоская /20, табл. 1, с.8/
.6 Исходный индекс - 14; /20, табл.2, с.10/
. Припуски и кузнечные напуски:
.1 Основные припуски на размеры; мм /20, табл.3,
с. 12/
,0 - диаметр 183,44 Ra
6,3 мкм;
,9 - диаметр 118 Ra
6,3 мкм;
1,7 - диаметр 90 Ra
6,3 мкм;
,0 - диаметр 40 Ra
0,8 мкм;
,0; 1,7 - толщина 60,5 Ra
3,2 мкм; Ra 6,3 мкм;
,8; 1,5 - толщина 24 Ra
3,2 мкм; Ra 6,3 мкм;
,0; 1,7 - толщина 48,4 Ra
3,2 мкм; Ra 6,3 мкм.
3.2 Дополнительные припуски, учитывающие:
смещение по поверхности разъема штампа 0,4 мм
/20, табл. 4, с. 14/;
отклонение от плоскостности 0,6 мм /20, табл. 5,
с. 14/;
.3 Штамповочный уклон: /20, табл.18, с.26/
на наружной поверхности 5 0;
на внутренней поверхности 7 0;
Размеры поковки и их допускаемые отклонения
.1. Размеры поковки, мм;
диаметр 183,44 + ( 2,0 + 0,4 ) · 2 = 188,24 принимается
188 мм
диаметр 118 - ( 1,9 + 0,4 ) · 2 = 113,4 принимается
113 мм
диаметр 90 + ( 1,7 + 0,4 ) · 2 = 94,2 принимается
94 мм
диаметр 40 - ( 2,0 + 0,4 ) · 2 = 35,2 принимается
35 мм
толщина 60,5 + 2,0 + 1,7 + 0,6 · 2 = 65,4 принимается
65 мм
толщина 24 + 1,8 + 1,5 + 0,6 · 2 = 28,5 принимается
28 мм
толщина 48,4 + 2,0 + 1,7 + 0,6 · 2 = 53,3 принимается
53 мм
.2 Радиус закругления наружных углов 2,0 мм
(минимальный) принимается 3,0 мм /20, табл. 7, с. 15/
.3 Допускаемые отклонения размеров /20, табл.8,
с.18/
+ 3,0
диаметр 188 - 1,5
+ 2,7
диаметр 113 - 1,3
+ 1,1
диаметр 94 - 2,1
+ 2,1
диаметр 35 - 1,1
+ 2,1
толщина 65 - 1,1
+ 2,1
толщина 28 - 1,1
+ 1,8
толщина 53 - 1,0
.4 Допускаемая величина остаточного облоя 1,0 мм
/20, табл. 10, с. 21/
.5 Допускаемое отклонение от плоскостности 1,0
мм /20, табл. 13, с. 23/
.6 Допускаемое отклонение от концентричности
пробитого отверстия 1,0 мм /20, табл. 12, с.23/
.7. Допускаемая величина смещения по поверхности
разъема штампа 0,8 мм /20, табл. 9, с.20/
.8. Допускаемая величина заусенца 5 мм /20, п.
5.10, с. 21/
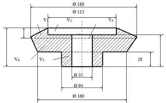
Рисунок 1 - Эскиз заготовки 13.05.7277 - 002
«Колесо зубчатое коническое»
2.3.2 Расчет массы заготовки и
коэффициента использования материала
Определение массы заготовки.
Масса заготовки определяется по формуле

(2)
где Vз - объём
заготовки;
ρ = 7,85 · 10 -
6 кг / мм3 - плотность стали.
Для определения объёма заготовки
разбиваем её на объёмы элементарных фигур.
V1 - условный
усеченный конус (R = 94 мм; r = 56,5 мм; h = 15 мм)
V1 = 1 / 3 ·π
· h · ( R 2 + r 2 + R · r )
V1 = 1 / 3 ·
3,14 · 15 · ( 94 2 + 56,5 2 + 94 · 56,5 ) = 272226 мм 3;
V2 - условный
цилиндр (R = 56,5 мм; h = 65 - 53 =
12 мм)
V2 = π · R 2 · h = 3,14 ·
56,5 2 · 12 = 120284 мм 3;
V3 - условный
цилиндр (R = 17,5 мм; h = 53 мм)
V3 = π · R 2 · h = 3,14 ·
17,5 2 · 53 = 50966 мм 3;
V4 - условный
усеченный конус (R = 94 мм; r = 80 мм; h = 65 - 15 -
28 = 22 мм)
V4 = 1 / 3 ·
π · h · ( R 2 + r 2 +R · r )
V4 = 1 / 3 ·
3,14 · 22 · ( 94 2 + 80 2 + 94 · 80 ) = 166877 мм 3
V5 - условный
цилиндр (R = 47 мм; h = 28 мм)
V5 = π · R 2 · h = 3,14 · 47
2 · 28 = 194215 мм 3
Vз = V1 - V2 - V3 + V4 + V5 = 272226 -
120284 - 50966 + 166877 + 194215 = 962068 мм3
mз = 962068 ·
7,85 · 10 - 6 = 7,6 кг
Определение коэффициента
использования материала
(3)
Вывод: заготовки шестерен,
получаемые методом горячей штамповки, имеют недостаточно высокий коэффициент
использования материала, так как большое количество металла уходит в стружку при
нарезании зубьев.
2.4 Выбор и обоснование
технологических баз
Заготовка детали в процессе
обработки должна занять и сохранить в течении всего периода обработки
определённое положение относительно деталей станка и приспособления. Для этого
следует исключить возможность трёх прямолинейных движений заготовки в
направлении выбранных координатных осей и трёх вращательных движений вокруг
этих осей. Для определения положения жёсткой заготовки необходимо наличие шести
опорных точек. В зависимости от формы и размеров заготовки эти точки могут быть
расположены на координатной поверхности различно.
Базу, лишающую заготовку трёх
степеней свободы, называют установочной.
Базу, лишающую заготовку одной
степени свободы, называют опорной.
Базу, используемую для определения
относительного положения заготовки или изделия и средств измерения, называют
измерительной.
Под основной конструкторской базой
понимают базу, принадлежащую данной детали или сборочной единице и используемую
для определения их положения в изделии.
Вспомогательная конструкторская
база, принадлежащая данной детали или сборочной единице, используется для
определения положения присоединяемого к ней изделия.
Технологическими базами называются
поверхности, используемые для определения положения заготовки или изделия в
процессе изготовления.
Черновой базой называются
необработанные поверхности детали, используемые для её установки в
приспособлении при обработке на первой операции, когда обработанных
поверхностей нет.
Чистовыми базами называются
обработанные поверхности детали, служащие для её установки в приспособлении при
обработке на всех последующих операциях механической обработки.
При выборе базы необходимо
стремиться использовать наименьшее число базирующих поверхностей с наименьшим
количеством опорных точек.
Правило выбора баз:
а) за первичные черновые базы у
обрабатываемой детали принимают поверхности большие по площади;
б) у деталей, обрабатываемых со всех
сторон, за первичную базу принимают поверхность с наименьшим припуском;
в) поверхности, принимаемые за
базовые, должны быть ровными, зачищенными в заготовительном цехе;
г) за чистовые базы принимают
основные базы, соблюдая при этом:
единство баз;
правило шести точек.
Единство баз - применение во время
обработки на большинстве операций одной и той же базы.
Для детали 13.05.7277 - 002 «Колесо
зубчатое коническое» черновой базой будут являться наружный торец и наружный
диаметр венца, относительно которых будут обрабатываться центральное отверстие
и внутренний торец венца.
Чистовыми базами будут являться: установочной
- торцы детали; направляющей - отверстие.
Измерительными базами являются ось
детали, относительно которой заданы размеры и технические требования.
2.5 Разработка маршрута механической
обработки детали с выбором оборудования и станочных приспособлений. Обоснование
принятого маршрутного плана и характеристика оборудования
Таблица 4. - Технологический маршрут
механической обработки детали 13.05.7277 - 002 «Колесо зубчатое коническое»
|
№
оп
|
Наименование
операции
|
Оборудование,
модель
|
Станочное
приспособление
|
|
1
|
2
|
3
|
4
|
|
005
|
Токарная
с ЧПУ
|
Токарный
с ЧПУ 16К20Ф3С32
|
Патрон
3-х кулачковый ГОСТ 2675 -80
|
|
010
|
Горизонтально
- протяжная
|
Горизонтально
- протяжной 7А520
|
Планшайба
|
|
015
|
Токарная
с ЧПУ
|
Токарный
с ЧПУ 16К20Ф3С32
|
Патрон
3-х кулачковый
|
|
020
|
Слесарная
|
Верстак
|
Тиски
ГОСТ 4045 - 67
|
|
025
|
Моечная
|
Машина
моечная
|
_
|
|
030
|
Контрольная
|
Стол
контрольный
|
_
|
|
035
|
Зубообрабатывающая
|
Зуборезный
полуавтомат 5С268
|
Приспособление
установочное
|
|
040
|
Зубообрабатывающая
|
Зуборезный
полуавтомат 5С268
|
Приспособление
установочное
|
|
045
|
Слесарная
|
Верстак
|
Тиски
ГОСТ 4045-67
|
|
050
|
Моечная
|
Машина
моечная
|
_
|
|
055
|
Контрольная
|
Стол
контрольный
|
_
|
|
060
|
Зубообкатывающая
|
Контрольно
- обкатной 5Б725
|
Оправка
|
Термическая
|
Печь
|
_
|
|
070
|
Торцекруглошлифовальная
|
Торцекруглошлифовальный
3Т160Ф2Н108
|
Оправка
Центр ГОСТ 8742-5 (2)
|
|
075
|
Внутришлифовальная
|
Внутришлифовальный
3М227ВФ2
|
Приспособление
шлифовальное
|
|
080
|
Зубообкатывающая
|
Контрольно
- обкатной 5Б725
|
Оправка
|
|
085
|
Моечная
|
Машина
моечная
|
_
|
|
090
|
Контрольная
|
Стол
контрольный
|
_
|
Краткая техническая характеристика оборудования:
Операции 005; 015.
Станок токарный с ЧПУ мод. 16К20Ф3С32
предназначен для токарной обработки в цанге и патроне.
Наибольшие размеры обрабатываемой заготовки, мм
диаметр 320
высота в патроне ( центрах ) 200
Наибольшее перемещение суппорта, мм
продольное или вертикальное 500
поперечное или горизонтальное 220
Частота вращения шпинделя, мин-1 80;
100; 125; 160; 200; 250; 315; 400; 500; 630; 800; 1000.
Подача суппорта (бесступенчатое регулирование),
мм/мин
копировального (в продольном или вертикальном
направлении) 1…1200
поперечного (в поперечном или горизонтальном
направлении) 1…1200
Скорость быстрого перемещения суппорта, мм/мин
копировального 4800
поперечного 2400
Время поворота инструмента на 1 позицию и
фиксации, с 3
Ёмкость инструментального магазина, шт 8
Мощность электродвигателя, кВт 19,5
Габариты станка, мм 2200
х 2250
Операция 010
Станок горизонтально - протяжной мод. 7А520
предназначен для протягивания внутренних поверхностей.
Номинальное тяговое усилие, т 10
Наибольшая длина рабочего хода ползуна, мм 100…1250
Скорость рабочего хода ползуна, м/мин 1,5…11,5
Скорость обратного хода ползуна, м/мин 25
Мощность электродвигателя, кВт 17
Габариты станка, мм 4070 х 2090
Операции 035; 040
Зуборезный полуавтомат 5С268 предназначен для
нарезания конических колес с прямым зубом.
Наибольший диаметр обрабатываемого колеса, мм 320
Наибольший модуль обрабатываемого колеса, мм
8
Угол делительного конуса конического колеса 5
- 85 0
Число зубьев нарезаемых колес 5 -
75
Частота вращения зуборезной головки, мин -
1 20…150
Диаметр зуборезных головок, мм 60; 80; 100; 125;
160; 200; 250
Время обработки одного зуба, с 9 -
80
Мощность электродвигателя, кВт 3
Габаритные размеры, мм 2607 х 1925
Операции 060; 080
Станок контрольно - обкатной мод. 5Б725
предназначен для отделочной обработки зубьев конических колес.
Наибольший диаметр обрабатываемого колеса, мм
500
Модуль обрабатываемого колеса, мм
2,5 - 10
Частота вращения ведущего шпинделя, мин - 1
625; 1250
Мощность электродвигателя, кВт 2,2
Габаритные размеры, мм 2000 х 1550
Операция 070
Станок торцекруглошлифовальный мод. 3Т160Ф2Н108
предназначен шлифования цилиндрических, конических и торцевых наружных
поверхностей.
Наибольшие размеры обрабатываемой заготовки, мм
Диаметр 280
Рекомендуемый диаметр шлифования, мм 20…280
Наибольший диаметр шлифовального круга, мм
750
Частота вращения шлифовальной бабки, мин-1
1250
Частота вращения шпинделя изделия ( б/с ), мин-1
55…620
Подача для врезного шлифования ( б/с ), мм/мин
0,1…3
Скорость перемещения стола ( б/с ),м/мин
0,05…5
Мощность электродвигателя, кВт 17
Габариты станка, мм 3754 х 4675
Операция 075
Станок внутришлифовальный мод. 3М227Ф2
предназначен для шлифования внутренних и торцовых поверхностей.
Наибольший диаметр устанавливаемой заготовки, мм
400
Размеры шлифуемого отверстия, мм
диаметр 20…100
длина 125
Наибольший ход стола, мм 450
Наибольший диаметр и высота шлифовального круга,
мм 80 х 50
Скорость движения стола, м/мин 1…7
Частота вращения шпинделя, мин - 1
внутришлифовального 9000;
12000; 18000; 22000
бабки заготовки 60…120
торцешлифовального приспособления
5600
Мощность электродвигателя, кВт 4
Габаритные размеры, мм 2815 х 1900
2.6 Поэлементный техпроцесс
обработки детали
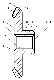
Рисунок 2 - Эскиз детали 13.05.7277 - 002
«Колесо зубчатое коническое» с нумерацией поверхностей
Операция 005.
Токарная с ЧПУ.
Станок 16К20Ф3С32
Базы поверхность 6 и торец 1.
Содержание операции:
Установить заготовку и закрепить.
Переход 01. Подрезать торец 14 начерно, точить
поверхность 10 начерно, подрезать торец 9 начерно.
Переход 02. Точить фаску 12, точить поверхность
10 начисто, подрезать торец 9 начисто.
Переход 03. Расточить отв. 2 начерно.
Переход 04. Расточить фаску 13 и отв. 2 начисто.
Открепить и снять деталь. Контролировать
размеры.
Операция 010.
Горизонтально - протяжная
Станок 7А520
Базы отверстие 2 и торец 14.
Содержание операции:
Установить заготовку
Переход 01. Протянуть шпоночный паз 11.
Снять деталь. Контролировать размеры.
Операция 015. Токарная
с ЧПУ.
Станок 16К20Ф3.
Базы отверстие 2 и торец 14.
Содержание операции:
Установить заготовку и закрепить.
Переход 01. Точить поверхность 8.
Переход 02. Точить поверхности 5 и 6.
Переход 03. Подрезать торец 4 начерно.
Переход 04. Расточить фаску 3, подрезать торец 4
начисто.
Открепить и снять деталь. Контролировать размеры
Операция 020.
Слесарная.
Оборудование верстак.
Содержание операции: зачистить заусенцы.
Операция 025.
Моечная.
Оборудование машина моечная.
Содержание операции:
Переход 01. Промыть деталь.
Переход 02. Продуть сжатым воздухом
Операция 030.
Контрольная.
Оборудование стол контрольный.
Содержание операции: проверить обработанные
размеры.
Операция 035.
Зубообрабатывающая.
Станок зуборезный полуавтомат 5С268.
Базы отверстие 2 и торец 14.
Содержание операции:
Установить заготовку и закрепить.
Переход 01. Нарезать зубья 7 предварительно.
Открепить и снять деталь. Контролировать размеры
Операция 040.
Зубообрабатывающая.
Станок зуборезный полуавтомат 5С268.
Базы отверстие 2 и торец 14.
Содержание операции:
Установить заготовку и закрепить.
Переход 01. Нарезать зубья 7 окончательно.
Открепить и снять деталь. Контроль размеров.
Операция 045.
Слесарная.
Оборудование верстак.
Содержание операции:
Переход 01. Зачистить заусенцы;
Операция 050.
Моечная.
Оборудование машина моечная.
Содержание операции:
Переход 01. Промыть деталь.
Переход 02. Продуть сжатым воздухом.
Операция 055. Контрольная.
Оборудование стол контрольный.
Содержание операции: проверить деталь перед
термообработкой
Операция 060. Зубообкатывающая.
Станок контрольно - обкатной 5Б725.
Базы отверстие 2 и торец 14.
Содержание операции:
Установить деталь.
Переход 01. Обкатать деталь на номинальном
монтажном расстоянии в зацеплении с контрольной шестерней.
Снять деталь. Контролировать размеры.
Операция 065.
Термическая.
Оборудование печь.
Содержание операции:
Переход 01. Калить деталь до твердости 57…64 HRCЭ
Операция 070.
Торцекруглошлифовальная.
Станок 3Т160Ф2Н108.
Базы отверстие 2 и торец 4.
Содержание операции:
Установить заготовку и закрепить.
Переход 01. Шлифовать торец 14.
Открепить и снять деталь. Контролировать размеры
Операция 075. Внутришлифовальная.
Станок 3М227Ф2.
Базы поверхность 7 и торец 6.
Содержание операции:
Установить заготовку и закрепить.
Переход 01. Шлифовать отверстие 2.
Открепить и снять деталь. Контролировать
размеры.
Операция 080.
Зубообкатывающая.
Станок контрольно - обкатной 5Б725.
Базы отверстие 2 и торец 14.
Содержание операции:
Установить деталь.
Переход 01. Обкатать деталь на номинальном
монтажном расстоянии в зацеплении с контрольной шестерней.
Снять деталь. Контролировать размеры
Операция 085.
Моечная.
Оборудование машина моечная.
Содержание операции:
Переход 01. Промыть деталь.
Переход 02. Продуть сжатым воздухом.
Операция 090. Контрольная.
Оборудование стол контрольный.
Содержание операции:
Переход 01. Проверить обработанные размеры;
Переход 02. Проверить технические требования;
Переход 03. Годные детали клеймить.
2.7 Определение операционных
припусков и размеров: на одну поверхность аналитическим методом, на остальные -
табличным
2.7.1 Определение операционных
припусков и размеров на поверхность аналитическим методом
Расчет операционных припусков производится для
внутренней поверхности Ø 40Н7
( 0,025) мм, Ra
0,8 мкм.
Черновое и чистовое зенкерование отверстия
проводится на станке с ЧПУ с базированием по необработанным наружным
поверхностям и торцу. Шлифование отверстия производится на внутришлифовальном
станке с базированием по зубчатому венцу.
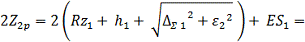
Величина расчетного припуска для первой операции
определяется по формуле

(4)
для последующих операций:
(5)
где 2Z ip - общий
расчетный припуск для данной операции;
Rz i-1 - высота
микронеровностей, оставшихся от предшествующей операции;
hi-1- глубина
дефектного слоя, оставшегося от предшествующей операции;
∆Σi-1 - суммарное
значение пространственных отклонений, оставшихся от предшествующей операции;
ε yi -
погрешность установки в приспособлении на данной операции;
ESi-1 - верхнее
предельное отклонение размера заготовки;
ITi-1 - допуск
размера после предшествующей операции.
Значения допусков размеров IT взяты по
ГОСТ 25347-82.
Значения высоты микронеровностей Rz и глубины
дефектного слоя h взяты из табл.6 /15, с.186/.
Суммарное значение пространственных
отклонений для обработки внутренней поверхности в призмах определяется по
формуле:
(6)
где Δ см - допуск
смещения по поверхности разъема штампов; Δ к = 0,8 мм
/п.2.3
Δк -
допускаемое отклонение от концентричности пробитого отверстия относительно
внешнего контура поковки, Δ к = 1,0 мм /п.2.2/
Δ ц - допуск на
поверхность, используемую в качестве базы, ITо = 3,2 мм
Оставшееся пространственное
отклонение:
после чернового растачивания
после чистового растачивания
после шлифования
Погрешность установки в 3-х
кулачковом патроне при растачивании
εу1;2 = 160 мкм /15,
табл.14, с.43/
Погрешность установки при шлифовании
εу3 = 0.
Полученные значения высоты
микронеровностей, глубины дефектного слоя, пространственных отклонений и погрешности
установки заготовки заносятся в таблицу исходных данных.
Таблица 5 - Исходные данные для
расчетов припусков
|
Методы
обработки поверхности
|
Квали
тет
|
Шерохо
ватость
|
Предельн
отклонен размера
|
Допуск
размера, мкм
|
Расчетные
величины, мм
|
|
|
|
|
|
Rz
|
h
|
∆Σ
|
εy
|
|
Заготовка
|
Т4
|
Ra 50
|
+
2,1 - 1,1
|
3200
|
160
|
200
|
1365
|
-
|
|
Растачивание
черновое
|
H13
|
Ra 12,5
|
+
0,39
|
390
|
125
|
120
|
82
|
160
|
|
Растачивание
чистовое
|
Н10
|
Ra 3,2
|
+
0,1
|
100
|
20
|
20
|
55
|
0
|
|
Шлифование
|
Н7
|
Ra 0,8
|
+
0,025
|
190
|
4
|
6
|
27
|
0
|
Таблица 6 - Расчет промежуточных припусков
|
Расчетные
величины, мкм
|
Принятый
припуск, мм
|
|
1.
Расчетный припуск на черновое растачивание
|
2Z
1
=
3,6
|
|
2.
Расчетный припуск на чистовое растачивание
|
2Z
2
=
1,0
|
|
3.
Расчетный припуск на шлифование
|
2Z
3
=
0,4
|
Расчет промежуточных размеров и установление
операционных допусков.
Расчет промежуточных размеров ведется в порядке,
обратном ходу технологического процесса, то есть от размеров готовой детали
Таблица 7 - Расчёт промежуточных размеров
|
Наименование
припуска и размера
|
Условное
обозначение
|
Расчетное
значение, мм
|
Принятое
значение, мм
|
|
Размер
поверхности по чертежу
|
D4
|
-
|
Ø
40 Н7
(+0,025)
|
|
Исходный
расчетный размер
|
Dисх
|
40
|
-
|
|
Припуск
на шлифование
|
2Z3
|
0,4
|
-
|
|
Размер
после чистового растачивания
|
D2
|
39,6
|
Ø
39,6 Н10
(+0,1)
|
|
Припуск
на чистовое растачивание
|
2Z2
|
1,0
|
-
|
|
Размер
после чернового растачивания
|
D1
|
53,5
|
Ø
38,6 Н13(+0,39)
|
|
Припуск
на черновое растачивание
|
2Z1
|
3,6
|
-
|
|
Размер
заготовки
|
Do
|
35,0
|
Ø
35
|
Рисунок 3 - Схема графического расположения и
допусков на обработку отверстия диаметр 40 Н7.
2.7.2 Определение операционных
припусков и размеров на поверхность табличным методом
Таблица 8 - Промежуточные припуски и операционные
размеры с допусками на обработку остальных поверхностей
|
Методы
обработки поверхности
|
Квалитет
|
Шерохова
тость
|
Припуск,
мм
|
Размер
с допуском, мм
|
|
Наружная поверхность Ø 90 h14 Заготовка
Точение черновое Точение чистовое
|
Т4
h14 h14
|
Ra 50 Ra
12,5 Ra 6,3
|
4,0 3,0 1,0
|
|
Торец расточки 50 h14 Заготовка
Подрезка с левой стороны Подрезка с правой стороны Шлифование с правой
стороны
|
Т4
h14 h14
h14
|
Ra 50 Ra 12,5 Ra
12,5
Ra
3,2
|
3,0
1,5
1,0 0,5
|
+ 1,8 53 - 1,0 51,5
h14(- 0,74)
50,5
h14(-
0,74) 50 h14(-
0,62)
|
|
Торцы ступицы 24 h14 Заготовка
Подрезка торца ступицы Подрезка торца венца Шлифование торца ступицы
|
Т4
h14 h14
h14
|
Ra 50 Ra 12,5 Ra
12,5 Ra 3,2
|
4,0 1,5
2,0 0,5
|
+ 2,1 28 - 1,1 26,5
h14(- 0,52)
24,5
h14(-
0,52) 24
h14(-
0,52)
|
2.8 Выбор режущего,
вспомогательного и измерительного инструмента на операции технологического
процесса
Таблица 9.- Режущий, вспомогательный и
измерительный инструмент
|
№
и наименование операции, № перехода
|
Режущий
инструмент
|
Вспомогатель
ный инструмент
|
Измерительный
инструмент
|
|
1
|
2
|
3
|
4
|
|
005
Токарная с ЧПУ 01 02 03 04
|
Резец
проходной с механич. креплением пластины Т5К10 ГОСТ 26611-85 Резец проходной
с механич. креплением пластины Т15К6 ГОСТ 26611-85 Резец расточной с механич.
креплением пластины Т5К10 ГОСТ 20874-75 Резец расточной с механич. креплением
пластины Т15К6 ГОСТ 20874-75
|
Блок
для резца Блок для резца Блок для резца Блок для резца
|
Штангенциркуль
ШЦ-II-250 -
0,05 ГОСТ166-80
|
|
010
Горизонтально - протяжная 01
|
Протяжка
шпоночная b = 12 Р6М5
ГОСТ 18217 - 80
|
Патрон
для протяжки
|
Штангенциркуль
ШЦ-II-250 -
0,05 ГОСТ166-80
|
|
010
Токарная с ЧПУ 01,02 03 04
|
Резец
проходной с механич. креплением пластины Т5К10 правый, левый Резец расточной
с механич. креплением пластины Т5К10 ГОСТ 20874-75 Резец расточной с механич.
креплением пластины Т15К6 ГОСТ 20874-75
|
Блок
для резца Блок для резца Блок для резца
|
Штангенциркуль
ШЦ-II-250 -
0,05 ГОСТ166-80
|
|
1
|
2
|
3
|
4
|
|
035,
040 Зубообрабатвающая
|
Фреза
дисковая ∅110, Р6М5,
ГОСТ 6469-73
|
Оправка
|
Прибор
для контроля зубьев
|
|
060
Зубообкатывающая 01
|
Вал
- шестерня обкатывающая контрольная
|
_
|
Приспособление
контрольное Втулка
|
|
070
Торцекруглошлифовальная 01
|
Круг
шлифовальный 6ТП 750 х 125 х 305 23А40С1 6К 50 м/с ГОСТ 2424 - 83
|
-
|
Штангенциркуль
ШЦ-II-250
ГОСТ166-80 Плита I-0-630×400 ГОСТ
10905 - 86 Штатив ШМ- I- 8 ГОСТ 10197 - 70
Индикатор ИРБ ГОСТ 5584 - 75
|
|
075
Внутришлифовальная 01
|
Круг
шлифовальный 1.40 х 40 х 16 24А40С2 7К 35 м/с ГОСТ2424-83
|
_
|
Пробка
Ø
40Н7(+
0,025) ГОСТ 14822-69
|
|
080
Зубообкатывающая 01
|
Вал
- шестерня 15.05.7277 - 001
|
Оправка
для шестерни Оправка для колеса
|
Индикатор
ИЧ - 10 Б кл.1 ГОСТ 577 - 68
|
2.9 Выбор рациональных режимов
резания (на одну поверхность аналитическим способом) и определение норм времени
на 4 - 5 разнохарактерных операций механической обработки
1. Операция 005. Токарная с ЧПУ.
2. Станок 16К20Ф3С32
3. Содержание переходов:
Переход 01. Подрезать торец ступицы с Ø
35 мм
до Ø
91 мм
начерно, точить поверхность Ø 91 мм
начерно на длину 24 мм, подрезать торец обода с Ø 91 мм
до Ø
160 мм
начерно.
Переход 02. Подрезать торец ступицы с Ø
35 мм
до Ø
90 мм
начисто, точить фаску 1 ĥ 450, точить поверхность Ø
90 мм
начисто на длину 24 мм, подрезать торец обода с Ø 90 мм
до Ø
160
мм начисто.
Переход 03. Расточить отверстие Ø
38,6 мм
начерно на длину 50,5 мм.
Переход 04. Расточить фаску 1 х 45 0
и отверстие Ø 39,6 мм начисто на длину
50,5 мм
. Режущий инструмент:
Переход 01 - резец проходной черновой Т5К10 φ
= 930;
Переход 02 - резец проходной чистовой Т15К6 φ
= 930;
Переход 03 - резец расточной черновой Т5К10;
Переход 04 - резец расточной чистовой Т15К6;
. Расчётные размеры.
а) Диаметры обрабатываемых поверхностей:
Переход 01 d1ср = ( 35 + 91 + 160 ):
3 = 95,3 мм
Переход 02 d2ср = ( 35 + 90 + 160 ):
3 = 95 мм
Переход 03 d3 = 38,6 мм
Переход 04 d4 = 39,6 мм
б) Длина обрабатываемых поверхностей
Переход 01 L1
=
(91 - 35): 2 + 24 + (160 - 91): 2 = 86,5 мм
Переход 02 L2
= (90 - 35): 2 + 24 + (160 - 90): 2 = 86,5 мм
Переход 03 L3
= 51,5 мм
Переход 04 L4
= 50,5 мм
в) Глубина резания:
Переход 01 t1
= 1,5 мм
Переход 02 t2
= 0,5 мм
Переход 03 t3
= 1,8 мм
Переход 04 t4
= 0,5 мм
г) Расчётная длина обработки:
Lp = L
+ y
где L
- длина обрабатываемой поверхности
y - длина подвода,
врезания и перебега инструмента.
Переход 01 Lp1
=
86,5 + 5,5 = 92 мм
Переход 02 Lр2 =
86,5 + 5,5 = 92 мм
Переход 03 Lр3
= 51,5 + 5 = 57 мм
Переход 04 Lp4
= 50,5 + 5 = 56 мм
. Режимы резания.
а) Назначение подачи за оборот шпинделя
Soт1
= 0,8 мм ∕об /10, карта 17, стр. 64/
Soт2
= 0,6 мм ∕об /10, карта 19, стр. 67/
Soт3
= 0,2 мм ∕об /10, карта 18, стр. 66/
Sот4 =
0,16 мм /об /10, карта 19, стр. 67/
Поправочные коэффициенты на подачу в зависимости
от;
- главного угла в плане резца Кs1
=
0,8 (резец проходной); Кs1
= 1,0 (резец канавочный )
способа крепления детали Кs2
= 1,0 (3х-кулачковый патрон);
обрабатываемого материала Кs3
= 1,0 (сталь)
Sо1 = 0,8
· 0,8 · 1 · 1 = 0,64 мм/об
So2
= 0,6 · 0,8 · 1 · 1 = 0,48 мм/об
So3
= 0,2 · 1 · 1 · 1 = 0,2 мм/об
So4
= 0,16 · 1 · 1 · 1 = 0,16 мм/об
Так как переключение подач у станка 16К20Ф3
бесступенчатое, то принимается среднее значение подач без корректировки.
б) Расчёт скорости резания
Скорость резания на черновое точение
рассчитывается аналитически
по формуле

/15, с. 265/ (7)
где Cv
= 340; m = 0,20; х = 0,15;
у = 0,45 - коэффициент и показатели степени из таблицы 17 /10, с. 269/;
Т = 30 мин - период стойкости резца; /10, с.268/
t = 1,5 мм - глубина
резания;
S = 0,64 мм/об -
подача;
Кv
- поправочный коэффициент
Кv
= Kмv
·
Kпv
·
Киv (8)
Kмv
-
коэффициент, учитывающий влияние материала заготовки

/15, табл.1, с.261/ (9)
Kпv -
коэффициент, учитывающий состояние поверхности, Kпv = 0,8
(поковка) /10, табл.5, с 263/
Киv -
коэффициент, учитывающий материал инструмента, Киv = 0,65
(Т5К10) /10, табл.6, с 263/
Kv = 0,75 ·
0,8 · 0,65 = 0,44

· 0,44 = 67,1 м/мин
Остальные скорости выбираются
табличным способом
Vт2 =
82 м/мин
Vт3
= 122 м/мин
Vт4
= 138 м/мин
Поправочные коэффициенты на скорость
резания зависят от:
отношения при поперечном точении
диаметров Кv1 = 1,13
материала инструмента Кv2 = 1,0 (
Т15К6 )
состояния поверхности заготовки Кv3 = 0,9 ( с
коркой ); Кv3 = 1,0 (без
корки)
V2 = 82 · 1 ·
1 · 1 = 82 м/мин
V3 = 122 · 1 ·
1 · 0,9 = 109,8 м/мин
V4 = 138 · 1 ·
1 · 1 = 138 м/мин
в) Расчёт частоты вращения шпинделя

, мин -1 (10)

= 224 мин -1

= 275 мин -1

= 906 мин -1

= 1110 мин -1
Корректировка частоты вращения по паспорту
станка
n1
= 200 мин -1
n2
= 250 мин -1
n3
= 800 мин -1
n4 =
1000 мин -1
Фактическая скорость резания

, м/мин (11)

= 59,8 м/мин

= 74,6 м/мин

= 97 м/мин

= 124 м/мин
Расчет мощности, необходимый для
резания, производится по формуле:
NP=NT·
(12)
NT=5,9 кВт
/11. т.2, стр.81/
NP=5,9·
кВт
NПР=11 кВт
NP ≤ NПР (6,5<11)
- обработка возможна.
. Расчет автоматического времени:
Та = Тоа + Тва,
где Тоа - время автоматической
основной работы по программе

, мин (13)
где i - число
проходов инструмента
Tва - время
автоматической вспомогательной работы (подвод инструмента от исходной точки в
зону резания и отвод, смена инструмента )

, мин (14)
L - длина
подвода и отвода инструмента в зону резания; L = 200 мм;
Sм - скорость
быстрого перемещения инструмента;
Sм = 4800 мм
/ мин - для продольного перемещения;
Sм = 2400 мм
/ мин - для поперечного перемещения;
tсм = 3 с =
0,05 мин - время мены и фиксации инструмента
Переход 01.

0,719 мин

0,043 мин;

0,044 мин;
Тва = 0,043 + 0,044 + 0,05 = 0,137
мин
Та 1 = 0,719 + 0,137 =
0,856 мин
Переход 02.

0,767 мин

0,043 мин;

0,044 мин;
Тва = 0,043 + 0,044 + 0,05 = 0,137
мин
То2 = 0,767 + 0,137 =
0,904 мин
Переход 03.

0,356 мин

0,042 мин;

0,002 мин;

0,01 мин;

0,049 мин;
Тва = 0,042 + 0,002 + 0,01 + 0,049 +
0,05 = 0,153 мин
То4 = 0,356 + 0,153 =
0,509 мин
Переход 04.

0,35 мин

0,042 мин;

0,002 мин

0,01 мин;

0,042 мин
Тва = 0,042 + 0,002 + 0,01 + 0,042 +
0,05 = 0,146 мин
То4 = 0,35 + 0,146 =
0,496 мин
Σ То = 0,856 + 0,904 + 0,509 +
0,496 = 2,765 мин
. Расчет нормы времени на операцию.
Штучное время на операцию
определяется по формуле:
Штучное время определяется по
формуле:
Тшт=(То.+Тв·ktb)(1+
), мин (14)
где То - основное время на операцию;
Тв - вспомогательное время (на
установку, закрепление и снятие детали, на приемы, связанные с управлением
оборудованием, на контрольные измерения);
Тв = Туст + Топ + Тизм
Туст - время на установку, закрепление и снятие
детали;(деталь устанавливается в 3х-кулачковом патроне)
Туст = 0,22 мин /10, карта 2, с.38/
Топ - укрупненное время на операцию; Топ = 0,55
мин /10, карта 8, с.50/
Тизм - время на контрольные измерения; (контроль
размеров штангенциркулем, скобами, калибром - пробкой )
Тизм = 0,16 + 0,07 · 2 + 0,06 = 0,36 мин
/10, карта 9, с.53/
Тв = 0,22 + 0,55 + 0,36 = 1,13 мин
Тоб- время на организационное и техническое
обслуживание рабочего места;
Тоб =10% /10, карта 10, с.55/
Тшт=(2,765+ 1,13∙0,84)∙(1+ 10/100) =
4,09 мин
Штучно - калькуляционное время определяется по
формуле:
Тшт.к.
, мин (15)
где Тпз -
подготовительно-заключительное время; Тпз =18 мин /10, карта 11, с.57/
n -
количество деталей в партии; n = 122 шт
Тшт.к.
1. Операция 010. Горизонтально - протяжная.
. Станок 7А520. Содержание переходов:
Переход 01. Протянуть шпоночный паз b
= 12 мм, глубиной 3,3 мм, длиной 50 мм
. Режущий инструмент Протяжка шпоночная b
= 12 Р6М5 ГОСТ 18217 - 80
. Расчетные размеры:
Длина протягивания Lпр
= 50 мм.
Длина протяжки до первого зуба l1
=300 мм.
Группа обрабатываемости материала (сталь
40ХН2МА) - 2.
Квалитет точности Js9
Шероховатость Ra
3,2.
3. Режимы резания
а) Назначение скорости резания
Определение скорости резания по нормативам
V = 3 м/мин
/14, карта 2, с.132/
Уточнение скорости резания по паспорту станка
V = 3 м/мин
б) Расчет основного (машинного) времени протягивания
Определение длины рабочей части протяжки
Lп = Lи
- 11 = 900 - 300 = 600 мм
Расчет длины рабочего хода
Lр.х. = Lпр
+ Lп + Lдоп
где Lдоп
- дополнительная длина хода, Lдоп
= 30…50 мм
Lр.х. = 50 + 600 +
40 = 690 мм
7.Определение основного (машинного) времени

,мин (16)
где К- коэффициент, учитывающий
соотношение скоростей рабочего и обратного хода

= 

0,254 мин
8. Расчет нормы времени на операцию
Туст = 0,17 мин /11, карта 16, с.53/ (деталь
устанавливается на протяжку)
Топ = 0,18 мин /11, карта 33 с.108/
Тизм = 0,22 мин /11, карта 87, с.183/ (контроль
размеров комплексным калибром)
Тв = 0,17 + 0,18 + 0,22 = 0,57 мин
атех = 3,5% (То+Тв) /11, карта
34, с.110/
а отл = 4 % (То+Тв) /11,
карта89, с.193/


) = 0,886 мин
Тпз = 15 мин /11, карта 34,
с.111/
n =
122 шт
Тшт.к.
1. Операция 035. Зубообрабатывающая.
2. Станок 5С268. Содержание переходов:
Переход 01. Нарезать зубья m
n
=
5 мм, Z = 36
предварительно.
3. Режущий инструмент: Фреза дисковая Ø
110
Р6М5 ГОСТ 6469 - 73
4. Расчетные размеры:
·
средний
окружной модуль m
n
=
4,25 мм;
·
число
зубьев Z = 36;
·
тип
зуба прямой;
·
длина
зуба L = 30 мм;
·
внешняя
высота зуба h = 11 мм.
5. Режимы резания.
а) Определение скорости резания и частоты
вращения инструмента
= Vтабл
· KV
где Vтабл
- скорость резания по таблице;
KV
- коэффициент, зависящий от обрабатываемого материала
Vтабл = 40 м/мин
/13, карта 9, с.159/
KV
= 1,0 (сталь 40 ХН2МА)
V = 40 · 1 = 40
м/мин
Частота вращения инструмента рассчитывается по
формуле 13:

= 51 мин -1
Корректировка частоты вращения по паспорту
станка
n = 50 мин - 1
Фактическая скорость резания

м/мин

= 39,3 м/мин
·
Время
обработки одного зуба
t
z = 20 c/зуб
/13, карта 9, с.159/.
. Расчет основного времени.
8. Расчет нормы времени на операцию.
Штучное время на операцию определяется по
формуле 14:
Туст - время на установку, закрепление и снятие
детали ( деталь устанавливается на оправке );
Туст = 0,5 мин /11, карта 8, с.36/
Топ - укрупненное время на операцию
Топ = 0,5 мин /11, карта 72, с.159/
Тизм - время на контрольные измерения ( деталь
контролируется контрольным приспособлением индикаторного типа );
Тизм = 0,75 мин /11, карта 87, с.188/
Тв = 0,5 + 0,5 + 0,75 = 1,75 мин
aтех
= 4,5% (То + Тв) /11, карта 86, с.176/
аотл = 4% (То + Тв) /11, карта
89, с.193/
Тшт=(12+ 1,75 ∙0,85)∙(1+
(4,5+4)/100 ) = 14,195 мин
Тпз = 45 мин /11, карта 34, с.110/
n = 122 шт /п. 2.1/
Тшт.к.= 14,195+ 45/122=14,383 мин
1. Операция 070. Торцекруглошлифовальная.
2. Станок 3Т160Ф2Н108. .
3. Содержание операции:
Переход 01. Шлифовать торец Ø
90 мм
4. Режущий инструмент круг шлифовальный 1.750 х
125 х 305 23А40С1 6К 50 м/с
5. Расчетные размеры:
диаметр обрабатываемой поверхности d
= 90 мм;
длина шлифования L
= (90 - 40): 2 = 25 мм;
глубина резания t
= 0,5 мм;
припуск на диаметр 2П = 0,5 мм;
группа обрабатываемого материала 1;
. Режимы резания.
а) Частота и скорость вращения детали
nд =
250 мин-1

мин-1

58 м/мин
б) Минутная подача
Stм = 0,92
мм/мин /14, карта 4, с.116/
Поправочные коэффициенты на минутную
подачу в зависимости от: - группы обрабатываемого материала, точности и
шероховатости Кst1 = 1,25;
размера и скорости шлифовального
круга Кst2 = 1,0;
способа шлифования и контроля
размера Кst3 = 0,8;
формы поверхности и жесткости детали
Кst4 = 0,9;
Кstм = 1,25 · 1
· 0,8 · 0,9 = 0,9;
твердости шлифовального круга К1
= 0,85;
точности и жесткости станка
Кж =1,0.
в) Проверочный расчет по мощности.
Мощность, потребная на шлифование
N = 2,6 кВт
/14, карта 5, с. 122/
Поправочный коэффициент в
зависимости от твердости и скорости круга КN =1,36;
N = 2,6 ·
1,36 = 3,54 кВт
Удельная предельная мощность
= 0,04 кВт/мм
Бесприжоговая удельная предельная
мощность:
[Nуд] = 0,115
кВт/мм
. Расчет основного времени.
То = 
= 
= 0,355 мин
. Расчет нормы времени на операцию.
Туст = 0,55 мин /11,
карта 6, с.32/
Топ = 0,65 мин /11,
карта 45, с.125/
Тизм = 0,22 мин /11, карта 87,
с.178/
Тв = 0,55 + 0,65 + 0,22 = 1,42 мин
а - процент времени на обслуживание
рабочего места
a = 9%
/11, карта 46, с.128/
в = 4% /11, карта 89, с.193/

) = 2,006 мин
Штучно - калькуляционное время определяется по
формуле 15:
Тпз = 24 мин /11, карта 46, с.128/
n - количество
деталей в партии
n = 122 шт
Тшт.к. = 
= 2,106 мин
Все режимы резания и нормы времени сведены в
таблицу 10.
Таблица 10 - Режимы резания на операции
механической обработки детали 13.05.7277 - 002 «Колесо зубчатое коническое».
|
№
оп
|
Наименование
операции, станок
|
№
пер
|
Режимы
резания
|
Время
|
|
|
|
DилиВ , мм
|
L мм
|
t мм
|
i
|
Sо мм/об
|
n мин - 1
|
V м/мин
|
То
|
Тв
|
Тшт
|
|
|
|
|
|
|
|
|
|
|
мин.
|
|
005
|
Токарная
с ЧПУ 16К20Ф3
|
01
|
95,3
|
92,0
|
1,5
|
1
|
0,64
|
200
|
59,8
|
0,856
|
|
|
|
|
02
|
95,0
|
92,0
|
0,5
|
1
|
0,48
|
250
|
74,6
|
0,904
|
|
|
|
|
03
|
38,6
|
57,0
|
1,8
|
1
|
0,2
|
800
|
97
|
0,609
|
|
|
|
|
04
|
39,6
|
56,0
|
0,8
|
1
|
0,16
|
1000
|
124
|
0,496
|
|
|
|
|
|
|
|
|
|
|
|
|
2,765
|
1,13
|
4,09
|
|
010
|
Горизонтально
- протяжная 7А520
|
01
|
12,0
|
690
|
3,3
|
1
|
-
|
-
|
3
|
0,254
|
0,57
|
0,886
|
|
015
|
Токарная
с ЧПУ 16К20Ф3
|
01
|
160
|
30
|
2,0
|
1
|
0,4
|
100
|
86,0
|
1,3
|
|
|
|
|
02
|
183,4
|
64
|
2,0
|
1
|
0,4
|
100
|
80,1
|
0,85
|
|
|
|
|
03
|
118
|
43
|
2,0
|
1
|
0,6
|
100
|
55,9
|
1,017
|
|
|
|
|
04
|
118
|
43
|
0,8
|
1
|
0,4
|
125
|
68,7
|
0,813
|
|
|
|
|
|
|
|
|
|
|
|
|
3,98
|
1,08
|
5,611
|
|
035
|
Зубообрабатывающая
5С268
|
01
|
110
|
30
|
11
|
36
|
-
|
50
|
39,3
|
12,0
|
1,75
|
14,19
|
|
040
|
Зубообрабатывающая
5С268
|
01
|
270
|
30
|
0,15
|
36
|
-
|
50
|
42,4
|
11,333
|
1,75
|
14,19
|
|
060
|
Зубообкатывающая
5Б725
|
01
|
-
|
-
|
-
|
-
|
-
|
-
|
-
|
-
|
-
|
1,11
хр
|
|
070
|
Торцекруглошлифовальная
3Т160Ф2Н108
|
01
|
90
|
25
|
0,25
|
1
|
0,92
|
250
|
58
|
0,355
|
1,42
|
2,006
|
|
075
|
Внутришлифовальная
3М227Ф2
|
01
|
40
|
50
|
0,25
|
1
|
27,5
|
250
|
74,6
|
0,442
|
1,21
|
1,75
|
|
080
|
Зубообкатывающая
5Б725
|
01
|
-
|
-
|
-
|
-
|
-
|
-
|
-
|
-
|
-
|
1,11
хр
|
2.9 Составление управляющей
программы обработки заготовки на станке с ЧПУ
Составляем управляющую программа на 005 операцию
токарную с ЧПУ.
N001 S3 200 F0,6 T1 М03
*X100 Z60 EМ08*003
L08 А0.5 Р1.5*
N004 X15.5
Z52.5*
N005 X45.5*
N006 Z28.5*
N007 X82*X100 Z60 М17
Е*S3
250 F0.48 T2*X15.5 Z50.5 E*G10*L10 B4*X43.5*X45 Z49*Z28.1*X46.6 Z26.5*X82*X100
Z60 М17
Е*S3
800 F0,2 T3 М03 *020
X100 Z60
EМ08*
N021 L08
А0.8 Р1.8*
N022 X19.3
Z52*
N023 Z-2*
N024 X17.3*
N025 Z52*
N026 X100
Z60 М17 Е*
N027 S3 1000 F0.16 T4*X18.5 Z52
E*G10*L10 B22*X20 Z49*Z-2*X18*Z52 *X100 Z60 М17
Е*M09*М02*
3. КОНСТРУКТОРСКИЙ РАЗДЕЛ
.1 Расчет и конструирование режущего
инструмента на заданной операции
На токарной с ЧПУ операции используется резец
проходной черновой с механическим креплением пластин ГОСТ 26611-85. Главное
движение - вращение заготовки, движение подачи - поступательное перемещение
резца.
Режимы резания при точении.
Глубина резания: t=1,5
мм /пункт 2.9/
Подача: S=0,64
мм/об /пункт 2.9/
Скорость резания: V=59,8
м/мин /пункт 2.9/
Частота вращения: п=200 мин-1
/пункт 2.9/
1. В качестве материала режущей части
используется твердый сплав Т5К10, так как обработка черновая, для корпуса -
сталь 40Х, для клина, штифта- сталь 45(оксидировать), для винта - сталь 45
(головку винта термообработать до твердости 32-37 HRCЭ).
Pz - сила резания, определяем по формуле
, Н (16)
Ср = 55; х = 1,0; у = 0,66; n = 0 -
коэффициент и показатели степени
/3, с.268/.
Кр - поправочный коэффициент на силу
резания;
Кр = Кmр · Кφр · Кγр · Кλр · Кrр
где Кмр - коэффициент, учитывающий
влияние качества обрабатываемого материала /3, с.269/.
Кφр = 1; Кγр = 1,0; Кλр = 1; Кrр =
1 - поправочные коэффициенты, учитывающие влияние геометрических параметров
режущей части инструментов
Кр = 1 · 1 · 1 · 1 ·1 = 1;
Pz = 10 Ä
55 Ä
1,51 Ä 0,640,66 Ä
59,80 Ä 1 = 614 Н;
2. Определется размеры сечения корпуса
резца. Выбирается прямоугольное сечение корпуса: h=1,6b
мм
Рабочая высота резца h=14,6·1,6=
23,36=25 мм. /10, с.109/
.Основные размеры резца определяются
по ГОСТ 26611-85:
рабочая высота резца h=25 мм.
ширина корпуса резца b=20 мм.
высота корпуса резца h1=29 мм.
длина резца L=140 мм.
.Геометрические элементы лезвия
резца:
φ=1100, φ1=100, γ=120, ά=7,50
3.2 Организация технического
контроля на участке. Расчет и конструирование средств измерения для заданной
операции
Система контроля качества изделий предназначена
для своевременного определения с требуемой точностью параметров качества
изделий, изготавливаемых на участке.
Контроль качества изделий на участке
производится на контрольных столах контролёрами. Контрольный пункт
промежуточного контроля располагается между станками. Это возможно из-за
использования простых измерительных средств (калибров, штангенциркулей,
штангенрейсмусов и т.п.) и контрольных приспособлений.
Проверка производиться после токарной обработки,
после нарезания зубчатых венцов и перед термообработкой, после изготовления
детали.
Измерительные средства применяемые для
промежуточного контроля заготовки и окончательного контроля детали в серийном
производстве могут быть и стандартными, и специальными.
При измерении поверхностей, выполненных по
допускам, применяют предельные калибры, т.к. измерение переставными
инструментами является сложной и длительной операцией. Средства контроля должны
соответствовать требованиям ГОСТ 8.001-71. К применению допускаются средства
контроля признанные годными по результатам метрологического надзора в
соответствии с требованиями ГОСТ 8 002-71.
Системой контроля качества изделий на участке
занимается служба отдела технического контроля, которая находится в подчинении
дирекции по качеству.
На операции 075 внутришлифовальной
для контроля отверстия ∅40Н7(
)
применяется калибр-пробка. Калибр относится к нерегулируемым гладким калибрам.
Изготавливается цельным из стали 20 с цементацией h 0,8…1,2 до
59…65HRСэ. Под
собственным весом пробка должна проходить проходной стороной в отверстие, и не
проходить непроходной стороной.
Расчёт исполнительных размеров
гладких калибров производится по формулам ГОСТ 24853-81.
Предельные отклонения размера
отверстия Æ40Н7
ES=25; EI=0 мкм.
/т.7/
Предельные размеры отверстия:
Dmax=D+ ES
=40+0,025=40,025 мм
Dmin=D+ EI =40+0=40 мм
Допуск отверстия:
TD=ES-EI=0,025-0=0,025
мм.
Отклонения и допуски на
калибр-пробку:
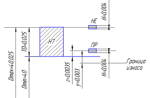
Z1=3,5 мкм, Y1=3 мкм H1=4мкм
Расчёт размеров проходного калибра
ПР:
ПРmax= Dmin +Z1 ± H1|2=40+0,0035±
0,004/2=40,0035±0,002 мм
Предельные размеры проходного
калибра:
наибольший: ПРmax=40,0035+0,002=40,0055
мм
наименьший: ПРmin=40,0035-0,002=40,0015
мм
Исполнительный размер
проходного калибра ПРисп:
ПРисп=40,0055 -0,004
Расчёт размеров непроходного калибра
НЕ:
НЕ= Dmax ± H1 |2=40,025±
0,004/2=40,025±0,002 мм
Предельные размеры непроходного
калибра:
наибольший: НЕmax=40,025+0,002=40,027
мм
наименьший: НЕmin=40,025-0,002=40,023
мм.
Исполнительный размер непроходного
калибра НЕисп:
НЕисп=40,027 -0,004
Предельный размер изношенного проходного
калибра ПРизн:
ПРизн= Dmin -Y
=40-0,003=39,997
Рисунок 5 -Схема расположения полей
допусков калибра-пробки контроля размера отверстия ∅40Н7(+0,025).
4. ОРГАНИЗАЦИОННЫЙ РАЗДЕЛ
4.1 Определение потребного
количества оборудования, его загрузка
Расчет фондов времени за год
можно определить следующим образом
1. Номинальный фонд времени.
Fн=(Дк-Дв-Дпр)·S·Дсм,
где
-
количество календарных дней в периоде,
дней;
- количество
праздничных дней в периоде,
дней;
- количество
выходных дней в периоде,
дней;
S
- количество смен;
Дсм -
продолжительность одной смены, час.
Fн=(365-14-104)·2·8=3952
час.
. Действительный фонд времени
работы оборудования.
(ч),
где
-
коэффициент простоя оборудования,
FД.год=
а = 10%
. Определение потребного
количества оборудования.
,
где
-
коэффициент выполнения норм
.
Принимается
.
N
- производственная программа, шт.,
На некоторых операциях
используется коэффициент догрузки, предполагающий догрузку оборудования
подобными изделиями.
Операция 005 Токарная с ЧПУ
(16К20Ф3)
, принимается
ст
Операция 010 Горизонтально -
протяжная (7А520)
, принимается
ст
Операция 015 Токарная с ЧПУ
(16К20Ф3)
, принимается
ст
Операция 035, 040 Зуборезная (5С268)
, принимается
ст
Операция 060, 080 Зубообкатывающая
(5Б725)
, принимается
ст
Операция 070 Торцекруглошлифовальная
(3Т160Ф2Н108)
, принимается
ст
Операция 075 Внутришлифовальная
(3М227Ф2)
, принимается
ст
Общее принятое количество станков -
1
Спр = 11
. Коэффициент загрузки оборудования:
,
. Средний коэффициент загрузки
оборудования.
3. Определение средней загрузки
оборудования по участку
Составление ведомости оборудования.
Таблица 9 - Ведомость оборудования.
|
Наименование
оборудования
|
Ср
|
Спр
|
Кз
%
|
Мощность
электродвигателя кВт
|
|
|
|
|
1ст
|
всех
|
|
1
|
2
|
3
|
4
|
5
|
6
|
|
1.Токарный
с ЧПУ 16К20Ф3
|
0,57
|
1
|
57
|
11
|
|
2.
Горизонтально - протяжной 7А520
|
0,12
|
1
|
12
|
22
|
22
|
|
3.Токарный
с ЧПУ 16К20Ф3
|
0,75
|
1
|
75
|
11
|
11
|
|
4.
Зуборезный 5С268
|
1,95
|
2
|
97
|
3
|
6
|
|
5.
Зуборезный 5С268
|
1,95
|
2
|
97
|
3
|
6
|
|
6.
Верстак слесарный
|
-
|
3
|
-
|
-
|
-
|
|
7.Стол
контрольный
|
-
|
3
|
-
|
-
|
-
|
|
8.Зубообкаточный
стенд 5Б725
|
0,15
|
1
|
15
|
2,2
|
2,2
|
|
9.Торцекруглошлифовальный
3Т160Ф2Н108
|
0,28
|
1
|
28
|
17
|
17
|
|
10.
Внутришлифовальный 3М227Ф2
|
0,23
|
1
|
23
|
4
|
4
|
|
11.Зубообкаточный
стенд 5Б725
|
0,15
|
1
|
15
|
2,2
|
2,2
|
|
12.
Моечная машина
|
-
|
3
|
-
|
-
|
-
|
|
Итого
|
|
20
|
|
|
81,4
|
4.2 Расчет и
организация многостаночного обслуживания на участке
Состав и расчет количества
участков производства с учетом многостаночного обслуживания.
К промышленно-производственному
персоналу, обслуживающему оборудование относятся основные и вспомогательные
производственные рабочие. Рабочие по техническому обслуживанию оборудования,
как правило, включаются в штат цеха.
.Для расчета численности
работающих на участке определяется действительный фонд времени рабочего:
др = ( Д к - Дв -Дпр ) * s *
Дсм * Кпотери,
где
Кпотери - коэффициент невыходов
на работудр =(365-14-104) ∙8 ∙1 ∙ (1-12/100)= 1738,9 час
.Определение количества рабочих
по формуле осуществляется по формуле:
Ri=
,
чел
005 Токарная с ЧПУ (16К20Ф3)=
28000∙4,23/1738,9∙60∙1,1 = 0,85 Rпр =
1 чел
Горизонтально - протяжная
(7А520)= 28000∙0,923/1738,9∙60∙1,1 = 0,54 Rпр =
1 чел
Токарная с ЧПУ (16К20Ф3)= 28000∙5,614/1738,9∙60∙1,1
= 0,95 Rпр = 1 чел
,040 Зуборезная (5С268)= 28000∙14,368∙2/1738,9∙60∙1,1
= 6,7 Rпр = 7 чел
, 080 Зубообкатывающая (5Б725)=
28000∙1,11∙2/1738,9∙60∙1,1 = 0,54 Rпр
= 1 чел
,075 Торцекруглошлифовальная
(3Т160Ф2Н108), внутришлифовальная (3М227Ф2)= 28000∙(2,106+1,75)/1738,9∙60∙1,1
= 0,82 Rпр = 1 чел
Общая численность основных
производственных рабочихпр =12 чел.
Всего вспомогательных рабочих:
всп пр = R контролер + R
наладчик + R слесарьвсп = 2 наладчик + 3 контролера + 3слесаря = 8 чел.
.Численность наладчиков
определяется по формуле:
нал = (Спр / Нобсл )∙ S
Нобсл - норма обслуживания,
станкинал =
чел.нал = 2 чел.
Количество АУП и специалистов
определяется методом относительной численности:
Для организации работы на
участке принимается 1 сменный мастер.
Таблица 10- Ведомость
работающих на участке
|
Профессия
|
Принятое
кол-во
|
Разряд
|
|
|
1
|
2
|
3
|
4
|
5
|
6
|
|
Основные
производственные рабочие
|
12
|
|
|
|
5
|
7
|
|
|
Вспомогательные
рабочие
|
8
|
|
|
6
|
|
2
|
|
|
Сменный
мастер
|
1
|
|
|
|
|
|
|
|
Итого
|
21
|
|
|
6
|
5
|
9
|
|
4.3 Планировка
оборудования и расчет потребных производственных площадей
Площадь участка включает в себя
производственную и вспомогательную площадь и бытовые помещения.
Производственная площадь -
площадь, занятая оборудованием, рабочими местами. Производственная площадь
определяется исходя из габаритов станков и их количества.
Определим площадь, занимаемую
каждым станком по формуле:
= a *b,
гдеи b - соответственно длина и
ширина станка, м.
Вспомогательная площадь -
площадь занятая под проездами, вспомогательным оборудованием, складами,
составляет 10% от всей производственной площади.
Общая площадь = Sпр + Sвсп, м2
К промышленно-производственному персоналу
относятся основные, вспомогательные рабочие, младший обслуживающий персонал,
административно управленческий персонал, специалисты и служащие.
Таблица 11 - Ведомость площади
и объема помещения механического участка
|
Вид
помещения
|
Удельная
площадь на 1 станок, м2
|
Количество
станков
|
Площадь
S, м2
|
Высота
h, м
|
Объем
V, м3
|
|
Производственная
площадь
|
15
|
11
|
165
|
10
|
1650
|
|
Вспомогательная
площадь
|
1,5
|
11
|
16,5
|
10
|
165
|
|
Общая
площадь
|
|
|
181,5
|
|
1815
|
4.4 Транспортировка
деталей на участке
В процессе производства в цехах предприятия
регулярно перемещается большое количество сырья, материалов, топлива,
инструментов и готовой продукции, доставка этих грузов на заводе, а также вывоз
готовой продукции и отходов производства является функцией промышленного
транспорта. Согласованность транспортных и производственных процессов -
необходимое условие бесперебойной работы отдельных цехов и предприятия в целом.
Для ликвидации тяжелых и трудоёмких работ,
сокращения продолжительности производственного цикла следует предусматривать
механизированные транспортные средства. Выбор транспорта зависит от характера
обрабатываемых на участке деталей, массы и габаритов изделия или величины
изготавливаемой партии, типа производства, грузооборота. Транспорт должен
своевременно обеспечивать рабочие места заготовками, чтобы снизить простои на
местах и длительность производственного цикла.
В данном случае для перемещения деталей от
станка к станку используется подвесной конвейер, а из цеха в цех - электрокары.
4.5 Организация ремонта оборудования
на участке
Для поддержания эффективной работы оборудования
необходимо осуществлять надзор за состоянием оборудования. Чтобы оборудование
было в постоянной готовности необходимо предупредить преждевременный износ,
обеспечить надлежащий уход и ремонт оборудования.
Ремонтное хозяйство цеха возглавляет механик
цеха, в его подчинении находятся мастера и рабочие механики. На всем
предприятии из вспомогательных рабочих 30% заняты ремонтом оборудования.
Планово-предупредительный ремонт оборудования -
основа организации ремонта. Он включает в себя совокупность различного вида
работ по техническому уходу, ремонта оборудования и мероприятия межремонтного
обслуживания.
Плановые ремонтные оборудования: малый, средний
и капитальный, а также изготовление запасных частей в ремонтно-механических
цехах завода.
Капитальный ремонт оборудования производится 1
раз в 4 года. Планово-предупредительный- 1 раз в 2 года. Текущий ремонт-1 раз в
год. Осмотр оборудования производится 2 раза в год.
4.6 Обеспечение нормальных условий и
безопасности труда на участке
4.6.1 Расчет вентиляции и освещения
на участке
Вентиляцией называется организованный и
регулярный воздухообмен, обеспечивающий удаление из помещения воздуха
«отработанного» и подачу свежего. По способу перемещения воздуха различают
системы естественной, механической и смешанной вентиляции.
Естественная вентиляция осуществляется за счет
форточек, фрамуг, окон.
Площадь форточек принимается 6 размере не менее
2...4% площади пола.
фор=0,04·Sп, м2
фор=0,04·181,5=7,26 м2
Необходимый воздухообмен для всего
производственного помещения в целом определяется:
=n·Li, м3/ч
Где п- число работающих в помещении, чел=250
м3/ч=21 ·250=5250 м3/ч
При правильно организованной вентиляции
кратность воздухообмена должна быть от 1 до 10
=L/V
КВ=5250/1815=3
Расчет освещения.
Степень освещенности того или иного
производственного помещения зависит от вида работ, выполняемых в данном
помещении. В производственном помещении предусматривается естественное и искусственное
освещение.
Расчет естественного освещения.
Естественное освещение обеспечивается
устройством окон и зенитных фонарей в крыше. Суммарная площадь окон
определяется по формуле:
, (м2) (48)
где Fn - площадь пола участка; Fn = 181,5 м2
α - удельная площадь
окон, приходящаяся на 1 м2 пола; α = 0,1;
τ - коэффициент,
учитывающий потери света от загрязнения остекления; τ
=0,6.
м2
Расчет числа окон производится по
формуле:
, (шт) (49)
где Fок - площадь одного окна;
ок = bок × hок, (м2)
(50)
ок - высота окна, мок=3 м.ок -ширина
окна, мок=2 м.
ок = H - (hпод + hнад), м (52)
где Н - высота здания цеха; Н = 10
мпод - расстояние от пола до подоконника; hпод = 0,8;над - расстояние от
потолка до окна; hнад = 0,3 м.
Высота окна должна быть кратна 0,6
м.ок = 10 - (1,2 + 0,3) = 9 м
Принимается hок = 9 мок = 2 × 9 = 18 м2
.
Принимается 2 окна
Расчет искусственного освещения.
Принимается значение освещённости
Е=200 Лк
Суммарная мощность ламп определяется
по формуле:
л = Pу × Fn, кВт
где Pу - удельная мощность
осветительной установки; при высоте подвеса светильника 6 м, площади пола Fуч =
150 м2 и освещенности Е = 200 Лк Ру = 16,6 Вт/м2.л =16,6·180=2490 Вт
Выбирается мощность одой лампы.
Люминесцентная лампа Nл =30…150 Вт.
Принимается Nл=150Вт
Число ламп рассчитывается по
формуле:
, шт. (54)
шт. Принимается 17 штук.
Расход электроэнергии на освещение:
осв = Tосв × Nл,,кВт
(55)
где Tосв - годовое время работы
освещения, для географической широты 55о и работы в одну смену, Tосв = 800
ч.осв = 800 × 2490
=1995000 Вт=1995 кВт
4.6.2 Электробезопасность u пожарная
безопасность
Условием обеспечения
электробезопасности является высокая техническая грамотность и дисциплина труда
электротехнического персонала, строгое соблюдение правил и инструкций.
При использовании
электроинструментов запрещается передавать его другим лицам; разбирать и самим
ремонтировать, работать с приставных лестниц, работать на открытом месте под
дождем или снегопадом, оставлять его без надзора включенным в электрическую
сеть.
На предприятиях следует заземлять
емкости с горючими жидкостями; электрокары, используемые для перевозки сосудов
с горючими жидкостями и т.д.
Использование мер противопожарной
защиты на объекте зависит от его особенностей (характер и особенности объекта,
его местоположение и размеры, материальные ценности и вид оборудования) и от
требований действующих норм. Все применяемые меры противопожарной защиты можно
условно разделить на пассивные и активные.
Пассивные меры защиты сводятся к
рациональным архитектурно-планировочным решениям. Ещё на стадии проектирования
необходимо предусмотреть удобство подхода и проникновения в здание пожарных
подразделений; уменьшение степени опасности распространения огня между этажами,
отдельными помещениями и зданиями промышленного объекта; конструктивные меры,
обеспечивающие незадымляемость зданий; рациональное использование
производственного освещения и т.З.
К активным мерам защиты относят -
системы автоматической пожарной сигнализации; установки автоматического
пожаротушения; техническое оборудование первой пожарной помощи; специальные
средства подавления пожаров и взрывов промышленных объектов; вспомогательное
оборудование, использование пожарными подразделениями.
К первичным средствам пожаротушения
относятся огнетушители, ведра, емкости с водой, ящики с песком, ломы, топоры,
лопаты, кошма и т.д.