Проектирование участка механического цеха для обработки детали 'Втулка соединительная' 145-1701022 с годовой программой выпуска участка 31000 шт
Содержание
Введение
.
Общий раздел
.1
Описание конструкции и служебного назначения детали
.2
Технологический контроль чертежа детали и анализ детали на технологичность
.
Технологический раздел
.1
Выбор и характеристика принятого типа производства
.2
Выбор вида и обоснование способа получения заготовки
.3
Выбор общих припусков и допусков на механическую обработку
Расчет
массы заготовки и коэффициента использования материала
.4
Выбор и обоснование технологических баз
.5
Разработка маршрутного плана обработки детали с выбором
оборудования
и станочных приспособлений. Обоснование принятого маршрутного плана и
характеристика оборудования
.6
Поэлементный техпроцесс обработки детали
.7
Определение операционных припусков и размеров: на одну поверхность Ø67Н11
аналитическим методом; на остальные-табличным
.8
Выбор режущего, вспомогательного и измерительного инструмента на операции
технологического процесса
.9
Выбор рациональных режимов резания и определение норм времени на 4
разнохарактерные операции механической обработки
.10 Составление
управляющей программы для станка с ЧПУ
.
Конструкторский раздел
.1
Расчет и конструирование режущего инструмента на заданной операции
.2
Организация технического контроля на участке. Расчет и конструирование средства
измерения для заданной операции
.
Организационный раздел
.1
Определение потребного количества оборудования
.2
Расчет и организация многостаночного обслуживания на участке.
Состав
и расчет количества участников производства с учетом многостаночного обслуживания
.3
Планировка оборудования и расчет потребных производственных площадей
.4
Транспортировка деталей на участке
.5
Организация ремонта оборудования на участке
.6
Обеспечение нормативных условий и безопасности труда на участке
.6.1
Расчет вентиляции и освещения на участке
.6.2
Электробезопасность и пожарная безопасность
.7
Охрана окружающей среды
.8
Удаление отходов производства с участка
Заключение
Технико-экономические
обоснования деловой эффективности проекта
Список
источников
Введение
Машиностроение является главной отраслью
народного хозяйства, которая определяет возможность развития других отраслей и
обеспечение изготовления новых и совершенствование имеющихся машин.
Отличительной особенностью современного машиностроения является существенное
изменение характеристик машин: увеличение скорости, мощности, температуры,
уменьшение массы, объема, снижение шума и т.п.
Качество изготовляемой продукции определяется
совокупностью свойств процесса ее изготовления, соответствием этого процесса и
его результатов установленным требованиям. Основными производственными
факторами является качество оборудования и инструмента, физико-химические,
механические и другие свойства исходных материалов и заготовок, совершенство
разработанного технологического процесса и качество выполнения обработки и
контроля. Следовательно, технический прогресс в машиностроение характеризуется
не только улучшением конструкции машин, но и непрерывным совершенствованием
технологии их производства. Важно качественно, экономично и в заданные сроки с
минимальными затратами труда изготовить машину, применив высокопроизводительное
оборудование, технологическую оснастку, средства механизации и автоматизации
производства. От принятой технологии во многом зависит надежность работы
выпускаемых машин, а так же экономика их эксплуатации.
Основные направления развития современной
технологии следующие: переход к автоматизированным технологическим процессам,
обеспечивающим требуемое качество продукции; внедрение безотходного
производства; создании гибких производственных систем; широкое применение
промышленных роботов и робото- технологических систем.
Темой дипломного проекта является проектирование
участка механического цеха для обработки детали «Втулка соединительная»
145-1701022 с годовой программой выпуска участка 31000 шт и программой выпуска1
детали 6800 шт. Основой дипломного проекта является разработанный
технологический процесс в условиях серийного производства.
допуск цех втулка деталь
1.Общий раздел
.1 Описание конструкции и служебного назначения
детали
Деталь «Втулка соединительная» 145-1701022
представляет собой тело вращения с прямобочными и эвольвентными шлицами.
Наружная повеохность втулки имеет две ступени: наружная цилиндрическая
поверхность ∅72 мм и шлицы с эвольвентным
профилем 8,5х,5х11с ГОСТ 6033-80. Втулка имеет центральное ступенчатое
отверстие. Одна ступень отверстия D-8x52H11x60H8x10D9 ГОСТ 1139-80.
Деталь входит в сборочный узел «Соединительные
валы». Соединительные валы служат для передачи крутящего момента двигателя механизмам
базового трактора, оси входных валов которых смещены или расположены под
некоторым углом один к другому. Несоосность валов механизмов трактора в ряде
случаев обусловлена конструкцией из-за необходимости расположить сборочные
единицы на определенном расстоянии. Несоосность возникает при недостаточной
точности изготовления и сборки, изменении расположения сборочных единиц в
процессе эксплуатации, в результате деформации рам, отжатия кронштейнов и
других элементов крепления агрегатов. Если механизмы трактора соединены валами,
то снижаются вредные внутренние напряжения сборочных единиц, деталей и
повышается их долговечность.
В базовых тракторах валы могут соединять
двигатель с коробкой передач.
Различают одинарные и двойные валы
соответственно с одним и двумя шарнирами, а также с упругими и жесткими
шарнирами. В базовых тракторах применяют преимущественно соединительные
двухшарнирные валы с упругими и жесткими шарнирами. Валы с жесткими шарнирами
называют карданными.
Вал состоит из двух частей, связанных между
«собой шлицевым соединением для компенсации возможных осевых смещений муфты
сцепления и коробки передач. Передняя вилка установлена на шлицах вала муфты
сцепления. Задняя вилка связана с входным валом коробки передач. Каждая вилка
состоит из шлицевой втулки и плоского фланца с отверстиями, расположенными под
углом 1800. Двумя соединительными болтами каждая вилка соединена с передней и
задней головками 3 упругого шарнира. Головка представляет собой два одинаковых
штампованных диска, соединенных сваркой или клепкой. В цилиндрические гнезда
каждой головки запрессованы четыре эластичные втулки. изготовленные из
морозостойкой резины на металлическом сетчатом каркасе изнутри и прорезиненном
слое ткани снаружи. В эластичные втулки запрессованы стальные втулки с
выступающими поясами, на которые надеты вилки. Ведущую и ведомую вилки с
противоположных сторон крепят к головкам соединительными болтами с гайками.
Таким образом, каждая пара вилок (передняя и ведущая, ведомая и задняя)
соединена с головкой попарно крестообразно под углом 900. Соединительный вал не
регулируют.
Поверхности шлицов в процессе работы
подвергаются трению, а сами шлицы изгибу, поэтому необходим материалах прочный
снаружи и вязкий внутри исходя из этого применяется сталь 18ХГТ ГОСТ 4543-71,
которая используется для изготовления шестерёнок, валов, осей, муфт и других
деталей, работающих под нагрузкой.
В таблице 1 указан химический состав 18ХГТ, а в
таблице 2 - механические свойства стали.
Таблица 1-Химический состав стали 18ХГТ
|
марка
стали
|
С,
%
|
Si,
%
|
Mn,
%
|
Cr,
%
|
P,S
%
|
Cи,Ni
%
|
|
18ХГТ
|
0,17..0,23
|
0,17...0,37
|
0,8...1,1
|
1...1,3
|
0,035
|
0,3
|
Таблица 2-Механические свойства стали 18ХГТ
|
марка
стали
|
σв
|
σт
|
δ
|
ψ
|
ан,(Дж/см)
|
твердость
|
|
Мпа
|
Мпа
|
%
|
%
|
|
НВ
(не более)
|
|
18ХГТ
|
980
|
730
|
15
|
55
|
11
|
240
|
Конструкторская характеристика детали
определяется по классификатору ЕСКД.
Класс 72-деталь-тела вращения с элементами
зубчатого зацепления;
Подкласс 723000-трубы, шланги проволочные и
разрезные, секторы, сегменты;
Группа 723200-разрезные (втулки, кольца. Цанги);
Подгруппа 723210- втулки, кольца, кроме колес
подшипника;
Вид 723213- с наружной цилиндрической
поверхностью и ступенчатым базовым отверстием в центре.
-конструкторский код детали.
.2 Технологический контроль чертежа детали и
анализ детали на
технологичность
Технологичность конструкции - это совокупность
свойств конструкции детали, определяющих ее приспособленность к достижению
оптимальных затрат при производстве, эксплуатации и ремонте.
Форма детали простая, т. к. состоит из
правильных геометрических форм.
Обработка всех поверхностей возможно производить
на универсальных станках стандартным инструментом.
Центральное отверстие имеет много ступеней, что
не позволяет его обработать на проход.
Простая конфигурация наружного контура втулки.
При изготовлении детали можно использовать
типовой технологический процесс.
Обрабатываемые поверхности
Наружный диаметр 72 h14 (-0,74), шероховатость
Ra=6,3 мкм.
Шлицы с эвольвентным профилем 8,5х2,5х11с;
шероховатость наружного и внутреннего диаметра шлиц Ra=6,3 мкм, шероховатость
боковых поверхностей шлиц Ra=1,6 мкм.
Длина шлиц 30 h14(-0,52) , Ra=6,3 мкм.
Длина детали 160 h14(-1,0) , Ra=12,5 мкм.
Шлицевое отверстие D-8x52H11x60H8x10D9.
Шероховатость боковых поверхностей зубьев и внутреннего диаметра Ra=1,6 мкм,
наружный диаметр Ra=6,3 мкм.
Внутренне отверстие Ø67 Н11(
),
шероховатостью Ra=12.5 мкм.
Внутренне отверстие Ø58 Н14(
),
шероховатостью Ra=12.5 мкм, длина 10 Н14(
), шероховатостью Ra=12.5 мкм.
Внутренне отверстие Ø61 Н14(
),
шероховатостью Ra=12.5 мкм.
Таблица 3- Анализ технических
требований
|
Условное
обозначение технических требований
|
Техническое
требование
|
Методы
выполнения требования
|
Средства
контроля
|
|
197…235
HВ
|
Твердость
детали 197…235 HВ
|
Штамповка
и термообработка
|
Прибор
Бринеля
|
|
Нитроцементировать
h0,8…1,3 мм, 57…64 HRCэ, ядро 37…47 HRCэ,
|
Насыщение
поверхности заготовки азотом и углеродом на глубину 0,8…1,3 мм до твердости
57…64 HRCэ, ядро 37…47 HRCэ.
|
Нагрев
в электроконтантной печи при t 860±100С в азоте
|
Прибор
Роквелла
|
|
Н14,
h14,±IT14/2
|
Неуказанные
предельные отклонения; для отверстий Н14, для валов-h14, для
|
Черновая
обработка
|
Штангенциркуль
ШЦ-I-250-0,1 ГОСТ 166-80
|
|
|
Допуск
радиального биения среднего диаметра шлиц 8,5х2,5х11с относительности базы В-
ось внутреннего диаметра шлиц D-8x52H11x60H8x10D9
|
Шлицефрезерование
|
Индикатор
ИЧ 10Б 1 кл.
|
Размерная характеристика
наибольший наружный диаметр Æ84,3
мм -А
длина 160-Е
диаметр центрального отверстия Æ67-
9
Сталь 18ХГТ - сталь конструкционная легированная
- 12
Вид детали по технологическому методу
изготовления - обрабатывается резанием - 4
Техническая характеристика детали обработанной
резанием.
Вид исходной заготовки - штамповка - 24
Точность размеров:
наружная поверхность IT9-3
внутренняя поверхность IT8-4
Шероховатость (Ra 1,6)-4
Характеристика технологических требований - 0
Вид дополнительной обработки- термообработка
после механической обработки-8
Характеристика массы m=2,70 кг -В
Технологический код детали АЕ9124.243448В
Полный конструкторско-технологический код: ЛМсК
723213. АЕ9124.243448В
2.Технологический раздел
.1 Выбор и характеристика принятого типа
производства
Выбор типа производства производится по массе
изделия M дет и заданной программой выпуска деталей N.
Для детали «Втулка соединительная» 145-1701022
массой Мдет=2,7 кг и N=5800 штук принят тип производства - среднесерийный
/2,с.24/.
Среднесерийное производство характеризуется
широкой номенклатурой изделий, изготовляемых периодически повторяющимися
партиями и достаточно большим объемом выпуска изделий. В производстве при
серийном типе используются универсальные станки полуавтоматы, оснащенные как
универсальными, так и специальными приспособлениями, режущими инструментами и
средствами измерения, специализированные станки, а так же станки с ЧПУ, как
наиболее полно отвечающие требованиям среднесерийного типа производства.
В этом типе производства технологический процесс
изготовления деталей преимущественно дифференцирован, то есть, расчленен на
отдельные самостоятельные операции, выполняемые на отдельных станках.
Производство, в основном, организовано в виде поточных линий, то есть
оборудование расположено по ходу технологического процесса. Взаимозаменяемость
в условиях серийного типа производства соблюдается, подгонка при сборке не
допускается. Квалификация основных рабочих достаточно высокая. Себестоимость
изделий средняя.
В условиях серийного производства рассчитываются
следующие календарно-плановые нормативы:
Количество деталей в партии по упрощенному
способу можно определить по формуле:
= N ∙ t/Ф (1)- годовой объем выпуска
детали-представителя; шт,
Ф - число рабочих дней в плановом периоде, дни;-
число дней на которые необходимо иметь запас деталей для бесперебойной работы
сборочного цеха.
-3 дня для крупных деталей ;
-7 дня для средних деталей;
-10 дней для мелких деталей.
= 6800∙5/41 = 707,32 шт
. Суточный выпуск деталей можно определить по
формуле:
сут = N / Ф , где
обозначения прежние
сут = 6800/41 = 141,46 дет.
.Период запуска - выпуска партии деталей в
производство (ритм серийного производства ) можно определить по формуле:
, где
обозначения прежние
зап = 707,32/141,46= 5,0зап = 5
4.Количество запусков партии деталей
в плановом периоде можно определить по формуле:
где
обозначения прежние
=41/5=8,2
Необходимо откорректировать
расчетное Sn к нормативному (4;6;
12; 24)= 6
.2 Выбор вида и обоснование способа
получения заготовки
Заготовкой называется полуфабрикат
по форме и размерам приближенный к готовой детали, имеющий припуски на
механическую обработку поверхностей для получения изделий заданного качества.
Припуски на обработку должны быть минимальными, но достаточными для
изготовления размеров и поверхностей с требуемой и шероховатостью поверхностей.
Использование заготовок с
экономичными конструктивными формами и способом получения позволяет производить
обработку с наибольшей производительностью и с минимальными затратами. Таким
образом, выбор вида и способа получения заготовки является важным фактором,
определяющим экономические показатели производства.
Для детали «Втулка соединительная»
145-1701022, изготовленной из стали 18ХГТ ГОСТ 4543-71 в условиях
среднесерийного типа производства применяется заготовка-поковка.
В зависимости от типа оборудования
различают штамповку на молотах и прессах. Штамповка на молотах имеет
недостатки: передача сотрясений при ударах на близко стоящее оборудование; на
конструкции зданий кузнечного цеха и окружающих строений, большой шум и
невысокая точность получаемых поковок.
В отличии от молота прессы не
оказывают ударное воздействие на заготовку. Штамповка на кривошипных
горячештамповочных прессах имеет ряд преимуществ по сравнению со штамповкой на
молоте. Прежде всего это улучшение условий труда: меньшая вибрация пола на
рабочем месте, меньший шум. Пресс имеет фиксированную величину хода, что дает
точность поковок по высоте; верхний и нижний выталкиватели, что дает
возможность уменьшить величину штамповочных уклонов и производить штамповку в
штампах для выдавливания.
Для получения заготовки выбирается
кривошипный горячештамповочный пресс (КГШП)
.3 Выбор общих припусков и допусков
на механическую обработку.
Расчет массы заготовки и
коэффициента использования материала
.Масса поковки (расчетная)
=mq·kp, кг (4)
где kp-расчетный коэффициент; kp=1,6
/прилож.3/=2,70·1,6=4,32кг
.Класс точности - Т4 /прилож.1/
.Группа стали - М2 /табл.1/
ХГТ- 0,18% С; ≈5% легирующих
элементов.
.Степень сложности - С2 /прилож.2/
Размеры описывающей поковки фигуры
(цилиндр) мм:
диаметр - 84,3·1,05=88,5 мм
длина - 160·1,05=168 ммоп.ф.=V·ρ (5)
где V-объем цилиндра, см3
V=πR2·H
(6)=3,14·4,4252·16,8=1032,9 см3
ρ -плотность стали, mоп.ф.=
1032,9 ·0,0078=8,06 кг
.Конфигурация поверхности разъема
штампа -П - плоская /табл.1/
.Исходный индекс - 13 /табл.2/
.Основные припуски на размеры
/табл.3/:
Наружный диаметры: Æ84,3 Ra 6,3;
Z=1,8
Æ72 Ra 6,3; Z=1,8
Внутренний диаметры: Æ52 Ra 6,3;
Z=1,8
Длины: 30; Ra 12,5 Z=1,4
; Ra 12,5; Z=1,7
.Дополнительные припуски.
Отклонение от плоскости - 0,5мм
/табл.5/
.Размеры поковки:
диаметр Д1=84,3+2·1,8=85,9 мм
принимается 86 мм
диаметр Д2=72+2·1,8=75,6 мм
принимается 76 мм
диаметр Д3=52-2·1,8=48,4 мм
принимается 48 мм
толщина L1=30+1,4+1,7=33,1
принимается 33 мм
=160+2·1,7=163,4 принимается 163 мм
.Допускаемые отклонения размеров
/табл.8/
Диаметры Ø
86
(
)
Ø 76
(
)
Ø 48
(
)
Длины 33 (
)
(
)
.Принимаются технические требования
на изготовление поковки.
.Неуказанные радиусы закруглений 3
мм
.Штамповочные уклоны 70 /табл.18/
.Допускаемая величина смещения по
поверхности разъема -0,7 мм /табл.9/
.Допускаемая высота торцового
заусенца 3 мм /табл.11/
Расчет массы заготовки и
коэффициента использования материала
В общем случае масса заготовки
определяется по формуле:з.=Vз·ρ (7)
Рисунок 1 - Эскиз заготовки
з=V1+V2-V3 (8)= π∙R2∙L-цилиндрз=3,14∙3,82∙13,0+3,14∙4,32∙3-3,14∙2,42∙16,3=589,4+174,17-294,8=468,8
см3з.=468,8·0,0078=3,6 кг.
Коэффициент использования материала
определяется по формуле:
Ким=
(9)
Ким=
=0,75
Данный коэффициент использования
материала приемлем для серийного типа производства, метода обработки и
конфигурации детали.
.4 Выбор и обоснование
технологических баз
Технологическими базами детали
называются поверхности, с помощью которых заготовка ориентируется на станке во
время обработки. Основной технологической базой детали «Втулка сосединительная»
145-1701022 являются центрально отверстие, с помощью которых деталь базируется
во время обработки, эти же поверхности являются базами при контрольных
измерениях.
На первых технологических операциях
при базировании по черновой необработанной наружной цилиндрической поверхности
выполняется обработка наружных и внутренних поверхностей с одной стороны,
протягивание отверстия, которое является основной технологической базой.
На последующих операциях- при
обработке наружных поверхностей базирование должно производится по уже
обработанной основной технологической базе- центральному шлицевому отверстию.
Основные выполняемые размеры детали
заданы от технологических баз, таким образом, производится совмещение
технологических и измерительных баз, при этом достигается высокая точность
обработки.
.5 Разработка маршрутного плана
обработки детали с выбором оборудования и станочных приспособлений. Обоснование
принятого маршрутного плана и характеристика оборудования
Для обработки детали «Втулка
соединительная» 145-1701022 для условий среднесерийного типа производства
предлагается маршрутный план обработки, приведенный в таблице 4.
Таблица 4- Маршрутный план обработки
|
№операции
Наименование операции
|
Технологическое
Оборудование
|
Станочное
приспособление
|
|
|
005.Токарная
с ЧПУ
|
Токарный
станок с ЧПУ модели 16К20Ф3С32
|
3-х
кулачковый патрон
|
|
|
010.
Горизонтально-протяжная
|
Полуавтомат
протяжной горизонтальный модели 7Б520
|
Приспособление
при станке
|
|
|
015.Токарная
с ЧПУ
|
Токарный
станок с ЧПУ модели 16К20Ф3С32
|
3-х
кулачковый патрон
|
|
|
020.
Зубофрезерная
|
Зубофрезерный
вертикальный 5343ПФ2
|
Приспособление
зубофрезерное
|
|
|
№операции
Наименование операции
|
Технологическое
Оборудование
|
Станочное
приспособление
|
|
025.Слесарная
|
Верстак
|
Тиски
слесарные
|
|
030.Контрольная
|
Стол
контрольный
|
|
|
035.Термическая
|
Термопечь
|
|
|
040.
Шлицешлифовальная
|
Шлицешлифовальный
станок 3451В
|
Приспособление
при станке
|
|
045.
Калибровочная
|
Пресс
гидровлический П6324
|
Приспособление
при станке
|
|
050.Слесарная
|
Верстак
|
Тиски
слесарные
|
|
055.Моечная
|
Машина
моечная
|
|
|
060.Контрольная
|
Стол
контрольный
|
|
|
|
|
|
|
Принятый маршрутный план обработки детали
содержит операции, выполняемые на станках с ЧПУ, что повысит производительность
труда, возможность обработать много поверхностей на одном станке.
.6 Поэлементный техпроцесс обработки детали
Рисунок 2- Эскиз обрабатываемых поверхностей
Операция 005 - Токарная с ЧПУ
.Установить и закрепить заготовку.
.Подрезать торец 1, точить фаску 5, поверхность
6, торец 7 начерно.
.Расточить фаску 3, отверстие 2 начерно.
.Расточить канавку 4.
.Точить поверхность 6 начисто.
.Снять заготовку, контролировать размеры и
параметры.
Операция 010- Горизонтально-протяжная
.Установить и закрепить заготовку.
.Протянуть шлицы 21.
. Снять заготовку, контролировать размеры и
параметры.
Операция 015 - Токарная с ЧПУ
.Установить и закрепить заготовку.
.Расточить отверстие 13, фаску 14, поверхность
15. фаску 16, поверхность 17, фаску 18, поверхность 19, фаску 20 начерно.
.Подрезать торец 12, точить фаску 10,
поверхность 9 начерно.
. Расточить отверстие 13 начисто.
. Подрезать торец 12 начисто.
. Снять заготовку, контролировать размеры и
параметры.
Операция 020 - Зубофрезерная
. Установить и закрепить заготовку.
.Фрезеровать шлицы 11 .
.Снять заготовку, контролировать размеры и
параметры.
Операция 025 - Слесарная
.Зачистить заусенцы и острые кромки.
Операция 030 - Контрольная
.Контролировать размеры.
Операция 040 - Шлицешлифовальная
.Установить заготовку, закрепить
.Шлифовать шлиц 11.
.Снять деталь, контролировать размеры и
параметры.
Операция 045 - Калибровочная
.Установить заготовку, закрепить
.Калировать шлицевое отверстие 21.
.Снять деталь, контролировать размеры и
параметры.
Операция 050 - Слесарная
. Зачистить заусенцы и острые кромки.
Операция 055 - Моечная
.Промыть деталь.
Операция 060- Контрольная
.Контролировать размеры.
.7 Определение операционных припусков и
размеров: на одну поверхность Ø67Н11
аналитическим методом; на остальные - табличным
.7.1 Определение операционных припусков и
размеров на одну поверхность Ø67Н11
аналитическим методом
Отверстие Ø67Н11
(+0,19) должна быть обработана по 11 квалитету и шероховатости Ra 12,5.
Порядок обработки:
)черновое растачивание
)чистовое растачивание
Суммарное значение пространственных отклонений
для первой операции определяется при обработке в патроне для отверстия по
формуле:
ρ=
(10)
где ρсм-
погрешность заготовки по смещения, мкм
ρсм=700 мкм. /16, т.1,
стр.187/
ρэкц- погрешность заготовки по
эксцентричности, мкм,
ρэкц=1000 мкм. /16, т.1,
стр.189/
ρ0=
ρ1=ρ0 ·0,05=1220·0,05=61
мкм
Т.к. значение ρ2 мало, то
принимаем равным нулю.
Погрешность установки определяется
по формуле:
Еу=
(11)
где Еб - погрешность базирования,
мкм;
Еб1=0 мкм;
Еб2=0 мкм /16, т.1, стр.45-46/
Еу - погрешность установки, мкм;
Еу=10 мкм; /16, т.1, стр.42/
Еу=
Таблица 5- Аналитический метод
определения припусков
|
Методы
обработки поверх ности
|
Параметр
Шерохова-тости
|
Предел.
откло-нения
|
Допуск
Размера
|
Расчетные
величины
|
|
|
|
|
|
Высота
микронеровнос тей Pz,мкм
|
Глубина
дефект ного слоя, h,мкм
|
Сумма
простр.отклонений ρ,мкм
|
Погреш
ность установки
|
|
Заготовка-штампов
ка
|
3Т
|
Rа50
|
25001502001220-
|
|
|
|
|
|
|
Зенкерование
|
Н13
|
Ra12,5
|
+0,46
|
460
|
50
|
50
|
61
|
10
|
|
Растачивание
чистовое
|
Н11
|
Ra12,5
|
+0,19
|
190
|
50
|
50
|
0
|
10
|
Величина расчетного припуска для
первой операции определяется по формуле 2Zip=2(Rzi-1-+hi-1+
+ESi-1 (12)
Для последующих операций:
Zip=2(Rzi-1-+hi-1+
+ITi-1 (13)
где 2Zip - общий расчетный припуск
для данной операции, мкм;- высота микронеровностей, оставшихся от предыдущих
операций, мкм;- глубина дефектного слоя, оставшегося от предыдущей операции или
перехода, мкм;- погрешность
установки заготовки на данной операции, мкм;
ρi-1-суммарное значение
пространственных отклонений, оставшихся от предыдущей операции или перехода,
мкм;- верхнее предельное отклонение отверстия после предыдущей операции, мкм;-
допуск размера после предшествующей операции , мкм. Припуск на черновое
растачивание
Z1p=Dд-Dз-2Z2p = 67-48-0,8=18,2 мм .
Припуск на чистовое растачивание
2Z2p=2(R1-+h1+
+IT1
=2(50+50+
+460= 783 мкм=0,8
мм
Для удобства определения
промежуточных размеров результаты расчетов сведены в таблицу 6.
Таблица 6- Результаты расчетов
|
Наим.
припуска и размера
|
Условное
обозначение
|
Расчетное
значение
|
Принятые
значения
|
|
Размер
поверхности по чертежу
|
D2
|
|
Ø67Н11
(+0,19)
|
|
Исходный
размер
|
Dисх
|
67
|
|
|
Припуск
на чистовое растачивание
|
2Z2Р
|
0,8
|
|
|
Размер
после чернового растачивания
|
D1
|
Ø66,2
|
Ø66,2
Н13(+0,46)
|
|
Припуск
на черновое растачивание
|
2Z1Р
|
18,2
|
|
|
Размер
заготовки
|
Dз
|
Ø
48
|
Ø48
|
Рисунок 3. - Схема графического расположения
припусков и допусков на обработку поверхности отверстия Ø67Н11
(+0,19).
.7.2 Определение операционных припусков на
остальные поверхности табличным методом
Таблица 7 - Припуски и размеры на обработку
|
Размер
|
Метод
обработки
|
Параметр
шероховатости, Ra, мкм
|
Квалитет
|
Припуск
2Zmin
|
Промежуточный
размер
|
Ø72 h14
(-0,74) Заготовка Черновое точение Чистовое точение Ra25 Ra12,5 Ra6,3 3Т
h14 h14 3 1 Ø76 
Ø73 h14
(-0,74)
160
h14(-1,0) Заготовка Черновое точение Чистовое точение Ra25 Ra12,5 Ra6,3 3Т
h14 h14 2 1 163(
)
Ø161 h14
(-1,0)
2.8 Выбор режущего, вспомогательного и
измерительного инструмента
Таблица 8 - Режущий, измерительный и вспомогательный
инструмент
|
№
операции
|
Режущий
инструмент
|
Измерительный
инструмент
|
Вспомогательный
инструмент
|
|
005
|
1.
Резец расточной, Т5К10, ГОСТ 18063-72 2.Резец проходной, Т5К10, ГОСТ
19068-80; 3. Резец канавочный, в=1,9 мм, Т5К10, ГОСТ 19065-80
|
Штангенциркуль
ШЦ-II-250-0,05 ГОСТ 166-80
|
Резцедержатель
для резцов
|
|
№
операции
|
Режущий
инструмент
|
Измерительный
инструмент
|
Вспомогательный
инструмент
|
|
4.Резец
для контурного точения, ГОСТ 119068-80, Т15К6
|
|
|
|
010
|
Протяжка
шлицевая, Р6М5. ГОСТ 25157-82.
|
Комплексный
калибр
|
Патрон
рабочий
|
|
015
|
1.
Резец расточной, Т5К10, ГОСТ 18063-72 2.Резец проходной, Т5К10, ГОСТ
19068-80; 3. Резец расточной, Т15К6, ГОСТ 19065-80 4.Резец для контурного
точения, ГОСТ 119068-80, Т15К6
|
Штангенциркуль
ШЦ-II-250-0,05 ГОСТ 166-80
|
Резцедержатель
для резцов
|
|
020
|
Червячная
фреза, Ø125 мм,
Р6М5 ГОСТ 9324-80
|
Прибор
для контроля шлиц
|
Оправка
для фрез
|
|
040
|
Круг
шлифовальный 750х63х305 24А25СТ25К5 ГОСТ2424-83
|
Прибор
для контроля шлиц
|
Оправка
для круга
|
|
045
|
Прошивка,
Р6М5, ГОСТ 6767-63.
|
1.Калибр-пробка
Æ52Н11(+0,19)
ГОСТ 14812-69 2.Плоский калибр Æ60Н8(+0,046) ГОСТ 14826-69
|
Патрон
рабочий
|
|
|
|
|
|
|
Выбор рациональных режимов резания и определение
норм времени на 4 операции
Операция 005 - Токарная с ЧПУ
Переход 02.Подрезать торец, выдержав размер
161,5 , точить фаску 1,6х450, поверхность ∅73
h14(-0,74) и торец, выдержав размер 31,5 мм.
Глубина резания t=1,5 мм
Выбор подачи Sот1=0,25 мм/об /11,т.2,стр.40/
Выбранные значения подачи корректируются с
учетом поправочных коэффициентов, которые выбираются по карте 4 в зависимости
от:
инструментального материала КSH=1,15
способа крепления пластин КSР=1,05
сечение державки резца КSq=1
прочности режущей части КSh=1,05
механических свойств обрабатываемого материала
КSМ=1,2
схемы установки заготовки КSМ =0,8
состояния поверхности заготовки КSn=1
геометрических параметров резца КSα=1
-жесткости станка КSj =1
Значение подач определяется по формуле:=Sот· КSH
·КSР · КSq· КSh· КSМ· КSМ· КSn· КSα· КSj
(16)=0,25· 1,15 ·1,05 · 1· 1,05· 1,2· 0,8· 1·1· 1=0,29 мм/об
Выбор скорости резания Т1=150 м/мин /11, т.2,
стр. 81/
По карте 23 выбираются поправочные коэффициенты
на скорость в зависимости от:
группа обрабатываемого материала Кvc=0,85
вида обработки Кvо =1
жесткости станка КVj=1,1
механических свойств обрабатываемого материала
КvМ=1,3
геометрических параметров резца Кvα=1
-периода стойкости режущего инструмента Кvт =1
наличие охлаждения Кvж =1
Скорость резания определяется по формуле:= VТ·
Кvc· Кvо· КVj· КvМ· Кvα· Кvт· Кvж
(17)= 150· 0,85· 1· 1,1· 1,3· 1· 1· 1=180 м/мин
Частота вращения шпинделя определяется по
формуле:
n=
(18)=
мин-1
Проверка выбранных режимов резания
по мощности привода главного движения.
Расчет мощности, необходимый для
резания, производится по формуле:
=NT·
(19)=5,9 кВт /11. т.2, стр.81/=5,9·
кВтПР=11 кВт≤
NПР (6,5<11) - обработка возможна.
Определение минутной подачи.
Минутную подачу рассчитываем по
формуле:
SM=SO·nФ,
мм/мин
(20)
SM1=0,29·780=226,2 мм/мин.
Определение цикла автоматической
работы.
ТО=
(21)
ТО=
мин
Тмв=
, (22)
где Lуск - длина ускоренного
перемещения (подвод инструмента), ммуск - ускоренная подача, мм/мин
Тмв=
мин
Ту.а2.=ΣТо+Тмв=0,66+0,06=0,72
мин
Переход 03. Расточить фаску
2х300,отверстие ∅52 Н11.
Глубина резания t=2 мм
Выбор подачи Sот1=0,20 мм/об
/11,т.2,стр.40/
Выбранные значения подачи
корректируются с учетом поправочных коэффициентов, которые выбираются по карте
4 в зависимости от:
инструментального материала КSH=1,15
способа крепления пластин КSР=1
сечение державки резца КSq=1
прочности режущей части КSh=1,05
механических свойств обрабатываемого
материала КSМ=1,2
схемы установки заготовки КSМ =0,8
состояния поверхности заготовки
КSn=1,1
геометрических параметров резца КSα=1
-жесткости станка КSj =1
Значение подач определяется по
формуле 16:=0,20· 1,15 ·1 · 1· 1,05· 1,2· 0,8· 1,1·1· 1=0,23 мм/об
Выбор скорости резания Т1=200 м/мин
/11, т.2, стр. 81/
По карте 23 выбираются поправочные
коэффициенты на скорость в зависимости от:
группа обрабатываемого материала
Кvc=0,85
вида обработки Кvо =1,1
жесткости станка КVj=1
механических свойств обрабатываемого
материала КvМ=1,3
геометрических параметров резца Кvα=1
-периода стойкости режущего
инструмента Кvт =1
наличие охлаждения Кvж =1
Скорость резания определяется по
формуле 17:= 200· 0,85· 1,1· 1· 1,3· 1· 1· 1=230 м/мин
Частота вращения шпинделя
определяется по формуле 18:
=
мин-1
Определение минутной подачи.
Минутную подачу рассчитываем по
формуле 20:
=0,23·890=204,7 мм/мин.
Определение цикла автоматической
работы по формулам 21 и 22.
ТО=
мин
Тмв=
мин
Ту.а2.=ΣТо+Тмв=0,36+0,06=0,42
мин
Переход 04. Точить канавку шириной
1,9 мм.
Глубина резания t=1,5 мм
Выбор подачи Sот1=0,25 мм/об /11,
стр.75/
Выбор скорости резания Т1=196 м/мин
/11, стр. 76/
Частота вращения шпинделя
определяется по формуле 18:
=
мин-1
Определение минутной подачи.
Минутную подачу рассчитываем по
формуле 19:=0,25·920=230 мм/мин.
Определение цикла автоматической
работы по формулам 21 и 22.
ТО=
мин
Тмв=
мин
Ту.а4.=ΣТо+Тмв=0,1+0,05=0,15
мин
Переход 05. Точить поверхность ∅72
h14(-0,74).
Глубина резания t=0,5 мм
Выбор подачи Sот1=0,16 мм/об
/11,т.2,стр.40/
Выбранные значения подачи
корректируются с учетом поправочных коэффициентов, которые выбираются по карте
4 в зависимости от:
инструментального материала КSH=1,15
способа крепления пластин КSР=1
сечение державки резца КSq=1
прочности режущей части КSh=1,05
механических свойств обрабатываемого
материала КSМ=1,2
схемы установки заготовки КSМ =0,8
состояния поверхности заготовки
КSn=1
геометрических параметров резца КSα=1
-жесткости станка КSj =1
Значение подач определяется по
формуле 16:=0,16· 1,15 ·1 · 1· 1,05· 1,2· 0,8· 1·1· 1=0,18 мм/об
Выбор скорости резания Т1=300 м/мин
/11, т.2, стр. 81/
По карте 23 выбираются поправочные
коэффициенты на скорость в зависимости от:
группа обрабатываемого материала
Кvc=0,85
вида обработки Кvо =1,05
жесткости станка КVj=1
механических свойств обрабатываемого
материала КvМ=1,3
геометрических параметров резца Кvα=1
-периода стойкости режущего
инструмента Кvт =1
наличие охлаждения Кvж =1
Скорость резания определяется по
формуле 17:= 300· 0,85· 1,05· 1· 1,3· 1· 1· 1=330 м/мин
Частота вращения шпинделя
определяется по формуле 18:
=
мин-1
Определение минутной подачи.
Минутную подачу рассчитываем по
формуле 20:=0,18·1459=262,7 мм/мин.
Определение цикла автоматической
работы по формулам 21 и 22.
ТО=
мин
Тмв=
мин
Ту.а2.=ΣТо+Тмв=0,26+0,06=0,32
мин
Ту.а.=ΣТу.а.=0,72+0,42+0,25+0,32=1,71
мин
Операция 010-
Горизонтально-протяжная
. Расчет скорости резания=5 м/мин
/13, стр.129/
.Сила резания=110 кН /13, стр.132/
.Мощность электродвигателя станка
д.н.=
(22)
где К1 -коэффициент, учитывающий
допускаемую - перегрузку двигателя;
К1=1,35 /13, стр.128/
К1 -коэффициент, зависящий от типа
станка;
К1=0,9 /13, стр.128/д.н.=
кВт
пр=22 кВт Nд.н.≤ Nпр
(13,1<22)- обработка возможна
.Расчет основного времени:
р.х.=Lр+L2+ln (23)
р - длина протягивания, мм, 70 мм;-
длина рабочей части протяжки, 800 мм- длина перебега, 30-50 мм;
р.х.=70+700+40=810 мм
ТО=
мин
Операция 020 - Зубофрезерная
.Длина рабочего хода
р.х.=Lр+Lп (24)
р - длина резания, мм, 30 мм;п -
длина врезания и перебега, мм
вр=32мм /13, стр.420/п=8
ммр.х.=30+32+8=70 мм
.Назначение осевой подачи от=3,5
мм/об /13,стр.136/о= Sот·k1·k2,
где k1 - коэффициент, определяемый
обрабатываемым материалом.=0,9 /13,стр.138/- коэффициент, определяемый углом
наклона зуба.=1 /3,стр.138/о=3,4·0,9·1=3,15 мм/об
.Назначение скорости резания
ТАБЛ.=45 м/мин /13, стр.138/= VТАБЛ· k1·k2· k3
где k1 - коэффициент, определяемый
обрабатываемым материалом.=0,9 /13,стр.139/- коэффициент, определяемый углом
наклона зуба.=1,0 /13,стр.139/)-коэффициент, определяемый материалом режущей
части фрезы.=1,0 /13,стр.139/= 45× 0,9·1· 1=40,5 м/мин
. Частота вращения шпинделя определяется
по формуле 18:
=
мин-1
Корректируется частота вращения
шпинделя по паспорту nф=150мин-1
=
м/мин
.Определение величины осевой
передвижки фрезы В, мм, и количества осевых передвижек фрезы W.
В=43,1 мм.
Количество осевых передвижек фрезы
определяется по формуле:
=
(25)
где lp - длина рабочей части фрезы,
мм, 40 ммlk -величина конечной и начальной установки фрезы, мм.
Ln=-
мм=-
мм=
=2.
.Определение основное времени
ТО=
мин
.Мощность
резания=10-3·CN·Soy·mk·Dpuu·Zkq·V·Kn (26)
Коэффициент определяется по
справочнику 16, т.2, стр.463.=124; У=0,9; Х=1,7; U=-1; q=0;
Kn=1,1.=10-3·124·3,150,9·41,7·125-1·140·40,3·1,1=1,6 кВт≤ Nпр
(1,6<7,5) - обработка возможна.
Операция 040- Шлицешлифовальная
Режущий инструмент: Круг
шлифовальный 750х63х305 24А25СТ25К5 ГОСТ2424-83 Глубина резания t=0,25 мм
Пкр=4550 мин-1
=
=41 m/c
Определение продольной подачи
(скоростей) стола SM в м/мин:
Зная число шлицев z = 10 и их длину
L = 30, выбираем Sм = 7,1 м/мин.
Определение подачи круга на двойной
ход стола St в мм/дв. ход:
Т.к. периметр шлифуемой поверхности
р = 2·3 + 4,6 = 10,6 - шлифуются одновременно боковые и стороны и дно, то
выбираем St = 0,030.
Определение длины перебега уп в мм:
Т.к. время поворота барабан на один
шлиц tоб / Z = 0,01 выбираем уп = 48 мм.
Определение числа проходов на
выхаживание каждого шлица uвых:
Т.к. шероховатость поверхности
должна быть Ra = 1,6, которая попадает в 8 класс точности, то выбираем число
походов uвых = 4.
Определение слоя, снимаемого
выхаживания авых в мм:
Зная, что число проходов равно 4 и
подача на двойной ход St = 0,030 выбираем авых = 0,04 мм.
. Расчет машинного времени tм в мин:
(27)
где: lш - длина шлицев;
уn - длина перебега;м - продольная
подача;-число проходов;вых - число проходов на выхаживание;- число шлицев.
м=
мин
Расчет норм времени
Операция 005-
Горизонтально-протяжная
Вспомогательное время определяется
по формуле:
Тв=Тв.у.+Тв.он.+Тв.изм, (28)
где Тв.у - время на установку и
снятие детали, мин;
Тв.он - вспомогательное время,
связанное с операцией, мин;
Тв.изм - вспомогательное время на
измерение.
Тв.у=0,34 мин /11, т.1, стр.65/
Тв.оп=0,32 мин /11, т.1, стр.79/
Тв.изм=0,16 мин /11, т.1, стр.84/
Тв=0,34+0,32+0,16=0,82 мин.
Штучное время определяется по
формуле:
Тшт=(То.+Тв+ktb)(1+
) (29)=0,87
/12, стр.31/
аотп=4% /12, стр.203/
аобс=4% /12, стр.171/
Тшт=(1,61+0,82·0,87)(1+
)=2,51 мин.
Штучно-калькуляционное время
определяется по формуле:
Тшт.к.= Тшт+
(30)
где Тп.з. -
подготовительно-заключительное время.
Тп.з.=18 мин /12, стр.171/
Тшт.к.= 2,51+
мин
Операция 010-
Горизонтально-протяжная
Вспомогательное время определяется
по формуле 28:
Тв.у=0,14мин /12, стр.52/
Тв.он=0,30 мин /12, стр.170/
Тв.изм=0,2 мин /12, стр.190/
Тв=0,14+0,30+0,20=0,64 мин.
Штучное время определяется по
формуле 29:
=0,87 /12, стр.31/
аотп=4% /12, стр.203/
аобс=3,5% /12, стр.171/
Тшт=(0,14+0,64·0,87)(1+
)=0,74 мин.
Штучно-калькуляционное время
определяется по формуле 30:
Тп.з.=12 мин /12, стр.171/
Тшт.к.= 0,74+
мин
Операция 020 - Зубофрезерная.
Вспомогательное время определяется
по формуле 28:
Тв.у=0,13 мин /12, стр.54/
Тв.он=0,85мин /12, стр.152/
Тв.изм=0,8 мин /12, стр.196/
Тв=0,13+0,85+0,8=1,78 мин.
Штучное время определяется по
формуле 29:
=0,87 /12, стр.31/
аотп=4% /12, стр.209/
аобс=4% /12, стр.154/
Тшт=(8,35+1,78·0,87)(1+
)=10,7 мин.
Штучно-калькуляционное время
определяется по формуле 30:
Тп.з.=24 мин /12, стр.154/
Тшт.к.= 10,7+
мин
Операция 040- Шлицешлифовальная
Вспомогательное время определяется
по формуле 28:
Тв.у=0,54 мин /12, стр.40/
Тв.он=0,42 мин /12, стр.127/
Тв.изм=0,09 мин /12, стр.196/
Тв=0,54+0,42+0,09=1,05 мин.
Штучное время определяется по
формуле 29:
=0,87 /12, стр.31/
аотп=4% /12, стр.130/
Тшт=(4,6+1,05·0,87)(1+
)=5,95 мин.
Штучно-калькуляционное время
определяется по формуле 30:
Тп.з.=10 мин /12, стр.130/
Тшт.к.= 5,95+
мин
Составление управляющей программы
для станка с ЧПУ
Управляющая программа составляется
для обработки на станке 16К20Ф3С32 с устройством ЧПУ 2Р22.
N001 S3 780
F0.29 T1*X150 Z200 EM08*L08 А0.5 Р1.5* X61,4
Z161,5 Е*X70,9
*Х73
Z159.9*Z31,5*Х80
Z28,5*X150 Z200 M17 E*S3 890 F0.23 T2*L08 Р2* X62 Z162 Е*X52
Z91,5*X46*Z162*X150 Z200 M17 E*S3 920 F0.25 T3*X46 Z162 Е*Z126*X55*X46*Z162*X150
Z200 M17 E*S3 1459 F0.18 T3*L10 B4* X72 Z163 Е*Z31,5*X78*
N029 X150 Z200E*M09*M02*
3.Конструкторский раздел
.1 Расчет и конструирование режущего
инструмента на заданной операции
На зубофрезерной операции в качестве
режущего инструмента используется червячная фреза. Обработка производится по
методу обката. Главное движение - вращение фрезы.
Основные конструктивные размеры
фрезы определяются по ГОСТ 9324-80: наружный диаметр dао=125 мм; диаметр
посадочного отверстия d=50 мм, диаметр буртика d1=80 мм, длина фрезы L=125 мм,
число зубьев Zо=14.
Размеры профиля зубьев в нормальном
сечении: шаг профиля зуба Рпо=Пm=3,14·4=12,56 мм. Толщина зуба в нормальном
сечении Sпо=0,5Р=0,5·12,56=6,28 мм.
Высота головки зуба ho=25 мм; высота
ножки зуба до фланца hfo=5,5 мм; высота головки зуба hао=12,5 мм; толщина
фланца наибольшая зуба rа=3,8 мм.
Размеры профиля зуба в осевом
сечении: профильный угол профиля правой стороны зуба αпр=20008', а
левой стороны зуба αп=19057';
средний расчетный диаметр фрезы dто=112,5 мм; угол подъема винта, равный углу
наклона стружечной канавки γто=λто=3046';
затылование К=10 мм; дополнительное затылование К1=1,4К=14 мм; ход винтовой
стружечной канавки Pz=7245мм.
Элементы стружечных канавок фрезы:
глубина канавки
Н=ho+
мм
угол профиля стружечной канавки
Q=180;
радиус закругления дна канавок
=
мм
Размеры посадочного отверстия и
шпоночного паза по ГОСТ 9472-83;
=50Н6(-0,016) ; С1=53,8Н12(+0,3); а=
Размеры канавок для облегчения
шлифования профиля зубьев hз=1 мм;rз=1 мм; b=0,3Sno=0,3·6,28=2 мм.
Технические требования фрезы типа 1
класса АА принимаются по ГОСТ 9324-80.
.2 Организация технического контроля
на участке. Расчет и конструирование средств измерения для заданной операции
Система контроля качества изделий
предназначена для своевременного определения с требуемой точностью параметров
качества изделий, изготавливаемых на участке.
Контроль качества изделий на участке
производится на контрольных столах контролёрами. Контрольный пункт
промежуточного контроля располагается между станками. Это возможно из-за
использования простых измерительных средств (калибров, штангенциркулей,
штангенрейсмусов и т.п.) и контрольных приспособлений.
Проверка производиться после
токарной обработки, после нарезания зубчатых венцов и перед термообработкой,
после изготовления детали.
Измерительные средства применяемые
для промежуточного контроля заготовки и окончательного контроля детали в
серийном производстве могут быть и стандартными, и специальными.
При измерении поверхностей,
выполненных по допускам, применяют предельные калибры, т.к. измерение
переставными инструментами является сложной и длительной операцией. Средства
контроля должны соответствовать требованиям ГОСТ 8.001-71. К применению
допускаются средства контроля признанные годными по результатам
метрологического надзора в соответствии с требованиями ГОСТ 8 002-71.
Системой контроля качества изделий
на участке занимается служба отдела технического контроля, которая находится в
подчинении дирекции по качеству.
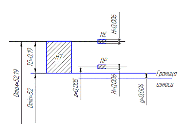
На калибровочной операции для
контроля внутренней поверхности Æ52Н11 (
) применяется калибр-пробка. Калибр
относится к нерегулируемым гладким калибрам. Изготавливается цельным из стали
20 с цементацией h 0,8…1,2 до 59…65HRСэ. Проходная сторона должна проходить в
отверстие, а не проходная не должна. Расчёт исполнительных размеров гладких
калибров производится по формулам ГОСТ 24853-81.
Предельные отклонения размера
отверстия Æ52Н11 (
).
=19; EI=0 мкм. /т.7/
Предельные размеры отверстия:
Dmax=D+ ES
=52+0,19=52,19 мм=D+
EI =52+0=52 мм
Допуск отверстия:
TD=ES-EI=0,19-0=0,19 мм.
Отклонения и допуски на калибр-пробку:=5
мкм, Y1=4 мкм H1=6 мкм
Расчёт размеров проходного калибра
ПР:
ПРmax= Dmin +Z1 ± H1 |2=52+0,005±
0,006/2=52,005±0,003 мм
Предельные размеры проходного
калибра:
наибольший:
ПРmax=52,005+0,003=52,008 мм
наименьший:
ПРmin=52,005-0,003=52,002 мм
Исполнительный размер
проходного калибра ПРисп:
ПРисп=52,008 -0,006
Расчёт размеров непроходного калибра
НЕ:
НЕ= Dmax ± H1 |2=52,19±
0,006/2=52,19±0,003 мм
Предельные размеры непроходного
калибра:
наибольший: НЕmax=52,19+0,003=52,193
мм
наименьший: НЕmin=52,19-0,003=52,187
мм.
Исполнительный размер непроходного
калибра НЕисп:
НЕисп=52,193 -0,006
Предельный размер изношенного
проходного калибра ПРизн:
ПРизн= Dmin -У1 =52-0,004= 51,996 мм
Рисунок 5 -Схема расположения полей
допусков калибра-пробки контроля размера отверстия Æ52Н11 (
).
.Организационный раздел
.1 Определение потребного количества
оборудования, его загрузка
Расчет фондов времени за год можно
определить следующим образом
1. Номинальный
фонд времени.
Fн=(Дк-Дв-Дпр)·S·Дсм,
где
- количество календарных дней в
периоде,
дней;
- количество праздничных дней в
периоде,
дней;
- количество выходных дней в
периоде,
дней; -
количество смен;
Дсм - продолжительность одной смены,
час.н=(365-14-104)·2·8=3952 час.
. Действительный фонд времени работы
оборудования.
(ч),
где
- коэффициент простоя оборудования,
Д.год=
а = 10%
. Определение потребного количества
оборудования.
,
где
- коэффициент выполнения норм
.
Принимается
.-
производственная программа, шт.,
На некоторых операциях используется
коэффициент догрузки, предполагающий догрузку оборудования подобными изделиями.
Операция 005 Токарная с ЧПУ
(16К20Ф3С32)
, принимается
ст
Операция 010 Горизонтально - протяжная
(7Б520)
, принимается
ст
Операция 015 Токарная с ЧПУ
(16К20Ф3С32)
, принимается
ст
Операция 020 Зубофрезерная (5343ПФ2)
, принимается
ст
Операция 040 Шлицешлифовальная
(3451)
, принимается
ст
Общее принятое количество станков -
6
Спр = 6
. Коэффициент загрузки оборудования:
,
. Средний коэффициент загрузки
оборудования.
. Определение средней загрузки
оборудования по участку
Кз.ср.= Кз.ср.·100%
Кз.ср.=0,69×100%=69%
Составление ведомости оборудования.
Таблица 9 - Ведомость оборудования.
|
Наименование
оборудования
|
Ср
|
Спр
|
Кз
%
|
Мощность
электро- двигателя кВт
|
|
|
|
|
1ст
|
всех
|
|
1
|
2
|
3
|
4
|
5
|
6
|
|
1.Токарный
с ЧПУ 16К20Ф3С32
|
0,38
|
1
|
38
|
11
|
11
|
|
2.
Горизонтально - протяжной 7Б520
|
0,44
|
1
|
44
|
22
|
22
|
|
3.Токарный
с ЧПУ 16К20Ф3С32
|
0,86
|
1
|
86
|
11
|
11
|
|
4.
Зубофрезерный 5343ПФ2
|
1,6
|
2
|
80
|
10
|
20
|
|
5.
Верстак слесарный
|
-
|
2
|
-
|
-
|
-
|
|
6.Стол
контрольный
|
-
|
2
|
-
|
-
|
-
|
|
7.Шлицешлифовальный
3451
|
0,88
|
1
|
88
|
3
|
3
|
|
8.Пресс
гидравлический П6324
|
-
|
1
|
-
|
6
|
6
|
|
9.
Моечная машина
|
-
|
1
|
-
|
2,5
|
2,5
|
|
Итого
|
|
12
|
|
|
75,5
|
.2 Расчет и организация многостаночного
обслуживания на участке. Состав и расчет количества участков производства с
учетом многостаночного обслуживания
К промышленно-производственному персоналу,
обслуживающему оборудование относятся основные и вспомогательные
производственные рабочие. Рабочие по техническому обслуживанию оборудования,
как правило, включаются в штат цеха.
.Для расчета численности работающих на участке
определяется действительный фонд времени рабочего:
др = ( Д к - Дв -Дпр ) * s * Дсм * Кпотери, где
Кпотери - коэффициент невыходов на работу
др =(365-14-104) ∙8 ∙1 ∙
(1-12/100)= 1738,9 час
.Определение количества рабочих по формуле
осуществляется по формуле:
Ri=
, чел
Токарная с ЧПУ (16К20Ф3С32)= 31000∙2,51/1738,9∙60∙1,1
= 0,75 Rпр = 1 чел
Горизонтально - протяжная (7Б520)=
31000∙0,74∙4/1738,9∙60∙1,1 = 0,89 Rпр = 1 чел
Токарная с ЧПУ (16К20Ф3С32)= 31000∙4∙1,54/1738,9∙60∙1,1
= 1,85 Rпр = 2 чел
Зубофрезерная (5343ПФ2)= 31000∙10,7/1738,9∙60∙1,1
= 3,21 Rпр = 4 чел
Шлицешлифовальная (3451)= 31000∙5,95/1738,9∙60∙1,1
= 1,8 Rпр = 2 чел
. Общая численность основных
производственных рабочих пр =10 чел.
Всего вспомогательных рабочих:всп пр
= R контролер + R наладчик + R слесарь всп = 1 наладчик + 2 контролера + 2
слесаря = 5 чел.
.Численность наладчиков определяется
по формуле:нал = (Спр / Нобсл )∙ S
Нобсл - норма обслуживания, станки
нал =
чел.
нал = 2 чел.
. Количество АУП и специалистов
определяется методом относительной численности:
Для организации работы на участке
принимается 1 сменный мастер.
Таблица 10- Ведомость работающих на
участке
|
Профессия
|
Принятое
кол-во
|
Разряд
|
|
|
1
|
2
|
3
|
4
|
5
|
6
|
|
Основные
производственные рабочие
|
10
|
|
|
|
3
|
7
|
|
|
Вспомогательные
рабочие
|
5
|
|
|
4
|
|
1
|
|
|
Сменный
мастер
|
1
|
|
|
|
|
|
|
|
Итого
|
16
|
|
|
4
|
3
|
8
|
|
.3 Планировка оборудования и расчет потребных
производственных площадей
Площадь участка включает в себя производственную
и вспомогательную площадь и бытовые помещения.
Производственная площадь - площадь, занятая
оборудованием, рабочими местами. Производственная площадь определяется исходя
из габаритов станков и их количества.
Определим площадь, занимаемую каждым станком по
формуле:
= a *b, где
и b - соответственно длина и ширина станка, м.
Вспомогательная площадь - площадь занятая под
проездами, вспомогательным оборудованием, складами, составляет 10% от всей
производственной площади.
Общая площадь = Sпр + Sвсп, м2
К промышленно-производственному персоналу
относятся основные, вспомогательные рабочие, младший обслуживающий персонал,
административно управленческий персонал, специалисты и служащие.
Таблица 11 - Ведомость площади и объема
помещения механического участка
|
Вид
помещения
|
Удельная
площадь на 1 станок, м2
|
Количество
станков
|
Площадь
S, м2
|
Высота
h, м
|
Объем
V, м3
|
|
Производственная
площадь
|
15
|
12
|
180
|
10
|
1800
|
|
Вспомогательная
площадь
|
1,5
|
12
|
18
|
10
|
180
|
|
Общая
площадь
|
|
|
198
|
|
1980
|
.4 Транспортировка деталей на участке
В процессе производства в цехах предприятия
регулярно перемещается большое количество сырья, материалов, топлива,
инструментов и готовой продукции, доставка этих грузов на заводе, а также вывоз
готовой продукции и отходов производства является функцией промышленного
транспорта. Согласованность транспортных и производственных процессов -
необходимое условие бесперебойной работы отдельных цехов и предприятия в целом.
Для ликвидации тяжелых и трудоёмких работ,
сокращения продолжительности производственного цикла следует предусматривать
механизированные транспортные средства. Выбор транспорта зависит от характера
обрабатываемых на участке деталей, массы и габаритов изделия или величины изготавливаемой
партии, типа производства, грузооборота. Транспорт должен своевременно
обеспечивать рабочие места заготовками, чтобы снизить простои на местах и
длительность производственного цикла.
В данном случае для перемещения деталей от
станка к станку используется подвесной конвейер, а из цеха в цех - электрокары.
.5 Организация ремонта оборудования на участке
Для поддержания эффективной работы оборудования
необходимо осуществлять надзор за состоянием оборудования. Чтобы оборудование
было в постоянной готовности необходимо предупредить преждевременный износ,
обеспечить надлежащий уход и ремонт оборудования.
Ремонтное хозяйство цеха возглавляет механик
цеха, в его подчинении находятся мастера и рабочие механики. На всем
предприятии из вспомогательных рабочих 30% заняты ремонтом оборудования.
Планово-предупредительный ремонт оборудования -
основа организации ремонта. Он включает в себя совокупность различного вида
работ по техническому уходу, ремонта оборудования и мероприятия межремонтного
обслуживания.
Плановые ремонтные оборудования: малый, средний
и капитальный, а также изготовление запасных частей в ремонтно-механических
цехах завода.
Капитальный ремонт оборудования производится 1
раз в 4 года. Планово-предупредительный- 1 раз в 2 года. Текущий ремонт-1 раз в
год. Осмотр оборудования производится 2 раза в год.
.6 Обеспечение нормальных условий и безопасности
труда на участке
.6.1 Расчет вентиляции и освещения на участке
Вентиляцией называется организованный и
регулярный воздухообмен, обеспечивающий удаление из помещения воздуха
«отработанного» и подачу свежего. По способу перемещения воздуха различают
системы естественной, механической и смешанной вентиляции.
Естественная вентиляция осуществляется за счет
форточек, фрамуг, окон.
Площадь форточек принимается 6 размере не менее
2...4% площади пола.
фор=0,04·Sп, м2фор=0,04·180=6 м2
Необходимый воздухообмен для всего
производственного помещения в целом определяется:
=n·Li, м3/ч
Где п- число работающих в помещении, чел
=250 м3/ч=12 ·250=3000 м3/ч
При правильно организованной вентиляции
кратность воздухообмена должна быть от 1 до 10
=L/V
КВ=3000/1800=2
Расчет освещения.
Степень освещенности того или иного
производственного помещения зависит от вида работ, выполняемых в данном
помещении. В производственном помещении предусматривается естественное и
искусственное освещение.
Расчет естественного освещения.
Естественное освещение обеспечивается
устройством окон и зенитных фонарей в крыше. Суммарная площадь окон
определяется по формуле:
, (м2) (48)
где Fn - площадь пола участка; Fn =
180 м2
α - удельная площадь окон,
приходящаяся на 1 м2 пола; α = 0,1;
Ʈ - коэффициент, учитывающий
потери света от загрязнения остекления; Ʈ =0,6.
м2
Расчет числа окон производится по
формуле:
, (шт) (49)
где Fок - площадь одного окна;
ок = bок × hок , (м2)
(50)
ок - высота окна, мок=3 м.ок -ширина
окна, м
ок=2 м.ок = H - (hпод + hнад), м
(52)
где Н - высота здания цеха; Н = 10
мпод - расстояние от пола до подоконника; hпод = 0,8; над - расстояние от
потолка до окна; hнад = 0,3 м.
Высота окна должна быть кратна 0,6
м.ок = 10 - (1,2 + 0,3) = 9 м
Принимается hок = 9 мок = 2 × 9 = 18 м2
. Принимается 2 окна
Расчет искусственного освещения.
Принимается значение освещённости
Е=200 Лк
Суммарная мощность ламп определяется
по формуле:
л = Pу × Fn , кВт
где Pу - удельная мощность
осветительной установки; при высоте подвеса светильника 6 м, площади пола Fуч =
150 м2 и освещенности Е = 200 Лк Ру = 16,6 Вт/м2.л =16,6·180=2490 Вт
Выбирается мощность одой лампы.
Люминесцентная лампа Nл =30…150 Вт.
Принимается Nл=150Вт
Число ламп рассчитывается по
формуле:
, шт. (54)
шт. Принимается 17 штук.
Расход электроэнергии на освещение:
осв = Tосв × Nл, ,кВт
(55)
где Tосв - годовое время работы
освещения, для географической широты 55о и работы в одну смену, Tосв = 800 ч.
осв = 800 × 2490
=1995000 Вт=1995 кВт
.6.2 Электробезопасность u пожарная
безопасность
Условием обеспечения
электробезопасности является высокая техническая грамотность и дисциплина труда
электротехнического персонала, строгое соблюдение правил и инструкций.
При использовании
электроинструментов запрещается передавать его другим лицам; разбирать и самим
ремонтировать, работать с приставных лестниц, работать на открытом месте под
дождем или снегопадом, оставлять его без надзора включенным в электрическую
сеть.
На предприятиях следует заземлять
емкости с горючими жидкостями; электрокары, используемые для перевозки сосудов
с горючими жидкостями и т.д.
Использование мер противопожарной
защиты на объекте зависит от его особенностей (характер и особенности объекта,
его местоположение и размеры, материальные ценности и вид оборудования) и от
требований действующих норм. Все применяемые меры противопожарной защиты можно
условно разделить на пассивные и активные.
Пассивные меры защиты сводятся к
рациональным архитектурно-планировочным решениям. Ещё на стадии проектирования
необходимо предусмотреть удобство подхода и проникновения в здание пожарных
подразделений; уменьшение степени опасности распространения огня между этажами,
отдельными помещениями и зданиями промышленного объекта; конструктивные меры,
обеспечивающие незадымляемость зданий; рациональное использование
производственного освещения и т.З.
К активным мерам защиты относят-
системы автоматической пожарной сигнализации; установки автоматического
пожаротушения; техническое оборудование первой пожарной помощи; специальные
средства подавления пожаров и взрывов промышленных объектов; вспомогательное
оборудование, использование пожарными подразделениями.
К первичным средствам пожаротушения
относятся огнетушители, ведра, емкости с водой, ящики с песком, ломы, топоры,
лопаты, кошма и т.д.