Проектирование участка механического цеха для обработки детали 'Корпус толкателя'
Введение
Процесс изготовления машин или механизмов состоит из комплекса работ,
необходимых для производства заготовок, их обработки, сборки из готовых деталей
составных частей и сборки из сборочных единиц и отдельных деталей готовых
машин.
В пояснительной записке представлена поэтапная разработка
технологического процесса механической обработки детали машиностроительного
производства.
Тщательная подготовка этого этапа изготовления машин и механизмов
особенно важна, поскольку только обработка резанием позволяет получить
поверхности с заданными параметрами точности размеров и качества поверхности.
Часто этот метод является единственным, что особенно важно на данный момент,
т.к. большинство предприятий, перешли на серийное и мелкосерийное производство.
Кроме того получение деталей таким способом экономично.
При разработке технологического процесса механической обработки детали
работа велась по основным этапам обеспечения требуемой точности:
Размерно-точностный анализ технологических процессов;
Расчет суммарной погрешности обработки и ее составляющих: погрешности от
упругих деформаций технологической системы, погрешности от размерного износа
инструмента, погрешности от температурных деформаций, погрешности настройки
технологической системы, погрешности, обусловленной
геометрической неточностью станка, погрешности от перераспределения
остаточных напряжений в заготовке.
Погрешность установки и ее расчет. Определение погрешностей базирования,
закрепления и приспособления.
Представленная информация была принята на основе знаний полученных в
курсе изучения специальных и общетехнических дисциплин («Технология
машиностроения», «Процессы формообразования и инструмент», «Технологическое
оборудование», «Оборудование машиностроительного производства»,
«Технологическая оснастка», «Метрология, стандартизация и сертификация»,
«Инженерная графика», «Качество продукции», «Программирование для станков с АО»
и т.д.), а также выбрана из специальной литературы по машиностроительной
тематике. Кроме того, в ходе написания проекта применялись информационные
технологии и технические средства: персональный компьютер, системы
автоматизированного проектирования («КОМПАС 3D», «ADEM»),
а также сеть Интернет.
На основе представленных расчётов был создан комплект технической
документации и выполнены чертежи.
1.ТЕХНОЛОГИЧЕСКАЯ ЧАСТЬ
1.1 Описание конструкции и назначение детали
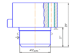
Деталь «Корпус толкателя» (рис. 1.1.) относится к группе корпусных
деталей.
Корпусные детали - важнейшие составляющие любого технического устройства.
В промышленных механизмах и установках корпусные детали входят в узлы передачи
вращающего момента, ротационные узлы машин (турбин, насосов,
электродвигателей), относятся к числу наиболее ответственных и технологически
трудных для изготовления.
Габаритные размеры детали «Корпус толкателя»: 129×115×105 мм. Деталь состоит из фасонного
основания 105×105×72 мм, цилиндрической ступенчатой бобышки высотой 57мм
со ступенями Æ72мм
длиной 47мм и Ø74мм, расположенной на торцевой поверхности основания, и
фасонной бобышки, расположенной на боковой поверхности основания. Деталь имеет
центральное сквозное гладкое ступенчатое отверстие со ступенями Ø67мм глубиной 38мм и Ø50мм. На торцевой поверхности
ступенчатого отверстия имеется канавка под уплотнительное кольцо 2,5мм глубиной
4мм. Сквозной паз шириной 20мм выполнен на ступени Ø72
цилиндрической бобышки.
Фасонная бобышка имеет центральное сквозное гладкое ступенчатое отверстие со
ступенями Ø20мм глубиной 8мм и Ø16мм. На торце фасонного основания
выполнены 4 сквозных гладких отверстия Ø14мм. 2 глухих резьбовых отверстия М3
глубиной 6мм выполнены на торцевой поверхности фасонной бобышки.
Рисунок 1.1. Корпус толкателя
1.2 Анализ технологичности детали
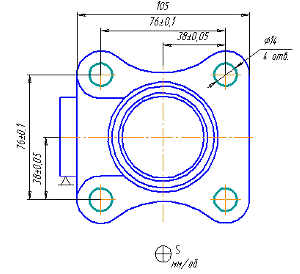
В результате анализа чертежа было определено, что чертеж содержит все
необходимые сведения о точности размеров, качестве обрабатываемых поверхностей
и точности взаимного расположения поверхностей, а именно - допуск
перпендикулярности торцевой поверхности корпуса и базы Б - центрального
отверстия 60мкм.
«Корпусная толкателя» изготавливается из стали для отливок 20ХМЛ литьём,
поэтому конфигурация наружного контура и внутренних поверхностей не вызывает
значительных трудностей при получении заготовки.
С точки зрения механической обработки деталь имеет следующие недостатки в
отношении технологичности:
деталь не предусматривает обработку поверхностей на проход, за
исключением сквозных отверстий Æ50мм и Æ16мм;
глухие резьбовые отверстия М3-7Н, проконтролировать глубину отверстий
затруднительно, и имеются препятствия для выхода стружки.
Эти элементы определяются конструктивными соображениями, и изменить их
затруднительно.
Базирование детали на некоторых операциях возможно лишь при помощи
специальных приспособлений. Использование специальных приспособлений
увеличивает стоимость и трудоёмкость изготовления детали, так как требуется их
проектирование и изготовление.
Наиболее точными размерами являются:
диаметр отверстия 67мм, выполненный по 9 квалитету точности с
шероховатостью Ra 1,6;
диаметр бобышки 72мм, выполненный по 9 квалитету точности с
шероховатостью Ra 1,6.
В остальном деталь достаточно технологична:
обрабатываемые плоскости расположены параллельно и перпендикулярно друг к
другу;
отверстия расположены под прямым углом к плоскости входа и выхода;
жёсткость детали достаточно и не ограничивает режимы резания;
имеются хорошие базовые поверхности для первоначальных операций. Точность
размеров большей части наружных поверхностей корпуса обеспечивается в процессе
литья, поэтому механической обработке эти поверхности не подвергаются.
При механической обработке детали имеется возможность применения принципа
постоянства и совмещения установочных баз.
1.3 Характеристика материала
Для изготовления детали “Корпус толкателя” применяется сталь обыкновенная
для отливок 20ХМЛ ТУ 24-1-12-182-75.
Химический состав стали 20ХМЛ ТУ 24-1-12-182-75 .
Таблица 1.3.1.
|
Магний, %
|
Углерод, %
|
Молибден, %
|
Сера, %
|
Фосфор, %
|
Хром, %
|
Кремний, %
|
|
0,50
|
0,20
|
0,50
|
0,03
|
0,30
|
0,55
|
0,30
|
Механические свойства стали 20ХМЛ ТУ 24-1-12-182-75.
Таблица 1.3.2.
|
Название свойства
|
Единица измерения
|
Значение свойства
|
|
Предел кратковременной
прочности, σв
|
МПа
|
460
|
|
Предел текучести, σТ
|
МПа
|
245
|
|
Относительное удлинение, δ5
|
%
|
18
|
|
Относительное сужение, ψ
|
%
|
30
|
|
Твердость по Бринеллю,
НВ
|
МПа
|
149 - 229
|
|
Линейная усадка
|
%
|
2,2
|
Физические свойства стали 20ХМЛ ТУ 24-1-12-182-75.
Таблица №1.3.3.
|
Название свойства
|
Единица измерения
|
Значение свойства
|
|
Модуль упругости, Е
|
МПа
|
|
|
Коэффициент линейного
расширения, (при температуре от 20° до 200°С)
|
|
|
|
Плотность,
|
кг/м3
|
7780
|
Технологические свойства стали 20ХМЛ ТУ 24-1-12-182-75.
С точки зрения свариваемости, сталь 20ХМЛ - ограниченно свариваемая.
Необходим подогрев и последующая термообработка.
В нормализованном и отпущенном состоянии при твёрдости 135-180 (по НВ) и
пределе прочности 460МПа коэффициент обрабатываемости резанием Kυб. ст равен 0,85.
Сталь 20ХМЛ относится к группе сталей обыкновенных для отливок.
Область применения: фланцы, шестерни, втулки, зубчатые колёса, цилиндры и
другие детали, работающие от -40 до +540 °С, детали паровых и газовых турбин,
арматура и детали трубопровода, работающие при температурах до 500-540 °С.
Сталь 20ХМЛ - хромомолибденовая. Легирующие элементы в её составе
повышают механические свойства: хром повышает твёрдость, а молибден увеличивает
красностойкость, прочность, коррозионностойкость при высоких температурах.
1.4 Определение годовой программы выпуска
В машиностроении в зависимости от производственной программы и характера
изготовляемой продукции различают три основных вида производства: единичное,
серийное и массовое.
Исходя из массы детали 3,9 кг и учитывая заданный тип производства
(среднесерийный) на изготовление детали “Корпус толкателя”, принимается годовая
программа выпуска 10000 штук в год.
Таблица 1.4. Типы производств.
|
Масса детали,кг
|
Тип производства
|
|
Единичное
|
мелкосерийное
|
среднесерийное
|
крупносерийное
|
массовое
|
|
<1
|
<20
|
20 - 2000
|
2000 - 20000
|
20000 - 100000
|
>100000
|
|
1,0 - 4,0
|
<15
|
15 - 1000
|
1000 - 10000
|
10000 - 75000
|
>75000
|
|
4,0 - 10
|
<10
|
10 - 500
|
500 - 5000
|
5000 - 50000
|
>50000
|
|
10 - 20
|
<7
|
7 - 250
|
250 - 2500
|
2500 - 25000
|
>25000
|
|
>20
|
<5
|
5 - 120
|
120 - 1200
|
1200 - 15000
|
>15000
|
Среднесерийное производство характеризуется изготовлением деталей
повторяющимися партиями (сериями).
В условиях среднесерийного производства представляется возможным
расположить оборудование в последовательности технологического процесса для
одной или нескольких деталей, требующих одинакового порядка обработки, со
строгим соблюдением принципов взаимозаменяемости при обработке.
При небольшой трудоемкости обработки или недостаточно большой программе
выпуска целесообразно обрабатывать заготовки партиями, с последовательным
выполнением операций, т.е. после обработки всех заготовок партии на следующей
операции. При этом время обработки на различных станках не согласовывается.
Заготовки во время работы хранят у станков, а затем транспортируют целой
партией.
1.5 Выбор и расчёт заготовки с
экономическим обоснованием
Учитывая форму и размеры детали «Корпус толкателя», эксплуатационные
условия работы, марку материала (сталь 20ХМЛ), а также тип производства
среднесерийный возможно получение заготовки двумя способами - литьё по
выплавляемым моделям и кокильное литьё, так как деталь имеет сравнительно
небольшие габаритные размеры и большое количество необрабатываемых фасонных
поверхностей. При выборе вида заготовки учитываются не только эксплуатационные
условия работы детали, ее размеры и форма, но и экономичность ее производства.
Способ получения заготовки должен быть наиболее экономичным при заданном объеме
выпуска деталей - 10000 штук. Выбор вида заготовки будет оказывать значительное
влияние на характер технологического процесса, трудоемкость и экономичность ее
обработки.
Предпочтение будет отдано заготовке, характеризующейся более экономичным
использованием металла и меньшей стоимостью.
Рисунок 1.5.1. 3D
модель детали.
Наиболее рациональными способами получения заготовки детали «Корпус
толкателя» являются: литьё по выплавляемым моделям и кокильное литьё.
Способ №1 - литьё по выплавляемым моделям. ([19] стр. 23)
Литьем по выплавляемым моделям называется способ получения отливок в
оболочковые формы, изготовляемые методом нанесения огнеупорного покрытия на
легкоплавкие модели. Последние затем выплавляются, в результате чего в
оболочковой форме образуются полости, соответствующие контурам будущей отливки.
Преимуществами литья по выплавляемым моделям являются:
· возможность получения сложных по форме отливок
· возможность получения тонкостенных отливок (от 0,5мм)
· высокая точность размеров по сравнению с другими способами
литья
· поверхностью заготовки соответствует 4-6 классам чистоты
· отливки могут быть изготовлены из всех литейных сплавов
Способ №2 - кокильное литьё.
Кокильное литьё наиболее дешёвый способ из специальных. Многократное
использование металлических форм позволяет получать отливки со стабильными
точными размерами.
Преимущество литья в кокиль в том, сокращается расход формовочного и
стержневого материала, обеспечивается высокая геометрическая точность и
плотность металла за счет интенсивной кристаллизации отливки.
К недостаткам литья в кокиль относится:
· низкая стойкость кокиля при литье черных сплавов,
· образование отбела при литье чугуна,
· проблематичность при получении тонкостенных отливок.
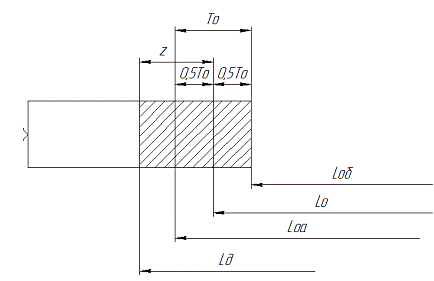
Расчёт припусков и размеров заготовки.
Для расчета припусков применяется опытно-статистический метод в
соответствии с ГОСТ 26645-85.
Способ №1. Литьё по выплавляемым моделям.
Расчеты размеров отливки
Для необрабатываемой поверхности детали.
Рисунок 1.5.2.
LОА -
наименьший размер отливки;
LО -
номинальный размер отливки;
LД -
номинальный размер детали;
LОБ -
наибольший размер отливки;
ТО- допуск отливки [21 таблица 1, стр. 4]
LО= LД ± 0,5 ∙ ТО, мм (1.5.1.) ([21],
стр. 3)
Точность отливки 7-8-9-4 ГОСТ 26645-85, где:
- класс точности размеров;
- класс точности масс;
- степень коробления;
- ряд припуска на механическую обработку.
Таблица 1.5.1. Размеры необрабатываемых поверхностей, в мм.
|
LД
|
ТО
|
0,5 ∙ТО
|
LО= LД ± 0,5 ∙ ТО
|
Размер на чертеже отливки
|
|
105,0
|
1,0
|
±0,5
|
105,0±0,5 ∙
1,0=105,0±0,5
|
105±0,5
|
|
47,0
|
0,8
|
±0,4
|
47,0±0,5 ∙
0,8=47,0±0,4
|
47±0,4
|
|
48,0
|
0,8
|
±0,4
|
48,0±0,5 ∙
0,8=48,0±0,4
|
48±0,4
|
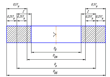
Для обрабатываемой поверхности детали.
Плоскости.
Рисунок
1.5.3.
LД - номинальный
размер детали;
LОА - наименьший
размер отливки;
LО - номинальный
размер отливки;
LОБ - наибольший
размер отливки;
ТО
- допуск отливки [21 таблица 1, стр. 4];
Z - припуск на механическую
обработку (средний) ([21] таблица 5, стр.8).
LО= (LД + Z) ±
0,5∙ТО, мм (1.5.2.) ([21], стр.4)
Таблица
1.5.2. Размеры обрабатываемой плоскости, в мм.
|
LД
|
Шероховатость поверхности, Rа
|
ТО
|
Z
|
0,5∙ТО
|
LО= (LД + Z) ±0,5∙ТО
|
Размер на чертеже отливки
|
|
24,0
|
6,3
|
0,6
|
1,0
|
±0,3
|
24,0+1,0=25,0±0,3
|
25±0,3
|
|
115,0
|
6,3
|
1,0
|
1,0
|
±0,5
|
115,0+1,0=116,0±0,5
|
116±0,5
|
|
62,5
|
6,3
|
0,2
|
1,0
|
±0,1
|
62,5+1,0=63,5±0,1
|
63±0,1
|
|
60,0
|
3,2
|
0,2
|
1,0
|
±0,1
|
60,0+1,0=61,0±0,1
|
61±0,1
|
|
38,0
|
3,2
|
0,6
|
1,0
|
±0,3
|
38,0-1,0+1,0=38,0±0,3
|
38±0,3
|
|
6,3
|
0,6
|
1,0
|
±0,3
|
|
|
|
129,0
|
3,2
|
1,0
|
1,0
|
±0,5
|
129,0+1,0+1,0=131,0±0,5
|
131±0,5
|
|
6,3
|
1,0
|
1,0
|
±0,5
|
|
|
|
57,0
|
6,3
|
0,8
|
1,0
|
±0,4
|
57,0-1,0+1,0=57,0±0,4
|
57±0,4
|
|
6,3
|
0,8
|
1,0
|
±0,4
|
|
|
Валы, отверстия.
Рисунок 1.5.4.
DД -
номинальный размер детали;
DОА -
наименьший размер отливки;
DО -
номинальный размер отливки;
DОБ -
наибольший размер отливки;
ТО - допуск отливки ([21] таблица 1, стр. 4);
Z -
припуск на механическую обработку (средний) ([21] таблица 5, стр.8)
Отверстия (Охватывающие поверхности).
DО =
(DД - 2∙Z) ± 2∙0,25∙ТО=(DД - 2∙Z) ±
0,5 ТО, мм (1.5.3.) ([21], стр.5)
Таблица 1.5.3. Размеры обрабатываемого отверстия, в мм.
|
DД
|
Шероховатость поверхности, Rа
|
ТО
|
Z
|
0,5∙ТО
|
DО = (DД - 2∙Z) ± 0,5 ТО
|
Размер на чертеже отливки
|
|
67,0
|
1,6
|
0,8
|
1,5
|
±0,4
|
67,0-1,5∙2=64,0±0,4
|
64±0,4
|
|
50,0
|
6,3
|
0,8
|
1,0
|
±0,4
|
50,0-1,0∙2=48,0±0,4
|
48±0,4
|
|
16,0
|
6,3
|
0,4
|
1,0
|
±0,2
|
16,0-2,0∙2=14±0,2
|
14±0,4
|
Валы (Охватываемые поверхности).
DО =
(DД + 2∙Z) ± 2∙0,25∙ТО=(DД + 2∙Z) ±
0,5 ТО, мм (1.5.4.) ([21], стр.5)
Таблица 1.5.4. Размеры обрабатываемых валов, в мм.
|
DД
|
Шероховатость поверхности, Rа
|
ТО
|
Z
|
0,5∙ТО
|
DО = (DД + 2∙Z) ± 0,5 ТО
|
Размер на чертеже отливки
|
|
72
|
1,6
|
0,8
|
1,5
|
±0,4
|
72,0+1,5∙2=75,0±0,4
|
75±0,4
|
Способ №2. Литьё в кокиль.
Точность отливки 9-9-7-3 ГОСТ 26645-85, где:
- класс точности размеров;
- класс точности масс;
- степень коробления;
- ряд припуска на механическую обработку.
Таблица 1.5.5. Размеры необрабатываемых поверхностей, в мм.
|
LД
|
ТО
|
0,5 ∙ТО
|
LО= LД ± 0,5 ∙ ТО
|
Размер на чертеже отливки
|
|
105,0
|
±1,0
|
105,0±0,5 ∙
2,0=105,0±1,0
|
105±1,0
|
|
47,0
|
1,6
|
±0,8
|
47,0±0,5 ∙
1,6=47,0±0,8
|
47±0,8
|
|
48,0
|
1,6
|
±0,8
|
48,0±0,5 ∙
1,6=48,0±0,8
|
48±0,8
|
Таблица 1.5.6. Размеры обрабатываемой плоскости, в мм.
|
LД
|
Шероховатость поверхности, Rа
|
ТО
|
Z
|
0,5∙ТО
|
LО= (LД + Z) ±0,5∙ТО
|
Размер на чертеже отливки
|
|
24,0
|
6,3
|
1,2
|
1,5
|
±0,6
|
24,0+1,5=25,5±0,3
|
25,5±0,6
|
|
115,0
|
6,3
|
2,0
|
1,5
|
±1,0
|
115,0+1,5=116,5±1
|
116,5±1
|
|
62,5
|
6,3
|
0,4
|
1,5
|
±0,2
|
62,5+1,5=64,0±0,2
|
64±0,2
|
|
60,0
|
3,2
|
0,4
|
2,0
|
±0,2
|
60,0+2,0=62,0±0,2
|
62±0,2
|
|
38,0
|
3,2
|
1,4
|
1,5
|
±0,7
|
38,0-1,5+2,0=38,5±0,7
|
38±0,7
|
|
6,3
|
1,4
|
2,0
|
±0,7
|
|
|
|
129,0
|
3,2
|
2,0
|
1,5
|
±1,0
|
129,0+1,5+2,0=132,5±1,0
|
132,5±1
|
|
6,3
|
2,0
|
2,0
|
±1,0
|
|
|
|
57,0
|
6,3
|
1,6
|
1,5
|
±0,8
|
57,0-1,0+1,0=57,0±0,8
|
57±0,8
|
|
6,3
|
1,6
|
1,5
|
±0,8
|
|
|
Таблица 1.5.7. Размеры обрабатываемого отверстия, в мм.
|
DД
|
Шероховатость поверхности, Rа
|
ТО
|
Z
|
0,5∙ТО
|
DО = (DД - 2∙Z) ± 0,5 ТО
|
Размер на чертеже отливки
|
|
67,0
|
1,6
|
1,8
|
2,3
|
±0,9
|
67,0-2,3∙2=62,4±0,9
|
62,5±0,9
|
|
50,0
|
6,3
|
1,2
|
1,4
|
±0,6
|
50,0-1,4∙2=47,2±0,6
|
47±0,6
|
|
16,0
|
6,3
|
0,8
|
1,1
|
±0,4
|
16,0-1,1∙2=13,8±0,4
|
14±0,4
|
Таблица 1.5.8. Размеры обрабатываемых валов, в мм.
|
DД
|
Шероховатость поверхности, Rа
|
ТО
|
Z
|
0,5∙ТО
|
DО = (DД + 2∙Z) ± 0,5 ТО
|
Размер на чертеже отливки
|
|
72
|
1,6
|
1,8
|
2,3
|
±0,9
|
72,0+2,3∙2=76,6±0,9
|
76,5±0,9
|
Определение коэффициента использования материала.
Масса заготовки и детали определена с помощью системы автоматизированного
проектирования Компас-3D V9, которая позволяет автоматически
рассчитать электронной массу математической модели с точностью от 6 до 9 знака
после запятой.
Способ №1. Размеры отливок, полученных литьем по выплавляемым моделям,
максимально приближены к размерам готовой детали, вследствие чего сокращается
объём механической обработки и снижается стоимость готового изделия.
(1.5.5.)
([11], стр.17)
где:
Ки.м. - коэффициент использования материала;
Mд =
3,91кг - масса детали;
Mз
=4,99кг - масса заготовки;
Рисунок
1.5.5. 3D модель заготовки, литой по выплавляемым моделям
Способ №2.
,
где:
Ки.м.
- коэффициент использования материала;
Mд =3,91кг -
масса детали;
Mз =5,21кг -
масса заготовки.
Рисунок 1.5.6. 3D
модель заготовки, литой в кокиль.
Расчет стоимости заготовки, литой по выплавляемым моделям
(1.5.6.)
([5], стр.31)
где:
Ci - базовая
стоимость 1 тонны заготовок, руб ;
Мз
- масса заготовки, кг.;
Мд
- масса готовой детали, кг.;
Sотх - цена 1т
отходов, руб. ;
kт - коэффициент,
зависящий от класса точности отливки;с - коэффициент, зависящий от группы
сложности отливки;в - коэффициент, зависящий от массы отливки;м - коэффициент ,
зависящий от марки материала;п - коэффициент, зависящий группы серийности
(объёма производства заготовок) ([5] стр. 33)
Mз= 4,9кг
Мд
= 3,9кг
Ci = 160000 руб.
Sотх = 4000 руб.
[24]т = 1с = 1в = 0,50м = 1,04п = 1,23
Расчет
стоимости заготовки, литой в кокиль
(1.5.7.),
([5], стр.33)
где Ci - базовая стоимость 1 тонны
заготовок, руб ;
Мз - масса заготовки, кг.;
Мд - масса готовой детали, кг.;
Sотх -
цена 1т отходов, руб. ;
kт -
коэффициент, зависящий от класса точности отливкис - коэффициент, зависящий от
группы сложности отливкив - коэффициент, зависящий от массы отливким -
коэффициент , зависящий от марки материалап - коэффициент, зависящий группы
серийности (объёма производства заготовок) ([5], стр.36)
Mз=
5,2кг
Мд = 3,9кг
Ci =
29000 руб.]
Sотх =
4000 руб. [24]т = 1с = 1в = 0,63м = 2,2п = 1
Несмотря
на то, что стоимость заготовки, полученной методом литья по выплавляемым
моделям, выше, чем стоимость заготовки, литой в кокиль, выбирается первый
способ, поскольку он увеличивает коэффициент использования материала. При этом
уменьшаются общие припуски на механическую обработку, а следовательно и
межоперационные, что позволяет миновать черновую стадию обработки и таким
образом значительно сократить материальные затраты на оснащение,
электроэнергию, оплату труда рабочих.
1.6 Маршрут обработки
Таблица 1.6. Маршрут обработки.
|
Содержание операции
|
Оборудование
|
Приспособление
|
Режущий инструмент
|
Мерительный инструмент
|
Базовые поверхности
|
|
005 Заготовительная Лить
заготовку по отдельному процессу ОГМет
|
Выплавляемые модели
|
-
|
-
|
-
|
-
|
|
010 Контрольная
Контролировать размеры заготовки по чертежу
|
Стол ОТК
|
-
|
-
|
Штангенциркуль ШЦ-I-135-0,1
ГОСТ 166-89 Угломер
|
-
|
|
015 Токарная. А. Установить
и закрепить заготовку. 1. Подрезать торец в размер 130h12мм;
2. Расточить отверстие Ø66Н12мм с подрезкой торца в размер 38Н14мм.
|
Токарный станок CU400
|
Патрон трёхкулачковый с
пневмозажимом ГОСТ 2675-80.
|
1. Резец проходной
отогнутый Т5К10 ГОСТ 29132-91 2. Резец расточной подрезной Т15К6 ГОСТ
20874-75
|
Штангенциркуль ШЦ-I-135-0,1
ГОСТ 166-89
|
Поверхность Ø75; упор в торцевую поверхность
|
|
020 Токарная с ЧПУ. А.
Установить и закрепить заготовку. 1. Подрезать торец в размер 129h12мм;
2. Точить Ø73h12мм
на длину 47Н14мм; 3. Точить Ø74h14мм с
подрезкой торца в размер 57Н14мм; 4. Точить фаску 8х30° на Ø72h9мм;
5. Точить Ø72h9мм
на длину 47Н14мм с образованием фаски 1х45°; 6. Расточить отверстие Ø50Н14мм на проход; 7. Точить фаску 2х45° в отверстии Ø50мм.
|
Токарный станок SK50P
|
Патрон трёхкулачковый с
пневмозажимом ГОСТ 2675-80.
|
1. Резец подрезной
(черновой) Т5К10 ГОСТ 20872-80 2. Резец подрезной (чистовой) Т15К6 ГОСТ
20872-80 3. Резец расточной проходной Т5К10 ГОСТ 20874-75
|
Штангенциркуль ШЦ-I-125-0,1
ГОСТ 166-89 Калибр-скоба 72h9 ГОСТ 18360-93; Образцы шероховатости ГОСТ
9378-93.
|
Отверстие Ø66; упор в торцевую поверхность
|
|
025 Токарная. А. Установить
и закрепить заготовку. 1. Расточить отверстие Ø67Н9мм на глубину 38Н14мм; 2. Точить торцевую канавку
шириной 2,5мм на глубину 4Н14мм; 3. Точить фаску 2х45° в отверстии Ø50мм.
|
Токарный станок CU400
|
Патрон трёхкулачковый с
пневмозажимом ГОСТ 2675-80. Втулка разрезная
|
1. Резец расточной
подрезной (чистовой) Т15К6 ГОСТ 20874-75 2. Специальный режущий инструмент 3.
Резец проходной отогнутый ВК8 ГОСТ 18884-73
|
Штангенциркуль ШЦ-I-125-0,1
ГОСТ 166-89 Калибр-пробка 67Н9 ГОСТ 14812-69; Калибр-пробка 67Н9 ГОСТ
14813-69; Образцы шероховатости ГОСТ 9378-93.
|
Поверхность Ø72; упор в торцевую поверхность
|
|
030 Сверлильная. А.
Установить и закрепить заготовку. 1.Сверлить последовательно 4 отв. Ø14Н14мм на проход за 2 прохода.
|
Вертикально-сверлильный
станок 2Р135Ф2-1
|
Специальное приспособление
|
1.Сверло спиральное Ø14 Р10К5Ф5 ГОСТ 12121-77
|
Штангенциркуль ШЦ-I-125-0,1
ГОСТ 166-89
|
Поверхность Ø72; торец цилиндрической бобышки; упор от проворота в
торец фасонной бобышки
|
|
035 Слесарная. Зачистить
заусенцы, притупить острые кромки.
|
Верстак
|
Тиски
|
Напильник ГОСТ 1465-80
|
-
|
-
|
|
040 Сверлильная с ЧПУ. А.
Установить и закрепить заготовку. 1. Зенкеровать отв. Ø16Н14мм на проход. 2. Зенкеровать отв. Ø20Н14мм на глубину 8мм с образованием фаски 2х45°. 3.
Зенковать торец в размер 62,5мм. 4. Сверлить последовательно 2 отв. Ø2,5Н14мм на глубину 7мм с образованием фаски 1х45°. 5.
Нарезать резьбу М3-7Н последовательно в 2-х отверстиях на глубину 6мм (метчик
черновой) 6. Нарезать резьбу М3-7Н последовательно в 2-х отверстиях на
глубину 6мм (метчик чистовой)
|
Вертикально-сверлильный
станок 2Р135Ф2-1
|
Специальное приспособление
|
1. Зенкер Ø16 Т14К8 ГОСТ 3231-71 2. Специальный режущий инструмент
3. Специальный режущий инструмент 4. Специальный режущий инструмент 5. Метчик
М3 ГОСТ 17927-72 (черновой) 6. Метчик М3 ГОСТ 17927-72 (чистовой)
|
Калибр-пробка резьбовая
М3-7Н ГОСТ 17756-72 Калибр-пробка резьбовая М3-7Н ГОСТ 17757-72
Штангенциркуль ШЦ-I-125-0,1 ГОСТ 166-89
|
Отверстие Ø67; отверстие Ø14; упор в торцевую поверхность
|
|
045 Слесарная. Зачистить
заусенцы, притупить острые кромки.
|
Верстак
|
Тиски
|
Напильник ГОСТ 1465-80
|
-
|
-
|
|
050 Фрезерная. А.
Установить и закрепить заготовку. 1. Фрезеровать паз шириной 20Н14мм на
глубину 47Н14мм за два прохода на проход.
|
Горизонтально-фрезерный
станок НГФ-110-Ш4
|
Специальное приспособление
|
1.Фреза дисковая Ø180 Т5К10 ГОСТ 5348-69
|
Штангенциркуль ШЦ-I-125-0,1
ГОСТ 166-89
|
Отверстие Ø67; отверстие Ø14; упор в торцевую поверхность
|
|
055 Слесарная. Зачистить
заусенцы, притупить острые кромки.
|
Верстак
|
Тиски
|
Напильник ГОСТ 1465-80
|
-
|
-
|
|
060 Контрольная.
Контролировать размеры детали по чертежу.
|
Стол ОТК
|
-
|
-
|
Штангенциркуль ШЦ-I-135-0,1
ГОСТ 166-89; Калибр-пробка 67Н9 ГОСТ 14812-69; Калибр-пробка 67Н9 ГОСТ
14813-69; Калибр-скоба 72h9 ГОСТ 18360-93; Калибр-пробка резьбовая М3-7Н ГОСТ
17756-72; Калибр-пробка резьбовая М3-7Н ГОСТ 17757-72; Образцы шероховатости
ГОСТ 9378-93.
|
-
|
1.6.1 Выбор оборудования с обоснованием
Учитывая тип производства (среднесерийный), годовую программу выпуска -
2000 шт., а так же габариты детали выбираю следующее оборудование.
Операция 015. Токарная.
Для подготовки технологических баз (подрезание торца и расточка отверстия)
применяется токарный станок модели CU400.
Выбор данного станка обусловлен характером обработки, размерами рабочей
поверхности, а так же его мощностью. Также выбор данного станка связан с его
простотой и универсальностью.
Техническая характеристика станка CU400:
-Основные параметры станка:
Наибольший диаметр обработки, мм:
над станиной 440
над суппортом 230
Высота центров, мм 210
Расстояние между центрами, мм 1500
Ширина направляющих, мм 360
Шпиндель:
Диаметр отверстия шпинделя, мм 62
Передняя бабка:
Количество скоростей шпинделя 21
Диапазон оборотов, об./мин 20-2000
Мощность главного привода, кВт 7,5(11)
Подачи:
Количество подач 120
Диапазон продольных подач, мм/об 0,039-12
Диапазон поперечных подач, мм/об 0,018-6
Шаг нарезаемой метрической резьбы, мм
0,5-120
Ход салазок, мм:
поперечных 250
верхних 130
Пиноль:
Диаметр пиноли, мм 70
Конус Морзе пиноли, № 5
Ход пиноли, мм 220
Масса станка, кг 2450
Операция 020. Токарная с ЧПУ.
Для чистового наружного продольного точения, расточки отверстий и
подрезания торцов применяется токарный станок с ЧПУ модели SK50P .
Выбор данного станка обусловлен характером обработки, количеством
обрабатывающих инструментов, размерами рабочей поверхности, а так же мощностью.
Применение станка с ЧПУ позволит уменьшить долю вспомогательного времени,
которое застрачивается на приёмы, связанные с изменением режимов резания и
сменой режущего инструмента, что сократит время на переналадку оборудования.
Технические характеристики станка SK50P: [26]
- Станочные данные:
Наибольший диаметр обрабатываемой детали, мм:
Над станиной 500
Над суппортом 280
Расстояние между центрами, мм 710/960/1460/1960
Шпиндель:
Частота вращения шпинделя, об/мин 21 -
1620
Диаметр проходного отверстия шпинделя, мм 77
Сечение державки резца, мм 25х25
Перемещения:
Перемещение по оси X, мм 275
Перемещение по оси Z, мм 650/900/1400/1900
Скорость перемещения по оси X, мм/мин 12000
Скорость перемещения по оси Z, мм/мин 6000
Задняя бабка:
Внутренний конус Морзе пиноли задней бабки, № 5
Ход пиноли, мм 150
Поперечное перемещение пиноли, мм ±15
Общая потребляемая мощность, кВт 7,5
Система ЧПУ
FANUC Di mate
Габаритные размеры, мм 1250x1370x1690
Масса станка, кг 2100
Операция 025. Токарная.
Для чистовой расточки отверстия и выполнения канавки применяется токарный
станок модели CU400.
Выбор данного станка обусловлен характером обработки, размерами рабочей
поверхности, а так же его мощностью.
Операция 030. Сверлильная с ЧПУ.
Для глубокого сверления сквозных отверстий применяется
вертикально-сверлильный станок с ЧПУ модели 2Р135Ф2-1.
Выбор данного станка обусловлен характером обработки, размерами рабочей
поверхности, а так же его мощностью.
Станок вертикально-сверлильный с револьверной головкой, крестовым столом
и позиционной системой числового программного управления предназначен для
выполнения сверления, зенкерования, рассверливания, зенкования, цекования,
развертывания, нарезания резьбы, легкого прямолинейного фрезерования.
Применение станка с ЧПУ позволит уменьшить долю вспомогательного времени,
которое застрачивается на приёмы, связанные с изменением режимов резания и
сменой режущего инструмента. Позволит производить обработку нескольких
аналогичных деталей, на одном станке и этим сократит время на переналадку
оборудования.
Технические характеристики станка 2Р135Ф2-1: [26]
Класс точности станка по ГОСТ 8-82 Н
Диаметр сверления, мм 35,00
Рабочая поверхность стола, мм 400´710´600
Пределы частот вращения шпинделя, об/мин
мin 36,00
мax 1600,00
Вылет шпинделя, мм 450
Конус Морзе отверстия шпинделя 4
Число инструментов в револьверной головке 6
Мощность двигателя главного движения, кВт 10,00
Габариты станка , мм 1800´2170´2700
Масса станка, кг 5390
Модель УЧПУ, установленного на станке 2П32-3
Операция 040. Сверлильная с ЧПУ.
Применяется вертикально-сверлильный станок с ЧПУ 2Р135Ф2-1.
Выбор данного станка обусловлен типом производства, характером обработки,
размерами рабочей поверхности, а так же его мощностью.
Операция 050. Фрезерная.
Для фрезерования сквозного паза применяется горизонтально-фрезерный
станок модели НГФ-110-Ш4.
Выбор данного станка обусловлен характером обработки, размерами рабочей
поверхности, а так же его мощностью.
Технические характеристики станка НГФ-110-Ш4: [26]
Габариты стола, мм 400х100
Перемещение стола, мм:
продольное 250
поперечное 85
вертикальное 170
Перемещение на одно деление лимба, мм:
продольное 0,05
поперечное 0,05
вертикально 0,25
Конус шпинделя Морзе 3
Наибольший диаметр фрезы, мм 30-110
Частота вращения шпинделя, об/мин 125-1250
Электродвигатель, кВт/В 0,75-1,1/380
Габариты станка, мм 685
х 640 х 925
Масса станка, кг 240
1.6.2 Определение технологических базовых
поверхностей и выбор приспособлений
Технологическими базами называют поверхности, используемые для
определения положения заготовки или изделия в процессе изготовления.
Базирующие поверхности определяют положение детали в приспособлении. Они
должны обеспечить отсутствие недопустимых деформаций детали, а также простоту
конструкции станочного приспособления с удобной установкой, креплением и
снятием обрабатываемой детали
При выборе технологических установочных баз на различном технологическом
оборудовании учитываются допускаемые отклонения от правильных геометрических
форм и взаимного расположения поверхностей указанные на чертеже детали
конструктором, а именно - допуск перпендикулярности торцевой поверхности
корпуса и базы Б - центрального отверстия 60мкм.
Для выполнения требований чертежа соблюдаются основные принципы
базирования - постоянства и совмещения конструкторских, технологических и
измерительных баз:
на первой операции за установочную технологическую базу принимается
чёрная база, на последующих операциях - чистые базовые поверхности;
на последующих операциях совмещаются установочные технологические базы с
конструкторской базой и измерительной базой;
при обработке детали на различном технологическом оборудовании по
возможности в качестве установочных технологических баз применяются одни и те
же базовые поверхности.
Выбор станочных приспособлений на каждую операцию будет зависеть от
формы, габаритных размеров и технических требований, предъявляемых к
обрабатываемой детали, типа производства - среднесерийное, модели станка и
выбора базовых поверхностей.
Операция 015. Токарная. Токарный станок модели CU400.
Установ А.
Базовые поверхности: чёрная база - диаметр цилиндрической бобышки 75мм,
упор в торцевую поверхность фасонного основания. Подготовка базовых
поверхностей.
Используемое приспособление: трехкулачковый патрон с пневмозажимом ГОСТ
2675-80.
Операция 020. Токарная с ЧПУ. Токарный станок с ЧПУ модели SK50P.
Установ А.
Базовые поверхности: чистая база - отверстие Ø66Н12мм, упор в чистый торец фасонного
основания. Использование чистой базы позволяет произвести обработку наружных
поверхностей по 9 квалитету точности.
Используемое приспособление: трехкулачковый патрон с пневмозажимом ГОСТ
2675-80.
Операция 025. Токарная. Токарный станок модели CU400.
Установ А.
Базовые поверхности: чистая база - диаметр цилиндрической бобышки 72h9мм, упор в чистый торец основания.
Использование чистой базы позволяет произвести чистовое растачивание
отверстия по 9 квалитету точности. Данное базирование обеспечивает допуск
перпендикулярности торцевой поверхности корпуса и базы Б - центрального
отверстия 60мкм. Соблюдается постоянство базовых поверхностей с поверхностями,
используемыми в качестве базовых на операции 015 токарной.
Используемое приспособление: трехкулачковый патрон с пневмозажимом ГОСТ
2675-80, втулка разрезная.
Операция 030. Сверлильная с ЧПУ. Вертикально-сверлильный станок модели
2Р135Ф2-1.
Установ А.
Базовые поверхности: чистая база - диаметр цилиндрической бобышки 72h9мм, чистый торец цилиндрической
бобышки, упор от проворота в боковую поверхность фасонной бобышки.
Использование в качестве баз поверхностей, обработанных на предшествующей
операции, позволяет выдержать требуемое расстояние между получаемыми
отверстиями и центральным отверстием детали с заданной точностью.
Используемое приспособление: специальное приспособление.
Операция 040. Сверлильная с ЧПУ. Вертикально-сверлильный станок модели
2Р135Ф2-1.
Установ А.
Базовые поверхности: чистая база - отверстие Ø67Н9мм, отверстие Ø14Н14мм, торцевая поверхность основания
корпуса. Соблюдается постоянство базовых поверхностей с поверхностями,
используемыми в качестве базовых на операции 020 токарной.
Используемое приспособление: специальное приспособление.
Операция 050. Фрезерная. Горизонтально-фрезерный станок модели
НГФ-110-Ш4.
Установ А.
Базовые поверхности: чистая база - отверстие Ø67Н9мм, отверстие Ø14Н14мм, торцевая поверхность основания
корпуса. Соблюдается постоянство базовых поверхностей с поверхностями,
используемыми в качестве базовых на операции 020 токарной и 040 сверлильной.
Используемое приспособление: специальное приспособление.
1.6.3 Выбор режущего инструмента
Операция 015. Токарная. Токарный станок CU400.
Переход 01.
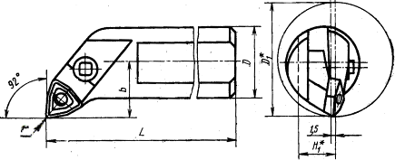
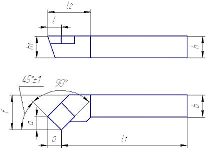
Резец проходной отогнутый (черновой) с механическим креплением
твёрдосплавной ромбической пластины Т5К10 ГОСТ 29132-91.
Рисунок 1.6.3.1. Резец ГОСТ 29132-91 с пластиной по ГОСТ 19056-80.
Таблица 1.6.3.1.
|
h, мм
|
b, мм
|
l, мм
|
l1, мм
|
l2, мм
|
h1, мм
|
а, мм
|
f, мм
|
r, °
|
|
12
|
12
|
9
|
80
|
32
|
12
|
6,1
|
16
|
0,4
|
Переход 02.
Резец токарный сборный расточной подрезной с механическим креплением
твердосплавной пластины Т15К6 ГОСТ 20874-75 Тип 3 (черновой).
Рисунок 1.6.3.2. Резец 2145-0551 ГОСТ 20874-75 с пластиной по ГОСТ
19048-80.
Таблица 1.6.3.2.
|
D, мм
|
b, мм
|
D1, мм
|
H1, мм
|
L, мм
|
r, °
|
|
26
|
20
|
35
|
15
|
170
|
0,4
|
Операция 020. Токарная с ЧПУ. Токарный станок SK50P.
Переход 01.
Резец подрезной (черновой) с механическим креплением твёрдосплавной
пластины Т5К10 ГОСТ 20872-80.
Рисунок 1.6.3.3. Резец 2101-0637 ГОСТ 20872-80 с пластиной по ГОСТ
19048-80.
Таблица 1.6.3.3.
|
h, мм
|
h1, мм
|
h2, мм
|
b1, мм
|
L, мм
|
r, °
|
|
25
|
25
|
32
|
32
|
150
|
0,4
|
Переход 02.
Резец подрезной (чистовой) с механическим креплением твёрдосплавной
пластины Т15К6 ГОСТ 20872-80 (чистовой) (r 0,8).
Переход 03.
Резец токарный сборный расточной подрезной с механическим креплением
твердосплавной пластины Т5К10 ГОСТ 20874-75 Тип 3 (черновой).
Операция 025. Токарная. Токарный станок CU400.
Переход 01.
Резец токарный сборный расточной подрезной с механическим креплением
твёрдосплавной ромбической пластины Т15К6 ГОСТ 20874-75 Тип 3 (чистовой) (r 0,8).
Переход 02.
Специальный режущий инструмент - резец канавочный ВК6.
Рисунок 1.6.3.4. Резец канавочный.
Таблица 1.6.3.4.
|
h, мм
|
b, мм
|
l, мм
|
a, мм
|
L, мм
|
|
16
|
10
|
20
|
2,5
|
100
|
Переход 03.
Резец проходной отогнутый с пластиной из твёрдого сплава ВК8 ГОСТ
18877-73.
Рисунок 1.6.3.5. Резец 2102-0021 ГОСТ 18877-73.
Таблица 1.6.3.5.
|
n, мм
|
b, мм
|
h, мм
|
L, мм
|
|
6
|
10
|
16
|
110
|
Операция 030. Сверлильная с ЧПУ. Вертикально-сверлильный станок 2Р135Ф2-1.
Переход 01.
Сверло спиральное Ø14 Р10К5Ф5 ГОСТ 12121-77.
Рисунок 1.6.3.6. Сверло спиральное 2301-3439 ГОСТ 12121-77.
Таблица 1.6.3.6.
|
d, мм
|
L, мм
|
l, мм
|
№ конуса Морзе
|
|
14
|
230
|
150
|
1
|
Операция 040. Сверлильная с ЧПУ. Вертикально-сверлильный станок
2Р135Ф2-1.
Переход01.
Зенкер Ø16, оснащённый твёрдым сплавом Т14К8 ГОСТ 3231-71.
Рисунок 1.6.3.7. Зенкер 2320-5672 ГОСТ 3231-71.
Таблица 1.6.3.7.
|
d, мм
|
L, мм
|
l, мм
|
№ конуса Морзе
|
|
16
|
218
|
120
|
2
|
Переход02.
Специальный режущий инструмент - комбинированный зенкер-зенковка,
оснащённый твёрдым сплавом Т14К8.
Рисунок 1.6.3.8. Зенкер-зенковка.
Переход03.
Специальный режущий инструмент - зенковка торцевая, оснащённый твёрдым
сплавом Т14К8 ГОСТ 3231-71
Рисунок 1.6.3.9. Торцевая зенковка.
Переход 04.
Специальный режущий инструмент сверло-зенковка.
Рисунок 1.6.3.10. Сверло-зенковка.
Переход 05.
Метчик М3 Т5К10 ГОСТ 17927-72 черновой.
Рисунок 1.6.3.11. Метчик 2629-0005 ГОСТ 17927-72.
Таблица 1.6.3.8.
|
Р, мм
|
L, мм
|
l1, мм
|
l2, мм
|
d, мм
|
φ,
°
|
|
0,5
|
48
|
14
|
7
|
4
|
3
|
Переход 06. Метчик М3 Т30К4 ГОСТ 17927-72 чистовой.
Операция 050. Фрезерная. Фрезерный станок НГФ-110-Ш4.
Переход 01.
Фреза дисковая Т5К10 ГОСТ 5348-69.
Рисунок 1.6.3.12. Фреза дисковая 2247-0027 ГОСТ 5348-69.
Таблица 1.6.3.9.
|
D, мм
|
d, мм
|
B, мм
|
h, мм
|
z
|
|
180
|
40
|
20
|
2
|
14
|
1.6.4 Выбор мерительного инструмента
Выбор видов, методов и средств измерений ограничен требованиями обеспечения
установленной точности.
Операция 015:
Контролируемые размеры:
h12мм,
Ø66H12мм, 38H14 -
штангенциркуль ШЦ-I-135-0,1 ГОСТ
166-89.
Рисунок 1.6.4.1. Штангенциркуль.
Операция 020:
Контролируемые размеры:
Ø129h12мм; Ø50H14; Ø74h14; 47Н14 мм; 57Н14мм - штангенциркуль
ШЦ-I-125-0,1 ГОСТ 166-89;
Ø72h9мм - калибр-скоба 72h9 ГОСТ
18360-93;
Рисунок 1.6.4.2. Калибр-скоба.
х30˚ - шаблон для контроля фаски;
образцы шероховатости ГОСТ 9378-93.
Операция 025:
Контролируемые размеры:
Н14мм; 4Н14мм - Штангенциркуль ШЦ-I-125-0,1 ГОСТ 166-89;
Ø 67Н9мм - калибр-пробка 67Н9 ГОСТ 14812-69,
калибр-пробка 67Н9 ГОСТ 14813-69;
Рисунок 1.6.4.3. Калибр-пробка.
Н14мм; 2,5Н14мм - шаблон для контроля канавки;
х45˚ - шаблон для контроля фаски;
угломер для контроля перпендикулярности;
образцы шероховатости ГОСТ 9378-93.
Операция 030:
Контролируемые размеры:
Ø14Н14мм - штангенциркуль ШЦ-I-125-0,1 ГОСТ166-89;
±0,1мм; 38±0,05мм - шаблон для контроля расположения отверстий.
Операция 040:
Ø16Н14мм; Ø20Н14мм; 7Н14мм; 8Н14мм -
штангенциркуль ШЦ-I-125-0,1
ГОСТ166-89;
М3-7Н - калибр-пробка резьбовая М3-7Н ГОСТ 17756-72, калибр-пробка
резьбовая М3-7Н ГОСТ 17757-72;
Рисунок 1.6.4.4. Калибр-пробка резьбовая.
х45˚, 1х45˚ - шаблоны для контроля фасок;
,5±0,1; 60±0,1мм; 32±0,1мм; 16±0,05мм - шаблон для контроля расположения
отверстий.
Операция 050:
Н14мм; 47Н14мм - Штангенциркуль ШЦ-I-125-0,1 ГОСТ 166-89.
1.6.5 Выбор режимов резания на операции
Режимы резания - совокупность показателей, характеризующих условия
протекания процесса резания. Обработку металлов резанием необходимо вести на
таких режимах, при которых наиболее полно используется мощность станка и
стойкость режущего инструмента, обеспечивается высокое качество обработки,
наибольшая производительность и создаются безопасные условия работы.
Расчёт режимов резания произведён опытно-статистическим методом.
Результаты расчётов приведены в таблице 1.6.5. Режимы резания.
Механическая обработка детали «Корпус толкателя» представлена следующими
видами обработки:
- Точение и растачивание ( 015, 020, 025 Токарная);
- Осевая обработка:
Сверление (030, 040 Сверлильная с ЧПУ);
Нарезание резьбы метчиком (040 Сверлильная с ЧПУ);
Зенкерование (040 Сверлильная с ЧПУ);
Зенкование (040 Сверлильная с ЧПУ).
- Фрезерование (050 Фрезерная);
К основным элементам режима резания при точении и растачивании относятся:
t -
глубина резания, мм;
Sо -
подача на оборот, мм/об;
V -
скорость главного движения резания, м/мин;
Pz -
главная составляющая силы резания, Н;
n -
частота вращения шпинделя, об/мин;
N -
мощность резания, кВт.
Элементами режима резания при осевой обработке являются:
t -
глубина резания, мм;
Sо -
подача на оборот, мм/об;
V -
скорость главного движения резания, м/мин;
Pт -
осевая сила резания, Н;
n -
частота вращения шпинделя, об/мин;
N -
мощность резания, кВт;
МКРт, - крутящий момент, Н∙м;
МРт, - момент разрушения, Н∙м.
Элементами режима резания при фрезеровании являются:
t -
глубина резания, мм;
B -
ширина резания, мм;
Sz -
подача на зуб, мм/зуб;
V -
скорость главного движения резания, м/мин;
n - частота
вращения шпинделя, об/мин;
N -
мощность резания, кВт.
Точение и растачивание.
Операция 015. Токарная.
Установ А.
Переход 01.
Подрезать торец в размер 130h12мм;
Характер обработки - получистовой.
Переход 02.
Расточить отверстие Ø66Н12
Характер обработки - получистовой.
. Глубина резания, t.
. t = 1 мм ([17] стр. 37, карта 3, лист
1);
. t = 1 мм.
. Подача, So.
. SoT = 0,49 мм/об - табличная подача
([17] стр. 38, карта 3, лист 1)
Корректируется по формуле:
= SoT ·Ksи ·Ksp ·Ksд ·Ksh ·KsM ·Ky ·Ksn ·KsJ ·Ksφ,
мм/об (1.6.5.1.) ([17]
стр.18),
где:
Ksи =1,15 -
коэффициент, зависимый от инструментального материала ([17] стр. 38, карта 3,
лист 1)
Ksp =1,1 -
коэффициент, зависимый от способа крепления пластины ([17] стр. 303, приложение
7)
Ksд =0,8 -
коэффициент, зависимый от сечения державки резца ([17] стр. 42, карта 5, лист
1)
Ksh =1 -
коэффициент, зависимый от прочности режущей части ([10] стр. 42, карта 5, лист
1)
KsM =0,9 -
коэффициент, зависимый механических свойств обрабатываемого материала ([10]
стр. 43, карта 5, лист 2)
Ksy =1,2 -
коэффициент, зависимый от схемы установки заготовки([10] стр. 43, карта 5, лист
2)
Ksn =0,85 -
коэффициент, зависимый от состояния поверхности заготовки ([10] стр. 44, карта
5, лист 3)
KsJ =0,7 -
коэффициент, зависимый от жесткости станка ([17] стр. 45, карта 5, лист 4)
Ksφ =1,4 - коэффициент, зависимый от
геометрических параметров резца ([17] стр. 44, карта 5, лист 3)
So =
0,49·1,15·1,1·0,5·1,0·0,9·1,2·0,85·0,7·1,4 = 0,45мм/об .
. SoT = 0,37 мм/об - табличная подача
([17] стр. 38, карта 3, лист 1)
Корректируется по формуле:
So= SoT · KsM ·Ksn ·Ksl ·Ksφ·KsD·Ksp·Ksи мм/об (1.6.5.2.) ([17] стр.18),
где:
KsM =0,9 -
коэффициент, зависимый механических свойств обрабатываемого материала ([17]
стр. 43, карта 5, лист 2)
Ksn =0,85 -
коэффициент, зависимый от состояния поверхности заготовки ([10] стр. 44, карта
5, лист 3)
Ksl =1,15 -
коэффициент, зависимый от вылета резца ([17] стр. 42, карта 5, лист 1)
Ksφ =0,85 - коэффициент, зависимый от
геометрических параметров резца ([17] стр. 44, карта 5, лист 3)
KsD =0,8 -
коэффициент, зависимый от диаметра детали ([17] стр. 43, карта 5, лист 2)
Ksp =0,85 -
коэффициент, зависимый от способа крепления пластины ([17] стр. 303, приложение
7)
Ksи =1,15 -
коэффициент, зависимый от инструментального материала ([17] стр. 38, карта 3,
лист 1)
So =
0,37·0,9·0,85·1,15·0,85·0,8·0,85·1,15= 0,29 мм/об.
. Скорость резания, V.
. Vт =146 м/мин - табличная скорость
([17] стр. 73, карта 21, лис 1);
. Vт =171 м/мин.
Корректируется по формуле:
= Vт · Kvи ·Kvc ·Kvо ·Kvj ·KvM ·Kvf ·Kvт ·Kvж, м/мин (1.6.5.3.) ([17] стр. 22),
где:
Kvи =0,85;
1,1 - коэффициент, зависимый от инструментального материала([17] стр. 73,
карта 21, лист 1)
Kvc =0,9;
0,9 - коэффициент, зависимый от группы обрабатываемости материала ([17]
стр. 82, карта 23, лист 1)
Kvо =1;
1 - коэффициент, зависимый от вида обработки ([17] стр. 82, карта 23, лист 1)
Kvj =0,7;
0,7 - коэффициент, зависимый от жесткости станка ([17] стр. 83, карта 23,
лист 2)
Kvм =0,8;
0,8 - коэффициент, зависимый от механических свойств обрабатываемого
материала ([17] стр. 83, карта 23, лист 2)
Kvφ =1,4; 1,15 -
коэффициент, зависимый от геометрических параметров резца ([17] стр. 84, карта
23, лист 3)
Kvт =1;
1 - коэффициент, зависимый от периода стойкости режущей части резца ([17]стр.
84, карта 23, лист 3)
Kvж =1;
1 - коэффициент, зависимый от наличия охлаждения ([17] стр. 84, карта 23, лист
3)
01. Vф =146·0,85·0,9·1,0·0,7·0,8·1,4·1·1 =
88 м/мин
. Vф =171·1,1·0,9·1,0·0,7·0,8·1,15·1·1 =
105 м/мин
. Частота вращения шпинделя, n.
Определяется по формуле:
, об/мин
(1.6.5.4.) ([4] стр.280),
где:
V -
скорректированная скорость резания, м/мин;
D - диаметр
обрабатываемой поверхности заготовки, мм;
p = 3,14 -
математическая константа.
.
V = 88 м/мин;
D = 136,5 мм;
об/мин .
.
V = 105 м/мин;
об/мин.
По
паспортным данным станка из ряда частот вращения шпинделя принимается ближайшее
меньшее значение:
.
nф=200 об/мин;
.
nф=500 об/мин.
.
Фактическая скорость резания, Vф.
Определяется
по формуле:
, м/мин
(1.6.5.5.) ([17] стр. 78, карта 56, лист 6),
где:
D - диаметр
обрабатываемой поверхности заготовки, мм;
p = 3,14 -
математическая константа .
nф - фактическая
частота вращения шпинделя, об/мин.
.
D = 136,5 мм;
nф=200 об/мин
, м/мин,
.
D = 64 мм;
nф=500 об/мин.
, м/мин.
.
Мощность резания, N.
По
значению мощности резания можно судить о правильности выбранных режимов
резания. Мощность резания должна удовлетворять условию:
≤Nд×η (1.6.5.6.),
где:
Nд=11 кВт -
мощность двигателя станка;
η=0,68 - КПД двигателя;
N - мощность
резания, кВт ([17] стр. 78, карта63, лист 1),
определяется
по формуле:
,кВт
(1.6.5.7.) ([4] стр. 67),
где:
Nт - табличная
мощность, кВт; ([17] стр. 73, карта 21, лист 1)
КN -
коэффициент, зависимый от механических свойств обрабатываемого материала; [17
стр.143, карта 53, лист 1]
Vт - табличная
скорость, м/мин;
Vф - фактическая
скорость резания, 85,7 м/мин.
.
Nт = 6,5 кВт;
КN=1,05;
Vт =146 м/мин;
Vф = 85,7 м/мин;
кВт.
.
Nт = 4,8 кВт;
КN=1,05;
Vт =171 м/мин;
Vф = 100,5
м/мин;
кВт.
.
<11∙0,68
;
<7,5
.
.
,9<11∙0,68;
,9<7,5
.
Следовательно,
режимы резания выбраны корректно.
.
Сила резания, Pz.
Для
обеспечения требуемой силы зажима на операции необходимо определить силу
резания.
Максимальная
сила резания будет возникать на переходе 01, поскольку на этом переходе
обработка производится .
Главная
составляющая силы резания определяется по формуле:
, Н
(1.6.5.8.) ([4] стр. 19),
где
Vф = 85,7 м/мин
- фактическая скорость резания;
N=4 кВт -
мощность резания;
кгс=2856
Н.
Расчёт
режимов резания на остальные переходы и операции производится аналогичным
образом.
Таблица
1.6.5. Режимы резания.
|
Операция
|
переход
|
t, мм
|
So, мм/об
|
Sz, мм/зуб
|
Vф , м/мин
|
nпасп, об/мин
|
МКРт, Н∙м
|
МРт, Н∙м
|
Pz , Н
|
Pт,Н
|
|
015.Токарная
|
01
|
1
|
0,45
|
-
|
88
|
200
|
-
|
-
|
2856
|
-
|
|
02
|
1
|
0,29
|
-
|
105
|
500
|
|
|
|
|
|
020. Токарная с ЧПУ
|
01
|
1
|
0,24
|
-
|
79
|
315
|
-
|
-
|
2319
|
-
|
|
02
|
1
|
0,24
|
-
|
73
|
315
|
|
|
|
|
|
03
|
1
|
0,24
|
-
|
73
|
160
|
|
|
|
|
|
05
|
0,5
|
0,18
|
-
|
168
|
630
|
|
|
|
|
|
06
|
1
|
0,34
|
-
|
57
|
315
|
|
|
|
|
|
025. Токарная
|
01
|
0,5
|
0,17
|
-
|
216
|
400
|
-
|
-
|
2481
|
-
|
|
02
|
4
|
0,29
|
-
|
113
|
500
|
|
|
|
|
|
030. Сверлильная с ЧПУ
|
01
|
7
|
0,24
|
-
|
15,6
|
355
|
15
|
-
|
-
|
5725
|
|
040. Сверлильная с ЧПУ
|
01
|
1
|
0,63
|
-
|
12,6
|
250
|
0,23
|
0,9
|
-
|
1435
|
|
02
|
2
|
0,69
|
-
|
11,3
|
180
|
|
|
|
|
|
03
|
1
|
0,20
|
-
|
9,5
|
63
|
|
|
|
|
|
04
|
1,25
|
0,08
|
-
|
25,1
|
1600
|
|
|
|
|
|
05
|
-
|
0,5
|
-
|
3,3
|
355
|
|
|
|
|
|
06
|
-
|
0,5
|
-
|
3,3
|
355
|
|
|
|
|
|
050.Фрезерная
|
01
|
23,5
|
-
|
0,06
|
70
|
125
|
-
|
-
|
-
|
-
|
1.6.6 Нормирование операций
Техническая норма времени на обработку заготовки является одной из
основных параметров для расчета стоимости изготовляемой детали, числа
производственного оборудования, заработной платы рабочих и планирования
производства.
Техническую норму времени определяют на основе технических возможностей
технологической оснастки, режущего инструмента, станочного оборудования и
правильной организации рабочего места.
Норма штучного времени операций, производимых на универсальных станках,
определяется по следующей формуле:
ТШТ=
, мин, где: (1.6.6.1.) ([12] стр. 9),
То
- основное время;
ТВ=tуст+tпер+tизм
мин - вспомогательное время (1.6.6.2.) ([12] стр. 10),
tуст -
время на установку и снятие детали, мин;
tпер -
время связанное с переходом, мин;
tизм -
время на контрольные измерения, мин;
К - время на обслуживание рабочего места, отдых и естественные
надобности, 4,6% от оперативного времени Топ;
Топ=ТО+ТВ - оперативное время (1.6.6.3.) ([12] стр. 10),
Норма штучного времени операций, производимых станках с ЧПУ, определяется
по следующей формуле:
-
штучное время;(1.6.6.4.) ([12] стр. 101),
- время
автоматической работы станка; (1.6.6.5.) ([12] стр. 101),
То.а
- сумма времени обработки отдельных технологических участков;
- время
машинно-вспомогательной работы;
, мин -
время вспомогательной ручной работы, не перекрываемое временем автоматической
работы (1.6.6.6.) ([12] стр. 101),
Тв.у
- вспомогательное время на установку и снятие детали;
Твсп
- вспомогательное время, связанное с выполнением операции;
Тв.и,
- вспомогательное неперекрываемое время на измерения.
Кtв -
поправочный коэффициент, определяется суммарной продолжительностью обработки
партии деталей выраженной рабочими сменами ([16], стр. 50, карта 1);
К
- время на обслуживание рабочего места, отдых и естественные надобности, 10% от
оперативного времени Топ;
Топ
= Та + Тв.н (1.6.6.7.) ([12] стр. 101)
Норма выработки за смену определяется следующим образом:
НВ=
, шт, где: (1.6.6.8.) ([12] стр. 8),
Тсм=480
мин - продолжительность смены(восьмичасовой рабочий день)
ТПЗ
- подготовительно-заключительное время, мин
Операция 015. Токарная.
Переход 01. То =0,0000224·(D2-d2)=0,0000224·(136,52 - 642)=0,32 мин;
Переход 02.То=0,000134·D∙L =0,000134·66∙38=0,34 мин;
где:
D -
диаметр обрабатываемой поверхности, мм;
d -
диаметр обработанной поверхности, мм;
L -
длина обрабатываемой поверхности, мм;
∑То=0,66 мин;
tуст =
0,27 мин; ([16] стр. 131, карта 69)
tпер=0,4
мин; ([16] стр. 131, карта 70)
tизм=0,16
мин; ([16] стр. 131, карта 71)
ТВ=0,27+0,4+0,16=0,83;
Топ=0,66+0,83=1,49;
К=1,49·0,046 =0,07.
ТШТ=
=1,57 мин
Норма
выработки:
ТПЗ=6,6
мин ([16] стр. 134, карта 72)
НВ=
=315 шт.
Операция
020. Токарная с ЧПУ.
Тоа=
Тм1+ Тм2+ Тм3+ Тм4+ Тм5+ Тм6+ Тм7 , мин
Тм1=0,0000224·(D2-d2)=0,0000224·(752
- 482)=0,07 мин;
Тм2=0,0000224·D·L=0,0000224·73·47=0,08
мин;
Тм3=0,0000224·D·L=0,0000224·74·10=0,02
мин;
Тм4=0,000175·D·L=0,000175·66·10=0,01
мин;
Тм5=0,000175·D·L=0,000175·72·43=0,54
мин;
Тм6=0,000134·D·L=0,000134·50·95=0,64
мин;
Тм7=0,000134·D·L=0,000134·46·2=0,01
мин;
Тоа=1,37
мин;
Тмв=0,07·3+0,012=0,22
мин
Та=1,37+0,22=1,59
мин.
Тв.у
=0,04 ; ([16] стр. 131, карта 69)
Твсп
=0,07; ([16] стр. 131, карта 70)
Тв.и
=0,15; ([16] стр. 131, карта 71)
Твн=0,004+0,07+0,05=0,12
мин
Кtв
=1,55;
Топ
= 1,59+ 0,12=1,71;
К=1,71·0,1=0,171;
Тшт=(1,71+1,55·0,12)
1,002=2,0 мин
Норма
выработки:
Тпз=6,6+1·3=9,3мин
([16] стр. 134, карта 72)
НВ=
=235 шт .
Операция
025. Токарная.
Переход
01. То = 0,00018·D∙L =0,00018·67∙38=0,46 мин;
Переход
02.То=0,00018∙D∙L=0,00018·67∙4=0,05 мин;
Переход
03.То=0,00018∙D∙L=0,00018·50∙2=0,02 мин;
где:
D - диаметр
обрабатываемой поверхности, мм;
L - длина
обрабатываемой поверхности, мм;
∑То=0,53
мин;
tуст = 0, 27
мин; [2, стр. 130, табл. 69]
tпер=0,32 мин;
([16] стр. 131, карта 70)
tизм=0,16 мин;
([16] стр. 131, карта 71)
ТВ=0,27+0,32+0,42=0,75
мин;
Топ=0,53+0,75=1,28;
К=1,28·0,046
=0,06 .
ТШТ=
=1,35 мин;
Норма
выработки:
ТПЗ=6,6
мин; ([16] стр. 134, карта 72)
НВ=
=350 шт .
Операция
030. Сверлильная с ЧПУ.
Тоа=4·0,00056·D·L=4×0,00056∙14∙72=2,26 мин;
Тмв=0,43+0,012=0,55
мин;
Та=2,26+0,55=2,81
мин.
Тв.у
=0,05 ; ([16] стр. 131, карта 69)
Твсп
=0,07; ([16] стр. 131, карта 70)
Тв.и
=0,15; ([16] стр. 131, карта 71)
Твн=0,07+0,15+0,05=0,25
мин;
Кtв
=1,55;
Топ
= 2,81+ 0,25=3,06;
К=3,06·0,1=0,36;
Тшт=(2,81+0,25·1,55)
1,003=3,67 мин.
Норма
выработки:
Тпз=7+0,25=7,25
мин ([16] стр. 134, карта 72)
НВ=
=128 шт.
Операция
040. Сверлильная с ЧПУ.
- время
автоматической работы станка [2 стр. 295 табл. 3.154]
Время
вспомогательной ручной работы, не перекрываемое временем автоматической работы:
Тоа=
Тм1+ Тм2+ Тм3+ Тм4+ Тм5+ Тм6 , мин;
Тм1=0,00021·D·L=0,00021·16·38=0,13
мин;
Тм2=0,00021·D·L=0,00021·20·8=0,03
мин;
Тм3=0,000423·D·L=0,0000224·72·10=0,02
мин;
Тм4=2·0,00056·D·L=2·0,00056·2,5·7=0,02
мин;
Тм5=2·0,000319·D·L=2·0,002·3·6=0,08
мин;
Тм6=2·0,000319·D·L=2·0,002·3·6=0,08
мин;
Тоа=0,36
мин;
Тмв=0,03·6+0,03·3+0,1·6=0,87
мин;
Та=0,87+0,36=1,23
мин.
Тв.у
=0,05 ; ([16] стр. 131, карта 69)
Твсп
=0,07; ([16] стр. 131, карта 70)
Тв.и
=0,15; ([16] стр. 131, карта 71)
Твн=0,07+0,15+0,05=0,25
мин;
Кtв
=1,55;
Топ
= 1,23+ 0,25=1,48;
К=1,48·0,1=0,148;
Тшт=(1,23+0,25·1,55)
1,002=1,62мин.
Норма
выработки:
Тпз=7+0,25·6=8,5
мин; ([16] стр. 134, карта 72)
НВ=
=291 шт.
Операция
050. Фрезерная.
Переход
01. Тм =
=
=4,8 мин;
уст
= 0, 57 мин; ([16] стр. 131, карта 69)
tпер=0,2 мин;
([16] стр. 131, карта 70)
tизм=0,16 мин;
[9 , стр. 132, табл. 71]
ТВ=0,27+0,32+0,42=0,93
мин;
Топ=4,8+0,93=5,73
мин;
К=5,73·0,041
=0,23;
ТШТ=
=5,74 мин.
Норма
выработки:
ТПЗ=8,3
мин ([16] стр. 134, карта 72)
НВ=
=82 шт.
Результаты
расчётов приведены в таблице 1.6.6. Нормирование операций.
Таблица
1.6.6. Нормирование операций.
|
Операция
|
To, мин.
|
Tв, мин.
|
Тшт, мин.
|
Нв, шт.
|
|
015 Токарная
|
0,66
|
0,83
|
1,57
|
6,6
|
315
|
|
020 Токарная с ЧПУ
|
1,59
|
0,12
|
2,0
|
9,3
|
235
|
|
025 Токарная
|
0,53
|
0,75
|
1,35
|
6,6
|
350
|
|
030 Сверлильная с ЧПУ
|
2,81
|
0,25
|
3,67
|
7,25
|
128
|
|
040 Сверлильная с ЧПУ
|
1,23
|
0,25
|
1,62
|
8,5
|
291
|
|
050 Фрезерная
|
4,8
|
0,93
|
5,74
|
8,3
|
82
|
1.7 Расчёт управляющей программы для станка с
ЧПУ на одну операцию
Для создания управляющей программы обработки детали на операции 030
Сверлильная с ЧПУ была использована система проектирования ADEM V8.0, в которую был импортирована 3D модель детали из системы Компас-3D V9. После внесения данных об обработке, параметров режущего
инструмента, режимов резания в модуль CAM программа автоматически рассчитала траекторию движения инструмента и
записала следующую управляющую программу.
FANK0010.ANK
%*G17*M03*G01Y+005374F4712*G01Z-004800F0712*G01Z-003900F0585*G01Z+003900F4712*G01Z-003700F0712*
N008G01Z-003900F0585*G01Z+007600F4712*G01X-005374Y-005374F0712*
N011G01Z-003900F0585*G01Z+003900F4712*G01Z-003700F0712*
N014G01Z-003900F0585*G01Z+007600F4712*G01X+005374Y-005374F0712*G01Z-003900F0585*G01Z+003900F4712*G01Z-003700F0712*G01Z-003900F0585*G01Z+007600F4712*G01X+005374Y+005374F0712*G01Z-003900F0585*G01Z+003900F4712*G01Z-003700F0712*
N026G01Z-003900F0585*G01Z+007600F4712*
*
Значение адресов, функций и кодов:- порядковый номер кадра;
X -
координаты перемещения инструмента по оси Х, мм;
Y-
координаты перемещения инструмента по оси Y, мм;
Z -
координаты перемещения инструмента по оси Z, мм;
F -
рабочая подача, мм/об;
G01 -
линейная интерполяция (подача на врезание);
G17 -
работа в полярной системе координат в плоскости XY;
M03 -
вращение шпинделя по часовой стрелке.
Время обработки - 4,3 мин;
длина управляющей программы - 1,6 м.
Рисунок 1.7.1. Обработка отверстий. Операция 030 Сверлильная с ЧПУ.
Рисунок 1.7.2. Управляющая программа.
2. КОНСТРУКТОРСКО-ТЕХНОЛОГИЧЕСКАЯ ЧАСТЬ
2.1 Проектирование и расчет специального
приспособления.
Специальное приспособление проектируется для сверления сквозных отверстий
Ø14мм на операции 030 Сверлильная с ЧПУ.
Для этого сначала производится уточнение схемы установки. Зная принятое базирование,
точность и шероховатость базовых поверхностей, определяется тип и размер
установочных элементов, их количество и взаимное положение. Далее, определив
крутящий момент при сверлении, рассчитывается величина зажимных сил и
устанавливается место их приложения. Затем выбирается тип зажимного устройства
, определяются его основные размеры, а также необходимые вспомогательные
устройства. Завершающим этапом проектирования является разработка общего вида
специального приспособления.
Обработка поверхности выполняется на вертикально-сверлильном станке
модели 2Р135Ф2-1 спиральным сверлом из быстрорежущей стали.
Исходя из этого, была принята следующая схема базирования заготовки:
Рисунок 2.1.1. Схема базирования
Базирование детали будет производиться по наружному диаметру 72 мм
цилиндрической бобышки, обработанному по девятому квалитету точности с
шероховатостью Ra 1,6, чистому
торцу цилиндрической бобышки и боковой поверхности фасонной бобышки в упор от
проворота.
Число и расположение установочных элементов должно обеспечивать
необходимую ориентацию заготовки согласно принятой в технологическом процессе
схеме базирования.
При этом наиболее рациональным будет использование схемы зажима в
призмах:
Рисунок 2.1.2. Схема зажима
W -
сила зажима в призмах, кгс;
рассчитывается по формуле:
, кгс;
(2.1.1.) ([2] стр. 131)
где:
К
=1,5 - коэффициент запаса;
D=72 мм -
зажимаемый диаметр детали;
Мк
- крутящий момент при сверлении, кгс·мм;
f =0,25 -
коэффициент трения на рабочих поверхностях зажимов;
α=90˚ - угол призмы.
Крутящий
момент при сверлении определяется исходя из схемы действия моментов сил:
Рисунок 2.1.3. Схема действия моментов сил
, кгс·мм;
(2.1.2.) ([2] стр. 133)
где:
R=60 мм - плечо
силы Q;
- сила,
вращающая заготовку вокруг центральной оси, Н ; (2.1.3.) ([2] стр. 156)
=7
мм - радиус сверления;
-
крутящий момент на сверле, Н·м: (2.1.4.)
=14
мм - диаметр сверла;
S=0,24 мм/об -
подача;
См=0,0345;
Kp=0,69;
q=2;
y=0,8;
Н·м;
кгс;
кгс·мм;
Н.
Учитывая
величину и место приложения зажимающих сил, в качестве зажимного устройства
выбираются тиски с двумя подвижными губками. Данное устройство обеспечит точное
базирование заготовки благодаря самоцентрирующим подвижным призмам. Погрешность
базирования возникать не будет.
Рисунок 2.1.4. Зажимное устройство
- Призма подвижная;
- Опора;
- Винт ГОСТ 1491-80;
- Пружина ГОСТ 13766-66;
- Рычаг угловой ГОСТ 12474-67.
Угловое положение заготовки фиксируется штифтом
Ø10 мм,
вмонтированного в неподвижный элемент конструкции приспособления при помощи
резьбы М10 по переходной посадке 7H/8g.
Для перемещения подвижных губок при зажиме и разжиме заготовки в
приспособлении в качестве силового привода будет применяться пневматический
диафрагменный привод.
Рисунок 2.1.5. Пневматический диафрагменный привод
Чтобы выбрать геометрические параметры певмокамеры, рассчитывается усилие
Q, необходимое для получения силы
зажима P (W).
, Н ;
(2.1.5.) ([6] стр.252)
;
(2.1.6.) ([6] стр. 256)
2
- коэффициентов трения на направляющей поверхности ползунов;
η - коэффициент, учитывающий потери от трения в переднем кулачке;
q -
сопротивление пружины
l=15,5 мм;
lо= 57 мм;
l1= 33 мм;
H=80,5 мм;
P=W=7500
H - сила зажима;
;
Н.
Диаметр
пневмокамеры определяется по формуле:
, мм;
(2.1.7.) ([2]стр.96)
=Q
=1840 Н;
р=0,4
мПа;
мм.
Выбирается
ближайшее большее значение диаметра пневмокамеры и опорной шайбы:
D=200 мм, ([6],
стр.98, табл.3.11);
d=140 мм.
Сверление
глубоких отверстий будет производиться длинным спиральным сверлом через
кондукторные втулки. Для этих целей используется накладной кондуктор, в который
запрессовываются постоянные втулки с буртиком по ГОСТ 18430-73
Допуск
межосевого расстояния обрабатываемых отверстий (5 мкм) и допуск на их
расположение относительно оси центрально отверстия детали (10 мкм)
обеспечивается точным положением втулок в кондукторной плите.
Точное
центрирование и зажим накладного кондуктора осуществляется пластинчатой
пружиной. В соответствии со стандартом выбирается узкая пружина Ø67мм. Количество пружин, обеспечивающих зажим,
определяется следующим образом:
,
(2.1.8.)где: ([2] стр. 260)
-
количество пружин
Мрез=12858
кгс·мм - крутящий момент при сверлении
Мк=3000
кгс·мм - наибольший крутящий момент, передаваемый одной пружиной
К`=1,5
- коэффициент запаса.
,
принимается 7 штук.
Базирование
кондуктора на детали осуществляется при помощи запрессованных постоянных цилиндрических
пальцев, которые определяют угловое положение обрабатываемых отверстий.
Межосевое расстояние пальцев F зависит от расстояния между точками касания
поверхности пальцев и детали H и диаметра пальцев, вычисляется геометрическим путём.
Рисунок
2.1.6. Определение межосевого расстояния.
, мм
(2.1.9.);
где:
d=10 мм -
диаметр постоянного пальца
, мм
(2.1.10.);
где:
М=38мм;
- по
теореме Пифагора (2.1.11.);
, мм;
где:
R=46мм;
r=14,5мм;
Р=38мм.
, мм
(2.1.12.);
.
=39,077·2=78,15±0,5
мм.
Расстояние
H принимается с учётом допуска на заготовку по
максимальному размеру.
Н=78,65+0,1мм;
.
Допуск
межосевого расстояния втулок принимается по справочнику (Станочные
приспособления, Вардашкин Б.Н., 1984, с 566).
Рисунок
2.1.7. Кондуктор накладной.
2.2 Проектирование и расчет специального режущего
инструмента
Для операции 040 сверлильная с ЧПУ, выполняемой на станке модели
2Р135Ф2-1, сконструирован специальный режущий инструмент - сверло-зенковка для
сверления отверстия диаметром Ø 2,5Н14мм на длину 7мм с образованием
фаски Ø5мм на 1х45º
в заготовке из стали
20ХМЛ.
Сверло-зенковка - сборный режущий инструмент, состоящий из: спирального
сверла, зенковки, конусного хвостовика и штифта.
Расчёт сверла на прочность и жёсткость.
В качестве материала для изготовления сверла выбирается титано-вольфрамовый
сплав Т5К10.
Расчёт инструмента на прочность и жёсткость производится путём сравнения
трёх параметров:
Po -
осевая сила;
Po доп
- максимальная нагрузка, допускаемая прочностью инструмента;
Po
жёст - максимальная нагрузка, допускаемая жёсткостью инструмента.
Определение осевой силы Po, H:
деталь корпус толкатель обработка
, H
(2.2.1.) ([11] стр. 345)
где:
D= 2,5 - диаметр
сверла, мм;
S=0,76 - подача,
мм/об;
Ср=
68;
y= 0,7 ;
q=1,0 ;
=0,69 -
коэффициент на обрабатываемый материал.
H
Определение
максимальной нагрузки, допускаемой прочностью инструмента Po
доп, Н:
(2.2.2.)
([13] стр. 258)
где:
=155
кгс/мм2 - предел прочности на изгиб;
l=6 мм -
расстояние от вершины инструмента до рассматриваемого опасного сечения;
d =2,5 мм -
диаметр хвостовика.
Максимальная нагрузка , допускаемая жёсткостью инструмента, Po жёст, Н:
(2.2.3.)
([13] стр. 289)
где:
f=0,05мм -
допускаемая стрела прогиба;
E=5∙1011
Па -модуль упругости материала инструмента;
d =2,5 мм -
диаметр хвостовика;
J=0.05∙d4=0.05∙2,54=1,95-момент
инерции сечения корпуса;
l=6мм -
расстояние от вершины инструмента до рассматриваемого опасного сечения.
Инструмент
обладает достаточной прочностью и жёсткостью т.к.
Расчёт
зенковки на прочность и жёсткость
В
качестве материала для изготовления зенковки выбирается быстрорежущая сталь
Р6М5.
Расчёт
инструмента на прочность и жёсткость производится путём сравнения трёх
параметров:
Po - осевая
сила;
Po доп -
максимальная нагрузка, допускаемая прочностью инструмента;
Po жёст -
максимальная нагрузка, допускаемая жёсткостью инструмента.
Определение
осевой силы Po, H:
, H (2.2.4.) ([11] стр. 345)
где:
D= 5 мм -
диаметр зенкования, мм;
S=0,76 - подача,
мм/об;
Ср=
68;
y= 0,7 ;
q=1,0 ;
=0,69 -
коэффициент на обрабатываемый материал.
Определение
максимальной нагрузки, допускаемой прочностью инструмента Po
доп, Н:
Н
где:
=370
кгс/мм2 - предел прочности на изгиб;
l=40 мм -
расстояние от вершины инструмента до рассматриваемого опасного сечения;
d =6 мм -
диаметр хвостовика.
Максимальная нагрузка , допускаемая жёсткостью инструмента, Po жёст, Н:
где:
f=0,1мм -
допускаемая стрела прогиба;
E=2∙1011
Па -модуль упругости материала инструмента;
d =6 мм -
диаметр хвостовика;
J=0.05∙d4=0.05∙64=1,95-момент
инерции сечения корпуса;
l=6мм -
расстояние от вершины инструмента до рассматриваемого опасного сечения.
Инструмент
обладает достаточной прочностью и жёсткостью т.к.
Определение
крутящего момента сверла Mp, Н.м:
, Н.м.
(2.2.5.) ([11] стр. 375)
где:
D=2,5 мм -
диаметр сверла,
S=0,76мм/об -
подача,
Cм=0,0345
y= 0,8;
q= 2,0
-
коэффициент на обрабатываемый материал
(2.2.6.)
([11] стр. 355)
где:
МПа -
предел точности при растяжении
n= 0,75
Н.м .
Определение
крутящего момента зенковки Mp, Н.м:
, Н.м.
([11] стр. 354)
где:
D=5 мм - диаметр
зенкования;
S=0,76мм/об -
подача,
Cм=0,0345
y= 0,8;
q= 2,0
=0,69 -
коэффициент на обрабатываемый материал
Определение
конуса Морзе хвостовика сверла-зенковки.
Определяется
по большему крутящему моменту и осевой силе резания. Наибольшая сила резания
1935Н и крутящий момент 4,78Н×м возникает при
зенковании, т.к. диаметр зенковки больше.
Осевую
составляющую силу резания Рх можно разложить на две силы:
)
Q - действующую нормально к образующей конуса:
, где
(2.2.7.) ([13] стр. 280)
-
сила действующую нормально к образующей конуса;
Px - осевая
составляющая силы резания, Н;
- угол конусности хвостовика, град.;
) R - действующий в радиальном
направлении и уравновешивающую реакцию на противоположной точке поверхности
конуса.
Сила Q создает касательную составляющую Т
силы резания; с учетом коэффициента трения поверхности конуса о стенки втулки
:
(2.2.8.)
([13] стр. 290)
Т
- касательная составляющая силы резания;
µ
− коэффициента трения поверхности конуса о стенки втулки;
Q - сила
действующую нормально к образующей конуса,H;
- угол конусности хвостовика, град.;
Px -
осевая составляющая силы резания, Н;
Момент трения между хвостовиком и втулкой:
, где
(2.2.9.) ([13] стр. 291)
µ
− коэффициента трения поверхности конуса о стенки втулки;
Px - осевая
составляющая силы резания, Н;
D1 - наибольший
диаметр конуса Морзе, мм;
d − наименьший диаметр конуса Морзе, мм;
- угол
конусности хвостовика, град.;
-
отклонение угла конуса.
Приравниваю
момент трения к максимальному моменту сил сопротивлению резанию, т.е. к моменту
создающемуся при работе затупившимся сверлом, который увеличивается до 3 раз по
сравнению с моментом, принятым для нормальной работы сверла.
Следовательно:
,
(2.2.10.) ([13] стр. 291)
Средний
диаметр конуса хвостовика:
, где
(2.2.11.) ([13] стр. 291)
1
- наибольший диаметр конуса Морзе, мм.
d - наименьший
диаметр конуса Морзе, мм.
или
(2.2.12.)
([13] стр. 291)
где:

4,78 Н∙м
( 478 кгс∙мм) момент сопротивления сил резанию;
Рx =
1930 Н (
193 кгс) - осевая составляющая силы резания;
= 0,096.-
коэффициент трения стали по стали;
= 1°, sin
1°З0’ = 0,02618;
=5’ - отклонение
угла конуса;
dср =
= 4,1мм
По
ГОСТ 25557 - 82 принимается ближайший больший конус, т.е. конус Морзе №0 с
лапкой, со следующими основными конструктивными размерами:
Рисунок
2.2.1. Конус Морзе.
D1=9,2мм;
D=9,045мм
d=6,1мм;
l=59,5мм;
а=3,0
мм;
е=6,5
мм
b=3,9 мм
r=4,0 мм
Конусность:
1 : 19,212 = 0,05205.
Определение
геометрических и конструктивных параметров инструмента.
Геометрические
параметры сверла выбираются по нормативам: ([13] стр. 290)
форма
заточки Н (нормальная, см.рис.50,г)
- угол наклона винтовой канавки;
2φ=118° - угол между режущими кромками;
- задний
угол;
ψ
=55° - угол наклона поперечной кромки.
Конструктивные
размеры сверла определяются исходя из параметров обрабатываемого отверстия, а
именно глубины:
длина рабочей части отверстия - 7мм;
длина хвостовика сверла - 10мм;
диаметр хвостовика - Æ2,3m7 мм;
общая длина сверла - 17мм.
Шаг винтовой канавки определяется по формуле:
H=
=
=13,7мм (2.2.13.) ([13] стр. 299)
Толщина
сердцевины сверла dc выбирается в зависимости от диаметра сверла:
=
0,16D= 0,16∙2,5=0,4мм (2.2.14.) ([13] стр. 300)
Утолщение
сердцевины по направлению к хвостовику принимается равным 1,5 мм на 100 мм
длины рабочей части сверла/
Обратная
конусность сверла (уменьшение диаметра по направлению к хвостовику) на 100 мм
длины рабочей части составляет 0,08 мм.
Ширина
ленточки
выбрана по табл. 63. в соответствии с диаметром D
сверла:
= 0,6мм;
Ширина
пера В рассчитывается по формуле:
В=0,58
D = 0,58∙2,50=1,45 мм (2.2.15.);
где:
D=2,5 - диаметр
сверла.
Геометрические
параметры зенковки выбираются по ГОСТ 14953-80.
δ=90°
b=0,3
z=4 - число
режущих зубьев
D=8 мм - диаметр
зенковки (ближайший к Æ 5);
d0=2,5мм
задний
угол - 12°
Длина
шейки зенковки конструктивно принимается 30мм. Диаметр шейки принимается равным
6мм.
Общая
длина зенковки равна 40мм.
Общая
длина инструмента складывается из длины рабочей части сверла, длины зенковки,
длины шейки зенковки и длины конуса хвостовика зенковки:
L=7+40+59,5=106,5»106 мм
Конический
хвостовик с конусом Морзе№0 припаивается к торцевой поверхности зенковки.
Цилиндрический
хвостовик сверла крепится в предварительно просверленное отверстие в зенковке.
Сопряжение осуществляется по посадке
. Для
предотвращения проворачивания хвостовика сверла, на его поверхности шлифованием
изготавливается лыска, после чего закрепляется в отверстии зенковки при помощи
зажимного винта М3.
Для
крепления специального режущего инструмента, в шпинделе станка необходимо
использовать переходной конус Морзе 0/4.
Чертёж
инструмента представлен в разделе 7.
Расчёт и конструирование калибра-пробки для контроля гладкого
цилиндрического отверстия диаметром 67H9.
Проходным калибром-пробкой ПР контролируют в отверстии годность
наименьшего предельного размера Dmin.Этот
размер годен, если пробка ПР проходит сквозь него под действием собственного
веса.
Непроходным калибром - пробкой НЕ контролируют в отверстии годность
наибольшего предельного размера Dmax.
Этот размер годен, если пробка НЕ не проходит в отверстие. Если пробка ПР
прошла, а пробка НЕ вошла в отверстие , то принято считать, что действительный
размер отверстия находится в пределах поля допуска TD и это отверстие годно.
Расчёт размеров калибра производится в соответствии с ГОСТ 21401-75 и
ГОСТ 24853-81.
1. Определением предельных отклонений отверстия по ГОСТ 25347-82
(СТ СЭВ 144-75)
Отклонения: ES = + 74 мкм ; EI = 0
2. Предельные размеры отверстия
= Dном + ES = 67,000 + 0,074 =
67,074мм (2.3.1.) [22]= Dном + EI = 67,0 + 0 = 67мм (2.3.2.) [22]
3. Чтобы иметь возможность изготовить калибры и обеспечить их
долговечность, в ГОСТ 24853-81 (СТ СЭВ 157-75) задаются:
а) Z - отклонение середины поля допуска
на изготовление проходных калибров относительно наименьшего размера отверстия Dmin
Z = 13
мкм;
б) H - допуск на изготовление проходных и
непроходных калибров
H = 5
мкм;
в) Y - допустимый выход размера за
границу поля допуска изношенного проходного калибра
Y = 0
мкм.
3. Определение размеров калибра.
Предельные размеры проходной калибр-пробки:
ПРmax = Dmin + Z + H/2 = 67,000 + 0,013 + 0,005/2 =
67,015 мм (2.3.3.) [22]
ПРmin = Dmin + Z - H/2 = 67,000 + 0,013 - 0,005/2 =
67,010 мм (2.3.4.) [22]
Размер калибра ПР, проставляемый на чертеже, при допуске на изготовление H = 2 мкм равен максимальному размеру
калибра с допуском направленном в «тело» калибра: 67,015-0,005.
Предельные размеры непроходной калибр-пробки :
НЕmax =
Dmax + H/2 =67,074 + 0,005/2 = 67,076 мм (2.3.5.) [22]= Dmax - H/2 = 67,074 - 0,005/2 = 67,071 мм (2.3.6.) [22]
Размер калибра НЕ, проставляемый на чертеже, 67,076-0,005.
Конструктивные размеры калибра выбираются по ГОСТ 14812-69 и ГОСТ
14813-69, технические требования по ГОСТ 2015-84.
Рисунок 2.3. Схема поля допуска калибр-пробки.
3. ОРГАНИЗАЦИЯ ПРОИЗВОДСТВА
3.1 Расчет количества
оборудования, его загрузки. Составление графика загрузки оборудования
Расчет эффективного годового времени работы
оборудования.
F эф = r × h ×Д × (1 - В / 100) ([15] стр. 131)
- продолжительность смены,
h - число смен,
Д - число рабочих дней в году,
В - план % потерь времени рабочего оборудования на
ремонт (3% - 5%).
Fэф = 8 × 2× 249 × (1 - 4/100)
= 3825 часов
Расчет количества станков.
Расчётное количество станков определяется по формуле:
N
× t шт.
С pi =
----- (3.1.2.) ([15] стр. 131)
F эф×K н. ×60
N - годовая программа выпуска деталей (шт.)
Tшт. - штучное время на операцию (мин)
K н. - плановый коэффициент выполнения норм 1.1
10000 ×1,57
Сp 015
= ------ = 0,06 Сп 015=1 ст
3825×1,1×60
10000×2,0
Сp 020
= ------ = 0,078 Сп 020=1 ст
3825×1,1×60
10000×1,35
Сp 025
= ------ = 0,05 Сп 025=1ст
3825×1,1×60
10000×3,67
Сp 030
= ------ = 0,14 Сп 030=1ст
3825×1,1×60
10000×1,62
Сp 040
= ------ = 0,06 Сп 0401 ст
3825×1,1×60
10000×5,74
Сp 050
= ------ = 0,22 Сп 050=1ст
3825×1,1×60
Расчет коэффициента загрузки оборудования.
Определение коэффициента загрузки оборудования на
каждой операции:
С pi
K зi.
= -- × 100%
(3.1.4.)
С ni.
С pi. -
расчетное количество станков.
С ni. -
принятое количество станков.
0,06з. 015 = -- × 100%
= 6%
1
0,078з.
020 = -- × 100% = 7,8 %
1
0,05з. 025
= -- × 100% = 5%
1
0,14з.
030 = - × 100% = 14%
1
0,06з. 040
= -- × 100% = 6%
1
0,22
K з. 050 = -- × 100% = 22%
1
Расчёт среднего коэффициента загрузки оборудования по
участку:
∑ С pi
Kзср = -- × 100% (3.1.5.)
∑ С ni
∑ С pi - сумма расчетного количества станков,
∑ С ni - сумма принятого количества станков.
0,608
Kзср = -- × 100% =10%
6
В связи с недостаточной загрузкой оборудования следует
загрузить станки типовыми деталями.
Расчёт годовой программы выпуска деталей в условных
штуках.
12 × F эф×K н.×60
Nг = -------- (3.1.3.)
∑t шт.
эф - годовое эффективное время работы оборудования,
час.
K н. - плановый коэффициент выполнения норм 1.1
∑t шт.
= 15,95 - суммарное штучное время на все мех. операции, мин.
12 ×
3825×1,1×60
Nг = -------- =189900 (условных штук)
15,95
189900 ×1,57
Сp 015
= ------ = 0,99 Сп 015=1 ст
3825×1,1×60
189900×2,0
Сp 020
= ------ = 1,5 Сп 020=2 ст
3825×1,1×60
189900×1,35
Сp 025
= ------ = 0,98 Сп 025=1 ст
3825×1,1×60
189900×3,67
Сp 030
= ------ = 2,75 Сп 030=3 ст
3825×1,1×60
189900×1,62
Сp 040
= ------ = 1,21 Сп 040=2 ст
3825×1,1×60
189900×5,74
Сp 050
= ------ = 4,3 Сп 050=5 ст
3825×1,1×60
Расчет коэффициента загрузки оборудования.
Определение коэффициента загрузки оборудования на
каждой операции:
0,99з.
015 = -- × 100% = 99%
1
1,5з.
020 = -- × 100% = 75%
2
0,98з.
025 = -- × 100% = 98%
1
2,75з. 030
= - × 100% = 92%
3
1,21з.
040 = -- × 100% = 60%
2
4,3
K з. 050 = -- × 100% = 86%
5
Расчёт среднего коэффициента загрузки оборудования по
участку:
∑ С pi
Kзср = -- × 100% (3.1.5.)
∑ С ni
∑ С pi - сумма расчетного количества станков,
∑ С ni - сумма принятого количества станков.
11,73
Kзср = -- × 100% =83%
14
График загрузки оборудования.
На основе расчетов строится график:
Рисунок
3.1. График загрузки оборудования.
Таблица
3.1. Составление сводной ведомости оборудования.
|
Наименование станков
|
Модель
|
Кол-во
|
Габарит. р - ры.
|
Мощность
|
Цена (руб.×10³)
|
|
|
|
|
Ед.
|
всего
|
Ед.
|
всего
|
|
Токарный
|
CU400
|
2
|
2565х1190х1500
|
11
|
22
|
85
|
170
|
|
Токарный с ЧПУ
|
SK50P
|
2
|
1250х1370х 1690
|
7,5
|
15
|
160
|
320
|
|
Сверлильный с ЧПУ
|
2Р135Ф2-1
|
5
|
1800х2170х 2700
|
10
|
50
|
50
|
250
|
|
Фрезерный
|
НГФ-110-Ш4
|
5
|
685x640x 925
|
1,1
|
5,5
|
120
|
600
|
|
Итого:
|
-
|
14
|
-
|
-
|
312
|
-
|
1340
|
3.2 Расчет численности
рабочих, специалистов и служащих; составление ведомости работающих
Таблица 3.2.1. Расчет эффективного годового времени
одного рабочего.(на 2010г.)
|
№ п. /п.
|
Элементы расчета
|
По плану
|
Примечания
|
|
1 2 3 4 5 6 7 8 9 10 11 12
13 14 15 16 17
|
Число календарных дней.
Число выходных и праздников. Номинальный фонд времени в днях. Номинальный
фонд времени в часах. Отпуск. Дополнительный отпуск по стажу. Дополнительный
отпуск учащихся. Отпуск в связи с родами. Выполнение гос. и общественных
обязанностей. Невыходы по болезням. Всего целодневных потерь. Явочное время в
днях. Сокращение рабочего времени подростков. Всего внутрисменных потерь.
Средняя продолжительность времени в часах. Средняя продолжительность времени
с учетом внутрисменных потерь. Эффективный фонд рабочего времени.
|
365 116 249 1992 28 4 3 1
1,3 5,7 43 206 0,03 0,03 8 7,97 1642
|
365-116 249×8 249-43 8-0,03 7,97×206
|
Организация многостаночного обслуживания.
Количество станков которое может обслужить один
многостаночник рассчитывается по формуле:
tмаш
Смi = -----+1,где (3.2.1.)
tвсп+tпер
tпер =1-2 мин
1,37
См020 = -----+1=2,28 принимается 2
0,07+1
2,81
См030 = -----+1=3,6 принимается 3
0,07+1
1,23
См040 = -----+1=2,15 принимается 2
0,07+1
Расчет численности основных рабочих.
Численность производственных рабочих рассчитывается по
каждой операции по формуле:
N
× tшт.i = ------ (3.2.2.)
([20] стр. 107)
Fэф. × Кн. × 60 × C м i.
F эф - эффективный фонд рабочего времени
Cмi. - количество
станков, которое будет обслуживать один многостаночник на операции (если
многостаночников нет C мi. = 1).
189900×1,57
P 015 = -------- = 2,4( 2 чел.)
1642×1,1×60×1
189900×2,0
P 020= -------- = 1,75 (2 чел.)
1642×1,1×60×2
189900×1,35
P 025 = -------- = 2,36 ( 2 чел.)
1642×1,1×60×1
189900×3,67
P 030= -------- = 3,2 (4 чел.)
1642×1,1×60×3
189900×1,62
P 040 = -------- = 1,42 ( 2 чел.)
1642×1,1×60×2
189900×5,74
P 050= -------- = 10,1 (10 чел.)
1642×1,1×60×1
Таблица 3. 2.2. Сводная ведомость основных рабочих.
|
№ опер.
|
Наименование Профессии
|
Разряд Рабочих
|
Кол-во
|
|
015
|
Токарь
|
2
|
2
|
|
0,25
|
Токарь
|
3
|
2
|
|
020;030;040
|
Оператор ЧПУ
|
4
|
8
|
|
050
|
Фрезеровщик
|
3
|
10
|
|
Итого:
|
22
|
Расчет численности вспомогательных рабочих,
специалистов и служащих
А) Расчет численности вспомогательных рабочих
осуществляется по формуле:
Pосн. × П
Pвсп. = --- (3.2.3.) ([20] стр. 550)
100
П - процент (П = 15-20%),
Pосн. - число основных рабочих.
22×18
Pвсп. = ---- = 3,96 ( 4 чел.)
100
Принимается 4 человека.
Б) Расчет численности специалистов и служащих
осуществляется по формуле:
(Pосн.
+ Pвсп.) × П
Pспец. = ------- (3.2.4.) ([20] стр. 550)
100
П - процент (П = 16%)
(22+4)×16
Pспец = ----- =4,16 ( 4 чел.)
100
Принимается 4 человека.
Определение общего числа работающих.
Таблица 3.2.3. Сводная ведомость списочного состава работающих
участка.
|
Наименование категорий
работающих
|
Количество
|
%
|
|
Основные рабочие
|
22
|
73,4
|
|
Вспомогательные рабочие
|
4
|
13,3
|
|
Специалисты и служащие
|
4
|
13,3
|
|
Итого:
|
30
|
100
|
3.3 Планировка участка
механического цеха
Планировка участка осуществляется на миллиметровке в
масштабе 1:100. При вычерчивании макета станка принимают его габариты по
крайним точкам, причем в габарит входят крайние положения выступающих частей,
электрошкафов, гидронасосов и т.п. Место рабочего обозначается кружком
диаметром 500 м (при масштабе 1:100). Светлая часть обозначает лицо рабочего, а
вторая половина затушевывается карандашом.
Условия планировки:
. Станки располагаются в две линии.
. Станки располагаются по ходу технологического
процесса.
Расстояние между колоннами вдоль участка принимаем 12
метров, в поперечном разрезе расстояние между колонками 18 метров.
Расстояние между станками принимаем равным 1000 мм.
расстояние от станка до границы участка равно 2500 мм. при выполнении
планировки необходимо предусмотреть наиболее рациональное использование
производственных площадей, не нарушая при этом требований техники безопасности.
3.4 Организация рабочего
места рабочего ведущей профессии в соответствии с требованиями НОТ
Перед составлением карты выбираем рабочее место
рабочих, которых по численности наибольшее количество на участке.
Карта организации рабочего места токаря в соответствии
с требованиями НОТ.
|
Проект рабочего места,
плакировка, освещение и рабочая поза
|
Предмет труда, технология
обработки, режим труда
|
|
Рабочее место предназначено
для обработки детали средних габаритов, типа: крышек, валов и т.д. работа
выполняется большой частью проходными резками. Работа производится в две
смены с соблюдением режимов труда и отдыха. В установленных перерывах
производить гимнастику.
|
|
Планировка рабочего места
|
Средства оснащения рабочего
места
|
Зона движения
|
|
|
1 Токарно-винторезный
станок с ЧПУ (SK50P) 2 тумбочка 3.подставка под детали 4.подставка для
ног 5.планшет для чертежей
|
Свободное по маршруту
расположения станков
|
|
Состав трудового процесса и
размещение предметов и средств труда
|
Элементы процесса труда
|