Система управления стабилизатором переменного напряжения

  • Вид работы:
    Курсовая работа (т)
  • Предмет:
    Информационное обеспечение, программирование
  • Язык:
    Русский
    ,
    Формат файла:
    MS Word
    1,59 Мб
  • Опубликовано:
    2016-03-21
Вы можете узнать стоимость помощи в написании студенческой работы.
Помощь в написании работы, которую точно примут!

Система управления стабилизатором переменного напряжения

МИНИСТЕРСТВО ОБРАЗОВАНИЯ РОССИЙСКОЙ ФЕДЕРАЦИИ

Брянский государственный технический университет

КАФЕДРА «ЭРЭ и ЭС»









Пояснительная записка к курсовой работе

по дисциплине «Отладочные средства микропроцессорных систем»

на тему «Система управления стабилизатором переменного напряжения»









Брянск 2015

ВВЕДЕНИЕ

Микроконтроллер - функционально законченное устройство обработки информации, управляемое хранимой в памяти программой. Появление микроконтроллеров стало возможным благодаря развитию интегральной электронике. Это позволило перейти от схем малой и средней степени интеграции к большим и сверхбольшим интегральным микросхемам (БИС и СБИС).

Микроконтроллеры и микроЭВМ, вследствие малой материалоемкости и стоимости, низкого энергопотребления и высокой надежности находят всё большее применение в промышленности. Эти устройства позволяют создавать миниатюрные, дешёвые и экономичные, но в то же время достаточно «умные» и сложные приборы, способные управлять силовыми преобразователями, коммутирующими большие токи и напряжения.

Область применения микроконтроллеров не ограничивается только силовой электроникой, с каждым годом значительно расширяясь.

1. ОПИСАНИЕ СХЕМЫ ПРЕОБРАЗОВАТЕЛЯ

Необходимо разработать систему управления стабилизатором переменного напряжения, в котором используется регулирующий орган с вольтодобавкой на основе ячейки с ОРМ (однополярной реверсивной модуляцией) однократного преобразования. Схема такой ячейки и режимы её работы приведены в табл.1.1.

Таблица 1.1

Схема регулирующего органа С ОРМ с однократным преобразованием

Режим

Цикл замыкания ключей

РД

1,4-3,4


НП

2,3-1,4


РО

2,3-1,2


РД - регулируемая добавка; НП - неискаженная (прямая передача); РО - регулируемая отбавка.

Выходное напряжение с регулирующего органа проходит через LC фильтр, который подавляет лишние гармоники и на нагрузке формируется синусоидальное напряжение.

Напряжение сети изменяется в пределах 220В ±%, т.е. 187…242В.

Напряжение на выходе регулируется в пределах 50…200В.

Частоту квантования выберем в q=10 раз больше частоты сети:

.

Выходное напряжение регулируется в соответствии с формулой:

 ,

где “-“ - отбавка, “+“ - добавка;

Диапазон изменения , обеспечивающий заданную регулировку напряжения:

Отбавка:

Добавка:

Основная задача системы управления - контролировать выходное напряжение (по действующему, либо по мгновенному значению) и в случае его отклонения от заданного изменять сдвиг открытых состояний ключей определённым образом, осуществляя при этом добавку либо отбавку.

Второстепенная задача - обеспечить взаимодействие пользователя с устройством. Должна быть возможность задавать необходимую величину выходного напряжения с помощью клавиатуры, а также возможность отображения текущего выходного напряжения.

Стабилизация будет осуществляться по действующему значению выходного напряжения следующим образом: к выходу стабилизатора подключаем RMS-DC-конвертер. Он формирует постоянное напряжение, соответствующее действующему значению напряжения сети. Микроконтроллер в определении действующего значения не участвует, а только получает результат в аналоговом виде.

Преимущество такого способа - довольно высокая точность определения действующего значения выходного напряжения.

Недостаток в том, такие устройства обладают задержкой определения действующего значения около 100мс и дорого стоят.

Определять действующее значение можно проще - опрашивать выход и находить максимальное, т.е. амплитудное. Но форма напряжения сети может отклоняться от синусоидальной, а значит определённое таким способом действующее значение может отличаться от реального.

Можно также использовать способ получения мгновенных значений в течение полупериода через определённые интервалы времени с последующим вычислением действующего значения в конце полупериода и поправкой. Но в данном случае информация о выходном напряжении поступает лишь через половину периода и система управления только тогда реагирует на изменения.

2. ФУНКЦИОНАЛЬНАЯ СХЕМА СИСТЕМЫ

Рис. 2.1 - Функциональная схема стабилизатора

Описание функциональной схемы:

Изолирующий усилитель производит гальваническую развязку выходной цепи и микроконтроллера.

Конвертер RMS-DC выполняет функцию получения величины действующего значения выходного напряжения и преобразует текущее его значение в соответствующее постоянное.

Драйвер АЦП осуществляет опрос выходного напряжения выпрямителя и обновляет значение сигнала обратной связи XОС .

Драйвер клавиатуры опрашивает порт клавитуры и обновляет значение сигнала задания XЗ.

ПИ-регулятор нужен для задания скорости изменения управляющего воздействия при отклонении XОС от XЗ.

Драйвер индикатора осуществляет индикацию вводимых с клавиатуры цифр и текущего действующего значения напряжения на выходе преобразователя.

3. ОПИСАНИЕ ОСНОВНЫХ ФУНКЦИОНАЛЬНЫХ БЛОКОВ СИСТЕМЫ И ВЫБОР ЭЛЕМЕНТНОЙ БАЗЫ

Выбор микроконтроллера.

Исходя из предложенного задания на курсовую работу, выбираем микроконтроллер AT89C51RB2-SLSCM фирмы Atmel.

Описание:

Рис. 3.1 -- Расположение выводов ИС AT89C51RB2-SLSCM

Особенностями используемого микроконтроллера являются:

•        Совместимость с серией MCS-51

•        16 кБ флэш-памяти с внутрисхемным программированием (ISP)

•        Износостойкость: 100000 циклов записи/стирания

•        Рабочий диапазон питания 3/5 В

•        Полностью статическое функционирование : 0 …60 МГц

•        Три уровня защиты памяти программ

•        Внутреннее ОЗУ размером 1280x8

•        32 программируемые линии ввода-вывода

•        Три 16-разрядных таймера-счетчика

• PCA матрица

•        Десять источников прерываний

• Четыре уровня прерываний

•        Полнодуплексный канал последовательной связи на УАПП

• SPI

•        Режимы снижения потребления: холостой ход и экономичный

•        Восстановление прерываний при выходе из экономичного режима

•        Сторожевой таймер

•        Двойной указатель данных

•        Флаг выключения питания

Порты 1, 2 и 3 являются 8-разрядным двунаправленными портами ввода/вывода. Линии этих портов имеют внутренние нагрузочные резисторы, а линии порта Р0 требуют внешних.

В режиме холостого хода (Idle) останавливается ЦПУ, но ОЗУ, таймеры-счетчики, последовательный порт и система прерываний продолжают функционировать. В экономичном режиме (Power-down) сохраняется информация в ОЗУ, но остановлен генератор, выключены все остальные функциональные блоки до внешнего запроса на прерывание или аппаратного сброса.

Выбор ключей.

Выбраны транзисторы со встроенными обратными диодами фирмы International Rectifier IRG4PH50UD со следующими параметрами:





Для управления ключами выбран драйвер фирмы Avago Technologies ACNW3130. Канал драйвера гальванически развязан от входной цепи.

Максимальный пиковый выходной ток драйвера : 2,5А.

Минимальный пиковый выходной ток драйвера : 2А.

Максимум низкого уровня выходного напряжения: 0,5В.

Максимальный ток питания: 5мА.

Диапазон напряжения питания: 15-30В.

Максимальное время переключения: 500нс.

Температурный диапазон: -40-100˚С.


Рис. 3.2 - Блок-диаграмма драйвера

При рекомендуемых производителем параметрах , выбираем внешний резистор . Пиковый ток затвора транзистора составляет:

.

Подключаем по два транзистора к каждому драйверу. На 8 транзисторов нужно 4 штуки.

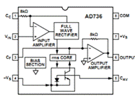
Резистивный делитель обеспечивает понижение уровня выходного напряжения стабилизатора до уровня изоляционного усилителя (±200мВ). Пусть R12=100 кОм, а R13=40,2 Ом, тогда максимальное напряжение на входе изоляционного усилителя составит 480/(100000/40,4)=0,193В, что входит в допустимые пределы.to-DC конвертер обеспечивает определение действующего значения напряжения. Выбираем микросхему AD736А фирмы Analog Devices. Параметры конвертера:

Напряжение питания: +2,8В, -3,2В…±16,5В;

Максимальное входное напряжение: 200мВ;

Входное сопротивление 1012 Ом

Температурный диапазон: -40…+85˚С

Рис. 3.3 - Схема конвертера

Изолирующий усилитель обеспечивает гальваническую развязку выходного напряжения. Выбираем изолирующий усилитель HCPL-7850 фирмы Avago Technologies. Параметры усилителя:

Напряжение питания: +5В;

Входное напряжение: -200…+200мВ;

Выходное напряжение: +5,5В;

Температурный диапазон: -55…+125˚С

погрешность нелинейности: 0,1%

Рис. 3.4 - Схема изоляционного усилителя

Операционный усилитель обеспечивает повышение напряжения обратной связи до уровня АЦП (5В). Так как изолирующий усилитель усиливает напряжение в 8 раз, то максимально возможное напряжение на его выходе составит 0,193∙8=1,544В. Выберем схему неинвертирующего усилителя на LM324. При усилении напряжения в 3 раза 1+R19/R18=3, принимаем значения сопротивлений R7=2,05 кОм и R3=1 кОм.

Выбор АЦП

Выбран АЦП ADC0831:

Разрешение: 8бит

Напряжение питания: 5В

Время конвертации: 32мкс

Температурный диапазон: 0…+70˚С

Ввод и отображение информации

Для ввода требуемого на выходе напряжения используется клавиатура с 12-ю клавишами:

цифровых (0-9) и 2 сервисных (Ввод, Сброс). Клавиатуру набираем из отдельных тактовых кнопок TS-A3PS-130.

Для отображения введённого с клавиатуры и текущего значения выходного напряжения выбран жидкокристаллический индикатор

МТ-16S2D от фирмы МЭЛТ.

Рис. 3.5 - Внешний вид индикатора

4. СХЕМА ЭЛЕКТРИЧЕСКАЯ ПРИНЦИПИАЛЬНАЯ

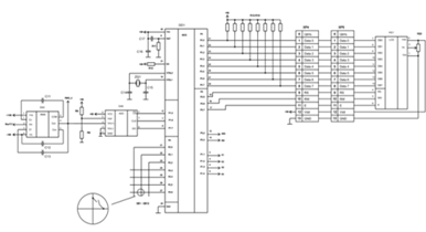
Рис. 4.1 - Схема принципиальная микропроцессорного устройства

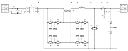
Рис. 4.2 - Схема принципиальная силовой части

. ОПИСАНИЕ ПРОГРАММЫ

Программа для микроконтроллера была написана на языке Си в среде uVision.

Программа осуществляет управление стабилизатором переменного напряжения. С RMS-DC датчика считывается действующее значение напряжение на выходе устройства. Циклически вычисляется статическая ошибка.


Суммарная ошибка за все время работы системы:


Новое значение напряжения на выходе системы:


Действующее значение сетевого напряжения:


Коэффициент заполнения импульсами для следующего цикла работы:


Таймерами формируется управляющий сигнал для силовых ключей.

В программе предусмотрен ввод с клавиатуры действующего значения напряжения на выходе стабилизатора. А также отображение введенного значения на индикаторе.

6. АЛГОРИТМ ФУНКЦИОНИРОВАНИЯ ПРОГРАММЫ

Рис. 6.1 - Алгоритм основной программы

Подключается библиотека с регистрами микроконтроллера и библиотека работы со строками.

1 #include <REG52.H>

#include <string.h>

Объявляются константы.

#define DataInd P0

#define klav P2

#define Kp 0.2

#define Ki 0.015

#define Ktr 1.5

#define T ((60/12)*1000000/500)

#define Tic (0-T)

Линиям портов присваиваются символьные имена.

12 sbit RS = P3^7;

sbit RW = P3^6;

sbit E = P3^5;

sbit CS = P1^7;

sbit CLK = P1^6;

sbit DO = P1^5;

sbit K1 = P1^1;

sbit K3 = P1^2;

sbit K2 = P1^3;

sbit K4 = P1^4;

Объявляются переменные.

unsigned char data i=0;

24 unsigned char data nop;

unsigned short data DataKlav=0x200;

unsigned short data Uout=200;

unsigned char data buf;

unsigned short data buf2;

unsigned char code str1[]="Uout= V";

unsigned char code str2[]="Uizm= V";

unsigned char code strZero[]=" ";

unsigned char data str[10];

unsigned short data rms;

unsigned short data rmsBCD;

unsigned short data Uin = 200;

float data gamma;

signed short data oh;

signed short data oh_do = 0;

signed short data S;

unsigned short data Ui;

unsigned short data Tic2;

signed short data Upr;

signed short data Uint;

И флаг.

bit regim;

Объявляются функции.

void WeitBW(void);

void PutCom(unsigned char data OutByte);

void PutStrobe(void);

void PutData(unsigned char data OutByte);

void PutString(unsigned char Str[]);

unsigned char ADC(void);

void DecodSts(unsigned short Uxxx);

Начинается основная программа. Сразу после включения устройства происходит инициализация. Все силовые ключи отключаются. Определяется режим работы таймеров. Таймеры Т0 и Т1 работают в режиме шестнадцатибитных таймеров-счетчиков. Для таймера Т1 задается начальное значение.

void main(void)

{

1 //Инициализация

1 K1 = K2 = K3 = K4 = 0;

59 1 TMOD = 0x11;

1 TH0 = (Tic >> 8);

1 TL0 = Tic;

Разрешаются прерывания (глобально). Также разрешаются прерывания от Таймеров Т0 и Т1, а также внешние прерывания по INT0 и INT1.

62 1 EA = 1;

1 ET0 = ET1 = 1;

1 EX0 = EX1 =1;

Вычисляется начальный коэффициент заполнения импульсами.

65 1 gamma = (1-((float)Uout/Uin))*Ktr;

Производится инициализация индикатора. Команда 0х38 устанавливает режим отображения с матрицей 5х8 точек и работу с 8-ми разрядной шиной данных; 0х0C включает отображение на экране ЖКИ-модуля, без отображения курсоров; 0х06 устанавливает режим автоматического перемещения курсора слева направо после вывода каждого символа; 0х01 очищает содержимое экрана и переводит курсор в первое положение.

67 1 PutCom(0x38);

1 PutCom(0x0c);

1 PutCom(0x06);

70 1 PutCom(0x01);

Таймер Т0 запускается.

1 TR0 = 1;

Далее идет бесконечный цикл основной программы.

1 while(1)

1 {

Который начинается с опроса клавиатуры. В строки записываются лог. 0, а в столбцы лог. 1. Состояние клавиатуры считывается в буфер.

2 klav = 0x0f;

2 buf = klav;

Далее в строки записываются лог. 1, а в столбцы лог. 0. Производится операция побитного ИЛИ предыдущего и нынешнего состояния клавиатуры. Результат также сохраняется в буфере.

2 klav = 0xf0;

2 buf = buf | klav;

Полученный код сравнивается с числом 0хff. Если ни одна кнопка нажата не была то будет возвращено занчение 0xff. Иначе в каждой тетраде будет по одному нулю, соответствующему нажатой кнопке (строка и столбец).

2 if(buf != 0xff)

2 {

Если какая-либо кнопка была нажата, то проверяется состояние флага "режим" и кнопки "режим" (код "0xb7"). Если одно из условий выполнено, то будет произведено определение, какая именно кнопка была нажата.

3 if(regim == 1||buf == 0xb7)

3 {

Значение переменной, в которой хранится введенное число, сдивигается на 4 бита влево. К текущему значению переменной прибавляется число, соответствующее нажатой кнопке.

4 DataKlav = DataKlav << 4;

85 4 switch(buf)

4 {

5 case(0x7d): DataKlav += 0; break;

5 case(0xee): DataKlav += 1; break;

5 case(0xde): DataKlav += 2; break;

5 case(0xbe): DataKlav += 3; break;

5 case(0xed): DataKlav += 4; break;

5 case(0xdd): DataKlav += 5; break;

5 case(0xbd): DataKlav += 6; break;

5 case(0xeb): DataKlav += 7; break;

5 case(0xdb): DataKlav += 8; break;

96 5 case(0xbb): DataKlav += 9; break;

Если была нажата кнопка "сброс", то значение переменной обнуляется.

5 case(0xe7): DataKlav = 0; break;//Сброс

Если была нажата кнопка "режим", то значение переменной сдвигается на 4 позиции вправо (компенсируется сдвиг данных).

98 5 case(0xb7): //Режим

5 {

6 DataKlav = DataKlav >> 4;

Проверяется состояние флага "режим", если он установлен, то введенное с клавиатуры значение пересчитывается в бинарный код.

101 6 if(regim == 1)

6 {

7 Uout = ((DataKlav & 0x0f00) >> 8)*100 + ((DataKlav & 0x00f0) >>4)*10 + (DataKlav & 0x000f);

Далее проверяются границы введенного значения. Если введено число меньше 50, то устанавливается 50.

104 7 if (Uout < 50)

7 {

8 Uout = 50;

8 DataKlav = 0x50;

108 8 }

Если введено число больше 200, то устанавливается 200.

109 7 if (Uout > 200)

7 {

8 Uout = 200;

8 DataKlav = 0x200;

113 8 }

7 }

Значение флага "режим" инвертируется.

6 regim = !regim;

6 break;

6 }

5 }

4 }

Далее ожидается, когда кнопка будет отпущена, после этого на все линии клавиатуры подается лог. 1.

120 3 while(klav!=0xf0);

3 klav = 0xff;

122 3 }

Введенные данные, а также данные, полученные с АЦП по прерываниям от Таймера Т0 выводятся на индикатор.

Курсор устанавливается в начало первой строки (команда "0x80"). Надпись первой строки из ПЗУ копируется в переменную в ОЗУ.

124 2 PutCom(0x80);

2 strcpy(str,str1);

Вызывается фунуция "DecodSts", которая добавляет числовые данные в строку текста. В качестве параметра функции передается введенное значение с клавиатуры в BCD коде.

2 DecodSts(DataKlav);

Вызывается фунуция "PutString", которая выводит строку текста на индикатор.

2 PutString(str);

Далее отображается вторая строка аналогичным образом. Только теперь курсор переводится в начало второй строки (команда "0xc0").

2 PutCom(0xc0);

Проверяется флаг "режим", если он не установлен, то в строковую переменную копируется из ПЗУ вторая строка. И вызывается функция "DecodStr", теперь в качестве параметра ей передаются данные, полученные с АЦП и перевеленные в BCD формат.

130 2 if(regim ==0)

2 {

3 strcpy(str,str2);

133 3 DecodSts(rmsBCD);

3 }

Иначе выводится пустая строка.

135 2 else strcpy(str,strZero);

2 PutString(str);

Далее цикл фоновой задачи повторится заново.

2 }//while

1 }//main

Теперь рассмотрим обработку прерываний от таймера Т0 (рис6.2).

141 void Timer0(void) interrupt 1 using 0

142 {

Рис. 6.2 - Алгоритм прерываний от таймера Т0

Таймер останавливается, значения в его регистрах обновляются для следующего цикла работы. Таймер запускается.

1 TR0 = 0;

1 TH0 = (Tic >> 8);

1 TL0 = Tic;

1 TR0 = 1;

Вызывается функция "ADC", которая опрашивает АЦП и возвращает принятое значение. Полученные данные приводятся к шкале (умножаются на 2,5).

1 rms = ADC();

1 rms = rms * 2.5;

Создается копия в BCD формате для отображения на индикаторе. Для этого в двухбайтный буфер помещается число сотен (результат целочисленного деления на 100), сдвинутое на 8 позиций влево. В буфер (однобайтный) - остаток от деления. Далее к значению в двухбайтном буфере прибавляется количество десятков (результат целочисленного деления на 10), сдвинутый на 4 позиции влево и остаток от деления.

150 1 buf2 = (rms/100) << 8;

1 buf = rms%100;

1 rmsBCD = buf2 + ((buf/10) << 4) + buf%10;

Далее реализован ПИ-регулятор. Вычисляется ошибка, как разность заданного действующего значения выходного напряжения и измеренного.

1 oh = Uout - rms;

Суммарная ошибка вычисляется как сумма всех ошибок с запуска устройства. К предыдущему значению суммарной ошибки прибавляется текущая ошибка.

1 S = S + oh;

Вычисляется пропорциональная и интегральная составляющие действующего значения выходного напряжения, А также действующее значение выходного напряжения.

156 1 Upr = Kp*oh;

1 Uint = Ki*S;

158 1 Ui = rms + Upr + Uint;

По предыдущему значению гаммы и измеренному значению напряжения вычисляется входное напряжение.

1 Uin = rms / (1-(gamma/Ktr));

Вычисляется новое значение гаммы.

160 1 gamma = ((1-((float)Ui/Uin))*Ktr);

Далее проверяется режим работы. Если гамма равна нуля, значит режим прямой передачи. В этом случае таймер Т1 сработает через половину периода. Ключи К2 и К3 выключаются, а ключи К1 и К4 включаются.

162 1 if (gamma == 0)

1 {

2 Tic2 = (0 - T/2);

2 TH1 = (Tic2 >> 8);

166 2 TL1 = Tic2;

2 K2 = K3 = 0;

2 K1 = K4 = 1;

Если гамма положительная, значит режим вольтодобавки. Таймер Т1 сработает через время, равное произведению гаммы на период. Ключи К2 и К3 включаются, а ключи К1 и К4 выключаются.

172 1 else if (gamma > 0)

1 {

2 Tic2 = (0 - gamma*T);

2 TH1 = (Tic2 >> 8);

2 TL1 = Tic2;

2 K2 = 1;

178 2 K4 = 0;

2 K3 = 1;

2 K1 = 0;

2}

Если же предыдущие условия выполнены не были, значит режим вольтоотбавки. Таймер Т1 также сработает через время, равное произведению гаммы на период. Ключи К2 и К3 выключаются, а ключи К1 и К4 включаются.

183 1 else

1 {

2 Tic2 = (0 + gamma*T);

2 TH1 = (Tic2 >> 8);

2 TL1 = Tic2;

2 K2 = 0;

2 K4 = 1;

2 K3 = 0;

2 K1 = 1;

2}

Запускается таймер Т1. На этом прерывания от таймера Т0 завершаются.

1 TR1 = 1;

1}

Рис. 6.3 - Алгоритм прерываний от таймера Т1

Прерываний от таймера Т1 (рис.6.3). Состояние ключей К1 и К3 инвертируется.

196 void Timer1(void) interrupt 3 using 0

197 {

1 K3 = !K3;

1 K1 = !K1;

Если режим прямой передачи (гамма равна нулю), то состояние ключей К2 и К4 также инвертируется.

200 1 if (gamma == 0)

1 {

2 K2 = !K2;

2 K4 = !K4;

204 2 }

Останавливается таймер Т1. На этом прерывания от таймера Т1 завершаются.

1 TR1 = 0;

1}

При обнаружении прерываний от INT0 и INT1 все ключи выключаются. Эти прерывания формируют узлы защиты по мощности и напряжению.

208 //Прерывания Int0

void Inn0(void) interrupt 0 using 0

{

1 K1 = K2 = K3 = K4 = 0;

1 }

//Прерывания Int1

void Inn1(void) interrupt 2 using 0

215 {

1 K1 = K2 = K3 = K4 = 0;

1 }

Далее рассмотрим функции.

Функция "Wait_BW" ожидает сброса флага занятости индикатора. Все линии шины данных индикатора устанавливаются в лог. 1. Линия RS сбрасывается, что соответствует выбору регистра команд. Линия RW устанавливает в состояние лог. 1, что соответствует чтению данных из индикатора. Индикатор в ответ должен установить старший бит в ноль по отрицательному перепаду сигнала Е. Далее в цикле линию Е сбрасываем и с задержкой устанавливаем заново. После задержки проверяем старший бит линии данных. Если он сброшен, то происходит выход из цикла, в противном случае цикл повторяется. Количество попыток чтения принято равным 250. После 250-й неудаче попытки будут прекращены.

219 void WeitBW(void)

{

1 DataInd = 0xff;

1 RS = 0;

1 RW = 1;

1 for(i=0;i<250;i++)

1 {

2 E = 0;

2 nop++;

2 E = 1;

2 nop++;

2 if((DataInd & 0x80) == 0) break;

231 2 }

1 }

Функция "PutStrobe" формирует строб записи данных в индикатор. Она сбрасывает линию тактирования Е и после задержки устанавливает ее снова, что соответствует фиксации данных в индикаторе.

234 void PutStrobe(void)

{

1 E = 0;

1 nop++;

238 1 nop++;

1 nop++;

1 nop++;

1 E = 1;

1 }

Функция "PutCom" выдает команды на индикатор. Она вызывает функцию ожидания сброса флага занятости "Wait_BW". Затем сигнал RW сбрасывается, что соответствует записи данных в индикатор. В шину данных индикатора копируется выдаваемая команда. Далее вызывается функция выдачи строба "PutStrobe".

244 void PutCom(unsigned char data OutByte)

{

1 WeitBW();

1 RW = 0;

1 DataInd = OutByte;

1 nop++;

250 1 nop++;

1 PutStrobe();

1}

Функция "PutData" запускает уже рассмотренную функцию ожидания готовности индикатора "Wait_BW". Устанавливает сигнал RS, выбирая тем самым регистр данных и сбрасывает сигнал RW, определяя работу на запись. Данные помещаются на линию данных индикатора. Вызывается функция выдачи строба "PutStrobe".

254 void PutData(unsigned char data OutByte)

{

1 WeitBW();

1 RS = 1;

1 RW = 0;

1 DataInd = OutByte;

260 1 nop++;

1 nop++;

1 PutStrobe();

1}

Функция "PutString" выводит текстовую строку на индикатор. Определяются локальные переменные.

void PutString(unsigned char Str[])

266 {

1 data char i;

1 data unsigned char C;

269 1 i = 0;

В цикле символ из строки копируется в переменную "С" и выводится на индикатор функцией "PutData". При достижении нуля (последний символ строки) цикл прекращается.

1 do

1 {

2 C = Str[i++];

273 2 PutData(C);

2 } while (Str[i]!= 0);

275 1 }

Функция "ADC" получает данные с АЦП. Здесь также определяются локальные переменные.

277 unsigned char ADC(void)

{

1 unsigned char data byte;

280 1 unsigned char i;

Все линии АЦП устанавливаются в состояние лог. 1. Данные в переменной АЦП обнуляются.

1 CS = 1;

1 CLK = 1;

1 DO = 1;

1 byte = 0;

Линия "CS" устанавливается в лог. 0, после чего АЦП начинает преобразование данных. Ожидается готовность данных. Линия "DO" будет установлена в лог. 1.

1 CS = 0;

1 while (~DO);

Далее начинает тактироваться линия "CLK".

1 CLK = 1;

1 CLK = 0;

1 nop++;

Начиная со второго такта биты данных в цикле принимаются в младший бит переменной.

290 1 for (i = 1; i < 9; i++)

1 {

2 CLK = 1;

2 CLK = 0;

2 nop++;

2 byte = byte << 1;

2 byte = byte | DO;

297 2 }

Функция возвращает принятое значение напряжения с АЦП.

1 return byte;

1 }

Функция "DecodStr" добавляют в строку с текстом числовые значения. Она к качестве параметра получает трехзначное число в BCD коде. Функция переводит в кодировку ASCII младший символ переданного ей числа. Затем этот символ помещается в строку на i-тую позицию. Данные в переменной сдвигаются на 4 позиции влево. Операции производятся в цикле начиная с символа в строке с индексом 7. При обработке всех трех цифр цикл прекращается. Цифры преобразуются начиная с младшего разряда.

300 void DecodSts(unsigned short Uxxx)

{

1 for(i = 7;i > (5-1);i--)

1 {

2 str[i] = (0x30+(Uxxx & 0x000f));

305 2 Uxxx = Uxxx >> 4;

2 }

1 }

7. ПРОВЕРКА РАБОТОСПОСОБНОСТИ

Для проверки работоспособности написанной программы используем ПК, на котором установлена программа ISIS программного комплекса Proteus. На рисунке 4 изображена модель для тестирования программы.

Рис. 7.1 - Модель в среде Proteus

Моделирование произведено в режиме прямой передачи.

Рис. 7.2 - Старт с питания 242 В, скачек питания до 187 В, Uвых = 200 В

Рис. 7.3 - Старт с питания 187 В, скачек питания до 242 В, Uвых = 200 В

Рис. 7.4 - Старт с питания 242 В, Uвых = 50 В, изменение Uвых = 200 В

Рис. 7.5 - Старт с питания 187 В, Uвых = 200 В, изменение Uвых = 50 В

8. ЛИСТИНГ

COMPILER V8.05a, COMPILATION OF MODULE STABILIZATORMODULE PLACED IN stabilizator.OBJINVOKED BY: C:\Keil\C51\BIN\C51.EXE stabilizator.c BROWSE DEBUG OBJECTEXTENDlevel source

#include <REG52.H>

#include <string.h>

#define DataInd P0

#define klav P2

#define Kp 0.2

#define Ki 0.015

#define Ktr 1

#define T ((60/12)*1000000/500)

#define Tic (0-T)

sbit RS = P3^7;

sbit RW = P3^6;

sbit E = P3^5;

sbit CS = P1^7;

sbit CLK = P1^6;

sbit DO = P1^5;

sbit K1 = P1^1;

sbit K3 = P1^2;

sbit K2 = P1^3;

sbit K4 = P1^4;

unsigned char data i=0;

unsigned char data nop;

unsigned short data DataKlav=0x220;

unsigned short data Uout=200;

unsigned char data buf;

unsigned short data buf2;

unsigned char code str1[]="Uout= V";

unsigned char code str2[]="Uizm= V";

unsigned char code strZero[]=" ";

unsigned char data str[10];

unsigned short data rms;

unsigned short data rmsBCD;

unsigned short data Uin = 220;

float data gamma;

signed short data oh;

signed short data oh_do = 0;

signed short data S;

unsigned short data Ui = (160*2.5);//

unsigned short data Tic2;

signed short data Upr;//

signed short data Uint;//

bit regim;

void WeitBW(void);

void PutCom(unsigned char data OutByte);

void PutStrobe(void);

void PutData(unsigned char data OutByte);

void PutString(unsigned char Str[]);

unsigned char ADC(void);

void DecodSts(unsigned short Uxxx);

void main(void)

{

1 //Инициализация

1 K1 = K2 = K3 = K4 = 0;

1 TMOD = 0x11;

1 TH0 = (Tic >> 8);

1 TL0 = Tic;

1 EA = 1;

1 ET0 = ET1 = 1;

1 EX0 = EX1 = 1;

1 gamma = (1-((float)Uout/Uin))*Ktr;

66 1 //Инициализация индикатора

1 PutCom(0x38);

1 PutCom(0x0c);

69 1 PutCom(0x06);

1 PutCom(0x01);

1

1 TR0 = 1;

73 1 while(1)

1 {

2 //Опрос клавиатуры

2 klav = 0x0f;

77 2 buf = klav;

2 klav = 0xf0;

2 buf = buf | klav;

2 if(buf != 0xff)

2 {

3 if(regim == 1||buf == 0xb7)

3 {

4 DataKlav = DataKlav << 4;

4 switch(buf)

4 {

5 case(0x7d): DataKlav += 0; break;

5 case(0xee): DataKlav += 1; break;

5 case(0xde): DataKlav += 2; break;

5 case(0xbe): DataKlav += 3; break;

5 case(0xed): DataKlav += 4; break;

5 case(0xdd): DataKlav += 5; break;

5 case(0xbd): DataKlav += 6; break;

5 case(0xeb): DataKlav += 7; break;

5 case(0xdb): DataKlav += 8; break;

5 case(0xbb): DataKlav += 9; break;

5 case(0xe7): DataKlav = 0; break;//Сброс

5 case(0xb7): //Режим

5 {

6 DataKlav = DataKlav >> 4;

6 if(regim == 1)

6 {

7 Uout = ((DataKlav & 0x0f00) >> 8)*100 + ((DataKlav & 0x00f0) >>4)*10 + (DataKlav & 0x000f);

7 if (Uout < 50)

7 {

8 Uout = 50;

8 DataKlav = 0x50;

8 }

7 if (Uout > 200)

7 {

8 Uout = 200;

8 DataKlav = 0x200;

8 }

7 }

6 regim = !regim;

6 break;

6 }

5 }

4 }

3 while(klav!=0xf0);

3 klav = 0xff;

3 }

2 //Индикация

2 PutCom(0x80);

2 strcpy(str,str1);

2 DecodSts(DataKlav);

2 PutString(str);

2

2 PutCom(0xc0);

2 if(regim ==0)

2 {

3 strcpy(str,str2);

3 DecodSts(rmsBCD);

3 }

2 else strcpy(str,strZero);

2 PutString(str);

2 }//while

1 }//main

//Прерывания Таймера Т0

void Timer0(void) interrupt 1 using 0

{

1 TR0 = 0;

1 TH0 = (Tic >> 8);

1 TL0 = Tic;

146 1 TR0 = 1;

1 //Получаем данные с RMS-DC датчика

148 1 rms = ADC();

1 rms = rms * 2.5;

1 buf2 = (rms/100) << 8;

1 buf = rms%100;

1 rmsBCD = buf2 + ((buf/10) << 4) + buf%10;

1 //ПИ-регулятор

1 oh = Uout - rms;

1 S = S + oh;

1 Upr = Kp*oh;

1 Uint = Ki*S;

1 Ui = rms + Upr + Uint;

1 Uin = rms / (1-(gamma/Ktr));

1 gamma = ((1-((float)Ui/Uin))*Ktr);

161 1 //Прямая передача

1 if (gamma == 0)

1 {

2 Tic2 = (0 - T/2);

165 2 TH1 = (Tic2 >> 8);

2 TL1 = Tic2;

2 K2 = K3 = 0;

2 K1 = K4 = 1;

2 }

1

1 //Отбавка

1 else if (gamma > 0)

1 {

2 Tic2 = (0 - gamma*T);

2 TH1 = (Tic2 >> 8);

2 TL1 = Tic2;

2 K2 = 1;

2 K4 = 0;

2 K3 = 1;

2 K1 = 0;

2 }

1 //Добавка

1 else

1 {

2 Tic2 = (0 + gamma*T);

2 TH1 = (Tic2 >> 8);

2 TL1 = Tic2;

2 K2 = 0;

2 K4 = 1;

2 K3 = 0;

2 K1 = 1;

2 }

1 }

//Прерывания Таймера Т1

void Timer1(void) interrupt 3 using 0

{

1 K3 = !K3;

1 K1 = !K1;

1 if (gamma == 0)

1 {

2 K2 = !K2;

2 K4 = !K4;

2 }

1 TR1 = 0;

1 }

//Прерывания Int0

void Inn0(void) interrupt 0 using 0

{

1 K1 = K2 = K3 = K4 = 0;

1 }

//Прерывания Int1

void Inn1(void) interrupt 2 using 0

215 {

1 K1 = K2 = K3 = K4 = 0;

1 }

//Функции работы с индикатором

219 void WeitBW(void)

{

1 DataInd = 0xff;

1 RS = 0;

1 RW = 1;

1 for(i=0;i<250;i++)

1 {

2 E = 0;

2 nop++;

2 E = 1;

2 nop++;

2 if((DataInd & 0x80) == 0) break;

2 }

1 }

void PutStrobe(void)

{

1 E = 0;

1 nop++;

1 nop++;

1 nop++;

1 nop++;

1 E = 1;

1 }

void PutCom(unsigned char data OutByte)

{

1 WeitBW();

1 RW = 0;

1 DataInd = OutByte;

1 nop++;

1 nop++;

1 PutStrobe();

1 }

void PutData(unsigned char data OutByte)

{

1 WeitBW();

1 RS = 1;

1 RW = 0;

1 DataInd = OutByte;

1 nop++;

1 nop++;

1 PutStrobe();

1 }

void PutString(unsigned char Str[])

{

1 data char i;

1 data unsigned char C;

269 1 i = 0; // Счетчик символов

1 do

1 { // Цикл вывода строки

272 2 C = Str[i++];

2 PutData(C);

2 } while (Str[i]!= 0); // Признак конца - 0

1 }

unsigned char ADC(void)

{

1 unsigned char data byte;

1 unsigned char i;

1 CS = 1;

1 CLK = 1;

1 DO = 1;

1 byte = 0;

1 CS = 0;

1 while (~DO);

1 CLK = 1;

1 CLK = 0;

1 nop++;

1 for (i = 1; i < 9; i++)

1 {

2 CLK = 1;

2 CLK = 0;

2 nop++;

2 byte = byte << 1;

2 byte = byte | DO;

2 }

1 return byte;

1 }

void DecodSts(unsigned short Uxxx)

{

1 for(i = 7;i > (5-1);i--)

1 {

2 str[i] = (0x30+(Uxxx & 0x000f));

2 Uxxx = Uxxx >> 4;

2 }

1 }





INFORMATION: STATIC OVERLAYABLESIZE = 1250 ----SIZE = 30 ----SIZE = ---- ----SIZE = ---- ----SIZE = 43 3SIZE = ---- ----SIZE = 1 ----OF MODULE INFORMATION.COMPILATION COMPLETE. 0 WARNING(S), 0 ERROR(S)

ЛИТЕРАТУРА

программа листинг моделирование индикатор

1.      Магда Ю. С. Микроконтроллеры серии 8051: практический подход. - М.: ДМК Пресс, 2008. - 228 с.

.        Керниган, Брайан У., Ритчи, Деннис М. Язык программирования С, 2-е издание. : Пер. с англ. - М. : Издательский дом "Вильяме", 2009. - 304 с.: ил.

.        Стабилизаторы переменного напряжения с высокочастотным широтно-импульсным регулированием/ А.В. Кобзев, Ю.М. Лебедев, Г.Я. Михальченко и др. - М.: Энегроатомиздат. 1986.

.        Александров, К.К. Электротехнические чертежи и схемы / К.К. Александров, Е.Г. Кузьмина. - М.: Энергоатомиздат, 1990. - 288 с.

.        www.gaw.ru

.        www.alldatasheet.com

Похожие работы на - Система управления стабилизатором переменного напряжения

 

Не нашли материал для своей работы?
Поможем написать уникальную работу
Без плагиата!
Без нейросетей!