Проектирование однофазного стабилизированного источника питания
МИНИСТЕРСТВО
ОБРАЗОВАНИЯ И НАУКИ РОССИЙСКОЙ ФЕДЕРАЦИИ
Брянский
государственный технический университет
Учебно-научный
технологический институт
Кафедра
«Автоматизированные технологические системы»
КУРСОВАЯ
РАБОТА
по
дисциплине «Технические средства автоматизации и управления»
Брянск
2012 г.
Àííîòàöèÿ
В курсовой работе спроектирован однофазный
стабилизированный источник питания, подключаемый к сети переменного тока 220 В,
содержащий трансформатор, выпрямитель на полупроводниковых диодах, сглаживающий
емкостной фильтр, и стабилизатор выходного напряжения. В ходе выполнения
курсовой работы были решены следующие задачи:
0 рассмотрены свойства и параметры
полупроводниковых приборов - диодов, транзисторов, стабилитронов, интегральных
микросхем;
1 выяснен вопрос о том, как отдельные
простые схемы при определенном соединении образуют более сложное устройство, в
котором каждая схема вносит свой вклад в реализацию функций всего устройства;
2 изучены навыки проектирования и
разработки печатных плат.
Содержание
Введение
. Описание работы источника питания
. Расчет стабилизаторов напряжения и выбор
элементов схемы
2.1 Расчет стабилизатора первого канала, выбор микросхемы
.2 Расчет стабилизатора второго канала, выбор стабилитрона и транзистора
3. Расчет выпрямителей с емкостным фильтром
3.1 Расчет выпрямителя первого канала, внешняя характеристика и временная
диаграмма работы
.2 Расчет выпрямителя второго канала, внешняя характеристика
.3 Расчет выпрямителя третьего канала, внешняя характеристика
4. Выбор стандартного трансформатора
. Принципиальная схема источника питания
. Определение коэффициента полезного действия
. Разработка печатной платы устройства
Список литературы
ПРИЛОЖЕНИЯ
Ââåäåíèå
В современной промышленности широкое применение
находят аналоговые и импульсные устройства электронной техники. Они
предназначены для организации оперативно-технической связи, для построения
систем контроля и управления электроснабжением. Питание таких устройств
осуществляется от сети переменного тока - однофазной 220 В и трехфазной 380 В
через источники питания, служащие для преобразования величины, выпрямления и
стабилизации напряжения. Источники питания строятся по различным схемам, от
которых в первую очередь, требуется обеспечение стабильного выходного
напряжения с низким уровнем пульсаций. Кроме этого, они должны быть надежными и
обеспечивать приемлемый коэффициент полезного действия.
В настоящее время схемотехника источников питания
постоянно усложняется. Разработаны импульсные источники с выпрямителем на входе
и преобразовательным трансформатором, работающим на ультразвуковой частоте.
Однако классические схемы источников питания с трансформатором на частоту 50 Гц
все еще успешно применяются для нужд автоматики и телемеханики в электроснабжении
промышленных установок.
1.
ÐÀÁÎÒÀ
ÈÑÒÎ×ÍÈÊÀ
ÏÈÒÀÍÈß
Многоканальный источник питания радиоэлектронной
аппаратуры содержит трансформатор с несколькими вторичными обмотками. В каждом
канале к своей вторичной обмотке подключены выпрямитель и сглаживающий фильтр.
Для поддержания неизменного напряжения в нагрузке в источник питания может
устанавливаться стабилизатор. Структурная схема источника питания представлена
на рис. 1.
Основными величинами, характеризующими
эксплуатационные свойства источников питания, являются:
. величина выходного напряжения Ud и тока Id;
. коэффициент пульсаций Кп -
отношение амплитуды пульсаций выходного напряжения к среднему значению
напряжения (постоянной составляющей);
. внешняя характеристика - зависимость
напряжения в нагрузке от тока нагрузки Ud = f(Id);
4. коэффициент полезного действия η.
Рис. 1. Структурная схема источника питания
2. РАСЧЕТ СТАБИЛИЗАТОРОВ НАПРЯЖЕНИЯ И
ВЫБОР ЭЛЕМЕНТОВ СХЕМЫ
Стабилизаторами напряжения называются устройства,
автоматически поддерживающие постоянство напряжения на стороне потребителя с
заданной степенью точности. По принципу действия стабилизаторы подразделяются
напараметрические и компенсационные.
Для стабилизации напряжения постоянного тока
используются нелинейные элементы, напряжение на которых мало зависит от тока,
протекающего через них. В качестве таких элементов применяются кремниевые
стабилитроны. Для подбора необходимого напряжения стабилитроны можно включать
последовательно. Если ток нагрузки превышает максимально допустимый ток
стабилитрона, применяется усилитель тока на одном или нескольких транзисторах.
2.1 Расчет стабилизатора первого
канала, выбор микросхемы
В последние годы широкое распространение получили
микросхемы - интегральные стабилизаторы напряжения. Источники питания на их
основе отличаются малым числом дополнительных деталей, невысокой стоимостью и
хорошими техническими характеристиками. Это микросхемы серий 142, К142 и КР142.
В состав серий входят стабилизаторы с регулирующим элементом, включенным в
плюсовой провод и с фиксированным выходным напряжением. Параметры некоторых из
них приведены в [9, 10].
Расчетная схема стабилизатора на микросхеме, который
рекомендуется применить в первом канале проектируемого источника питания, представлена
на рис. 2.
Исходными данными для расчета являются: напряжение на
выходе стабилизатора Ud1,
ток нагрузки Id1, коэффициент пульсаций напряжения Кп1.
Порядок расчета стабилизатора первого канала
следующий:
по заданному напряжению Ud1=8 В выбирается микросхема (или несколько микросхем) с
соответствующим выходным напряжением;
по заданному току Id1=2 А проверяется, какая из выбранных микросхем более
предпочтительна (IВЫХ> Id1). Допустимо выбирать
микросхему с наибольшим выходным током;
для выбранной микросхемы из допустимых пределов
входного напряжения выбирается входное напряжение стабилизатора UВХ1;
выбирается значение входного тока стабилизатора Iвх1=Id1 (Iвых.мах микросхемы). При Iвх1=Id1 первый канал будет рассчитан без запаса на
перегрузку, при Iвх1=Iвых. мах - с запасом. Допускается
выбрать любое из этих двух значений. Собственный входной ток микросхемы можно
не учитывать, так как он весьма мал (около 1 мА);
рассчитывается коэффициент пульсаций на входе
стабилизатора с учетом коэффициента сглаживания микросхемы.
Полученные значения UВХ1, Iвх1 и К’п1
будут использованы далее для расчета выпрямителя первого канала. Для увеличения
мощности стабилизатора, в частности повышения выходного тока, используется
следующая схема:
Рис. 2. Увеличение мощности стабилизатора
Выбран транзистор КТ835А в корпусе КТ-282.
.
. Учитывая все вышеизложенное,
выбираем из [9, 10] стабилизатор марки КР142ЕН8А с параметрами: UВХ1=9
В, Iвх1=1,5 А и К’п1=Кп1×Ксгл=0,4×32=12,8%.
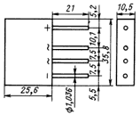
Рис. 3. Внешний вид стабилизатора
Таблица 1. Размеры стабилизатора
2.2 Расчет стабилизатора второго
канала, выбор стабилитрона и транзистора
Расчетная схема стабилизатора с усилителем тока на
транзисторе представлена на рис. 4.
а) б)
Рис. 4. Расчетная схема стабилизатора с усилителем
тока на транзисторе: а - для положительной полярности Ud2;б - для отрицательной полярности.
Так как во втором канале напряжение на выходе
положительное то принимаем схему на рис. 4, а.
Исходными данными для расчета являются: напряжение на
выходе стабилизатора Ud2=150
В, ток нагрузки Id2=0,1 А, коэффициент пульсаций
напряжения Кп2=1,2%.
Для расчета такого стабилизатора сначала по
справочнику [5, 6] выбирается тип стабилитрона с напряжением стабилизации,
равным напряжению в нагрузке Uст.ном=Ud2=150 В. Выбираем
стабилитрон КС650А. Для него из справочника нужно выписать значения
минимального и максимального тока стабилизации Iст.мiн=5 мАи Iст.мах=42
мА и величину дифференциального сопротивления rст=150 Ом.
Тип транзистора выбирается по справочнику [7, 8],
исходя из условий: Iк.мах=(1,5...3)Id2=(1,5…3)×0,2=0,3…0,6 А и Uкэ.мах=(1,2...2)Ud2
= (1,2…2)×120=144…240 В. Выбираем транзистор КТ704Б. Для выбранного транзистора
нужно выписать значения напряжения между коллектором и эмиттером в режиме
насыщения Uкэ.нас=5 Ви коэффициент передачи тока базы β(h21Э)=55.
Определяют сопротивление в цепи базы транзистора
Полученное
значение RБокругляют
до ближайшего стандартного значения из ряда Е24. Примем RБ=6200 Ом.
Определяют
входной ток стабилизатора
Стабилизатор
с включением нагрузки в цепь эмиттера транзистора обладает свойством сглаживать
пульсации напряжения в нагрузке. Коэффициент сглаживания Ксгл2зависит
от величины сопротивления в цепи базы транзистора RБи дифференциального сопротивления стабилитрона rст
и определяется по формуле:
Полученные
значения Uвх2, Iвх2иК'п2будут использованы далее для расчета
выпрямителя второго канала.
полупроводниковый
транзистор стабилитрон напряжение
Рис. 5. Внешний вид стабилитрона
Рис. 6. Внешний вид транзистора
Рис.7. Внешний вид резистора С2-33Н-2: l=25 мм, L=18 мм, d=0,8
мм, D=8,5 мм.
3. РАСЧЕТ ВЫПРЯМИТЕЛЕЙ С ЕМКОСТНЫМ
ФИЛЬТРОМ
Поскольку выпрямитель в современных маломощных
источниках питания радиоэлектронной аппаратуры содержит емкостный фильтр для
уменьшения пульсаций выпрямленного напряжения, рассмотрим работу выпрямителя на
активно-емкостную нагрузку. Магнитные потоки рассеяния в трансформаторе
оказывают значительное влияние на характер электромагнитных процессов в выпрямителях,
они учитываются индуктивным сопротивление обмоток ха. Другим важным
параметром является активное сопротивление обмоток ra. Особенности
расчета выпрямителя зависят от соотношения между параметрами ха и ra.
В выпрямителях малой мощности (особенно низковольтных)
индуктивное сопротивление обмоток значительно меньше активного xa/ra≈0,3.
Поэтому при расчете таких выпрямителей потоками рассеяния пренебрегают для
упрощения расчетов.
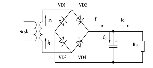
Схема однофазного мостового выпрямителя малой
мощности, представлена на рис. 8, а временные диаграммы токов и напряжений на
рис. 9.
Рис. 8. Однофазный мостовой выпрямитель
Работа выпрямителя в установившемся режиме
характеризуется двумя интервалами - интервалом заряда конденсатора, когда ЭДС
вторичной обмотки трансформатора больше напряжения на конденсаторе С и через
диоды проходит ток, и интервалом разряда конденсатора на сопротивление
нагрузки, когда ЭДС вторичной обмотки трансформатора меньше напряжения на
конденсаторе С и ток через диоды не проходит. Половину интервала, в течение
которого через диоды протекает ток, принято называть углом отсечки θ.
Рис. 9. Временные диаграммы работы выпрямителя с
емкостным фильтром
Мгновенное значение выпрямленного тока можно описать
выражением:
где U2m - амплитуда напряжения вторичной
обмотки;
R - сопротивление фазы выпрямителя;
w = 2πf - угловая частота питающей сети.
Сопротивление фазы выпрямителя Rскладывается из сопротивления обмотки
трансформатора Raи
сопротивления диодов постоянному току Ri:
.
Сопротивление
обмотки трансформатора описывается формулой:
,
где
Id - среднее значение выпрямленного тока;
КR-
вспомогательный коэффициент;
Bmax
- максимальная индукция в магнитопроводе трансформатора;
S - количество
стержней трансформатора, несущих обмотки;
Ud-
выпрямленное напряжение; f=50 Гц - частота питающей сети.
Сопротивление
диода постоянному току описывается формулой:
,
где
М - количество фаз выпрямления.
Постоянную
составляющую тока для М-фазной схемы выпрямления можно определить:
После
преобразований получим:
,
где
или
.
Чтобы
определить
, нужно знать тип выпрямителя (схему выпрямления),
значения выпрямленного тока и напряжения, сопротивление постоянному току диодов
и обмоток трансформатора. Зная
и θ, можно рассчитать все основные параметры выпрямителя по
формулам:
1. Амплитуда тока в диоде
,
где
.
2. Среднее значение тока диода
.
3. Эффективный ток диода
,
где
4. Ток вторичной обмотки трансформатора
,
где
К3 - вспомогательный коэффициент.
5. Напряжение холостого хода на обмотке трансформатора
,
где
, К2 - вспомогательный коэффициент.
Емкость конденсатора фильтра
,
где
Кп - коэффициент пульсаций, %.
3.1
Расчет выпрямителя первого канала
Исходные данные для расчета: будем использовать трансформатор с типом
сердечника ШЛ, для которого Вmax=1,75 Тл.
Сопротивление фазы выпрямителя Rскладывается из сопротивления обмотки
трансформатора Raи
сопротивления диодов постоянному току Ri:
.
Сопротивление
обмотки трансформатора описывается формулой:
,
где
Id - среднее значение выпрямленного тока (2 А);
Bmax
- максимальная индукция в магнитопроводе трансформатора (1,75 Тл);
S - количество
стержней трансформатора, несущих обмотки (3);
Ud-
выпрямленное напряжение (8 В);=50 Гц - частота питающей сети.
,
Сопротивление
диода постоянному току описывается формулой:
,
где
М - количество фаз выпрямления (1).
,
.
Так
как выпрямитель предполагает работу на активно-емкостную нагрузку то расчет
ведется с помощью вспомогательных коэффициентов: A(θ), B(θ), D(θ), F(θ), H(θ).
Коэффициент
A(θ) определяем по формуле:
,
где
р - тактность выпрямителя; R0 -
сопротивление нагрузки (
)
По
графикам [1] определяем оставшиеся коэффициенты:
B(θ) = 0,88; D(θ) = 1,35; F(θ) = 11; q=36,5°.
. Амплитуда
тока в диоде
,
. Среднее
значение тока диода
.
. Эффективный
ток диода
,
. Ток
вторичной обмотки трансформатора
, где К3
- вспомогательный коэффициент (0,707).
.
. Напряжение
холостого хода на обмотке трансформатора
, где К2
- вспомогательный коэффициент (1).
.
Емкость конденсатора фильтра
,
где
Кп - коэффициент пульсаций, %.
3.2
Расчет выпрямителя второго канала
Исходные данные для расчета: будем использовать трансформатор с типом
сердечника ШЛ, для которого Вmax=1,75 Тл.
Сопротивление фазы выпрямителя Rскладывается из сопротивления обмотки
трансформатора Raи
сопротивления диодов постоянному току Ri:
.
Сопротивление
обмотки трансформатора описывается формулой:
,
где
Id - среднее значение выпрямленного тока (0,1 А);
КR-
вспомогательный коэффициент (3,5);
Bmax
- максимальная индукция в магнитопроводе трансформатора (1,75 Тл);
S - количество
стержней трансформатора, несущих обмотки (3);
Ud-
выпрямленное напряжение (150 В);=50 Гц - частота питающей сети.
,
Сопротивление
диода постоянному току описывается формулой:
,
где
М - количество фаз выпрямления (1).
,
.
Так
как выпрямитель предполагает работу на активно-емкостную нагрузку то расчет
ведется с помощью вспомогательных коэффициентов: A(θ), B(θ), D(θ), F(θ), H(θ).
Коэффициент
A(θ) определяем по формуле:
,
где
р - тактность выпрямителя; R0 -
сопротивление нагрузки (
)
По
графикам [1] определяем оставшиеся коэффициенты:
B(θ) = 1,5; D(θ) = 0,88; F(θ) = 16; q=40°.
. Амплитуда
тока в диоде
,
. Среднее
значение тока диода
.
. Эффективный
ток диода
,
. Ток
вторичной обмотки трансформатора
, где К3
- вспомогательный коэффициент (0,707).
.
. Напряжение
холостого хода на обмотке трансформатора
, где К2
- вспомогательный коэффициент (1).
.
Емкость конденсатора фильтра
,
где
Кп - коэффициент пульсаций, %.
3.3
Расчет выпрямителя третьего канала
Исходные данные для расчета: будем использовать трансформатор с типом
сердечника ШЛ, для которого Вmax=1,75 Тл.
Сопротивление фазы выпрямителя Rскладывается из сопротивления обмотки
трансформатора Raи
сопротивления диодов постоянному току Ri:
.
Сопротивление
обмотки трансформатора описывается формулой:
,
где
Id - среднее значение выпрямленного тока (1.5 А);
КR-
вспомогательный коэффициент (4,7);
Bmax
- максимальная индукция в магнитопроводе трансформатора (1,75 Тл);
S - количество
стержней трансформатора, несущих обмотки (3);
Ud-
выпрямленное напряжение (12 В);=50 Гц - частота питающей сети.
,
Сопротивление
диода постоянному току описывается формулой:
,
где
М - количество фаз выпрямления (1).
,
Так
как выпрямитель предполагает работу на активно-емкостную нагрузку то расчет
ведется с помощью вспомогательных коэффициентов: A(θ), B(θ), D(θ), F(θ), H(θ).
Коэффициент
A(θ) определяем по формуле:
,
где
р - тактность выпрямителя; R0 -
сопротивление нагрузки (
)
По
графикам [1] определяем оставшиеся коэффициенты:
B(θ) = 1,5; D(θ) = 0,88; F(θ) = 16; q=40°.
. Амплитуда
тока в диоде
,
. Среднее
значение тока диода
.
. Эффективный
ток диода
,
. Ток
вторичной обмотки трансформатора
, где К3
- вспомогательный коэффициент (0,707).
.
. Напряжение
холостого хода на обмотке трансформатора
, где К2
- вспомогательный коэффициент (1).
.
Емкость конденсатора фильтра
,
где
Кп - коэффициент пульсаций, %.
Выбираем конденсаторы: для первого канала - К50-6 (С=100 мкФ, U=25 В); для второго канала - К50-6
(С=2 мкФ, U=300 В); для третьего канала - К50-6
(С=150 мкФ, U=50 В).
Выбираем диодные блоки: для первого канала - КЦ410В (Icp=3 A, Uобр=200 В, Uпр=1,2 В); для второго канала - КЦ402И (Icp=0,6 A, Uобр=500 В, Uпр=1,2 В); для третьего канала выбираем диод - КД202А (Icp=5 A, Uобр=50 В, Uпр=0,9 В).
Рис. 10. Габаритный чертеж конденсаторов

Рис. 11. Габаритный чертеж диодной сборки КЦ-402 и КЦ410В
Рис. 12. Габаритный чертеж диода Д202А
4. Выбор стандартного трансформатора
При выборе трансформатора особую важность представляют
его нагрузка и область применения. Для того, чтобы эти первоочередные задачи
были решены, необходимо тщательно взвесить несколько факторов.
На выбор трансформатора должны повлиять три основных
вопроса:
. Имеет ли выбранный трансформатор мощность
достаточную, чтобы справляться с ожидаемой нагрузкой, так же, как и с
определённой величины перегрузкой?
. Может ли быть увеличена номинальная мощность
трансформатора при возможном росте нагрузки?
. Каков ожидаемый срок службы трансформатора?
Чему равна первоначальная цена, операционная стоимость и стоимости установки и
обслуживания?
Оценка факторов
Стоимость и мощность трансформатора обычно связаны с
перечнем оценочных факторов:
Чтобы правильно выбрать трансформатор, необходимо
во-первых определить:
. Первичное напряжение, которое доступно;
. Вторичное напряжение, требуемое для питаемого
оборудования;
. Частота (в Гц) и фазы (одно- или трехфазные?
для вторичной обмотки также);
. Нагрузка в ВА, с учетом возможного
дальнейшего роста;
Тип изоляции (жидкостная или сухая)
В то время, как все еще продолжаются споры об
относительных преимуществах того или иного типа выпускаемых трансформаторов,
имеется несколько предпочтительных рабочих характеристик:
. трансформаторы с жидким диэлектриком обладают
большим КПД и большим сроком службы;
. установки с жидким диэлектриком лучше снижают
местные нагревы обмоток, но подвержены большему риску возгораний, чем
трансформаторы сухого типа;
. в отличие от сухих трансформаторов, для
установок с жидким диэлектриком требуются емкости, защищающие от утечки
жидкости.
Сухие трансформаторы обычно используются для более
низких номиналов мощностей.
Выбор материала для обмоток.
В обмотках трансформаторов используется медь или
алюминий. Трансформаторы с алюминиевыми обмотками имеют более низкую
себестоимость. Тем не менее, трансформаторы с медными обмотками компактнее,
медь лучше проводит ток, и медные обмотки отличаются большей механической
прочностью. Важно проработать с производителем вопрос, какой именно материал
обмоток подойдет для ваших конкретных требований.
Использование материала сердечника с
низкими потерями
Выбор материала сердечника имеет принципиальное
значение, и потери в нем должны быть определены надлежащим образом. Потери,
которые происходят в сердечнике, случаются из-за гистерезиса (жесткого режима
возбуждения) и вихревых токов. Для уменьшения гистерезиса в сердечниках следует
применять высококачественную магнитную сталь. Для минимизации потерь от
вихревых токов используются многослойные сердечники.
Ожидаемый срок службы силового
трансформатора
Принято считать, что эксплуатационная долговечность
трансформатора равна эксплуатационной долговечности системы изоляции.
Долговечность изоляции прямо пропорциональна температурам, которые она
испытывала в процессе эксплуатации трансформатора. То, что температуры обмоток
различаются, и участки местного перегрева иногда нагреваются больше средней
температуры обмоток на 30˚C, обычно приемлемо для трансформаторов сухого
типа. Температуры таких участков определяются подсчетом суммы максимальной
температуры окружающей среды, среднего возрастания температуры обмоток и
градиента обмотки.
Нормальная эксплуатационная долговечность
трансформатора рассчитывается в «стандартных условиях работы», включая
допустимые температуры участков местного перегрева при правильном подборе
изоляционных материалов.
Перегрузка
Условия работы трансформатора могут повлечь за собой
его неизбежную перегрузку. К чему могут привести такие условия, и может ли
установка выдержать перегрузку без развития проблем и возникновения замыканий,
является важным для рассмотрения моментом. Ключевой задачей в этом случае
становится достаточная теплоотдача.
Например, если трансформатор перегружен на 20% сверх
его номинальной мощности в течение определенного времени, любое тепло
выделяющееся обмотками может быть легко выведено за пределы бака трансформатора
в зависимости от продолжительности перегрузки. Пока происходит такой
теплообмен, вероятность короткого замыкания мала. Но, определенно, может пройти
такой период времени, после которого трансформатор не может оставаться в
состоянии перегрузки. Тепло неизбежно начнет скапливаться внутри и может
вызвать серьезные проблемы, постепенно создавая условия для возникновения
короткого замыкания и отключения подачи энергии. Часто в теплообмене
трансформатора участвуют встроенные вентиляторы, которые также помогают
увеличить его полезную нагрузку.
Уровень прочности изоляции
Уровень прочности изоляции трансформатора зависит от
основного импульсного уровня прочности (далее ОИУ). ОИУ определяется
напряжениями данной системы и может варьироваться в зависимости от ожидаемого
воздействия напряжений, которые трансформатор будет испытывать в течение всего
его срока службы. Если электрическая система будет подвергаться управлению с
использованием полупроводниковых приборов, выбор ОИУ должен быть проведен с
особой тщательностью. Эти приборы, в процессе работы перекрывают ток и могут
вызвать изменения напряжений в переходном процессе.
Защита питаемого оборудования
Способность трансформатора сглаживать электрические
шумы и неустановившиеся напряжения заслуживает повышенного внимания, особенно,
когда дело касается определенных видов нагрузок. При обслуживании такого
полупроводникового оборудования, как компьютеры и периферия, часто производится
установка защиты между первичными и вторичными обмотками распределительного
трансформатора.
Из всего вышеизложенного, выбираем трансформатор ТАН56 127/220-50.
5. СОСТАВЛЕНИЕ ПРИНЦИПИАЛЬНОЙ ЭЛЕКТРИЧЕСКОЙ СХЕМЫ ИСТОЧНИКА
ПИТАНИЯ
По результатам расчетов и выбора типа элементов
составляется принципиальная электрическая схема источника питания. В ней должны
быть предусмотрены дополнительные элементы, с помощью которых производится
отключение сетевого напряжения (SA1),
защита от перегрузки и короткого замыкания по входу (FU1), индикация включения на неоновой лампочке HL1 с ограничительным резистором R1 Конденсаторы С4 и С5 -
блокировочные, предназначены для защиты стабилизаторов от паразитной генерации
на высокой частоте. Резистор R5
создает малый начальный ток нагрузки высоковольтного стабилизатора для
исключения работы транзистора VT1 с
обрывом в цепи эмиттера при случайном отключении нагрузки. Резистор R4 предназначен для разряда
конденсатора С3 при выключении источника питания.
Принципиальная электрическая схема источника питания представлена в
приложении 1. Схема выполнена в соответствии с требованиями ГОСТ 2.710-81.
Условные графические обозначения элементов с необходимыми размерами приведены в
[11].
6. РАСЧЕТ КОЭФФИЦИЕНТА ПОЛЕЗНОГО ДЕЙСТВИЯ
Коэффициентом полезного действия (КПД) источника
питания называется отношение активной мощности, выделяющейся в нагрузке Рнк
мощности, поступающей из питающей сети Рвх:
Активная
мощность, поступающая из сети, теряется в трансформаторе (ΔРтр), в вентилях (ΔРв), в сглаживающем фильтре (ΔРф) и в стабилизаторе (ΔРст).
Потери
в трансформаторе определяются по формуле:
где
ηтр - кпд
трансформатора (0,85);
Sт - габаритная мощность трансформатора (100 Вт).
Потери
в вентилях:
где
Iа - средний ток в вентиле;
Uпр.ср - прямое падение напряжения на вентиле; N-
число последовательно включенных вентилей выпрямителя. Общие потери в вентилях:
ΣΔРв=ΔРв1+ΔРв2+ΔРв3.
ΣΔРв=3×1,2+0,6×1,2+0,9×5=8,82 Вт.
Потери
в сглаживающем фильтре при емкостном фильтре можно не учитывать.
Потери
в стабилизаторе:
где
Uвх-
напряжение на входе стабилизатора; Iвх - входной ток стабилизатора; Ud- напряжение в нагрузке.
ΣΔРст=ΔРст1+ΔРст2.
ΣΔРст=(14,5-12)×1,5+(170-120)×0,208=14,15 Вт.
Таким
образом, КПД источника питания:
,
.
7. Разработка печатной платы устройства
Печатная плата является основным конструктивным
элементом, несущим на себе все компоненты электронной схемы и выполняющей
электрические связи между ними. От конструкции, качества разводки и
изготовления зависят многие характеристики и надежность всего изделия в целом.
Автор использует современное программное обеспечение и многолетний опыт в
разработки конструкции и топологии печатных плат, что позволяет создавать
простые по топологии однослойные платы, а также сложные многослойные.
Исходные данными для разработки плат является:
схема электрическая принципиальная в формате P-Cad
2004-2006, или любом другом формате, по договоренности;-конструктив платы
(размеры, положение крепежных отверстий, разъемов);
специальные требования к размещению компонентов и
разводке(при необходимости).
Справочные данные по платам.
.Односторонние печатные платы.
Эти платы используются исключительно для
одностороннего монтажа элементов в гладкие (неметаллизированные) отверстия.
Весь электрический монтаж осуществляется на одном слое. Общепринято считать
первым (верхним) слоем тот, на котором расположены элементы. При двухстороннем
размещении элементов за верхний принимается слой, на котором расположены
устройства внешней коммутации (монтажные элементы, колодки, платы и т.д.).
В односторонних печатных платах для трассировки
пересекающихся цепей используются перемычки, выполняемые из проволоки (обычно
из медной, лужено одножильной). Они представляют собой элементы конструкции,
поэтому показываются на чертежах, записываются в спецификации и т.д.
Номенклатура перемычек должна быть минимальной.
Односторонние печатные платы обеспечивают самую
большую точность выполнения проводящего рисунка и совмещения его с отверстиями
и при этом являются наиболее дешевым классом печатных плат. Надежность печатной
платы и механическая прочность крепления элементов также не высока. Во
избежание отслоения печатных проводников все элементы желательно монтировать
без зазоров между корпусом элемента и печатной платой.
Для повышения прочности крепления элементов возможно
изготовления односторонних печатных плат с металлизацией отверстий, но
стоимость печатных плат будет сопоставима с двухсторонними. Односторонние
печатные платы, благодаря их дешивизне, используются очень широко в
относительно несложных устройствах.
.Двусторонние печатные платы.
Известны две разновидности двухсторонних ПП (ДПП): без
металлизации и с металлизацией сквозных отверстий. Платы без металлизации по
многим параметрам соответствуют односторонним платам. Но из-за наличия еще
одного слоя (в данном случае - первого) повышается трассировочная способность
ПП и в определенной степени плотность компоновки элементов. Серьезная проблема
таких плат - обеспечение электрических переходов между слоями, для чего
применяются заклепки, проволочные перемычки или пайка выводов элементов с двух
сторон ПП. Все это резко усложняет монтаж и в целом повышает стоимость
устройства. Платы такой разновидности обычно используются в любительских и
макетных устройствах.
Платы с металлизацией переходных отверстий имеют
высокую трассировочную способность, обеспечивают высокую плотность монтажа
элементов и хорошую механическую прочность их крепления. Эти ДПП допускают
монтаж элементов на поверхности и являются наиболее распространенными в
производстве радиоэлектронных устройств.
.Точность печатных плат.
Точность изготовления печатных плат зависит от
комплекса технологических характеристик и с практической точки зрения
определяет основные параметры элементов печатной платы. В первую очередь это
относится к минимальной ширине проводников, минимальному зазору между
элементами проводящего рисунка (все это выполнено из меди) и к ряду других
параметров.
ГОСТ 23.751-86 предусматривает пять классов точности
печатных плат, и в конструкторской документации на печатную плату должно
содержаться указание на соответствующий класс, который обусловлен уровнем технологического
оснащения производства. Поэтому выбор класса точности всегда связан с
конкретным производством. Попытка решить эту задачу в обратном порядке может
привести к тому, что Ваш проект не будет реализован.
|
Условное обозначение
|
Номинальное значение основных параметров для класса
точности
|
|
1
|
2
|
3
|
4
|
5
|
|
t, mm
|
0.75
|
0.45
|
0.25
|
0.15
|
0.1
|
|
S, mm
|
0.75
|
0.45
|
0.25
|
0.15
|
0.1
|
|
b, mm
|
0.3
|
0.2
|
0.1
|
0.05
|
0.025
|
|
f
|
0.4
|
0.4
|
0.33
|
0.25
|
0.2
|
В таблице:- ширина печатного проводника;- расстояние между краями
соседних элементов проводящего рисунка;- гарантированный поясок;- отношение
номинального значения диаметра наименьшего из металлизированых отверстий, к
толщине печатной платы.
Печатные платы 3-гo класса - наиболее
распространенные, поскольку, с одной стороны, обеспечивают достаточно высокую
плотность трассировки и монтажа, а с другой - для их производства требуется
рядовое, хотя и специализированное, оборудование.
Печатные платы 4-го класса выпускаются на высокоточном
оборудовании, но требования к материалам, оборудованию и помещениям ниже, чем
для пятого класса.
Изготовление печатных плат 5-гo класса требует
применения уникального высокоточного оборудования, специальных (как правило,
дорогих) материалов, безусадочной фотопленки и даже создания в производственных
помещениях «чистой зоны» с термостатированием. Таким требованиям отвечает
далеко не каждое производство. Но ПП небольшого размера могут выполняться по
пятому классу на оборудовании, обеспечивающем получение плат четвертого класса.
Комплексно решить все эти проблемы удается только на реальном производстве.
Выпуск печатных плат 2-го и 1-гo классов
осуществляется на рядовом оборудовании, а иногда даже на оборудовании, не
предназначенном для изготовления печатных плат. Такие ПП с невысокими (и даже с
низкими) конструктивными параметрами предназначены для недорогих устройств с
малой плотностью монтажа. К этому классу относятся печатные платы любительского
и макетного уровня, часто единичного или мелкосерийного производства.
Ñïèñîê
ëèòåðàòóðû
1.
Бурков А.Т.
Электронная техника и преобразователи: Учеб. для вузов ж.-д.трансп. - М.:
Транспорт, 1999. - 464 с.
2.
Либерман Ф.Я.
Электроника на железнодорожном транспорте: Учебное пособие для вузов
ж.д.транспорта. - М.: Транспорт, 1987.- 288 с
3.
Сидоров И.Н.
Малогабаритные трансформаторы и дроссели. Справочник.- М.: Радио и связь,
1985.- 276 с.
4.
Сидоров И.Н.,
Скорняков С.В. Трансформаторы бытовой радиоэлектронной аппаратуры: Справочник.
- М.: Радио и связь, 1994. - 320 с.
5.
Полупроводниковые
приборы. Диоды, тиристоры, оптоэлектронные приборы: Справочник / А.В. Баюков,
А.Б. Гитцевич, А.А. Зайцев и др.; Под ред. Н.Н. Горюнова. - М.: Энергоиздат,
1982. - 744 с.
6.
Диоды: Справочник
/ О.П. Григорьев, В.Я. Замятин, Б.В. Кондратьев, С.Л. Пожидаев. - М.: Радио и
связь, 1990.- 656 с.
7.
Полупроводниковые
приборы. Транзисторы средней и большой мощности: Справочник / А.А. Зайцев, А.И.
Миркин, В.В. Мокряков и др.; Под ред. А.В. Голомедова - М.: Радио и связь,
1989. - 640 с.
8.
Транзисторы для
аппаратуры широкого применения: Справочник / К.М. Брежнева, Е.И. Гантман, Т.И.
Давыдова и др.; Под ред. Б.Л. Перельмана. - М.: Радио и связь, 1981. - 656 с.
9.
Щербина А.,
Благий С. Микросхемные стабилизаторы серий 142, К142, КР142. - Радио, 1990, №8,
с. 89-90; №9, с. 73-74.
10.Булычев А.Л. и др. Аналоговые интегральные схемы: Справочник / А.Л.
Булычев, В.И. Галкин, В.А. Прохоренко. - 2-е изд. - Минск: Беларусь, 1993. -
382 с.
ПРИЛОЖЕНИЯ
Приложение 1. Электрическая принципиальная схема блока
питания
Приложение 2. Печатная плата блока питания
Приложение 3
|
Зона
|
Поз. Обозначение
|
Наименование
|
Кол-во
|
Прим.
|
|
VD1
|
Диод КД510А
|
1
|
|
|
VD2
|
Диодный мост КЦ410В
|
1
|
|
|
VD3
|
Диодный мост КЦ402И
|
1
|
|
|
VD4
|
Диод Д202А
|
1
|
|
|
VD5
|
Диод КС620А
|
1
|
|
|
VD6
|
Диод Д202А
|
1
|
|
|
VT1
|
Транзистор КТ704Б
|
1
|
|
|
C1
|
КонденсаторК50-6
|
1
|
С=100 мкФ, U=25 В
|
|
C2
|
Конденсатор К50-6
|
1
|
С=2 мкФ, U=300 В
|
|
C3
|
Конденсатор К50-6
|
1
|
С=150 мкФ, U=50 В
|
|
C4
|
Конденсатор CL21
|
1
|
25 мкФ
|
|
C5
|
Конденсатор CL21
|
1
|
1 мкФ
|
|
R1
|
Резистор МЛТ1-430к
|
1
|
430 кОм
|
|
R2
|
Резистор МЛТ1-5,6к
|
1
|
5,6 кОм
|
|
R3
|
Резистор МЛТ1-5.1к
|
1
|
6,2 кОм
|
|
R4
|
Резистор МЛТ1-100к
|
1
|
100 кОм
|
|
R5
|
Резистор МЛТ1-100к
|
1
|
100 кОм
|
Лампа НL-02
|
1
|
|
|
Hl2
|
Светодиод АЛ307Г
|
1
|
|
|
TV1
|
Трансформатор ТАН56 127/220-50
|
1
|
|
|
FU1
|
Предохранитель Н520-0,5АV
|
1
|
|