Автоматизированная система защиты от критических изменений в сети

  • Вид работы:
    Курсовая работа (т)
  • Предмет:
    Информатика, ВТ, телекоммуникации
  • Язык:
    Русский
    ,
    Формат файла:
    MS Word
    147,03 Кб
  • Опубликовано:
    2015-11-02
Вы можете узнать стоимость помощи в написании студенческой работы.
Помощь в написании работы, которую точно примут!

Автоматизированная система защиты от критических изменений в сети

СОДЕРЖАНИЕ

Введение

.   Общая часть

1.1 Назначение заданной принципиальной электрической схемы в системах программного управления

2. Конструкторская часть

2.1 Разработка алгоритма работы узла заданного устройства

.2 Разработка структурной схемы заданного устройства, исходя из алгоритма работы

.3 Разработка и описание функциональной электрической схемы устройства

3. Исследовательская часть

3.1 Исследование и обоснование выбора элементной базы разрабатываемой принципиальной электрический схемы узла

.2 Расчёт параметров и характеристик разработанной принципиальной электрической схемы узла

.3 Разработка принципиальной электрической схемы

4. Расчёт надёжности

4.1 Расчёт надёжности разработанной принципиальной электрической схемы узла

5. Охрана труда

5.1 Описание мероприятий по ТБ при изготовлении разработанного узла

Заключение

Список использованных источников


ВВЕДЕНИЕ

Темпы роста энерговооруженности нашего быта достигли впечатляющих вершин - от лампочки освещения и утюга в 50-х годах, до персональных компьютеров, домашних кинотеатров и разного рода комбайнов в наши дни. Рост же электропотребления в промышленности еще более значителен. В последнее время положение с качеством электропитания усугубилось с появлением энергоемкого оборудования и технологий, управление которыми основано на коммутационном принципе (с помощью реле, контакторов, тиристоров и персональных компьютеров). Это явилось причиной таких нарушений электропитания, как высокочастотные импульсы и искажение синусоидальной формы напряжения и тока. К сожалению, усилия компаний-поставщиков электроэнергии не только не могут гарантировать потребителям стабильного по величине напряжения, но и сами усугубляют проблему. Так, поставщики электроэнергии, и это не секрет, часто поднимают напряжение в низковольтных сетях с 220-380В (±5%) до 230/400В (±10%). В результате все подключенное электрооборудование, рассчитанное на напряжение 220В, будет потреблять (и это будет оплачено) на 9,3% больше энергии, чем необходимо. Эти и другие нарушения качества электропитания могут привести не только к выходу из строя оборудования, сбоям техпроцессов и потерям данных, но и к человеческим жертвам (при отказе средств жизнеобеспечения и пожаротушения).

В курсовой работе рассматривается автоматизированная система защиты от критических изменений сети 220В. В качестве контролирующего устройства используется AVR микроконтроллер.


1. ОБЩАЯ ЧАСТЬ

.1 Назначение заданной принципиальной электрической схемы в системах программного управления

Пониженное и/или нестабильное напряжение в сети электропитания может необратимо повредить всю бытовую технику. Специально для решения проблемы нестабильного электроснабжения электроаппаратуры, сглаживания перепадов и скачков отклонения питающего напряжения в сети электропитания (стабилизация напряжения питания) выпускается специальное защитное устройство - стабилизатор переменного сетевого напряжения.

Бытовая техника, подключенная через стабилизатор напряжения, работает в щадящем режиме электропитания со стабилизированным входным напряжением питающей сети, что позволяет значительно продлить ее эксплуатационный ресурс и даже сэкономить на электроэнергии т.к. вся бытовая техника изначально проектируется на конкретное значение напряжения в сети, и именно при этом напряжении обеспечивается оптимальный режим работы и самый высокий КПД.

Стабилизаторы напряжения также могут использоваться для защиты электродвигателей. Если напряжение подано, а двигателю не хватает пусковой мощности, он просто стоит и потребляет огромный пусковой ток, который раз в пять больше рабочего. Двигатель очень быстро перегревается и выходит из строя.

Использование стабилизатора напряжения позволяет обеспечить не только экономию энергии благодаря устранению недостатков напряжения в сети, но и - рост ресурса и производительность оборудования благодаря тому, что оно не подвергается неожиданным изменениям напряжения питания и работает на том напряжении, на которое оно рассчитано; снижение стоимости обслуживания, т.к. возрастает ресурс оборудования - период замены отдельных узлов или оборудования в целом удлиняется благодаря длительному сохранению ими работоспособности. Количество поломок и отказов также снижается благодаря устранению фактора риска; адаптацию оборудования, рассчитанного на сеть 220/380 вольт, при переходе на сеть 230/400 вольт без дополнительных капиталовложений. Современный стабилизатор всегда обеспечит требуемое напряжение, а стало быть, и прогнозируемые характеристики оборудования и расход энергии. Поэтому применение стабилизации напряжения является самой доступной и эффективной мерой энергосбережения, особенно в условиях, когда управление энергозатратами является ключевым моментом при потреблении электроэнергии.

2. КОНСТРУКТОРСКАЯ ЧАСТЬ

.1 Разработка алгоритма работы узла заданного устройства

Рисунок 2.1 - Алгоритм работы устройства стабилизации напряжения

При включении данного устройства сначала происходит инициализация устройства. Настройка микроконтроллера на работу, т.е. настройка портов ввода/вывода. Затем происходит анализ сети, который определяет изменение сети на ±10%. После чего происходит стабилизация сети в положительную сторону или отрицательную. Данный анализ сети работает постоянно.

.2 Разработка структурной схемы заданного устройства, исходя из алгоритма работы

Далее, исходя из алгоритма устройства создадим структурную схему.

Структурная схема - это схема, определяющая основные функциональные части изделия, их назначение и взаимосвязь. Структурная схема используется для общего ознакомления с изделием.

Рисунок 2.2 - Структурная схема устройства

ОиФ - ограничитель и фильтр;

РП - реле переключений;

ТР - трансформатор;

ИНВ - инвертор;

СЗ - схема заряда.

2.3 Разработка и описание функциональной электрической схемы устройства

На основании структурной схемы мною была составлена электрическая функциональная, при выборе которой я руководствовался тем, что она должна иметь низкую стоимость, не содержать дефицитных элементов, сложных регулировок и имела малое энергопотребление, но при всем при этом должна обеспечивать высокую стабильность и точность отображения информации.

Рисунок 2.3 - Функциональная схема устройства

1. обесточивание в случае, если сетевое напряжение выходит за допустимые границы. Диапазон допустимых значений можно изменить в любой момент;

2.      в случае аварии устройство отключает не только нагрузку, но и самого себя, переходя на автономное питание от аккумуляторной батареи (АКБ). Далее оно с заданной периодичностью подключается к сети и проверяет напряжение. Если напряжение нормализовалось и не выходит за пределы нормы в течение указанного времени, то подача электропитания возобновляется;

.        устройство само отслеживает состояние АКБ как в "свободном" состоянии, так и под нагрузкой. Если напряжение на АКБ упало ниже указанного значения, то АКБ будет автоматически поставлена на зарядку. Если перед этим АКБ не была разряжена до конца, то предварительно она будет разряжена, до 4.0В для уменьшения "эффекта памяти";


3. ИССЛЕДОВАТЕЛЬСКАЯ ЧАСТЬ

.1 Исследование и обоснование выбора элементной базы разрабатываемой принципиальной электрической схемы узла

Основой регулятора является унифицированный понижающий трансформатор Т1. Он включен по схеме автотрансформатора. Кроме трансформатора схема содержит выпрямитель для питания электронной части схемы, два пороговых устройства и узел включения выходного напряжения. Последний обеспечивает некоторую задержку появления напряжения на выходе. Это необходимо для того, чтобы устройство успело войти в рабочий режим.

Таблица 3.1

Основные характеристики трансформатора

Номинальная мощность, Вт

Ток первичной обмотки, А

Напряжение вторичных обмоток, В

Номинальный ток вторичных обмоток, А



II, II'

III, III'

IV, V


1,65

0,03

1,25

1,25

0,35

0,29


Рисунок 3.1 - Схема расположения обмоток трансформатора

Первое пороговое устройство выполнено на транзисторе VT1, резисторах R2, R3, стабилитронах VD2, VD3 , и конденсаторе C3. Реле К1 включено в коллекторную цепь транзистора VT1. Для защиты транзистора от напряжения самоиндукции катушка реле зашунтирована диодом VD4.

Технические параметры КТ315

Параметр

Значение

Структура

n-p-n

Максимально допустимое (импульсное) напряжение коллектор-база

20 В

Максимально допустимое (импульсное) напряжение коллектор-эмиттер

20 В

Максимально допустимая постоянная рассеиваемая мощность коллектора без теплоотвода (с теплоотводом)

0.15 Вт

Статический коэффициент передачи тока биполярного транзистора в схеме с общим эмиттером

50-350

Обратный ток коллектора

<=0.5 мкА

Граничная частота коэффициента передачи тока в схеме с общим эмиттером

=>250 МГц


Таблица 3.3

Технические параметры реле

Номинальное напряжение (V, постоянное)

Сопротивление обмотки (Ω ±10%)

Номинальный ток (mA)

Потребляемая мощность (mW)

24

400

30

360


3.2 Расчёт параметров и характеристик разработанной принципиальной электрической схемы узла

Так как в документации по трансформатору была дана потребляемая мощность равная 1,65 Вт, то мы ее не рассчитываем, аналогично и с реле у которого потребляемая мощность равна 0,36 Вт.

Формула для расчета потребляемой мощности:

 (3.1)

Рассчитаем потребляемую мощность транзистора КТ315

Рассчитаем потребляемую мощность устройства

 (3.2)

Потребляемая мощность устройства составила 2,1 Вт.

.3 Разработка принципиальной электрической схемы

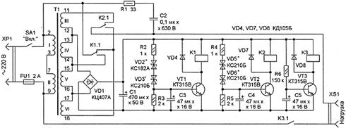
Рисунок 3.2 - Принципиальная схема устройства

Основой регулятора является унифицированный понижающий трансформатор Т1. Он включен по схеме автотрансформатора. Кроме трансформатора схема содержит выпрямитель для питания электронной части схемы, два пороговых устройства и узел включения выходного напряжения. Последний обеспечивает некоторую задержку появления напряжения на выходе. Это необходимо для того, чтобы устройство успело войти в рабочий режим.

При коммутации вторичных обмоток неизбежно возникновение помех, от которых обгорают контакты реле. Для защиты от этого явления служит цепочка, состоящая из резистора R1 и конденсатора C2.

Электронная часть устройства получает питание от нестабилизированного выпрямителя, состоящего из диодного моста VD1 и сглаживающего конденсатора C1. Конденсаторы C3 и C4 установленные в пороговых устройствах, предназначены для устранения кратковременных изменений (выбросов) выпрямленного напряжения. Это же напряжение используется для контроля сетевого напряжения.

На транзисторе VT3 и элементах C5 и R6 собран таймер задержки включения. Также устройство содержит два пороговых устройства, конструкция которых аналогична.

Первое пороговое устройство выполнено на транзисторе VT1, резисторах R2, R3, стабилитронах VD2, VD3 , и конденсаторе C3. Реле К1 включено в коллекторную цепь транзистора VT1. Для защиты транзистора от напряжения самоиндукции катушка реле зашунтирована диодом VD4.

Контакты реле К1 переключают обмотки трансформатора Т1 при срабатывании порогового устройства. Конденсатор С3 предназначен для сглаживания пульсаций выпрямленного напряжения, а также устранения помех. По такой же схеме собрано и второе пороговое устройство. Оно состоит из элементов VT2, VD4, VD5, R4, R5, C4, реле К2.

Работа регулятора напряжения

Работу регулятора удобно рассматривать по частям. При включении устройства на конденсаторе С1 появляется напряжение, которое начинает заряжать конденсатор С5. С задержкой около двух секунд открывается транзистор VT3, включается реле К3, и в нагрузку подается напряжение.

Сетевое напряжение понижено

В том случае, когда напряжение в сети менее 190 В не сработает ни одно пороговое устройство и контакты реле К1 и К2 находятся в том положении, как показано на схеме. В этом случае к нагрузке будет подано сетевое напряжение и плюс к нему напряжение с обмоток III и VI. Если напряжение сети в этот момент будет 150 В, на нагрузке будет не менее 190 В.

Сетевое напряжение почти в норме.

Если сетевое напряжение будет в диапазоне 190…220 В, выходное напряжение выпрямителя достаточно для открытия стабилитронов VD2, VD3, что приведет к открытию транзистора VT1, поэтому сработает реле К1. если проследить по схеме, то можно увидеть, что в этом случае подключатся обмотки III и IV.

Сетевое напряжение повышено

В случае, когда сетевое напряжение превысит 220 В, произойдет срабатывание реле К2, которое своими контактами подключит обмотки V и IV. Эти обмотки включены противофазно, поэтому выходное напряжение уменьшится.

Детали и конструкция регулятора напряжения

Почти все детали можно смонтировать на печатной макетной плате проводным монтажом. В конструкции можно применить резисторы типа МЛТ или импортные. Оксидные конденсаторы лучше также импортные, сейчас их, наверно, проще купить, чем отечественные. Да и качество у них получше. Диодный мостик можно заменить дискретными диодами, например 1N4007. Транзисторы подойдут любые маломощные с напряжением коллектор - эмиттер не менее 30 В и током, достаточным для срабатывания реле. Кроме указанных на схеме подойдут КТ645, КТ503, КТ972 с любым буквенным индексом.

Вместо указанных на схеме двуханодных стабилитронов возможно применение обычных Д810…Д814. Перед установкой их следует подобрать по напряжению в соответствии с указанными на схеме.

В качестве реле лучше применить импортные (Tianbo, Trl, Trk и подобные, их тоже сейчас проще и дешевле купить) с катушкой на 24 В. Контакты реле должны быть рассчитаны на ток не менее 1,5 А. Многие такие реле, при весьма малых габаритах, имеют контакты, рассчитанные на ток 10…16 А.

микроконтроллер защита перепад сеть

4. РАСЧЕТ НАДЕЖНОСТИ

.1 Расчет надёжности разработанной электрической принципиальной схемы

В данном разделе курсового проекта необходимо провести расчет показателей надежности разработанной электрической принципиальной схемы заданного устройства. К основным показателям надежности относятся:

1) Λ - интенсивность отказов устройства;

) T0 - средняя наработка на отказ;

) Р (t3) - вероятность безотказной работы на заданное время t3 (примем t3 = 5000 часов);

) Tγ - процентная наработка до отказа (примем γ=90%)

Пользуясь перечнем элементов и технической документацией на них, составим таблицу со всеми электрическими и эксплуатационными характеристиками, необходимыми для расчета эксплуатационной интенсивности отказов элементов. Расчет будем проводить приближенно без учета поправочных коэффициентов. Предположим, что устройство работает в нормальном режиме в лабораторных условиях. Все исходные данные и результаты расчетов сведем в таблицу 4.1.

Пользуясь справочными данными, находим для каждого элемента схемы базовую интенсивность отказа и заносим в таблицу 4.1.

Таблица 4.1

Исходные данные для расчёта интенсивности отказов устройства

Позиционное обозначение

Тип

Количест-во,  шт.

Базовая интенсивность отказов, λб, х10-6 1/ч

1

2

3

4

5

Стабилитрон

VD2-VD3, VD5-VD6

4

0,041

Диод

VD4,VD7-VD8

3

0,091

Диодный мост

VD1

1

0,21

Резистор

R1-R9

9

0,044

Конденсатор

C1-C5

5

0,022

Транзистор

VT1-VT3

3

0,044

Предохранитель

FU1

1

0,011

Ключи

K1-K4

4

0,18

Трансформатор

1

0,0072

В нашем случае учёт электрического режима, температуры окружающей среды и других факторов, влияющих на эксплуатационную безотказность устройства, выполняется приближенно с помощью обобщенного коэффициента КЭ.ОБ. Значение этого коэффициента зависит от типа устройства и условий его эксплуатации. Так как предполагается, что разрабатываемое устройство будет работать в лабораторных условиях, то КЭ.ОБ = 1.Тогда суммарная интенсивность отказов определяется по формуле.

 (4.1)

гдесреднегрупповое значение интенсивности отказов элементов j-ой группы (находится по справочнику);

к - число сформированных групп однотипных элементов;

количество элементов в j-ой группе.

= 0,041·4+0,091·3+0,21·1+0,044·9+0,022·5+0,044·3+0,011·1+0,18·4+

+0,0072·1=2,023·10-6 1/ч

Далее определим среднюю наработку до отказа.

Средняя наработка до отказа Т0 - это математическое ожидание наработки устройства до первого отказа (может быть определена по потоку отказов).

 (4.2)

Т0==494315 ч

Определим вероятность безотказной работы устройства. Вероятность безотказной работы Р(tЗ) представляет собой вероятность того, что в пределах заданного промежутка времени отказ системы не возникнет. В курсовом проекте необходимо рассчитать вероятность безотказной работы для промежутка времени tз = 5000 часов. Вероятность безотказной работы рассчитывается по формуле

 (4.3)

=0,91

Рассчитаем гамма-процентную наработку на отказ. Гамма-процентная наработка до отказа - это наработка, в течение которой отказ в изделии не возникнет с вероятностью γ, выраженной в процентах.

В курсовом проекте необходимо рассчитать в течение какого времени в разрабатываемом устройстве отказ не наступит с вероятностью 90%. Гамма-процентную наработку находят по формуле.

 (4.4)

ТГ = - 49431551903 ч


5. ОХРАНА ТРУДА

.1 Описать мероприятия по технике безопасности при изготовлении разработанного узла

При изготовлении и проведении сборочно-монтажных работ нужно строго соблюдать правила по техники безопасности и следить за исправностью инструмента, измерительных приборов, шнуров питания, соединяющих паяльник и различные радиотехнические устройства с электрической сетью. Любая небрежность или неосторожность могут стать причиной самых различных несчастных случаев: поражение постоянным или переменным током, травмы от движущихся или острых частей оборудования, получение травматических ожогов от нагретых частей паяльника, отравление организма от вдыхания паров, возникающие при пайке флюсами, кислотами.

Основные правила по технике безопасности при конструкторских, радиомонтажных работах, связанных с ремонтом и налаживанием радиотехнических устройств, предусматривают выполнение следующих требований:

. Рабочее место необходимо содержать в порядке. На нём должны находиться лишь те приборы, инструменты и приспособления, которые требуются для выполнения данной работы.

. Инструмент всегда должен быть в исправном состоянии.

. При резке листового металла ножницами, пальцы левой руки располагать подальше от режущих кромок ножниц. Отгибать срезанный кусок нужно так, чтобы не поранить правую руку заусенцами.

. При пропитывании деталей электроизоляционными веществами следует соблюдать правила пожарной безопасности. Нельзя пользоваться открытым огнём при расплавлении таких веществ, как воск, парафин или церезин.

. Необходимо следить за исправностью плавких предохранителей в электросети и аппаратуре. Категорически запрещается применять вместо плавких предохранителей так называемые жучки из проволоки.

. Ни в коем случае нельзя прикасаться мокрыми или влажными руками к корпусам включённых приборов.

ЗАКЛЮЧЕНИЕ

В результате выполнения курсового проекта было собрано устройство от критических перепадов в сети питания 220В. Была рассчитана потребляемая мощность разработанного устройства и составила 2,1 Вт.

В результате выполнения курсового проекта были получены знания в проектирование сложных устройств, также методику вытравливания плат. Были получены навыки в использовании программ таких как: AutoCad, Visio, DipTrace.

СПИСОК ИСПОЛЬЗОВАННЫХ ИСТОЧНИКОВ


1. Справочник «Интегральные микросхемы» Б.В. Тарабрин, Л.Ф. Лунин, Ю.Н. Смирнов и др., Радио и связь, Москва 1984г.

2.      В.Л. Шило «Популярные цифровые микросхемы», Радио и связь, Москва 1987г.

.        А.С. Партин, В.Г. Борисов «Введение в цифровую технику», Радио и связь, Москва 1987г.

.        Б.И. Горошков «Элементы радиоэлектронных устройств», Радио и связь, Москва 1988г.

5. Охрана труда Лазаренков А.М., Калиниченко В.А., 2010 г.

Похожие работы на - Автоматизированная система защиты от критических изменений в сети

 

Не нашли материал для своей работы?
Поможем написать уникальную работу
Без плагиата!
Без нейросетей!