Привод транспортера

  • Вид работы:
    Курсовая работа (т)
  • Предмет:
    Другое
  • Язык:
    Русский
    ,
    Формат файла:
    MS Word
    145,42 Кб
  • Опубликовано:
    2014-03-24
Вы можете узнать стоимость помощи в написании студенческой работы.
Помощь в написании работы, которую точно примут!

Привод транспортера

МИНИСТЕРСТВО ОБРАЗОВАНИЯ И НАУКИ

РОССИЙСКОЙ ФЕДЕРАЦИИ

Федеральное государственное бюджетное образовательное учреждение

высшего профессионального образования

«Оренбургский государственный университет»

Транспортный факультет

Кафедра «Детали машин и прикладная механика»





КУРСОВОЙ ПРОЕКТ

по дисциплине “Основы конструирования”

Привод транспортера



Руководитель проекта:

Решетов С.Ю.

Исполнитель: студент

группы 12`АТП(б)ОП

Мещеряков Е.А.



Оренбург 2013

МИНИСТЕРСТВО ОБРАЗОВАНИЯ И НАУКИ

РОССИЙСКОЙ ФЕДЕРАЦИИ

Федеральное государственное бюджетное образовательное учреждение

высшего профессионального образования

«Оренбургский государственный университет»

Транспортный факультет

Кафедра «Детали машин и прикладная механика»

Техническое задание ГОУ ОГУ 220301.65 41 07.29 на курсовое проектирование по дисциплине «Основы конструирования»

Привод транспортера:


Исходные данные:

угловая скорость рабочего вала …………………………..........8.5;

вращающий момент на рабочем валу  …………………..…...350;

срок службы привода , час …………………………………......10000;

производство ……………………………………………………массовое;

особые требования ………………………………………….реверсивное;

Разработать:

1)   пояснительную записку;

2)   сборочный чертеж редуктора (А1);

Дата выдачи задания: « » 2013г.

Руководитель проекта: _________

Дата защиты проекта: « » 2013 г.

Исполнитель: студент группы 12`АТП(б)ОП Мещеряков Е.А.

Содержание

Введение

. Выбор и проверка электродвигателя, кинематический расчёт привода

.1 Выбор и проверка электродвигателя

.2 Определение общего передаточного числа и разбивка его между ступенями

.3 Определение частот вращения валов привода

.4 Определение угловых скоростей валов привода

.5 Определение мощностей на валах привода

.6 Определение вращающих моментов на валах привода

. Расчет закрытой конической передачи

.1 Исходные данные для расчета

.2 Выбор материалов шестерни и колеса передачи и определение допускаемых напряжений

.3 Определение размеров конических колес и параметров зацепления

.4 Проверочные расчеты передачи

.5 Определение сил, действующих в зацеплении

. Расчёт открытой ременной передачи

. Проектный расчет валов и компоновка редуктора

.1 Проектный расчет валов редуктора

.2 Выбор подшипников качения для валов редуктора

.3 Шпоночные соединения

.4 Основные размеры конического зубчатого колеса

.5 Конструктивные размеры корпуса редуктора

. Конструирование подшипниковых узлов

.1 Конструирование подшипниковых узлов быстроходного вала

.2 Конструирование подшипниковых узлов тихоходного вала

. Смазывание. Смазочные устройства

.1 Смазывание конического зацепления

.2 Смазывание подшипников

. Выбор муфты

. Проверочный расчёт шпонок

. Проверочный расчет подшипников на долговечность

. Сборка редуктора

Список используемой литературы

Введение

В данном проекте изложен процесс проектирования привода скребкового транспортера с разработкой конструкции конического одноступенчатого редуктора и открытой ременной передачи, служащих для передачи вращающего момента с вала электродвигателя на рабочий вал транспортера.

В курсовом проектировании принята единая система физических единиц (СИ) со следующими отклонениями, допущенными в стандартах (ИСО и ГОСТ) на расчёты деталей машин: размеры деталей передач выражаются в миллиметрах (мм), силы в ньютонах (Н), и соответственно напряжения в ньютонах, делённых на миллиметры в квадрате (), т.е. мегапаскалях (МПа), а моменты в ньютонах, умноженных на миллиметр (). У отдельных групп формул даны соответствующие примечания.

При расчёте закрытой конической передачи редуктора вводятся следующие обозначения: параметры для быстроходного вала обозначаются с индексом «1», а параметры для тихоходного вала обозначаются с индексом «2». При расчёте открытой ременной передачи индекс «1» присваивается всем элементам и параметрам ведущего звена, а индекс «2» - ведомого звена рассчитываемой передачи.

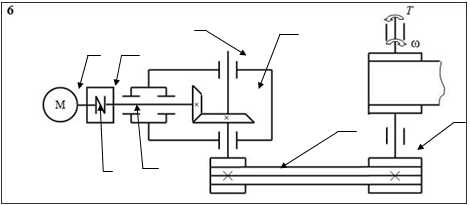
Рисунок 1 - Элементы привода транспортера.

Привод общего назначения состоит из:

- электродвигатель;

- упругая компенсирующая муфта;

- закрытая коническая передача;

- открытая ременная передача.

Валы привода:- вал электродвигателя;- быстроходный вал редуктора;- тихоходный вал редуктора;- вал рабочей машины.

1.     Выбор и проверка электродвигателя, кинематический расчёт привода

 

1.1   Выбор и проверка электродвигателя

 

Определение требуемой мощности электродвигателя


,

где:  - мощность на рабочем валу;

 - общий коэффициент полезного действия (К.П.Д.) привода;

здесь:

 - вращающий момент на рабочем валу;

 - угловая скорость рабочего вала;

 - К.П.Д. упругой компенсирующей муфты между электродвигателем и редуктором;

 - К.П.Д. конической передачи редуктора;

 - К.П.Д. ременной передачи;

 - К.П.Д. пар подшипников ;

Определение требуемой частоты вращения электродвигателя

Требуемая частот вращения находится из следующего диапазона частот вращения:


где:  - частота вращения рабочего вала привода;

- диапазон возможных передаточных чисел привода.

здесь:

- диапазон возможных передаточных чисел конической передачи редуктора;

 - диапазон возможных передаточных чисел открытой ременной передачи.

Тогда:

.

Отсюда:

 об/мин

Выбор электродвигателя

Исходя из полученных выше данных, выбираем электродвигатель переменного тока с короткозамкнутым ротором единой серии 4А по ГОСТ 19523-81 (серия АИР по ТУ16-525.564-84) с техническими характеристиками, представленными в таблице 1.

Таблица 1 - Технические характеристики выбранного электродвигателя

Тип двигателя    Исполнение        Число пар полюсов          Мощность, , кВтЧастота

вращения , мин-1Диаметр вала d, мм




 

АИР112МВ6

М1081

6

4

950

2,2

32


Рисунок 2 - Электродвигатель АИР112МВ6 исполнения М1081

1.2   Определение общего передаточного числа и разбивка его между ступенями


Общее передаточное число привода:


Передаточное число конической передачи редуктора


1.3    Определение частот вращения валов привода


;

;

.

1.4    Определение угловых скоростей валов привода


;

;

;

.

1.5    Определение мощностей на валах привода


;

;

;

.

1.6    Определение вращающих моментов на валах привода


;

;

;

.

Таблица 2 - Результаты кинематического расчёта привода

Валы привода

Величины

   Угловая скорость , рад/сЧастота вращения

, об/минМощность

, ВтВращающий

момент , Н×м




 

I

99,43

950

3337

33,56

II

99,43

950

3311,97

33,30

III

31,56

301,58

3155,64

99,988

IV

8,5

81,28

2975

350


2.     Расчет закрытой конической передачи


2.1   Исходные данные для расчета


Получены из кинематического расчета и на основании исходных данных на проектирование.

Вращающий момент на шестерне ТII=T1, Н×м - 33,56.

Вращающий момент на колесе ТIII=T2, Н×м - 33,30.

Частота вращения шестерни nII=n1, об/мин - 950.

Частота вращения колеса nIII=n2, об/мин - 301,58.

Передаточное число передачи  = 3,15.

Срок службы передачи Lh, час - 10000

Режим работы 0.

Смазка погружением колеса в масляную ванну.

Электродвигатель имеет следующие параметры:

мощность номинальная , Вт - 4000;

мощность расчетная , Вт - 4000;

·   отношение пускового момента к номинальному Тмах / Тном = 2,2.

2.2    Выбор материалов шестерни и колеса передачи и определение допускаемых напряжений

 

Выбор материала шестерни и колеса

Так как к габаритным размерам редуктора не предъявляется особых требований, то принимаем следующие материалы:

для колеса: сталь 40Х ГОСТ 4543-71: термическая обработка - нормализация, НВ2=245, предел прочности σВ2 = 830 МПа, предел текучести σТ2 = 540 МПа.

Определение допускаемых контактных напряжений

,

где  - предел контактной выносливости при базовом числе циклов,


- коэффициент долговечности, для редукторостроения

 - коэффициент безопасности.

Допускаемые напряжения изгиба:

,

Где - предел выносливости при базовом числе циклов переменных напряжений


 - коэффициент безопасности,

 - коэффициент долговечности,

 - коэффициент, учитывающий реверсивность движения,

 - для реверсивного движения.

Материал шестерни должен быть тверже материала колеса, так как зубья шестерни входят в зацепление чаще, чем зубья зубчатого колеса.

 или

По найденной твердости  выбираем материал шестерни: сталь 45Л ГОСТ 4543-71: термическая обработка - нормализация, твердость НВ1=270, предел прочности σВ1 = 930 МПа, предел текучести σТ1 = 690 МПа;

Допускаемые контактные напряжения:


Допускаемые напряжения изгиба:


Расчетное контактное напряжение для прямозубых колес:

Расчетное контактное напряжение для прямозубых колес:

 

2.3    Определение размеров конических колес и параметров зацепления


Принимаем расчетные коэффициенты:

1) коэффициент нагрузки  при консольном расположении колес.

) коэффициент ширины зубчатого венца по конусному расстоянию:

 по ГОСТ 12289.

Определяем внешний делительный диаметр колеса из условия контактной прочности, мм:


где T2 - вращающий момент на колесе, Н·мм.

Расчетные значения  округляем до ближайшего стандартного значения по ГОСТ 2185. Принимаем de2=180мм.

Определяем внешний окружной модуль, мм:

.

По ГОСТ 19672-74 принят нормальный модуль mte=2.

Число зубьев колеса:


Число зубьев шестерни:

Значения  округляем до целого числа.

Уточняем передаточное число:


Расхождения с исходным значением:


Определяем основные геометрические размеры передачи

Углы делительного конуса:


Внешние делительные диаметры, мм:


Внешние диаметры окружностей выступов, мм:


Внешние диаметры окружностей впадин, мм:


Внешние конусное расстояние, мм:


Ширина зубчатого венца, мм:


Принимаем 41мм. Среднее конусное расстояние, мм:


Средние делительные диаметры, мм:


Средний модуль, мм:


Коэффициент ширины колеса по среднему диаметру:


2.4    Проверочные расчеты передачи

Проверяем условие прочности по контактным напряжениям

Средняя окружная скорость, м/с


Степени точности изготовления принимаем 8.

Уточняем коэффициент нагрузки


где  - коэффициент, учитывающий неравномерность распределения нагрузки между зубьями, для передач с прямыми зубьями КНα=1;  - коэффициент, учитывающий неравномерность распределения нагрузки по ширине венца;  - динамический коэффициент.

Проверяем условие прочности, Н/мм2:

.

Перегрузка 1,7%(допускается 5%) условие прочности выполняется.

Проверяем условие прочности зубьев по напряжениям изгиба

Определяем приведенное число зубьев:

 

Определяем по ГОСТ 21354 коэффициенты формы зуба -  и . Проводим сравнительную оценку прочности на изгиб зубьев шестерни и колеса:


Дальнейший расчет ведем по минимальному значению найденных отношений. Определяем коэффициент нагрузки:


где = 1,0 - коэффициент, учитывающий неравномерность распределения нагрузки между зубьями;  - коэффициент, учитывающий неравномерность распределения нагрузки по ширине венца;  - коэффициент динамичности.

Проверяем условие прочности по  :

.

Условие прочности выполняется.

2.5    Определение сил, действующих в зацеплении

В конической передаче сила нормального давления раскладывается на три составляющие: окружную, радиальную и осевую силы.

Окружные силы, Н:


где Т2 - вращающий момент на шестерне (колесе), Н·м; dm2 - средний диаметр шестерни (колеса), мм.

Осевая сила шестерни, равная радиальной силе колеса, Н:

, где

Радиальная сила шестерни, равная осевой силе колеса:


Сила нормального давления, Н:


3.   Расчёт открытой ременной передачи


Выбор сечения ремня

P=3 кВт. n=950В(Б)

Выбор диаметра ведущего шкива

Принимаем d1=160 мм по ГОСТ 1284.1

Определение диаметра ведомого шкива

 

.

Полученное значение d2 (мм) округляют до ближайшего значения по ГОСТ 20889 принимаем d2=630 мм.

Уточнение передаточного числа

 


Определение межосевого расстояния

Для передач с гибкой связью межосевое расстояние определяется удобством расположения элементов привода. Для клиноременных передач его выбирают в интервале:

 


где T0 -высота ремня=11мм по ГОСТ 1284.1.

Принимаем а=610 мм.

Определение длины ремня


Полученное значение Lp (мм) округляют до ближайшего значения по ГОСТ 1284.1. Принимаем Lp=2800 мм.

Уточнение межосевого расстояния


где

 

Определение угла обхвата ремнем меньшего шкива


.

 

Вычисление мощности передачи с одним ремнем

 

Рp0·Ca·CL/Cp=,

Где Р0 - номинальная мощность передачи с одним ремнем, по ГОСТ 1284.3=1,81;

Ca - коэффициент угла обхвата=0,95;

Cр - коэффициент динамичности и режима работы=1,

CL - коэффициент, учитывающий длину ремня, ГОСТ 1284.3=1,05.

Определение числа ремней в передаче

Число ремней в передаче z для обеспечения среднего ресурса эксплуатации определяют по формуле:

 

z=Р/(Рp×Cz),

где Р - мощность на ведущем валу, кВт;

Cz - коэффициент, учитывающий число ремней в передаче=0,95.

Определение среднего ресурса ремней при эксплуатации

Согласно ГОСТ 1284.2 средний ресурс ремней при эксплуатации в среднем режиме работы Тср устанавливается в 2000 ч. При других режимах работы ресурс ремней вычисляют по формуле:

 

Тср.р.ср×К1×К2=2000×1×1=2000;

где К1=2,5; 1,0; 0,5; или 0,25 соответственно для легкого, среднего, тяжелого или очень тяжелого режима работы.

К2 =0,75 - для районов с холодным и очень холодным климатом, для других районов К2=1.

Определение величины натяжения

Величина натяжения ветви одного ремня, Н:

,

где u - окружная скорость ремня, м/с:

;

 

q - коэффициент, учитывающий влияние центробежных сил=0,18;

CL, Ср,,Сa - смотри выше.

Определение силы, действующей на вал

Сила, действующая на вал, Н:

,

Направление силы можно принять совпадающим с линией, соединяющей оси валов.

4.     Проектный расчет валов и компоновка редуктора

 

4.1   Проектный расчет валов редуктора

 

Выбор допускаемых напряжений на кручение

Для тихоходного и быстроходного выбираем Н/мм2

Проектный расчет быстроходного вала редуктора

Диаметр вала на выходном конце быстроходного вала:

 мм,

примем:  мм, поскольку значение мм

Длину выходного конца быстроходного вала примем = 42 мм.

Диаметр вала под уплотнение:

мм,

примем 32 мм.

Здесь t = 2,2 мм - высота буртика.

Длину вала под уплотнение примем мм

Диаметр вала под резьбу:

Примем мм.

Длина этого участка: мм

Диаметр вала под подшипники:

4=d5+(2…4)мм=38…40.

Примем d4=40мм.

Длина этого участка: мм

Диаметр вала под шестерню:

3= d4+3,2r=40+мм

где r=2,5 координаты фаски подшипника

Длина этого участка: мм

Проектный расчет тихоходного вала редуктора

Диаметр вала на выходном конце тихоходного вала:

 мм,

Примем  мм.

Длину выходного конца тихоходного вала примем = 50 мм.

Диаметр вала под подшипники:

Длину вала под подшипники примем ,

Диаметр вала под колесом:

 

примем мм.

Здесь r = 3 мм - координаты фаски подшипника.

Длина этого участка:

 мм

4.2    Выбор подшипников качения для валов редуктора


Для быстроходного вала редуктора выбираем роликовые конические однорядные подшипники врастяжку легкой серии №7208 ГОСТ 333 - 79 со следующими размерами: диаметр внутреннего кольца подшипника d=40 мм, диаметр наружного кольца подшипника D=80 мм, остальные размеры: b=20 мм, r=2 мм.

Для тихоходного вала редуктора выбираем роликовые конические однорядные враспор легкой серии №7208 ГОСТ 333 - 79 со следующими размерами: диаметр внутреннего кольца подшипника d=40 мм, диаметр наружного кольца подшипника D=80 мм, остальные размеры: b=20 мм, r=2 мм.

4.3    Шпоночные соединения


Шпонка призматическая для соединения муфты и ведущего вала редуктора -  ГОСТ 23360-78.

Толщина: ;

Высота: ;

Глубина паза вала: ;

Глубина паза ступицы: ;

Длина: ;

Фаска - 0,5 мм.

Шпонка призматическая для соединения колеса и ведомого вала редуктора -  ГОСТ 23360-78.

Толщина: ;

Высота: ;

Глубина паза вала: ;

Глубина паза ступицы: ;

Длина: ;

Фаска - 0,5 мм.

Шпонка призматическая для соединения шкива и ведомого вала редуктора -  ГОСТ 23360-78.

Толщина: ;

Высота: ;

Глубина паза вала: ;

Глубина паза ступицы: ;

Длина: ;

Фаска - 0,5 мм.

4.4    Основные размеры конического зубчатого колеса

 

Расчет конического колеса

Обод

Диаметр: мм.

Толщина:

 мм

мм

Ширина: мм.

Ступица

Внутренний диаметр: мм.

Наружный диаметр:

мм.

Толщина ступицы:

мм

Длина ступицы:

мм

Диск

Толщина:

мм.

4.5    Конструктивные размеры корпуса редуктора


Толщина стенки корпуса: мм;

Толщина верхнего пояса (фланца) основания корпуса и нижнего пояса (фланца) крышки корпуса:

мм.

Толщина нижнего пояса (фланца) основания корпуса без бобышки:

мм, примем  мм.

Диаметры болтов:

фундаментных:

мм,

принимаем болт М16;

соединяющий крышку с основанием корпуса у подшипников:

мм,

принимаем болт М12;

соединяющих крышку с корпусом:  мм,

принимаем болт М6.

Таблица 3

Параметры

Болты


М10

М12

М16

Кi ci

27 12

32 14

43 19


5.     Конструирование подшипниковых узлов

 

5.1   Конструирование подшипниковых узлов быстроходного вала

привод транспортер редуктор электродвигатель

Крепление колец подшипников на валу и в корпусе

Внутренние кольца подшипников в обеих опорах устанавливают на вал с натягом по посадке L0/k6, с упором в маслоудерживающие кольца, с дополнительным креплением с противоположной стороны с помощью упорных плоских внутренних концентрических колец А 25 65Г кд 15 ГОСТ 13942 - 68. Наружные кольца подшипников в обеих опорах устанавливают в корпус с зазором по посадке H7/l0 с односторонней фиксацией упором в упорные плоские наружные концентрические кольца А 52 65Г кд 15 хр ГОСТ 13940 - 68.

Крышки подшипниковых узлов

Крышка торцевая глухая, крепится к корпусу четырьмя болтами М6. Толщину крышки под болтами примем равной толщине корпуса редуктора - 10 мм. Между корпусом и крышкой устанавливается картонная уплотнительная прокладка. Аналогично крепится сквозная крышка.

Уплотнительные устройства

Уплотнение в сквозных крышках осуществим с помощью жировых канавок извлечения манжет в крышках предусмотрено три отверстия d=3мм.

5.2    Конструирование подшипниковых узлов тихоходного вала

 

Крепление колец подшипников на валу и в корпусе.

Внутренние кольца подшипников в обеих опорах устанавливают с натягом по посадке L0/k6 с упором в маслоудерживающие кольца, с дополнительным креплением с противоположной стороны с помощью упорных плоских внутренних концентрических колец А 25 65Г кд 15 ГОСТ 13942 - 68.

Наружные кольца подшипников в обеих опорах устанавливают в корпус с зазором по посадке H7/l0 с односторонней фиксацией упором в упорные плоские наружные концентрические кольца А 62 65Г кд 15 хр ГОСТ 13940 - 68.

Крышки подшипниковых узлов

Крышка торцевая глухая, крепится к корпусу четырьмя болтами М6. Толщину крышки под болтами примем равной толщине корпуса редуктора - 10 мм. Между корпусом и крышкой устанавливается картонная уплотнительная прокладка. Аналогично крепится сквозная крышка.

Уплотнительные устройства

Уплотнение в сквозных крышках осуществим с помощью резиновых армированных манжет типа I ГОСТ 8752 - 79. Для извлечения манжет в крышках предусмотрено три отверстия d=3мм.

6.     Смазывание. Смазочные устройства


6.1   Смазывание конического зацепления


Выберем непрерывное смазывание жидким маслом картерным непроточным способом (окунанием).

Для контактных напряжений =362 МПа<600 МПа и окружной скорости м/с выберем масло с вязкостью 45*10-6 м2/с, которой соответствует индустриальное масло И-Г-А-46 ГОСТ 20799-88.

Минимальный необходимый объем масла определим как 0,25 литра на каждый киловатт передаваемой мощности, или 0,25·3,4=0,85 л. Допустимый уровень погружения колеса в масло  мм, но не менее 22 мм. Здесь m - модуль зацепления. Расстояние меду дном корпуса и поверхностью колеса примем равным 4а=4·7=28 мм. Таким образом, уровень масла от дна корпуса может колебаться от 38 до 60 мм.

Контроль уровня масла осуществляется жезловым маслоуказателем с установкой в крышке корпуса.

Слив масла производится через сливное отверстие, закрываемое пробкой с цилиндрической резьбой и шестигранной головкой, пробка М16×1,5 - 8g.

Внутренняя полость корпуса сообщается с внешней средой путём установки крышки-отдушины на смотровой люк в верхней части крышки корпуса.

6.2    Смазывание подшипников


Смазывание подшипников осуществляется масляным туманом, образующимся от вращения зубчатой передачи.

7.     Выбор муфты


Муфта упругая втулочно-пальцевая 63-22.I.1-28.I.2 ГОСТ 21424-93.

Материал полумуфт - сталь Ст30Л (ГОСТ 977-88).

Материал пальцев - сталь 45 (ГОСТ 1050-88).

Допускаемый вращающий момент для передачи [T] =63 Н·м, допускаемое напряжение смятия упругих элементов [σсм]=2Н/мм2. Предположив, что нагрузка равномерно распределена между пальцами.

8.     Проверочный расчёт шпонок


Шпонка под полумуфтой:

Условие прочности:


где:

 - окружная сила на валу;

 - допускаемое напряжение на смятие;

 - площадь смятия;

здесь:

 - рабочая длина шпонки;

 - высота шпонки;

 - глубина шпоночного паза;

 - длина шпонки;

 - толщина шпонки.


Условие выполняется.

Шпонка под коническим колесом:

Условие прочности:

где:

 - окружная сила на колесе;

 - допускаемое напряжение на смятие;

 - площадь смятия;

здесь:

 - рабочая длина шпонки;

 - высота шпонки;

 - глубина шпоночного паза;

 - длина шпонки;

 - толщина шпонки.


Условие выполняется.

Шпонка под открытую передачу:

Условие прочности:


где:

 - окружная сила на колесе;

 - допускаемое напряжение на смятие;

 - площадь смятия;

здесь:

 - рабочая длина шпонки;

 - высота шпонки;

 - глубина шпоночного паза;

 - длина шпонки;

 - толщина шпонки.


Условие выполняется.

9.   Проверочный расчет подшипников на долговечность


Для каждой из двух пар подшипников для расчета выберем наиболее нагруженный подшипник. Номинальную долговечность (ресурс) подшипника в часах вычислим по формуле

, ч

где С - динамическая грузоподъемность по каталогу, Н;- эквивалентная нагрузка, Н;- показатель степени для роликовых конических подшипников равен 3,33;  - частота вращения, об/мин.

,

где Fr - радиальная сила, действующая на подшипник, Н;- коэффициент вращения кольца, V=1;

Кб - коэффициент безопасности, Кб=1;

Кт - температурный коэффициент, Кт=1.

На быстроходном валу используются легкие роликовые конические подшипники 7208 А ГОСТ 333 - 79 с С=42,4 кН.

Более нагружен правый подшипник с Fr=1953,01 Н,a=Rs=Н.

Здесь

,

 ч,

что превышает заданный ресурс редуктора равный 20000 ч.

На тихоходном валу используются радиальные роликовые конические легкой серии 7208 ГОСТ 333 - 79 с С=42,4 кН. Более нагружен левый подшипник Fr=1615,49 Н,a=Rs=Н

Здесь

 Н,

тогда  ч,

что превышает заданный ресурс редуктора равный 20000 ч.

10.    Сборка редуктора


Перед сборкой внутреннюю полость корпуса редуктора тщательно очистить и покрыть маслостойкой красой.

Сборку производить в соответствии со сборочными чертежами редуктора, начиная с узлов валов:

на ведущий вал насадить маслоотражающие кольца и роликоподшипники, предварительно нагретые в масле до температуры 80-100 0 С;

в ведомый вал заложить шпонку 16×10×70 и напрессовать зубчатое колесо до упора в бурт вала; затем надеть распорную втулку и установить конические подшипники, предварительно нагретые в масле;

на ведущем валу установить упорные кольца, установить упорные кольца в основание корпуса для фиксации внешних колец подшипников ведущего вала.

Собранные валы уложить в основание корпуса редуктора и надеть крышку корпуса, покрыв предварительно поверхность стыка крышки и корпуса спиртовым лаком. Для центровки установить крышку на корпус с помощью двух конических штифтов; затянуть болты, крепящие крышку к корпусу.

После этого установить распорные втулки между крышками ведущего вала и подшипниками, вложить манжеты в открытые крышки, установить крышки на свои места, проложив между ними и корпусом редуктора картонные прокладки. Проверить проворачиванием валов отсутствие заклинивания подшипников (валы должны проворачиваться от руки) и закрепить крышки винтами.

Далее на концы валов в шпоночные канавки заложить шпонки.

Затем ввернуть пробку маслоспускового отверстия с прокладкой и трубчатый маслоуказатель.

Ввернуть рым-болт в крышку корпуса.

Залить в корпус масло и закрыть смотровое отверстие крышкой с прокладкой из наполненной резины, закрепить крышку ботами.

Собранный редуктор обкатать и подвергнуть испытанию на стенде по программе, установленной техническими условиями.

Список используемой литературы

1. Курсовое проектирование деталей машин: Учебное пособие для учащихся машиностроительных специальностей техникумов / С.А. Чернавский, К.Н. Боков, И.М. Чернин и др. - 2-е изд., перераб. и доп. - Машиностроение,1988. - 416 с.: ил.

. Конструирование узлов и деталей машин: Учеб. пособие для студ. техн. спец. вузов / П.Ф.Дунаев, О.П.Леликов. - 8-е изд., перераб. и доп. - М.: Издательский центр «Академия», 2003. - 496 с.

. Справочник конструктора-машиностроителя: / Анурьев В.И. В 3-х т. Т. 1. - 5-е изд., перераб. и доп. - М.: машиностроение,1978. - 728с.: ил.

. Детали машин: Учебник для студентов машиностроительных и механических специальностей вузов. / Решетов Д.Н.- 4-е изд., перераб. и доп. - М.: Машиностроение, 1989. - 497 с.: ил.

. Курсовое проектирование деталей машин: Учебное пособие для технических техникумов / А.Е. Шейнблит.- Москва: Высшая школа, 1991.-432 с.


Не нашли материал для своей работы?
Поможем написать уникальную работу
Без плагиата!
Без нейросетей!